工程概况表填写示例
- 格式:doc
- 大小:29.00 KB
- 文档页数:1
工程概况模板一、项目概况。
本项目为某某工程项目,位于某某地区,总占地面积为XXX平方米,总建筑面积为XXX平方米。
项目包括主体工程、配套设施等,总投资额为XXX万元。
项目建设内容主要包括XXX。
二、项目背景。
本项目地理位置优越,交通便利,周边配套设施齐全。
项目所在地区经济发达,市场潜力巨大,具有良好的发展前景。
同时,政府对该项目给予了大力支持,提供了良好的政策环境和投资环境。
三、项目规划。
本项目规划总用地面积XXX平方米,总建筑面积XXX平方米,其中主体建筑面积XXX平方米,配套设施面积XXX平方米。
项目规划包括XXX。
四、建设内容。
本项目主要建设内容包括XXX。
其中主体工程包括XXX,配套设施包括XXX。
建设内容涵盖了XXX。
五、项目进展。
目前,本项目已完成XXX工作,取得了XXX成果。
下一步,将继续开展XXX工作,争取早日实现项目建设目标。
六、项目优势。
本项目具有XXX优势。
首先,地理位置优越,交通便利;其次,市场需求旺盛,发展潜力巨大;最后,政府支持力度大,政策环境良好。
七、项目挑战。
本项目面临的挑战主要包括XXX。
首先,XXX;其次,XXX;最后,XXX。
但我们有信心克服各种困难,顺利完成项目建设目标。
八、项目展望。
展望未来,本项目将XXX。
我们将充分利用项目优势,积极应对各种挑战,努力实现项目建设目标,为当地经济发展做出积极贡献。
以上为本项目的工程概况,希望得到各位的关注和支持,谢谢!。
工程概况表四篇
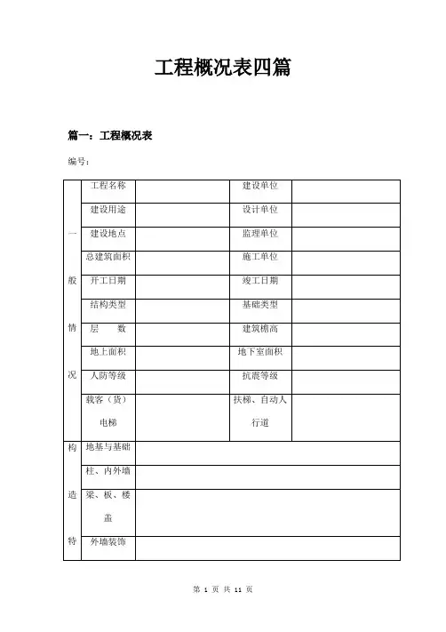
篇一:工程概况表
编号:
篇二:工程概况表
工程概况表
工程类别:商场、办公楼、住宅、酒店、厂房、学校、运动场、博物馆、仓库、车站等
地基与基础:桩基类型(钻孔灌注桩、人工挖孔桩、预制桩等)、基础形式选项(条形基础、独立基础、筏形基础、箱形基础等)、
混凝土标号、其他重要特征。
主体结构:柱混凝土标号、梁混凝土标号、板混凝土标号、最大跨度、最大层高、墙体砖块类型(多孔砖、加气砼块、页岩砖、
灰砂砖等)、其他重要特征。
建筑装饰装修:楼地面构造材料、墙面构造、门窗材料类型、其他重要特征。
建筑屋面:屋面形式(坡屋面、平屋面等)、屋面防水材料、、其他重要特征。
建筑节能:外墙保温材料及构造、屋面保温材料及构造、门窗节能构造、其他重要特征。
工程概况表(市政)
填写说明
道路等级:快速路、主干道、次干道、支路道路类别:沥青混凝土路面、水泥混凝土路面
篇三:工程概况表
工程概况表
编号
篇四:工程概况表
工程概况表立项号:*****号
第 11 页共 11 页。
工程概算总表(表一)
建设项目名字:酒店网络接入
单项工程名称:酒店网络接入建筑单位名称:表格编号:TAB1 全页
设计负责人:审核:编制:编制日期:2010年10月17日
建筑安装工程费用概算表(表二)
建筑项目名称:酒店网络接入
单项工程名称:酒店网络接入建设单位名称:表格编号:TAB2 全页
建筑安装工程量概算表(表三)甲
建设项目名称:酒店网络接入
单项工程名称:酒店网络接入建设单位名称:表格编号:TAB3A 全页
设计负责人:审核:编制:编制日期:2010年10月17日
国内器材概算表(表四)甲
建设项目名称:酒店网络接入
设计负责人:审核:编制:编制日期:2010年10月17日
工程建设其他费概算表(表五)甲
建设项目名称:酒店网络接入
单项工程名称:酒店网络接入建设单位名称:表格编号:TAB5A 全页
设计负责人:审核:编制:编制日期:2010年10月17日。
一般
情
况室
外
工
程
具
体项目及
功
能
概
况
1、场地平整工程包括:平整场地、路基、路面、侧石、标线。
2、围墙工程包括:围墙基础、围墙。
3、给排水工程包括:给水、雨水、污水、化粪池、砖砌隔油池。
/
修车间、综合车场
2017年8月21日/2018年4月20日场地平整工程、围墙工程、给排水工程填表施工单位:
填表人签名: 年 月 日监理单位:
校对人签名: 年 月 日 监理单位:珠海xxxx有限公司 总承包施工单位:xxxxx建筑工程有限公司
专业承包(分包)施工单位:
建设单位:珠海xxxx有限公司
设计单位:
珠海市xxxx设计院 勘察单位:
珠海市xxxx设计院开/竣工日期:
所含分部工程:建设用途(使用功能):
总占地面积(m²):
9000m²其中:修车间:240m²、综合车场:8760m²建筑室外工程竣工概况表
GD-C1-3222
单位(子单位)工程名称
xxxx 建设地址
富山工业园起步区高栏港高速东侧。
表1 工程概况表本工程位于杭州市西湖区保俶塔实验学校体育馆内。
建筑工程等级为三级,建筑耐火等级为二级,结构类型为框架结构,设计使用年限为50年,抗震设防烈度为6度。
一、建筑设计概况1、基础由于工程设计的不同要求,本标段中±0.000标高处相当于黄海高程值也不相同。
2、墙体1)本工程墙体材料详施工图,墙体在-0.06处的墙体中做防潮层,防潮层的做法为20mm聚合物水泥防水砂浆。
2)部分轻质隔断可由甲方自定墙体材料,如轻钢龙骨的纸面石膏板墙、木纤维增强石膏板墙、GRC板墙,木质隔断,铝合金隔墙等,采用轻质墙体容重不应大于 700 Kg/m3,在选用轻质隔断时尚须注意房间的隔声要求,应满足GBJ118-88,"民用建筑隔声设计规范"的有关规定。
3)若采用半砖墙直接砌在地面上时,局部混凝土垫层加厚至300mm,宽度为300mm,两边45°放坡。
半砖墙每隔500mm配置2Φ6钢筋与相邻砖墙伸入墙体内长度不应小于1000mm拉结。
4)不同墙体材料的连接处均应按结构构造配置拉墙筋。
详见结构图,砌筑时应相互搭接不能留通缝,遇框架结构外墙填充墙不同墙体材料的相接处,做粉刷时应加设不小于300mm宽的钢丝网。
5)当墙长大于5M,或大型门窗洞口两边应同梁或楼板拉结或加构造柱,当墙高大于4M时,应在墙高的中部加设圈梁或钢筋混凝土配筋带。
6)墙体构造:6.1所有砌块墙体除注明外均砌到板底或梁底。
构造柱、圈梁、过梁的设置、尺寸位置及配筋,墙柱搭接、门窗洞口等处理除详结构施工图设计说明外,还应满足相关规范、标准的要求。
所有管道竖井的围护墙应随砌随双面抹灰,以保证其气密性良好。
应注意先安装管道设备,后砌筑管井机房墙体。
6.2凡不同墙体材料交接处以及墙体中嵌有设备箱、柜与墙体等宽时,采用背面加铺钢板网做法,周边宽出不小于300mm。
若为楼梯间、前室及防火墙,则应在设备箱背面先加衬50厚防火板。
2020年资料软件单位(子单位)工程概况表填写范例正文:为做好 2020 年资料软件单位 (子单位) 工程概况表的填写工作,我单位认真组织,进行了全面梳理和填写。
现将填写范例公布如下:一、工程概况1.工程名称:2020 年资料软件单位 (子单位) 工程2.工程地点:XX 市 XX 区3.建设规模:XXX 平方米4.建设内容:资料软件研发、安装、调试5.计划工期:X 个月二、资金来源1.财政拨款 XXX 万元2.企业自筹 XXX 万元三、工程质量1.符合验收标准2.合格率 XX%3.优良率 XX%四、工程进展1.已完成工程总量的 XX%2.正在进行 XX%的工程进度五、工程安全1.存在安全隐患,已采取措施解决2.无安全隐患六、工程环保1.符合国家环保政策2.施工过程中采取了环保措施七、工程效益1.提高企业市场竞争力2.提升企业形象和声誉以上为 2020 年资料软件单位 (子单位) 工程概况表填写范例,希望能够为广大用户提供帮助。
同时,我们也将继续完善表格内容,为做好资料软件管理工作提供有力支撑。
拓展:2020 年是我国资料软件行业快速发展的一年,全国各地纷纷开展了资料软件的建设工作。
作为我国资料软件行业的领军企业,XXX 公司积极响应国家号召,投入大量资源和资金,研发出了一款具有国际领先水平的资料软件。
该软件的投入使用,将极大地提高我国资料软件行业的管理水平和工作效率,对于提升我国资料软件行业的国际地位和影响力具有重要的意义。
同时,该软件的投入使用,也将极大地促进我国资料软件行业的健康发展,为建设富强、民主、文明、和谐的社会主义现代化国家做出更大的贡献。
在使用过程中,我们也将不断加强和完善资料软件的管理和建设工作,为广大用户提供更好的服务和保障。
同时,我们也希望广大用户能够积极配合我们的工作,共同推动我国资料软件行业的健康发展。
一般
情
况室
外
工
程
具
体项目及
功
能
概
况
1、场地平整工程包括:平整场地、路基、路面、侧石、标线。
2、围墙工程包括:围墙基础、围墙。
3、给排水工程包括:给水、雨水、污水、化粪池、砖砌隔油池。
/
修车间、综合车场
2017年8月21日/2018年4月20日场地平整工程、围墙工程、给排水工程填表施工单位:
填表人签名: 年 月 日监理单位:
校对人签名: 年 月 日 监理单位:珠海xxxx有限公司 总承包施工单位:xxxxx建筑工程有限公司
专业承包(分包)施工单位:
建设单位:珠海xxxx有限公司
设计单位:
珠海市xxxx设计院 勘察单位:
珠海市xxxx设计院开/竣工日期:
所含分部工程:建设用途(使用功能):
总占地面积(m²):
9000m²其中:修车间:240m²、综合车场:8760m²建筑室外工程竣工概况表
GD-C1-3222
单位(子单位)工程名称
xxxx 建设地址
富山工业园起步区高栏港高速东侧。
工程概况表(范例)工程概况表编号表C0-1工程名称北京×××工程建设单位北京××大学建设用途现代化管理、办公及学术交流设计单位北京××建筑设计院建设地点北京市××区××路××号监理单位北京××监理公司总建筑面积 41246? 施工单位北京××建设集团一般开工日期 2004年01月10日竣工日期 2005年12月20日情况结构类型框架剪力墙结构基础类型筏板基础层数地下二层、地上17层、屋顶2层建筑檐高 72.20m地上面积 29206? 地下室面积 12058?框架柱、密肋楼盖、框架梁人防等级 6级抗震等级二级、抗震墙一级地基持力层为沙卵石层,局部为中砂层,?类场地土,筏板式基础,板厚地基与基础度为300-500mm,混凝土强度等级为C30,抗渗等级为P8。
柱强度等级:地下室C50,1-12层C40,13层以上C30,最大截面尺寸为柱、内外墙950×950mm;外墙厚度为300mm,内墙厚度为200mm,强度等级13层以下C40,,13层以上C30。
构造梁、板、楼盖现浇钢筋混凝土梁、板,无粘结预应力双向无梁楼盖体系,强度等级C30。
、外墙装饰外墙装饰以面砖为主,片挂式干挂花岗岩石材。
特征内墙装饰内墙装饰以乳胶漆为主,局部房间为壁布吸声墙面和软包墙面。
楼地面装饰地面以现制水磨石为主,大厅为花岗岩,局部房间为树脂类防腐饰面层屋面构造保温层、找平层、SBS改性沥青卷材防水层。
防火设备一级防火等级,各防火分区以钢制防火门隔开。
建筑给排水及采暖、建筑电气、只能建筑、通风与空调、电梯机电系统名称其他本表由施工单位填写,城建档案馆和施工单位各保存一份。
以下是一个示例的土建工程概况表的填写内容,供您参考:工程名称:XX住宅楼
工程地点:XX市XX区XX路XX号
建设单位:XX房地产开发有限公司
设计单位:XX建筑设计院
施工单位:XX建筑工程有限公司
监理单位:XX工程管理有限公司
建筑面积:20000平方米
建筑高度:50米
建筑层数:地上10层,地下1层
建筑结构:钢筋混凝土框架结构
基础类型:桩基基础
外墙材料:瓷砖、玻璃幕墙、石材等
内墙材料:乳胶漆、壁纸、瓷砖等
地面材料:地板、地毯、石材等
门窗材料:铝合金门窗、断桥铝门窗、实木门窗等
防水材料:防水涂料、防水卷材等
给排水材料:PPR管、PVC管、铜管等
电气材料:电线电缆、开关插座、照明灯具等
消防材料:消防器材、消防管道等
安全防范材料:监控系统、报警系统等。
m²110层)结构与装饰概况建筑设备系统︵功能︶概况监理单位:校核人签名:年 月 日燃气/环保/其他设备(设施)节能:/总承包施工单位:填表人签名: 年 月 日消防设备系统:/建筑设备节能:/人防设备系统:/智能建筑:/通风与空调:/电梯:/围护结构节能:/建筑给排水及供暖:供水方式:预留一节给水管,污水集中排到污水井内,雨水集中排到雨水井内。
建筑电气:本工程防雷接地,电气安全保护接地共用综合接地极,防雷等级为第三类。
内墙装饰:修车槽内壁做法:8厚白色面砖。
楼地面装饰:C35混凝土面层22cm。
屋面防水:/柱、内外墙:钢结构柱、铁皮围护结构。
梁、板、楼盖:钢结构梁。
外墙装饰:/总承包施工单位:xxxx立建筑工程有限公司专业承包(分包)施工单位:∕地基与基础:础底以下新增2m换填要求,具体为1m碎石垫层+1m石粉垫层,分500mm一层夯实,压实系数不小于0.95:换填平面范围为基础平面外扩2m。
换填处理后地基承载力特征值不得小于80KPa。
基础梁混凝土等级为C30,混凝土保护层厚度为50mm。
建设单位:珠海xxx有限公司设计单位:珠海市xxx设计院勘察单位:珠海市xxx设计院主体结构类型:钢结构抗震等级:七度人防等级:开/竣工日期:建筑高度(檐高)(m) 5.15/层数:(其中地上层,地下层,半地下:建设用途(使用功能)工业-维修车间总建筑面积(m²):240m2(其中地上各层共计240m²/地下及半地下各层共计0建筑工程竣工概况表GD-C1-3221单位(子单位)工程名称xxxx建设地址珠海市富山工业园起步区高栏港高速东侧一般情况。