5TCD型电动葫芦式货梯技术要求参
- 格式:doc
- 大小:31.50 KB
- 文档页数:3
CD1电动葫芦的参数
CD1型电动葫芦起重量: 0.5T、1T、2T、3T、5T、10T、20T CD1型电动葫芦起升高度: 6m、9m、12m、18m、24m、30m
CD1型电动葫芦工作级别: M3
CD1型电动葫芦工作级别: IP44 IP54
CD1型电动葫芦起升速度: 8m/min[10t为7m/min]
CD1型电动葫芦产品说明: CD1型电动葫芦是一种轻小型起重设备。
CD1型电动葫芦主要结构:减速器,运行机构,卷筒装置,吊钩装置,联轴器,软缆电流引入器,限位器.电机采用锥形转子电动机,集动力与制动力于一体.
CD1型电动葫芦安装使用:葫芦单梁,桥式起重机,门式起重机,悬挂起重机上.稍加改造,还可以作卷扬用.因此,它是,是提高劳动效率,改善劳动条件的必备机械.
CD1型电动葫芦产品特点
CD1型电动葫芦产品特点:重量轻、体积小、结构紧凑、品种规格多、运行平稳,操作简单,使用方便。
它们可以在同一平面上做直的、弯曲的、循环的架空轨道上使用,也可以在以工字钢为轨道的电动单梁、手动单梁、桥式、悬挂、悬臂、龙门等起重机上使用。
CD1型电动葫芦广泛应用在工厂、货栈、码头、电站、伐木场等场合,是起升搬运物品,最理想的起重设备。
电动葫芦技术规书项目名称:设计单位:需方:2017年4月27日目录一.总则二.设备的运行条件三.设计要求及技术要求四.质量保证和试验五. 供货六.设备包装、运输和标志七.设备验收及储存八.提供的图纸资料九.资格及业绩要求十.设备规一. 总则1.1本规书的使用围,仅限于XXXXXXXXXXX新增加机力冷却塔工程,提出了设备和系统的功能设计、结构、性能和试验等方面的技术要求。
1.2本规书提出的是最低限度的技术要求,并未规定所有的技术要求和适用的标准,投标方应提供满足本招标文件和所列标准要求的高质量产品及其相应服务。
对国家有关安全监察、环境保护等强制性标准,必须满足其要求。
投标方应保证提供符合本规书和工业标准的优质产品。
1.3如投标方没有以书面对本规书的条文提出异议。
那么需方可以认为投标方提出的产品完全满足本规书的要求。
1.4本规书为订货合同的附件,与合同正文具有同等法律效力。
1.5投标方须执行本技术协议中所列标准。
有矛盾时,按较高标准执行。
1.6卖方中标并签定合同后,本技术协议将作为合同的附件,与合同正文具有同等效力。
二. 设备的运行条件2.1 电动葫芦的安装位置:2.1.1 1#循环水泵房,水泵间一个,室布置。
2.1.2 1#循环水泵房,配电室一个,室布置。
2.1.3 2#循环水泵房,水泵间一个,室布置。
2.2 电动葫芦的安装地点:河津市。
2.3 设备运行环境条件极端最高温度: 42.5℃极端最低温度: -19.9℃平均气温: 13.5℃平均相对湿度: 60%平均气压: 964.8毫巴主导风向: EW、WS最大风速: 24m/s年平均风速: 2.7m/s冬季室外大气压力: 97kPa夏季室外大气压力: 95kPa夏季空调室外计算湿球温度:35.9℃年最大积雪深度: 15cm年最大冻土深度: 70cm冬季日照率: 59%全年无霜期: 201.0天年平均降水量: 535mm年最大降水量: 1050.8mm年最小降水量: 312.2mm年平均蒸发量: 2044mm最大积雪厚度: 160mm地震烈度: 7度2.4 工作环境及使用条件2.4.1 室布置:为室布置。
肥城白庄煤矿有限公司Feicheng Bai zhuang Coal Mine C o. Ltd..5T电动葫芦(CD1)技术规格书编制人:审核人:机运科:机电副总:机电矿长:煤质管理部:编制:肥城白庄煤矿有限公司选煤厂二〇二零年二月一、总则1、本规格书适用于肥城白庄煤矿有限公司选煤厂5t单轨电动葫芦招标采购,并提出了该设备的技术要求。
2、本规格书提出的为最低限度的技术要求,并未对一切技术细节作出规定。
也未充分引述有关的标准和规范的条文,供方应提供招标方符合本规格书和有关工业标准的自己生产的优质、全新、成熟产品。
3、本规格书所使用的标准如遇与供方所执行的标准发生矛盾时,按高标准执行。
4、在签订合同后,需方有权提出因标准、规范和规程发生变化而产生的一些修订要求,具体事项宜由双方共同协商确定。
5、具有相应产品生产许可证;所提供产品需有国家权威检测机构出具的试验报告、产品合格证、出厂检验证明等;6 、所供设备为整套,并包含所有安装主辅材料,并包含单轨电动葫芦全部整机设备及控制系统。
7、供方应为需方方办理安装报验相关手续,并取得国家质量监督检验部门特种设备鉴定合格证及运行许可证,免费培训需方操作维修人员。
二、供货范围三、基本技术参数3.1名称:单轨电动葫芦(地面操控)3.2型号:CD13.3起重高度:30m3.4起重量:5000(Kg)3.5跨度:12m3.6最大轮压:55kN3.7起升速度:8m/min3.8运行速度:20m/min3.9接合次数:120次/h3.10电动葫芦卷筒直径:273mm3.11车轮工作直径:154mm3.12 工作级别:M33.13安装方式:户内路轨(工字钢)固定,仅电动葫芦运行3.14动力供给:AC 660V(±10%),50Hz(±1Hz)3.15供电方式:电动葫芦采用悬挂式软电缆。
3.16电控装置:电机采用降压启动方式启动,使用西门子PLC集中控制实现各种保护,电机过载能力不小于120%,地面遥控器操作,遥控器采用摩托罗拉产品。
电动葫芦吊(3T、5T)使用、维护、检修规程一、技术性能(CD)型8、钢丝绳报废标准9、当钢丝绳在表面有显著磨损时,则钢丝最大折断应按下表适当降低%。
二、使用规程1.使用前要细致检查升降走行,钢丝绳及各部机构是否处于良好状态,确认一切正常方可操作。
2.操作中严禁歪拉斜吊以免损坏机件和吊起活时摆动伤人。
3.使用时绝对禁止在不允许的环境下急起负荷和每小时合闸次数120次情况下工作。
4.为防止上升时超极限而发生事故,要经常检查限位器的灵敏程度及可靠程度。
5.设备人员操纵电葫芦,不准他人乱用,操纵者应深刻掌握安全操作规程方可操作。
6.不允许同时按两个使电葫芦方向运转的操作按钮。
7.工作完毕后,必须把吊物卸掉,并切断总电源。
三、维护规程1.在操作检查中发现有不正常声音及异常现象,立即停车检修,不准迁就使用。
2.经常检查机械各部润滑情况并按规定加注润滑油,保持设备的润滑良好。
3.检查电动机、控制器、接点、电机滑环要保持灵敏,是否有烧坏现象,发现的要及时处理。
4.应至少10天内由专人检查设备一次,发现故障及时处理。
5.钢丝绳及卷筒15天涂抹钢丝绳表面一次油脂。
四、检修规程1.小修周期及内容①小修周期一般6—12日。
②清洗检查起升机构减速机(每三个月换一次机油)及更换轴承。
③运行机构减速机每三个月换一次钙基润滑脂,3号。
④慢速箱体走行轮、卷筒起升,运行电机等轴承每6个月加一次3号钙基润滑脂。
⑤检查更换导绳器,保持物体与电葫芦的垂直。
⑥检查清洗锥形制动到和有无磨损情况。
⑦检查更换绳轮和钩头等。
⑧检查更换运行装置和加油。
⑨清洗检查电动机,电气装置各限位,极限按钮的灵敏可靠。
⑩添补缺陷,做好记录。
2.中修周期及内容①中修周期一般2—3年,包括小修内容。
②更换不能使用至下次检修周期的所有磨损件。
③按规定添足各部机构油。
④检查更换电机电气装置的磨损件。
⑤添补缺陷,做好记录。
2.验收①电气线路连接是否正确和安全可靠。
②限位极限是否灵敏。
根据GB7588-2003《电梯制造与安装安全规范》制定5t货梯安装调试说明书一、机械部分的安装 (3)1.安装导轨架和导轨 (3)1.1安装导轨架 (3)1.2吊装和校正导轨 (4)2.安装承重梁、曳引机、导向轮 (6)2.1 安装承重梁 (6)2.2安装曳引机 (7)2.3安装导向轮和复绕轮(直接驱动型除外) (7)3.安装轿厢和安全钳组件 (8)3.1安全钳组件的安装 (8)3.2轿厢架组件的安装 (9)3.3轿厢组件安装注意事项 (12)4.安装厅门及门锁 (13)4.1安装厅门踏板 (13)4.2安装左右立柱和上坎架 (13)4.3安装门扇和门扇连接机构 (13)4.4安装门锁 (14)4.5层门强迫关门装置的安装调整 (14)5.安装限速装置 (14)6.安装缓冲器和对重装置 (15)6.1安装缓冲器 (15)6.2安装对重装置 (15)7.安装曳引绳锥套和挂曳引绳 (16)二、电气部分的安装 (16)1.安装主电源开关、控制柜 (16)2.安装极限开关和限位开关 (17)3.安装操纵器、换速平层装置 (17)4.挂扎软电缆和配接线 (17)5.电气控制系统的保护接地或接零 (17)三、安装后的试运行和调整 (18)1.试运行前的准备工作 (18)2.试运行和调整 (19)四、安装与调试中的安全注意事项 (20)一、机械部分的安装1.安装导轨架和导轨1.1安装导轨架导轨架根据电梯的土建布置图和样板架上悬挂下放的导轨和导轨架铅垂线,确定位置并分别稳固在井道的墙壁上。
电梯井道为钢筋混凝土结构,因此采用焊接式稳固导轨架。
按样板架上悬挂下放的铅垂线,先准确测量和制作上下两个导轨架,并先把这两个导轨架稳固好,再把铅垂线捆扎在这两个导轨架上,然后逐个测量、制作、稳固中间各导轨架。
安装注意事项1. 导轨架之间的距离一般为1.5m~2m,但最上端一个导轨架与机房楼板的距离不得大于500mm。
2. 两列导轨的接头不能在一个水平面上,必须错开一定距离。
电动单梁起重机技术协议甲方:青岛中策环保设备有限公司乙方:青岛龙起机械有限公司二零一六年六月甲、乙双方就5T电动单梁行车采购一事,经双方协商,签定本技术协议。
本技术协议作为合同的技术条件与合同一样具有法律效力。
1.1总则1.1.1本技术要求适用于青岛中策环保设备有限公司采购的起重设备用于热电公司车间内,它包括本体及辅助设备的功能设计、结构、性能等方面的技术要求。
1.1.2本技术要求提出的是最低限度的技术要求,并未对一切技术细节做出规定,也未充分引述有关标准和规范的条文,乙方应保证提供符合本技术要求和有关工业标准的优质产品。
1.1.3如果乙方没有以书面对本书的条文提出异议,那么甲方可以认为乙方提供的产品应完全符合本技术要求。
1.1.4在签定合同之后,甲方有权因规范标准和规程发生变化而产生的一些补充要求,具体项目由甲乙双方共同商定。
1.1.5本技术要求所使用的标准如遇与乙方所执行的标准发生矛盾时,按较高标准执行。
1.1.6本技术要求经甲乙双方共同确认和签字后作为定货合同的附件,与定货合同正文具有同等效力。
1.2技术要求1.2.1设计原则1.2.1.1 乙方根据甲方提供的起重设备参数来设计和制造,并提交所有的数据。
1.2.1.2 如果一般的起吊设施不能保证相关组件的安全提升时,乙方保证提供特殊装置已满足要求。
1.2.2焊接要求铸铁或铸钢的修补原则上不得使用焊接的方法;在乙方提供焊接步骤并得到甲方同意的情况下,铸钢部件可采用焊接的修补方法。
不锈钢焊件应先经酸处理再加以中和。
1.2.3油漆除奥氏体不锈钢之外的起重机内部及附件应喷涂挥发性防腐剂,且所有开口处均应密封。
无喷漆的机器抛光表面应使用可溶性防锈油(等)进行处理。
备用件和其他小配件用挥发性防腐剂或硅胶(等)做防锈处理。
设备颜色按GB3181-1995中的B03(淡灰色)执行。
1.3规范和标准(按最新标准执行)所有提供的材料和设备以及所有的设计、制造、工厂试验和验收均应符合国际标准ISO与IEC和部标或行业标准。
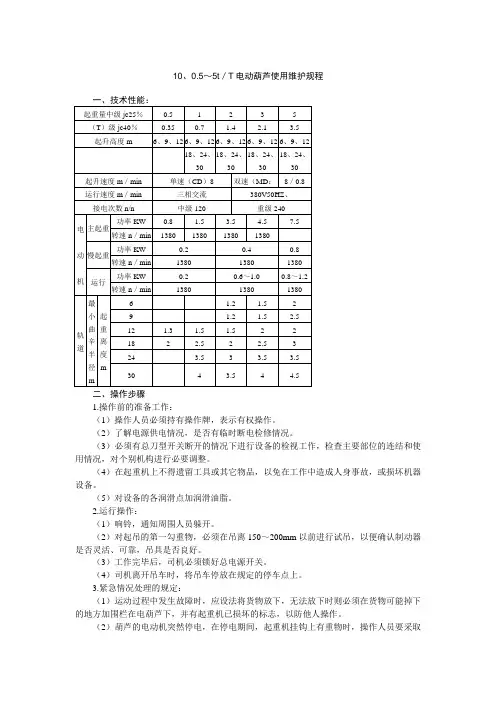
10、0.5~5t/T电动葫芦使用维护规程二、操作步骤1.操作前的准备工作:(1)操作人员必须持有操作牌,表示有权操作。
(2)了解电源供电情况,是否有临时断电检修情况。
(3)必须有总刀型开关断开的情况下进行设备的检视工作,检查主要部位的连结和使用情况,对个别机构进行必要调整。
(4)在起重机上不得遗留工具或其它物品,以免在工作中造成人身事故,或损坏机器设备。
(5)对设备的各润滑点加润滑油脂。
2.运行操作:(1)响铃,通知周围人员躲开。
(2)对起吊的第一勾重物,必须在吊离150~200mm以前进行试吊,以便确认制动器是否灵活、可靠,吊具是否良好。
(3)工作完毕后,司机必须锁好总电源开关。
(4)司机离开吊车时,将吊车停放在规定的停车点上。
3.紧急情况处理的规定:(1)运动过程中发生故障时,应设法将货物放下,无法放下时则必须在货物可能掉下的地方加围栏在电葫芦下,并有起重机已损坏的标志,以防他人操作。
(2)葫芦的电动机突然停电,在停电期间,起重机挂钩上有重物时,操作人员要采取措施防止他人在重物下方通行。
三、使用过程中的安全注意事项(1)不许超负荷使用。
(2)禁止吊运易燃易爆炸物(如氧气瓶,二氧化碳瓶等)。
(3)被吊物体有人时,不准提升和移动。
(4)禁止斜吊,斜拉物体。
(5)正常操作时,严禁使用开倒车,打反转的方法进行制动,不许应用极限开关或道挡作为正常停车使用。
(6)起重机吊运任何物品时,都不准从人头上通过,当吊物通过的路上有人时,应首先给出信号,人未躲开,应绕行或停驶。
(7)人在下边控制操作时,应注意工作环境,防止发生意外事故。
(8)起重机在露天使用时,当风力大于六级以上时,应禁止工作。
(9)露天不工作时,必须用夹轨器或其它方法将起重机可靠的固定好,以防风灾。
(10)电气设备检修安全技术规则。
①只允许专门人员担任起重机电气维护工作。
②如果部分和裸导线的外壳或保护罩不完整,则不许使用设备。
③修理时,必须采用电压在36伏以下的携带式照明灯。
电葫芦升降机标准
一、设备性能
1. 电葫芦升降机应符合相关行业标准和规定,具备可靠的提升和下降功能。
2. 设备应具有良好的电气性能,如电机、控制箱等应符合相关标准,确保设备的正常运行。
3. 设备应具有过载保护、短路保护、欠压保护等安全保护功能,确保设备及人员的安全。
二、安全要求
1. 电葫芦升降机应符合国家有关安全规定,确保设备及人员的安全。
2. 设备应配备必要的安全附件,如安全绳、防护网等,以防止意外事故的发生。
3. 设备应具有良好的防倾覆、防坠落等安全性能,确保设备及人员的安全。
三、操作规范
1. 使用前应检查设备的各部件是否完好无损,如有异常应及时处理。
2. 使用时应按照规定的操作步骤进行操作,不得超载使用。
3. 使用后应将设备放置在安全的位置,并关闭电源。
四、维护保养
1. 定期对设备进行检查,发现异常应及时处理。
2. 定期对设备进行润滑,保证设备的正常运行。
3. 定期对设备进行清洁,保持设备的整洁卫生。
五、验收标准
1. 设备外观应完好无损,各部件应符合设计要求。
2. 设备的性能指标应符合相关标准和技术要求。
3. 设备的电气部分应符合相关标准和规定,无漏电、短路等现象。
4. 设备的安装应符合相关标准和规定,无安全隐患。
六、安装与调试
1. 设备的安装位置应符合设计要求,便于操作和维护。
2. 设备的安装基础应平整牢固,能承受设备的重量和工作时的振动。
5TCD型电动葫芦式货梯技术要求参;
一、基本要求
1、产品符合国家货梯制造、安装施工、维修保养质量安全技术标准规范。
2、产品环保节能、高度集成、人性化设计、可靠适用。
3、品牌:系原品牌原商标。
二、技术参数及性能配置
(一)仓库货梯 2层2站2门
1、额定载重(公斤):5000
2、额定速度(0.7米/分)
3、停站及行程:2/2(1-2)
4、机房位置:无机房
5、提升高度(米):即最高停靠层楼面标高与最低停靠层楼面标高的差(按现在大楼土建设计),14.3米
6、顶层净高(米): 3.9
7、底坑净深(米): 80
8、井道尺寸宽×深: 3200mm×3200mm
9、轿厢尺寸宽×深:3200×2300mm
10、轿厢高度(米):2.3
11、开门宽度:宽2.1mm(两边自动伸缩门)
12、开门高度:高2300mm
13、开门方式:两边自动伸缩门
14、动力电源范围:三相五线制,AC380V±7%,50Hz±1Hz
15、照明电源范围:AC220V±7%,50Hz±1Hz
16、控制方式:全集选控制
17、主控制系统:32 位微机处理器,采用模块化全电脑控制,纤巧型高集成度32 位系统分散网络微机控制
18、变频系统:采用双32 位新型、高性能的DSP,双微机控制,同时配置了高效智能具有自保护功能IPM 变频功率模块
19、CD1型电动葫芦:采用南京特种电机13KW
20变频门机:采用16 位微机控制的变频门机(无连杆齿形带传动的交流变频门机系统)
21、门保护:光幕保护
22、轿壁装饰:发纹不锈钢
23、轿顶装饰:标准型吊顶
24、轿门装潢:发纹不锈钢
25、轿厢地面:标准地板
26、轿厢操作盘面板:发纹不锈钢面板
27、梯厅门装饰: 各层发纹不锈钢
28、门套装饰标准: 各层发纹不锈钢小门套
29、轿门及层门地坎:不锈钢
30、讯号器面板:发纹不锈钢,各层配置
31、轿厢操作箱:发纹不锈钢
32、梯外呼唤及显示:带指层的召唤箱,发纹不锈钢面板(单控)
二、安装要求:
1、产品是整套全新的,符合《货梯制造与安装安全规范》(GB7588-2003)国家
有关质量标准制造,满足本项目需求的技术指标的货梯。
2、送货上门、安装、调试直至设备验收合格。
3工程安装施工要求:
4、负责全套设备的安装调试,工程投标总价必须包含设备、工具运输、关税、保险费及生产厂家对采购方承诺售前、售后保修等相关费用、安装调试验收(施工脚手架搭拆、设备吊运等)在内的一切可能发生的费用。
5、设备安装调试必须严格执行国家有关技术标准,自负施工人身、设备安全责任。
(1)安装调试过程中,公司派专业技术人员对施工进行同步指导,并负责全套机组的调试运行,达到验收要求。
(2)负责办理有关货梯安装的开工报装和竣工报验手续,费用由投标人承担。
(3)设备验收费用由中标供应商负责。
(4)货梯安装完工,经质量技术监督部门验收合格后,负责到质量技术监督局办理电梯投入使用前的注册登记及其他相关手续,并且由此产生的所有费用由中标供应商负责。
(5)安装验收应按以下标准与规定执行:
《货梯安装验收规范》(GB10060);
《电气装置安装工程电梯电气装置施工与验收规范》(GB50182);
《货梯工程施工质量验收规范》(GB50310);
电力、消防、安监部门的有关规定等。
3、零部件、配件及安装材料必须是未经使用的全新的并符合国家有关质量安全
标准的合格产品。
4、设备应包括必备的易损耗备件和专用工具(投标时请详细列明清单)。
三、售后服务及要求:
1、按国家规定和厂家承诺实行“三包”,投标报价包含送货上门、安装、调试及相应人员培训。
2、质保期:自安装、调试验收合格并交付使用之日起1年。
终身上门维护。
3、质保期内,免费定期上门保养(检查、清洁、除尘、加油、调整),售后服务
以生产厂家的售后服务承诺书为标准。
4、质保期内,如采购单位在设备使用过程发生质量问题,本公司在接到通知后
必须在3小时内响应并到达现场处理,一般故障处理时限不超过6小时,重大故障处理时限不超过48小时修复、每月对货梯定期保养1次、每半年进行一次全面的安全检查,每年进行一次年检检修。
5、免费对采购单位的2名操作人员进行技术培训,在安装调试过程也应让操作
人员共同参与,并进行现场培训。
6、质保期满后,终身提供电梯维保服务。
7、常年备有主机易损配件,能及时处理、替换损坏的部件,须提供保修期后零
配件优惠方案(投标文件中需列出详细优惠服务方案)。
8、按要求提供完整的全套货梯安装、调试、操作、使用、控制和维护手册等详细技术资料及图纸。