数控铣工操作员中级技能考核试卷
- 格式:doc
- 大小:34.00 KB
- 文档页数:1
浙江省职业技能鉴定统一试卷 中 级 数 控 铣 工 知 识 考 核 试 卷 (1) 注意事项 1.请首先按要求在试卷的标封处填写你的姓名、学号和学校名称。
2.请仔细阅读各种题目的回答要求,在规定的位置填写你的答案。
3.不要在试卷上做任何标记,不要在标封区填写无关内容。
正确的填“√”,错误的填“×”,每题1分,满分20分) ( ) 1. 铣削加工属断续切削,故很少出现带状切屑。
( ) 2. 相同的公差值,基本尺寸越大(不同尺寸段内),公差等级就越高。
( ) 3. 高速工具钢允许的切削速度要低于硬质合金。
( ) 4. 钢在淬火后进行回火能进一步提高硬度。
( ) 5. 同步带传动兼有齿轮传动和链传动的优点。
( ) 6. 滚珠丝杠在工作时,滚珠作原地旋转,不会随螺母或丝杠移动。
( ) 7. 机床型号中的主参数折算系数大于等于1。
( ) 8. 数控铣床的工作台一定能作X , Y , Z 三个方向移动。
( ) 9. 立铣刀的端面切削刃上各点的切削速度相同。
( ) 10. 刀具的寿命等于刀具的耐用度。
( ) 11. 定尺寸刀具法所使用的刀具的精度高于加工尺寸的精度。
( ) 12. 数控机床通常采用工序分散原则安排工艺路线。
( ) 13. 对刀点可以选择在零件上某一点,也可以选择零件外某一点。
( ) 14. 直接找正法安装工件简单、快速,因此生产率高。
( ) 15. 在液压传动中,单位时间内流过某通流截面的液体体积称为流量。
( ) 16. 模块式刀具的刚性要比整体式高。
( ) 17. 数控机床适合大批量、高难度工件的加工。
( ) 18. 数控机床的定位精度要高于同一项目的重复定位精度。
( ) 19. 数控机床关闭电源前,通常要先按下急停按钮。
姓名学号:学校名称:装 订 线(二、选择题:(以下四个备选答案中其中一个为正确答案,请将其代号填入括号内,每题1.5分,满分45分)1.以下优点中的()在液压传动中并不具有。
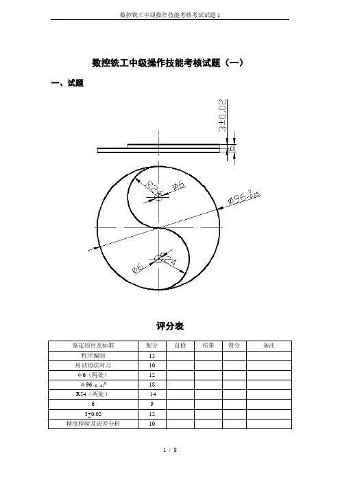
数控铣工中级操作技能考核试题(一)一、试题评分表鉴定项目及标准配分自检结果得分备注程序编制15用试切法对刀10φ6(两处)12φ96-0。
05018R24(两处)146 93+0.02 12精度检验及误差分析10一、试题评分表鉴定项目及标准配分自检结果得分备注程序编制15用试切法对刀10φ6(四处)12φ82 89600.05(两处)2050-0.05-0.0910R10(四处)86 7精度检验及误差分析10一、试题评分表鉴定项目及标准配分自检结果得分备注程序编制15用试切法对刀10φ6(四处)8φ50+0.02 896+0.05(两处)16R5(四处)8R15(两处) 610 230 270 32+0.02 65+0.02 6精度检验及误差分析10一、试题评分表鉴定项目及标准配分自检结果得分备注程序编制15用试切法对刀10φ6(四处)850+0.03 8φ30+0.02 890+0.05(两处)16R10(四处)850 370(两处) 63+0.02 8精度检验及误差分析10一、试题评分表鉴定项目及标准配分自检结果得分备注程序编制15用试切法对刀10φ6(四处)8φ40 8φ30+0.02 8φ50 390 16R10(四处)850 35 33 8精度检验及误差分析10数控铣工中级操作技能考核试题(六)一、试题评分表鉴定项目及标准配分自检结果得分备注程序编制15用试切法对刀10φ108φ40 8φ30 8φ65 520 45000.05 16300.03 16精度检验及误差分析10一、试题评分表鉴定项目及标准配分自检结果得分备注程序编制15用试切法对刀10φ1011φ60 11φ100 118000.0416500.04 16精度检验及误差分析10一、试题评分表鉴定项目及标准配分自检结果得分备注程序编制15用试切法对刀10φ12(两处) 5φ23(两处) 4R5(3处) 4R8.5 480-0.0301250-0.030 125-0.030122-0.03012精度检验及误差分析10。
铣工中级考试题与答案一、单选题(共75题,每题1分,共75分)1.百分表的示值范围通常有:0~3mm,0~5mm 和 ( )三种。
A、0~15mmB、0~10mmC、0~8mmD、0~12mm正确答案:B2.G02×_Y_I_K_F_中G02表示( )A、快速点位移B、直线插补C、顺时针圆弧插补D、逆时针圆弧插补正确答案:C3.三坐标测量机是一种高效精密测量仪器,其测量结果( )。
A、只显示在屏幕上,无法打印输出B、只能存储,无法打印输出C、既不能打印输出,也不能绘制出图形D、可绘制出图形或打印输出正确答案:D4.表面粗糙度测量仪可以测( )值。
A、Ra和RmB、RkC、RyD、Ra和Rz正确答案:D5.FANUC 0I 数控系统中,在主程序中调用子程序O1010,其正确的指令是( )。
A、M99 01010B、M98 01010C、M99 P1010D、M98 P1010正确答案:D6.粗镗(扩)→半精镗→精镗工件内孔表面的表面粗糙度为( )。
A、8.8B、49C、1.25—2.5D、8.7正确答案:C7.用同一把刀进行粗、精加工时,还可进行加工余量的补偿,设刀具半径为r,精加工时半径方向余量为△,则最后一次粗加工走刀的半径补偿量为( )A、△B、rC、2r+△D、r+△正确答案:D8.指定G41 或G42 指令必须在含有( )指令的程序段中才能生效A、G01 或G03B、G00 或G01C、G02 或G03D、G01 或G02正确答案:B9.确定尺寸精确程度的标准公差等级共有()级A、12B、20C、18D、16正确答案:B10.可选用( )来测量孔的深度是否合格。
A、圆规B、杠杆百分表C、水平仪D、深度千分尺正确答案:D11.职业道德活动中,对客人做到( )是符合语言规范的具体要求的A、语速要快,不浪费客人时间B、语气严肃,维护自尊C、言语细致,反复介绍D、用尊称,不用忌语正确答案:D12.JT 和BT 两种标准锥柄的不同之处在于( )。
技能认证铣工中级考试(习题卷16)第1部分:单项选择题,共174题,每题只有一个正确答案,多选或少选均不得分。
1.[单选题]消耗功率最多而作用在切削速度方向上是( )。
A)切向抗力B)径向抗力C)轴向抗力答案:A解析:2.[单选题]数控机床中用( )来调用子程序。
A)G代码B)M代码C)T代码答案:B解析:3.[单选题]当转子升速到临界转速时,会产生剧烈振动,继续升速超过临界转速后,转子震动会( )。
A)减小B)增大C)不变答案:A解析:4.[单选题]不属于液压泵工作的必要条件的是( )A)必须具有密闭工作腔B)密闭工作腔的容积要能进行周期性变化C)油箱中的工作液体始终应具有不高于一个大气压的压力D)吸油腔和压油腔要互相隔开,并且有良好的密封性答案:C解析:5.[单选题]铣削螺旋齿离合器把工件要装夹在( )上。
A)回转台B)分度头C)机用虎钳D)轴用虎钳答案:B解析:6.[单选题]当执行完程序段“G00X20.0Z30.0;G01U10.0W20.0F100;X-40.0W-70.0;”后,刀具所到达的工件坐标系的位置为( )。
A)X-40.0Z-70.0B)X-10.0Z-20.07.[单选题]增大麻花钻钻心处的后角,可使横刃的前角增大,从而改善( )的切削条件。
A)主切削刃B)副切削刃C)横刃D)主刀刃答案:C解析:8.[单选题]机械制造中常用的优先配合的基准孔代号是( )。
A)H7B)H2C)D2D)D7答案:A解析:9.[单选题]不能用游标卡尺去测量( ),因为游标卡尺存在一定的示值误差。
A)齿轮B)毛坯件C)成品件D)高精度件答案:D解析:10.[单选题]薄板料的锯削应该尽可能( )A)分几个方向锯下B)快速的锯下C)缓慢的锯下D)从宽面上锯下答案:D解析:11.[单选题]粗磨的工序余量为( )mm。
A)2.1B)1.1C)0.79D)0.3答案:D解析:12.[单选题]在用成形单刀头铣削花键小径圆弧面时,先目测使外花键( )与铣刀中心对准,再将分度头转过θ/2。
技能认证铣工中级考试(习题卷1)第1部分:单项选择题,共68题,每题只有一个正确答案,多选或少选均不得分。
1.[单选题]数控机床中用( )来调用子程序。
A)G代码B)M代码C)T代码答案:B解析:2.[单选题]在控制要求较高的数控机床总电源回路中,为了保证数控系统的可靠运行,一般要通过( )供电。
A)光电耦合器B)隔离变压器C)旋转变压器D)用双CPU答案:B解析:3.[单选题]采用仿形铣刀加工直线成形面,当模型形状与工件相同时,铣刀直柄部直径应( )切削部分直径。
A)稍大于B)等于C)稍小于D)大于答案:B解析:4.[单选题]数控功能较强的加工中心加工程序分为主程序和( )。
A)子程序B)宏程序C)大程序D)小程序答案:A解析:5.[单选题]在CAD/CAM系统中,( )是连接CAD、CAM的纽带。
A)CAEB)CADC)CAPPD)CAM答案:C解析:6.[单选题]切屑流出时经过的刀面是( )。
A)前刀面解析:7.[单选题]为了促进企业的规范化发展,需要发挥企业文化的( )功能。
A)娱乐B)主导C)决策D)自律答案:D解析:8.[单选题]在拆画零件图时,下列说法错误的是( )。
A)拆画零件图时,要根据零件的结构特点重新选择主视图的投射方向和表达方案B)画装配图时被简化的零件上的某些结构,如倒角,在零件图中无须表示出来C)装配图上未注的尺寸,应在零件图中标注D)要根据零件的作用,注写其它必要的技术条件答案:B解析:9.[单选题]在零件图或工序图中,尺寸精度以尺寸( )的形式表示。
A)上偏差B)下偏差C)公差D)实际尺寸答案:C解析:10.[单选题]根据球面铣削加工原理,铣刀回转轴心线与球面工件轴心线的交角确定球面的( )。
A)半径尺寸B)形状精度C)加工位置D)表面粗糙度答案:C解析:11.[单选题]下列关于基孔制的描述中,( )是不正确的。
A)基孔制的孔是配合的基准件B)基准孔的基本偏差为上偏差C)基准孔的上偏差为正值D)基准孔下偏差数值为零答案:B解析:12.[单选题]利用( )元件对液压系统中执行元件的运动速度进行调节和变换,以满足负载所需要的速度快慢或变化的要求。
数控铣中级工技能测试题库衡水职业技术学院目录数控铣中级工技能测试题1 (3)数控铣中级工技能测试题2 (6)数控铣中级工技能测试题3 (9)数控铣中级工技能测试题4 (12)数控铣中级工技能测试题5 (15)数控铣中级工技能测试题6 (18)数控铣中级工技能测试题7 (21)数控铣中级工技能测试题8 (24)数控铣中级工技能测试题9 (27)数控铣中级工技能测试题10 (30)数控铣中级工技能测试题1一、数控铣中级工技能测试题零件图图1 数控铣中级工技能测试题1零件图二、考核目的⑴能编制和调用子程序铣削工件;⑵能设置刀具参数和工件零点偏置;⑶能使用刀具半径补偿功能对内、外轮廓进行编程和铣削。
三、编程操作加工时间⑴编程时间:60min(占总分30%)。
⑵操作时间:120min(占总分70%)。
四、评分表表1 数控铣中级工技能测试题1评分表(2处)五、工、量、刃具准备通知单表2 数控铣中级工技能测试题1工、量、刃具准备通知单数控铣中级工技能测试题2 一、数控铣中级工技能测试题2零件图图2 数控铣中级工技能测试题2零件图二、考核目的⑴掌握整圆的编程方法和铣削技能;⑵能使用刀具半径补偿功能对外轮廓进行编程和铣削;⑶能使用坐标系旋转指令编制程序。
三、编程操作加工时间⑴编程时间:60min(占总分30%)。
⑵操作时间:120min(占总分70%)。
四、评分表表3 数控铣中级工技能测试题2评分表五、工、量、刃具准备通知单表4 数控铣中级工技能测试题2工、量、刃具准备通知单数控铣中级工技能测试题3 一、数控铣中级工技能测试题3零件图图3 数控铣中级工技能测试题3零件图二、考核目的⑴能使用坐标系平移和旋转指令编制程序;⑵能使用刀具半径补偿功能对外轮廓进行编程和铣削;⑶能编制和调用子程序铣削工件。
三、编程操作加工时间⑴编程时间:90min(占总分30%)。
⑵操作时间:150min(占总分70%)。
四、评分表表5 数控铣中级工技能测试题3评分表五、工、量、刃具准备通知单表6 数控铣中级工技能测试题3工、量、刃具准备通知单数控铣中级工技能测试题4 一、数控铣中级工技能测试题零件图图4 数控铣中级工技能测试题4零件图二、考核目的⑴能设置刀具参数和工件零点偏置;⑵能使用刀具半径补偿功能对内、外轮廓进行编程和铣削⑶能使用铣槽循环对矩形槽进行编程和铣削。
中级数控铣工知识试卷及答案6(doc 8页)浙江省职业技能鉴定统一试卷 中 级 数 控 铣 工 知 识 考 核 试 卷 (6) 注意事项 1.请首先按要求在试卷的标封处填写你的姓名、学号和学校名称。
2.请仔细阅读各种题目的回答要求,在规定的位置填写你的答案。
3.不要在试卷上做任何标记,不要在标封区填写无关内容。
姓 学号:学校名称:装订 线( ) 16. 整体式数控铣刀的刚性要优于模块式数控铣刀。
) 17. 某些可转位刀具的刀片正反面均可使用,说明其前后角均为0°。
( ) 18. EDIT模式下不能进行程序的自动运行。
) 19. 千分尺的刻度值小于百分表的刻度值,所以测量精度高。
( ) 20. 数控机床一般都需要从机床坐标的负方向回零点。
得分评分人二、选择题:(以下四个备选答案中其中一个为正确答案,请将其代号填入括号内,每题1.5分,满分45分)1.粗糙度的评定参数Ra的名称是()。
(A)轮廓算术平均偏差(B)轮廓几何平均偏差(C)微观不平度十点平均高度(D)微观不平度五点平均高度2.65Mn是板弹簧,要求较高的强度和弹性,淬火后应采用( )方法。
(A)低温回火(B)中温回火(C)高温回火(D)退火3.将两个零件联接起来用()联接强度最大。
(A)螺钉(B)螺栓(C)螺柱(D)紧定螺钉4.加工中心是在数控()的基础上发展而成的。
(A)车床(B)铣床(C)钻床(D)磨床5.XK5040机床型号中的“K”和“50”表示()铣床。
(A)主轴可调和立式(B)主轴可调和卧式(C)数控立式(D)数控卧式6.与加工表面相对的刀具表面是()。
(A)前刀面(B)后刀面(C)副前刀面(D)副后刀面7.精铣时加工余量较小,为提高生产率,应选用较大的()。
(A)进给量(B)背吃刀量(C)切削速度(D)主轴转速8.机床夹具最基本的组成部分可以不包括()。
(A)定位元件(B)对刀装置(C)夹紧装置(D)夹具体9.四爪卡盘与三爪卡盘的最主要区别在于,四爪卡盘()。
数控铣工中级1-职业资格类其他试卷与试题一、选择题1. G01 为直线插补指令,程序段中F 指定的速度实际执行时为( )。
A. 单轴各自的移动速度B. 合成速度C. 曲线进给切向速度D. 第一轴的速度答案:B2. 三个支撑点对工件是平面定位,能限制()个自由度。
A. 2B. 3C. 4D. 5答案:B3. 在数控铣床中,如果当前刀具刀位点在机床坐标系中的坐标为(-50,-100,-80),若用MDI 功能执行指令G92Xl00.OY100.02100.0 后,工件坐标系原点在机床坐标系中的坐标将是()。
A. (50,0,20)B. (-50,-200,-180)C. -50,100,100D. -250,200,180答案:A4. 标准麻花钻的顶角是()。
A. 100°B. 118°C. 140°D. 130°答案:B5. 钻头直径为1Omm,切削速度是30 米/分钟,主轴转速应该是()。
A. 240r/minB. 1920r/minC. 480r/minD. 960r/min答案:D6. 面铣刀每转进给量f=0.64mm/r,主轴转速n=75r/min,铣刀齿数z=8,则f/z为()。
A. 48mmB. 5.12mmC. 0.08mmD. 8mm答案:C7. 加工一般金属材料片用的高速钢,常用牌号有W18Cr4V 和()两种。
A. CrWMnB. 9SiCrC. 1Cr18Ni9D. W6M05Cr4V2答案:D8. 錾削时,当发现手锤的木柄上沾有油应采取()。
A. 不用管B. 及时擦去C. 在木柄上包上布D. 带上手套答案:B9. 数控机床的“回零”操作是指回到()。
A. 对刀点B. 换刀点C. 机床的参考点D. 编程原点答案:C10. 硬质合金的特点是耐热性(),切削效率高,但刀片强度、韧性不及工具钢,焊接刃磨工艺较差。
A. 好B. 差C. 一般D. 不确定答案:A11. 根据切屑的粗细及材质情况,及时清除()中的切屑,以防止冷却液同路。
数控铣中级工技能测试题1一、数控铣中级工技能测试题零件图图1 数控铣中级工技能测试题1零件图二、考核目的⑴能编制和调用子程序铣削工件;⑵能设置刀具参数和工件零点偏置;⑶能使用刀具半径补偿功能对内、外轮廓进行编程和铣削。
三、编程操作加工时间⑴编程时间:60min(占总分30%)。
⑵操作时间:120min(占总分70%)。
四、评分表表1 数控铣中级工技能测试题1评分表评分表图号XKZ01 检测编号考核项目考核要求配分评分标准检测结果得分主要项目1 043.018+(槽宽)Ra3.2 8/2 超差不得分2 043.018+(槽宽)Ra3.2 8/2 超差不得分3 043.018+(槽宽)Ra3.2 8/2 超差不得分4043.0_18(平键凸台)Ra3.28/2 超差不得分5043.0_18(矩形凸台两处)Ra3.216/4 超差不得分一般项目1 09.010+(2处)Ra6.3 8/22 009.010-(3处)Ra6.3 12/3形位公差1 (2处) 4 超差一处扣5分其它1 安全生产 3 违反有关规定扣1~3分2 文明生产 2 违反有关规定扣1~2分3 按时完成超时≤15min:扣5分超时>15~30min:扣10分超时>30min:不计分总配分100 总分工时定额3h 监考日期加工开始:时分停工时间加工时间检测日期加工结束:时分停工原因实际时间评分日期五、工、量、刃具准备通知单表2 数控铣中级工技能测试题1工、量、刃具准备通知单工、量、刃具清单图号XKZ01 序号名称规格精度单位数量1 Z轴设定器50 0.01 个 12 带表游标卡尺1~150 0.01 把 13 深度游标卡尺0~200 0.02 把 14 外径千分尺0~25 0.01 把 15 杠杆百分表0~0.8 0.01 个 16 寻边器φ10 0.002 个 17 粗糙度样板N0~N1 12级副 18 半径规R7~R14.5 套各19 塞规φ18 H9 个 110 塑胶榔头把 111 立铣刀φ16 个 212 平口虎钳QH125 个各113 磁性表座个 114 平行垫铁副若干15 固定扳手把若干16 毛坯尺寸为(72±0.037)×(40±0.031)×(30±0.026);长度方向侧面对宽度方向侧面和底面的垂直度公差为0.05。
铣工中级试题及答案一、单选题(共75题,每题1分,共75分)1.量块除作为长度基准进行尺寸传递外,还广泛用于鉴定和( )量具量仪。
A、检测B、比较C、找正D、校准正确答案:D2.直径为10mm 的 3 齿立铣刀铣削钢件时,推荐每齿进给量(Fz)0.02,主轴转速为800r/min,进给速度(F)为( )。
A、8mm/minB、48mm/minC、80mm/minD、16mm/min正确答案:B3.加工时用来确定工件在机床上或夹具中占有正确位置所使用的基准为( )。
A、工艺基准B、定位基准C、测量基准D、装配基准正确答案:B4.粗车→半精车工件外圆表面的表面粗糙度为( )。
A、5—10B、90C、87D、88正确答案:A5.提高机床动刚度的有效措施是( )A、减少切削液B、增加切削液C、增大阻尼D、增大断面面积正确答案:C6.加工中心按照主轴在加工时的空间位置分类,可分为立式、卧式、( )加工中心A、万能B、不可换主轴箱C、三轴、五面D、复合、四轴正确答案:A7.加工内廓类零件时,为保证顺铣,( )。
A、刀具要沿工件表面左右滑动B、刀具要沿内廓表面逆时针运动C、刀具要沿工件表面左右摆动D、刀具要沿内廓表面顺时针运动正确答案:B8.万能工具显微镜是采用( )原理来测量的。
A、光学B、游标C、螺旋副运动D、电学正确答案:A9.沿加工轮廓的延长线退刀时需要采用( )方法。
A、法向、切向、轴向都可以B、法向C、切向D、轴向正确答案:A10.换刀点是加工中心刀具( )的地方。
A、自动更换模具B、加工零件入刀C、回参考点D、自动换刀正确答案:D11.下面所述特点不属于球头铣刀特点的是( )A、加工效率高B、可以进行轴向、径向切削C、常用于曲面精加工D、底刃处切削条件差正确答案:A12.常用地址符( )代表进给速度。
A、XB、KC、FD、M正确答案:C13.下列那些球头铣刀常用于曲面的精加工( )A、单刀片球头刀和整体式球头刀B、单刀片球头刀C、整体式球头刀D、多刀片可转位球头刀正确答案:A14.( )不适宜采用退火工艺A、形状复杂的零件B、高碳钢C、切削性能较高的零件D、低碳钢正确答案:D15.可选用( )来测量轴径是否合格。
铣工中级考试题(附答案)一、单选题(共75题,每题1分,共75分)1.进行数控程序空运行的无法实现( )。
A、检查轮廓尺寸精度B、检查程序是否存在句法错误C、检查程序的走刀路径是否正确D、检查换刀是否正确正确答案:A2.( )能够增强企业内聚力A、竞争B、各尽其责C、个人主义D、团结互助正确答案:D3.固定循环路线中的( )是为安全进刀切削而规定的一个平面A、R 点平面B、孔底平面C、零件表面D、初始平面正确答案:D4.精度要求不高的深孔加工,最常用的方法是( )。
A、铣孔B、镗孔C、钻孔D、扩孔正确答案:D5.下列刀具中,()可沿Z轴方向切削A、球头铣刀B、键槽铣刀C、立铣刀D、立铣刀,键槽铣刀,球头铣刀都可正确答案:B6.百分表测头与被测表面接触时,量杆压缩量为( )。
A、0.3~1mmB、任意C、1~3mmD、0.5~3mm正确答案:A7.任何切削加工方法都必须有一个( ),可以有一个或几个进给运动。
A、纵向运动B、切削运动C、辅助运动D、主运动正确答案:D8.刀具半径补偿的取消只能通过( )来实现。
A、G01 和G03B、G00 和G02C、G01 和G00D、G01 和G02正确答案:C9."在形状公差中,符号"-"是表示( )。
"A、高度B、透视度C、直线度D、面轮廓度正确答案:C10.加工中心的刀具由( )管理A、AKCB、ABCC、PLCD、TAC正确答案:C11.黄铜是由()合成A、铜和镍B、铜和硅C、铜和锌D、铜和铝正确答案:C12."固定循环指令G73X_Y_Z_R_Q_F_;中"Q_"表示( )。
"A、每次退刀量B、初始点坐标或增量C、每次进给深度D、刀具位移量正确答案:C13.G52 指令表示( )。
A、工件坐标系设定指令B、设定局部坐标系指令C、设定机械坐标系指令D、工件坐标系选取指令正确答案:D14.用φ10 高速钢键槽铣刀粗加工45 钢键槽时,切削深度为3 ㎜,切宽10 ㎜,主轴转速600r/min,选择合适的进给速度( )。
铣工中级测试题+参考答案一、单选题(共75题,每题1分,共75分)1.可选用()来测量工件凸肩厚度是否合格A、杠杆百分表B、游标卡尺C、外径千分尺D、内径塞规正确答案:C2.机床加工时,如进行圆弧插补,开机时默认的加工平面为()平面。
A、G20B、G17C、G18D、G19正确答案:B3.公差代号标注法适用于()。
A、大批生产B、单间小批量生产C、生产批量不定D、成批生产正确答案:A4.圆弧插补段程序中,若采用半径R编程时,圆弧半径负值时()。
A、圆弧大于180°B、圆弧小于180°C、圆弧小于或等于180°D、圆弧大于或等于180°正确答案:A5.加工带台阶的大平面要用主偏角为()度的面铣刀。
A、90B、150C、65D、30正确答案:A6.下面所述特点不属于球头铣刀特点的是()A、底刃处切削条件差B、可以进行轴向、径向切削C、加工效率高D、常用于曲面精加工正确答案:C7.position可翻译为()。
A、位置B、程序C、坐标D、原点正确答案:C8.在粗糙度的标注中,数值的单位是()。
A、kmB、mC、μmD、mm正确答案:C9.沿加工轮廓的延长线退刀时需要采用()方法。
A、法向B、法向、切向、轴向都可以C、轴向D、切向正确答案:B10.关于道德规范的说法中,正确的是()。
A、道德规范是没有共同标准的行为规范B、道德规范是做人的准则C、道德规范缺乏约束力D、道德规范只是一种理想规范正确答案:B11.加工无岛屿圆槽时,要获得好的表面粗糙度,切入时应采用()A、圆弧切线切入B、法线切线切入C、圆弧切线切入、直线切线切入都可以D、直线切线切入正确答案:A12.用水平仪检验机床导轨的直线度时,若把水平仪放在导轨的右端时气泡向右偏2格,若放在左端,气泡向左偏2格,则此导轨是()状态。
A、不凸不凹B、中间凸C、中间凹D、扭曲正确答案:C13.封闭环是在装配或加工过程的最后阶段自然形成的()环。
数控铣床中级工职业技能鉴定考试理论试卷注意事项 1、考试时间 120分钟。
2、请首先按要求在试卷的标封处填写您的姓名、准考证号和所在单位的名称。
3、请仔细阅读各种题目的回答要求 在规定的位置填写您的答案。
4、不要在试卷上乱写乱画 不要在标封区填写无关的内容。
题号 一 二 总分得分一、单项选择 选择一个正确的答案 将相应的字母填入题内的括号中。
每题1分满分47分1、切削金属材料时 在切削速度较低 切削XZ下,容易形成 A 。
A 挤裂切屑 B 带状切屑 C 崩碎切屑2、刃磨刀具时 刀面质量如何 对切削变形、刀具的磨损影响 B 。
A 一般 B 很大 C 很小3、任何一个未被约束的物体 在空间具有进行 A 种运动的可能性。
A 六 B 五 C 四4、确定夹紧力方向时 应该尽可能使夹紧力方向垂直于 C 基准面。
A 主要定位 B 辅助定位 C 止推定位5、用三面刃铣刀铣削一奇数矩形齿离合器 若按公式计算所得刀具宽度B为11.75mm则应选择刀具宽度 B mm的标准三面刃铣刀较好。
A 6 B 10 C 126、若齿式离合器的尖齿铣削过深 会造成齿顶过尖 则对离合器接合后 B 。
A 贴合面积不够 B 齿侧不贴合 C 接合齿数太少7、在卧铣上用盘形成形铣刀铣削梯形等高齿离合器时 分度头主轴应 A 。
A 与工作台垂直B 仰起一个角度C 与工作台平行8、在卧铣上铣削矩形齿离合器时 若分度头主轴与工作台面不垂直 则离合器 B 。
A 齿侧表面粗糙 B 槽底未能接平 C 无法啮合9、在卧铣上铣削一标准直齿锥齿轮 模数m=2mm 现以齿轮大端为基准 对刀后工作台上升A mm 就可以先铣削齿轮齿槽中部。
A 4.4 B 4.5 C 4 D 610、直齿锥齿轮盘铣刀的齿形曲线是按标准直齿锥齿轮 A 齿形设计的。
A 大端 B 小端 C 中部 D 近似齿轮盘铣刀11、在按靠模铣削曲线外形时 若发生振动 则靠模和滚轮(或立铣刀圆柱部分)之间的压 A 。
数控铣床操作工职业技能鉴定(中级)应知考核试题及参考答案一、判断题(第1—20题:将判断结果填入括号中—正确的填“√”,错误的填“X”。
每题1.0分:满分20分)1.点位控制的数控机床只要控制起点和终点位置,对加工过程十的轨迹没有严格要求。
( )2.G00与G01的功能是一样的。
( )3.辅助功能字M代码主要用来控制机床主轴的开、停、切削液的开关和I件的夹紧与松开等辅助动作·( )4.上一程序段中有了G02指令,下一程序段如果是顺圆铣削,则G02可省略( )5.F值在编程设定好后,在加工时一般不能再进行调整( )6.轮廓控制机床是指能对两个或两个以上的主轴同时进行控制( )7.数控铣床中S500表示铣削速度为500mm/min、( )8.XK0532机床中,X表示铣床,K表示快速。
( )9.数控机床适应于中、小批量、多品种、复杂零件的加工。
( )10.采用立铣刀加工内轮廓时,铣刀直径应大于或等于工件内轮廓最小曲率半径的2倍。
( )11.切削用量三要素是切削速度、背吃刀量和进给量。
( )12.在数控铣床坐标系中,以工件相对于静止刀具而运动的原则进行定义坐标轴,按工件远离刀具的运动方向为坐标轴的负方向。
( )13.数控机床按驱动系统是否具有反馈分类,可以分为开环系统、半闭环和闭环系统。
( )14.在圆弧加工G02、G03指令中,R总是正值。
( )15.用G02或G03编制—个整圆加工程序段时,既能用半径编程,也能用圆心坐标编程。
( )16.切削用量中,影响切削温度最大的是主轴转速。
( )17.工序集中可以减少安装工件的辅助时间。
( )18.刀具磨损分为初期磨损、正常磨损、急剧磨损三种形式。
( )19.因为试切法的加工精度较高,所以主要用于大批、大量生产。
( )20.G92指令一般放在程序第一段,该指令不引起机床动作。
( )二、选择题(第21—40题。
选择正确的答案,将相应的字母填入题内的括号中。
数控铣工(中级)测试题M00 M02M05 7、宏程序的( )起到控制程序流向作用。
A. B.C.一、单选题:1、下面说法不正确的是( )。
A. 进给量越大表面 Ra 值越大 B. 工件的装夹精度影响加工精度 C. 工件定位前必须仔细清理工件和夹具定位部件 D.通常精加工时的F 值大于初加工时的F 值2、最小实体尺寸是( A. B. C. D. )。
测量得到的 设计给定的 加工形成的 计算所出的3、莫氏锥柄一般用于( )的场合。
A. B. C. D. 定心要求比较高 要求能快速换刀 定心要求不高 要求定心精度高和快速更换的场合4、流量控制阀用来控制执行元件的( A. B. C.)。
D. 运动方向 运动速度 压力大小 运动平稳性 5、 A. B. C. D. AutoACD 中要从键盘上输入命令,只须在命令行中输入下列( 用小写字母 用大写字母 小写或大写字母或两者相结合 不能通过键盘输入命令 )形式的命令名。
6、使机床处于复位停止状态的指令是( A. M01 )。
B. C. D. 控制指令 程序字 运算指令D. 赋值8、加工一般金属材料用的高速钢,常用牌号有W18Cr4v 和()两种。
A. CrWMnB. 9SICrC. ICr18Ni9D. W6Mo5Cr4V29、在变量赋值方法I中,引数(自变量)D对应的变量是()。
A. #7B. #51C. #101D. #2510、用户宏程序最大的特点是()。
A. 完成某一功能B. 嵌套C. 使用变量D. 自动编程11、职业道德是()。
A. 社会主义道德体系的重要组成部分B. 保障从业者利益的前提C. 劳动合同订立的基础D. 劳动者的日常行为规则12、在MDI 方式下可以()。
A. 直接输入指令段并马上按循环启动键运行该程序段B. 自动运行内存中的程序C. 按相应轴的移动键操作机床D. 输出程序并保存13、对于“一般公差——线性尺寸的未注公差”,下列说法中错误的是()。
机械数控铣工中级考试试题题库(附答案)【最新资料,WORD文档,可编辑修改】数控铣中级试卷一.选择题。
(1-160题,每小题0.5分。
共80分)1.莫氏锥柄一般用于()的场合。
(人)定心要求比较高(B)要求能快速换刀(0定心要求不高(D)要求定心精度高和快速更换的场合2.()指令可以分为模态指令和非模态指令。
(A)G (B)M (C)F (D)T3.不属于岗位质量要求的内容是()。
(A)操作规程(B)工艺规程(C)工序的质量指标(口)日常行为准则4.在铣削加工余量较大、精度要求较高的平面时,可按()进行加工。
(A)一次铣去全部余量(B)先粗后精(C)除梯铣削(D)粗铣-半精铣-精铣5.设H01=-2mm,则执行G91 G44 G01 Z-20 H01 F100的程序段后,刀具实际移动距离为()mm。
(A)30 (B)18 (C)22 (D)206.坐标进给是根据判别结果,使刀具向Z或Y向移动一()。
(A)分米(B)米(C)步(D)段7.FANUC系统中,M98指令是()指令。
(A)主轴低速范围(B)调用子程序(C)主轴高速范围(D)子程序结束8.下面所述特点不属于球头铣刀特点的是()。
(A)可以进行轴向、径向切削(B)常用于曲面精加工(C)加工效率高(D)底刃处切削条件差9.编排数控加工工序时,采用一次装夹工位上多工序集中加工原则的主要目的是()。
(A)减少换刀时间(B)减少重复定位误差(C)减少切削时间(D)简化加工程序10.安全管理可以保证操作者在工作时的安全或提供便于工作的()。
(A)生产场地(B)生产环境(C)生产空间(D)生产路径11.职业道德的内容不包括()。
(A)职业道德意识(B)职业道德行为规范(C)从业者享有的权利(D)职业守则12. FANUC系统的数控铣床除可用G54〜G59指令来设置工件坐标系外,还可用()指令确定。
(A)G50 (B)G92 (C)G49 (D)G5313.下列那些球头铣刀常用于曲面的精加工()。
数控加工中心中级操作技能考核试卷考件编号:姓名:准考证号:单位:其余h8(工艺孔).技术要求:1、不准用砂布及锉刀等修饰表面;2、未注公差尺寸按GB1804-M。
项目名称考件一材料45 钢毛坯φ110×20考核时间240min第 1 页共 1 页职业技能鉴定模拟试卷数控加工中心中级操作技能考核试卷考件一评分表考件编号:姓名:准考证号:单位:序号项目考核内容IT85 0-0.06 RaIT75 0-0.06 Ra 配分评分标准4 超差 0.01 扣2 分4 降一级扣 2 分4 超差 0.01 扣2 分4 降一级扣 2 分检测结果扣分得分备注1外形2槽6±0.08R10 12 ± 0.043程序编制建立工作坐标系程序代码正确刀具轨迹显示正确2 出现错误不得分4 出现错误不得分3 出现错误不得分4 机床操作工、量、刃具执行操作规程5的正确使用使用工具、量具2违反规程不得分3选择错误不得分67监考人加工时间超过定额时间 5min 扣1 分;超过10min 扣5 分,以后每超过5min 加扣5 分,超过30min则停止考试。
文明生产按有关规定每违反一项从总分中扣 3 分,发生重大事故取消考试。
扣分不超过10 分。
检验员考评员IT4超差 0.01 扣2 分30- 0.06Ra4降一级扣 2 分IT4超差 0.01 扣 2 分Ra4降一级扣 2 分IT4超差 0.01 扣 2 分Ra2降一级扣 2 分IT32 ± 0.054超差 0.01 扣 1 分Ra4降一级扣 2 分IT4超差 0.01 扣 1 分Ra 4降一级扣 2 分3±0.08ITRa42超差 0.01 扣 1 分降一级扣 2 分程序要完整4出现错误不得分开机及系统复位3出现错误不得分装夹工件2出现错误不得分输入及修改程序5出现错误不得分正确设定对刀点3出现错误不得分建立刀补4出现错误不得分自动运行3出现错误不得分职业技能鉴定模拟试卷数控加工中心中级操作技能考核试卷考件编号:姓名:准考证号:单位:其余h8(技术要求:1、不准用砂布及锉刀等修饰表面;2、未注公差尺寸按GB1804-M。
职业技能鉴定国家题库试卷
数控铣工中级操作技能考核试卷 考件编号: 注 意 事 项 一、本试卷依据2005年颁布的《数控铣工》国家职业标准命制。
二、请根据试题考核要求,完成考试内容。
三、请服从考评人员指挥,保证考核安全顺利进行。
试题1、零件加工 (1)本题分值:100分 (2)考核时间:180min (3)考核形式:操作 (4)具体考核要求:根据零件图纸(G422)完成加工 (5)否定项说明: a) 出现危及考生或他人安全的状况将中止考试,如果原因是考生操作失误所致, 考生该题成绩记零分。
b) 因考生操作失误所致,导致设备故障且当场无法排除将中止考试,考生该题成 绩记零分。
c) 因刀具、工具损坏而无法继续应中止考试试题。
试题2、零件加工 (1)本题分值:100分 (2)考核时间:90min (3)考核形式:操作 (3)具体考核要求: a ) 根据图纸(MZ8)在数控仿真系统上完成虚拟零件加工 b) 数控系统、机床由考生自选 考
生
答
题
不
准
超
过
此
线。