电磁感应中的能量转化例题解析
- 格式:ppt
- 大小:567.50 KB
- 文档页数:22
电磁感应中的能量转化及电荷量问题一、电磁感应电路中电荷量的求解回路中磁通量发生变化时,电荷发生定向移动而形成感应电流,在Δt内迁移的电荷量(感应电荷量)为q=I·Δt=ER·Δt=nΔΦΔt·1R·Δt=nΔΦR.其中n为匝数,R为总电阻.从上式可知,线圈匝数一定时,感应电荷量仅由回路电阻和磁通量的变化量决定,与时间无关.例1如图X31所示,导线全部为裸导线,半径为r的圆内有垂直于纸面的匀强磁场,磁感应强度为B,一根长度大于2r的导线MN以速度v在圆环上无摩擦地自左向右匀速滑动,电路的固定电阻为R,其余电阻忽略不计.试求MN从圆环的左端滑到右端的过程中电阻R上的电流的平均值及通过的电荷量.πBrv2RBπr2R[解析]由于ΔΦ=B·ΔS=B·πr2,完成这一变化所用的时间Δt=2rv,故E=ΔΦΔt=πBrv2,所以电阻R上的电流的平均值为I=ER=πBrv2R,通过R的电荷量为q=I·Δt=Bπr2R.二、电磁感应中的能量转化问题1.电磁感应中能量的转化电磁感应过程实质是不同形式的能量相互转化的过程,电磁感应过程中产生感应电流,在磁场中必定受到安培力作用,因此要维持感应电流,必须有“外力”克服安培力做功.此过程中,其他形式的能转化为电能.“外力”克服安培力做多少功,就有多少其他形式的能转化为电能.当感应电流通过用电器时,电能又转化为其他形式的能.可以简化为下列形式:同理,电流做功的过程,是电能转化为其他形式的能的过程,电流做了多少功就有多少电能转化为其他形式的能.2.解决电磁感应能量转化问题的基本方法(1)用法拉第电磁感应定律和楞次定律确定感应电动势的大小和方向;(2)画出等效电路,求出回路中电阻消耗电能的表达式;(3)分析导体机械能的变化,用能量守恒关系得到机械能的改变与回路中电能的改变所满足的方程.例2如图X32所示,固定的水平光滑金属导轨间距为L,左端接有阻值为R的电阻,处在方向竖直向下、磁感应强度为B的匀强磁场中,质量为m的导体棒与固定弹簧相连,放在导轨上,导轨与导体棒的电阻可忽略.初始时刻,弹簧恰处于自然长度,导体棒具有水平向右的初速度v 0.在沿导轨往复运动的过程中,导体棒始终与导轨垂直并保持良好接触.(1)求初始时刻导体棒受到的安培力.(2)若导体棒从初始时刻到速度第一次为零时,弹簧弹性势能的增加量为E p ,则这一过程中安培力所做的功W 1和电阻R 上产生的热量Q 1分别为多少?(3)导体棒往复运动,最终将静止于何处?从导体棒开始运动直到最终静止的过程中,电阻R 上产生的热量Q 为多少?(1)B 2L 2v 0R ,方向水平向左 (2)E p -12mv 20 12mv 20-E p (3)初始位置 12mv 20[解析] (1)初始时刻导体棒中的感应电动势E =BLv 0,棒中的感应电流I =E R, 作用于棒上的安培力F 安=BIL ,联立以上各式得F 安=B 2L 2v 0R ,安培力方向水平向左.(2)由功能关系得,安培力做功W 1=E p -12mv 20, 电阻R 上产生的热量Q 1=12mv 20-E p . (3)由能量转化及平衡条件可知,棒最终静止于初始位置,电阻R 上产生的热量Q =12mv 20. 2.(电磁感应中的能量转化问题)(多选)如图X34所示,两根电阻不计的光滑平行金属导轨倾角为θ,导轨下端接有电阻R ,匀强磁场垂直斜面向上.质量为m 、电阻不计的金属棒ab 与导轨垂直并保持良好接触,在沿斜面与棒垂直的恒力F 作用下沿导轨匀速上滑,上升高度为h ,在这个过程中( )A .金属棒所受各力的合力所做的功等于零B .金属棒所受各力的合力所做的功等于mgh 和电阻R 上产生的热量之和C .恒力F 做的功与导体棒所受重力做的功之和等于棒克服安培力所做的功与电阻R 上产生的热量之和D .恒力F 做的功与导体棒所受重力做的功之和等于电阻R 上产生的热量AD [解析] 金属棒匀速上升的过程有三个力做功:恒力F 做正功,重力G 、安培力F 安做负功.根据动能定理,有W =W F +W G +W 安=0,故A 对,B 错;恒力F 做的功与金属棒所受重力做的功之和等于金属棒克服安培力做的功,而金属棒克服安培力做的功等于回路中电能(最终转化为热量)的增加量,克服安培力做的功与热量不能重复考虑,故C 错,D 对.3.(电磁感应中的能量转化问题)如图X35所示,处于匀强磁场中的两根足够长、电阻不计的平行金属导轨相距1 m ,导轨平面与水平面成θ=37°角,下端连接阻值为R 的电阻.匀强磁场方向与导轨平面垂直,质量为0.2 kg 、电阻不计的金属棒放在两导轨上,棒与导轨垂直并保持良好接触,它们之间的动摩擦因数为0.25.(1)求金属棒沿导轨由静止开始下滑时的加速度大小.(2)当金属棒下滑速度达到稳定时,电阻R 消耗的功率为8 W ,求该速度的大小.(3)在上问中,若R =2 Ω,金属棒中的电流方向由a 到b ,求磁感应强度的大小与方向.(g 取10 m /s 2,sin 37°=0.6,cos 37°=0.8)(1)4 m /s 2 (2)10 m /s (3)0.4 T 方向垂直导轨平面向上[解析] (1)金属棒开始下滑时的速度为零,根据牛顿第二定律得mg sin θ-μmg cos θ=ma ,解得a =10×(0.6-0.25×0.8) m /s 2=4 m /s 2.(2)设金属棒运动达到稳定时,速度为v ,所受安培力为F 安,棒在沿导轨方向受力平衡,有mg sin θ-μmg cos θ-F 安=0,此时金属棒克服安培力做功的功率等于电路中电阻R 消耗的电功率,即F 安v =P ,联立解得v=PF安=80.2×10×(0.6-0.25×0.8)m/s=10 m/s.(3)设电路中电流为I,两导轨间金属棒的长为l,磁场的磁感应强度为B,则I=Blv R,P=I2R,联立解得B=PRvl=8×210×1T=0.4 T,由楞次定律可知磁场方向垂直导轨平面向上.。
电磁感应中的能量问题分析与强化训练(附详细参考答案)一、自能量角度分析电磁感应及例题讲解:在电磁感应现象中,安培力做正功,电能转化为其他形式的能;安培力做负功,即克服安培力做功,其他形式的能转化为电能。
若产生的感应电流是恒定的,则可以利用焦耳定律计算电阻中产生的焦耳热;若产生的感应电流是变化的,则可以利用能量守恒定律计算电阻中产生的焦耳热。
1.过程分析(1)电磁感应现象中产生感应电流的过程,实质上是能量的转化过程。
(2)电磁感应过程中产生的感应电流在磁场中必定受到安培力的作用,因此,要维持感应电流的存在,必须有“外力”克服安培力做功,将其他形式的能转化为电能。
“外力”克服安培力做了多少功,就有多少其他形式的能转化为电能。
(3)当感应电流通过用电器时,电能又转化为其他形式的能。
安培力做功的过程,或通过电阻发热的过程,是电能转化为其他形式能的过程。
安培力做了多少功,就有多少电能转化为其他形式的能。
综上所述,安培力做功是电能和其他形式的能之间转化的量度。
2.求解思路(1)若回路中电流恒定,可以利用电路结构及W=UIt或Q=I2Rt直接进行计算。
(2)若电流变化,则:①利用安培力做的功求解:电磁感应中产生的电能等于克服安培力所做的功;②利用能量守恒求解:若只有电能与机械能的转化,则机械能的减少量等于产生的电能。
3.电磁感应中能量转化问题的分析技巧(1)电磁感应过程往往涉及多种能量的转化①如图中金属棒ab沿导轨由静止下滑时,重力势能减少,一部分用来克服安培力做功,转化为感应电流的电能,最终在R上转化为焦耳热,另一部分转化为金属棒的动能。
②若导轨足够长,棒最终达到稳定状态做匀速运动,之后重力势能的减小则完全用来克服安培力做功,转化为感应电流的电能。
③分析“双杆模型”问题时,要注意双杆之间的制约关系,即“动”杆与“被动”杆之间的关系,需要注意的是,最终两杆的收尾状态的确定是分析该类问题的关键。
(2)安培力做功和电能变化的特定对应关系①“外力”克服安培力做多少功,就有多少其他形式的能转化为电能。
高考物理:带你攻克电磁感应中的典型例题(附解析)例1、如图所示,有一个弹性的轻质金属圆环,放在光滑的水平桌面上,环中央插着一根条形磁铁.突然将条形磁铁迅速向上拔出,则此时金属圆环将()A. 圆环高度不变,但圆环缩小B. 圆环高度不变,但圆环扩张C. 圆环向上跳起,同时圆环缩小D. 圆环向上跳起,同时圆环扩张解析:在金属环中磁通量有变化,所以金属环中有感应电流产生,按照楞次定律解决问题的步骤一步一步进行分析,分析出感应电流的情况后再根据受力情况考虑其运动与形变的问题.也可以根据感应电流的磁场总阻碍线圈和磁体间的相对运动来解答。
当磁铁远离线圈时,线圈和磁体间的作用力为引力,由于金属圆环很轻,受的重力较小,因此所受合力方向向上,产生向上的加速度.同时由于线圈所在处磁场减弱,穿过线圈的磁通量减少,感应电流的磁场阻碍磁通量减少,故线圈有扩张的趋势。
所以D选项正确。
一、电磁感应中的力学问题导体切割磁感线产生感应电动势的过程中,导体的运动与导体的受力情况紧密相连,所以,电磁感应现象往往跟力学问题联系在一起。
解决这类电磁感应中的力学问题,一方面要考虑电磁学中的有关规律,如安培力的计算公式、左右手定则、法拉第电磁感应定律、楞次定律等;另一方面还要考虑力学中的有关规律,如牛顿运动定律、动量定理、动能定理、动量守恒定律等。
例2、如图1所示,两根足够长的直金属导轨MN、PQ平行放置在倾角为θ的绝缘斜面上,两导轨间距为L,M、P两点间接有阻值为R的电阻。
一根质量为m的均匀直金属杆ab放在两导轨上,并与导轨垂直。
整套装置处于磁感应强度为B的匀强磁场中,磁场方向垂直斜面向下,导轨和金属杆的电阻可忽略。
让ab杆沿导轨由静止开始下滑,导轨和金属杆接触良好,不计它们之间的摩擦。
(1)由b向a方向看到的装置如图2所示,请在此图中画出ab 杆下滑过程中某时刻的受力示意图;(2)在加速下滑过程中,当ab杆的速度大小为v时,求此时ab 杆中的电流及其加速度的大小;(3)求在下滑过程中,ab杆可以达到的速度最大值。
电磁感应中的综合应用(3)-------- 能量问题知识点拨:1.能量的转化:感应电流在磁场中受安培力,外力克服安培力做功,将其它形式的能转化为电能,电流做功再将电能转化为内能.2.实质:电磁感应现象的能量转化,实质是其它形式的能和电能之间的转化.例题1.(多选)如图9-3-3 所示,水平固定放置的足够长的U 形金属导轨处在竖直向上的匀强磁场中,在导轨上放着金属棒ab,开始时ab 棒以水平初速度v0向右运动,最后静止在导轨上,就导轨光滑和导轨粗糙的两种状况相比较,这个过程().A.安培力对ab 棒所做的功不相等B.电流所做的功相等C.产生的总内能相等D.通过ab 棒的电荷量相等练习1、(多选)(·山东卷,20)如图9-3-11 所示,相距为L 的两条足够长的光滑平行金属导轨与水平面的夹角为θ,上端接有定值电阻R,匀强磁场垂直于导轨平面,磁感应强度为B.将质量为m 的导体棒由静止释放,当速度达成v 时开始匀速运动,此时对导体棒施加一平行于导轨向下的拉力,并保持拉力的功率恒为P,导体棒最后以2v 的速度匀速运动.导体棒始终与导轨垂直且接触良好,不计导轨和导体棒的电阻,重力加速度为g.下列选项对的的是().A.P=2mg v sinθB.P=3mg v sinθC.当导体棒速度达成时加速度大小为sin θD.在速度达成2v 后来匀速运动的过程中,R 上产生的焦耳热等于拉力所做的功练习2、(·天津高考)如图9-3-11 所示,一对光滑的平行金属导轨固定在同一水平面内,导轨间距l=0.5 m,左端接有阻值R=0.3 Ω的电阻。
一质量m=0.1 kg,电阻r=0.1 Ω的金属棒MN 放置在导轨上,整个装置置于竖直向上的匀强磁场中,磁场的磁感应强度B=0.4 T。
棒在水平向右的外力作用下,由静止开始以a=2 m/s2 的加速度做匀加速运动。
当棒的位移x=9 m 时撤去外力,棒继续运动一段距离后停下来,已知撤去外力前后回路中产生的焦耳热之比Q1∶Q2=2∶1。
习题课一、电磁感应现象中的能量转化例1 如图所示,两根电阻不计的光滑平行金属导轨倾角为 ,导轨下端接有电阻R,匀强磁场垂直于斜面向上,质量为m、电阻为r的金属棒ab在沿斜面与棒垂直的恒力F作用下沿导轨从静止开始加速上滑,用E表示任意时刻回路中的电动势,用i表示任意时刻回路中的电流,则()BCDA.恒力F与重力的合力所做的功等于电阻R上产生的焦耳热B.恒力F与重力的合力所做的功等于棒获得的动能与回路中电阻产生的焦耳热之和C.任意时刻电路中电阻消耗的电功率等于EiD.任意时刻电路中电阻消耗的电功率等于克服安培力做功的功率例2 如图,竖直平面内的金属导轨,轨距为20cm,金属导体ab可以在导轨上无摩擦地向下滑动,金属导体ab的质量为0.2g,电阻为0.4Ω,导轨电阻不计,水平方向且与轨道平面垂直的匀强磁场的磁感应强度为0.1T。
金属导体ab从静止自由下落。
(1)电路中最终电流值是多少?导体棒的最终速度是多少?(2)若从导体棒开始下落至获得最大速度的过程中,通过导体横截面的电量q=0.2C,则导体棒下落高度是多少?此过程产生多少焦耳热?0.1A 2m/s 4m 7.6×10-3j例3 如图,已知电源电动势为E,内阻为r,位于同一水平面内的平行光滑足够长导轨电阻可忽略,导轨间距为L,空间有磁感应强度为B的匀强磁场,磁场方向垂直于两导轨所在平面并指入纸里,横放在导轨上的金属小棒ab质量为m,电阻为R,小棒原来静止。
现闭合开关,求:(1)ab棒的最终速度(2)整个过程中ab棒发出的焦耳热二、涉及两个感应电源的动态分析例4 如图,金属杆a在离地h高处从静止开始沿弧形轨道下滑,导轨平行的水平部分有竖直向上的匀强磁场B,水平部分导轨上原来放有一金属杆b,已知杆a的质量为m,电阻为R,b杆的质量为3m,电阻为3R,水平导轨足够长,不计摩擦。
求:(1)a和b的最终速度分别是多大?(3)a、b杆分别产生的热量是多少?例5 在相距L=0.5m的两条水平放置的无限长导轨上,垂直于导轨放置两根金属棒ab和cd,其质量均为m=0.1kg,整个装置处于竖直向下,磁感应强度为B=1T的匀强磁场中,该回路的总电阻为R=4.5Ω且保持不变。
§9.5 电磁感应中的能量转化和图象问题 内容 要求 电磁感应规律的应用 Ⅱ1.4.电磁感应现象中能量转化的规律:电磁感应现象中出现的电能一定是由其他形式转化而来的。
分析时应牢牢抓住能量守恒这一基本规律,分清那些力做功了就知道了有那些形式的能量参与了转化,然后利用能量守恒列出方程求解。
【典型例题】[例1]如图所示,两根足够长的固定平行金属光滑导轨位于同一水平面,道轨上横放着两根相同的导体棒ab 、cd 与导轨构成矩形回路.导体棒的两端连接着处于压缩状态的两根轻质弹簧,两棒的中间用细线绑住,它们的电阻均为R ,回路上其余部分的电阻不计.在导轨平面内两导轨间有一竖直向下的匀强磁场.开始时,导体棒处于静止状态.剪断细线后,导体棒在运动过程中A . 回路中有感应电动势B .两根导体棒所受安培力的方向相同C .两根导体棒和弹簧构成的系统机械能守恒D .两根导体棒和弹簧构成的系统机械能不守恒[例2]如图甲所示。
一对平行光滑轨道放置在水平面上,两轨道间距L=0.20m,电阻R =1.0Ω;有一导体杆静止地放在轨道上,与两轨道垂直,杆及轨道的电阻皆可忽略不计,整个装置处于磁感强度B=0.50T 的匀强磁场中,磁场方向垂直轨道面向下。
现用一外力F 沿轨道方向拉杆,使之做匀加速运动,测得力F 与时间t 的关系如图乙所示。
求杆的质量和加速度。
[例3]如图所示,倾角为θ=370,电阻不计,间距L=0.3m,长度足够的平行导轨所在处,加有磁感应强度B=1T,方向垂直于导轨平面(图中未画出)的匀强磁场,导轨两端各接一个阻值R=2Ω的电阻。
另一横跨在平行导轨间的金属棒质量m=1kg,电阻r=2Ω,其与导轨间的动摩擦因数μ=0.5.金属棒以平行于导轨向上的初速度v 0=10m/s 上滑,直至上升到最高点的过程中,通过上端的电量Δq=0.1C (g=10m/s 2,sin370=0.6),求上端电阻R 上产生的焦耳热Q 。
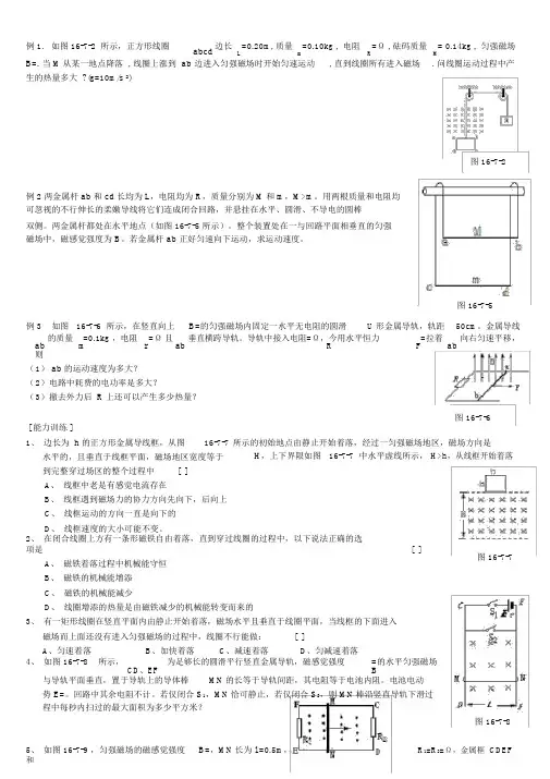
例 1. 如图 16-7-2 所示,正方形线圈abcd边长=0.20m, 质量=0.10kg , 电阻=Ω , 砝码质量= 0.14kg , 匀强磁场L m R MB=.当 M从某一地点降落,线圈上涨到 ab 边进入匀强磁场时开始匀速运动, 直到线圈所有进入磁场. 问线圈运动过程中产生的热量多大 ?(g=10m/s 2)图 16-7-2例 2 两金属杆ab和cd长均为L,电阻均为R,质量分别为M和m,M>m。
用两根质量和电阻均可忽视的不行伸长的柔嫩导线将它们连成闭合回路,并悬挂在水平、圆滑、不导电的圆棒双侧。
两金属杆都处在水平地点(如图 16-7-5 所示)。
整个装置处在一与回路平面相垂直的匀强磁场中,磁感觉强度为 B。
若金属杆 ab 正好匀速向下运动,求运动速度。
图 16-7-5例 3如图16-7-6 所示,在竖直向上B=的匀强磁场内固定一水平无电阻的圆滑U 形金属导轨,轨距50cm。
金属导线ab 的质量=0.1kg ,电阻r=Ω且ab垂直横跨导轨。
导轨中接入电阻=Ω,今用水平恒力=拉着ab向右匀速平移,m R F则(1)ab的运动速度为多大?(2)电路中耗费的电功率是多大?(3)撤去外力后R上还可以产生多少热量?[ 能力训练 ]图 16-7-61、边长为h的正方形金属导线框,从图16-7-7所示的初始地点由静止开始着落,经过一匀强磁场地区,磁场方向是水平的,且垂直于线框平面,磁场地区宽度等于H,上下界限如图16-7-7中水平虚线所示,H>h,从线框开始着落到完整穿过场区的整个过程中[ ]A、线框中老是有感觉电流存在B、线框遇到磁场力的协力方向先向下,后向上C、线框运动的方向一直是向下的D、线框速度的大小可能不变。
2、在闭合线圈上方有一条形磁铁自由着落,直到穿过线圈的过程中,以下说法正确的选项是[ ]图 16-7-7A、磁铁着落过程中机械能守恒B、磁铁的机械能增添C、磁铁的机械能减少D、线圈增添的热量是由磁铁减少的机械能转变而来的3、有一矩形线圈在竖直平面内由静止开始着落,磁场水平且垂直于线圈平面,当线框的下面进入磁场而上面还没有进入匀强磁场的过程中,线圈不行能做:[ ]A、匀速着落B、加快着落C、减速着落D、匀减速着落4、如图 16-7-8所示,CD、EF 为足够长的圆滑平行竖直金属导轨,磁感觉强度=的水平匀强磁场B与导轨平面垂直,置于导轨上的导体棒MN的长等于导轨间距,其电阻等于电池内阻。
图2 电磁感应中的能量转化问题在产生感应电流的过程是,通过外力做功,把其他形式的能转化成电能的过程。
产生的感应电流在电路中通过电功将电能转化为其它形式的能量。
可见,对于一些电磁感应问题,我们可以从能量转化与守恒的观点或运用功能关系进行分析与求解。
在此需要特别指出的是,对于切割产生感应电动势(动生电动势)的问题中,动生电流的安培力做功对应着其它能与感应电能的转化,动生电流的安培力做多少功,就会有多少其它能与感应电能发生转化。
一、 能量的转化与守恒能量的转化与守恒这类问题难度一般不大,只要搞清能量的转化方向,应用守恒规律,问题也就迎刃而解。
【例题1】如图1所示,圆形线圈质量为m=0.1kg ,电阻R=0.8Ω,半径r=0.1m ,此线圈放绝缘光滑的水平面上,在y 轴右侧有垂直于线圈平面的B=0.5T 的匀强磁场,若线圈以初动能E=5J 沿x 轴方向进入磁场,运动一段时间后,当线圈中产生的电能E e =3J 时,线圈恰好有一半进入磁场,则此时磁场力的功率。
【分析与解答】在本题中,动能通过动生电流的安培力做功向感应电能转化。
当线圈一半进入磁场中时,题意已经明确了电路中产生了电能E e =3J ,由能量守恒,还有2J 的动能,进而求出速度,应用法拉第电磁感应定律求瞬时感应电动势,再求电流的大小,求安培力,最后求安培力的功率大小。
在最后求安培力的功率大小时,还可以用功能关系:动生电流的安培力做多少功,就会有多少其它能与感应电能发生转化。
所以安培力的功率等于电路中电流的电动率,解题过程相对简单。
解答略。
二、功能关系的应用【例题2】如图2,两金属杆ab 和cd 长均为l,电阻均为R,质量分别为M和m,M>m.用两根质量和电阻均可忽略的不可伸长的柔软导线将它们连成闭合回路,并悬挂在水平、光滑、不导电的圆棒两侧.两金属杆都处在水平位置,如图所示.整个装置处在一与回路平面相垂直的匀强磁场中,磁感应强度为B.若金属杆ab 正好匀速向下运动,求运动的速度.【分析与解答】本题时上世纪90年代初的一道全国高考试题,是很具代表性的滑杆问题,通常的处理方法是应用平衡观点来解决问题,在此不再多加评述。
在电磁感应中的动力学问题中有两类常见的模型. 类型“电—动—电”型“动—电—动”型示意图棒ab长L,质量m,电阻R;导轨光滑水平,电阻不计棒ab长L,质量m,电阻R;导轨光滑,电阻不计分析S闭合,棒ab受安培力F=BLER,此时a=BLEmR,棒ab速度v↑→感应电动势BLv↑→电流I↓→安培力F=BIL↓→加速度a↓,当安培力F=0时,a=0,v最大,最后匀速棒ab释放后下滑,此时a=gsin α,棒ab速度v↑→感应电动势E=BLv↑→电流I=ER↑→安培力F=BIL↑→加速度a↓,当安培力F=mgsin α时,a=0,v最大,最后匀速运动形式变加速运动变加速运动最终状态匀速运动vm=EBL匀速运动vm=mgRsin αB2L21、如图甲所示,两根足够长的直金属导轨MN、PQ平行放置在倾角为θ的绝缘斜面上,两导轨间距为L.M、P两点间接有阻值为R的电阻.一根质量为m的均匀直金属杆ab放在两导轨上,并与导轨垂直.整套装置处于磁感应强度为B的匀强磁场中,磁场方向垂直斜面向下.导轨和金属杆的电阻可忽略.让ab杆沿导轨由静止开始下滑,导轨和金属杆接触良好,不计它们之间的摩擦.(1)由b向a方向看到的装置如图乙所示,请在此图中画出ab杆下滑过程中某时刻的受力示意图.(2)在加速下滑过程中,当ab杆的速度大小为v时,求此时ab杆中的电流及其加速度的大小.(3)求在下滑过程中,ab杆可以达到的速度最大值.1、解析(1)如右图所示,ab 杆受重力mg ,竖直向下;支持力FN ,垂直斜面向上;安培力F ,平行斜面 向上.(2)当ab 杆速度为v 时,感应电动势 E =BLv ,此时电路中电流 I =E R =BLv Rab 杆受到安培力F =BIL =B2L2vR根据牛顿运动定律,有ma =mgsin θ-F =mgsin θ-B2L2vRa =gsin θ-B2L2vmR .(3)当B2L2v R =mgsin θ时,ab 杆达到最大速度vm =mgRsin θB2L22、如图所示,足够长的光滑平行导轨MN、PQ倾斜放置,两导轨间距离为L=1.0 m,导轨平面与水平面间的夹角为30°,磁感应强度为B的磁场垂直于导轨平面向上,导轨的M、P两端连接阻值为R=3.0 Ω的电阻,金属棒ab垂直于导轨放置并用细线通过光滑定滑轮与重物相连,金属棒ab的质量m=0.20 kg,电阻r=0.50 Ω,重物的质量M=0.60 kg,如果将金属棒和重物由静止释放,金属棒沿斜面上滑的距离与时间的关系如下表所示,不计导轨电阻,g取10 m/s2.求:时间t/s 0 0.1 0.2 0.3 0.4 0.5 0.6上滑距离/m 0 0.05 0.15 0.35 0.70 1.05 1.40(2)所加磁场的磁感应强度B为多大?(3)当v=2 m/s时,金属棒的加速度为多大?2、解析(1)由表中数据可以看出最终ab 棒将做匀速运动.vm =st =3.5 m/s(2)棒受力如图所示,由平衡条件得 FT =F +mgsin 30° FT =MgF =B BLvm R +rL联立解得B = 5 T(3)当速度为2 m/s 时,安培力F =B2L2vR +r对金属棒ab 有FT -F -mgsin 30°=ma 对重物有Mg -FT =Ma联立上式,代入数据得a =2.68 m/s23、边长为L的正方形闭合金属线框,其质量为m,回路电阻为R.图中M、N、P为磁场区域的边界,上下两部分水平匀强磁场的磁感应强度大小均为B,方向如图4所示.现让金属线框在图示位置由静止开始下落,金属线框在穿过M和P两界面的过程中均为匀速运动.已知M、N之间和N、P之间的高度差相等,均为h=L+5m2gR28B4L4,金属线框下落过程中金属线框平面始终保持竖直,底边始终保持水平,当地的重力加速度为g.试求:(1)图示位置金属线框的底边到M的高度d;(2)在整个运动过程中,金属线框中产生的焦耳热;(3)金属线框的底边刚通过磁场边界N时,金属线框加速度的大小.3、解析(1)根据题意分析可知,金属线框在穿过M 界面时做匀速运动,设为v1,根据运动学公式有v 21=2gd 在金属线框穿过M 的过程中,金属线框中产生的感应电动势 E =BLv1金属线框中产生的感应电流I =ER 金属线框受到的安培力F =BIL根据物体的平衡条件有mg =F ,联立解得d =m2gR22B4L4(2)根据能的转化和守恒定律,在整个运动过程中,金属线框中产生的焦耳热为Q =mg(2h +L)解得Q =mg(3L +5m2gR24B4L4)(3)设金属线框的底边刚通过磁场边界N 时,金属线框的速度大小为v2,根据题意和运动学公式有 v 22-v 21=2g(h -L)此时金属线框中产生的感应电动势E′=2BLv2金属线框中产生的感应电流I′=E′R 金属线框受到的安培力F′=2BI′L 根据牛顿第二定律有F′-mg =ma′ 解得金属线框的加速度大小为a′=5g4、如图所示,两电阻不计的足够长光滑平行金属导轨与水平面夹角为θ,导轨间距为l,所在平面的正方形区域abcd内存在有界匀强磁场,磁感应强度为B,方向垂直斜面向上.将甲、乙两阻值相同、质量均为m的相同金属杆放置在导轨上,甲金属杆处在磁场的上边界,甲乙相距l.静止释放两金属杆的同时,在甲金属杆上施加一个沿着导轨向下的外力F,使甲金属杆在运动过程中始终沿导轨向下做匀加速直线运动,加速度大小为gsin θ,乙金属杆刚进入磁场时做匀速运动.(1)甲、乙的电阻R为多少;(2)设刚释放两金属杆时t=0,写出从开始释放到乙金属杆离开磁场,外力F随时间t的变化关系;(3)若从开始释放到乙金属杆离开磁场,乙金属杆中共产生热量Q,试求此过程中外力F对甲做的功.4、解析(1)对乙受力分析知,乙的加速度大小为gsin θ,甲、乙加速度相同,所以当乙刚进入磁场时,甲刚出磁场,乙进入磁场时v =2glsin θ 对乙由受力平衡可知mgsin θ=B2l2v 2R =B2l22glsin θ2R故R =B2l22glsin θ2mgsin θ(2)甲在磁场中运动时,外力F 始终等于安培力,F =F 安=IlB =Blv2R lB 因为v =gsin θ·t所以F =Bl·gsin θ·t 2R lB =mg2sin2 θ2glsin θt 其中0≤t≤2lgsin θ甲出磁场以后,外力F 为零.(3)乙进入磁场前做匀加速运动,甲乙产生相同的热量,设为Q1,此过程中甲一直在磁场中,外力F 始终等于安培力,则有WF =W 安=2Q1,乙在磁场中运动产生的热量Q2=Q -Q1,对乙利用动能定理有mglsin θ-2Q2=0,联立解得WF =2Q -mglsin θ.5、如图9所示,长L1=1.0 m,宽L2=0.50 m的矩形导线框,质量为m=0.20 kg,电阻R=2.0 Ω.其正下方有宽为H(H>L2),磁感应强度为B=1.0 T,垂直于纸面向里的匀强磁场.现在,让导线框从cd 边距磁场上边界h=0.70 m处开始自由下落,当cd边进入磁场中,ab尚未进入磁场时,导线框做匀速运动.(不计空气阻力,取g=10 m/s2)求:(1)线框完全进入磁场过程中安培力做的功是多少?(2)线框穿出磁场过程中通过线框任一截面的电荷量q是多少?5、解析(1)当线框匀速运动时:满足mg =BIL1,而E =BL1v ,E =IR.线框由静止到刚好进入磁场过程中,由动能定理有mg(L2+h)+W =mv22-0,解得安培力做的功W =-0.8 J.(2)线框穿出磁场过程中通过线框任一截面的电荷量:q =I t =ΔΦR ,即q =BL1L2R ,代入数据解得q =0.25 C.6、如图所示,绝缘细绳绕过轻滑轮连接着质量为m的正方形导线框和质量为M的物块,导线框的边长为L、电阻为R0,物块放在光滑水平面上,线框平面竖直且ab边水平,其下方存在两个匀强磁场区域,磁感应强度的大小均为B,方向水平但相反,Ⅰ区域的高度为L,Ⅱ区域的高度为2L.开始时,线框ab边距磁场上边界PP′的高度也为L,各段绳都处于伸直状态,把它们由静止释放,运动中线框平面始终与磁场方向垂直,M始终在水平面上运动,当ab边刚穿过两磁场的分界线QQ′进入磁场Ⅱ时,线框做匀速运动.不计滑轮处的摩擦.求:(1)ab边刚进入磁场Ⅰ时,线框的速度大小;(2)cd边从PP′位置运动到QQ′位置过程中,通过线圈导线某横截面的电荷量;(3)ab边从PP′位置运动到NN′位置过程中,线圈中产生的焦耳热.6、解析(1)在线框下降L 过程中,对线框和物块组成的整体,由动能定理得mgL =12(m +M)v 21,所以线框的速度:v1= 2mgL m +M. (2)线框从Ⅰ区进入Ⅱ区过程中,ΔΦ=BS -(-BS)=2BL2,E =ΔΦΔt ,I =E R,所以通过线圈导线某截面的电量:q =IΔt =2BL2R .(3)线框ab 边运动到位置NN′之前,只有ab 边从PP′位置下降2L 的过程中线框中有感应电流,设线框ab 边刚进入Ⅱ区域做匀速运动的速度是v2,线圈中电流为I2,则I2=2BLv2R此时M 、m 均做匀速运动,2BI2L =mg ,v2=mgR4B2L2.根据能量转化与守恒定律有mg·3L =12(m +M)v 22+Q ,则线圈中产生的焦耳热为Q =3mgL -m +M m2g2R232B4L4.7、(2011·天津·11)(18分)如图所示,两根足够长的光滑平行金属导轨MN、PQ间距为L=0.5 m,其电阻不计,两导轨及其构成的平面均与水平面成30°角.完全相同的两金属棒ab、cd分别垂直导轨放置,每棒两端都与导轨始终有良好接触,已知两棒质量均为m=0.02 kg,电阻均为R=0.1 Ω,整个装置处在垂直于导轨平面向上的匀强磁场中,磁感应强度B=0.2 T,棒ab在平行于导轨向上的力F作用下,沿导轨向上匀速运动,而棒cd恰好能够保持静止,取g=10 m/s2,问:(1)通过棒cd的电流I是多少,方向如何?(2)棒ab受到的力F多大?(3)棒cd每产生Q=0.1 J的热量,力F做的功W是多少?7、解析 (1)对cd 棒受力分析如图所示由平衡条件得mgsin θ=BIL (2分)得I =mgsin θBL =0.02×10×sin 30°0.2×0.5 A =1 A . (1分)根据楞次定律可判定通过棒cd 的电流方向为由d 到c. (1分)(2)棒ab 与cd 所受的安培力大小相等,对ab 棒受力分析如图所示,由共点力平衡条件知F =mgsin θ+BIL (2分)代入数据解得F =0.2 N .(3)设在时间t 内棒cd 产生Q =0.1 J 的热量,由焦耳定律知Q =I2Rt (2分)设ab 棒匀速运动的速度是v ,其产生的感应电动势E =BLv (2分)由闭合电路欧姆定律知I =E2R (2分)时间t 内棒ab 运动的位移s =vt (2分)力F 所做的功W =Fs (2分)综合上述各式,代入数据解得W =0.4 J . (1分)8、(15分)如图所示,两平行光滑的金属导轨MN、PQ固定在水平面上,相距为L,处于竖直方向的磁场中,整个磁场由若干个宽度皆为d的条形匀强磁场区域1、2、3、4……组成,磁感应强度B1、B2的方向相反,大小相等,即B1=B2=B.导轨左端MP间接一电阻R,质量为m、电阻为r的细导体棒ab垂直放置在导轨上,与导轨接触良好,不计导轨的电阻.现对棒ab施加水平向右的拉力,使其从区域1磁场左边界位置开始以速度v0向右做匀速直线运动并穿越n个磁场区域.(1)求棒ab穿越区域1磁场的过程中电阻R产生的焦耳热Q;(2)求棒ab穿越n个磁场区域的过程中拉力对棒ab所做的功W;(3)规定棒中从a到b的电流方向为正,画出上述过程中通过棒ab的电流I随时间t变化的图象;(4)求棒ab穿越n个磁场区域的过程中通过电阻R的净电荷量q.8、(1)B2L2v0Rd (R +r)2 (2)nB2L2v0d R +r(3)见解析 (4)BLd R +r或0 解析 (3)如图所示9、(16分)如图所示,在水平面上固定一光滑金属导轨HGDEF,EF//GH,DE=EF=DG=GH=EG =L.一质量为m足够长导体棒AC垂直EF方向放置在金属导轨上,导轨与导体棒单位长度的电阻均为r,整个装置处在方向竖直向下、磁感应强度为B的匀强磁场中.现对导体棒AC施加一水平向右的外力,使导体棒从D位置开始以速度v0沿EF方向做匀速直线运动,导体棒在滑动过程中始终保持与导轨良好接触.(1)求导体棒运动到FH位置,即将要离开导轨时,FH两端的电势差.(2)关于导体棒运动过程中回路产生的感应电流,小明和小华两位同学进行了讨论.小明认为导体棒在整个运动过程中是匀速的,所以回路中电流的值是恒定不变的;小华则认为前一过程导体棒有效切割长度在增大,所以电流是增大的,后一过程导体棒有效切割长度不变,电流才是恒定不变的,你认为这两位同学的观点正确吗?请通过推算证明你的观点.(3)求导体棒从D位置运动到EG位置的过程中,导体棒上产生的焦耳热.9、解析 (1)E =BLv0 (2分)UFH =45BLv0 (3分)(2)两个同学的观点都不正确. (2分)取AC 棒在D 到EG 运动过程中的某一位置,MN 间距离设为x ,则DM =NM =DN =x ,E =Bxv0,R =3rx , I =Bv03r ,此过程中电流是恒定的. (2分)AC 棒在EG 至FH 运动过程中,感应电动势恒定不变,而电阻一直在增大,所以电流是减小的. (2分)(3)设任意时刻沿运动方向的位移为s ,则s =32x ,安培力与位移的关系为FA =BIx =B2v0x 3r =23B2v0s 9r(2分) AC 棒在D 到EG 上滑动时产生的电热,数值上等于克服安培力做的功,又因为FA ∝s ,所以Q =0+FA 2×32L =3B2L2v012r(2分) 全过程中,导体棒上产生的焦耳热始终为全部的三分之一,所以,导体棒上产生的焦耳热Q′=13×0+FA 2×33L =3B2L2v036r(1分)10、(重庆市2012(春)高三考前模拟测)(16分)如题23-1图所示,边长为L、质量为m、总电阻为R的正方形导线框静置于光滑水平面上,处于与水平面垂直的匀强磁场中,匀强磁场磁感应强度B随时间t变化规律如题23-2图所示.求:(1)在t=0到t=t0时间内,通过导线框的感应电流大小;(2)在t=2t时刻,a、b边所受磁场作用力大小;(3)在t=0到t=t0时间内,导线框中电流做的功。