合肥京东方医院通风空调工程施工组织设计(已修改)
- 格式:docx
- 大小:8.12 MB
- 文档页数:78
通风空调工程工程施工组织设计方案范本1:1. 项目简介1.1 项目概述1.2 工程范围1.3 施工单位及主要参与人员2. 工程目标2.1 目标描述2.2 施工时间计划2.3 成本控制目标3. 组织架构与人员分工3.1 施工组织架构图3.2 人员分工表3.3 相关岗位职责说明4. 施工流程4.1 工程筹备阶段4.2 施工准备阶段4.3 施工执行阶段4.4 施工验收阶段5. 工程资源管理5.1 人力资源5.2 物资资源5.3 设备资源5.4 资源调配计划6. 安全及质量管理6.1 承建商安全管理计划6.2 现场安全管理措施6.3 质量管理体系6.4 质量控制措施7. 进度管理7.1 施工计划制定7.2 施工进度控制7.3 进度风险评估7.4 变更管理8. 成本控制8.1 成本估算8.2 成本控制计划8.3 成本分析与成本控制9. 文档管理9.1 工程文件管理9.2 现场记录与报告9.3 变更控制文档10. 附件附件1:工程范围图纸附件2:施工计划表附件3:安全管理手册法律名词及注释:1.施工单位:指承担本工程施工的企业或机构。
2.工程范围:指工程项目规模及涵盖的施工范围。
3.施工执行阶段:指工程实际施工过程中的阶段,包括物料采购、施工作业、工程检验等。
4.安全管理计划:指对施工现场进行安全管理的详细计划。
5.成本控制计划:指对工程项目成本进行管理和控制的计划。
范本2:1. 工程概述1.1 项目背景1.2 工程目标1.3 工程2. 施工组织架构2.1 项目经理办公室2.2 项目部门2.3 施工班组3. 工程管理计划3.1 项目管理原则3.2 施工管理流程3.3 项目进度计划4. 人员组织与分工4.1 项目团队人员表4.2 人员岗位职责说明4.3 人员培训与交流计划5. 资源管理5.1 人力资源管理5.2 资材与设备资源管理5.3 施工场地与环境管理6. 安全管理6.1 安全生产责任体系6.2 安全目标与指标6.3 安全管理措施6.4 安全培训与演练计划7. 质量管理7.1 质量目标与原则7.2 质量控制计划7.3 施工质量检查与验收7.4 技术交底与签证管理8. 成本管理8.1 成本预算与控制8.2 工程支付与结算8.3 变更管理与成本影响评估9. 风险管理9.1 风险识别与分类9.2 风险评估与处理9.3 风险监控与控制10. 文档管理10.1 文件编号与流转10.2 文档备份与归档10.3 文件传递与共享附件:附件1:项目组织架构图附件2:项目进度计划附件3:安全管理措施法律名词及注释:1.项目经理办公室:指负责项目管理和协调的办公室。
通风空调设备安装施工组织设计通风空调设备到现场必须进行开箱检查。
根据供货合同和设备装箱单清点数量,根据施工图纸,核对设备的名称、型号、机型、电机、传动连接方式等,还应检查外表是否有明显变形或锈蚀、碰伤等。
检查核对数据应做好记录,填写《设备开箱记录表》,并由建设单位代表、供货商、施工方共同签字,检查资料作为竣工资料备用,应做好保存。
设备开箱检查完毕后,符合要求的设备做好保管或直接搬运至现场安装。
(一)、设备运输方法1 天花板内部空气处理机组具有体积大,质量大的特点。
设备到到达后必须拆成不同的功能段,搬运至天花板再进行组装。
为不影响无尘室内环境及室内设备摆放,将空调箱及风机都从B、C栋空调机房搬运至天花板内进行安装。
(二)、设备的安装安装前准备工作(1)由于空调箱体积、质量大,故在安装时,将承重支固定在柱梁或副梁上。
(2空调箱安装在天花板内,为防止空调箱不慎漏水渗入天花板,污染无尘室室内环境,在空调箱下面做整机拖水盘。
(3)空调冷冻水管从C、D栋过道空调机房接出(4)安装基准线确定后,对设备底座位置进行定位,定出底座垫板的位置。
(5)用水准仪测出底座垫板位的标高,确定安装的标高基准。
2.做好上述准备工作后,按如下次序进行安装:(1)底板位用水平仪最高点调水平,要求纵横方向误差≯1/1000;(2)设备就位;(3)用液压千斤顶将设备顶至一定的高度;(4)安装减振器(减震垫),减振器由设备供应商供应。
(5)将设备放下,置于减振器(垫)上;(6)精调设备安装水平度和垂直度。
用加减薄钢片的方法进行调整,薄钢片每组不超过3 块,设备调平后用点焊固定。
(三)、冷冻水泵、冷却水泵、供暖循环泵的安装本工程选用的水泵为整体出厂,整体安装。
安装前准备工作:(1)按照设计图纸尺寸放出纵向和横向安装基准线;(2)由基础的几何尺寸定出基础中心线;(3)比较安装基准线与基础中心线的偏差,确定最后的安装基准线。
若安装基准线与基础中心线的偏差很少,则按基础中心线作安装基准线安装;若偏差较大,则修改设备基础以达到安装基准线要求。
第一章工程概况一、工程概述一、工程名称:通风空调工程项目二、工程地址:XX3、建设单位:XX公司4、建筑面积:㎡,其中地上建筑面积为:㎡,地下建筑面积为54790平方米5、建筑层数:主体商业建筑地上四层,地下二层。
6、建筑高度:地上30米,地下米。
7、结构类型:框架八、工程类别:公共建筑工程9、建筑利用性质:地上为商场、超市、餐饮、影院及后方办公室,地下为超市、车库,其中地下二层部份区域为战时6级物质库。
10、质量要求:合格工程11、防火品级:一级12、本工程为综合楼,建筑面积大,施工现场路面等设施比较好,但项目外围空旷地少,施工时,合理安排材料、设备等进场打算,听从总包安排。
二、空调系统概述一、空调冷热源及空调水系统、空调冷源1)本工程夏日空调系统总冷负荷为17023kW,冷源来自建在本建筑地下一层的冷冻机房。
2)冷冻机房内设离心式电动水冷冷水机组5台,其中单台制冷量3806KW机组4台(其中1台采纳变频驱动);单台制冷量2110KW 机组1台,集中供给本楼夏日用冷冻水。
冷冻水设计供回水温度6/13度。
3)离心式冷水机组制冷性能系数知足公共建筑节能标准规定数值,制冷性能系数COP不小于。
冷水机组采纳环保冷媒R134a。
经计算,大小冷机综合制冷性能系数SCOP别离为、,均不小于,知足《公共建筑节能设计标准 DB11/687-2020》的要求。
、空调热源冬季总热负荷估算为。
空调热水设计供回水温度为60/45℃。
空调热源来自另行设计的外单建锅炉房、集中热互换站室。
空调冷冻水系统1)空调冷冻水系统采纳一次泵、机组侧定流量、负荷侧变流量、两管制异程式系统。
系统竖向采纳一个压力分区。
2)冷水机组与冷冻水泵、冷却水泵采纳一一对应方式连接。
制冷机房内设5台冷冻水循环泵。
3)制冷机房内设置分、集水器,分集水器之间设连通管,管上设供回水压差操纵阀。
系统负荷转变时,回水压力转变,当供回水压差超过规定范围,便自动启动旁通阀,将部份水旁通掉,保证供回水压差不超过规定值。
空调通风施工组织设计1. 引言本文档旨在详细介绍空调通风施工组织设计的内容和步骤。
空调通风施工是建筑工程中的重要环节,它涉及到建筑内部空气质量、温湿度调节、热负荷平衡等问题。
本文将从施工组织设计的角度,对空调通风系统的施工步骤、施工组织、施工流程、施工人员等方面进行分析和说明。
2. 施工组织设计步骤2.1. 项目可行性分析在进行施工组织设计之前,需要进行项目的可行性分析。
这包括对建筑的结构和空间布局进行评估,确认空调通风系统的适用性和合理性。
2.2. 施工组织架构设计根据项目需求和施工规模,设计合理的施工组织架构。
这包括确定工程项目部门结构、职责分工和人员配置。
2.3. 施工流程设计设计空调通风施工的详细流程,包括施工前的准备工作、施工过程中的各个环节以及施工后的验收和整理工作。
2.4. 施工人员培训为确保施工质量和安全,进行必要的施工人员培训,包括空调通风系统的基本知识、操作规程和安全注意事项等方面的培训。
2.5. 施工设备和材料准备根据施工流程设计的要求,准备相应的施工设备和材料。
这包括空调和通风设备、施工工具、辅助材料等。
2.6. 施工现场布置和安全防护对施工现场进行布置,设置相应的安全警示标志和防护措施,确保施工过程中的安全性。
3. 施工组织流程3.1. 施工前准备在施工之前,需要进行相关的准备工作,包括: - 确定施工计划和工期; - 安排施工人员和分工; - 准备施工设备和材料; - 安排施工现场布置和防护措施。
3.2. 施工过程施工过程中需要按照施工流程设计进行操作,包括: - 空调通风设备的安装和调试; - 风管系统的安装、连接和密封; - 空调系统的管线连接和调试; - 温湿度控制系统的安装和调试等。
3.3. 施工验收和整理施工完成后,进行相应的验收工作,包括: - 检查空调通风系统的安装质量和性能; - 进行系统的调试和运行测试; - 清理施工现场,整理施工记录和文件。
4. 施工组织要求4.1. 施工质量控制严格按照施工标准和规范进行施工,确保施工质量和工程可靠性。
完整版医院医疗大楼通风空调工程施工组织设计方案一、项目背景该项目是一座医院医疗大楼通风空调工程,总建筑面积为XXX平方米。
本项目施工期限为6个月,属于标准的新建医疗大楼通风空调系统施工项目。
二、项目目标1.确保该医疗大楼通风空调系统能够正常运行和提供良好的室内环境;2.完成施工任务的质量和安全要求;3.按时完成工程。
三、项目组织结构3.施工人员:根据实际需求确定具体人员数量和工种。
四、施工方案1.施工准备:a.制定详细的施工计划,包括材料采购、施工工序和进度安排;b.确定施工现场,布置施工装备和设施,并制定相应的安全措施;c.检查和清理施工现场,确保施工区域的平整和干净。
2.材料采购:a.根据施工计划,制定材料采购方案,包括数量、规格、质量和供应商;b.按时采购所需材料,并进行质量验收;c.做好物资管理和保管工作。
3.施工工序:a.安装通风管道系统:按照设计图纸和要求,进行通风管道的安装和连接,包括风管、排烟管等;b.安装空调设备:根据设计要求,进行空调设备的安装和连接,包括空调主机、风机盘管、冷却塔等;c.安装电气系统:进行电气布线和设备安装,包括电缆敷设、开关箱安装等;d.安装控制系统:进行空调控制系统的安装和调试,包括温控器、传感器等;e.进行系统运行测试和调试,确保通风空调系统能够正常运行。
4.安全措施:a.制定施工安全计划,包括施工现场的交通、防火、安全通道等;b.安装必要的安全设施,如警示标志、消防器材等;c.进行安全教育和培训,确保施工人员具备必要的安全意识和操作技能;d.加强施工现场的监督和管理,保证施工过程中的安全。
五、施工进度和质量控制1.制定详细的施工进度计划,包括每个工序的开始和结束时间;2.设置里程碑,进行里程碑式的检查和验收;3.实施严格的质量控制措施,包括施工质量检查、检验和测试;4.严格按照相关标准和规范进行施工,确保工程质量。
六、风险管理1.制定风险管理计划,包括风险识别、评估和控制措施;2.加强施工现场的安全管理,防止工伤事故的发生;3.做好施工材料的质量控制和管理,防止施工质量问题;4.做好现场环境保护工作,防止施工对周围环境的污染。
通风与空调工程施工组织设计通风与空调工程施工组织设计是指在通风与空调工程实施过程中,针对项目的特点和要求,制定合理的施工方案和组织设计,确保施工过程高效、安全、质量可控。
下面是一个通风与空调工程施工组织设计的示例,总字数超过1200字。
一、项目背景及概况二、施工目标和任务1.安装完成中央空调系统、通风系统和排风系统,确保工程质量合格;2.在保证施工安全的前提下,控制施工进度,尽快完成工程;3.合理组织施工班组,确保施工质量和效率;4.与其他工程协调配合,确保施工进度不受影响。
三、施工方案1.组织结构根据工程规模和施工任务,设立通风与空调工程项目部,由项目经理、技术员、安全员和班组长组成。
项目经理负责全面组织、协调和管理工程施工,技术员负责工程技术指导和质量控制,安全员负责施工现场安全管理,班组长负责指导班组施工。
2.施工流程(1)工程前期准备:包括施工图纸审查、材料采购等。
(2)施工准备:根据施工图纸,确定施工仓库、工地办公场所、材料堆放区等场地,并组织对施工班组进行培训。
(3)基础工程施工:包括布置施工现场,进行土方开挖、基础浇筑等工作。
(4)中央空调系统安装:包括管道敷设、设备安装、系统调试等工作。
(5)通风系统安装:包括风管敷设、机组安装、风机安装等工作。
(6)排风系统安装:包括排风管道敷设、排风机安装等工作。
(7)施工收尾和验收:包括收尾工作的整理和清理,施工过程中的质量和安全检查,最后进行工程验收。
四、资源配置1.人力资源:根据施工进度和施工量,合理配置工人,确保施工班组数量和人员素质满足工程需求。
2.物料资源:根据施工图纸和物料清单,进行材料采购和储备,确保施工材料供应充足。
3.设备资源:根据施工进度和施工要求,选择合适的施工设备,如吊机、挖掘机等,确保施工顺利进行。
五、安全管理施工过程中,要严格遵守安全操作规程和相关法规,加强职工安全教育和培训,提高施工人员的安全意识。
同时,设置安全警示标志和安全防护设施,确保施工现场的安全。
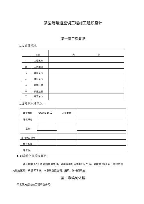
某医院暖通空调工程施工组织设计第一章工程概况1.1总体概况1.2建筑设计概况:1.3暖通空调系统概况本工程为XX)医院新病房大楼,总建筑面积38819.12平米,高度为59.4米,医院性质为综合医院,规模773床,本系统包括空调、通风、防排烟系统第二章编制依据甲乙双方签定的工程承包合同;已批准的本工程施工组织设计;工程设计蓝图、图纸会审纪要及设计变更通知等;现行施工及验收规范:建筑暖通空调工程施工质量验收规范火灾自动报警系统施工及验收规范(GB50166-92参考资料:建筑施工手册(第四版,中国建筑工业出版社)高层建筑施工手册(第二版,中国建筑工业出版社)第三章主要施工组织设计第一节施工顺序和流向一、施工顺序1、管道部分f 法兰制作+风管制作•风管安装亠漏光检测f 风管施工准备——保温厶主管安装+风机盘管吊装f支管安装〜冲洗、试压■防腐、保温2、机房部分基础复查•制冷机就位安装泵、水处理设备及附属设备安装工艺管道安装水压试验防腐保温*调试二、施工流向1、在平面上风管按风向制作安装,水管从立管向四周施工。
2、在竖向按从下到上的原则施工。
三、施工段的划分施工时将每层作为一个单独的施工段。
这样既适应平行流水作业的要求,又使得各施工段的主要劳动量大体相近,便于组织连续作业,进行均衡施工。
第二节分项工程的施工方法一、镀锌铁皮风管制作1、材料要求1.1板材、型钢具有出厂合格证和鉴定文件。
1.2镀锌铁皮表面要光滑平整、厚薄均匀,不得有裂纹、结疤及水印等缺陷。
1.3根据规范要求:风管长边》1200mm,采用1.2mm厚镀锌铁皮;风管长边v 1200mm,采用1.0mm厚镀锌铁皮。
2、作业条件2.1集中在宽敞、洁净、地面平整、不潮湿的车库加工。
2.2风管制作要有技术员书面的技术、质量及安全交底。
3、操作工艺3.1咬口形式:板材的拼接采用单平咬口;矩形风管或配件的四角采用转角咬口或联合角咬口。
3.2风管的连接:3.2.1风管拼接的咬口缝应错开,不得有十字型拼接缝3.2.2风管法兰材料规格不应小于下表所示:金属圆形风管法兰及螺栓规格(mm)风管直径D 法兰材料规格(角钢)螺栓规格3.2.3无法兰连接风管的薄钢板法兰高度应符合金属法兰风管的规定执行。
目录第一章编制说明-----------------------------------------------------------------4 第一节编制说明-----------------------------------------------------------------4 第二节编制依据-----------------------------------------------------------------4 第二章建设项目概况-------------------------------------------------------------6 第三章施工部署-----------------------------------------------------------------7 第一节施工管理目标-------------------------------------------------------------7 第二节现场组织机构-------------------------------------------------------------7 第三节施工总体部署-------------------------------------------------------------9 第四节主要施工方法简介---------------------------------------------------------9 第四章施工准备----------------------------------------------------------------11 第一节施工准备内容------------------------------------------------------------11 第二节技术准备----------------------------------------------------------------11 第三节劳动力配备计划及保障措施------------------------------------------------12 第四节主要物资设备的配备及保障措施--------------------------------------------12 第五节主要施工机械、机具的配备和保障措施--------------------------------------13 第五章施工现场临时设施安排----------------------------------------------------15 第一节现场临时设施------------------------------------------------------------15 第二节临时用水、用电方案------------------------------------------------------15 第六章施工方案----------------------------------------------------------------18 第一节冷媒管(铜管)系统安装及保温-------------------------------------------18 第二节冷凝水管系统安装--------------------------------------------------------23 第三节通风系统制作安装、保温--------------------------------------------------23 第四节设备安装----------------------------------------------------------------27 第五节信号线部分安装----------------------------------------------------------29 第六节通风空调系统试运转调试--------------------------------------------------29 第七章施工总体进度计划及保证措施----------------------------------------------33 第一节施工进度计划------------------------------------------------------------33 第二节工期保证措施------------------------------------------------------------33 第八章质量保证体系及措施------------------------------------------------------36 第一节质量目标及管理原则------------------------------------------------------36 第二节建立质量管理体系和岗位责任制--------------------------------------------36第三节工程质量管理控制措施----------------------------------------------------38 第四节各专业的质量控制--------------------------------------------------------43 第九章施工总体协调和管理------------------------------------------------------44 第十章安全施工措施------------------------------------------------------------47 第一节安全目标----------------------------------------------------------------47 第二节安全工作重点------------------------------------------------------------47 第三节安全管理体系及管理措施--------------------------------------------------47 第十一章文明施工、环保措施----------------------------------------------------53 第十二章竣工收尾阶段的配合和管理措施------------------------------------------55 第十三章紧急情况处理措施及应急预案--------------------------------------------56 第一节紧急情况----------------------------------------------------------------56 第二节应急预案及应急措施-----------------------------------------------------56 第十四章成品保护措施----------------------------------------------------------60 第十五章工程竣后服务----------------------------------------------------------62 第一节工程保修承诺------------------------------------------------------------62 第二节竣后维保服务的主要内容及要求--------------------------------------------62 第三节提供培训----------------------------------------------------------------62 附表:------------------------------------------------------------------------64 附表一项目经理部组织机构图----------------------------------------------------64 附表二投入的主要测量、检测仪器设备表------------------------------------------65 附表三系统调试、检测计划------------------------------------------------------66 附表四培训计划----------------------------------------------------------------67 附表五劳动力配备计划----------------------------------------------------------68 附表六工作流程----------------------------------------------------------------69 附表七主要材料设备送审、订货、进场计划表--------------------------------------70 附表八投入的主要施工机械设备、工具表------------------------------------------71 附表十质量保证体系机构--------------------------------------------------------73 附表十一定型测试及进货检验和试验工作流程--------------------------------------74 附表十二关键工序验收流程------------------------------------------------------75 附表十三过程检验和试验工作流程图----------------------------------------------76 附表四冷凝水管道安装专业质量控制环节控制点一览表------------------------------77 附表十五通风系统管道安装专业质量控制环节控制点一览表--------------------------78附表十六VRV空调系统安装专业质量控制环节控制点一览表--------------------------79 附表十七项目部安全管理组织机构框架图------------------------------------------80 附表十八公司安全管理组织体系框图----------------------------------------------81 附表九施工进度计划横道图------------------------------------------------------82第一章编制说明第一节编制说明本施工组织设计作为施工的指导性文件,在编制过程中我们对项目管理机构设置、劳动力安排、施工进度计划控制、机械设备配备、主要分部分项工程的施工方法、工程质量控制措施、安全保证措施、文明施工及环境保护措施等诸多因素进行了考虑,以突出施工组织设计的科学性、可行性。
某医院安装工程施工组织设计(含通风空调给排水及铜管安装)有关技术措施一、质量保证措施项目专业技术人员要认真学习、充分熟悉施工图纸,掌握有关的规范标准,图集,做到心中有数,做好图纸会审和技术交底工作,加强与建设单位和设计院联系在本工程更为重要,因为本工程出图后,建设单位又对设计加层等修改。
学习了解与安装相关的土建图纸,了解明确土建进度计划,以利主动力土建搞好配合,最大限度避免开槽打洞。
推行全面抓管理,实施ISO9001国际质量标准,在生产实际中,严格执行公司质量程度文件。
建立以项目经理为首的质量保证体系,设置专职质量检查员,每月召开一次质量分析会,做到提出问题、分析问题、解决问题。
严格遵照《建设安装工程质量检验评定标准》进行自检、互检、专检工作,严把质量关,做好质量检验评定工作。
严格按施工工序施工,每首工序完成后,经质检员、施工员、操作人员共同检查,确认合格后,方可进入下一道工序。
严把材料、设备进货关,所有进入施工现场的材料、设备必须符合设计要求,并有质量合格证或检验报告,通过监理单位的检验认可。
做好各专业施工的施工日记、施工记录、隐蔽工程记录等填写各种施工表格。
做好对施工班组的技术交底工作,进行施工技能培训,特殊工种操作人员必须持证上岗。
二、降低成本措施严格按照规范施工,杜绝返工损失。
认真编制好预算书,以便做到工程造价、工程成本心中有数,并要编制单项预算书(如线管安装、排水管安装等),以便施工控制和中间核算。
临设按施工组织设计中要求加工、组装,使用中注意防腐,保证多次重复使用。
施工用电的配电箱体用本项目已完工的工程剩余短节,选择合适的,并利用预埋间歇自行加工。
加强材料节约管理。
A.做好防火、防盗工作。
B.实行限额发料。
C.合理用料。
严格按施工图、规范中标明的材料规格施工,不大材小用。
不长材短用,合理排料。
穿墙、穿板的套管、卫生洁具需用的短管,尽量用管道安装剩余的短管。
材料设计准确,材料进场适时、适量:节约用水、用电;加强设备、工具保养;加强管理费用的控制;加强人工费用的控制。
空调通风分包工程施工组织设计1. 项目背景本施工组织设计旨在确保空调通风分包工程的顺利进行,并保证施工过程中安全、高质量和高效率的完成。
2. 工程概述2.1 工程目标本工程的目标是按照设计要求,完成空调通风系统的安装和调试,并保证系统正常运行。
2.2 工程范围本工程的范围涉及空调通风系统的安装和调试。
具体工作包括但不限于:- 安装空调主机、送风管道和排风口- 连接电源和控制系统- 进行系统调试和功能测试3. 施工组织设计3.1 组织架构本工程的施工组织架构如下:- 项目经理:负责整体施工组织与协调- 技术人员:负责系统安装和调试工作- 施工人员:负责具体施工和安装工作3.2 施工流程本工程的施工流程具体如下:1. 准备工作:包括场地清理、材料准备等2. 安装空调主机:按照设计要求将空调主机安装到指定位置3. 安装管道和排风口:连接送风管道和排风口,确保布局合理4. 连接电源和控制系统:接通电源并连接控制系统,进行必要的调试5. 系统调试和功能测试:对安装好的系统进行调试和功能测试,确保系统正常运行3.3 安全措施在施工过程中,要严格遵守相关的安全规定和操作规程,采取必要的安全措施,如:- 工人佩戴安全帽、防护服等个人防护装备- 施工现场设置安全警示标志- 重大施工工序进行安全技术交底和专项安全措施4. 资源需求4.1 人力资源根据工程规模,大约需要以下人力资源:- 项目经理:1人- 技术人员:2人- 施工人员:若干人4.2 材料设备根据工程需要,大约需要以下材料设备:- 空调主机、送风管道和排风口- 相关电气设备和控制系统- 工具和安装辅助材料5. 进度安排根据工程的具体情况和资源可用性,制定合理的施工进度安排,确保工程能够按时完成。
6. 质量控制施工过程中要严格按照设计要求和相关标准进行操作,确保施工质量达到预期水平。
并对施工过程进行监督和检查,及时发现和解决质量问题。
7. 风险管理针对可能出现的施工风险,制定相应的风险管理措施,并在施工过程中严格执行,确保施工安全和质量。
医院病房楼通风与空调工程施工方案为了确保医院病房楼内的空气质量和环境舒适度,进行通风与空调工程施工是必不可少的。
本文将针对医院病房楼通风与空调工程施工方案进行详细介绍,并提供合理可行的解决方案。
一、施工前准备为了确保顺利进行通风与空调工程施工,需要进行以下准备工作:1.评估:对医院病房楼的结构、空间以及目标需求进行评估,确定合适的通风与空调系统。
2.方案设计:根据评估结果,制定出符合医院病房楼需求的通风与空调工程施工方案。
3.预算:制定详细的预算,确保施工过程中的费用控制。
4.材料采购:根据方案设计和预算,采购所需的通风与空调设备和材料。
5.人员配置:确定专业的施工团队,包括工程师和技术人员,并确保他们具备相关经验和技能。
二、通风工程施工方案为了保证医院病房楼内的空气流通和新鲜度,通风工程是必不可少的。
下面是通风工程施工方案的核心要点:1.安装新风系统:在病房楼内安装新风系统,能够引入新鲜空气,并将室内污浊空气排出。
根据病房楼的不同空间需求,确定合适的新风系统规模和位置。
2.设置通风设备:在病房楼内的合适位置设置通风设备,如风机或空调末端设备。
通过这些设备提供适量的新风,并保持空气流通。
3.排风系统设计:对病房楼内需要排风的区域进行设计,确保有足够的排风量,并将污浊空气排出。
采用合适的风道和风机,确保排风系统的有效运行。
三、空调工程施工方案为了确保医院病房楼内的舒适度,空调工程是不可或缺的。
以下是空调工程施工方案的要点:1.冷热源系统设计:根据病房楼的规模和需求,确定合适的冷热源系统,如使用制冷机组和热水锅炉。
确保冷热源系统的容量足够满足病房楼的需求。
2.末端设备安装:在病房楼内适当的位置安装空调末端设备,如风机盘管或者风口。
确保设备的数量和位置能够提供病房楼内的适宜温度和空气流通。
3.管道设计和安装:进行合理的管道设计,确保冷热水和空气能够顺利传输到各个病房和其他区域。
根据病房楼的布局和需求,合理布置管道,并确保安装过程中不会影响到病房楼内的正常运营。
******通风与空调工程施工组织设计编制单位:编制人:审核人:编制日期:目录一、工程概况 -------------------------------------------2(一工程地址及建筑规模 ------------------------------2(二空调安装工程概况 --------------------------------2(三工程特点及工期 ----------------------------------3 二、施工指导思想及施工组织-----------------------------3(一施工指导思想 -------------------------------------3(二施工组织 -----------------------------------------4 三、主要施工方法 ---------------------------------------5(一施工及验收依据 -----------------------------------5(二管道安装 -----------------------------------------6(三风管及部件安装 ----------------------------------19(四设备安装 ----------------------------------------23(五设备电气安装 ------------------------------------29四、施工进度控制计划及劳动力计划 ----------------------32五、主要资源供应计划 ----------------------------------33六、施工现场平面布置 ----------------------------------35七、工程质量保证措施 ----------------------------------35八、施工安全保证措施 ----------------------------------40九、现场文明施工措施 ----------------------------------41一、工程概况(一工程地址及建筑规模:本工程位于 ****,建筑面积 ****m2,设计冷负荷为 ****USRT。
医院民用安装施工组织设计方案含通风空调给排水及铜管安装等一、工程概述本次工程是一座医院民用建筑物的安装施工设计方案,包括通风、空调、给排水和铜管安装等工作,总建筑面积为10,000平方米。
本方案旨在确保医院民用建筑物的舒适性、安全性和实用性。
二、施工准备1. 材料准备:根据施工方案,需准备空调、通风、给排水和铜管安装所需的各种材料。
材料应满足质量标准,厂商也应有相应的服务承诺。
2. 人力准备:根据项目需求,合理安排人员,确保人力资源合理配置,包括资质证书齐备、技术熟练、安全意识强等。
3. 设备准备:根据施工方案,准备相应施工机具和设备,使工作得以正常进行。
机具和设备应检查和维护,以确保安全性和使用效果。
三、通风和空调系统安装1. 通风系统安装:根据相关规范和技术要求,设计通风系统的布局,然后安装风道、风口、轴流风机、空气处理机、空气净化器等。
通风系统应具备自动调节功能。
2. 空调系统安装:根据相关规范和技术要求,设计空调系统的布局,然后安装制冷设备、送风管道、末端送风器、回风排气管道、冷水机组等。
空调系统应具备自动调节功能。
四、给排水系统安装1. 给水系统安装:根据相关规范和技术要求,设计给水系统的布局,然后安装水泵、水箱、管道等。
给水系统应满足医院用水标准。
2. 排水系统安装:根据相关规范和技术要求,设计排水系统的布局,然后安装排水管道、隔油池、排污泵、检查井等。
排水系统应具备防渗漏措施。
五、铜管安装1. 配电系统安装:根据相关规范和技术要求,安装铜导线、电力接线盒、断路器、保险丝等。
特别是,要确保防雷和接地系统的安全。
2. 环保、安全系统安装:安装铜管、气感报警器、消防喷淋设备、消防栓、灭火器等,确保医院民用建筑物的环保和安全性。
六、施工安全1. 施工前,要确保工作场所整洁、齐全,并且制定施工方案和安全方案,让施工人员更好地实施施工。
2. 施工过程中,要确保工作场所安全,禁止吸烟和放火等行为,保持工地环境卫生干净。
【最新资料,WORD文档,可编辑修改】XXX医院新病房大楼暖通空调工程施工组织设计编制说明1.本施工组织设计根据XXXXX工程设计院设计的《XXX医院新病房大楼》暖通空调施工图纸所编制。
2.本施工组织设计,编制过程中严格执行国家现行建筑安装工程施工组织验收规范,建筑安装工程施工工艺标准,国家评定标准。
并积极采用了先进的施工技术和施工工艺。
3.本施工组织设计,根据已批准的本工程施工组织总设计编制。
4.本工程施工组织设计是充分研究工程的客观情况,施工特点、重点、难点编制而成。
目录第一章工程概况 (3)第二章编制依据 (4)第三章主要施工组织设计 (5)第一节施工顺序和流向 (5)第二节分项工程的施工方法 (5)一、镀锌铁皮风管制作 (5)二、镀锌铁皮风管安装 (8)三、通风机安装 (11)四、空调器及风机盘管安装 (13)五、空调水系统管道安装 (14)六、空调水系统设备安装 (18)七、风管、风道及部件保温 (19)八、管道防腐与保温 (21)九、空调制冷系统安装 (22)第四章质量保证措施 (24)第一节本专业的质量控制措施 (24)第二节成品保护措施 (30)第五章安全保证措施 (32)第一章工程概况总体概况建筑设计概况:暖通空调系统概况本工程为XXX医院新病房大楼,总建筑面积平米,高度为米,医院性质为综合医院,规模773床,本系统包括空调、通风、防排烟系统。
第二章编制依据甲乙双方签定的工程承包合同;已批准的本工程施工组织设计;工程设计蓝图、图纸会审纪要及设计变更通知等;现行施工及验收规范:建筑暖通空调工程施工质量验收规范火灾自动报警系统施工及验收规范(GB50166-92)参考资料:建筑施工手册(第四版,中国建筑工业出版社)高层建筑施工手册(第二版,中国建筑工业出版社)第三章主要施工组织设计第一节施工顺序和流向一、施工顺序1、管道部分法兰制作风管制作风管安装漏光检测风管保温主管安装风机盘管吊装支管安装冲洗、试压防腐、保温2、机房部分基础复查制冷机就位安装泵、水处理设备及附属设备安装工艺管道安装水压试验防腐保温调试二、施工流向1、在平面上风管按风向制作安装,水管从立管向四周施工。
【最新整理,下载后即可编辑】第一章工程概述第一节工程简介1.工程名称:医院设备影像大楼2.工程地点:人民医院3.建设单位:人民医院4.设计单位:建筑设计院5.建筑规模、层数及结构形式:本大楼是集核磁共振诊断室、CT机房、门诊、洁净手术室、病房等为一体的一类公共建筑,建筑面积55035平方米,地下一层,地上十九层,框架结构。
6.施工内容:按设计图纸施工空调系统通风、防排烟系统全部内容,只作夏季空调,冬季不作空调(特殊要求房间除外)。
具体要求如下:6-1.空调及通风部分:6-1-1.空调风系统:A、大楼一层至四层全部采用吊式空调器加新风系统,每层设置新风机组,同时各层均设排风系统。
B、五层至十九层病房、办公室、医学专用房和洁净手术室等全部采用分体式空调机组。
6-1-2.空调水系统:根据功能不同设置三个制冷系统,系统一为一至四层服务,采用水冷冷水机组集中式制冷;系统二为病房服务,采用分体式空调机组;系统三为各种有特殊要求的房间如:核磁共振诊断室、CT机房、洁净手术室等单独设置风冷热泵式空调机组。
6-2.通风防排烟部分:风机为低噪音柜式离心排风、排烟风机。
第二节方案编制依据及说明一、方案编制依据1、《采暖与空调设计范》GBJ19-87;2、《制冷设备、空气分离设备安装工程施工及验收规范》GB50274-98;3、《机械设备安装工程施工及验收通用规范》GB50231-98;4、《通风与空调工程施及验收规范》GB50243-2002;5、《工业设备及管道绝热工程施工及验收规范》GBJ126-89;6、《工业设备及管道绝热工程质量检验评定标准》GB50185-93;7、《压缩机、风机泵安装工程施工及验收规范》GB50275-98;8、电气标准规范汇编:施工现场临时用电安全技术规范JGJ46-88;9、国家标准《电气标准规范汇编》;10、《电气装置安装工程电缆线路及施工验收规范》GB50168—92;11、《电气装置安装工程接地装置施工及验收规范》GB50169—90;12、《电气装置安装工程盘柜及二次回路接线施工及验收规范》GB50171—92;13、本工程施工设计图纸及相关图集。
通风空调工程施工组织设计一、工程概况本项目为XXXX大厦通风空调工程,位于XX市中心区域,总建筑面积约为XXX平方米。
工程主要包括通风空调系统的设计、安装、调试及验收等工作。
通风空调系统包括冷冻站、锅炉房、通风机房、空调机房等设施,以及相关的风管、水管、电路等管道线路。
二、施工组织设计1. 施工目标确保通风空调工程按期完成,达到设计要求和质量标准,安全无事故,文明施工。
2. 施工原则(1)以人为本,确保施工人员的安全与健康。
(2)严格按施工图纸和施工方案施工,确保工程质量。
(3)科学组织,合理安排,确保施工进度。
(4)强化施工现场管理,创建文明施工环境。
3. 施工组织结构项目经理:负责整个通风空调工程的施工管理,对工程的进度、质量、安全等方面进行全面领导。
技术负责人:负责通风空调工程的技术指导,对施工方案的制定和实施进行技术监督。
施工队伍:包括风管工、水管工、电工、焊工等,负责具体的施工任务。
4. 施工流程(1)施工准备:包括人员、材料、设备、工具等的准备,以及施工现场的清理和布置。
(2)风管安装:按照设计图纸进行风管的预制和安装,包括风管的切割、焊接、保温等工序。
(3)水管安装:按照设计图纸进行水管的预制和安装,包括水管的切割、焊接、保温等工序。
(4)设备安装:包括冷冻站、锅炉房、通风机房、空调机房等设备的安装,以及相关的控制系统的连接和调试。
(5)系统调试:对通风空调系统进行调试,包括风量、温度、湿度、噪声等指标的检测和调整。
(6)验收:通风空调工程完成后,组织相关单位进行验收,确保工程质量达到设计要求和标准。
5. 施工措施(1)安全生产:加强施工现场的安全管理,制定安全操作规程,定期进行安全教育和安全检查。
(2)质量控制:严格按施工图纸和施工方案施工,加强质量检查,确保工程质量。
(3)进度管理:合理安排施工计划,确保施工进度与整体工程进度相协调。
(4)文明施工:加强施工现场的环境管理,保持施工现场的整洁和有序。
目录1.编制依据 (3)1.1施工组织设计 (3)1.2施工图 (3)1.3主要规范、规程 (3)1.4主要图集 (4)2.工程概况 (4)2.1工程概况 (4)2.2混凝土设计概况 (4)3.施工准备 (7)3.1现场准备 (7)3.2原材料准备 (9)3.3机械准备 (11)3.4技术准备 (12)3.5劳动力准备 (13)4.施工部署 (13)4.1施工安排 (13)4.2工期要求 (15)4.3施工区域安排 (16)5.施工方法 (19)5.1地下部分混凝土泵架设 (19)5.2地上部分混凝土泵架设 (20)5.3布料管的架设 (22)5.4地泵防护棚的搭设 (23)5.5地泵及布料杆的使用 (23)5.6混凝土的泵送工艺 (24)5.7混凝土的浇筑 (25)5.8施工缝的留设及处理措施 (30)5.9混凝土标高控制及清理 (31)5.10混凝土养护 (32)5.11混凝土试块留置 (32)6.质量要求 (33)7.各项保证措施 (35)7.1质量保证措施 (35)7.2安全保证措施 (35)7.3技术保证措施 (36)7.4环境和职业健康安全措施 (36)7.5成品保护措施 (37)7.6质量通病及防治措施 (38)8.季节性施工 (42)8.1雨季施工 (42)8.2冬季施工 (43)8.3高温施工 (44)9.应急预案 (44)9.1 混凝土供应中断 (44)9.2 施工过程中停电 (44)9.3 混凝土浇筑设备故障 (45)9.4 漏浆、爆模处理 (46)1.编制依据1.1施工组织设计施工组织设计名称审定日期合肥京东方医院项目施工组织设计2017.03 1.2施工图图纸名称出图日期合肥京东方医院项目非人防建筑图2017.01合肥京东方医院项目非人防结构图2017.03合肥京东方医院项目人防建筑图2017.03合肥京东方医院项目人防结构图2017.03 1.3主要规范、规程类别名称编号国家《混凝土结构工程施工规范》GB50666-2011 《混凝土结构工程施工质量验收规范》GB50204-2015 《建筑地基基础工程施工规范》GB51004-2015 《建筑地基基础工程施工质量验收规范》GB50202-2002 《混凝土外加剂应用技术规范》GB50119-2013 《地下防水工程质量验收规范》GB50208-2011 《混凝土质量控制标准》GB50164-2011 《建筑工程施工质量验收统一标准》GB50300-2013 《混凝土强度检验评定标准》GB50107-2010 《建筑结构可靠度设计统一标准》GB50068-2001《工程结构可靠度设计统一标准》GB50153-2008行业《人民防空工程质量评定标准》RFJ01-2015 《混凝土泵送施工技术规程》JGJ/T10-2011 《高层建筑混凝土结构技术规程》JGJ3-20101.4主要图集类别名称编号国家《建筑结构施工图平面整体表示方法制图规则和构造图》(现浇混凝土框架、剪力墙、梁、板)16G101-1 《混凝土结构平面整体表示方法制图规则和构造详图》(现浇混凝土板式楼梯)16G101-2《混凝土结构施工图平面整体表示方法制图规则和构造详图》(独立基础、条形基础、筏形基础、桩基础)16G101-3 《建筑物抗震构造详图》11G329-1~32.工程概况2.1工程概况本工程为合肥京东医院项目,建筑物主要功能为医疗,涵盖骨科、心血管科、包括门诊、医技、住院病房,地下部分包含地下车库、设备用房、后勤服务等功能。
目录1.编制依据 (1)1.1施工图纸 (1)1.2主要规范、标准 (1)1.3应用的主要图集 (2)1.4应用的主要法规、文件 (3)1.5其它 (3)1. 工程概况 (4)2.1工程基本情况和各参建方基本情况 (4)2.2工程建设地点特征 (5)2.3各专业设计简介 (5)2.3.3通风与空调工程设计概况 (5)2.4现场条件 (6)2.4.1工程场地内部状况 (6)2.4.2工程周边交通状况 (6)2.5工程特点、施工重点、难点分析及解决措施 (6)2.5.1工程意义重大 (6)2.5.2工程工期紧、任务重 (7)2.5.3医院房间内设备较多,管线排布复杂 (7)2.5.4医院设备订货周期对工程影响大 (7)2.5.5设备管道噪音控制 (7)2.5.6图纸二次深化设计 (8)2.5.7避免交叉污染现象的出现 (8)2.5.8手术室等部分房间需要超净化、无菌环境 (8)2.5.9医院工程中大量采用新材料、新技术 (9)2.5.10各科室、仪器房内的布置以方便医护人员使用为前提 (9)2.5.11压力容器的专项施工 (9)2.5.12机房设备后期的检修与维护 (9)3. 施工部署 (10)3.1项目管理目标 (10)3.1.1工期管理目标 (10)3.1.2质量管理目标 (10)3.1.3安全文明施工管理目标 (10)3.1.4降低成本目标 (11)3.1.5技术管理目标 (11)3.1.6环境管理目标 (11)3.2施工部署原则 (11)3.2.1满足合同文件要求的原则 (11)3.2.2 符合逻辑关系的原则 (11)3.2.3.符合季节性施工的原则 (12)3.2.4科技先导的原则 (12)3.2.5经济效益性原则 (12)3.2.6社会效益性原则 (12)3.3.1组织机构图 (12)3.4总体施工顺序施工区域划分 (13)3.4.1总体施工顺序 (13)3.4.2施工区域划分 (14)3.5主要材料及设备 (14)3.6主要劳动力计划及劳动力曲线 (15)3.7协调与配合 (15)3.8施工流程图 (17)4.施工进度计划 (19)5.施工准备 (19)5.1技术准备 (19)5.2施工机械准备 (19)5.3主要检验、试验设备准备 (20)5.4施工现场准备 (21)6.主要施工方法 (21)6.1通风与空调工程施工方案 (21)6.1.1系统材质及连接方式 (21)6.1.2空调水管安装 (22)6.1.4风管制作 (31)6.1.5风管支架安装 (35)6.1.6风管安装 (36)6.1.7风管的严密性试验 (40)6.1.8保温与标识 (41)6.1.9通风与空调设备安装 (43)7.绿色文明施工措施 (52)7.1绿色文明施工管理措施 (52)7.2现场绿色文明施工领导小组 (53)7.3文明施工措施 (53)7.4防止扬尘及固体废弃物污染措施 (53)7.5防止有毒有害废弃物污染措施 (54)7.6防止火灾措施 (54)7.7文明施工措施 (54)8. 主要管理措施 (55)8.1专业管理措施 (55)8.2保证工期措施 (55)8.2.1组织保证 (55)8.2.2管理保证 (55)8.2.3资源保证 (56)8.2.4技术保证 (57)8.3质量目标及保障措施 (57)8.3.1质量目标确定 (57)8.3.2 质量保证措施 (58)8.4技术管理措施 (61)9. 施工环保措施 (62)9.1环境保护管理 (62)9.2文明施工现场场容管理 (62)9.3环境保护措施 (63)9.3.1措施纲要 (63)9.3.2减少对场地土壤环境影响 (63)9.3.3防止对大气污染 (64)9.3.4防止施工噪音污染措施 (64)9.3.5防止水污染 (65)9.3.6防止光污染 (65)9.3.7电磁辐射防治 (65)9.3.8防止扰民和民扰的措施及对周边建筑的保护措施 (66)9.3.9节水措施 (67)9.3.10节电措施 (67)10. 施工安全措施计划 (67)10.1施工安全、环境、职业健康(EHS)管理制度 (67)10.2生产安全管理制度 (67)10.3安全管理保障措施 (70)10.4临时用电系统的安全措施 (71)10.5消防安全防范措施 (71)10.6现场安全教育培训管理措施 (74)10.6.1管理人员安全教育及考核 (74)10.6.2劳务人员安全教育及考核 (74)11. 附图 (75)1.编制依据1.1施工图纸1.2主要规范、标准国家标准行业标准1.3应用的主要图集1.4应用的主要法规、文件1.5其它2.工程概况2.1工程基本情况和各参建方基本情况2.2工程建设地点特征2.3各专业设计简介2.3.3通风与空调工程设计概况1. 防排烟系统A 自然排烟采用自然排烟的开窗面积应符合下列规定:1 )需要排烟的房间可开启外窗面积不小于房间面积的2%B 机械防烟设计1 )防烟楼梯间、消防电梯间前室或合用前室设置机械加压送风系统,防烟楼梯间地上、地下分别设加压送风系统。
2 )楼梯间加压送风口为自垂百叶风口,前室或合用前室采用常闭正压送风口。
C 机械排烟设计1 )在无直接自然排烟,且长度超过20m 的内走道或虽有直接自然排烟,但长度超过60m 的内走道设置机械排烟系统。
2 )在面积超过 100m2 ,且经常有人停留的地上房间或建筑面积大于300m2且可燃物较多的地上房间设置机械排烟系统3 )地下或半地下建筑(室)、地上建筑内的无窗房间,当总建筑面积超过200m2,或一个房间面积50m2,且经常有人停留或可燃物较多时设置排烟系统。
4)在设置机械排烟的地下室,设置补风系统。
2. 通风系统地下变配电室、制冷机房、热交换站、热水机房、给水泵房、真空吸引及压缩空气站房分别设机械送、排风系统,送风量为排风量的80 %,其余补风量由自然渗透风量补充。
送风和排风分别通过通风竖井引入和排除;汇流排间设机械排风;药房设机械排风系统,排风量与空调新风量协调匹配。
3 空调冷热源设计A.本项目空调冷源采用人工冷源,即采用水冷冷水机组加水蓄冷方式,制冷站位于东住院塔楼地下二层的制冷机房。
本制冷站房供应包括东住院塔楼、西住院楼、东门诊楼、西门诊楼以及医技楼等建筑的舒适性空调系统和净化空调系统。
B.本项目冬季空调热源由院锅炉房提供一次水,经换热机组换热后供应舒适性空调及净化空调热水,换热后供回水温度为60/50℃。
锅炉房设置在东住院塔楼地下一层,安装4台5t/h的冷凝燃气热水锅炉,2台用于冬季供暖,冬季空调供热量不够部分由2台用于热水供应的锅炉进行补充。
2台4t/h蒸汽锅炉(一用一备),用于医用蒸汽供应、洁净空调加湿及洗衣房用蒸汽。
2.4现场条件2.4.1工程场地内部状况目前本工程现场地下二层主体结构已经完成,地下一层也即将完成,施工现场有环形硬化路,现场有临水接驳点、临电箱(柜)、监控系统、门卫保安。
2.4.2工程周边交通状况本工程场地南侧为已经建成的东方大道,东西北三侧均为待建市政道路,现处于未施工状态,北侧与少荃湖有一条渣土路之隔。
2.5工程特点、施工重点、难点分析及解决措施2.5.1工程意义重大合肥市政府重点工程、京东方集团旗下第一个医疗板块项目,政府及建设单位高度重视,工程建设具有重要意义,影响范围广。
针对本工程的特殊性、关注度高,施工过程中可能接待众多单位和部门的参观、检查等,我司将设置专门的部门负责协调此项工作,对于各项工作制订专门的工作流程和接待标准,定期邀请周边有关单位和个人召开沟通会,及时通报工程进展情况,征求他们的意见,得到他们的理解和配合,为工程顺利进行创造和谐环境。
2.5.2工程工期紧、任务重本工程计划开工日期2017年6月10日,计划竣工日期2018年7月31 日,总工期为417日历天,包含地下室一层、二层,地上东、西门诊楼6层,东医技楼4层,西医技楼3层,东住院楼17层,西住院楼14层,专业多、设备多、工程量大、工序交叉多,而施工工期非常紧张,任务很重。
施工时须投入大量人员、材料及机具,并科学、合理地安排施工工序及施工流水作业段。
2.5.3医院房间内设备较多,管线排布复杂医院房间内设备较多,各专业交叉较多,电气桥架、给水管道、医疗气体管道、空调水管道、送回风管道、等电位连接等,必须进行合理排布规划用最合理的布置达到最好的使用功能。
针对措施1.洁净空调(手术室):材料的选择严格;加工环境、加工工艺的要求高;对系统的气压、温度、湿度进行严格控制。
同时利用BIM技术进行管线碰撞分析,合理布置。
2.空调系统调试应注意:测量AHU的电机和风机皮带轮、轴尺寸及两轴之间的距离、皮带松紧度;系统支路少,可以直接测各支管的风量,系统支路较多,可以测末端风口风量,算出支路风量,最后在与设备连接的主管道上测量机组的送风量。
2.5.4医院设备订货周期对工程影响大本工程为大型综合医院工程,进入后期设备安装阶段,除常规设备、管道较多外,医院的专属、专业设备较多,在进行常规水电安装施工的同时,如何确保专业设备能够同步到货、安装以及成品的保护,对整个工程的工期节点将会是至关重要的。
据上所述我司将采取如下针对措施:1.根据我司在其他类似工程总承包施工中积累的经验知悉,医疗专业设备、物资采购周期情况基本如下:国内采购医疗设备需要1~2个月;国外进口医疗设备需要3~4个月。
鉴于此,我司将结合业主认可的施工进度计划,提前5~6个月时间积极主动的向业主提出医院专属设备进场时间计划,配合业主提前进行医疗设备的预定,为后期设备安装工作提供充裕的时间。
2.医疗设备进场后密切配合业主进行设备交接和检验工作,同时做好设备的转移、就位工作以及成品保护。
2.5.5设备管道噪音控制1.设备选用高效低噪产品,设备安装采用减震措施,设备与管道的连接采用软连接,机房通风管道设高效消声器。
2.工艺管道:选材严格;连接方式采用焊接;气压试验严格检查;系统调试达到设计要求。
3.系统维修、保养:检修口布置合理;水阀、风阀的位置尽量设置在公共区域(检修方便、减少对医患的干扰)。
2.5.6图纸二次深化设计通常对于大型医院建设项目来说,施工周期较长,可变因素多,而医学技术手段的发展也是日新月异,如果不在施工过程中及时掌握医学发展动态,与使用单位或科室频繁沟通与反馈,适时地深化并调整当初的专业设计,我们很可能面临项目完工但局部须重新整改的尴尬局面,因此我司将采取如下措施:1.结合我司以往工作经验,我们特别重视对部分专业性较强的科室,在装饰前期将组织相关科室进行二次深化设计,保证一次施工成功,节约过程成本,避免浪费。
针对检验大厅空间封闭、设备发热量大的特点,除安装大楼中央空调系统外,增加了多联机恒温恒湿商用空调,以满足过渡季节使用,同时配置了UPS不间断电源来保证该区域检验设备的用电稳定性。