海银财富:从三个“30%”看中国签署RCEP的重要性
- 格式:pdf
- 大小:666.76 KB
- 文档页数:6
ODW30-999G“迷你”是东部大宇电子发明的世界首款壁挂式滚筒洗衣机。
本品出厂前曾进行过性能测试,故产品内部可能残余有少量的水。
妥善保管此产品说明书,以备日后使用。
低噪音m i n i (迷你)特有的低噪音电机能有效降低洗涤时的噪音,四处防震垫设计确保无噪音洗涤。
盛放洗涤剂的容器和盛放柔顺剂的容器分开,有效防止两者混合。
汤匙形设计能够帮助你调节洗涤剂的用量。
盛放洗涤剂的匙形容器透明门的设计帮助您随时了解洗涤情况。
透明门按键锁和滚筒门锁能有效防止儿童在洗涤过程中接触按钮和打开滚筒门。
“儿童保护”功能m i n i (迷你)设有标准,轻柔,童装者洗,晚间模式,脱水等多种洗涤程序,方便您清洗各种衣物。
洗涤程序滚筒上的星状凹凸物能有效保护衣料,防止其损坏。
星状滚筒筒清洗快洗强力清洗15分钟洗涤程序否则可能会引起火灾或导致触电。
变形或打结。
请勿在电源线上放置或嵌入重物。
否则可能会损坏电源线,增加火灾和触电的风险。
否则可能会导致触电。
否则可能会导致触电、短路或火灾。
请与售后服务中心取得联系。
断电源并与服务中心联系。
否则可能会导致触电、短路或火灾。
修理或重新组装洗衣机。
否则可能会引起火灾、导致触电或造成人身伤害。
请与售后服务中心联系或通过阅读用户手册背面信息要求维修服务。
售后服务中心好了!不要!由于发热的缘故,一个接口连接多个用电器可能导致火灾。
售后服务中心桶内。
否则可能会造成人身伤害、 烧伤或电击。
否则可能会造成人身伤害。
否则可能会破坏机门或机锁,造成技术性的故障问题。
住,勿让儿童靠近洗衣机。
人身伤害。
线。
否则可能会导致触电、短路或火灾。
拔下电源线时,请用力握紧插头。
机门锁定不要!不要!连接不当会导致漏水。
洗涤剂或柔顺剂容器的分离会使机器运转过程中漏水。
请关紧洗涤剂和柔顺剂容器。
泄漏可能会造成人身伤害。
否则可能会导致异常的震动或噪音。
否则可能会损害洗衣机或造成人身伤害。
防止儿童抓扶洗衣机。
以免受伤。
W系列美标H型钢全系列规格尺寸表一、W系列美标H型钢介绍:美标H型钢执行标准:ASTM标准,美标H型钢有三个主要的质量等级A36、A572、A992等。
例如:A36材质和A572材质代表的是碳素结构钢,A992是低合金钢。
美标H型钢是一种截面面积分配更加优化、强重比更加合理的经济断面高效型材,因其断面与英文字母“H”相同而得名。
由于H型钢的各个部位均以直角排布,因此H型钢在各个方向上都具有抗弯能力强、施工简单、节约成本和结构重量轻等优点,已被广泛应用。
二、W系列美标H型钢化学成分:C:0.27~0.35;Si:0.93~1.20;Ni:≤0.029;Cu:≤0.025;Mn:0.80~1.10;S:≤0.025;P:≤0.026;Cr:0.75~1.20;三、W系列美标H型钢钢脱氧合金化性能:当钢水的温度和成分满足炼钢品种的规定要求时,排出钢水的操作。
出钢时要注意防止炉渣流入钢包。
用于调节钢水温度、成分和脱氧的添加剂,在出钢时加入钢包或出钢流中,也称为脱氧合金化。
四、美标H型钢的正火目的:(1)去除材料的内应力(2)调整材料的硬度(一般为提高),塑性略降低这是为接下来的处理做准备。
类似退火,只是为了提高效率,降低成本。
五、美标H型钢出厂检验方式:质量等级拉伸试验a,b 冲击试验c 下屈服强度ReL/MPa 抗拉强度Rm/MPa 断后伸长率A/% 温度冲击吸收能量KV2/J 不小于不小于 Q550q CDE 550 530 - 660注:a 当屈服不明显时,可测量Rp0.2代替下屈服强度。
b 拉伸试验取横向试样。
C 冲击式样去纵向试样。
G250、G300、G350工艺性能180弯曲试验厚度≤16mm 厚度>16mm 弯曲结果D=2a D=3a 在试样外表面不应有肉眼可见的裂纹注:D--弯曲压头直径,a--试样厚度。
六、品名规格型号材质长度(米)米重(KG)产地美标H型钢 W4*13 A36/A992 12 19.3 马钢美标H型钢 W5*16 A572GR50/A992 12 13 莱钢美标H型钢 W6*8.5 A572GR50/A992 12/12.2 13 莱钢美标H型钢 W6*9 A572GR50/A992 12/12.9 13.5 莱钢/日照/马钢钢美标H型钢 W6*15 A572GR50/A992 12 22.5 莱钢/日照/马钢美标H型钢 W6*16 A36/A572GR50 10 24 莱钢/日照/马钢美标H型钢 W6*20 A572GR50/A992 12 29.8 莱钢/日照/马钢美标H型钢 W6*25 A572GR50/A992 12 37.1 莱钢/日照/马钢美标H型钢 W8*10 A572GR50/A992 12 15 莱钢/日照/马钢美标H型钢 W8*13 A572GR50/A992 12 19.3 莱钢/日照/马钢美标H型钢 W8*15 A572GR50/A992 12 22.5 莱钢/日照/马钢美标H型钢 W8*18 A572GR50/A992 12 26.6 莱钢/日照/马钢美标H型钢 W8*21 A572GR50/A992 12 31.3 莱钢/日照/马钢美标H型钢 W8*24 A572GR50/A992 12 35.9 莱钢/日照/马钢美标H型钢 W8*28 A572GR50/A992 12 41.7 莱钢/日照/马钢美标H型钢 W8*31 A572GR50/A992 12 46.1 莱钢/日照/马钢美标H型钢 W8*35 A572GR50/A992 12 52 莱钢/日照/马钢美标H型钢 W8*40 A572GR50/A992 12 59 莱钢/日照/马钢美标H型钢 W8*48 A572GR50/A992 12 86 莱钢/日照/马钢美标H型钢 W8*58 A572GR50/A992 12 86 莱钢/日照/马钢美标H型钢 W8*67 A572GR50/A992 12 100 莱钢/日照/马钢美标H型钢 W10*19 A572GR50 12 28.4 莱钢美标H型钢 W10*26 A572GR50/A992 12 38.5 莱钢/日照/马钢美标H型钢 W10*30 A572GR50/A992 12 44.8 莱钢/日照/马钢美标H型钢 W10*33 A572GR50/A992 12 49.1 莱钢/日照/马钢美标H型钢 W10*39 A572GR50/A992 12 58 莱钢/日照/马钢美标H型钢 W10*45 A572GR50/A992 12 67 莱钢/日照/马钢美标H型钢 W10*49 A572GR50/A992 12 73 莱钢/日照/马钢美标H型钢 W10*60 A572GR50/A992 12 80 莱钢/日照/马钢美标H型钢 W10*68 A572GR50/A992 12 89 莱钢/日照/马钢美标H型钢 W10*77 A572GR50/A992 12 101 莱钢/日照/马钢美标H型钢 W10*88 A572GR50/A992 12 115 莱钢/日照/马钢美标H型钢 W10*100 A572GR50/A992 12 131 莱钢/日照/马钢美标H型钢 W10*112 A572GR50/A992 12 149 莱钢/日照/马钢美标H型钢 W12*16 A572GR50/A992 12 23.8 莱钢/日照/马钢美标H型钢 W12*19 A572GR50/A992 12 28.3 莱钢/日照/马钢美标H型钢 W12*22 A572GR50/A992 12 32.7 莱钢/日照/马钢美标H型钢 W12*26 A572GR50/A992 12 38.7 莱钢/日照/马钢美标H型钢 W12*30 A572GR50/A992 12 44.5 莱钢/日照/马钢美标H型钢 W12*35 A572GR50/A992 12 52 莱钢/日照/马钢美标H型钢 W12*40 A572GR50/A992 12 60 莱钢/日照/马钢美标H型钢 W12*50 A572GR50/A992 12 74 莱钢/日照/马钢美标H型钢 W12*53 A572GR50/A992 12 79 莱钢/日照/马钢美标H型钢 W12*58 A572GR50/A992 12 86 莱钢/日照/马钢美标H型钢 W12*65 A572GR50/A992 12 97 莱钢/日照/马钢美标H型钢 W12*72 A572GR50/A992 12 107 莱钢/日照/马钢美标H型钢 W12*79 A572GR50/A992 12 117 莱钢/日照/马钢美标H型钢 W12*87 A572GR50/A992 12 129 莱钢/日照/马钢美标H型钢 W12*96 A572GR50/A992 12 143 莱钢/日照/马钢美标H型钢 W12*106 A572GR50/A992 12 158 莱钢/日照/马钢美标H型钢 W12*120 A572GR50/A992 12 179 莱钢/日照/马钢美标H型钢 W12*136 A572GR50/A992 12 202 莱钢/日照/马钢美标H型钢 W12*152 A572GR50/A992 12 226 莱钢/日照/马钢美标H型钢 W12*170 A572GR50/A992 12 253 莱钢/日照/马钢美标H型钢 W14*22 A572GR50/A992 12 32.9 莱钢/日照/马钢美标H型钢 W14*26 A572GR50/A992 12 39 莱钢/日照/马钢美标H型钢 W14*30 A572GR50/A992 12 44.6 莱钢/日照/马钢美标H型钢 W14*34 A572GR50/A992 12 51 莱钢/日照/马钢美标H型钢 W14*38 A572GR50/A992 12 58 莱钢/日照/马钢美标H型钢 W14*43 A572GR50/A992 12 64 莱钢/日照/马钢美标H型钢 W14*53 A572GR50/A992 12 79 莱钢/日照/马钢美标H型钢 W14*61 A572GR50/A992 12 91 莱钢/日照/马钢美标H型钢 W14*68 A572GR50/A992 12 101 莱钢/日照/马钢美标H型钢 W14*74 A572GR50/A992 12 110 莱钢/日照/马钢美标H型钢 W14*82 A572GR50/A992 12 122 莱钢/日照/马钢美标H型钢 W14*90 A572GR50/A992 12 134 莱钢/日照/马钢美标H型钢 W14*99 A572GR50/A992 12 147 莱钢/日照/马钢美标H型钢 W4*109 A572GR50/A992 12 162 莱钢/日照/马钢美标H型钢 W14*120 A572GR50/A992 12 179 莱钢/日照/马钢美标H型钢 W14*132 A572GR50/A992 12 16 莱钢/日照/马钢美标H型钢 W14*145 A572GR50/A992 12 216 莱钢/日照/马钢美标H型钢 W14*159 A572GR50/A992 12 237 莱钢/日照/马钢美标H型钢 W14*176 A572GR50/A992 12 262 莱钢/日照/马钢美标H型钢 W14*193 A572GR50/A992 12 262 莱钢/日照/马钢美标H型钢 W14*211 A572GR50/A992 12 287 莱钢/日照/马钢美标H型钢 W14*233 A572GR50/A992 12 347 莱钢/日照/马钢美标H型钢 W14*257 A572GR50/A992 12 385 莱钢/日照/马钢美标H型钢 W14*283 A572GR50/A992 12 421 莱钢/日照/马钢美标H型钢 W14*311 A572GR50/A992 12 463 莱钢/日照/马钢美标H型钢 W14*370 A572GR50/A992 12 551 莱钢/日照/马钢美标H型钢 W16*26 A572GR50/A992 12 38.8 莱钢/日照/马钢美标H型钢 W16*31 A572GR50/A992 12 46.1 莱钢/日照/马钢美标H型钢 W16*36 A572GR50/A992 12 53 莱钢/日照/马钢美标H型钢 W16*40 A572GR50/A992 12 60 莱钢/日照/马钢美标H型钢 W16*45 A572GR50/A992 12 67 莱钢/日照/马钢美标H型钢 W16*50 A572GR50/A992 12 75 莱钢/日照/马钢美标H型钢 W16*57 A572GR50/A992 12 85 莱钢/日照/马钢美标H型钢 W16*67 A572GR50/A992 12 100 莱钢/日照/马钢美标H型钢 W16*77 A572GR50/A992 12 114 莱钢/日照/马钢美标H型钢 W16*89 A572GR50/A992 12 132 莱钢/日照/马钢美标H型钢 W16*100 A572GR50/A992 12 149 莱钢/日照/马钢美标H型钢 W18*35 A572GR50/A992 12 52 莱钢/日照/马钢美标H型钢 W18*40 A572GR50/A992 12 60 莱钢/日照/马钢美标H型钢 W18*46 A572GR50/A992 12 68 莱钢/日照/马钢美标H型钢 W18*50 A572GR50/A992 12 74 莱钢/日照/马钢美标H型钢 W18*55 A572GR50/A992 12 82 莱钢/日照/马钢美标H型钢 W18*60 A572GR50/A992 12 89 莱钢/日照/马钢美标H型钢 W18*65 A572GR50/A992 12 97 莱钢/日照/马钢美标H型钢 W18*76 A572GR50/A992 12 113 莱钢/日照/马钢美标H型钢 W18*86 A572GR50/A992 12 128 莱钢/日照/马钢美标H型钢 W18*97 A572GR50/A992 12 144 莱钢/日照/马钢美标H型钢 W18*106 A572GR50/A992 12 158 莱钢/日照/马钢美标H型钢 W18*119 A572GR50/A992 12 177 莱钢/日照/马钢美标H型钢 W18*130 A572GR50/A992 12 193 莱钢/日照/马钢美标H型钢 W18*143 A572GR50/A992 12 213 莱钢/日照/马钢美标H型钢 W18*158 A572GR50/A992 12 235 莱钢/日照/马钢美标H型钢 W18*175 A572GR50/A992 12 260 莱钢/日照/马钢美标H型钢 W18*192 A572GR50/A992 12 286 莱钢/日照/马钢美标H型钢 W18*211 A572GR50/A992 12 315 莱钢/日照/马钢美标H型钢 W18*234 A572GR50/A992 12 349 莱钢/日照/马钢美标H型钢 W18*258 A572GR50/A992 12 384 莱钢/日照/马钢美标H型钢 W18*283 A572GR50/A992 12 421 莱钢/日照/马钢美标H型钢 W18*311 A572GR50/A992 12 464 莱钢/日照/马钢美标H型钢 W21*44 A572GR50/A992 12 66 莱钢/日照/马钢美标H型钢 W21*50 A572GR50/A992 12 74 莱钢/日照/马钢美标H型钢 W21*57 A572GR50/A992 12 85 莱钢/日照/马钢美标H型钢 W21*55 A572GR50/A992 12 82 莱钢/日照/马钢美标H型钢 W21*68 A572GR50/A992 12 101 莱钢/日照/马钢美标H型钢 W21*73 A572GR50/A992 12 109 莱钢/日照/马钢美标H型钢 W21*83 A572GR50/A992 12 123 莱钢/日照/马钢美标H型钢 W21*93 A572GR50/A992 12 138 莱钢/日照/马钢美标H型钢 W21*101 A572GR50/A992 12 150 莱钢/日照/马钢美标H型钢 W21*111 A572GR50/A992 12 165 莱钢/日照/马钢美标H型钢 W21*122 A572GR50/A992 12 182 莱钢/日照/马钢美标H型钢 W21*132 A572GR50/A992 12 196 莱钢/日照/马钢美标H型钢 W21*147 A572GR50/A992 12 219 莱钢/日照/马钢美标H型钢 W21*166 A572GR50/A992 12 248 莱钢/日照/马钢美标H型钢 W21*182 A572GR50/A992 12 272 莱钢/日照/马钢美标H型钢 W21*201 A572GR50/A992 12 300 莱钢/日照/马钢美标H型钢 W24*55 A572GR50/A992 12 82 莱钢/日照/马钢美标H型钢 W24*62 A572GR50/A992 12 92 莱钢/日照/马钢美标H型钢 W24*68 A572GR50/A992 12 101 莱钢/日照/马钢美标H型钢 W24*76 A572GR50/A992 12 113 莱钢/日照/马钢美标H型钢 W24*84 A572GR50/A992 12 125 莱钢/日照/马钢美标H型钢 W24*94 A572GR50/A992 12 140 莱钢/日照/马钢美标H型钢 W24*103 A572GR50/A992 12 153 莱钢/日照/马钢美标H型钢 W24*104 A572GR50/A992 12 155 莱钢/日照/马钢美标H型钢 W24*117 A572GR50/A992 12 174 莱钢/日照/马钢美标H型钢 W24*131 A572GR50/A992 12 195 莱钢/日照/马钢美标H型钢 W24*146 A572GR50/A992 12 217 莱钢/日照/马钢美标H型钢 W24*162 A572GR50/A992 12 241 莱钢/日照/马钢美标H型钢 W24*176 A572GR50/A992 12 262 莱钢/日照/马钢美标H型钢 W24*192 A572GR50/A992 12 285 莱钢/日照/马钢美标H型钢 W24*207 A572GR50/A992 12 307 莱钢/日照/马钢美标H型钢 W24*229 A572GR50/A992 12 341 莱钢/日照/马钢美标H型钢 W24*250 A572GR50/A992 12 372 莱钢/日照/马钢美标H型钢 W24*279 A572GR50/A992 12 415 莱钢/日照/马钢美标H型钢 W24*306 A572GR50/A992 12 455 莱钢/日照/马钢美标H型钢 W24*335 A572GR50/A992 12 498 莱钢/日照/马钢美标H型钢 W24*370 A572GR50/A992 12 551 莱钢/日照/马钢美标H型钢 W27*84 A572GR50/A992 12 125 莱钢/日照/马钢美标H型钢 W27*94 A572GR50/A992 12 140 莱钢/日照/马钢美标H型钢 W27*102 A572GR50/A992 12 152 莱钢/日照/马钢美标H型钢 W27*114 A572GR50/A992 12 170 莱钢/日照/马钢美标H型钢 W27*129 A572GR50/A992 12 192 莱钢/日照/马钢美标H型钢 W27*146 A572GR50/A992 12 217 莱钢/日照/马钢美标H型钢 W27*178 A572GR50/A992 12 265 莱钢/日照/马钢美标H型钢 W30*90 A572GR50 9.62米 134 莱钢/日照/马钢美标H型钢 W30*99 A572GR50/A992 12 147 莱钢/日照/马钢美标H型钢 W30*108 A572GR50/A992 12 108 莱钢/日照/马钢美标H型钢 W30*116 A572GR50/A992 12 116 莱钢/日照/马钢美标H型钢 W30*124 A572GR50/A992 12 124 莱钢/日照/马钢美标H型钢 W30*132 A572GR50/A992 12 132 莱钢/日照/马钢美标H型钢 W30*148 A572GR50/A992 12 148 莱钢/日照/马钢美标H型钢 W30*173 A572GR50/A992 12 257 莱钢/日照/马钢美标H型钢 W30*191 A572GR50/A992 12 284 莱钢/日照/马钢美标H型钢 W33*118 A572GR50/A992 12 176 莱钢/日照/马钢美标H型钢 W33*130 A572GR50/A992 12 193 莱钢/日照/马钢美标H型钢 W33*141 A572GR50/A992 12 210 莱钢/日照/马钢美标H型钢 W33*152 A572GR50/A992 12 226 莱钢/日照/马钢美标H型钢 W33*169 A572GR50/A992 12 251 莱钢/日照/马钢美标H型钢 W36*135 A572GR50/A992 12 201 莱钢/日照/马钢美标H型钢 W36*150 A572GR50/A992 12 223 莱钢/日照/马钢美标H型钢 W36*160 A572GR50/A992 12 238 莱钢/日照/马钢美标H型钢 W36*170 A572GR50/A992 12 253 莱钢/日照/马钢美标H型钢 W36*194 A572GR50/A992 12 289 莱钢/日照/马钢美标H型钢 W36*210 A572GR50/A992 12 313 莱钢/日照/马钢美标H型钢 W36*232 A572GR50/A992 12 345 莱钢/日照/马钢。
W型铸铁管外径尺寸表1. 引言W型铸铁管是一种常用的工业管道材料,其外径尺寸表是指W型铸铁管在不同规格和厚度下的外径尺寸标准。
本文将详细介绍W型铸铁管外径尺寸表的相关内容,包括定义、标准和应用。
2. 定义W型铸铁管是一种采用砂型或金属模具进行浇注而成的管材,其截面形状呈W字形,因此得名。
该种管材具有优良的耐腐蚀性、耐高温性和高强度等特点,广泛应用于石油、化工、电力等行业。
3. 标准W型铸铁管外径尺寸表是根据国家标准制定的,其中包括了不同规格和厚度下的外径尺寸范围。
以下是一份典型的W型铸铁管外径尺寸表:规格(mm)厚度(mm)外径(mm)100 6 112125 6 138150 6 162200 6 212250 6 2624. 应用W型铸铁管外径尺寸表在工程设计和生产制造中具有重要的作用。
以下是一些常见的应用场景:4.1 工程设计在进行工程设计时,需要根据具体的管道要求选择合适的W型铸铁管规格和厚度。
通过查阅W型铸铁管外径尺寸表,工程师可以确定所需管材的外径尺寸范围,从而确保管道系统的正常运行。
4.2 管道安装在进行管道安装时,施工人员需要根据设计要求选择合适的W型铸铁管。
通过参考外径尺寸表,他们可以准确选择与其他管件相匹配的W型铸铁管,确保安装质量和连接紧密度。
4.3 材料采购材料采购人员需要根据项目需求购买合适规格和厚度的W型铸铁管。
通过参考外径尺寸表,他们可以了解市场上可供选择的不同规格和厚度的W型铸铁管,并进行比较和选择。
5. 注意事项在使用W型铸铁管外径尺寸表时,需要注意以下事项:5.1 规格和厚度选择根据具体的工程需求,选择合适的W型铸铁管规格和厚度。
过大或过小的规格和厚度都会影响到管道系统的正常运行。
5.2 材料质量检验在购买W型铸铁管时,需要注意材料的质量。
应选择正规生产厂家生产的产品,并进行必要的质量检验,以确保材料符合相关标准要求。
5.3 安装施工质量控制在进行管道安装时,需要严格按照设计要求进行施工,并进行必要的质量控制。
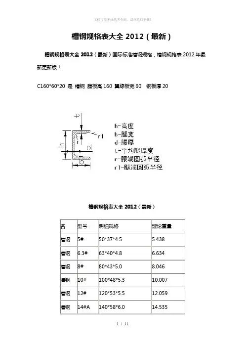
槽钢规格表大全2012(最新)槽钢规格表大全2012(最新)国际标准槽钢规格,槽钢规格表2012年最新更新版!C160*60*20 是槽钢腹板高160 翼缘板宽60 钢板厚20槽钢规格表大全2012(最新)名型号明细规格理论重量槽钢5# 50*37*4.5 5.438槽钢 6.3# 63*40*4.8 6.634槽钢8# 80*43*5.0 8.046槽钢10# 100*48*5.3 10.007槽钢12# 120*53*5.5 12.059槽钢14#A 140*58*6.0 14.535500X300X8.0--12.0mm 450X250X6.0--12.0mm 400X300X6.0--12.0mm 400X200X6.0--12.0mm 350X250X6.0--12.0mm 350X150X6.0--12.0mm 300X200X6.0--12.0mm 300X150X6.0--12.0mm 300X100X4.0--10.0mm 280X180X4.0--10.0mm 250X150X4.0--10.0mm 250X100X4.0--10.0mm 200X150X4.0--10.0mm 200X100X4.0--10.0mm160X80X4.0--10.0mm 150X100X3.0--10.0mm 150X90X3.0--10.0mm 150X75X3.0--8.0mm 140X80X3.0--10.0mm 120X100X3.0--10.0mm 120X80X2.0--8.0mm 120X60X2.0--5.0mm 120X50X2.0--5.0mm 120X40X2.0--4.0mm 100X80X2.0--8.0mm 100X60X2.0--5.0mm 100X50X1.0--5.0mm 100X40X2.0--3.0mm 90X60X2.0--4.0mm80X60X1.4--4.0mm80X50X1.2--3.0mm80X40X0.9--4.0mm70X50X1.2--4.0mm70X30X1.5--3.0mm60X40X0.8--4.0mm50X40X0.8--3.0mm50X30X0.7--4.0mm50X25X0.7--3.0mm50X20X0.7--1.7mm40X30X0.7--3.0mm40X25X0.7--2.5mm40X20X0.6--3.0mm30X20X0.6--2.0mm20X14X0.5--1.2mm20X10X0.5--1.2mm方管承载力计算公式比如50*30*1.5的方管二个端点架起,中间悬空1米的跨度,在这1米的跨度上50*30*1. 5的方管能放多重的物品。
PW Series•2 watts to 25 watts •0.10 ohms to 30K ohms •±10% or ±5% tolerance•TC’s from 300 ppm/°C to +5500 ppm/°CGeneral NoteWelwyn Components reserves the right to make changes in product specification without notice or liability. All information is subject to Welwyn’s own data and is considered accurate at time of going to print.© Welwyn Components Limited · Bedlington, Northumberland NE22 7AA, UKPW-2PW-3PW-5PW-7PW-10PW-15PW-18PW-22PW-25Power rating at 25°C watts 23571015182225Resistance range ohms 0R15 to 2K40R1 to 7K50R1 to 8K50R1 to 18K 0R18 to 30K 0R18 to 30K 0R18 to 22K 0R27 to 18K 0R27 to 18K Temperature coefficient 0.06%/°C0.15 to 0.990.1 to 0.990.1 to 0.990.1 to 0.990.18 to 0.990.18 to 0.990.18 to 0.990.27 to 1.30.27 to 1.3over R range0.03%/°C 1.0 to 2.4K 1.0 to 7.5K 1.0 to 8.5K 1.0 to 18K 1.0 to 30K 1.0 to 30K 1.0 to 22K 1.5 to 12K 1.5 to 10K +0.55%/°C 0.1 to 300.1 to 860.1 to 680.1 to 1500.1 to 2400.1 to 2400.1 to 2000.15 to 3600.15 to 300+0.45%/°C 0.24 to 1300.1 to 2700.1 to 3000.15 to 6800.24 to 11000.24 to 11000.24 to 11000.36 to 18000.36 to 1200+0.25%/°C1.0 to 100.24 to 200.27 to 221.0 to 511.0 to 821.0 to 821.0 to 701.0 to 1201.5 to 100Electrical DataPhysical DataA subsidiary of TT electronics plc Please note: When ordering the alternative configuration please add an ‘A’ after the part number. (i.e., PW-2A)Dimensions (mm)L ±0.8W ±0.8H ±0.8 d dia. E ±0.8LL min. F (ref.)PW-217.5 6.35 6.350.87.8736.6 1.60PW-322.47.877.870.919.6536.6 1.60PW-522.49.658.640.9110.438.1 1.60PW-735.39.658.640.9111.938.1 3.18PW-1047.89.658.640.9111.938.1 3.18PW-1547.812.712.70.9116.038.1 3.18PW-1847.812.712.70.9116.038.1 3.18PW-2263.512.712.7 1.0*16.038.1 3.18PW-2563.512.712.71.0*16.038.13.18* Copper Clad Steel L0.125 max.dWHLLEFStandard ConfigurationAlternate ConfigurationPW SeriesWelwyn Components10080604020050100150200250Ambient Temperature (°C)P e r c e n t o f R a t e d L o a d254085PW-2PW-3, 5, 7, 10PW-15, 18, 22, 25300250200150100500020406080100120T e m p e r a t u r e R i s e (°C )Percent of Rated LoadPW-22, 25PW-15, 18PW-10PW-7PW-5PW-3Power DeratingTemperature RisePackagingResistors are supplied bulk packed. Quantity 500.PW Series•20 watts to 50 watts •0.10 ohms to 2.0K ohms •±10% or ±5% tolerance •CustomsGeneral NoteWelwyn Components reserves the right to make changes in product specification without notice or liability. All information is subject to Welwyn’s own data and is considered accurate at time of going to print.© Welwyn Components Limited · Bedlington, Northumberland NE22 7AA, UKPW-20EPW-30PW-40PW-50E Power rating at 25°C watts 20304050Resistance rangeohms0R1 to 2K0R5 to 1K20R65 to 1K50R08 to 1K8Electrical DataA subsidiary of TT electronics plc Please note: When ordering the alternative configuration please add an ‘A’ after the part number. (i.e., PW-2A)0.032±0.00250.205 or 0.187±0.0050.157±0.0200.250 (Typ.)0.5±0.0300.5±0.0305/32 Dia. Thru (2)A0.069±0.0050.25±0.0310.032±0.00250.3750.200 (Typ.)0.135±0.0150.250.750.282±0.0200.75±0.0300.75±0.0300.8755/32 Dia. Thru (2)AB 0.125±0.015PW-20E WirewoundPW-30, 40 and 50E WirewoundPW-20E Alternate Terminal Configuration Printed Circuit TerminalDimensions (Inches)A ±0.030B ±0.060PW-20E 1.875 2.50PW-30 2.00 2.55PW-40 2.45 3.00PW-50E 3.0753.6252.000±0.0400.187±0.0101.410±0.0401.050 Min.0.060 Dia. (2)0.500±0.0300.500±0.0300.840±0.0400.250 min.0.020PW-15E100806040200050100150200250Ambient Temperature (°C)P e r c e n t o f R a t e d L o a dPW-20E, PW-30, PW-40PW-50E without bracket3002502001501005000255075100125T e m p e r a t u r e R i s e (°C )Percent of Rated LoadPW-30PW-40PW-50EPW-20EWith Bracket:PW-30 Increased to 40 watts PW-40 Increased to 50 watts PW-50 Increased to 60 wattsPower DeratingTemperature Rise0.250±0.0200.205±0.0200.900±0.0501.106±0.050Meniscus allowable to the termination edgeSee Meniscus Note0.709±0.0300.273±0.010 Dia.0.375±0.0400.125 Rad. (Ref.)0.062 Rad. (2)0.155±0.0050.500±0.0300.290±0.0303.000±0.0402.375±0.0400.500±0.0400.313±0.0500.0200.0200.187±0.0200.060 Dia. (2)0.685±0.0601.000±0.0400.900±0.050PW-30EPackagingResistors are supplied bulk packed. Quantity 500.PW SeriesWelwyn Components。
槽钢规格表大全2012(最新)槽钢规格表大全2012(最新)国际标准槽钢规格,槽钢规格表2012年最新更新版!C160*60*20 是槽钢腹板高160 翼缘板宽60 钢板厚20槽钢规格表大全2012(最新)500X300X8.0--12.0mm 450X250X6.0--12.0mm 400X300X6.0--12.0mm 400X200X6.0--12.0mm 350X250X6.0--12.0mm 350X150X6.0--12.0mm 300X200X6.0--12.0mm 300X150X6.0--12.0mm 300X100X4.0--10.0mm 280X180X4.0--10.0mm 250X150X4.0--10.0mm 250X100X4.0--10.0mm 200X150X4.0--10.0mm200X100X4.0--10.0mm 200X95X4.0--10.0mm 160X80X4.0--10.0mm 150X100X3.0--10.0mm 150X90X3.0--10.0mm 150X75X3.0--8.0mm 140X80X3.0--10.0mm 120X100X3.0--10.0mm 120X80X2.0--8.0mm 120X60X2.0--5.0mm 120X50X2.0--5.0mm 120X40X2.0--4.0mm 100X80X2.0--8.0mm 100X60X2.0--5.0mm 100X50X1.0--5.0mm 100X40X2.0--3.0mm 90X60X2.0--4.0mm80X60X1.4--4.0mm80X50X1.2--3.0mm80X40X0.9--4.0mm70X50X1.2--4.0mm70X30X1.5--3.0mm60X40X0.8--4.0mm60X30X0.8--3.0mm50X40X0.8--3.0mm50X30X0.7--4.0mm50X25X0.7--3.0mm50X20X0.7--1.7mm40X30X0.7--3.0mm40X25X0.7--2.5mm40X20X0.6--3.0mm30X20X0.6--2.0mm20X14X0.5--1.2mm20X10X0.5--1.2mm方管承载力计算公式比如50*30*1.5的方管二个端点架起,中间悬空1米的跨度,在这1米的跨度上50*30*1.5的方管能放多重的物品。
美标槽钢规格角钢理论重量表及角钢理论重量计算等边角钢理论重量计算钢材理论重量计算的计量单位为公斤( kg )。
其基本公式为:W (重量, kg ) = F (断面积 mm2 )× L (长度, m )×ρ(密度, g/cm3 )× 1/1000钢的密度为: 7.85g/cm3 ,各种钢材理论重量计算公式如下:名称(单位)计算公式符号意义计算举例等边角钢(kg/m)W= 0.00785 ×[d (2b ?C d )+0.215 (R2 ?C 2r 2 )]b= 边宽d= 边厚R= 内弧半径r= 端弧半径求20 mm × 4mm 等边角钢的每m 重量。
从冶金产品目录中查出4mm × 20 mm 等边角钢的R 为3.5 ,r 为1.2 ,则每m 重量= 0.00785 ×[4 ×(2 ×20 ?C 4 )+0.215 ×(3.52 ?C 2 ×1.2 2 )]= 1.15kg热轧等边角钢尺寸及重量计算公式:W(kg/m)=0.00785*边厚*(2边宽-边厚)不等边角钢理论重量计算钢材理论重量计算的计量单位为公斤( kg )。
其基本公式为:W (重量, kg ) = F (断面积 mm2 )× L (长度, m )×ρ(密度, g/cm3 )× 1/1000钢的密度为: 7.85g/cm3 ,各种钢材理论重量计算公式如下:名称(单位)计算公式符号意义计算举例不等边角钢(kg/m)W= 0.00785 ×[d (B+b ?C d )+0.215 (R2 ?C 2 r 2 )]B= 长边宽b= 短边宽d= 边厚R= 内弧半径r= 端弧半径求30 mm × 20mm × 4mm 不等边角钢的每m 重量。
从冶金产品目录中查出30 ×20 ×4 不等边角钢的R 为3.5 ,r 为1.2 ,则每m 重量= 0.00785 ×[4 ×(30+20 ?C 4 )+0.215 ×(3.52 ?C 2 ×1.2 2 )]= 1.46kg。
w型钢重量计算公式摘要:1.W 型钢的概述2.W 型钢重量计算公式的推导过程3.W 型钢重量计算的实际应用4.总结正文:一、W 型钢的概述W 型钢,又称宽翼缘型钢,是一种具有宽大翼缘的钢材,主要用于建筑结构、桥梁结构和输电塔等领域。
由于其翼缘宽度较大,可以提高结构的稳定性和承载能力,因此在大型工程中得到广泛应用。
二、W 型钢重量计算公式的推导过程W 型钢的重量计算公式主要由其尺寸参数(b、d、t)和材料密度ρ组成。
其中,b 表示W 型钢的宽度,d 表示W 型钢的厚度,t 表示W 型钢的材质。
W 型钢重量计算公式推导如下:W 型钢重量(kg/m)= 材质密度(kg/m)× W 型钢体积(m)W 型钢体积(m)= W 型钢长度(m)× W 型钢宽度(m)× W 型钢厚度(m)W 型钢重量计算公式进一步化简:W 型钢重量(kg/m)= 材质密度(kg/m)× W 型钢长度(m)× W型钢宽度(m)× W 型钢厚度(m)三、W 型钢重量计算的实际应用在实际工程中,根据设计图纸,可以得知W 型钢的长度、宽度和厚度。
通过查表或查询资料,可以获得相应的材质密度。
将这些数据代入W 型钢重量计算公式,即可得到W 型钢的重量。
例如,假设某W 型钢的长度为6m、宽度为2m、厚度为0.1m,材质为Q235B,其材质密度为7850 kg/m。
根据公式,可以计算出W型钢的重量为:W 型钢重量(kg/m)= 7850 kg/m × 6m × 2m × 0.1m = 94.2 kg因此,该W 型钢的重量为94.2 千克。
四、总结W 型钢重量计算公式为工程应用提供了便利,可以快速准确地计算出W 型钢的重量,有利于工程设计和施工。
30瓦led灯泡直径
(最新版)
目录
1.30 瓦 LED 灯泡的简介
2.30 瓦 LED 灯泡的直径
3.30 瓦 LED 灯泡的优点
4.30 瓦 LED 灯泡的适用场景
正文
30 瓦 LED 灯泡是一种采用 LED(发光二极管)技术的照明设备,具有高效、节能、环保等优点。
在当前的照明市场上,30 瓦 LED 灯泡的直径通常为Φ50mm 左右,其长度则根据灯泡的类型和设计而有所不同。
30 瓦 LED 灯泡的直径虽然不大,但其发出的光线却十分明亮。
这是因为 LED 技术采用了固体发光的原理,使得光线更加集中,照明效果更佳。
此外,30 瓦 LED 灯泡的功率仅为 30 瓦,相较于传统的白炽灯和荧光灯,其节能效果显著,可为用户节省大量的电费。
除了节能外,30 瓦 LED 灯泡还具有环保和长寿命等优点。
LED 灯泡不含有汞等有毒物质,因此在使用寿命结束后,不会对环境造成污染。
同时,LED 灯泡的使用寿命一般可达到 5 万小时,远超传统的照明设备。
30 瓦 LED 灯泡适用于多种场景,如家庭、办公室、商场等。
其明亮且柔和的光线,不仅能够提供舒适的照明环境,还能够营造出温馨的氛围。
此外,30 瓦 LED 灯泡还可以用于一些特殊场合,如浴室、厨房等潮湿环境,其防水性能能够确保设备的正常使用。
总的来说,30 瓦 LED 灯泡凭借其优秀的性能和特点,已经成为了照明市场的主流产品。
第1页共1页。
请问我长80米,宽30厘米,高60厘米,有多少方请问我长80米,宽30厘米,高60厘米,有多少方是:80×0.3×0.6=14.4立方====================================== ==柳浪闻莺各位芝麻竭诚为您解答您的采纳是我们坚持百度的动力====================================== ==请问长80厘米,宽58厘米,高30厘米是多少升?80x58x30=139200 cm3=139.2 L请问长40厘米,宽60厘米,高30厘米是多少升?解:40X60X30=2400X30=72000(立方厘米)=72000(毫升)=72(升)长60厘米宽20厘米高23厘米有多少平方解:已知一个长方体长60厘米,宽20厘米,高23厘米,得这个长方体的表面积=长×宽×2+长×高×2+宽×高×2=60×20×2+60×23×2+20×23×2=2400+2760+920=6080平方厘米答:这个长方体的表面积是6080平方厘米。
长2300厘米,900厘米,高50厘米请问有多少方?长(CM)×宽(CM)×高(CM)÷6000÷4.72÷35.315=CBM(方)这是我工作中常用的演算法。
2300X900X50÷6000÷4.72÷35.315=103.487499长80厘米宽60厘米,高30厘米是多少个平方这是一个长方体,每两个面的面积一样,三个不同面的面积是60×8030×8060×30总和×2请问:长44米.宽30厘米,高30厘米,是多少方44*0.3*0.3=3.96m³长80米,宽60厘米,高95厘米=多少立方80米=8000厘米8000×60×95长80厘米宽30厘米商10厘米石头有多少斤?首先算出体积V = 30*80*10 = 24000 立方米m = p*VP的情况:1大理石一般在2.6~2.7克每立方厘米;2花岗石一般在2.6~3.0克每立方厘米;3石灰石一般在2.6~2.8克每立方厘米;4石板石一般在2.7~2.9克每立方厘米。
海银财富:从三个“30%”看中国签署RCEP的重要性
摘要:
11月15日,区域全面经济伙伴关系协定(RCEP)正式签署,RCEP 包括东盟10国以及中国、日本、韩国、澳大利亚和新西兰。
RCEP意味着继欧盟、北美自由贸易区之后,经济增速最快的东亚地区也形成了自贸区。
RCEP协定国的人口、GDP和贸易量分别约占全球的30%,这是全球人口数量最多、成员结构最多元、发展潜力最大的自贸区。
海银研究院认为,RCEP将会加速东亚经济的一体化。
东亚、欧洲和北美三足鼎立的全球经济格局将更加明晰。
而中国作为RCEP协定国中经济体量最大,人口最多的经济体,无疑将会在RCEP中发挥关键作用。
当前新冠肺炎疫情仍在全球蔓延,世界经济严重衰退,国际贸易投资萎缩,保护主义、单边主义加剧。
该协定的签署是地区国家以实际行动维护多边贸易体制、建设开放型世界经济的重要一步,对深化区域经济一体化、稳定全球经济具有标志性意义。
一、什么是RCEP?
区域全面经济伙伴关系协定(RCEP),是2012年由东盟10国发起,邀请中国、日本、韩国、澳大利亚、新西兰、印度6个对话伙伴国共同参加,旨在通过削减关税及非关税壁垒,建立统一市场的自由贸易协定。
去年11月,由于在关税、与其他国家的贸易逆差和非关税壁垒方面存在分歧,印度决定退出谈判,本次签署协定的为剩下15国。
RCEP协定签署意味着继北美自由贸易区、欧盟之后,东亚地区也形成了本区域的自贸区,全球经济三足鼎立的格局将更加明确。
图1北美自由贸易区、欧盟、RCEP三足鼎立
RCEP现在有15个成员国,总人口、经济体量、贸易总额均占全球总量约30%。
协议签署将明显改善区域内国家贸易、投资信心,强化产业链、供应链的稳定,加速各国经济恢复,对提升区域内国家合作共赢有积极作用,也为亚太自贸区(FTAAP)进程提供实现路径和有力推动。
图2为何RCEP被视为全球规模最大的自贸协定?
当前新冠肺炎疫情仍在全球蔓延,世界经济严重衰退,国际贸易投资萎缩,保护主义、单边主义加剧。
RCEP的签署将有力的支持自由贸易和多边贸易体制。
我国与RCEP成员贸易总额约占我对外贸易总额的三分之一,并且前三季仍保持着中高速增长。
签订RCEP协议,将进一步巩固与我国保持中高增长的地区的贸易关系。
通过协议,我国与自贸伙伴的贸易占全部贸易覆盖率将由目前的27%提升到35%。
RCEP的达成将进一步扩大我国出口市场,促进进口消费,强化区域产业链和供应链的稳定,对于稳外资、稳外贸有积极作用,为形成以国内大循环为主体、国内国际双循环相互促进的新发展格局提供有效支撑。
图3RCEP国家在我国对外贸易总额中的占比
图42020年前三季度我国出口对RCEP国家保持中高增长
二、RCEP会带来哪些改变?
根据商务部消息,RCEP协定由序言、20个章节、4个市场准入承诺表附件组成。
协议涉及货物贸易、服务贸易、投资以及人员往来等多方面,相较以往协议,RCEP对于贸易、投资的限制更加减少,给商业往来提供更多的便利。
例如:货物贸易方面,协议生效后区域内90%以上的货物贸易将最终实现零关税,区域内企业将面对更广阔的市场、更充分的竞争,明显降低区域内贸易成本和产品价格,惠及各方企业和消费者。
在人员流动方面,将承诺适用范围扩展至服务提供者以外的投资者、随行配偶及家属等协定下所有可能跨境流动的自然人类别,进一步提升了人员往来的便利性。
图5RCEP部分重点内容
RCEP对标国际高水平自贸规则,更加广泛的纳入了知识产权、电子商务、竞争、政府采购等议题,又在中小企业、经济技术合作等领域作出加强合作等规定。
图6RCEP新增部分规则内容
免责声明
来源:海银研究院韩学
本报告由海银财富管理有限公司制作。
本报告中的信息均来源于已公开的资料及信息,但海银财富管理有限公司(以下简称“海银财富”)对这些资料和信息的准确性及完整性不作任何保证。
本报告中的信息、意见等均仅供投资者参考之用,不构成所述证券买卖的出价或征价。
该信息、意见并未考虑到获取本报告人员的具体投资目的、财务状况以及特定需求,在任何时候均不构成对任何人的个人推荐。