气体灭火系统工程质量记录表
- 格式:doc
- 大小:828.00 KB
- 文档页数:71
气体灭火系统分部工程质量验收记录气体灭火系统分部工程质量验收记录(GB -2007)表号:QFD001单位(子单位)工程名称:XXX施工单位:负责人监理单位:总监理工程师序号子分部工程名称检验批次检验结果1 进场检验 QFD001/01 合格2 系统安装 QFD001/02 合格3 系统调试 QFD001/03 合格4 系统验收 QFD001/04 合格验收意见质量控制资料:1.安全和功能检验(检测)报告2.观感质量验收施工单位:负责人监理单位:总监理工程师设计单位:项目负责人建设单位:项目负责人年月日气体灭火系统工程进场检验子分部工程质量验收记录(GB -2007)表号:QFD001/01单位(子单位)工程名称:XXX施工单位:项目负责人建设单位:项目负责人监理单位:监理工程师序号分项工程名称检验批次检验结果验收意见1 材料进场检验 QFD001/01-01 合格2 系统组件进场检验 QFD001/01-02 合格质量控制资料:1.安全和功能检验(检测)报告2.观感质量验收施工单位检查评定记录:合格建设单位项目负责人:签章监理工程师:签章施工单位项目负责人:签章年月日气体灭火系统工程材料进场检验记录表(GB -2007)表号:QFD001/01-01单位(子单位)工程名称:XXX分部(子分部)工程名称:系统工程(进场检验)施工单位:项目经理监理单位:监理工程师施工执行标准名称及编号:气体灭火系统施工及验收规范GB -2007检验批次:QFD001/01-01检查项目:1.管材、管道连接件的品种、规格、性能等应符合相应产品标准要求。
第4.2.1条符合要求。
施工单位检查评定记录:合格监理(建设)单位验收记录:合格施工质量验收规范的规定:合格年月日管道连接件的安装喷嘴的安装检漏装置的安装减压装置的安装施工执行标准名称及编号气体灭火系统施工及验收规范GB -2007施工单位检查评定记录监理(建设)单位验收记录施工质量验收规范的规定灭火系统各组件的安装质量应符合相关规定,包括灭火剂储存装置、选择阀及信号反馈装置、阀驱动装置、管道连接件、喷嘴、检漏装置、减压装置等。
气体灭火系统分部工程质量验收记录(GB 50263-2016)表号:QFD001气体灭火系统工程进场检验子分部工程质量验收记录(GB 50263-2016)表号:QFD001/01气体灭火系统工程材料进场检验记录表(GB 50263-2016)表号:QFD001/01-01气体灭火系统工程系统组件进场检查记录表(GB50263-2016)表号:QFD001/01-02气体灭火系统工程系统安装子分部工程质量验收记录GB 50263-2016表号:QFD001/02气体灭火系统工程灭火剂储存装置安装质量检查记录表(GB50263-2016)表号:QFD001/02-01气体灭火系统工程选择阀及信号反馈装置安装质量检查记录表(GB50263-2016)表号:QFD001/02-02气体灭火系统工程阀驱动装置安装质量检查记录表(GB50263-2016)表号:QFD001/02-03气体灭火系统工程阀驱动装置安装质量检查记录表(GB50263-2016)表号:QFD001/02-04气体灭火系统工程喷嘴安装质量检查记录表(GB50263-2016)表号:QFD001/02-05气体灭火系统工程预制灭火系统安装质量检查记录表(GB50263-2016)表号:QFD001/02-06气体灭火系统工程控制组件安装质量检查记录表(GB50263-2016)表号:QFD001/02-07气体灭火系统工程系统调试子分部工程质量验收记录(GB 50263-2016)表号:QFD001/03气体灭火系统工程模拟启动试验检查记录表(GB50263-2016)表号:QFD001/03-01气体灭火系统工程模拟喷气试验检查记录表(GB50263-2016)表号:QFD001/03-02气体灭火系统工程模拟切换操作试验检查记录表(GB50263-2016)表号:QFD001/03-03气体灭火系统工程系统验收子分部工程质量验收记录(GB 50263-2016)表号:QFD001/04气体灭火系统工程防护区或保护对象与储存装置间验收质量检查记录表(GB50263-2016)表号:QFD001/04-01气体灭火系统工程设备和灭火剂输送管道验收质量检查记录表(GB50263-2016)表号:QFD001/04-02气体灭火系统工程系统功能验收质量检查记录表(GB50263-2016)表号:QFD001/04-03。
气体灭火系统施工过程质量检查验收记录气体灭火系统是一种常用的灭火设备,具有快速灭火,无残留物等特点。
在施工过程中,为了保证施工质量,需要进行质量检查和验收记录,以确保气体灭火系统的正常运行。
下面是一份气体灭火系统施工过程质量检查验收记录的范例,供参考。
一、项目基本信息1.项目名称:气体灭火系统施工工程2.工程地点:(填写具体地址)3.施工单位:(填写具体单位名称)5.监理单位:(填写具体单位名称)7.检查人员:(填写检查人员姓名)二、施工过程质量检查1.系统设计文件是否符合规范和设计要求?2.施工单位是否按照设计要求和相关标准施工?3.施工单位是否按照规范进行材料选用和现场安装?4.施工单位是否保证施工作业安全,是否全程佩戴个人防护装备?5.施工单位是否做好施工现场的整洁和环境保护?6.施工单位是否按照设计文件和相关标准对系统进行试压和泄露检测?7.施工单位是否按照相关标准对系统进行调试和性能测试?8.施工单位是否完成系统的防腐、防锈和防潮措施?9.施工单位是否做好系统的电气接地和电气保护?三、施工过程质量验收1.施工单位是否提交了施工记录、验收报告和相关技术文件?2.施工单位是否提供了系统的保养、维修和操作手册?3.施工单位是否对系统进行了培训,使使用人员了解系统的操作和维护要求?4.系统的施工质量是否符合相关规范和设计要求?5.系统的安全性和可靠性是否得到保证?6.系统的检测报告和性能测试结果是否符合规范和设计要求?7.系统的防腐、防锈和防潮措施是否有效?8.系统的电气接地和电气保护是否符合规范和设计要求?9.施工单位是否做好交底工作,将系统交付使用人员?10.施工单位是否做好安全培训,提高使用人员的安全意识和应急处理能力?四、施工质量整改和验收确认1.针对施工过程中发现的不合格项,施工单位是否进行了整改?2.施工单位是否提供了整改报告和相关的整改措施?3.施工单位是否重新进行了相关的试压、泄露检测和性能测试?4.监理单位针对施工单位的整改是否认可并进行了验收确认?五、施工质量检查和验收记录的保存1.录入人员:(填写录入人员姓名)2.录入日期:(填写录入日期)3.档案保存:(填写具体的档案保存地点和责任人)以上是一份气体灭火系统施工过程质量检查验收记录的范例,具体内容根据实际情况进行调整和完善。
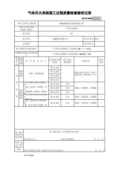
1所属 分项 名称进 场 检验 管材、管道连接件质量证明文件齐全、有效;√灭火剂储存容器及容器阀、单 向阀、连接管、集流管、安全 泄放装置、选择阀、阀驱动装 置、喷嘴、信号反馈装置、检 漏装置、减压装置等系统组件共1套,全部检查,合格1套√全/1材料进场检验系统组件进场检验/施工单位 检查评定 综合结果监理(建设)单位验收综合结论项目专业监理工程师(建设单位项目专业负责人): 年 月 日进厂检验合格,符合规范和设计要求项目专业工长:项目专业质检员: 年 月 日共1套,全部检查,合格1套√ 低压二氧化碳灭火系统储存装 置,柜式气体灭火装置、热气 溶胶灭火装置等预制灭火系统第4.3.5条全/1共1套,全部检查,合格1套√第4.3.2条全/1第4.3.4条全/1 灭火剂储存容器内的充装量与 充装压力第4.3.3条全/1第4.2.1条第4.2.2条第4.2.3条第4.2.4条第4.3.1条全/1质量验收依据文件名称及编号《气体灭火系统施工及验收规范》GB50263—2007所属子分检 查 验 收 项 目设计要求及规范规定最小/实际 抽样数量检查记录检查 结果分包单位XXX有限公司项目负责人罗XX 施工依据文件名称及编号《气体灭火系统施工及验收规范》GB50263—2007分部/子分部/分项 (系统/子系统)气体灭火系统施工部位发电机房施工单位XXX有限公司项目负责人邓XX 气体灭火系统施工过程质量检查验收记录GD-C4-6585 单位(子单位)工程名称XXX项目所属分项名称施工单位 检查评定 综合结果监理(建设)单位验收综合结论灭火剂储存装置全/1共1套,全部检查,合格1套√选择阀及信号反馈装置全/1共1套,全部检查,合格1套√灭 火 剂 储 存 装 置 的 安 装选择阀及信号反馈装置的安装系统安装项目专业监理工程师(建设单位项目专业负责人): 年 月 日第5.3.3条第5.3.4条第5.3.5条/进厂检验合格,符合规范和设计要求项目专业工长:项目专业质检员: 年 月 日第5.2.7条第5.2.8条第5.2.9条第5.2.10条第5.3.1条第5.3.2条第5.2.1条第5.2.2条第5.2.3条第5.2.4条第5.2.5条第5.2.6条质量验收依据文件名称及编号《气体灭火系统施工及验收规范》GB 50263—2007所属子分部检 查 验 收 项 目设计要求及规范规定最小/实际 抽样数量检查记录检查 结果分包单位XXX有限公司项目负责人罗XX 施工依据文件名称及编号《气体灭火系统施工及验收规范》GB 50263—2007分部/子分部/分项 (系统/子系统)气体灭火系统施工部位发电机房施工单位XXX有限公司项目负责人邓XX所属 分项 名称√控制组件全/1共1套,全部检查,合格1套√施工单位 检查评定 综合结果√灭火剂输送管道全/1共1套,全部检查,合格1套√喷 嘴全/1共1套,全部检查,合格1套√系 统 安 装阀驱动装置全/1共1套,全部检查,合格1套预制灭火系统全/1共1套,全部检查,合格1套喷嘴的安装预制组件的安装控制组件的安装监理(建设)单位验收综合结论阀驱动装置的安装灭火剂输送管道的安装项目专业监理工程师(建设单位项目专业负责人):年 月 日第5.8.4条/进厂检验合格,符合规范和设计要求项目专业工长:项目专业质检员:年 月 日第5.6.2条第5.7.1条第5.7.2条第5.8.1条第5.8.2条第5.8.3条第5.5.1条第5.5.2条第5.5.3条第5.5.4条第5.5.5条第5.6.1条第5.4.1条第5.4.2条第5.4.3条第5.4.4条第5.4.5条第5.4.6条质量验收依据文件名称及编号《气体灭火系统施工及验收规范》GB 50263—2007所属子分检 查 验 收 项 目设计要求及 规范规定最小/实际 抽样数量检查记录检查 结果分包单位XXX有限公司项目负责人罗XX 施工依据文件名称及编号《气体灭火系统施工及验收规范》GB 50263—2007分部/子分部/分项 (系统/子系统)气体灭火系统施工部位发电机房施工单位XXX有限公司项目负责人邓XX1所属分 项名称模拟启动试验模拟喷气试验模拟切换操作试验系统调试施工单位 检查评定 综合结果项目专业监理工程师(建设单位项目专业负责人): 年 月 日监理(建设) 单位验收 综合结论项目专业工长:项目专业质检员: 年 月 日备用灭火剂储存容器模拟切换操作试验第6.2.3条全/1共1套,全部检查,合格1套√进厂检验合格,符合规范和设计要求模拟启动试验第6.2.1条全/1共1套,全部检查,合格1套√模拟喷气试验第6.2.2条全/1共1套,全部检查,合格1套√质量验收依据文件名称及编号《气体灭火系统施工及验收规范》GB 50263—2007所属子分部检查验收项目设计要求及规范规定最小/实际 抽样数量检查记录检查 结果分包单位XXX有限公司项目负责人罗XX 施工依据文件名称及编号《气体灭火系统施工及验收规范》GB 50263—2007分部/子分部/分项 (系统/子系统)气体灭火系统施工部位发电机房施工单位XXX有限公司项目负责人邓XX 气体灭火系统施工过程质量检查验收记录(续三)GD-C4-6585/3单位(子单位)工程名称XXX项目1所属分 项名称施工单位 检查评定 综合结果监理(建设)单位验收综合结论√设备和灭火剂输送管道全/1共1套,全部检查,合格1套√系统功能全/1共1套,全部检查,合格1套√防护区域或保护对象与储存设备和灭火剂输送管道验收系统功能验收项目专业监理工程师(建设单位项目专业负责人): 年 月 日项目专业工长:项目专业质检员: 年 月 日第7.4.1条第7.4.2条第7.4.3条第7.4.4条/进厂检验合格,符合规范和设计要求系 统 验 收防护区域或保护对象与储存 装置间全/1共1套,全部检查,合格1套第7.3.3条第7.3.4条第7.3.5条第7.3.6条第7.3.7条第7.3.8条第7.2.1条第7.2.2条第7.2.3条第7.2.4条第7.3.1条第7.3.2条质量验收依据文件名称及编号《气体灭火系统施工及验收规范》GB 50263—2007所属子分部检 查 验 收 项 目设计要求及规范规定最小/实际 抽样数量检查记录检查 结果分包单位XXX有限公司项目负责人罗XX 施工依据文件名称及编号《气体灭火系统施工及验收规范》GB 50263—2007施工部位发电机房施工单位XXX有限公司项目负责人邓XX GD-C4-6585/4单位(子单位)工程名称XXX项目分部/子分部/分项 (系统/子系统)气体灭火系统气体灭火系统施工过程质量检查验收记录(续四)。
气体灭火系统施工安装质量记录单位名称日期目录气体灭火系统质量保证资料核查表编号:E-1第册第页气体灭火系统技术交底记录编号:3第册第页气体灭火系统开工报告编号:6第册第页气体灭火系统设备、材料相关证件汇总表编号7注:各种证件整理附后。
第册第页气体灭火系统设备开箱检查记录编号:8第册第页气体灭火系统材料检查记录编号:9第册第页气体灭火系统灭火剂输送管道安装检查记录编号:E-4第册第页气体灭火系统管道支架制作安装检查记录编号:E-5第册第页气体灭火系统管道试压记录编号:E-6第册第页气体灭火系统管道吹扫记录编号:E-7第册第页气体灭火系统管道涂漆防腐记录编号:E-8第册第页气体灭火系统管道隐蔽验收记录编号:E-9第册第页气体灭火剂储存容器安装检查记录编号:E-11第册第页集流管/高压软管/选择阀/阀驱动装置/泄压阀/单向阀/压力开关安装检查记录编号:E-12第册第页气体灭火喷头安装检查记录编号E-13第册第页气体灭火系统电磁阀模拟试验记录编号E-15第册第页气体灭火系统手动报警按钮模拟试验记录编号E-16第册第页气体灭火系统紧急启停按钮模拟试验记录编号E-17第册第页气体灭火系统自动控制模拟喷气试验记录编号:E-18第册第页气体灭火系统手动控制模拟喷气试验记录编号:E-19第册第页气体灭火系统联动试验记录编号:E-21第册第页气体灭火系统调试报告编号:E-22第册第页气体灭火系统自检报告编号E-23第册第页气体灭火系统竣工报告编号:12第册第页气体灭火系统设备移交清单编号:13第册第页扬州市国税局计算中心机房七氟丙烷气体灭火系统竣工资料江苏中安工程设备安装有限公司。
气体灭火系统分部工程观感质量检查评定记录GD3080301单位(子单位)工程名称与抽查点代号相对应的检查评定部位(层、区、段、房、室)施工执行的技术标准(含企业的工艺规程、工法等)名称及编号相关施工图名称及其图号序号检查评定项目项目评定等次抽查点代号及其观感质量评定(在下列三个等次中打“√”选择其一)(以“好”、“一般”、“差”表达)Q1 Q2 Q3 Q4 Q5 Q6 Q7 Q8 Q9 Q10 好一般差1灭火剂输送管道(含管件)敷设2管道支吊架安装(含防腐涂漆3管道的防腐(涂漆)及颜色(字符)标志4 喷嘴安装5灭火剂储存容器安装(含防腐涂漆及颜色、字符标志)容器阀、单向阀、连接管、6集流管、安全泄放装置、检漏装置、减压装置等组件的7安装选择阀、信号反馈装置的安装8拉索式、重力式、电磁式、气动式等阀驱动装置的安装柜式气体、热气溶胶等预制9灭火系统装置及其控制器、声光报警器的安装,以及周围空间环境灭火控制装置组件(含手动、自动转换开关,手动启动10 、停止按钮,声光报警装置,气体喷放指示灯等)的安装分部(子分部、系统)观感质量汇总统计及总体综合评定:专业承包施工单位: 总承包施工单位: 监理单位(建设单位):项目负责人签名及执业资格注册章: 项目负责人签名及执业资格注册章:总监理工程师签名及执业资格注(建设单位项目负责人签名):年月日年月日年月日注:表达与抽查点代号相对应的检查评定部位填写举例:如序号1的项目:抽查点Q1、Q2、Q3(-1F~-3F灭火剂储存容器间);抽查点Q4、Q5、Q6(-1F~-3F高、低压配电房,柴油发电机房);抽查点Q7、Q8、Q9、Q10(1~4F视频监控机房、火灾报警监控机房、计算机房、道路交通监控调度机房)。
序号2的项目:……。