智能电表计量箱
- 格式:docx
- 大小:42.06 KB
- 文档页数:6
用电现场计量箱的智能化管理办法摘要:本文介绍了一种用电现场计量箱的智能化管理办法,通过对计量箱的信息化管理及计量箱门开合情况的智能监控,加大工作人员对计量箱的管理力度,从而增加计量箱及内部开关、电能表、采集器等计量设备的使用寿命。
同时可及时通知工作人员对异常计量箱进行维护,降低现场由于计量箱异常打开造成的用电风险。
关键词:计量箱;用电现场;智能化管理;信息化管理0引言随着计算机技术、网络技术和通讯技术的发展和应用,全面信息化是实现可持续发展和提高市场竞争力的重要保障。
现阶段,用电设备中电表、集中器、负控终端等采集和计量设备,由营销业务应用系统和用电信息采集等信息化系统进行智能化管理,而计量箱这种非计量/采集设备,并没有标准化的管理软件进行统一管理。
现场计量箱人工管理维护难度大,人工巡视耗时耗力,难以形成计量箱的集中化、信息化、智能化管理。
为解决以上问题,节约人力资源成本,拟开展计量箱智能化管理办法的研究,实现对计量箱的信息化管理。
1系统介绍本系统研发基于物联网技术的计量箱智能锁具以及计量箱运行管理软件,使用计量箱智能锁具管理计量箱的授权管理、箱门检测、巡测打卡等功能,将计量箱运行现场的情况实时上传至计量箱运行管理软件,通过软件与智能锁具的配合,实现计量箱的智能化管理,从而降低现场由于计量箱异常打开造成的用电风险。
2系统流程图研发计量箱运行管理系统以及安装在计量箱内的智能锁具,使用智能锁具管理计量箱的授权管理、箱门检测、巡测打卡等功能,并将计量箱运行现场的情况实时上传至计量箱运行管理系统,通过系统与锁具的配合,实现计量箱的智能化监控及管理。
主要系统框架如图1。
图1 系统框架研制具有远程通讯功能的计量箱智能锁具,负责所有计量箱的监控和运维,具备计量箱开合记录实时监控、信息验证、现场维护人员巡测记录调度等功能。
对专变计量箱加大管理力度,使用专人专用或与工单绑定的密码锁具,做到“计量箱主人制管理”、“钥匙主人制管理”。
国家电网公司集中规模招标采购(省公司组织实行)第四批项目招标文献智能居民计量箱通用技术规范河南省电力公司6月目录1 总则............................................................................................................. 错误!未定义书签。
2 重要技术根据......................................................................................... 错误!未定义书签。
3 技术规定................................................................................................... 错误!未定义书签。
4 提供资料................................................................................................... 错误!未定义书签。
5 供货与运营质量保证规定......................................................................... 错误!未定义书签。
6 违约责任..................................................................................................... 错误!未定义书签。
1总则1.1本技术规范合用于河南省电力公司系统(如下简称“公司系统”)配网降损改造及电能采集建设工程智能居民计量箱招标采购,它涉及技术指标、机械性能、适应环境、功能规定、电气性能、抗干扰及可靠性等方面技术规定、验收规定以及供货、质保、售后服务等规定。
电力计量箱知识点总结一、电力计量箱的概念电力计量箱是用于测量和记录电力消费的一种设备,它用于监测电力的使用情况并进行计量。
电力计量箱一般安装在用户的用电设备旁边,用以记录用电量和电力参数,同时也可以起到保护和控制电力设备的作用。
二、电力计量箱的组成电力计量箱一般由电能表、接线端子、开关、保险和电缆等组成。
1. 电能表是电力计量箱中最重要的组成部分,它用于测量用电量和电力参数,一般安装在电力计量箱的正面。
2. 接线端子用于连接电源和用电设备,它可以将电力输送到用电设备,也可以将用电设备的电能传输到电能表进行测量。
3. 开关用于控制用电设备的开关,可以进行手动和自动控制,同时也可以对电路进行隔离和接通。
4. 保险用于保护电力设备,一旦发生电路故障,保险会自动融断,起到保护作用。
5. 电缆用于连接电能表和用电设备,将电能传输到需要的地方。
三、电力计量箱的功能电力计量箱主要有以下几个功能:1. 电能测量功能:通过电能表进行用电量和功率的测量,记录用户的用电情况。
2. 用电控制功能:通过开关对用电设备进行控制,可以手动或自动控制用电设备的开关。
3. 电路保护功能:通过保险和断路器对电路进行保护,一旦发生电路故障可以迅速切断电源,起到保护作用。
4. 电能计费功能:将用电量和功率参数传输给电力公司,用于计费和结算用户的用电费用。
5. 数据记录功能:记录用户的用电情况,对用电量和功率进行存储和管理,方便用户查询和电力公司监测。
四、电力计量箱的安装电力计量箱的安装需要遵守一定的规范和标准,一般需要考虑以下几个方面:1. 安装位置:电力计量箱一般安装在用电设备旁边,保证电能表和用电设备的连接简洁、牢固。
2. 安装高度:电力计量箱需要安装在较为低的位置,便于用户查询和维护。
3. 接线方式:电力计量箱的接线需要符合电气安装标准,要求电线接线牢固、整齐,符合电气规范。
4. 地线接地:电力计量箱需要进行地线接地,保证用电设备的安全运行。
智能电表成功计量解决方案样本随着科技的发展和能源问题的日益突出,智能电表作为一种能够实时监测和计量用电情况的新型设备,在能源管理和节能减排方面发挥着重要的作用。
本文将探讨____年智能电表成功计量解决方案。
首先,智能电表的成功计量解决方案需要具备高精度的计量能力。
传统的电表在计量上存在一定的误差,无法准确地反映用户的实际用电情况。
而智能电表凭借着先进的技术和算法,可以实现高精度的用电计量。
通过采集电网的电压、电流等信息,并结合电能表监测电能流动情况,智能电表可以准确地测量用户的用电量,并及时反馈给用户。
这样,用户就能够真实地了解自己的用电情况,进而合理安排用电,实现节能减排的目标。
其次,智能电表的成功计量解决方案还需要具备智能化的功能。
智能电表不仅能够实时监测和计量用电情况,还可以通过与其他智能设备的联动,实现自动化的用电控制。
例如,智能电表可以与智能家居系统相连,根据用户的生活习惯和用电需求,自动调整家电的用电状态,以达到节能减排的效果。
此外,智能电表还可以与电力公司的信息系统相连,实现用电信息的及时传输和数据的分析。
这样,电力公司可以根据用户的用电情况,进行合理的电网规划和能源分配,提高能源的利用效率。
再次,智能电表的成功计量解决方案需要具备安全可靠的性能。
由于智能电表与用户的用电信息直接相关,因此在数据传输和隐私保护方面需要具备高度的安全性。
一方面,智能电表的数据传输应采用加密算法,确保数据的传输过程不被非法获取或篡改。
另一方面,智能电表应对用户的用电数据进行隐私保护,确保用户的个人信息不被泄露。
此外,智能电表的设计和制造也需要遵守相关标准和规范,确保电表的质量和可靠性,减少故障和事故的发生。
最后,智能电表的成功计量解决方案还需要具备便捷易用的特点。
智能电表应设计简洁、操作方便,使用户能够轻松地了解和使用电表的功能。
同时,智能电表的显示界面应清晰明了,能够直观地显示用电信息。
此外,智能电表应具备远程控制和远程查询的功能,让用户能够随时随地地监控和管理自己的用电设备。
电表箱含义GCK、GCS、MNS是低压抽出式开关柜;GGD、GDH、PGL是低压固定式开关柜;XZW综合配电箱;ZBW箱式变电站;XL、GXL低压配电柜、建筑工地箱;JXF电器控制箱;PZ20、PZ30系列终端照明配电箱;PZ40、XDD(R)电表计量箱PXT(R)K-□/□-□/□-□/□-□/IP□系列规格型号解释:(1)PXT明装配电箱,暗装加(R)(2)K有如表1的系列配线方式(3)□/□额定电流/额定短时耐受电流能力:用数字表示,250/10表示:额定电流250A/额定短时耐受电流能力10kA,根据顾客要求可以降低。
(4)□/□进线型式:□/1单相输入;□/3三相输入;1/3表示混合输入(5)□×□出线回路:单相回路×三相回路,6×3单相6回路,三相3回路(6)□/ □ 主开关型式/防护等级;1/IP30单相主开关/IP30;3/IP30三相主开关/IP30表1:序号汉语拼音字头中文解释装配图号电气原理图号1 JL 计量箱PXT01 PXT01 dq系列2 CZ 插座箱PXT02 PXT02 dq系列3 ZM 照明箱PXT03 PXT03 dq系列4 DL 动力箱PXT04 PXT04 dq系列5 JC 计量插座箱PXT05 PXT05 dq系列6 JZ 计量照明箱PXT06 PXT06 dq系列7 JD 计量动力箱PXT07 PXT07 dq系列8 ZC 照明插座箱PXT08 PXT08 dq系列9 DC 动力插座箱PXT09 PXT09 dq系列10 DZ 动力照明箱PXT10 PXT10 dq系列11 HH 混合功能箱PXT11 PXT11 dq系列12 ZN 智能箱PXT12 PXT12 dq系列电气箱柜名称编号规格型号高压开关柜AH高压计量柜AM高压配电柜AA高压电容柜AJ低压电力配电箱柜AP低压照明配电箱柜AL应急电力配电箱柜APE应急照明配电箱柜ALE低压负荷开关箱柜AF低压电容补偿柜ACC或ACP 直流配电箱柜AD操作信号箱柜AS控制屏台箱柜AC继电保护箱柜AR计量箱柜AW励磁箱柜AE低压漏电断路器箱柜ARC双电源自动切换箱柜AT多种电源配电箱柜AM刀开关箱柜AK电源插座箱AX建筑自动化控制器箱ABC火灾报警控制器箱AFC设备监控器箱ABC住户配线箱ADD信号放大器箱ATF分配器箱AVP接线端子箱AXT举例说明吧GCK第一个G 代表配电柜第二个C 代表抽屉式第三个K 代表控制GGD第一个G 代表配电柜第二个G 代表固定式第三个D 代表动力AL-CK是低压照明配电箱柜(抽屉式控制) AT-DT是电梯控制箱AP-DT低压电梯电力配电箱柜。
附件:智能电能表装拆施工作业标准1适用范围本标准适用于智能电能表装拆施工过程及相关工艺控制。
包括高压用户三相电能表新装;高压用户三相电能表更换;低压用户经互感器式三相电能表新装;低压用户经互感器式三相电能表更换;低压用户直通式三相电能表新装;低压用户直通式三相电能表更换;单相电能表新装;单相电能表更换;智能表(外置开关)表下微型断路器安装工艺要求;低压表箱安装工艺要求。
2编制依据国家电网安监 [2009]664号国家电网公司电力安全工作规程闽电安监〔 2010〕 75 号关于印发福建省电力有限公司操作票、工作票实施细则的通知国家电网营销〔2009〕138 号关于印发《国家电网公司营销安全风险防范与管理规范(试行)》和《国家电网公司营销安全风险防范工作手册(试行)》的通知营综〔 2009〕 18 号关于印发《福建省电力有限公司 2009 年营销安全风险防范工作措施》的通知DL/ T825- 2002 电能计量装置安装接线规则3-3-营计 [2011]57号关于印发《低压电能表装拆安全措施( 试行 ) 》的通知营计 [2010]70号关于印发关口电能计量装置等技术规范的通知营计 [2011]20 号关于印发《低压智能电能表外置开关和RS485通信线安装接线规范》和《用户侧入户线微型断路器选型说明书》的通知3作业准备3.1 开工前准备开工前应做好现场勘察、填写工作票(含事故应急抢修单、低压工作任务单等)、确定停电时间、施工材料领用、开具装表派工单及领表、现场粘贴换表告知书、进行换表前底度拍照、表后线核对、做好停电及安全措施布置。
3.2 主要工器具及仪器带电绝缘工具、安全带、接地线、警示牌、梯子、万用表、护目镜、纱手套、电能表现场校验仪、验电笔、电钻、常用工器具等。
4电能表装拆4.1 电能表装拆作业流程(流程图见图1~图 8)高压用户三相电能表新装按照安全规定要求做好安全措施。
4-4-检查计量装置密封性等是否符合有关规范要求。
智能表箱解决方案智能表箱2019 年,国家电网公司正式提出建设“三型两网、世界一流”能源互联网企业的战略目标。
旨在进一步发挥好电网枢纽的平台作用,挖掘、利用好“电网大数据”价值,建立企业、客户乃至社会各方互融互通、互动共享的物联网体系,推动企业乃至社会发展智能升级。
研发应用的“新型智能表箱” 不仅可以大大提高电网企业管理效率和效益,提高服务客户的能力和水平,还将推动相关产业换代升级,开启计量辅助装置的“中国制造”新时代。
将物联网技术、人工智能技术、电量监测、报警等现代信息传感技术有机地融于“电表箱机体”,使其迅速换代升级为具备安全防护、负荷管理、设备监测、故障排查、以及防控窃电、智能互动等功能的“新型智能表箱”。
现状——传统电表箱理念单纯、设计简陋、风险重重目前大街小巷在运行的电能表箱存在诸多缺陷。
如:电表箱功能单一、箱体老化严重、安全措施较低、查找位置困难;表箱锁型号繁杂并容易生锈、损坏,不仅佩戴钥匙不便而且损坏后无法准确判断、记录、更换;箱体老旧破损无法远程判断,打开箱门无记录、无痕迹、无报警,任何人任何时间可以随意打开,人身、用电、运维风险无时不在。
究其原因,主要是现有所谓多功能表箱企业受制于行业定位,从设计理念开始便将其定位于一个简单的“置物装置”,设计过程更是偏重于造型、材料、防火、绝缘等基础,而忽略了对其附载功能的开发和利用,从而导致生产出来的产品完全不具备融合一线业务、对接营销系统、实现互通互联等条件,距离泛在电力物联网更是差距甚远。
为此,着眼于智能电表箱智能化、内涵式设计,结合泛在电力物联网的发展趋势、现今电能表箱的运行状态、客户和操作人员的人身安全防护以及提高优质服务客观业务需求与痛点分析,提出了智能物联网新型电表箱(以下简称“智能表箱”) 的全新设计理念。
即利用物联网技术将电能表、采集终端、负控断路器等先进技术与传统设备结合在一起,使“电表箱”这一实物载体成为融合多方需求和专业业务解决方案的电网末端智能客户服务装置,利用先进的通讯技术,通过采集电力相关参量和现场信息,实时监控电力运行状态,同时兼备现场作业指导、应急远程通讯和窃电防范等功能,实现了对传统电表箱的数字化、智能化、融合化改造,为日后融入5G、人工智能等新技术提供了支撑面。
电能计量箱工艺流程图电能计量箱是用于电能计量和监测的设备,其主要由电能计量装置、仪表以及相应的配电和接地装置组成。
下面就是电能计量箱的工艺流程图。
第一步:确定需求和设计方案在开始制作电能计量箱之前,首先需要确定需求和设计方案。
这包括确定计量点的类型和数量,以及箱体的尺寸、材料和布局等。
同时,还需要根据实际情况确定电能计量装置和仪表的型号和规格。
第二步:制作箱体制作电能计量箱的第一步是制作箱体。
首先,需要根据设计方案选择合适的材料,一般使用优质的金属材料,如不锈钢或铝合金。
然后,根据箱体的尺寸和布局,使用机械设备进行切割、焊接和折弯等工艺,制作出箱体的外壳和隔板。
第三步:安装电能计量装置和仪表制作好箱体后,接下来需要安装电能计量装置和仪表。
首先,需要根据实际情况选择适当的电能计量装置,一般使用电能表或智能电能表。
然后,根据设计方案,将电能计量装置固定在箱体内部的固定座上,并通过导线连接到电源线路。
同时,还需要安装相应的仪表,如电压表、电流表和功率表等,用于监测电能的各项参数。
根据设计方案,将仪表安装在箱体的合适位置,并通过导线连接到电源线路和电能计量装置。
第四步:安装配电和接地装置安装完成电能计量装置和仪表后,还需要安装配电和接地装置。
这包括安装断路器、电源插座以及接地线等。
根据设计方案,将断路器和电源插座安装在箱体内部的合适位置,并通过导线连接到电源线路和电能计量装置。
同时,还需要安装接地线,确保电能计量箱与地面之间有良好的接地连接。
根据设计方案,将接地线安装在箱体的合适位置,并通过导线连接到接地装置。
第五步:调试和测试安装完成配电和接地装置后,还需要进行调试和测试。
这包括检查电能计量装置和仪表的连接是否正确以及功能是否正常。
同时,还需要测试电能计量箱的绝缘和接地性能,确保其符合相关标准和要求。
第六步:质检和验收调试和测试完成后,还需要进行质检和验收。
质检包括检查电能计量箱的制作工艺和外观质量是否符合要求。
(一)智能表箱施工方案⑴箱体的顶部、底部、左右侧及中间隔层应密封,箱门、面板及观察窗应不能被拆卸。
⑵箱门与门框相邻两平行边之间的缝隙≤2mm,用户负荷开关单元与其它单元的间隙应满足IP30要求。
⑶开孔或开槽部分缝隙≤1.5mm/m。
⑷进出线孔应有防止刮伤导线的绝缘密封圈(防水帽),密封圈(防水帽)必须安装牢固、完好,进出导箱体的导线(电缆)与敲落孔之间的缝隙应能满足防护等级IP30要求。
导线(电缆)进出箱体部位应密封(推荐绝缘套管或加装绝缘板方式)。
⑸各单元之间除留有电缆走线孔洞外,其它部位不得留有间隙,走线孔应有绝缘密封圈,绝缘密封圈必须安装牢固、完好。
(二)箱内主要元件技术要求1、表前单元应设置与计费容量相匹配隔离刀闸。
用户负荷开关应采用四极形式,容量应与用户计费容量相匹配。
2、50A以上的计量箱应配置s级计量用电流互感器;电流互感器必须是经过我计量中心检验合格的精度为0.2S级的产品,并贴有合格证。
其额定二次负荷应与实际负载相适应。
电流互感器应安装在表前单元内。
3、计量用电流互感器固定铭牌、极性标志采用浇注式,铭牌上标注的出厂编号和变比等信息必须清晰可辨,并能有效防止被拆换。
4、计量用电流互感器二次接线端子处应具有可实施铅封的防护罩。
5、用户负荷开关单元应设有可供用户操作的有明显断开点的装置,应在醒目位置设置“严禁带负荷拉刀闸”的安全标志。
6、用户负荷开关单元面板上(负荷开关负荷侧)应装设有供用户监视用电情况的三相电流和三相电压测量设备。
7、电能表单元中应装设有16个信号端子的试验接线盒。
8、计量箱内各单元的设备布置在满足安全性及其它安装要求的基础上应充分利用空间,做到布置合理、美观。
9、计量箱所选用的设备和材料应取得:⑴全国工业产品生产许可证;⑵必须取得中国质量认证中心颁发的“CCC”质量认证证书;⑶企业通过ISO9001质量体系认证。
(三)接线方式1 电流互感器一次宜采用过渡铜排接线方式,铜排尺寸应与计费容量匹配,且应有相别标识。
Q/GDW河南省电能信息采集与管理系统第4-1部分:A型智能计量箱技术标准目录前言 (III)1范围 (4)2引用标准 (4)3定义 (4)4产品主要参数和配置 (4)5正常工作条件和安装条件 (5)6计量箱技术特点 (5)7试验方法 (7)8检验规则 (8)9标志、包装、运输、贮存 (9)10辅助表格 (9)前言为了满足电力用户用电信息采集系统建设中高供低计专变电能计量箱改造的需要,特制订本技术条件。
本规范制订时参考了相关国家标准、行业标准和国家电网公司企业标准。
制订过程中多次召集科研、电力部门和生产单位的有经验的专家共同讨论,广泛征求意见。
本规范规定了高供低计专变计量箱的结构、试验方法、检验规则和型式要求等。
本规范适用于电力用户用电信息采集系统建设中高供低计专变计量箱的制造、检验、使用和验收。
本标准由河南省电力公司营销部提出;本标准由河南省电力公司科技部归口。
本标准起草单位:本标准主要起草人:胡占廷宋伟杨乃贵秦楠王喜峰王凯新王建安梁青云郑慧娟1范围本规范规定了用于高供低计专公变用户的计量箱要求、试验方法、检验规则以及标志、包装、运输、储存等。
本规范适用于额定电压为交流400V, 50Hz的三相单表电能计量箱(以下简称计量箱)。
电能计量箱生产厂家应通过国家强制性产品认证,并获得相应3C证书。
2引用标准GB 7251.1-2005 低压成套开关设备和控制设备第一部分:型式试验和部分型式试验成套设备GB 7251.3-2006 低压成套开关设备和控制设备第三部分:对非专业人员可进入场地的低压成套开关设备和控制设备----- 配电板的特殊要求GB 14048.1-2006 低压开关设备和控制设备第一部分:总则GB/T 191-2008 包装储运图示标志GB 4208-2008 外壳防护等级(IP代码)GB/T 762-2002 标准电流等级《国家电网公司输变电工程典型设计220V~750kV 电能计量装置分册》2007.63定义3.1本标准引用的有关定义符合GB7251.1,GB7251.3规定。
电力计量箱电力计量箱是电力系统中的一种常见设备,用于测量和记录电力系统中的电能消耗。
它通常包括电表、断路器、继电器等组成部分。
在电力系统运行过程中,电力计量箱起着重要的作用,可以为电力系统的安全、稳定运行提供保障。
电力计量箱的分类根据电力系统中的不同用途,电力计量箱可以分为以下几种类型:1. 低压电力计量箱低压电力计量箱通常被安装在低压电气终端箱中,用于测量和记录小型电力系统中的电能消耗。
它通常包括电表、断路器、计量继电器等装置。
低压电力计量箱的测量范围一般在0.5A~2000A之间,电压为220V/380V。
2. 高压电力计量箱高压电力计量箱通常被安装在电气主接线柜或开关柜中,用于测量和记录大型电力系统中的电能消耗。
它通常包括电表、断路器、计量继电器等装置。
高压电力35kV。
计量箱的测量范围一般在5A5000A之间,电压为33. 公用电力计量箱公用电力计量箱通常在电力公司的高压变电站中安装,用于测量和记录公共电力系统中的电能消耗。
它通常包括电表、变压器、断路器、计量继电器等装置。
公用电力计量箱的测量范围一般在10A5000A500kV。
之间,电压为35kV电力计量箱的组成部分电力计量箱通常由以下组成部分组成:1. 电表电表是电力计量箱中的核心装置,用于测量电能消耗。
根据测量方法的不同,电表可以分为机械式电表、电子式电表和智能电表等类型。
机械式电表是传统的电表,工作原理是利用电磁感应原理,将电能转化为机械运动。
电子式电表则是利用电子器件进行测量,具有测量准确、结构简单、体积小等优点。
智能电表则是集成了通信、计算、保护等多种功能的电表,可以通过远程控制和管理电力系统。
2. 断路器断路器是电力计量箱中用于切断电路的保护装置,可以防止过载、短路等情况下电路损坏。
断路器的作用是在电路出现故障需要停电时,通过手动或自动控制进行切断电流。
断路器也可以用于实现线路的隔离保护。
3. 继电器计量继电器是电力计量箱中的一种装置,用于测量电能消耗,并将测量结果传输到计算机、显示器等设备上。
智能电表的知识点总结一、智能电表的概念及作用智能电表是一种能够自动记录和上传电能使用信息的电表,它通常配备有远程通讯模块,能够实时传输用电信息到电力公司或者用户管理系统,从而实现用电监控、计量和管理。
智能电表的出现使得用电数据的采集和管理更加便捷和高效,有助于电力管理部门和用户更好地了解电能使用情况,从而提高用电效率和节约能源。
智能电表作为电力系统中的一种新型智能设备,其主要作用如下:1. 实时电能监控。
智能电表可以实时记录电能使用情况,包括用电量、功率、电压、电流等信息,能够帮助电力公司和用户实时了解用电情况。
2. 用电数据远程传输。
智能电表配备有远程通讯模块,能够将用电数据传输到电力公司或用户管理系统,实现远程监控和管理。
3. 用电行为分析。
智能电表可以记录用户的用电行为,通过数据分析,了解用户的用电习惯和用电特点,为电力调度和用电管理提供数据支持。
4. 节能用电。
通过监控和分析用户用电情况,智能电表能够提供节能用电建议,帮助用户合理使用电能,降低用电成本。
二、智能电表的技术原理智能电表的技术原理主要涉及电能计量、数据采集、通讯传输和数据处理等方面。
1. 电能计量。
智能电表通过电能计量芯片来实现对电能的准确计量。
电能计量芯片是一种集成了计量电路、数字信号处理和通讯接口的芯片,能够实时采集电能使用情况,并通过通讯模块上传到数据中心。
2. 数据采集。
智能电表通过数据采集模块,包括传感器、采集芯片等,实时采集用电数据,包括电压、电流、功率等信息,并进行数据处理和存储。
3. 通讯传输。
智能电表通过通讯模块,如GPRS、NB-IoT、LoRa等无线通讯方式,将采集到的用电数据上传到电力公司或用户管理系统,实现远程监控和管理。
4. 数据处理。
智能电表通过内置的数据处理单元,可以对采集到的用电数据进行处理和分析,生成报表、统计分析等,为电力公司和用户提供详细的用电信息。
三、智能电表的类型按安装方式不同,智能电表可以分为集中式智能电表和分布式智能电表两种类型。
电能计量箱电能计量箱是一种用于计量电能消耗的设备,通常安装在建筑物或工业设施的电路中。
它能够测量电的功率、电流和电压等参数,并根据这些数据计算出消耗的电能。
电能计量箱是现代工业生产和家庭用电管理的重要装置之一,下面将介绍电能计量箱的构成、工作原理以及应用场景。
构成电能计量箱的主要构成部分包括电源模块、电流互感器、电压互感器、计量模块和通信模块等。
其中,电源模块是整个设备的能量来源,提供设备运行所需的电能。
电流互感器和电压互感器则分别测量电路中的电流和电压,计量模块则计算出电能的消耗量,最后通过通信模块将结果传输至电能管理系统中。
不同的电能计量箱在构成方面可能略有不同,但基本原理是相同的。
工作原理电能计量箱的工作原理可分为以下几个步骤:1.电源模块对电路中的电能进行采样和转换,将电能转换为直流电能;2.电流互感器和电压互感器分别测量电路中的电流和电压并转换为小信号;3.计量模块对测量数据进行采样和处理,并计算出功率、电流和电能等参数;4.通信模块将计算结果传输至电能管理系统中,并显示在电能计量箱的本地显示屏上。
电能计量箱的工作原理基于电流互感器和电压互感器的使用。
电流互感器是一种安装在电流线路上的传感器,通过变压器原理将电路电流转换为小信号,并将信号传递至计量模块。
电压互感器则是一种安装在电压线路上的传感器,通过变压器原理将电压转换为小信号,并将信号传递至计量模块。
计量模块根据电流和电压测量信号计算出消耗的电能,并通过通信模块将数据传递至电能管理系统中,实现对电能的计量和管理。
应用场景电能计量箱是一种广泛采用的电能计量设备,在工业和家庭用电管理中有着重要的应用。
以下是电能计量箱的主要应用场景:1.建筑物和社区用电管理:电能计量箱可用于度量住宅和商业建筑物的用电情况,为业主提供用电量报表和电费管理服务。
2.工业生产应用:电能计量箱可用于工业场所,包括制造厂、生产工厂和矿山等,以便管理用电情况并为企业提供用电成本控制服务。
电能计量箱,单相,6表位,非金属目录1.总则 (2)2.规范性引用文件 (2)3.术语和定义 (2)4.技术要求 (2)5.试验及基本性能要求 (6)6.试验报告 (8)7.包装、运输及储存 (8)8.采购要求 (8)9.样品确认及抽样检测 (8)10.到货验收 (9)附表:单只单相6表位非金属材料电能计量箱主要材料配臵表 (10)附图1:计量室导线布局及导线头处理图 (11)附图2:单相智能电能表外形尺寸 (12)附图3:单相6表位非金属材料电能计量箱外形参考图 (14)11.总则本技术规范规定了额定电压为220V/380V、额定频率为50Hz的单相非金属材料电能计量箱的分类、技术要求、试验等。
本技术规范适用于安装单相电能表的电能计量箱的招标采购、设计、制造、检验、安装和验收。
2.规范性引用文件下列标准中的条款通过本规范的引用而成为本规范的条款。
DL/T 448-2000 电能计量装臵技术管理规程DL/T 5137-2001 电测量及电能计量装臵设计技术规范DL/T 825-2002 电能计量装臵安装接线规则GB/T 16934-1997 电能计量柜GB 50096-6 1999 住宅设计规范第六部分:建筑设备GB 4208-2008 外壳防护等级(IP代码)GB 7251.1—2005 低压成套开关设备和控制设备第一部分:型式试验和部分型式试验成套设备GB 7251.3—2006 低压成套开关设备和控制设备第三部分:对非专业人员可进入现场的低压成套开关设备和控制设备—配电板的特殊要求GB 50254-1996 电气装臵安装工程低压电器施工及验收规范GB 50058-1992 爆炸和火灾危险环境电力装臵设计规范GB/T2408-1996 塑料燃烧性能试验方法:垂直、水平燃烧法Q/GDW 347-2009 电能计量装臵通用设计GB 17466.1-2008 家用和类似用途固定式电气装臵电器附件安装盒和外壳3.术语和定义a)进线单元电能计量箱接受供电电源部件,用于安装塑壳断路器、铜排接线端子(盒)、公用计量电能表等。
运行温度对智能电能表内置电池使用寿命影响武超飞; 吴跃斌; 孙冲; 史轮; 李涵【期刊名称】《《电源技术》》【年(卷),期】2019(043)009【总页数】4页(P1505-1508)【关键词】智能电能表; Li/SOCl2电池; 运行温度; 建模分析; Adaboost算法【作者】武超飞; 吴跃斌; 孙冲; 史轮; 李涵【作者单位】国网河北省电力有限公司电力科学研究院河北石家庄050021; 国网河北省电力有限公司河北石家庄050021【正文语种】中文【中图分类】TM911.1智能电能表的时钟电池具有为智能电能表在停电时的信息存储、特殊事件记录、时钟正常运转等供电功能[1]。
在智能电能表运行过程中,由于智能电能表中印刷线路板用电(以下简称“线路板用电”)、表计程序异常、环境影响等原因,会造成时钟电池在要求的寿命周期内出现电池欠压,导致表计时钟错乱、冻结电量转存时间错误[2]、分时电量和阶梯电量计量不准确及特殊事件无法记录等故障。
智能表中具有运行寿命长、运行环境温度高等特征。
电能表内置电池容量主要消耗在电池自放电及电能表线路板用电中,而这两者均与温度有紧密关系。
目前,关于电池充电模型及寿命预测方面的研究,主要集中于智能手机、电动汽车用锂离子电池及配电网用蓄电池[3]等二次电池,关于智能电能表使用的锂亚硫酰氯电池(Li/SOCl2,一次电池)研究较少。
在Li/SOCl2电池使用寿命研究中,文献[2]研究了智能电能表时钟电池故障的原因,对故障案例进行了失效原理分析。
文献[4]基于线性回归法建立数学模型,分析了脉冲电压与Li/SOCl2电池剩余电量的关系,但在电能表实际应用中难以对其内置电池进行脉冲电压试验。
文献[5]试验测量了存储温度、时长与电池剩余容量的关系,基于最小二乘法进行拟合,得出了不同温度下的分段多项式模型,但预测范围仅限于该文献试验中温度及存储时长。
本文实际测量了电能表安装环境下计量箱内温度。
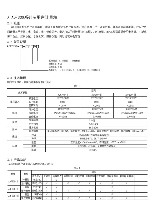
智能电表计量箱智能电表计量箱E2型计量箱技术规范二○一一年五月四日智能电能表的计量箱技术规范1.1本技术规范适用于(以下简称“公司”)城、农网户外单相计量箱它包括技术指标、机械性能、适应环境、功能要求、电气性能、抗干扰及可靠性等方面的技术要求。
1.2 本技术规范主要的技术依据为以下规范,生产产品应满足下述规GB 4208-1993 《外壳防护等级的分类》 GB 132-1996 《材料产烟毒性分级》GB 7251.1-97 《低压成套开关设备和控制设备》GB 7251.3-97 对非专业人员可进入场地的低压成套开关设备和控制设备-配电板的特殊要求GB 7251.5-1998 《低压成套开关设备和控制设备》第五部分:对户外公共场所的成套设备--动力配电网用电缆分线箱(CDCs )的特殊要求GB 7251.3-1997《低压成套装置》GBJ63-1990 《电力装置的电测量仪表装置设计规范》 GB191-1990 《包装储运图示标志》 GB /T-16934 《电能计量柜》GB50254 《电气安装工程低压电器施工及验收规范》 GB191 《包装储运图示标志》GB/T 23641-20 《电气用纤维增强不饱和聚酯模塑料(SMC/BMC)》 GB/T 22470-2021 《电气用环保型模塑料通用要求》 GB2681 《电工成套装置中的导线颜色》 GB2682 《电工成套装置中的指示灯和按钮颜色》 GB7251 《低压成套开关设备》GB1048-89 《固体绝缘材料工频电气强度的试验方法》 GB50054-95 《低压配电设计规范》GB1408.2 《低压断路器》 IEC255-21-1 《振动试验标准》 IEC255-21-1 《冲击和碰撞实验标准》 DL447-91 《电能计量柜》DL/T448-2000 《电能计量装置技术管理规范》 Q/GDW 347-2021 《电能计量装置通用设计规范》 Q/GDW 355-2021 《单相智能计量箱型式规范》 JB/T 2930-1991 《低压电器产品型号编制办法》JB5777.2-1991 《电力系统二次电路用控制及机电保护屏(柜、台)通用技术条件》JB5777.3-1991 《电力系统二次电路用控制及机电保护屏(柜、台)基本技术条件》JB/T2930-1991 《低压电器产品型号编制办法》2 计量箱材质及基本参数2.1材质与工艺2.1.1计量箱材质为SMC (不饱和聚酯玻璃纤维增强型片状模塑料)SMC 片材由上下二层薄膜夹芯片材,中玻纤含量为25%,玻纤为均匀1英寸(25.4mm )长度。
计量箱箱体颜色为电机灰。
采用SMC 材质的电能计量表箱,箱体板材厚度:1-2表位厚度2.5-3mm ;4表位及以上厚度为3.5-4.5mm 。
箱体表面其表面应平整光滑无气泡、砂眼,明显凹凸,接口及开孔处不得有毛刺及纤维。
2.1.2 箱体材料基本参数在检测条件为温度23℃、湿度50﹪,依据Q /HQC4002-2021检测标准,SMC 材料主要技术参数应符合下表规定:耐高温性能:表箱在高温125±2℃时,保存2个小时,其箱体不得有软化、变形及强度变化等现象。
耐低温性能:电表箱在低温-60±2℃条件下,保存2个小时,外箱体不得有裂纹、破坏和变形及强度变化等现象。
2.2 使用条件 2.2.1 环境条件海拔高度:<3000米空气温度:室外最高温度+80℃,最低温度-40℃;室内最高温度+60℃,最低温度-40℃;相对湿度:日平均值≤55% 地震烈度:8级 2.2.2 工程条件安装方式:户外杆上、墙壁悬挂污秽等级:3级 2.2.3 使用寿命≥20年2.3 箱体尺寸和结构要求计量箱外观结构和安装尺寸除满足Q/GDW 347—2021要求外,还应该满足以下要求。
2.4 箱体尺寸单相计量箱中单相智能电能表与相邻智能电能表之间水平距离不小于30mm 、垂直距离不小于60mm ;单相智能电能表与箱体之间距离不小于40mm ;接线盒与周围壳体结构件之间的间距不应小于60mm 。
箱体结构见(附录B ),下表规定表箱的尺寸范围(包含箱体厚度,但不包含箱体外附件尺寸)。
2.5箱体结构要求2.5.1计量箱的设计和结构应能保证在额定条件下使用时不引起任何危险。
一表位,二表位采用上下结构箱体:上边为电表室,下边为进出开关室,装设表前开关,电能表、采集器及采集器开关和485端子等的区域简称电能表室,装设开关的区域简称开关室,电能表室、开关室分别装设单独开启的门,箱盖与箱体采用上扣侧开形式。
开关室小门不用外力可以自动合盖。
小门和箱体统一水平上开式四表位及以上箱体采用左右结构箱体:左边为进线开关箱,右边上方安装电表,下方安装出线用户开关,表箱箱体连接处科学合理,装卸简单、牢固耐用。
箱盖与箱体采用上扣侧开形式,即:箱盖顶部与箱底顶部采用倒挂防水闭合方式(如图1),结合铰接式侧门轴(门轴必须是不锈钢材质),箱盖开启时,先将箱盖上推,解除顶部的倒挂防水配合后向侧位开启箱盖;箱盖闭合时,箱盖与箱体挂接后自动下落至闭合位置。
一表位箱体左下角应有挂锁孔,封铅孔及三角螺丝固定。
多表位单相表箱内的开关、电能表分别装设在独立的区域内,装设电能表、采集器及采集器开关和485端子等的区域简称电能表室,装设开关的区域简称开关室,电能表室、开关室分别装设单独开启的门,多表位应在箱体内带有挂锁挂鼻,三角带封铅螺丝,锁具上有自动复位小门。
不用外力可以自动合盖。
小门和箱体统一水平上开式。
能够加挂专用锁和一次性防窃电施封锁,方便计量箱加锁封闭,同时锁鼻便于维修。
电能表观察窗处为两层设计(见图二),外盖材质与箱体一致,防雨、上翻式、不透明,闭合后与箱门在同一水平面;内观察窗可采用中分子聚碳酸酯材料,厚度不小于2. mm;表箱视窗为内嵌卡扣固定方式安装,不可在外部拆卸,视窗固定应无外露的固定螺丝,视窗与箱体连接处应密封、防水。
计量箱内电能表安装位置设计符合智能电能表尺寸要求,同时三点固定螺丝加长。
满足多次换表的要求。
计量箱内均采用线槽布线,线槽上需配置线槽盖,布线设计合理、工艺美观大方。
计量箱内有标明与住户对应关系的位置,多表位计量箱的进线开关(总开关与分开关)、电能表及用户开关分别装设在彼此独立的进线开关室、电能表室,可分别装设独立开启的门,并可加挂专用锁和封铅。
2.5.2内部配置箱体内上部预留电表安装位,下部安装进出线端子、485端子,计量箱内电能表安装位置设计符合智能电能表尺寸要求,满足插卡和复位要求。
对应电表安装位置预埋4点铜嵌件(依据《单相智能电能表型式规范Q/GDW355-2021》, 电表安装点为三点,三角形布置,上部安装位置分上下两个挂点,与下部安装点间距分别为150/140mm,上部设两个安装点)。
每个表位配备三个电能表固定螺丝(单独装袋)。
箱体下部预安装留进线分线盒和出线端子的铜嵌件若干,满足安装需求。
计量箱内均采用线槽布线,线槽上需配置线槽盖,布线设计合理、工艺美观大方。
2.5.3箱盖形式箱盖正面有加强筋,箱盖上按表位数量留出相应数量的观察窗,电能表观察窗处为双层设计,外层为具有自动复位功能的SMC 防护门,不用外力可以自动合盖,防护门向上开启,闭合后与箱盖处于同一平面上,无突出、卡涩、变形。
内层为插卡观察窗,采用进口pc (聚碳酸酯)(采用日本三菱、美国JE 等品牌),厚度不小于2.0mm ,预留插卡和复位孔(一体),复位孔必须光滑,表箱视窗为内嵌卡扣固定方式安装,不可在外部拆卸,视窗固定应无外露的固定螺丝,视窗与箱体连接处应密封、防水。
并有不少于4个螺丝在内侧与壳罩固定,正面不得看到安装螺丝。
见图二。
2.6封闭性要求计量箱必须为防雨设计,特别是计量箱的顶部、左右两边、外露的开关操作手柄处,表后开关室配有上翻式盖电表观察窗采用SMC 外防护门和采用带小型防护门插卡孔的内层观察窗,应在满足智能预付费电能表的插卡读数、复位按钮操作需要的同时达到密封、防尘、防雨。
计量箱体背部设百叶窗式通风孔,以便箱体内部空气对流,百叶窗采用内向凸出式设计,开口防止雨水入侵,并在内侧加防止异物进入的200目防护网。
进线孔和出线孔采用电缆防水接头以加强此处的防护。
2.7防窃电要求表箱结构整体关合严密,外形美观、牢固无损、能够开合自如、具备防撬功能,从结构上防止箱盖受重力影响变形。
多表位铅封锁位应为置于箱体内部,如在外部必须加装防水罩以保证金属锁具免受雨水侵蚀而生锈;农网计量箱表箱门不允许用户开启,供电部门统一配锁。
2.8操作要求计量箱视窗满足国家电网智能电能表(Q/GDW 355-2021)操作要求。
计量箱的门能大于90度打开,便于现场工作。
计量箱进线总开关安装在进线开关室内,手柄外露,在遇漏电或火灾危险时,用户可以自行拉闸断电。
表后开关室可选用有过流保护跳闸功能的微型断路器,开关的操作手柄外露,在电能表室门不被打开的情况下允许用电客户进行停送电操作。
单相费控智能电能表安装后表前面板与表箱视窗面板垂直距离为5mm~20mm之间。
2.9安装要求为保证安装质量,组合式箱体必须具备满足墙壁安装和杆上横担安装要求,箱体四角各有加固通孔,直径9mm 。
进线口由表箱生产厂家在箱体左上侧部开好,出线口由施工单位根据现场情况使用开孔器开孔,并配合电缆防水接头敷设出线;表箱生产厂家按下面的要求配备足够数量的可拆卸式非金属电缆防水螺旋式接头,供货时单独包装,四表位及以下配2个、六表及以上配3个。
2.10 元器件及装配工艺要求 2.10.1基本要求、箱体中进、出线断路器应选择有3C 认证的产品,必须标明生产厂家、型号参数并提供产品检测报告。
应设置分级保护,满足选择性、灵敏性要求。
单相电能计量多表箱采用“电能表前安总开关、分线盒,采集器微断,485端子,电能表后安装断路器”的方式,4表位以上单相电能计量表箱应设置开关箱,总进线箱配置断路器。
-塑壳断路器应符合GB/T 14048.2标准要求;。
单表位箱体设置进线微断总开关,电能表后安装断路器供应商提供其型号、参数和产品检测报告。
2.10.2箱体装配要求2.10.2.1箱体预装断路器、进线断路器配套的开关分线盒、零线排、接线盒、表后微型断路器等元器件。
农网E2型表箱不预装断路器,需安装卡槽式接线端子。
计量箱中配置元器件价格应包含在投标总价中;配置表如下:*采集器控制开关、零线排、总进线断路器、分线盒、485端子,表后微型断路器40A/2P数量单位为“个”,2.10.2.2开关箱进线断路器技术参数2.10.2.3箱体预敷设断路器、分线盒、485端子,电表、等元器件之间导线,导线采用铜质导线,采用线槽布线,要求布线设计合理、工艺美观大方;规则为A 相黄色、B 相绿色、C 相红色、N (中性线)黑色。