高三物理总复习 牛顿运动定律 传送带模型
- 格式:ppt
- 大小:569.00 KB
- 文档页数:17
传送带模型1、一水平传送带以2m/的速度做匀速直线运动,传送带两端的距离为20m,将一物体轻轻的放在传送带一端,物体由一端运动到另一端所需的时间t=11,求物体与传送带之间的动摩擦因数μ(g=10m/2)2、如下图所示,倾角为30°的光滑斜面的下端有一水平传送带,传送带正以6 m/速度运动,运动方向如图所示.一个质量为m的物体物体可以视为质点,从h=3.2 m高处由静止沿斜面下滑,物体经过A点时,不管是从斜面到传送带还是从传送带到斜面,都不计其速率变化.物体与传送带间的动摩擦因数为,物体向左最多能滑到传送带左右两端AB的中点处,重力加速度g=10 m/2,则:1物体由静止沿斜面下滑到斜面末端需要多长时间2传送带左右两端AB间的距离LAB为多少3如果将物体轻轻放在传送带左端的B点,它沿斜面上滑的最大高度为多少点自由滑下,通过粗糙的静止水平传送带以后落到地面上Q点,若传送带的皮带轮沿逆时针方向转动起来,使传送带随之运动,如图7所示,再把物块放到6m0.25m10m 3.0m0.45m0 m3.0m1.0m8.3m1kg2m=20g的子弹v0=300m/水平向右的速度正对射入木块并穿出,穿出速度u=50m/,以后每隔1就有一颗子弹射向木块,设木块沿AB方向的长度可忽略,子弹射穿木块的时间极短,且每次射入点各不相同, 取g=10m/2,问:在被第二颗子弹击中前,木块向右运动离A点的最大距离是多少2木块在传送带上最多能被多少颗子弹击中3木块在传送带上的最终速度多大4在被第二颗子弹击中前,木块、子弹和传送带这一系统所产生的热能是多少8、、2022·全国I一水平的浅色长传送带上放置一煤块可视为质点,煤块与传送带之间的动摩擦因数为μ.初始时,传送带与煤块都是静止的.现让传送带以恒定的加速度a0开始运动,当其速度达到V o后,便以此速度做匀速运动.经过一段时间,煤块在传送带上留下了一段黑色痕迹后,煤块相对于传送带不再滑动.求此黑色痕迹的长度9、如图示,传送带与水平面夹角为370 ,并以v=10m/运行,在传送带的A端轻轻放一个小物体,物体与传送带之间的动摩擦因数μ=,AB长16米,求:以下两种情况下物体从A到B所用的时间(1)传送带顺时针方向转动(2)传送带逆时针方向转动10、如图所示,传送带与水平面间的倾角为θ=37。
专题强化五传送带模型和“滑块—木板”模型【素养目标】 1.会对传送带上的物体进行受力分析,能正确解答传送带上物体的动力学问题.2.能正确运用动力学观点处理“滑块—木板模型”.题型一传送带模型1.模型特点传送带问题一般分为水平传送带、倾斜传送带两种类型,其实质是物体与传送带间的相对运动问题.2.解题关键(1)理清物体与传送带间的相对运动方向及摩擦力方向是解决传送带问题的关键.(2)传送带问题还常常涉及临界问题,即物体与传送带达到相同速度,这时会出现摩擦力改变的临界状态,对这一临界状态进行分析往往是解题的突破口.3.“传送带”问题解题思路考向1 动力学中水平传送带问题例 1 如图1所示为地铁的包裹安检装置,其传送包裹部分可简化为如图2所示的传送带示意图.若安检时某乘客将可视为质点的包裹静止放在传送装置的最左端,传送装置始终以v0=0.5 m/s的速度顺时针匀速运动,包裹与传送装置间的动摩擦因数为μ=0.05,传送装置全长l=2 m,包裹传送到最右端时乘客才能将其拿走,重力加速度g=10 m/s2.(1)求当包裹与传送装置相对静止时,包裹相对于传送装置运动的距离;(2)若乘客将包裹放在传送装置上后,立即以v=1 m/s的速度匀速从传送装置最左端走到传送装置的最右端,求乘客要想拿到包裹,需要在传送装置最右端等待的时间.考向2 动力学中的倾斜传送带问题例 2[2023·江苏常州月考]图甲为某口罩生产车间实景图,图乙为车间中两段传送带简化图,1为长度L1=2 m的水平传送带,2为长度L2=1 m、倾角θ=37°的倾斜传送带.现将质量m=0.2 kg的口罩盒(包括口罩)从静止开始轻轻地放在传送带1的右端点a处,口罩盒(包括口罩)到达传送带1左端点b处刚好与传送带1的速度相等.口罩盒(包括口罩)与传送带1、2之间的动摩擦因数分别为μ1=0.4、μ2=0.5.口罩盒(包括口罩)在连接点b处滑上传送带2时速度大小不变,两传送带均逆时针转动,已知sin 37°=0.6,cos 37°=0.8,重力加速度取g=10 m/s2.求:(1)传送带1的速度大小v1;(2)要使口罩盒(包括口罩)能够运送至c点(传送带2的最上端),则传送带2的最小速度大小;(3)增大传送带1、2的速度,则口罩盒(包括口罩)从a到达c的最短时间.针对训练1.(多选)如图甲所示,倾斜的传送带以恒定速率v1沿顺时针方向转动,传送带的倾角为37°.一物块以初速度v2从传送带的底部冲上传送带并沿传送带向上运动,其运动的v-t图像如图乙所示,物块到达一定高度时速度为零,sin 37°=0.6,cos 37°=0.8,g=10 m/s2,则( )A.传送带的速度为4 m/sB.物块上升的竖直高度为0.96 mC.物块与传送带间的动摩擦因数为0.5D.物块所受摩擦力方向一直与物块运动方向相反题型二“滑块—木板”模型1.模型特点:滑块(视为质点)置于木板上,滑块和木板均相对地面运动,且滑块和木板在摩擦力的作用下发生相对滑动.2.两种常见类型类型图示3.解题关键点(1)由滑块与木板的相对运动来判断“板块”间的摩擦力方向.(2)当滑块与木板速度相同时,“板块”间的摩擦力可能由滑动摩擦力转变为静摩擦力或者两者间不再有摩擦力(水平面上共同匀速运动).例 3[2023·广东珠海模拟](多选)如图甲所示,上表面粗糙的平板小车静止于光滑水平面上.t=0时,小车以速度v0向右运动,将小滑块无初速度地放置于小车的右端,最终小滑块恰好没有滑出小车,如图乙所示为小滑块与小车运动的v-t图像,图中t1、v0、v1均为已知量,重力加速度大小为g.由此可求得( )A.小车的长度B.小滑块的质量C.小车在匀减速运动过程中的加速度D.小滑块与小车之间的动摩擦因数针对训练2.[2023·吉林一中期中]如图所示,质量为m=2 kg的物体A与质量为M=1 kg的物体B叠放在光滑水平面上,两物体间动摩擦因数为μ=0.2,一水平向右的力F作用在A物体上(设最大静摩擦力等于滑动摩擦力,g取10 m/s2),则( )A.当F=4 N时,两物体即将发生相对运动B.当F=5 N时,两物体一定发生相对运动C.当F=8 N时,B物体的加速度为4 m/s2D.当F=12 N时,A物体的加速度为4 m/s23.[2023·人大附中月考](多选)如图所示,质量为M=1 kg的长木板放在光滑的水平面上,质量为m=2 kg的滑块(可视为质点)放在长木板的左端,两者之间的动摩擦因数为μ=0.2.某时刻用F=9 N的水平恒力作用在长木板上,经t=1 s后撤去力F,最终滑块恰好没有滑离长木板.若重力加速度g取10 m/s2,则下列说法正确的是( )A.撤去力F时长木板的速度为3 m/sB.撤去力F时滑块的速度为2 m/sC.滑块最终的速度为3 m/sD.长木板的长度为1.5 m专题强化五传送带模型和“滑块—木板”模型题型一例1 解析:(1)设包裹的质量为m,包裹加速阶段的加速度大小为a,则由牛顿第二定律可得μmg=ma解得a=0.5 m/s2包裹加速到v0所用的时间为t1=v0a解得t1=1 sat12t1时间内包裹的位移大小为x1=12解得x1=0.25 mt1时间内传送装置的位移大小为x2=v0t1解得x2=0.5 m故包裹相对于传送装置运动的距离为Δx=x2-x1=0.25 m.(2)包裹在传送装置上匀速运动的时间为t2=l−x1v0解得t2=3.5 s乘客从传送装置的最左端走到最右端所用的时间为t3=lv解得t3=2 s故乘客需要在传送装置最右端等待的时间为Δt=t1+t2-t3=2.5 s.答案:(1)0.25 m (2)2.5 s例2 解析:(1)分析知,口罩盒(包括口罩)放上传送带1后一直做匀加速直线运动,根据牛顿第二定律,有μ1mg=ma,解得a=4 m/s2根据运动学公式有v12=2aL1,解得v1=4 m/s.(2)若传送带2不转动,则口罩盒(包括口罩)向上运动的加速度一直保持不变,大小为a 1=μ2mg cos θ+mg sin θm=g (μ2cos θ+sin θ)=10 m/s 2口罩盒(包括口罩)在传送带2上向上运动的最远距离为s max =v 122a1=0.8 m<L 2所以口罩盒(包括口罩)无法运动到c 点若传送带2的速度大于4 m/s ,则口罩盒(包括口罩)向上运动的加速度一直保持不变,大小为a 2=mg sin θ−μ2mg cos θm=g (sin θ-μ2cos θ)=2 m/s 2口罩盒(包括口罩)在传送带2上向上运动的最远距离为s ′max =v 122a2=4 m>L 2所以口罩盒(包括口罩)运动到c 点时速度不为零 设传送带2的速度大小为v 时,恰好能将口罩盒(包括口罩)运送至c 点.据以上信息可知,v 一定满足0<v <4 m/s ,则口罩盒(包括口罩)在传送带2上先做加速度大小为a 1=10 m/s 2的匀减速直线运动,当口罩盒(包括口罩)与传送带的速度相等时,开始做加速度大小为a 2=2 m/s 2的匀减速直线运动,到达c 点时速度恰好为零.由逆向思维法,有s 1=v −12v22a1,s 2=v 22a 2,s 1+s 2=L 2,解得v =1 m/s.(3)口罩盒(包括口罩)在传送带1上运动的时间不随传送带1、2的速度增大而变化,则有L 1=12at 12,解得t 1=1 s当传送带2的速度足够大时,口罩盒(包括口罩)在传送带2上一直做加速度大小为2 m/s 2的匀减速直线运动,则有L 2=v 1t 2−12a 2t 22解得t 2=(2-√3)s 或t ′2=(2+√3)s 舍去则口罩盒(包括口罩)从a 到达c 的最短时间为t =t 1+t 2=(3-√3)s. 答案:(1)4 m/s (2)1 m/s (3)(3-√3)s1.解析:如果v 2小于v 1,则物块向上做减速运动时加速度不变,与题图乙不符,因此物块的初速度v 2一定大于v 1,结合题图乙可知物块减速运动到与传送带速度相同时,继续向上做减速运动.由此可以判断传送带的速度为2 m/s ,A 错误;物块的位移等于v t 图线与横轴所围的面积,即L =12×(4+2)×0.2 m+12×1×2 m=1.6 m ,则上升的竖直高度为h =L sin θ=0.96 m ,B 正确;0~0.2 s 内,加速度a 1=Δv Δt =2.0−4.00.2m/s 2=-10 m/s 2,加速度大小为10 m/s 2,根据牛顿第二定律得a 1=mg sin θ+μmg cos θm=10 m/s 2,解得μ=0.5,C 正确;在0~0.2 s 内,摩擦力方向与物块的运动方向相反,0.2~1.2 s 内,摩擦力方向与物块的运动方向相同,D 错误.答案:BC题型二例3 解析:最终小滑块恰好没有滑出小车,由图像可求出小车的长度L =v 1+v 02t 1-v12t 1=v02t 1,故A 正确;根据图像可以求出小车做匀减速直线运动的加速度以及小滑块做匀加速直线运动的加速度,但无法求出小滑块的质量,故B 错误;根据v t 图像可知小车做匀减速直线运动的加速度大小,即a =v 0−v 1t 1,故C 正确;对小滑块,由v t 图像可知小滑块做匀加速直线运动的加速度大小,即a =v1t 1,再由牛顿第二定律得a =Ff m =μmg m=μg ,联立解得小滑块与小车之间的动摩擦因数μ=v1gt 1,故D 正确.答案:ACD2.解析:当A 、B 刚要滑动时,静摩擦力达到最大值,设此时它们的加速度为a 0,根据牛顿第二定律,对B 有a 0=μmg M=4 m/s 2,对A 、B 整体有F =(m +M )a 0=3×4 N=12 N ,所以当F ≤12 N 时,A 、B 相对静止,一起向右做匀加速运动,A 、B 、C 错误;当F =12 N 时,A 物体的加速度为a =F−μmg m=12−42m/s 2=4 m/s 2,D 正确.答案:D3.解析:力F 作用在长木板上后,由牛顿第二定律可得μmg =ma 1,F -μmg =Ma 2,解得滑块和长木板的加速度分别为a 1=2 m/s 2,a 2=5 m/s 2,撤去力F 时滑块和长木板的速度分别为v 1=a 1t =2 m/s ,v 2=a 2t =5 m/s ,故A 错误,B 正确;撤去力F 后,由动量守恒定律可得mv 1+Mv 2=(m +M )v ,解得滑块最终的速度为v =3 m/s ,故C 正确;撤去力F 前,滑块在长木板上移动的距离为Δx 1=12a 2t 2-12a 1t 2=1.5 m ,撤去力F 后,由能量守恒定律可得μmg ·Δx 2=12mv +1212Mv 22-12(m +M )v 2,解得Δx 2=0.75 m ,则长木板的长度为L =Δx 1+Δx 2=2.25 m ,故D 错误.答案:BC。
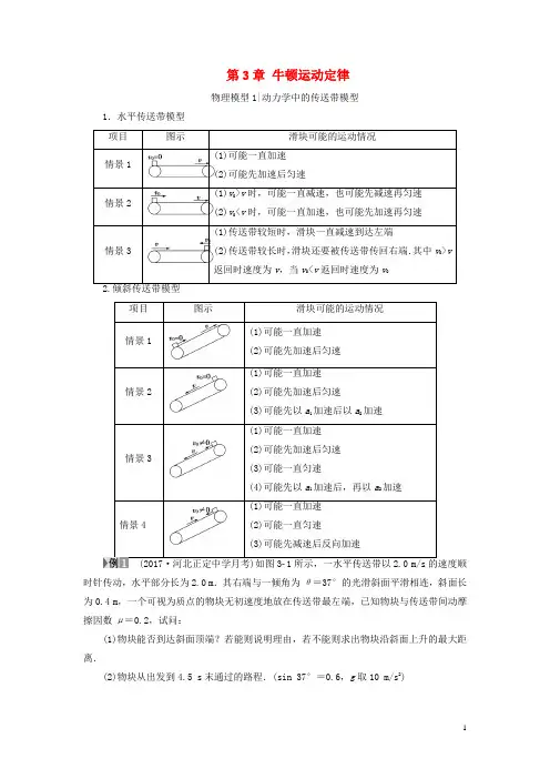
送带模型1.模型特征(1)水平传送带模型项目图示滑块可能的运动情况情景1(1)可能一直加速(2)可能先加速后匀速情景2(1)v0>v时,可能一直减速,也可能先减速再匀速(2)v0<v时,可能一直加速,也可能先加速再匀速情景3(1)传送带较短时,滑块一直减速达到左端(2)传送带较长时,滑块还要被传送带传回右端。
其中v0>v返回时速度为v,当v0<v返回时速度为v0(2)倾斜传送带模型项目图示滑块可能的运动情况情景1(1)可能一直加速(2)可能先加速后匀速情景2(1)可能一直加速(2)可能先加速后匀速(3)可能先以a1加速后以a2加速情景3(1)可能一直加速(2)可能一直匀速(3)可能先加速后匀速(4)可能先减速后匀速(5)可能先以a1加速后以a2加速(6)可能一直减速情景4(1)可能一直加速(2)可能一直匀速(3)可能先减速后反向加速(4)可能一直减速2. 注意事项(1)传送带模型中要注意摩擦力的突变①滑动摩擦力消失②滑动摩擦力突变为静摩擦力③滑动摩擦力改变方向(2)传送带与物体运动的牵制。
牛顿第二定律中a 是物体对地加速度,运动学公式中S 是物体对地的位移,这一点必须明确。
(3) 分析问题的思路:初始条件→相对运动→判断滑动摩擦力的大小和方向→分析出物体受的合外力和加速度大小和方向→由物体速度变化再分析相对运动来判断以后的受力及运动状态的改变。
【典例1】如图所示,传送带的水平部分长为L ,运动速率恒为v ,在其左端无初速放上木块,若木块与传送带间的动摩擦因数为μ,则木块从左到右的运动时间可能是( )A.L v +v 2μgB.L vC.2L μgD.2L v【答案】 ACD【典例2】如图所示,倾角为37°,长为l =16 m 的传送带,转动速度为v =10 m/s ,动摩擦因数μ=0.5,在传送带顶端A 处无初速度地释放一个质量为m =0.5 kg 的物体.已知sin 37°=0.6,cos 37°=0.8,g =10 m/s 2.求:(1)传送带顺时针转动时,物体从顶端A 滑到底端B 的时间; (2)传送带逆时针转动时,物体从顶端A 滑到底端B 的时间. 【答案】 (1)4 s (2)2 s【典例3】如图所示,与水平面成θ=30°的传送带正以v =3 m/s 的速度匀速运行,A 、B 两端相距l =13.5 m 。
第3章牛顿运动定律物理模型1|动力学中的传送带模型1.水平传送带模型时针传动,水平部分长为2.0 m.其右端与一倾角为θ=37°的光滑斜面平滑相连,斜面长为0.4 m,一个可视为质点的物块无初速度地放在传送带最左端,已知物块与传送带间动摩擦因数μ=0.2,试问:(1)物块能否到达斜面顶端?若能则说明理由,若不能则求出物块沿斜面上升的最大距离.(2)物块从出发到4.5 s末通过的路程.(sin 37°=0.6,g取10 m/s2)图31【解析】 (1)物块在传送带上先做匀加速直线运动 μmg =ma 1s 1=v 202a 1=1 m<L所以在到达传送带右端前物块已匀速 物块以v 0速度滑上斜面-mg sin θ=ma 2 物块速度为零时沿斜面上升的距离s 2=-v 202a 2=13 m由于s 2<0.4 m ,所以物块未到达斜面的最高点. (2)物块从开始到第一次到达传送带右端所用的时间t 1=2s 1v 0+L -s 1v 0=1.5 s物块第一次在斜面上往返的时间t 2=-2v 0a 2=23s物块再次滑到传送带上速度仍为v 0,方向向左-μmg =ma 3 向左端发生的最大位移s 3=-v 202a 3,所用时间t 3=-v 0a 3=1 s又物块向左的减速过程和向右的加速过程中位移大小相等,故4.5 s 末物块在斜面上速度恰好减为零故物块通过的总路程s =L +3s 2+2s 3解得s =5 m.【答案】 (1)不能 13 m (2)5 m[突破训练]1.(多选)如图32甲所示,绷紧的水平传送带始终以恒定速率v 1运行.初速度大小为v 2的小物块从与传送带等高的光滑水平地面上的A 处滑上传送带.若从小物块滑上传送带开始计时,小物块在传送带上运动的v t 图象(以地面为参考系)如图乙所示.已知v 2>v 1,则( )【导学号:92492152】甲乙图32A.t2时刻,小物块离A处的距离达到最大B.t2时刻,小物块相对传送带滑动的距离达到最大C.0~t2时间内,小物块受到的摩擦力方向向右D.0~t3时间内,小物块始终受到大小不变的摩擦力作用BC[相对地面而言,小物块在0~t1时间内向左做匀减速运动,t1~t2时间内又反向向右做匀加速运动,当其速度与传送带速度相同时(即t2时刻),小物块开始向右做匀速运动,故小物块在t1时刻离A处距离最大,选项A错误.相对传送带而言,在0~t2时间内,小物块一直相对传送带向左运动,故一直受向右的滑动摩擦力,在t2~t3时间内,小物块相对于传送带静止,小物块不受摩擦力作用,因此t2时刻小物块相对传送带滑动的距离达到最大值,选项B、C正确,选项D错误.]物理模型2|动力学中的“滑块、滑板”模型1.模型特点涉及两个物体,并且物体间存在相对滑动.2.两种位移关系滑块由滑板的一端运动到另一端的过程中,若滑块和滑板同向运动,位移之差等于板长;反向运动时,位移之和等于板长.3.解题思路(1)审题建模求解时应先仔细审题,清楚题目的含义、分析清楚每一个物体的受力情况、运动情况.(2)求加速度准确求出各物体在各运动过程的加速度(注意两过程的连接处加速度可能突变).(3)明确关系找出物体之间的位移(路程)关系或速度关系是解题的突破口.求解中更应注意联系两个过程的纽带,每一个过程的末速度是下一个过程的初速度.(2017·江西师大附中模拟)如图33所示,质量M=10 kg、上表面光滑的足够长的木板在F=50 N的水平拉力作用下,以初速度v0=5 2 m/s沿水平地面向右匀速运动.现有足够多的小铁块,它们的质量均为m=1 kg,将一铁块无初速地放在木板的最右端,当木板运动了L=1 m时,又无初速地在木板的最右端放上第2块铁块,只要木板运动了L=1 m 就在木板的最右端无初速放一铁块.试问.(g取10 m/s2)图33(1)第1块铁块放上时,木板的速度多大? (2)最终木板上放有多少块铁块?(3)从第1块铁块放上去之后,木板最大还能运动多远?【导学号:92492153】【规范解答】 (1)木板最初做匀速运动,由F =μMg 计算得出,μ=F Mg=0.5 第1块铁块放上后,木板做匀减速运动,即有:F -μ(M +m )g =Ma 1代入数据计算得出:a 1=-0.5 m/s 2根据速度位移关系公式,有:v 21-v 20=2a 1L ,计算得出v 1=7 m/s.(2)设最终有n 块铁块能静止在木板上,则木板运动的加速度大小为:a n =-μnmgM第1块铁块放上后:v 21-v 20=2a 1L 第2块铁块放上后:v 22-v 21=2a 2L 第n 块铁块放上后:v 2n -v 2n -1=2a n L由上可得:-(1+2+3+…+n )×2μmg ML =v 2n -v 20木板停下时,v n =0,得n =9.5,即最终木板上放有10块.(3)从放上第1块铁块至刚放上第9块铁块的过程中,由(2)中表达式可得:+2×2⎝⎛⎭⎪⎫μmg M L =v 20-v 29从放上第10块铁块至木板停止运动的过程中,设木板发生的位移为d ,则: 2⎝⎛⎭⎪⎫10μmg M d =v 29-0联立计算得出:d =0.5 m 所以:木板共运动9.5 m.【答案】 (1)v 1=7 m/s (2)10块 (3)9.5 m [突破训练]2.如图34甲所示,长木板B 固定在光滑水平面上,可看做质点的物体A 静止叠放在B 的最左端.现用F =6 N 的水平力向右拉物体A ,经过5 s 物体A 运动到B 的最右端,其v t 图象如图乙所示.已知A 、B 的质量分别为1 kg 、4 kg ,A 、B 间的最大静摩擦力等于滑动摩擦力,g 取10 m/s 2.图34(1)求物体A 、B 间的动摩擦因数;(2)若B 不固定,求A 运动到B 的最右端所用的时间.【导学号:92492154】【解析】 (1)根据v t 图象可知物体A 的加速度为a A =Δv Δt =105m/s 2=2 m/s 2以A 为研究对象,根据牛顿第二定律可得F -μm A g =m A a A解得μ=F -m A a Am A g=0.4. (2)由题图乙可知木板B 的长度为l =12×5×10 m=25 m若B 不固定,则B 的加速度为a B =μm A g m B =0.4×1×104m/s 2=1 m/s 2设A 运动到B 的最右端所用的时间为t ,根据题意可得12a A t 2-12a B t 2=l解得t =7.07 s.【答案】 (1)0.4 (2)7.07 s高考热点|动力学中的多过程问题综合运用牛顿第二定律和运动学知识解决多过程问题,是本章的重点,更是每年高考的热点.解决“多过程”问题的关键:首先明确每个“子过程”所遵守的规律,其次找出它们之间的关联点,然后列出“过程性方程”与“状态性方程”.(2017·河南林州市专项练习)如图35所示,一圆环A 套在一均匀圆木棒B 上,A 的高度相对B 的长度来说可以忽略不计,A 和B 的质量都等于m ,A 和B 之间滑动摩擦力为f (f <mg ).开始时B 竖直放置,下端离地面高度为h ,A 在B 的顶端,如图所示,让它们由静止开始自由下落,当木棒与地面相碰后,木棒以竖直向上的速度反向运动,并且碰撞前后的速度大小相等.设碰撞时间很短,不考虑空气阻力,在B 再次着地前,A 、B 不分离.图35(1)请描述在从开始释放到B 再次着地前的过程中,A 、B 各自的运动情况,并解出匀变速运动时的加速度大小;(2)B 至少应该多长?【解析】 (1)释放后A 和B 相对静止一起做自由落体运动,加速度大小都为a =g ,B 与地面碰撞后,A 继续向下做匀加速运动,加速度大小a A =mg -fm,B 竖直向上做匀减速运动,加速度大小a B =mg +fm,B 速度减为零后,继续以加速度a B 向下运动. (2)B 着地前瞬间的速度为v 1=2gh ,B 与地面碰撞后向上运动到再次落回地面所需时间为t =2v 1a B ,在此时间内A 的位移x =v 1t +12a A t 2,要使B 再次着地前A 不脱离B ,木棒长度L 必须满足条件L ≥x ,联立以上各式,解得L ≥8m 2g 2mg +f2h .【答案】 (1)见解析 (2)8m 2g2mg +f 2h[突破训练]3.(多选)如图36甲所示,物块的质量m =1 kg ,初速度v 0=10 m/s ,在一水平向左的恒力F 作用下从O 点沿粗糙的水平面向右运动,某时刻后恒力F 突然反向,整个过程中物块速度的平方随位置坐标变化的关系图象如图乙所示,g 取10 m/s 2.下列选项正确的是( ) 【导学号:92492155】甲 乙图36A.0~5 s内物块做匀减速运动B.在t=1 s时刻,恒力F反向C.恒力F大小为10 ND.物块与水平面间的动摩擦因数为0.3BD[根据题图乙可知,物块先匀减速运动到x=5 m处,此时速度减为零,之后向右做匀加速直线运动,加速运动到x=13 m处时速度达到8 m/s,设物块在匀减速运动时的加速度大小为a1,在匀加速运动时的加速度大小为a2,则a1=v202x1=1022×5m/s2=10 m/s2,a2=v2t2x0=82-m/s2=4 m/s2,所以物块做匀减速运动的时间为t=v0a1=1 s,在t=1 s时刻,恒力F反向,选项A错误,B正确;根据牛顿第二定律有F+μmg=ma1,F-μmg=ma2,联立并代入数据可得,F=7 N,μ=0.3,选项C错误,D正确.]。
高三物理知识点传送带模型高三物理知识点:传送带模型传送带模型是物理学中对运动的描述和解释的一种简化模型。
它常被用来说明物体在平稳运动状态下的变化规律和相关的物理概念。
本文将介绍传送带模型的基本原理和应用,以及与高考物理相关的知识点。
一、传送带模型的基本原理传送带模型基于以下假设:1. 假设传送带平稳运行,即传送带的速度保持不变;2. 假设系统在相对运动中处于稳态,即不受到外力的干扰;3. 假设传送带的运动与物体的运动具有良好的耦合性。
在传送带模型中,我们可以将物体视作一个质点,其运动状态由位置、速度和加速度等因素决定。
通过对物体所受的驱动力和阻力进行分析,可以得到物体在传送带上的运动规律。
二、传送带模型的应用1. 平抛运动:传送带模型可以用来解释物体在水平平面上的平抛运动。
在这种情况下,传送带的速度影响了物体的水平速度,而垂直方向的运动受到重力的影响。
根据传送带模型,物体的横向速度与传送带速度相等,而垂直速度受到重力加速度的影响。
这样,我们可以推导出物体在水平平面上的轨迹、飞行时间和最大高度等参数。
2. 斜抛运动:传送带模型也可以应用于物体在斜面上的抛体运动。
在这种情况下,传送带的速度和斜面的倾角会对物体的运动产生影响。
根据传送带模型,物体的速度可以分解为沿斜面和垂直斜面的分量。
这样,我们可以得到物体在斜面上的运动规律,包括滑动距离、飞行时间和最大高度等参数。
三、与高考物理相关的知识点传送带模型是理解和应用以下高考物理知识点的基础:1. 运动规律:通过传送带模型,我们可以更深入地理解运动物体的速度、加速度和运动规律。
包括匀速直线运动、匀加速直线运动等。
2. 平衡力分析:传送带模型可以帮助我们分析物体所受的平衡力和非平衡力。
比如,在平抛运动中,物体的横向速度受到传送带的平衡力,而垂直速度受到重力的非平衡力。
3. 牛顿定律:传送带模型也可以用来解释和应用牛顿定律。
在斜抛运动中,我们可以分析物体受到的斜面作用力和重力作用力,并根据牛顿定律推导运动方程。
考点巩固卷传送带模型建议用时:50分钟考点序号考点题型分布考点1水平传送带模型3单选+2多选+2解答考点2倾斜传送带模型3单选+3多选考点3传送带模型中的划痕问题5多选考点01:水平传送带模型(3单选+2多选+2解答)一、单选题1(2023·全国·模拟预测)如图所示,水平传送带以恒定速度v=16m/s顺时针匀速运行,左右两端A、B之间距离L=16m。
现将一质量m=2kg可看做质点的物块轻轻放到传送带A端,同时对物块施加一水平向右的恒力F=10N。
已知物块与传送带之间的动摩擦因数为μ=0.30,重力加速度g=10m/s2。
物块从A端运动到B端的过程中,下列说法正确的是()A.物块从A端运动到B端的过程先匀加速运动后匀速运动B.物块从A端运动到B端的时间t=1sC.摩擦力对物块做功W=96JD.物块运动到B端时,恒力F的瞬时功率P=200W2(2023春·河北·高三校联考阶段练习)如图所示为速冻食品加工厂生产和包装饺子的一道工序。
将饺子轻放在匀速运转的足够长的水平传送带上,不考虑饺子之间的相互作用和空气阻力。
关于饺子在水平传送带上的运动,下列说法正确的是()A.饺子一直做匀加速运动B.传送带的速度越快,饺子的加速度越大C.饺子由静止开始加速到与传送带速度相等的过程中,增加的动能等于因摩擦产生的热量D.传送带多消耗的电能等于饺子增加的动能3(2023·全国·高三专题练习)如图甲所示,将一物块P轻轻放在水平足够长的传送带上,取向右为速度的正方向,物块P最初一段时间的速度-时间图像如图乙所示,下列描述正确的是()A.小物块一直受滑动摩擦力B.传送带做顺时针的匀速运动C.传送带做顺时针的匀加速运动D.小物块最终有可能从图甲的左端滑下传送带二、多选题4(2023·甘肃兰州·统考一模)近年来网上购物的飞速增长催生了物流行业的快速发展。
牛顿运动定律的应用-牛顿运动定律的应用之传送带模型一、模型特征一个物体以速度v0(v0≥0)在另一个匀速运动的物体上开始运动的力学系统可看做“传送带”模型,如图 (a)、(b)、(c) 所示。
二、传送带模型的一般解法①确定研究对象;②分析其受力情况和运动情况,(画出受力分析图和运动情景图),注意摩擦力突变对物体运动的影响;③分清楚研究过程,利用牛顿运动定律和运动学规律求解未知量。
三、注意事项1. 传送带模型中要注意摩擦力的突变①滑动摩擦力消失②滑动摩擦力突变为静摩擦力③滑动摩擦力改变方向2.传送带与物体运动的牵制。
牛顿第二定律中a是物体对地加速度,运动学公式中S是物体对地的位移,这一点必须明确。
3. 分析问题的思路:初始条件→相对运动→判断滑动摩擦力的大小和方向→分析出物体受的合外力和加速度大小和方向→由物体速度变化再分析相对运动来判断以后的受力及运动状态的改变。
【名师点睛】1. 在确定研究对象并进行受力分析之后,首先判定摩擦力突变(含大小和方向)点,给运动分段。
传送带传送的物体所受的摩擦力,不论是其大小的突变,还是其方向的突变,都发生在物体的速度与传送带速度相等的时刻。
物体在传送带上运动时的极值问题,不论是极大值,还是极小值,也都发生在物体速度与传送带速度相等的时刻。
v物与v传相同的时刻是运动分段的关键点,也是解题的突破口。
2. 判定运动中的速度变化(即相对运动方向和对地速度变化)的关键是v物与v传的大小与方向,对二者的比较是决定解题方向的关键。
3. 在倾斜传送带上需比较mg sin θ与F f的大小与方向,判断F f的突变情况。
4. 考虑传送带长度——判定临界之前是否滑出;物体与传送带共速以后物体是否一定与传送带保持相对静止。
四、传送带模型问题包括水平传送带问题和倾斜传送带问题1. 水平传送带问题项目 图示滑块可能的运动情况情景1 (1)可能一直加速 (2)可能先加速后匀速情景2 (1)v 0>v 时,可能一直减速,也可能先减速再匀速 (2)v 0<v 时,可能一直加速,也可能先加速再匀速情景3 (1)传送带较短时,滑块一直减速达到左端(2)传送带较长时,滑块还要被传送带传回右端。
mA B v 高中物理模型法解题——— 传送带模型【模型概述】:传送带问题往往牵扯到运动学、动力学、功与能等多方面知识,经常伴随相对运动、摩擦力的突变和能量传递与耗散等复杂情境而存在,能够充分考查学生的分析能力和综合运用能力,因此这些知识内容成为多年来教学和考试的经典内容。
也正是因为这一特性,使得传送带问题成为几乎所有学生的一大疑难。
学生通常可能不同程度存在以下问题:1.对于物体与传送带之间是否存在摩擦力、是滑动摩擦力还是静摩擦力、摩擦力的方向如何,等等,这些关于摩擦力的产生条件、方向的判断等基础知识模糊不清;2.对于物体相对地面、相对传送带分别做什么样的运动,判断错误;3.对于物体在传送带上运动过程中的能量转化情况考虑不全面,出现能量转化不守恒的错误过程。
一,物块在水平传送带上运动情况的判断(摩擦力方向) 例|1如图所示,水平传送带以4m/s 的速度顺时针匀速运动,主动轮与从动轮的轴心距为12m 。
现将一物体m 轻轻放在A 轮的正上方,物体与传送带之间的动摩擦因数为0.2,则物体m 经多长时间运动到B 轮的正上方?(物体m 可视为质点,g 取10 m/s 2)【启导】要求得物体在在传送带上运动的时间,关键是确定物体在传送带上的运动过程。
那么,怎样来确定物体的运动情况呢?我们可以假设物体在传送带上一直做匀加速运动,然后将传送带轴距带入速度与位移的关系式()中,求出物体的最大速度,再与传送带速度相比较。
如果比传送带速度大,则说明物体一直匀加速不可能,应该是先匀加速到传送带速度再与传送带保持相对静止,做匀速运动;若其小于等于传送带速度,则说明物体一直做匀加速运动,其中等于说明物体刚好运动到传送带末端时与传送带共速。
物体运动情况一旦确定,就可以运用运动学规律求解要求的物理量了! ax v v 2202=-【解析】假设物体在传送带上一直做匀加速运动,则① ②联立①②式,代入数据,解得 m/s > v因此,物块在传送带上一直加速不可能,应是先匀加速至与传送带共速,然后再匀速运动。
专题16牛顿运动定律与传送带模型【知识梳理】一、传送带模型的分析流程二、解题关键1.理清物体与传送带间的相对运动方向及摩擦力方向是解决传送带问题的前提,摩擦力的方向沿两物体的接触面,与相对运动或相对运动趋势的方向。
2.传送带模型常常涉及临界问题,当物体与传送带达到时,会出现摩擦力突变的临界状态,对这一临界状态进行分析往往是解题的突破口。
三、传送带的类型1.水平传送带模型情景一:(1)当传送带较短时,可能一直。
(2)当传送带较短时,可能先后。
情景二:(1)v0>v时,可能一直,也可能先再。
(2)v0<v时,可能一直,也可能先再。
(3)v0=v时,做运动。
情景三:(1)传送带较短时,滑块可能一直到达左端。
(2)传送带较长时,滑块可能先,再,最后回到右端。
①其中v0>v返回时速度为;②当v0<v返回时速度为。
总结:分析传送带问题的步骤(1)初始时刻,根据v物、v带的关系,确定物体的受力情况,进而确定物体的运动情况;(2)根据临界条件v物=v带确定临界状态的情况,判断之后的运动形式;(3)运用相应规律,进行相关计算。
2.倾斜传送带模型情景一:①可能一直。
②可能先后。
情景二:①可能一直;②可能先后;③可能先以a1加速后再以a2加速;情景三:①可能一直加速;②可能一直匀速;③可能先加速后匀速;④可能先减速后匀速;⑤可能先以a1加速后再以a2加速;⑥可能一直减速。
情景四:①可能一直加速②可能一直匀速③可能先减速后反向加速④可能先减速,再反向加速,最后匀速④可能一直减速总结:当物体与传送带达到速度时,可以通过比较μ和tanθ的大小关系判断重力分力和最大静摩擦力的大小关系,从而判断共速后的运动mg sinθ=μmg cosθ←→μ=tanθmg sinθ>μmg cos θ←→μ﹤tanθmg sinθ﹤μmg cosθ←→ μ>tanθ【专题训练】一、单项选择题1.在机场和海港,常用输送带运送旅客的行李和货物,如图所示,甲为水平输送带,乙为倾斜输送带,当行李箱m随输送带一起匀速运动时,不计空气阻力,下列几种判断正确的是()A.甲情形中的行李箱受到向右的摩擦力B.甲情形中的行李箱受到向左的摩擦力C.乙情形中的行李箱受到沿输送带向上的静摩擦力D.乙情形中的行李箱受到沿输送带向下的滑动摩擦力2.如图所示,水平传送带静止不动,质量为1kg 的小物体,以4m/s 的速度滑上传送带的左端,最终以2m/s 的速度从传送带的右端离开传送带。