通用桥式起重机安装施工方案
- 格式:docx
- 大小:15.32 KB
- 文档页数:7
一、工程概况本项目为某工厂内桥式起重机的安装工程,涉及两台LDA10-23.12A3型电动单梁桥式起重机。
起重机起重量为10T,跨度为23.12m,起升高度为9m,地面室操纵。
为确保施工质量和施工安全,特制定本施工方案。
二、施工准备1. 施工人员:组织具有丰富经验的施工队伍,包括起重机安装、电气安装、机械安装等专业人员。
2. 施工材料:准备起重机本体、轨道、电气设备、安全防护设施等材料。
3. 施工设备:准备吊车、叉车、卷扬机、焊接设备、测量仪器等设备。
三、施工工艺1. 起重机进场验收:按照装箱单对起重机进行验收,检查设备技术文件、设备、材料及附件的型号、规格和数量是否符合设计和设备技术文件的要求。
2. 轨道安装:与土建施工单位进行轨道基础的交接验收,重点检查轨道基础的轴线距离、轨道纵向水平度以及两轨道基础的相对水平度是否符合安装要求。
3. 起重机吊装:采用吊车将起重机本体吊装至轨道上,确保起重机在水平状态下放置。
4. 起重机组装:按照起重机安装连接部位标号图,将起重机组装起来,拧紧螺栓。
5. 电气设备安装:按照电气接线图,将起重机电气设备安装到位,确保线路连接正确。
6. 起重机运转试验:对起重机进行空载和满载试验,检查起重机运行是否平稳,各项性能指标是否达到要求。
7. 安全防护设施安装:安装安全防护栏杆、警示标志等安全防护设施。
四、安全保证措施1. 施工人员必须穿戴好个人防护用品,如安全帽、安全带、防尘口罩等。
2. 施工现场设置安全警示标志,提醒施工人员注意安全。
3. 施工过程中,严格遵循操作规程,确保施工安全。
4. 起重机吊装过程中,吊车司机、起重工、指挥员等人员应密切配合,确保吊装过程安全。
5. 起重机运转试验过程中,确保试验人员站在安全区域,避免发生意外。
五、施工进度安排1. 第1周:完成起重机进场验收和轨道安装。
2. 第2周:完成起重机吊装和组装。
3. 第3周:完成电气设备安装和起重机运转试验。
桥式起重机安装方案1 施工工艺流程:2 轨道安装2。
1轨道安装前的准备工作1)熟悉图纸2)检查安装轨道需用的一切料具的规格、数量,是否齐全。
3)施工现场应清理平整。
4)为了安全施工,须在吊车梁内侧搭架子,或架设安全绳。
5)检查轨道的质量如发现弯曲、变形,应校正调直。
6)吊车梁检查及质量要求(1)检查方法●吊车梁中心线可用经纬仪测量,每根柱子处测一点.●吊车梁的水平度用水准仪测量,每根柱子处测一点.●跨距测量用钢卷尺、弹簧称测量。
(2)吊车梁的质量要求●吊车梁检查时,必须保证沿梁横向及纵向的预简螺栓孔,位置偏差均为≤5mm,螺栓孔直径应比螺栓直径大2mm~7mm。
●两行车梁上平面相对标高,在柱子处不得大于10mm,其它处不得大于15mm.●梁中心线位置,在设计定位轴线的偏差不得大于5mm。
●梁的顶面标高,对设计标高的偏差+10mm~5mm.●梁的预留孔及螺丝,两个中心线的位置偏移允差5mm。
●螺栓处400mm宽范围内,顶面不水平度小于等于2mm.●任意6m长度中螺栓处的顶面标高差小于等于±3mm。
●沿车间全长,各螺栓处顶面标高差小于等于±5mm。
●检查预留孔是否有歪斜堵塞情况。
●吊车梁基准中心线与柱子边尺寸,必须符合吊车的B1加66mm。
●根据吊车梁检查实际情况,提出加工件,主要是穿订螺丝的长度.2。
2轨道安装程序2.2。
1重轨、轨道的安装1)放线吊车梁放线,用经纬仪在轨道中心的一边约40mm~80mm处,按吊车梁的纵向位置每隔2m至3m打一点,然后弹上线作为安装轨道找下用的基准线。
2)轨道上位把调直好的轨道吊到吊车梁上,把轨道分布放置在所需位置。
(在轨道下边,热上钢垫板或防震垫片)。
3)轨道找正、定位、紧固安装轨道的一切料具、用工具袋吊到吊车梁上,用鱼尾板把轨道联成一体,轨道接头间隙应小于2mm,根据中心线大至找成一直线,用螺栓压板把轨道初步固定,最后进行全面找正,正弄要求为止。
桥式起重机安装施工方案一、项目背景桥式起重机作为重型起重设备,在工业领域中扮演着重要的角色。
安装施工是保证桥式起重机正常运行的关键步骤,在施工中必须严格按照规范进行操作,以确保设备的安全性和稳定性。
二、施工准备1. 人员准备确保施工人员具有相关工程经验和资质,并进行安全培训。
在施工前,需要确定好每个人员的职责分工,以保证施工流程的顺利进行。
2. 设备准备检查桥式起重机的各个零部件是否完好,确保设备能够正常使用。
同时准备好相关的安装工具和设备,以便在施工过程中使用。
3. 施工方案制定根据实际情况制定详细的施工方案,包括起重机的安装位置、安装顺序、吊装方案等内容。
施工方案必须符合相关的安全标准和规范要求。
三、施工步骤1. 地基处理首先需要对起重机安装位置的地基进行处理,确保地基承载能力满足起重机的要求。
在地基处理过程中,要注意避免对周围环境造成影响。
2. 安装主梁和端梁根据施工方案,先安装起重机的主梁和端梁,确保横梁安装牢固。
在安装过程中要注意横梁的平整度和垂直度。
3. 安装电气设备安装好主梁和端梁后,需要将电气设备进行安装。
电气设备的布局要符合工作要求,同时要确保电气连接的可靠性。
4. 吊装主体最后,进行起重机主体的吊装工作。
在吊装过程中,要根据实际情况选择合适的吊装方案,确保主体吊装过程平稳安全。
四、验收与调试施工完成后,对桥式起重机进行全面的验收和调试工作。
包括机械结构的检查、电气系统的测试等内容。
只有经过严格的验收和调试,起重机才能投入正常使用。
五、施工总结桥式起重机的安装施工是一项复杂的工程,需要施工人员具有丰富的经验和技术,并按照严格的规范要求操作。
只有在施工过程中严格遵循施工方案,确保每一个细节的质量,才能保证起重机的安全稳定运行。
桥式起重机的安装施工方案1. 引言桥式起重机是一种常用的起重设备,广泛应用于工业生产、货物运输等领域。
本文将针对桥式起重机的安装施工方案进行详细介绍,包括前期准备工作、基础施工、主体安装等内容。
2. 前期准备工作在进行桥式起重机的安装施工前,需要进行一些前期准备工作,以确保施工的顺利进行。
2.1 施工方案设计在进行施工前,需要根据实际情况制定详细的施工方案设计。
施工方案设计应包括起重机的具体型号、安装位置、基础尺寸、电气布线等内容,以便指导后续施工工作。
2.2 材料采购根据施工方案设计,提前采购所需要的材料和设备。
主要包括钢材、螺栓、电气设备等。
此外,还需要考虑到运输和搬运的问题,确保材料和设备能够及时到达施工现场。
2.3 施工人员准备为了保证施工的顺利进行,需要组建一个专业的施工团队。
团队成员应具备相应的技术和经验,并熟悉桥式起重机的安装施工流程。
3. 基础施工桥式起重机的安装需要先进行基础施工工作,该工作主要包括基础的浇筑和固定。
3.1 基础设计在进行基础施工前,需要根据实际情况制定详细的基础设计方案。
基础设计方案应包括地基勘测报告、基础尺寸和深度、材料选择等内容。
3.2 基础浇筑根据基础设计方案进行基础的浇筑工作。
首先需要对施工区域进行清理和平整,随后按照设计尺寸在施工区域铺设钢筋网,并进行模板搭建。
最后,按照混凝土配比进行混凝土浇筑。
3.3 基础固定在混凝土凝固后,需要进行基础的固定工作。
首先,在混凝土表面进行养护,保持湿润的环境,以促使混凝土充分硬化。
之后,通过固定螺栓将起重机的基座与基础连接起来,以提供稳定的支撑。
4. 主体安装在基础施工完成后,可以进行主体安装工作。
主体安装包括桥架、大车、小车和起重机梁的安装。
4.1 桥架安装首先,需要将桥架吊装到基础上,并通过螺栓固定。
在吊装过程中,需要使用起重设备,并确保吊装过程平稳。
4.2 大车与小车安装安装大车和小车需要先将其吊装到桥架上,并确保与桥架的连接稳固。
一、工程概况本项目为某工厂桥式起重机的安装工程,主要设备为桥式起重机。
桥式起重机型号为LD10-23.12A3,起重量10T,跨度23.12m,起升高度9m,地面室操纵。
本工程需完成桥式起重机的安装、调试及验收工作。
二、施工准备1.施工人员:组织具备桥式起重机安装、调试经验的施工队伍,进行技术交底和安全教育。
2.施工材料:准备桥式起重机安装所需的螺栓、垫片、连接件等材料。
3.施工设备:准备50吨吊车、卷扬机、千斤顶、水准仪、经纬仪等设备。
4.施工工具:准备扳手、螺丝刀、锤子、手电筒等工具。
三、施工工艺1.设备进场验收:对桥式起重机进行检查,确保设备无损坏、变形、锈蚀等问题。
2.桥架组装:将桥架分为两片,分别用吊车吊至轨道上,进行组装。
组装时,确保大车行走的四个车轮底部在同一个水平面上。
3.桥架对角线检测:用弹簧秤拉钢卷尺测量L1、L2的距离,将钢尺上的读数加上附表的修正值,作为桥架对角线的实测数据。
4.主梁水平旁弯测量:将钢丝绳固定在所要测量的主梁上盖板中心线上,作为测量中心线,测量两边缘的距离X1、X2,计算主梁的水平旁弯。
5.主梁上拱度(下挠度)测量:选用一根直径为0.49~0.52mm的钢丝,一端固定在带有滑轮的固定架上,另一端通过滑轮并坠有重锤(15Kg拉紧),主梁跨中上拱度(下挠值)可通过测量并按照下式计算:上拱度=FH—(h1-h2)。
6.电气设备安装:按照电气原理图和接线图进行电气设备的安装。
7.调试:完成桥式起重机的组装后,进行试运行调试,确保设备运行正常。
四、安全措施1.施工人员必须穿戴安全帽、安全带等防护用品。
2.施工过程中,注意高空作业,防止坠落。
3.吊装作业时,确保吊车和吊具安全可靠。
4.调试过程中,注意设备运行状态,防止发生意外。
五、验收1.设备安装完毕后,进行自检,确保设备安装符合设计要求。
2.组织相关部门进行验收,包括质量、安全、运行等方面。
3.验收合格后,办理相关手续,交付使用。
目录1 编制说明2 编制依据3 设备概况4 吊装工装设计5 吊装工艺6 工程施工综合计划7 调试、验收交工1 编制说明1.1 本工程共有起重设备1台。
1.2 本方案在编制过程中,因为尚未收集到桥式起重机安装的设备详图,待我们中标后再编制详细的方案。
1.3 本方案在编制中,充分考虑到我公司现有的机具状况和技术实力,并结合我公司安装过同类型,同规模的桥式起重机施工经验进行综合比较,以期达到吊装工艺简单,技术先进可行,吊装周期短,安全可靠和经济合理的目的。
2 编制依据2.1 招标文件。
2.2 起重机安全监安规定劳安字(1991)8号2.3 湖北省起重机械、电梯使用登记管理办法鄂劳字(1992)72号2.4 机械设备安装工程施工及验收规范 TJ23-962.5 起重机械安全规程 GB6067-852.6 起重设备安装工程施工及验收规范 JBJ31-962.7 通用桥式起重机技术条件 JB1036-822.8 LD电动单梁起重机 JB1036-842.9 LH电动葫芦双梁起重机 JB5604-842.10 桥式、和门式起重机制造、安装 JB10183-882.11 SHS环键和板葫芦技术条件 JB39282-852.12 CD、MD电动葫芦技术条件 JB2100-843 设备概况本工程有起重机1台,跨度L=8.3m,起升高度H=6m,起重量Q=10T。
4 吊装工装设计4.1 吊装程序桥架主梁拼装大车轮组装竖立桅杆、装吊机调桥架吊4.2 吊装设备主要技术数据(见表4-1)表4-15 吊装工艺 5.1 桥架吊装5.1.1 根据设备安装图可计算桅杆中心位置(本方案技术资料不全,无法计算)。
5.1.2 桥架及大车运行机构组装。
5.1.2.1 桥架就位。
主梁用枕木垫起,注意跑绳位置,勿与枕木相撞,主梁底面垫起要设备出库运输端梁联接油路安装 卷扬机就位、稳固端梁安装 小车部分小车拼装 小车架连接 小车轮组装 行走机构安装起升机构安装 油路安装竖立桅杆、装吊具 卷扬机就位、稳固 小车抬吊吊钩组安装 电气工程安装部分高于±0.0然后找正、找平。
桥式起重机安装施工方案一、方案设计:1.起重机选型:根据工程的具体要求,选择适当的起重机型号和规格,包括起重量、跨度、工作级别等。
2.结构设计:根据现场条件和起重机要求,设计合理的桥梁结构和支撑系统,确保稳定和安全。
3.电气系统设计:包括起重机的电缆布置、电源系统设计、控制系统设计等,确保电气系统稳定可靠。
4.安全措施设计:制定安全操作规程、安全警示标志、防护装置等,确保操作人员的安全。
二、施工准备:1.材料准备:根据方案设计的要求,准备起重机和相关配件、支撑结构材料、电气设备等。
2.施工设备准备:准备所需的起重机安装设备,如吊车、起重机梁、支撑架等,确保施工顺利进行。
3.施工人员培训:对施工人员进行相关培训,包括起重机操作、安全规范、施工流程等。
4.现场准备:清理施工现场,确保施工区域整洁,并做好相应的围挡和警示标志,确保安全施工。
三、施工步骤:1.桥梁安装:首先进行桥梁的安装,将桥梁吊装至预先准备的支撑位置,并进行固定。
2.起重机组装:将起重机各组件按照设计要求进行组装,包括大梁、小车、小车轨道等,确保各部件连接牢固。
3.电气系统安装:进行起重机的电气系统布线和安装,包括电缆敷设、电箱安装、电源接入等。
4.结构调整和校正:对起重机的结构进行调整和校正,确保各部件水平、垂直度符合要求。
5.调试和试运行:完成起重机组装后,进行必要的调试和试运行,确保起重机运行正常。
6.安全考核和验收:进行起重机的安全考核和验收,合格后方可正式投入使用。
四、安全措施:1.做好施工现场的警示标志和围挡,清晰标注相关安全标志,确保施工区域的安全。
2.配备专职安全人员,负责施工现场的安全管理和监督,及时发现和处理安全隐患。
3.实施施工人员的安全教育和培训,确保操作人员了解起重机的相关安全规范和操作流程。
4.定期检查和维护起重机设备,确保设备运行的稳定和安全。
5.加强施工现场的交通安全管理,确保施工场地的通行安全。
以上是桥式起重机安装施工方案的详细介绍,通过合理的设计和准备工作、科学的施工步骤和严格的安全措施,可以确保桥式起重机的安装施工顺利进行,并保证施工过程中的安全和质量。
桥式起重机施工方案一、引言桥式起重机是一种重要的起重设备,在工程施工中起着至关重要的作用。
为了确保桥式起重机施工的顺利进行,需要制定一份科学合理的施工方案,从而保障施工质量,提高工作效率。
二、施工前准备在进行桥式起重机施工之前,需要进行充分的准备工作,包括但不限于以下几个方面:1.确定施工计划和时间节点,制定详细的工作计划。
2.对施工现场进行全面勘测,了解地形地貌和周围环境情况。
3.检查施工材料和设备,确保完好无损并配备齐全。
三、施工方法桥式起重机的施工方法主要包括搭设主体结构、安装吊钩系统、进行调试等步骤。
具体步骤如下:1.搭设主体结构:首先需要确定好起重机的搭设位置和方向,然后按照设计要求进行主梁和支撑结构的安装。
2.安装吊钩系统:安装主梁后,需要安装吊钩系统,包括电动机、减速器、卷扬机构等,确保安装牢固。
3.进行调试:安装完成后需要进行起重机的调试和试运行,测试各项功能是否正常,确保安全可靠。
四、注意事项在桥式起重机施工过程中,需要注意以下几个重要事项:1.严格遵守安全规定,做好安全防护工作,确保施工人员和设备的安全。
2.注重施工质量,保证各个部位的安装精度和牢固性。
3.协调施工进度,确保施工计划的顺利进行。
五、总结桥式起重机作为重要的起重设备,在工程施工中发挥着重要作用。
通过科学合理的施工方案,可以有效提高施工效率,保障施工质量。
只有严格按照规定操作,确保安全生产,才能顺利完成桥式起重机的施工任务。
以上就是关于桥式起重机施工方案的相关内容,希望能对相关从业人员有所帮助。
本工程为某厂房内桥式起重机的安装工程,包括起重机本体、电气控制系统、辅助设备等。
起重机型号为LD10-23.12A3,起重量10吨,跨度23.12米,起升高度9米,地面室操纵。
二、施工准备1. 施工人员:组织专业施工队伍,包括起重机安装工、电工、焊工等,并进行岗前培训,确保施工人员具备相应的技能和知识。
2. 施工材料:准备起重机本体、电气控制系统、辅助设备、轨道、滑轮组、钢丝绳、螺栓、焊条等材料。
3. 施工机具:准备吊车、电焊机、切割机、钻床、扳手、锤子、线缆等施工机具。
4. 施工图纸:熟悉施工图纸,了解起重机结构、安装要求及注意事项。
三、施工工艺1. 起重机本体安装(1)将起重机本体运至施工现场,按照图纸要求进行摆放。
(2)对起重机本体进行检查,确保无损坏、变形等情况。
(3)安装轨道,调整轨道水平度,使其满足设计要求。
(4)安装桥架,调整桥架水平度,使其满足设计要求。
(5)安装大车,调整大车行走轨道,使其满足设计要求。
2. 电气控制系统安装(1)安装电气控制系统,包括控制器、变频器、限位器、接触器等。
(2)布线,连接控制器、变频器、限位器、接触器等电气元件。
(3)调试电气控制系统,确保其功能正常。
3. 辅助设备安装(1)安装滑轮组、钢丝绳、吊钩等辅助设备。
(2)调试辅助设备,确保其功能正常。
四、安全措施1. 施工人员必须佩戴安全帽、安全带等防护用品。
2. 施工现场设置警示标志,确保施工安全。
3. 吊装作业时,严格遵守吊装安全规程,确保吊装安全。
4. 电气作业时,严格遵守电气安全规程,确保电气安全。
5. 施工过程中,加强现场巡查,及时发现并处理安全隐患。
五、施工进度安排1. 施工准备:1天2. 起重机本体安装:3天3. 电气控制系统安装:2天4. 辅助设备安装:1天5. 调试与验收:1天总计:8天六、质量保证措施1. 严格按照施工图纸和施工规范进行施工。
2. 施工过程中,对关键工序进行质量控制,确保施工质量。
桥式起重机安装施工方案编号:编制:审核:批准:四川省华川安装工程有限公司项目经理部二00 年月目录1 工程概况2 起重机轨道的安装3起重机本体的安装4电气滑触线安装5 试运转6主要安全技术措施7 施工人员计划8 施工机具计划1工程概况1.1为大型和重要的起重设备整体吊装,体积大,重量重。
1.2 施工现场地方狭小。
1.4起重机安装执行的规范及技术文件:1.4.1《起重设备安装工程施及验收规范》(GB50278—98)1.4.2《型起重机使用说明书》1.5 起重机安装工艺流程图(附表一)2 起重机轨道的安装2.1 安装前的准备工作2.1.1、熟悉图纸资料2.1.2、检查安装轨道所需材料的规格、数量是否达到要求。
2.1.3、清理现场,达到安全施工、文明施工的要求。
2.1.4拉安全绳、要有相应的强度及稳固性。
2.1.5、机具准备。
轨道安装所需用的机械、工具、量具。
2.1.6、检查轨道的质量:如发现有弯曲变形,应校正后才能安装。
2.1.7、吊车梁放线检查:2.1.7.1 用经纬仪测量吊车梁中心线,并留下标记。
(每2~3米一个点)2.1.7.2 用水准仪测量吊车的水平标高,每对螺栓孔处测量一点,并作记录。
2.1.7.3吊车梁跨距用钢卷尺、弹簧称测量。
注意弹簧称的示值应和检查大车轮距时一样。
2.2轨道安装2.2.1重轨(38kg/m以上)压板式安装程序(带钢垫板)2.2.1.1基准板安装:在吊车梁上每隔2米左右固定一块垫板,要求标高(用水准仪测量)控制在±1.5mm以内,纵横向水平度以水平仪气泡居中。
2.2.1.2 轨道就位把经调直后下好料的轨道按预先排好的顺序吊装就位。
2.2.1.3 轨道找正、定位、紧固安装所用的工具、材料(螺栓、垫圈、压板、螺母等)用小桶或工具袋吊到车梁上。
注意放好,以防掉下伤人。
必要时也可对位穿好,但不紧固。
用鱼尾板把轨道联接成一体,注意轨道接头间隙,应不大于2mm。
根据中心线找正轨道,先固定基准位置。
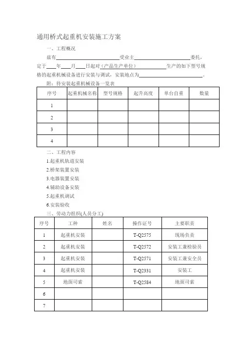
通用桥式起重机安装施工方案一、工程概况兹有受业主委托,定于年月日起对(产品生产单位)生产的如下型号规格的起重机械设备进行安装与调试,安装地点为。
二、工程内容1.起重机轨道安装2.桥架装置安装3.电器装置安装4.辅助设备安装5.起重机调试6.安装验收五、工艺流程设备开箱检查一建筑构件部分的检查-安装轨道-滑触线安装-吊装-组装通用桥式起重机-起重机电气及附件安装-起重机试运转-自检-竣工交检六、工艺步序(一)设备开箱检查由安装单位和设备使用单位共同成立开箱验收小组,根据装箱清单逐一清点货物,并认真填写开箱验收记录。
1.根据随机文件目录查对《使用说明书》、电气原理图、布线图、《产品合格证》(包括主要材料质保书、电动葫芦合格证等)。
2.根据装箱清单所列零部件规格型号、数量逐一清点货物。
3.检查各部件是否完好无损,有无人为因素的变形损伤。
4.验收结束后,认真填写开箱验收记录,并共同签字。
5.将验收后的设备妥善保管。
(二)建筑构件部分的检查根据业主提供的建筑构件检测数据,对建筑构件部分进行复查。
1.承轨梁顶面标高。
2.承轨梁中心位置及两侧承轨梁中心距。
3.承轨梁已预留孔及预埋螺栓时中心线的偏离。
(三)安装轨道1.放线:根据起重机轨距在承轨梁上放线,弹出轨道中心线,再按轨道底宽,弹出轨道底边线,以导电侧的轨道线为基准,根据轨距,用钢卷尺、弹簧秤定出另一侧轨道中心线,同样弹出轨道中心线。
2.调整标高:根据所测标高,添加所需的垫板。
3.轨道上位:用手拉葫芦分别将调直的轨道吊装到承轨梁上,吊放在所需位置,把轨道底面用20mm左右厚度的木板垫起来,以便放置钢垫板和防震垫片。
4.轨道找正、定位、紧固:将安装轨道用的一切材料及工具如螺栓组、轨道压板等吊到承轨梁上,并组对好,以防掉下伤人。
钢垫和防震垫板垫好后,将轨道下的木板抽出,然后用鱼尾板把轨道连成一体,其轨道接头间隙不应大于2mm 左右,两侧轨道接头错开,且错开距离不得等于轮距,接头左、右、上三面偏移均应小于1mm,根据中心线大体找成一根直线,用轨道压板等把轨道初步固定,最后进行全面找正,符合要求后把螺栓全部紧固。
引言概述:正文内容:1.安装前的准备工作1.1确定安装位置:根据起重物的重量和吊装范围,选择适合的安装位置。
1.2地面准备:确保安装场地平整、坚固,并清理杂物,以保证起重机的稳定。
1.3材料准备:准备好所需的起重机部件和工具,包括主梁、支腿、电气设备等。
1.4安全措施:制定安全方案,包括人员防护、安全标识和应急设备等。
1.5沟通协调:和项目相关人员进行沟通,确保安装计划和工作流程的顺利进行。
2.起重机主梁和支腿的安装2.1安装主梁:根据设计要求,安装主梁,并确保其水平和垂直度。
2.2安装支腿:根据设计要求,安装支腿,并进行支撑和固定,以提供稳定的支撑力。
2.3联接部件安装:安装主梁和支腿之间的联接部件,确保其连接牢固和稳定。
2.4铰接装置安装:安装启闭机和铰接装置,确保主梁的升降和旋转功能正常。
2.5非标定制部件安装:根据设计要求,安装非标定制的特殊部件,如防倾设备和限位器等。
3.电气系统的连接和调试3.1电缆布线:根据设计要求,进行电缆布线,并确保其牢固固定和不易受损。
3.2电气设备连接:连接电气设备,包括电动机、控制箱、限位器等,并进行电气连接检查。
3.3调试测试:按照操作说明,进行电气系统的调试和功能测试,并进行必要的调整和修正。
3.4动力供应:确保电气系统能够正常供电,并进行负荷测试,确保起重机的工作效率和安全性。
3.5操作培训:向操作人员提供必要的操作培训,包括起重机的控制系统和安全操作规程等。
4.安全检查4.1结构稳定性:检查主梁和支腿的固定和连接情况,确保其结构稳定性。
4.2电气系统安全:检查电气系统的接地和绝缘情况,确保其安全可靠。
4.3起重机配件安装:检查各类配件的安装情况,如滑车、钢丝绳、钢轨等。
4.4安全装置:检查安全装置的功能性和有效性,如限位器、重载保护器等。
4.5示警系统:检查示警系统的正常运行,以确保及时发现并处理异常情况。
5.安装后的注意事项5.1日常维护:建立桥式起重机的日常维护计划,包括润滑、清洁和定期检查等。
1. 工程概况:1.1 XXXX集团公司新建701#厂房系飞机总装车间,基于其使用功能,厂房内每跨均设置了桥式吊车。
我公司承揽其中全部24m跨内的吊车及轨道安装工作(计有6跨,7台5吨桥式吊车)。
吊车跨度22.5m,行驶范围78-84m,起升高度12m,工作级别M5。
轨道采用TG43型。
根据甲方的总体部署,为确保整体工程提前交付使用,厂房内吊车安装与土建的内粉饰及地面工程将同步穿插进行,这就给施工组织及安全管理带来了一定的难度,施工中应尤予重视。
1.2 主要工作量:Q=5t 桥式吊车7台(其中防爆2台)TG43型轨道1020m鱼尾板90付穿梁螺栓及压板3580个2. 编制依据施工图纸 3 - 112 - 701/3-5起熏机安装图DCW—64056通用桥式起重机技术条件GB/T14405-933. 施工部署依据工程每跨型式基本相同的特点,为提高工效,节省工期,拟组织两个配备相同的施工班组,分别在两跨同时作业。
由于天车及轨道的安装安排在土建工程间隙进行,故本项不占用总体工程工期。
4. 施工准备4.1 基础检查施工前,应按设计及土建公司提供的天车梁基础资料,对各部尺寸进行复测,做好中间交接验收工作,交付安装的吊车梁应符合《钢筋混土工程施工及验收规范GBJ10-65》。
4.2 安全防护设施轨道及天车的安装均系高空作业,且作业面狭窄,故采用拉紧的钢丝绳沿轨道全长做临时安全拉绳,备作防护及拴挂安全带用。
4.3 设备材料检查施工前,应对天车轨道及所有配料做全面检查,确认符合设计要求及国家现行规范规定后,方可付诸施工。
5. 施工方法及措施5.1 安装步骤施工准备→设备轨道运输→基础测量放线→轨道就位→轨道及附件安装→灌注混凝土垫层→吊车吊装就位→设备组对→轨道精平→设备精平→调试→润滑→试运转→交工。
5.2 天车及轨道运输5.2.1 天车及轨道水平运输均采用相应吨位的吊车配合拖车运至每一跨;轨道再用人工分散摆放于梁下。
桥式起重机施工方案1. 项目背景桥式起重机是工地上常见的一种起重设备,广泛应用于道路、桥梁、水利、电力、石化等领域。
本项目涉及一处道路建设现场,需要使用桥式起重机进行施工。
2. 施工方案2.1 施工场地准备在进行桥式起重机施工前,需要对施工场地进行准备。
首先要对场地进行清理,清除杂物和垃圾。
然后根据设计图纸要求进行场地平整,维护场地的水平度和硬度。
此外,还需要对施工场地进行测量和标志,确保施工区域与周边环境的安全。
2.2 桥式起重机的选择在施工方案中,桥式起重机是关键设备。
在选用桥式起重机时,需要考虑以下因素:•起重量:根据设计要求确定起重量。
•起升高度:根据所需的高度选择合适的机型。
•工作环境:考虑施工场地的大小、地形地貌及周边环境的情况。
•施工时间:按照施工进度和时间安排选择起重机型号。
2.3 起重机的安装和调试在施工场地准备完毕后,需要进行桥式起重机的安装和调试。
具体步骤如下:•安装固定件,将起重机主梁固定在场地中心位置。
确保起重机的水平度和稳定性。
•起重机的电气和机械部分的安装和调试。
检查管线和接线的质量,逐项进行试运行和调试,测试电子配件或控制器的性能。
•进行负载试车。
按照负载试车步骤试运行起重机,测试起重机性能和安全性。
2.4 施工安全桥式起重机的施工过程中,必须落实安全措施,确保工人和机器的安全。
•员工必须穿戴安全帽和安全鞋。
•起重机周边必须标注明显的警示标志。
•确认起重机的设备安全性和强度,严格按照负载限制使用设备。
•制定起重机使用和维修规程。
3. 施工计划3.1 施工时间安排按照施工进度,明确工程量,逐个阶段进行分析,细化施工计划。
具体包括日计划和周计划。
将前期场地准备、设备调试、施工建设、后勤保障等工作落实到具体的时间点上。
3.2 紧急应变预案针对可能的突发事件,需要制定紧急应变预案。
明确预警、报警、调度、堵漏及后续处理和维护的具体措施,确保施工过程中出现的问题及时得到解决。
桥式起重机施工方案桥式起重机是一种常用的起重设备,适用于各种建筑施工场地。
下面是一个针对桥式起重机的施工方案。
1. 技术准备根据实际工程需求,确定起重机的型号和吨位。
同时,计算桥式起重机的起重高度和跨度,确保其满足工程要求。
2. 设备调试在施工前,需要对桥式起重机进行调试和检查,确保其正常运行。
调试过程中,要仔细检查起重机的各项功能,如起升、行走、变幅等,确保其灵活、稳定。
3. 基础施工桥式起重机需要有坚固的基础支撑才能安全运行。
在施工现场,要进行地面的平整和加固,确保起重机的基础坚实稳固。
4. 装配起重机将桥式起重机的主体部分和吊臂等零部件逐步装配,确保安装的准确性和稳定性。
在装配过程中,要注意各个连接处的牢固性,并使用合适的工具进行拧紧。
5. 起重操作一切准备就绪后,可以进行起重操作了。
根据工程需要,选择合适的吊具和吊装点,确保吊装物体的平稳和安全。
起重过程中,需要由专业的起重工进行指挥和操作,并保持良好的通信。
6. 安全措施桥式起重机施工过程中,安全是第一位的。
需要制定详细的安全操作规范,对起重机进行定期检查和维护。
同时,要设置施工区域的警示标志,保持施工现场的整洁和安全。
7. 完工验收施工完成后,要对桥式起重机进行全面验收,检查其结构和功能是否符合要求。
同时,对起重过程中的记录和文件进行整理和归档,以备后续参考。
在桥式起重机的施工过程中,要充分考虑施工现场的特点和工程要求,科学安排施工流程,确保安全、高效地完成起重任务。
同时,要加强施工人员的培训和交流,提高其技术水平和安全意识。
只有做好细致的施工方案和严密的施工管理,才能保证桥式起重机施工的顺利进行。
通用桥式起重机安装施工方案一、工程概况兹有 _____________________________ 受业主________________________ 委托,定于2004年_月_日起对___________________ 起重机械厂生产的如下型号规格的起重机械设备进行安装与调试,安装地点为 ______________________________二、工程内容1.起重机轨道安装2.桥架装置安装3.电器装置安装4.辅助设备安装5.起重机调试6.安装验收四、施工机其设备和测试器具五、工艺流程设备开箱检查一建筑构件部分的检查一安装轨道一滑触线安装一吊装一组装通用桥式起重机一起重机电气及附件安装起重机试运转一自检一竣工交检六、工艺步序(一)设备开箱检查山安装单位和设备使用单位共同成立开箱验收小组,根据装箱清单逐一清点货物,并认真填写开箱验收记录。
1.根据随机文件Id录查对《使用说明书》、电气原理图、布线图、《产品合格证》(包括主要材料质保书、电动葫芦合格证等)。
2.根据装箱清单所列零部件规格型号、数量逐一清点货物。
3.检查各部件是否完好无损,有无人为因素的变形损伤。
4.验收结束后,认真填写开箱验收记录,并共同签字。
5.将验收后的设备妥善保管。
(二)建筑构件部分的检查根据业主提供的建筑构件检测数据,对建筑构件部分进行复查。
1.承轨梁顶面标高。
2.承轨梁中心位置及两侧承轨梁中心距。
3.承轨梁已预留孔及预埋螺栓时中心线的偏离。
(三)安装轨道1.放线:根据起重机轨距在承轨梁上放线,弹出轨道中心线,再按轨道底宽,弹出轨道底边线,以导电侧的轨道线为基准,根据轨距,用钢卷尺、弹簧秤定出另一侧轨道中心线,同样弹出轨道中心线。
2.调整标高:根据所测标高,添加所需的垫板。
3.轨道上位:用手拉葫芦分别将调直的轨道吊装到承轨梁上,吊放在所需位置,把轨道底面用20mm左右厚度的木板垫起来,以便放置钢垫板和防震垫片。
4.轨道找正、定位、紧固:将安装轨道用的一切材料及工具如螺栓组、轨道压板等吊到承轨梁上,并组对好,以防掉下伤人。
钢垫和防震垫板垫好后,将轨道下的木板抽出,然后用鱼尾板把轨道连成一体,其轨道接头间隙不应大于2mm左右,两侧轨道接头错开,且错开距离不得等于轮距,接头左、右、上三面偏移均应小于1mm,根据中心线大体找成一根直线,用轨道压板等把轨道初步固定,最后进行全面找正,符合要求后把螺栓全部紧固。
5.轨距测量:使用弹簧秤对钢著尺施以150\拉力测量轨距,且每根轨道至少测量三点。
轨道跨度极限偏差值L3S应符合:SWlOm, AS=±3mm;s>10m, △S二[3+0. 25(S-10) ]mm,且最大值不超过± 15mm。
6.在轨道总长度内,侧向极限偏差为±10mm:轨道顶面相对于理论高度的极限偏差为±10mm;两根轨道的高度差最大±10mm;轨道中心与承轨梁中心之间的偏差不得超过承轨梁腹板厚度的一半。
7.轨道要可鼎接地,其接地电阻小于4欧姆。
(四)滑触线安装1.按照安全滑触线产品要求,先安装固定支架。
2.将每根滑触线用吊杆螺栓定位。
3.滑触线组装,组装时调整与轨道在水平、垂直两个方向的平行度,不应大于1.5/1000,且全长不超过15mm。
4.先固定一段标准段滑触线,再逐段按标准安装固定。
5.安装集电器,保证集电器电刷与导电滑道结合紧密、运行平滑。
七、吊装方案(一)吊装根据现场及起吊设备条件,决定采用分片吊装、然后再在承轨梁上组装的方案。
根据起重机起升高度、单片主梁及小车总成自重,选用用足够吨位(t)的汽车吊吊装。
1.先将导电侧主梁梁捆绑好,在主梁两端各系足够长度的缆绳,缓慢起升200-300mm 后刹车。
2.检查起吊用的钢丝绳是否牢靠。
3.当双梁起重机缓缓吊起,用主梁两端缆绳控制吊起的起平稳,并保证不与附近建筑物等干涉。
起吊到超过轨道高度后起重机导电侧主梁调整到安装位置,吊机缓缓放落。
4.在导电侧主梁车轮处用木块制动,并在端梁接口处用枕木垫实。
5.捆扎起吊传动侧主梁,起吊到一定高度后在主梁下垫支架,将司机室移至传动侧主梁下同主梁定位连接。
6.将带有司机室的传动侧主梁起吊到一定高度后,用缆绳将其调整到安装位置。
7.用螺栓将两片主梁连接,按要求对称紧固螺栓组。
8.拆除吊索及枕木。
9.起吊小车,将小车吊至桥架轨道。
(二)辅助设备安装1.吊装维修吊笼,使之与主粱焊接牢固。
2.安装端梁栏杆、小车栏杆、大车动侧栏杆、导电侧竖架及栏杆、小运电缆滑线。
3.安装小车导电支架、斜梯及平台。
4.安装吊钩,用钢丝绳压板紧固钢缆绳头。
5.安装缓冲碰头。
(三)电气设备安装1•按照电气总图,安装全部电气设备和元件。
2.安装在走台上的控制屏(箱)、电阻器等较重的设备,应尽量使支架牢固地搭接在走台大拉筋上,电阻器应尽量幕近控制屏(箱),使联接导线最短。
3.电阻器应沿着平行主梁的方向放置,电阻器迭装时不超过4箱。
4.按照电气原理图,放线将全部电气设备和元件连接。
5.导线应走线管(线槽),线管出线口应加橡皮护套,全部导线的端头应按设计图纸上的编号作好标记,以便检修。
6.电缆挂装于滑车上,电缆下挂长度适宜、均匀,滑车运动灵活。
7.起重机上凡易触及裸露导电部分应有防护装置。
8.在检查接线正确无误后,通电调试。
八、质量要求1.轨道安装要求:轨道跨度极限偏差值应符合:SWlOm, AS=±3mm: S〉10m, △S二[3+0. 25(S-10)]mm,且最大不超过±15mm。
在轨道总长度内,侧向极限偏差为土10mm;轨道顶面相对于理论高度的极限偏差为±10mm;两根轨道的高度差最大10mm;轨道中心与承轨梁中心之间的偏差不得超过承轨梁腹板厚度的一半。
2.桥架安装完毕后,检查主要参数应符合要求:a.主梁上拱度Z\f二(0.9〜1.4) S/1000mm,最大值在跨中10范围;b.主梁旁弯fWSi/2000mm,凸向走台侧,S’首尾大筋板两距;c.桥架对角线差丨Sx-S: | W5mm:d.小车轨距偏差:跨端:±2;跨中 SW19.5m, +5/+1、S>19. 5m, +7/+1e.跨度偏差± 5mm3.空载试验:在完成试运行前准备丄作后,给安装完毕的双梁起重机通电,检查操纵方向与运行方向应保持一致,大、小车不应卡轨,吊钩放到底时,卷筒上应留有2圈以上的钢丝绳,起升(下降)限位有效工作,大运、小运限位开关工作可靠,大车刹车应保持同步。
4.静负荷试验:将起重机停在立柱处,起吊1.25倍额定或荷,使重物悬空离地10cm左右,历时lOmin后卸载,反复三次,检查起重机钢结构部分不得有塑性变形。
5.动负荷试验:起升1.1倍倍额定载荷,离地后同时起才运行和起升机构,反复运行30min,起重机动作应灵敬、平稳、可黑。
九、技术交底及安全措施1.参加安装施工的工作人员,均应持有安全操作证,并对施工人员进行必要技术交底,熟悉施工方案,并按照施工方案要求安装。
2.施工过程中,施工人员具体分工,明确职责,吊装时划分施工警戒区,并设有禁区标志,非施工人员严禁入内,所有施工人员进入现场时必须头戴安全帽,熟悉指挥信号,在整个吊装过程中听从专人指挥,不得擅自离开工作岗位。
3.再整个施工过程中,随时作好现场清理工作,清理一切障碍物以利操作。
凡参加高空作业人员,操作时应佩带安全带,并在安全可靠的地方挂好安全带。
高空作业应背工具包,严禁从高空向地面乱扔工具和杂物,以免伤人或造成其它意外事故。
4.设备吊装前,要严格检查吊装用钢丝绳的选用及捆扎是否牢靠。
设备吊装过程中,起升下降要平稳,不准有冲击、振动现象,不允许任何人随同设备升降。
在吊装过程中如因故中断,则必须采取有效措施进处理,不得使设备长时间停留在空中。
现场负责人对整个吊装过程安全负责。
5.操作人员在承轨梁上行走时,不得在轨道上行走,应穿平底鞋,同时扎紧裤腿,以防挂钩信其它物件而出意外。
6.在工作时间不得打闹,严禁酒后操作。
7.凡是利用建筑物作锚点或吊点进,必须得到业主设备政基建管理部门的同意方可使用,同时在建筑物周围填上木块等以免损坏建筑物或钢丝绳。
8.开车时,应事先和各工种联系好后方可开车。
十、施工进度(工期安排)定于—年—月—日起对______________ 起重机械厂生产的—台起重机进行安装与调试,计划 ______________________ ,预计—年—月—日安装调试完毕,—月日至—月—日进行完工自检,—月—日报质量技术监督局安装验收。
十一、试运转1.试运转前准备工作:检查各润滑点是否有足够的润滑油,检查各紧固件(螺栓、绳头等)是否牢靠,钢丝绳缠绕是否有卡阻现象。
2.试运转:a.空载试验:同第八项《质量要求》。
b.静负荷试验:同第八项《质量要求》。
c.动负荷试验:同第八项《质量要求》。
十二、交工验收1.对监检过程中的监检意见及时整改。
2.认真自检,填写《自检报告》。
3.在确认自检合格后进行交工验收。
卷扬机检查记录表编号:Q./302-2500-SC26公司班工程名称:卷扬机编号:安装地点:检查项目内容:(对符合要求的项目,请在方框内打勾)存在问题及整改惜况:注:卷扬机安装完毕后,由使用单位按要求逐项检查,填写检查记录。
本表一式两份,一份由使用单位自存,一份交检测站存档。
检查人:检查日期:。