自立式铁塔组立检查及评级记录表
- 格式:doc
- 大小:64.00 KB
- 文档页数:2
表B.0.8 自立式铁塔组立检查及评定记录表(线塔1)桩号塔号塔型呼称高(m)施工日期塔全高(m)检查日期序号检查(检验)项目性质评定标准(允许偏差)检查结果评定1 部件规格、数量主控符合设计要求2 节点间主材弯曲主控1/7503 转角塔、终端塔倾斜主控符合设计要求架线前架线后4 直线塔结构倾斜(%)一般一般塔:0.3高塔a:0.155 螺栓与构件面接触及出扣情况一般符合现行GB 50233-2014《110kV~750kV架空输电线路施工及验收规范》第7.1.3条规定6 螺栓防松一般符合设计要求7 螺栓防卸一般符合设计要求8 脚钉一般符合设计要求9 螺栓紧固一般符合现行GB 50233-2014《110kV~750kV架空输电线路施工及验收规范》第7.1.6条规定,且紧固率:组塔后不小于95%;架线后不小于97%架线前架线后10 螺栓穿向一般符合现行GB 50233-2014《110kV~750kV架空输电线路施工及验收规范》第7.1.4条规定11 保护帽一般符合设计要求注:a 高塔指塔高在100m以上的铁塔。
评定桩号2塔号2塔型2B7-JC1呼称高(m)24 施工日期2017年6月18日塔全高(m)33.5检查日期2017年6月25日序号检查(检验)项目性质评定标准(允许偏差)检查结果评定1 部件规格、数量主控符合设计要求符合设计要求优良2 节点间主材弯曲主控1/750 1/800优良3 转角塔、终端塔倾斜主控符合设计要求架线前优良架线后4 直线塔结构倾斜(%)一般一般塔:0.3高塔a:0.150.24 优良5 螺栓与构件面接触及出扣情况一般符合现行GB 50233-2014《110kV~750kV架空输电线路施工及验收规范》第7.1.3条规定紧密一致优良6 螺栓防松一般符合设计要求符合设计要求优良7 螺栓防卸一般符合设计要求符合设计要求优良8 脚钉一般符合设计要求符合设计要求优良9 螺栓紧固一般符合现行GB 50233-2014《110kV~750kV架空输电线路施工及验收规范》第7.1.6条规定,且紧固率:组塔后不小于95%;架线后不小于97%架线前98%优良架线后99%10 螺栓穿向一般符合现行GB 50233-2014《110kV~750kV架空输电线路施工及验收规范》第7.1.4条规定一致美观优良11 保护帽一般符合设计要求平整美观优良注:a 高塔指塔高在100m以上的铁塔。
自立式铁塔组立检查及评级记录表(线塔1)
监理:专职质检员:施工负责人:检查人:
填写说明
1.所有数值应按法定计量单位填写;
2.施工桩号:填写设计桩号或设计杆塔号;
3.运行塔号空栏不填;
4.塔型:填写设计塔型;
5.呼称高只填1个值,对有长短腿的铁塔,只填铁塔最长腿的呼称高;
6.施工日期:填写实际最后完成日期(最后组塔完成时间);
7.检查日期:填写班组检查日期;
8. 对于转角塔,需在备注栏内注明转角方向、角度(如:右转22°18′30″);9.评级栏:填写由监理公司和施工单位共同评审的评审意见结果,如“不合格”、“合格”、“优良”;要求检查项目对应的评级栏的“优良”或“合格”用打印字,备注对应的评级栏的“优良”或“合格”用手写。
10.无此项内容或不需要检查的内容:填写“/”;
11.签字栏:
检查人:施工班组自检人员;
施工负责人:班组长或队长;
专职质检员:项目部质检人员;
监理:监理人员;
12.装订线要求保证左边30mm;右边没有明确要求;个别栏内如字节过多,允许调整字体大小、栏目大小及行宽。
13.要求本检查与评级记录最终形成手写原始版记录1份,由施工单位保存备查,打印版记录根据归档需要做若干套份.。
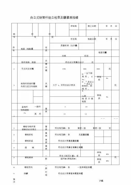
自立式钢管杆组立检查及评级记录表(线塔3)呼称高施工日期年月日桩杆杆号号型杆全高检查日期年月日序号检查(检验)项目性质质量标准(允许偏差)检查结果评级合格优良1 部件规格、数据关键符合设计要求符合设计优2 节点间主材弯曲关键1/750 1/800 1/800 优60 о以下转3 转角杆终端杆顶部向受力反方向倾斜关键大于0,并符合设计要求角杆,≤3‰;60о及以上о及以上转角杆、终端杆,≤架线前2‰优5‰架线后只做检查架线后3‰直线杆结构倾斜/ ‰一般杆 3 2.4重要高杆 1.5 1.24————5螺栓与构件面接触及出扣情况重要符合规范第6.1.3 条紧密一致紧密一致优6 螺栓防松重要符合规范第6.1.7 条无遗漏无遗漏优7 螺栓防盗重要符合设计要求无遗漏无遗漏优8 爬梯重要符合设计要求齐全紧固齐全紧固优9 螺栓紧固一般符合《规范》第6.1.6 条组杆≥95%架线后≥97%架线前架线后96%98%优10 螺栓穿向一般符合规范第6.4.1 条一致美观一致美观优11 保护帽外观符合设计要求平整美观平整美观优备注评级优监理工程师:专职质检员:施工负责人:检查人:。
…………………………………………装订线…………………………………………业主代表(监理):专职质检员:施工负责人:检查人:…………………………………………装订线…………………………………………业主代表(监理):专职质检员:施工负责人:检查人:…………………………………………装订线…………………………………………业主代表(监理):专职质检员:施工负责人:检查人:…………………………………………装订线…………………………………………业主代表(监理):专职质检员:施工负责人:检查人:…………………………………………装订线…………………………………………业主代表(监理):专职质检员:施工负责人:检查人:…………………………………………装订线…………………………………………业主代表(监理):专职质检员:施工负责人:检查人:…………………………………………装订线…………………………………………业主代表(监理):专职质检员:施工负责人:检查人:…………………………………………装订线…………………………………………业主代表(监理):专职质检员:施工负责人:检查人:…………………………………………装订线…………………………………………业主代表(监理):专职质检员:施工负责人:检查人:…………………………………………装订线…………………………………………业主代表(监理):专职质检员:施工负责人:检查人:自立式铁塔组立检查及评级记录表线塔1…………………………………………装订线…………………………………………业主代表(监理):专职质检员:施工负责人:检查人:自立式铁塔组立检查及评级记录表线塔1…………………………………………装订线…………………………………………业主代表(监理):专职质检员:施工负责人:检查人:…………………………………………装订线…………………………………………业主代表(监理):专职质检员:施工负责人:检查人:…………………………………………装订线…………………………………………业主代表(监理):专职质检员:施工负责人:检查人:…………………………………………装订线…………………………………………业主代表(监理):专职质检员:施工负责人:检查人:…………………………………………装订线…………………………………………业主代表(监理):专职质检员:施工负责人:检查人:…………………………………………装订线…………………………………………业主代表(监理):专职质检员:施工负责人:检查人:…………………………………………装订线…………………………………………业主代表(监理):专职质检员:施工负责人:检查人:…………………………………………装订线…………………………………………业主代表(监理):专职质检员:施工负责人:检查人:…………………………………………装订线…………………………………………业主代表(监理):专职质检员:施工负责人:检查人:…………………………………………装订线…………………………………………业主代表(监理):专职质检员:施工负责人:检查人:…………………………………………装订线…………………………………………业主代表(监理):专职质检员:施工负责人:检查人:…………………………………………装订线…………………………………………业主代表(监理):专职质检员:施工负责人:检查人:…………………………………………装订线…………………………………………业主代表(监理):专职质检员:施工负责人:检查人:…………………………………………装订线…………………………………………业主代表(监理):专职质检员:施工负责人:检查人:…………………………………………装订线…………………………………………业主代表(监理):专职质检员:施工负责人:检查人:…………………………………………装订线…………………………………………业主代表(监理):专职质检员:施工负责人:检查人:…………………………………………装订线…………………………………………业主代表(监理):专职质检员:施工负责人:检查人:…………………………………………装订线…………………………………………业主代表(监理):专职质检员:施工负责人:检查人:…………………………………………装订线…………………………………………业主代表(监理):专职质检员:施工负责人:检查人:…………………………………………装订线…………………………………………业主代表(监理):专职质检员:施工负责人:检查人:…………………………………………装订线…………………………………………业主代表(监理):专职质检员:施工负责人:检查人:…………………………………………装订线…………………………………………业主代表(监理):专职质检员:施工负责人:检查人:…………………………………………装订线…………………………………………业主代表(监理):专职质检员:施工负责人:检查人:…………………………………………装订线…………………………………………业主代表(监理):专职质检员:施工负责人:检查人:…………………………………………装订线…………………………………………业主代表(监理):专职质检员:施工负责人:检查人:…………………………………………装订线…………………………………………业主代表(监理):专职质检员:施工负责人:检查人:…………………………………………装订线…………………………………………业主代表(监理):专职质检员:施工负责人:检查人:…………………………………………装订线…………………………………………业主代表(监理):专职质检员:施工负责人:检查人:…………………………………………装订线…………………………………………业主代表(监理):专职质检员:施工负责人:检查人:…………………………………………装订线…………………………………………业主代表(监理):专职质检员:施工负责人:检查人:…………………………………………装订线…………………………………………业主代表(监理):专职质检员:施工负责人:检查人:…………………………………………装订线…………………………………………业主代表(监理):专职质检员:施工负责人:检查人…………………………………………装订线…………………………………………业主代表(监理):专职质检员:施工负责人:检查人:。
工程名称:虢都变—交口变110kV 线路工程 线塔1施工桩号 G2 塔型 1B2—J4呼称高 18 m 施 工 2014年02月26日 运行塔号 塔全高 24.5 m 检 查 2014年02月27日检查(检验)项目 性质 评级标准(允许偏差)检 查 结 果 评级合格 优良 1、部件规格、数量 关键符合设计要求符合设计要求 优良 2、节点间主材弯曲 关键≤1/750 ≤1/800符合优良标准 优良3、转角、终端塔向受力反侧倾斜 (mm )关键大于0,并符合设计要求视点高mm正面 侧面 倾斜值 倾斜率 (‰)架线前 1 1800080 86 117 6.5 优良 2 24500 112 120 164 6.7 优良 架线后不做评级要求,只记录倾斜值(不向受力侧倾斜)架线后 1 18000 70 89 113 6.3 优良 2 24500102 120 157 6.4 优良 4、直线塔结构倾斜 关键 一般塔 ≤3‰ ≤2.4‰1 / / / / 高 塔≤1.5‰ ≤1.2‰2 ////5、螺栓与构件面接触及出扣情况 重要 符合《规范》第6.1.3条 紧密一致紧密一致 优良 6、螺栓防松、防盗 重要 符合设计和规范无遗漏无遗漏 优良 7、螺栓紧固情况 一般 符合《规范》第6.1.6条 组塔后:≥95%,架线后:≥97% 符合优良标准 优良 8、螺栓穿向 一般 符合《规范》第6.1.4条一致美观一致美观 优良 9、保护帽外观符合设计和规范平整美观平整美观优良备注本表关键项目3项,重要项目2项,一般项目2项,外观1项。
质 量 评 级优良视点1 地面 视点2 视点1 √地面视点2工程名称:虢都变—交口变110kV 线路工程 线塔1施工桩号 G3 塔型 1B2—ZM1呼称高 18 m 施 工 2014年02月27日 运行塔号 塔全高 23.5 m 检 查 2014年02月28日检查(检验)项目 性质 评级标准(允许偏差)检 查 结 果 评级合格 优良 1、部件规格、数量 关键符合设计要求符合设计要求 优良 2、节点间主材弯曲 关键≤1/750 ≤1/800符合优良标准 优良3、转角、终端塔向受力反侧倾斜 (mm )关键大于0,并符合0设计要求视点高mm正面 侧面 倾斜值 倾斜率 (‰)架线前 1 // / / / / 2 / / / / / / 架线后不做评级要求,只记录倾斜值(不向受力侧倾斜)架线后 1 / / / / / / 2 // / / / / 4、直线塔结构倾斜 关键 一般塔 ≤3‰ ≤2.4‰1 18000 15 20 25 1.4 优良 高 塔≤1.5‰ ≤1.2‰2 23500 1026281.2优良 5、螺栓与构件面接触及出扣情况 重要 符合《规范》第6.1.3条 紧密一致紧密一致 优良 6、螺栓防松、防盗 重要 符合设计和规范无遗漏无遗漏 优良 7、螺栓紧固情况 一般 符合《规范》第6.1.6条 组塔后:≥95%,架线后:≥97% 符合优良标准 优良 8、螺栓穿向 一般 符合《规范》第6.1.4条一致美观一致美观 优良 9、保护帽外观符合设计和规范平整美观平整美观优良备注本表关键项目3项,重要项目2项,一般项目2项,外观1项。
Q/CSG表1- B.12自立式铁塔组立分项工程质量验收记录(线塔1)
工程编号:01.03.01-007 Q/CSG表1- B.12
1、以下未列说明请按本标准分项工程质量验收记录表填写说明的相应要求填写。
2、部件规格、数量,填写符合设计图纸要求。
3、节点间主材弯曲若有个别弯曲超过允许值并作为永久缺陷者,可将该件的规格长度及弯曲情况填入自查结果栏内,否则填写<1/800。
4、转角塔、终端塔向受力反方向侧倾斜:填写实测其倾斜值,并注明倾斜方向。
5、直线塔结构倾斜:填写测量铁塔正、侧面倾斜值并计算其千分率填入栏内。
6、螺栓与构件面接触及出扣情况:根据检查结果判定,填写符合质量标准等级相应内容。
7、螺栓防松:根据检查结果判定,填写符合质量标准等级相应内容。
8、螺栓防卸:根据检查结果判定,填写符合质量标准等级相应内容。
9、脚钉安装:根据检查结果判定,填写符合质量标准等级相应内容。
10、螺栓紧固:根据螺栓紧固检查结果计算出合格百分率填入相应栏内。
11、螺栓穿向:根据检查结果判定,填写符合质量标准等级相应内容。
12、塔材镀锌:根据检查结果判定,填写符合质量标准等级相应内容。
13、保护帽:根据检查结果判定,填写符合质量标准等级相应内容。
14、记录表内所填写文件与数据均为宋体小五号字。
15、记录表左边页边距为25mm,所有记录表均在一张A4版纸内。
自立式铁塔组立检查及评级记录表表号:DL/T5168-2002线塔1 工程名称:方家风电场35KV线路工程编号:07-03-01-001监理:专职质检员:施工负责人:检查人:自立式铁塔组立检查及评级记录表表号:DL/T5168-2002线塔1 工程名称:方家风电场35KV线路工程编号:07-03-01-002监理:专职质检员:施工负责人:检查人:自立式铁塔组立检查及评级记录表表号:DL/T5168-2002线塔1 工程名称:方家风电场35KV线路工程编号:07-03-01-003监理:专职质检员:施工负责人:检查人:自立式铁塔组立检查及评级记录表表号:DL/T5168-2002线塔1 工程名称:方家风电场35KV线路工程编号:07-03-01-004监理:专职质检员:施工负责人:检查人:自立式铁塔组立检查及评级记录表表号:DL/T5168-2002线塔1 工程名称:方家风电场35KV线路工程编号:07-03-01-005监理:专职质检员:施工负责人:检查人:自立式铁塔组立检查及评级记录表表号:DL/T5168-2002线塔1监理:专职质检员:施工负责人:检查人:自立式铁塔组立检查及评级记录表表号:DL/T5168-2002线塔1监理:专职质检员:施工负责人:检查人:自立式铁塔组立检查及评级记录表表号:DL/T5168-2002线塔1 工程名称:方家风电场35KV线路工程编号:07-03-01-008监理:专职质检员:施工负责人:检查人:自立式铁塔组立检查及评级记录表表号:DL/T5168-2002线塔1 工程名称:方家风电场35KV线路工程编号:07-03-01-009监理:专职质检员:施工负责人:检查人:自立式铁塔组立检查及评级记录表表号:DL/T5168-2002线塔1监理:专职质检员:施工负责人:检查人:自立式铁塔组立检查及评级记录表表号:DL/T5168-2002线塔1 工程名称:方家风电场35KV线路工程编号:07-03-01-011监理:专职质检员:施工负责人:检查人:自立式铁塔组立检查及评级记录表表号:DL/T5168-2002线塔1监理: 专职质检员: 施工负责人: 检查人:自立式铁塔组立检查及评级记录表表号:DL/T5168-2002线塔1工程名称:方家风电场35KV 线路工程编号:07-03-01-013监理:专职质检员:施工负责人:检查人:自立式铁塔组立检查及评级记录表表号:DL/T5168-2002线塔1监理:专职质检员:施工负责人:检查人:自立式铁塔组立检查及评级记录表表号:DL/T5168-2002线塔1 工程名称:方家风电场35KV线路工程编号:07-03-01-015监理:专职质检员:施工负责人:检查人:自立式铁塔组立检查及评级记录表表号:DL/T5168-2002线塔1 工程名称:方家风电场35KV线路工程编号:07-03-01-016监理:专职质检员:施工负责人:检查人:自立式铁塔组立检查及评级记录表表号:DL/T5168-2002线塔1 工程名称:方家风电场35KV线路工程编号:07-03-01-017监理:专职质检员:施工负责人:检查人:自立式铁塔组立检查及评级记录表表号:DL/T5168-2002线塔1 工程名称:方家风电场35KV线路工程编号:07-03-01-018监理:专职质检员:施工负责人:检查人:自立式铁塔组立检查及评级记录表表号:DL/T5168-2002线塔1 工程名称:方家风电场35KV线路工程编号:07-03-01-019监理:专职质检员:施工负责人:检查人:自立式铁塔组立检查及评级记录表表号:DL/T5168-2002线塔1监理:专职质检员:施工负责人:检查人:自立式铁塔组立检查及评级记录表表号:DL/T5168-2002线塔1 工程名称:方家风电场35KV线路工程编号:07-03-01-021监理:专职质检员:施工负责人:检查人:自立式铁塔组立检查及评级记录表表号:DL/T5168-2002线塔1 工程名称:方家风电场35KV线路工程编号:07-03-01-022监理:专职质检员:施工负责人:检查人:自立式铁塔组立检查及评级记录表表号:DL/T5168-2002线塔1监理:专职质检员:施工负责人:检查人:自立式铁塔组立检查及评级记录表表号:DL/T5168-2002线塔1监理:专职质检员:施工负责人:检查人:监理:专职质检员:施工负责人:检查人:监理:专职质检员:施工负责人:检查人:自立式铁塔组立检查及评级记录表表号:DL/T5168-2002线塔1监理:专职质检员:施工负责人:检查人:自立式铁塔组立检查及评级记录表表号:DL/T5168-2002线塔1 工程名称:方家风电场35KV线路工程编号:07-03-01-028监理:专职质检员:施工负责人:检查人:自立式铁塔组立检查及评级记录表表号:DL/T5168-2002线塔1 工程名称:方家风电场35KV线路工程编号:07-03-01-029监理:专职质检员:施工负责人:检查人:自立式铁塔组立检查及评级记录表表号:DL/T5168-2002线塔1 工程名称:方家风电场35KV线路工程编号:07-03-01-030监理:专职质检员:施工负责人:检查人:自立式铁塔组立检查及评级记录表表号:DL/T5168-2002线塔1 工程名称:方家风电场35KV线路工程编号:07-03-01-031监理:专职质检员:施工负责人:检查人:自立式铁塔组立检查及评级记录表表号:DL/T5168-2002线塔1监理:专职质检员:施工负责人:检查人:自立式铁塔组立检查及评级记录表表号:DL/T5168-2002线塔1监理:专职质检员:施工负责人:检查人:自立式铁塔组立检查及评级记录表表号:DL/T5168-2002线塔1监理:专职质检员:施工负责人:检查人:自立式铁塔组立检查及评级记录表表号:DL/T5168-2002线塔1监理:专职质检员:施工负责人:检查人:自立式铁塔组立检查及评级记录表表号:DL/T5168-2002线塔1 工程名称:方家风电场35KV线路工程编号:07-03-01-036监理:专职质检员:施工负责人:检查人:自立式铁塔组立检查及评级记录表表号:DL/T5168-2002线塔1 工程名称:方家风电场35KV线路工程编号:07-03-01-037监理:专职质检员:施工负责人:检查人:自立式铁塔组立检查及评级记录表表号:DL/T5168-2002线塔1监理:专职质检员:施工负责人:检查人:自立式铁塔组立检查及评级记录表表号:DL/T5168-2002线塔1 工程名称:方家风电场35KV线路工程编号:07-03-01-039监理:专职质检员:施工负责人:检查人:自立式铁塔组立检查及评级记录表表号:DL/T5168-2002线塔1监理: 专职质检员: 施工负责人: 检查人:自立式铁塔组立检查及评级记录表表号:DL/T5168-2002线塔1工程名称:方家风电场35KV 线路工程编号:07-03-01-041监理:专职质检员:施工负责人:检查人:自立式铁塔组立检查及评级记录表表号:DL/T5168-2002线塔1监理:专职质检员:施工负责人:检查人:自立式铁塔组立检查及评级记录表表号:DL/T5168-2002线塔1 工程名称:方家风电场35KV线路工程编号:07-03-01-043监理:专职质检员:施工负责人:检查人:自立式铁塔组立检查及评级记录表表号:DL/T5168-2002线塔1 工程名称:方家风电场35KV线路工程编号:07-03-01-044监理:专职质检员:施工负责人:检查人:自立式铁塔组立检查及评级记录表表号:DL/T5168-2002线塔1 工程名称:方家风电场35KV线路工程编号:07-03-01-045监理:专职质检员:施工负责人:检查人:自立式铁塔组立检查及评级记录表表号:DL/T5168-2002线塔1 工程名称:方家风电场35KV线路工程编号:07-03-01-046监理:专职质检员:施工负责人:检查人:自立式铁塔组立检查及评级记录表表号:DL/T5168-2002线塔1 工程名称:方家风电场35KV线路工程编号:07-03-01-047监理:专职质检员:施工负责人:检查人:自立式铁塔组立检查及评级记录表表号:DL/T5168-2002线塔1监理:专职质检员:施工负责人:检查人:自立式铁塔组立检查及评级记录表表号:DL/T5168-2002线塔1 工程名称:辽宁法库叶茂台(49.5MW)风电项目送出线路工程编号:07-03-01-049。
表B.8 自立式铁塔组立检查及评级记录(线塔1) (华电光伏)业主代表:专职质检员:施工负责人:检查人:(线塔1)(华电光伏)业主代表:专职质检员:施工负责人:检查人:(线塔1)(华电光伏)业主代表:专职质检员:施工负责人:检查人:(线塔1)(华电光伏)业主代表:专职质检员:施工负责人:检查人:(线塔1)(华电光伏)业主代表:专职质检员:施工负责人:检查人:(线塔1)(华电光伏)业主代表:专职质检员:施工负责人:检查人:(线塔1)(华电光伏)业主代表:专职质检员:施工负责人:检查人:(线塔1)(华电光伏)业主代表:专职质检员:施工负责人:检查人:(线塔1)(华电光伏)业主代表:专职质检员:施工负责人:检查人:(线塔1)(华电光伏)业主代表:专职质检员:施工负责人:检查人:表B.8 自立式铁塔组立检查及评级记录(线塔1)(华电光伏)业主代表:专职质检员:施工负责人:检查人:表B.8 自立式铁塔组立检查及评级记录(线塔1)(华电光伏)业主代表:专职质检员:施工负责人:检查人:表B.8 自立式铁塔组立检查及评级记录(线塔1)(华电光伏)业主代表:专职质检员:施工负责人:检查人:(线塔1)(华电光伏)业主代表:专职质检员:施工负责人:检查人:(线塔1)(华电光伏)业主代表:专职质检员:施工负责人:检查人:(线塔1)(华电光伏)业主代表:专职质检员:施工负责人:检查人:(线塔1)(华电光伏)业主代表:专职质检员:施工负责人:检查人:(线塔1)(华电光伏)业主代表:专职质检员:施工负责人:检查人:(线塔1)(华电光伏)业主代表:专职质检员:施工负责人:检查人:表B.8 自立式铁塔组立检查及评级记录(线塔1)(华电光伏)业主代表:专职质检员:施工负责人:检查人:(线塔1)(华电光伏)业主代表:专职质检员:施工负责人:检查人:(线塔1)(华电光伏)业主代表:专职质检员:施工负责人:检查人:(线塔1)(华电光伏)业主代表:专职质检员:施工负责人:检查人:(线塔1)(华电光伏)业主代表:专职质检员:施工负责人:检查人:(线塔1)(华电光伏)业主代表:专职质检员:施工负责人:检查人:(线塔1)(华电光伏)业主代表:专职质检员:施工负责人:检查人:(线塔1)(华电光伏)业主代表:专职质检员:施工负责人:检查人:(线塔1)(华电光伏)业主代表:专职质检员:施工负责人:检查人:(线塔1)(华电光伏)业主代表:专职质检员:施工负责人:检查人:(线塔1)(华电光伏)业主代表:专职质检员:施工负责人:检查人:(线塔1)(华电光伏)业主代表:专职质检员:施工负责人:检查人:(线塔1)(华电光伏)业主代表:专职质检员:施工负责人:检查人:(线塔1)(华电光伏)业主代表:专职质检员:施工负责人:检查人:(线塔1)(华电光伏)业主代表:专职质检员:施工负责人:检查人:(线塔1)(华电光伏)业主代表:专职质检员:施工负责人:检查人:(线塔1)(华电光伏)业主代表:专职质检员:施工负责人:检查人:(线塔1)(华电光伏)业主代表:专职质检员:施工负责人:检查人:(线塔1)(华电光伏)业主代表:专职质检员:施工负责人:检查人:(线塔1)(华电光伏)业主代表:专职质检员:施工负责人:检查人:(线塔1)(华电光伏)业主代表:专职质检员:施工负责人:检查人:(线塔1)(华电光伏)业主代表:专职质检员:施工负责人:检查人:(线塔1) (华电光伏)业主代表:专职质检员:施工负责人:检查人:。
桩号塔号G1塔型7713呼称高15.0M 施工日期2015年10月11日塔全高21.3M 检查日期2015年10 月31日序号检查(检验)项目性质质量标准(允许偏差)检查结果评级合格优良1 部件规格、数量关键符合设计要求符合设计要求合格2 节点间主材弯曲关键1/750 1/800 3mm 合格3 转角塔、终端塔顶部向受力反方向倾斜关键大于0,并符合设计要求60°以下转角塔≤3‰;60°及以上转角塔,终端塔≤5‰,架线后只做检查架线前70mm合格架线后40mm4 直线塔结构倾斜重要一般塔:3‰ 2.4‰/ / 高塔:1.5‰ 1.2‰5 螺栓与构件面接触及出扣情况重要符合《规范》第6.1.3条紧密一致紧密一致合格6 螺栓防松重要符合《规范》第6.1.7条无遗漏无遗漏合格7 螺栓防盗重要符合设计要求无遗漏无遗漏合格8 脚钉重要符合设计要求齐全紧固齐全紧固合格9 螺栓紧固一般符合《规范》第6.1.6条组塔≥95%;架线后≥97%架线前符合扭矩标准合格架线后符合扭矩标准10 螺栓穿向一般符合《规范》第6.1.4条一致美观一致美观合格11 保护帽外观符合设计要求平整美观平整美观合格备注评级合格施工负责人:专职质检员:检查人:桩号塔号G2塔型7711呼称高15.0M 施工日期2015年10月11 日塔全高20.4M 检查日期2015年10月31 日序号检查(检验)项目性质质量标准(允许偏差)检查结果评级合格优良1 部件规格、数量关键符合设计要求符合设计要求合格2 节点间主材弯曲关键1/750 1/800 2mm 合格3 转角塔、终端塔顶部向受力反方向倾斜关键大于0,并符合设计要求60°以下转角塔≤3‰;60°及以上转角塔,终端塔≤5‰,架线后只做检查架线前0mm合格架线后0mm4 直线塔结构倾斜重要一般塔:3‰ 2.4‰/ / 高塔:1.5‰ 1.2‰5 螺栓与构件面接触及出扣情况重要符合《规范》第6.1.3条紧密一致紧密一致合格6 螺栓防松重要符合《规范》第6.1.7条无遗漏无遗漏合格7 螺栓防盗重要符合设计要求无遗漏无遗漏合格8 脚钉重要符合设计要求齐全紧固齐全紧固合格9 螺栓紧固一般符合《规范》第6.1.6条组塔≥95%;架线后≥97%架线前符合扭矩标准合格架线后符合扭矩标准10 螺栓穿向一般符合《规范》第6.1.4条一致美观一致美观合格11 保护帽外观符合设计要求平整美观平整美观合格备注评级合格施工负责人:专职质检员:检查人:桩号塔号G3塔型7711呼称高12.0M 施工日期2015年10 月12 日塔全高17.4M 检查日期2015年10月31 日序号检查(检验)项目性质质量标准(允许偏差)检查结果评级合格优良1 部件规格、数量关键符合设计要求符合设计要求合格2 节点间主材弯曲关键1/750 1/800 2mm 合格3 转角塔、终端塔顶部向受力反方向倾斜关键大于0,并符合设计要求60°以下转角塔≤3‰;60°及以上转角塔,终端塔≤5‰,架线后只做检查架线前51mm合格架线后42mm4 直线塔结构倾斜重要一般塔:3‰ 2.4‰/ / 高塔:1.5‰ 1.2‰5 螺栓与构件面接触及出扣情况重要符合《规范》第6.1.3条紧密一致紧密一致合格6 螺栓防松重要符合《规范》第6.1.7条无遗漏无遗漏合格7 螺栓防盗重要符合设计要求无遗漏无遗漏合格8 脚钉重要符合设计要求齐全紧固齐全紧固合格9 螺栓紧固一般符合《规范》第6.1.6条组塔≥95%;架线后≥97%架线前符合扭矩标准合格架线后符合扭矩标准10 螺栓穿向一般符合《规范》第6.1.4条一致美观一致美观合格11 保护帽外观符合设计要求平整美观平整美观合格备注评级合格施工负责人:专职质检员:检查人:桩号塔号G4塔型772呼称高15.0M 施工日期2015年10月12 日塔全高19.6 M 检查日期2015年10 月31 日序号检查(检验)项目性质质量标准(允许偏差)检查结果评级合格优良1 部件规格、数量关键符合设计要求符合设计要求合格2 节点间主材弯曲关键1/750 1/800 3mm 合格3 转角塔、终端塔顶部向受力反方向倾斜关键大于0,并符合设计要求60°以下转角塔≤3‰;60°及以上转角塔,终端塔≤5‰,架线后只做检查架线前//架线后/4 直线塔结构倾斜重要一般塔:3‰ 2.4‰5 mm 合格高塔:1.5‰ 1.2‰5 螺栓与构件面接触及出扣情况重要符合《规范》第6.1.3条紧密一致紧密一致合格6 螺栓防松重要符合《规范》第6.1.7条无遗漏无遗漏合格7 螺栓防盗重要符合设计要求无遗漏无遗漏合格8 脚钉重要符合设计要求齐全紧固齐全紧固合格9 螺栓紧固一般符合《规范》第6.1.6条组塔≥95%;架线后≥97%架线前符合扭矩标准合格架线后符合扭矩标准10 螺栓穿向一般符合《规范》第6.1.4条一致美观一致美观合格11 保护帽外观符合设计要求平整美观平整美观合格备注评级合格施工负责人:专职质检员:检查人:桩号塔号G5塔型7723呼称高24.0M 施工日期2015年10 月13 日塔全高30.8 M 检查日期2015年10月31 日序号检查(检验)项目性质质量标准(允许偏差)检查结果评级合格优良1 部件规格、数量关键符合设计要求符合设计要求合格2 节点间主材弯曲关键1/750 1/800 2mm 合格3 转角塔、终端塔顶部向受力反方向倾斜关键大于0,并符合设计要求60°以下转角塔≤3‰;60°及以上转角塔,终端塔≤5‰,架线后只做检查架线前//架线后/4 直线塔结构倾斜重要一般塔:3‰ 2.4‰8 mm 合格高塔:1.5‰ 1.2‰5 螺栓与构件面接触及出扣情况重要符合《规范》第6.1.3条紧密一致紧密一致合格6 螺栓防松重要符合《规范》第6.1.7条无遗漏无遗漏合格7 螺栓防盗重要符合设计要求无遗漏无遗漏合格8 脚钉重要符合设计要求齐全紧固齐全紧固合格9 螺栓紧固一般符合《规范》第6.1.6条组塔≥95%;架线后≥97%架线前符合扭矩标准合格架线后符合扭矩标准10 螺栓穿向一般符合《规范》第6.1.4条一致美观一致美观合格11 保护帽外观符合设计要求平整美观平整美观合格备注评级合格施工负责人:专职质检员:检查人:桩号塔号G6塔型7712呼称高9.0M 施工日期2015年10 月12 日塔全高14.7M 检查日期2015年10 月31 日序号检查(检验)项目性质质量标准(允许偏差)检查结果评级合格优良1 部件规格、数量关键符合设计要求符合设计要求合格2 节点间主材弯曲关键1/750 1/800 1mm 合格3 转角塔、终端塔顶部向受力反方向倾斜关键大于0,并符合设计要求60°以下转角塔≤3‰;60°及以上转角塔,终端塔≤5‰,架线后只做检查架线前42mm合格架线后40mm4 直线塔结构倾斜重要一般塔:3‰ 2.4‰/ / 高塔:1.5‰ 1.2‰5 螺栓与构件面接触及出扣情况重要符合《规范》第6.1.3条紧密一致紧密一致合格6 螺栓防松重要符合《规范》第6.1.7条无遗漏无遗漏合格7 螺栓防盗重要符合设计要求无遗漏无遗漏合格8 脚钉重要符合设计要求齐全紧固齐全紧固合格9 螺栓紧固一般符合《规范》第6.1.6条组塔≥95%;架线后≥97%架线前符合扭矩标准合格架线后符合扭矩标准10 螺栓穿向一般符合《规范》第6.1.4条一致美观一致美观合格11 保护帽外观符合设计要求平整美观平整美观合格备注评级合格施工负责人:专职质检员:检查人:桩号塔号G7塔型772呼称高21.0M 施工日期2015年10月14 日塔全高25.6M 检查日期2015年10月31 日序号检查(检验)项目性质质量标准(允许偏差)检查结果评级合格优良1 部件规格、数量关键符合设计要求符合设计要求合格2 节点间主材弯曲关键1/750 1/800 2mm 合格3 转角塔、终端塔顶部向受力反方向倾斜关键大于0,并符合设计要求60°以下转角塔≤3‰;60°及以上转角塔,终端塔≤5‰,架线后只做检查架线前//架线后/4 直线塔结构倾斜重要一般塔:3‰ 2.4‰8 mm 合格高塔:1.5‰ 1.2‰5 螺栓与构件面接触及出扣情况重要符合《规范》第6.1.3条紧密一致紧密一致合格6 螺栓防松重要符合《规范》第6.1.7条无遗漏无遗漏合格7 螺栓防盗重要符合设计要求无遗漏无遗漏合格8 脚钉重要符合设计要求齐全紧固齐全紧固合格9 螺栓紧固一般符合《规范》第6.1.6条组塔≥95%;架线后≥97%架线前符合扭矩标准合格架线后符合扭矩标准10 螺栓穿向一般符合《规范》第6.1.4条一致美观一致美观合格11 保护帽外观符合设计要求平整美观平整美观合格备注评级合格施工负责人:专职质检员:检查人:桩号塔号G8塔型JC2呼称高15.0M 施工日期2015年10 月15 日塔全高22.0 M 检查日期2015年10月31 日序号检查(检验)项目性质质量标准(允许偏差)检查结果评级合格优良1 部件规格、数量关键符合设计要求符合设计要求合格2 节点间主材弯曲关键1/750 1/800 3mm 合格3 转角塔、终端塔顶部向受力反方向倾斜关键大于0,并符合设计要求60°以下转角塔≤3‰;60°及以上转角塔,终端塔≤5‰,架线后只做检查架线前66mm合格架线后50mm4 直线塔结构倾斜重要一般塔:3‰ 2.4‰/ / 高塔:1.5‰ 1.2‰5 螺栓与构件面接触及出扣情况重要符合《规范》第6.1.3条紧密一致紧密一致合格6 螺栓防松重要符合《规范》第6.1.7条无遗漏无遗漏合格7 螺栓防盗重要符合设计要求无遗漏无遗漏合格8 脚钉重要符合设计要求齐全紧固齐全紧固合格9 螺栓紧固一般符合《规范》第6.1.6条组塔≥95%;架线后≥97%架线前符合扭矩标准合格架线后符合扭矩标准10 螺栓穿向一般符合《规范》第6.1.4条一致美观一致美观合格11 保护帽外观符合设计要求平整美观平整美观合格备注评级合格施工负责人:专职质检员:检查人:桩号塔号G9塔型7723呼称高15.0M 施工日期2015年10 月21 日塔全高21.8 M 检查日期2015年10月31日序号检查(检验)项目性质质量标准(允许偏差)检查结果评级合格优良1 部件规格、数量关键符合设计要求符合设计要求合格2 节点间主材弯曲关键1/750 1/800 3mm 合格3 转角塔、终端塔顶部向受力反方向倾斜关键大于0,并符合设计要求60°以下转角塔≤3‰;60°及以上转角塔,终端塔≤5‰,架线后只做检查架线前//架线后/4 直线塔结构倾斜重要一般塔:3‰ 2.4‰5 mm 合格高塔:1.5‰ 1.2‰5 螺栓与构件面接触及出扣情况重要符合《规范》第6.1.3条紧密一致紧密一致合格6 螺栓防松重要符合《规范》第6.1.7条无遗漏无遗漏合格7 螺栓防盗重要符合设计要求无遗漏无遗漏合格8 脚钉重要符合设计要求齐全紧固齐全紧固合格9 螺栓紧固一般符合《规范》第6.1.6条组塔≥95%;架线后≥97%架线前符合扭矩标准合格架线后符合扭矩标准10 螺栓穿向一般符合《规范》第6.1.4条一致美观一致美观合格11 保护帽外观符合设计要求平整美观平整美观合格备注评级合格施工负责人:专职质检员:检查人:桩号塔号G10塔型772呼称高21.0M 施工日期2015年10 月21 日塔全高25.6 M 检查日期2015年10 月31 日序号检查(检验)项目性质质量标准(允许偏差)检查结果评级合格优良1 部件规格、数量关键符合设计要求符合设计要求合格2 节点间主材弯曲关键1/750 1/800 4mm 合格3 转角塔、终端塔顶部向受力反方向倾斜关键大于0,并符合设计要求60°以下转角塔≤3‰;60°及以上转角塔,终端塔≤5‰,架线后只做检查架线前//架线后/4 直线塔结构倾斜重要一般塔:3‰ 2.4‰9 mm 合格高塔:1.5‰ 1.2‰5 螺栓与构件面接触及出扣情况重要符合《规范》第6.1.3条紧密一致紧密一致合格6 螺栓防松重要符合《规范》第6.1.7条无遗漏无遗漏合格7 螺栓防盗重要符合设计要求无遗漏无遗漏合格8 脚钉重要符合设计要求齐全紧固齐全紧固合格9 螺栓紧固一般符合《规范》第6.1.6条组塔≥95%;架线后≥97%架线前符合扭矩标准合格架线后符合扭矩标准10 螺栓穿向一般符合《规范》第6.1.4条一致美观一致美观合格11 保护帽外观符合设计要求平整美观平整美观合格备注评级合格施工负责人:专职质检员:检查人:桩号塔号G11塔型772呼称高12.0M 施工日期2015年10月16日塔全高16.6 M 检查日期2015年10月31 日序号检查(检验)项目性质质量标准(允许偏差)检查结果评级合格优良1 部件规格、数量关键符合设计要求符合设计要求合格2 节点间主材弯曲关键1/750 1/800 2mm 合格3 转角塔、终端塔顶部向受力反方向倾斜关键大于0,并符合设计要求60°以下转角塔≤3‰;60°及以上转角塔,终端塔≤5‰,架线后只做检查架线前//架线后/4 直线塔结构倾斜重要一般塔:3‰ 2.4‰12 mm 合格高塔:1.5‰ 1.2‰5 螺栓与构件面接触及出扣情况重要符合《规范》第6.1.3条紧密一致紧密一致合格6 螺栓防松重要符合《规范》第6.1.7条无遗漏无遗漏合格7 螺栓防盗重要符合设计要求无遗漏无遗漏合格8 脚钉重要符合设计要求齐全紧固齐全紧固合格9 螺栓紧固一般符合《规范》第6.1.6条组塔≥95%;架线后≥97%架线前符合扭矩标准合格架线后符合扭矩标准10 螺栓穿向一般符合《规范》第6.1.4条一致美观一致美观合格11 保护帽外观符合设计要求平整美观平整美观合格备注评级合格施工负责人:专职质检员:检查人:桩号塔号G12塔型772呼称高24.0M 施工日期2015年10 月16日塔全高28.6 M 检查日期2015年10月31日序号检查(检验)项目性质质量标准(允许偏差)检查结果评级合格优良1 部件规格、数量关键符合设计要求符合设计要求合格2 节点间主材弯曲关键1/750 1/800 4mm 合格3 转角塔、终端塔顶部向受力反方向倾斜关键大于0,并符合设计要求60°以下转角塔≤3‰;60°及以上转角塔,终端塔≤5‰,架线后只做检查架线前//架线后/4 直线塔结构倾斜重要一般塔:3‰ 2.4‰21 mm 合格高塔:1.5‰ 1.2‰5 螺栓与构件面接触及出扣情况重要符合《规范》第6.1.3条紧密一致紧密一致合格6 螺栓防松重要符合《规范》第6.1.7条无遗漏无遗漏合格7 螺栓防盗重要符合设计要求无遗漏无遗漏合格8 脚钉重要符合设计要求齐全紧固齐全紧固合格9 螺栓紧固一般符合《规范》第6.1.6条组塔≥95%;架线后≥97%架线前符合扭矩标准合格架线后符合扭矩标准10 螺栓穿向一般符合《规范》第6.1.4条一致美观一致美观合格11 保护帽外观符合设计要求平整美观平整美观合格备注评级合格施工负责人:专职质检员:检查人:桩号塔号G13塔型7711呼称高15.0M 施工日期2015年10 月19 日塔全高20.4 M 检查日期2015年10 月31日序号检查(检验)项目性质质量标准(允许偏差)检查结果评级合格优良1 部件规格、数量关键符合设计要求符合设计要求合格2 节点间主材弯曲关键1/750 1/800 3mm 合格3 转角塔、终端塔顶部向受力反方向倾斜关键大于0,并符合设计要求60°以下转角塔≤3‰;60°及以上转角塔,终端塔≤5‰,架线后只做检查架线前10mm合格架线后6mm4 直线塔结构倾斜重要一般塔:3‰ 2.4‰/ / 高塔:1.5‰ 1.2‰5 螺栓与构件面接触及出扣情况重要符合《规范》第6.1.3条紧密一致紧密一致合格6 螺栓防松重要符合《规范》第6.1.7条无遗漏无遗漏合格7 螺栓防盗重要符合设计要求无遗漏无遗漏合格8 脚钉重要符合设计要求齐全紧固齐全紧固合格9 螺栓紧固一般符合《规范》第6.1.6条组塔≥95%;架线后≥97%架线前符合扭矩标准合格架线后符合扭矩标准10 螺栓穿向一般符合《规范》第6.1.4条一致美观一致美观合格11 保护帽外观符合设计要求平整美观平整美观合格备注评级合格施工负责人:专职质检员:检查人:桩号塔号G14塔型7711呼称高12.0M 施工日期2015年10月19 日塔全高17.4 M 检查日期2015年10 月31日序号检查(检验)项目性质质量标准(允许偏差)检查结果评级合格优良1 部件规格、数量关键符合设计要求符合设计要求合格2 节点间主材弯曲关键1/750 1/800 2mm 合格3 转角塔、终端塔顶部向受力反方向倾斜关键大于0,并符合设计要求60°以下转角塔≤3‰;60°及以上转角塔,终端塔≤5‰,架线后只做检查架线前5mm合格架线后8mm4 直线塔结构倾斜重要一般塔:3‰ 2.4‰/ / 高塔:1.5‰ 1.2‰5 螺栓与构件面接触及出扣情况重要符合《规范》第6.1.3条紧密一致紧密一致合格6 螺栓防松重要符合《规范》第6.1.7条无遗漏无遗漏合格7 螺栓防盗重要符合设计要求无遗漏无遗漏合格8 脚钉重要符合设计要求齐全紧固齐全紧固合格9 螺栓紧固一般符合《规范》第6.1.6条组塔≥95%;架线后≥97%架线前符合扭矩标准合格架线后符合扭矩标准10 螺栓穿向一般符合《规范》第6.1.4条一致美观一致美观合格11 保护帽外观符合设计要求平整美观平整美观合格备注评级合格施工负责人:专职质检员:检查人:桩号塔号G15塔型JC2呼称高15.0M 施工日期2015年10 月17日塔全高22.0 M 检查日期2015年10月31日序号检查(检验)项目性质质量标准(允许偏差)检查结果评级合格优良1 部件规格、数量关键符合设计要求符合设计要求合格2 节点间主材弯曲关键1/750 1/800 2mm 合格3 转角塔、终端塔顶部向受力反方向倾斜关键大于0,并符合设计要求60°以下转角塔≤3‰;60°及以上转角塔,终端塔≤5‰,架线后只做检查架线前70mm合格架线后45mm4 直线塔结构倾斜重要一般塔:3‰ 2.4‰/ / 高塔:1.5‰ 1.2‰5 螺栓与构件面接触及出扣情况重要符合《规范》第6.1.3条紧密一致紧密一致合格6 螺栓防松重要符合《规范》第6.1.7条无遗漏无遗漏合格7 螺栓防盗重要符合设计要求无遗漏无遗漏合格8 脚钉重要符合设计要求齐全紧固齐全紧固合格9 螺栓紧固一般符合《规范》第6.1.6条组塔≥95%;架线后≥97%架线前符合扭矩标准合格架线后符合扭矩标准10 螺栓穿向一般符合《规范》第6.1.4条一致美观一致美观合格11 保护帽外观符合设计要求平整美观平整美观合格备注评级合格施工负责人:专职质检员:检查人:桩号塔号G16塔型772呼称高21.0M 施工日期2015年10月17日塔全高25.6M 检查日期2015年10月31 日序号检查(检验)项目性质质量标准(允许偏差)检查结果评级合格优良1 部件规格、数量关键符合设计要求符合设计要求合格2 节点间主材弯曲关键1/750 1/800 3mm 合格3 转角塔、终端塔顶部向受力反方向倾斜关键大于0,并符合设计要求60°以下转角塔≤3‰;60°及以上转角塔,终端塔≤5‰,架线后只做检查架线前//架线后/4 直线塔结构倾斜重要一般塔:3‰ 2.4‰20mm 合格高塔:1.5‰ 1.2‰5 螺栓与构件面接触及出扣情况重要符合《规范》第6.1.3条紧密一致紧密一致合格6 螺栓防松重要符合《规范》第6.1.7条无遗漏无遗漏合格7 螺栓防盗重要符合设计要求无遗漏无遗漏合格8 脚钉重要符合设计要求齐全紧固齐全紧固合格9 螺栓紧固一般符合《规范》第6.1.6条组塔≥95%;架线后≥97%架线前符合扭矩标准合格架线后符合扭矩标准10 螺栓穿向一般符合《规范》第6.1.4条一致美观一致美观合格11 保护帽外观符合设计要求平整美观平整美观合格备注评级合格施工负责人:专职质检员:检查人:桩号塔号G17塔型7711呼称高9.0M 施工日期2015年10 月18 日塔全高14.4 M 检查日期2015年10月31日序号检查(检验)项目性质质量标准(允许偏差)检查结果评级合格优良1 部件规格、数量关键符合设计要求符合设计要求合格2 节点间主材弯曲关键1/750 1/800 4mm 合格3 转角塔、终端塔顶部向受力反方向倾斜关键大于0,并符合设计要求60°以下转角塔≤3‰;60°及以上转角塔,终端塔≤5‰,架线后只做检查架线前45mm合格架线后32mm4 直线塔结构倾斜重要一般塔:3‰ 2.4‰/ / 高塔:1.5‰ 1.2‰5 螺栓与构件面接触及出扣情况重要符合《规范》第6.1.3条紧密一致紧密一致合格6 螺栓防松重要符合《规范》第6.1.7条无遗漏无遗漏合格7 螺栓防盗重要符合设计要求无遗漏无遗漏合格8 脚钉重要符合设计要求齐全紧固齐全紧固合格9 螺栓紧固一般符合《规范》第6.1.6条组塔≥95%;架线后≥97%架线前符合扭矩标准合格架线后符合扭矩标准10 螺栓穿向一般符合《规范》第6.1.4条一致美观一致美观合格11 保护帽外观符合设计要求平整美观平整美观合格备注评级合格施工负责人:专职质检员:检查人:桩号塔号G18塔型7711呼称高9.0M 施工日期2015年10月18 日塔全高14.4 M 检查日期2015年10 月31 日序号检查(检验)项目性质质量标准(允许偏差)检查结果评级合格优良1 部件规格、数量关键符合设计要求符合设计要求合格2 节点间主材弯曲关键1/750 1/800 3mm 合格3 转角塔、终端塔顶部向受力反方向倾斜关键大于0,并符合设计要求60°以下转角塔≤3‰;60°及以上转角塔,终端塔≤5‰,架线后只做检查架线前43mm合格架线后35mm4 直线塔结构倾斜重要一般塔:3‰ 2.4‰/ / 高塔:1.5‰ 1.2‰5 螺栓与构件面接触及出扣情况重要符合《规范》第6.1.3条紧密一致紧密一致合格6 螺栓防松重要符合《规范》第6.1.7条无遗漏无遗漏合格7 螺栓防盗重要符合设计要求无遗漏无遗漏合格8 脚钉重要符合设计要求齐全紧固齐全紧固合格9 螺栓紧固一般符合《规范》第6.1.6条组塔≥95%;架线后≥97%架线前符合扭矩标准合格架线后符合扭矩标准10 螺栓穿向一般符合《规范》第6.1.4条一致美观一致美观合格11 保护帽外观符合设计要求平整美观平整美观合格备注评级合格施工负责人:专职质检员:检查人:桩号塔号G19塔型7723呼称高15.0M 施工日期2015年10 月18日塔全高21.8 M 检查日期2015年10 月31 日序号检查(检验)项目性质质量标准(允许偏差)检查结果评级合格优良1 部件规格、数量关键符合设计要求符合设计要求合格2 节点间主材弯曲关键1/750 1/800 2mm 合格3 转角塔、终端塔顶部向受力反方向倾斜关键大于0,并符合设计要求60°以下转角塔≤3‰;60°及以上转角塔,终端塔≤5‰,架线后只做检查架线前//架线后/4 直线塔结构倾斜重要一般塔:3‰ 2.4‰12 mm 合格高塔:1.5‰ 1.2‰5 螺栓与构件面接触及出扣情况重要符合《规范》第6.1.3条紧密一致紧密一致合格6 螺栓防松重要符合《规范》第6.1.7条无遗漏无遗漏合格7 螺栓防盗重要符合设计要求无遗漏无遗漏合格8 脚钉重要符合设计要求齐全紧固齐全紧固合格9 螺栓紧固一般符合《规范》第6.1.6条组塔≥95%;架线后≥97%架线前符合扭矩标准合格架线后符合扭矩标准10 螺栓穿向一般符合《规范》第6.1.4条一致美观一致美观合格11 保护帽外观符合设计要求平整美观平整美观合格备注评级合格施工负责人:专职质检员:检查人:桩号塔号G20塔型7723呼称高12.0M 施工日期2015年10 月19日塔全高18.8 M 检查日期2015年10月31日序号检查(检验)项目性质质量标准(允许偏差)检查结果评级合格优良1 部件规格、数量关键符合设计要求符合设计要求合格2 节点间主材弯曲关键1/750 1/800 2mm 合格3 转角塔、终端塔顶部向受力反方向倾斜关键大于0,并符合设计要求60°以下转角塔≤3‰;60°及以上转角塔,终端塔≤5‰,架线后只做检查架线前//架线后/4 直线塔结构倾斜重要一般塔:3‰ 2.4‰15 mm 合格高塔:1.5‰ 1.2‰5 螺栓与构件面接触及出扣情况重要符合《规范》第6.1.3条紧密一致紧密一致合格6 螺栓防松重要符合《规范》第6.1.7条无遗漏无遗漏合格7 螺栓防盗重要符合设计要求无遗漏无遗漏合格8 脚钉重要符合设计要求齐全紧固齐全紧固合格9 螺栓紧固一般符合《规范》第6.1.6条组塔≥95%;架线后≥97%架线前符合扭矩标准合格架线后符合扭矩标准10 螺栓穿向一般符合《规范》第6.1.4条一致美观一致美观合格11 保护帽外观符合设计要求平整美观平整美观合格备注评级合格施工负责人:专职质检员:检查人:桩号塔号G21塔型7711呼称高9.0M 施工日期2015年10月19日塔全高14.4 M 检查日期2015年10月31日序号检查(检验)项目性质质量标准(允许偏差)检查结果评级合格优良1 部件规格、数量关键符合设计要求符合设计要求合格2 节点间主材弯曲关键1/750 1/800 3mm 合格3 转角塔、终端塔顶部向受力反方向倾斜关键大于0,并符合设计要求60°以下转角塔≤3‰;60°及以上转角塔,终端塔≤5‰,架线后只做检查架线前43mm合格架线后38mm4 直线塔结构倾斜重要一般塔:3‰ 2.4‰/ / 高塔:1.5‰ 1.2‰5 螺栓与构件面接触及出扣情况重要符合《规范》第6.1.3条紧密一致紧密一致合格6 螺栓防松重要符合《规范》第6.1.7条无遗漏无遗漏合格7 螺栓防盗重要符合设计要求无遗漏无遗漏合格8 脚钉重要符合设计要求齐全紧固齐全紧固合格9 螺栓紧固一般符合《规范》第6.1.6条组塔≥95%;架线后≥97%架线前符合扭矩标准合格架线后符合扭矩标准10 螺栓穿向一般符合《规范》第6.1.4条一致美观一致美观合格11 保护帽外观符合设计要求平整美观平整美观合格备注评级合格施工负责人:专职质检员:检查人:。