自动灭菌锅操作说明
- 格式:docx
- 大小:13.98 KB
- 文档页数:1
河北省健海生物芯片技术有限责任公司文件目的确保灭菌锅安全正确操作使用。
范围主要用于耐高温、高压蒸汽的固、液态物品的灭菌、干燥、保温;也可用于琼脂融化。
职责技术部按基本操作使用仪器,负责仪器的保养及维护。
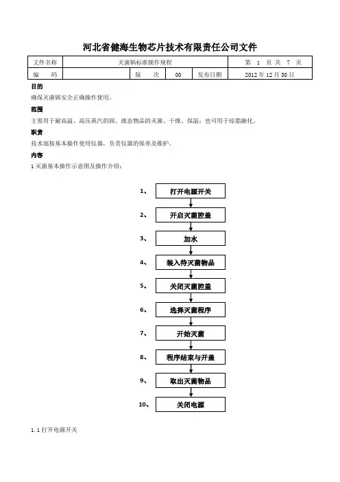
内容1灭菌基本操作示意图及操作介绍:1.1打开电源开关文件名称 灭菌锅标准操作规程第 1 页 共 7 页 编 码版 次00发布日期2012年12月30日打开电源开关 1、 开启灭菌腔盖2、 加水3、 装入待灭菌物品4、 关闭灭菌腔盖5、 选择灭菌程序6、 开始灭菌7、 程序结束与开盖8、 取出灭菌物品9、 关闭电源10、1.1.1检查位于仪器背部的漏电保护开关是否合上,打开位于仪器操作面板右侧的电源开关;开机系统自动进行自检,面板上所有的指示闪烁三次后进入待机状态:“ST-BY”闪烁,数码显示屏A显示当前温度,数码显示屏B显示用户最新保存的灭菌程序,同时显示该灭菌程序对应的工作流程图。
1.1.2当仪器处于待机状态时,如果30分钟内没有进行操作,仪器将自动进入节电模式,这时面板除了闭盖指示灯全部熄灭;按任意键,即可恢复面板显示。
1.2开启灭菌腔盖1.2.1逆时针旋转手柄直至腔盖打开。
1.2.2向右轻推手柄,将腔盖推到一侧。
★ 注意:✧此时指示灯“LOCKED”熄灭,灭菌器不能启动灭菌,只有腔盖重新关闭锁紧,灭菌器才能启动工作。
✧打开腔盖时不要用力过猛,以免挤压防烫腔盖引起破损。
1.3加水1.3.1检查、确认排水阀已经关闭;1.3.2将蒸馏水注入灭菌腔,直到水流进水位板中间的水位指示器。
注意水位不应超过水位板面。
★ 注意:✧灭菌工作中,切勿打开灭菌腔排水阀或集汽瓶排水阀,否则可能导致高温水蒸汽喷出伤人。
✧仪器持续工作时,内置集汽瓶中的冷凝水不断增加,多余的冷凝水将自动从排汽、排水软管中排出。
✧每次灭菌后,灭菌腔内的水位都会降低,应注意补充蒸馏水。
✧经常处于缺水状态会导致电热管常常处于干烧状态,从而加速电热管生锈、老化,缩短电热管的寿命。
灭菌锅的操作方法操作灭菌锅的步骤如下:1. 准备工作:- 将灭菌锅放置在平稳的台面上,确保周围无可燃物和易燃物。
- 确认灭菌锅内的工作面干燥且无杂物。
2. 安装电源:- 根据灭菌锅的电源需求,连接电源线到合适的插座。
- 注意检查电源线是否有损坏或裸露的情况,以确保安全。
3. 加水:- 打开灭菌锅的盖子,将适量的水倒入内胆。
- 注意不要超过灭菌锅内胆的最大水位线,以防水溢出。
4. 加入灭菌剂:- 根据灭菌锅的使用说明,向内胆中加入适量的灭菌剂。
- 注意使用合适的灭菌剂,并遵循正确的配比和使用方法,以确保灭菌效果。
5. 放置待灭菌物品:- 将待灭菌的物品放置在内胆中,确保物品之间有足够的间距,以便灭菌剂均匀覆盖。
6. 关闭灭菌锅盖:- 将灭菌锅的盖子关闭并锁紧,确保盖子密封,防止水蒸气泄漏。
7. 设置灭菌程序:- 根据待灭菌物品的特性和灭菌要求,选择适当的灭菌程序和设置参数。
- 确认程序设置正确后,启动灭菌锅,开始进行灭菌过程。
8. 等待灭菌完成:- 在灭菌过程中,耐心等待灭菌锅完成工作。
- 不要在灭菌过程中强行打开灭菌锅盖,以免烫伤或影响灭菌效果。
9. 灭菌完成后处理:- 在灭菌完成后,等待灭菌锅自动冷却并取消压力。
- 当灭菌锅的压力指示灯熄灭后,才能安全地打开灭菌锅盖。
- 小心取出灭菌物品,注意防止烫伤。
10. 清洁灭菌锅:- 打开灭菌锅盖后,将内胆内的水和残留物倒出。
- 用清洁布或海绵蘸取适量清洁剂,擦拭灭菌锅内胆和盖子的表面。
- 清洗完毕后,用清水冲洗干净并擦干。
以上是一般灭菌锅的操作方法,请根据具体的灭菌锅使用说明书进行具体操作。
灭菌锅的型号和品牌不同,操作细节可能会略有差异,请参考使用说明书以确保正确操作。
写出实验室高压蒸汽灭菌锅的按键使用流程下载提示:该文档是本店铺精心编制而成的,希望大家下载后,能够帮助大家解决实际问题。
文档下载后可定制修改,请根据实际需要进行调整和使用,谢谢!本店铺为大家提供各种类型的实用资料,如教育随笔、日记赏析、句子摘抄、古诗大全、经典美文、话题作文、工作总结、词语解析、文案摘录、其他资料等等,想了解不同资料格式和写法,敬请关注!Download tips: This document is carefully compiled by this editor. I hope that after you download it, it can help you solve practical problems. The document can be customized and modified after downloading, please adjust and use it according to actual needs, thank you! In addition, this shop provides you with various types of practical materials, such as educational essays, diary appreciation, sentence excerpts, ancient poems, classic articles, topic composition, work summary, word parsing, copy excerpts, other materials and so on, want to know different data formats and writing methods, please pay attention!实验室高压蒸汽灭菌锅按键使用流程1. 准备工作。
灭菌锅操作规程
1使用前的检查
(1)灭菌锅使用前检查锅内水位(可通过灭菌锅正面左下角的玻璃管液位计来观察水位,保证水位为在玻璃管上下两条红线之间)。
(2)灭菌前,灭菌锅右侧下方的排气阀应为关闭状态,及阀柄竖直。
(3)灭菌锅盖的打开与关闭都必须先操作黑色手柄,再操作红色手柄,同时转动手柄时也要轻轻操作,防止损坏内部机件。
(4)灭菌锅内铁桶金属圆形多孔垫板与桶底需保持干燥,如有水迹存在,则需用抹布擦干
2灭菌操作
(1)依次放入被牛皮纸包裹的待灭菌物品。
为了达到灭菌的目的, 锅内待灭菌物品应不要太紧太满, 以利于蒸汽流通。
(2)物品摆放好后,再在所有物品上盖上几层牛皮纸,防止物品被滴落的冷凝水打湿。
(3)轻轻按下灭菌锅盖,先转动黑色锅盖手柄,再转动红色锅盖手柄。
检查排水阀与排气阀,保持两者都处于关闭状态(阀柄竖直)。
(4)打开电源开关,灭菌锅开始加热,观察压力表(红圈表温度,黑圈表压力)。
待温度上升到100℃时,需排除锅内冷空气。
(5)排出冷空气后,锅内压力与温度继续上升,待温度和压力上升至灭菌所需,通过开关电源来使温度和压力保持在所需范围内。
(6)灭菌完成,关闭电源,缓慢打开排气阀至完全打开(防止锅内液体爆沸),待压力降为零后方可开启锅盖。
(7)穿长袖工作服,戴布手套,取出锅内灭菌物品放入塑料筐,再一起放入无菌室缓冲间。
打湿的牛皮纸取走晾干。
注意,取物品时手臂不要碰到灭菌锅壁以防烫伤。
HVE-50 操作步骤1、将开/关杠杆设在左侧,然后按下“POWER ON/ OFF”键开机。
2、将开/关杠杆调向右侧,把盖打开,向灭菌锅内注水直到看到水漫过底盘中心的孔(大约需要2.0升水)。
3、放置待灭菌的物品,盖上盖子到磁封条封好,将开/关杠杆调向左侧把盖锁住。
4、选择运行模式:按“MODE”键,会依次出现“MODE1,2,3,1……”,其中:“MODE1”为对琼脂类半固体的灭菌方式(有保温使其不凝结的功能);“MODE2”为对液体类物质的灭菌方式;“MODE3”为对器具类物质的灭菌方式(如玻璃器皿、陶瓷器皿、不锈钢器皿等)。
5、更改设定数值(依用户要求而定):(1)按“SET/ENT”键选择设置;(2)按“NEXT”键选择要更改的项目;(3)通过按“▲,▼”键更改数值;(4)按“SET/ENT”键保存修改后的设置,或者按“MODE”键取消修改后设置的保存。
6、启动灭菌程序:(1)确定放气瓶内的水位在“HIGH”和“LOW”之间;(2)确定排水瓶内的水位足够低,不会碰到排气管的顶端;(3)确定放气阀是关着的;(4)按“START/STOP”键启动灭菌程序。
7、灭菌完成后,将开/关杠杆调到右侧,打开盖子,拿出灭好的物品。
8、按“POWER ON/OFF”键断开电源(如果放气阀开了,将其关上)。
9、若需要在程序运行过程中中断灭菌,按“START/STOP”键。
保持与维护1、当放气瓶中的水位高于“HIGH”标记时,在灭菌前将水倒出至“LOW”标记。
2、为避免阻塞管系,应每天换水一次;该设备准备长时间停用时,要将灭菌锅内的水排空。
3、当内腔脏了以后,要清洗腔体(注意清洗时不要损伤下面的温度探头)。
4、清洗外壁的方法:(1)用布沾着稀释后的中性洗洁剂擦去顽固污渍;(2)用干布擦去表面湿气。
HVE-50高压灭菌锅HVE-50具有六个基本特点:1. 电动锁系统仅用触摸式控制器,就可以轻易和安全地启开其箱盖。
1将开启手柄拨至开锁位置(图一),打开灭菌器盖,补充
水位至标准水位(蒸馏水)。
侧面“加水阀”扭到“开”状态,打开内筒直接注水,加至标准水位。
如出现水
位过多,则打开排水阀,排去多余水至标准水位。
完成
后“加水阀”打到“关”状态。
2.放灭菌物,其装载量小于灭菌器容积的80%。
盖好灭菌器盖,上盖
闭合到位后,将开启手柄拨至关闭位置(图一)。
3 根据灭菌物选择灭菌周期。
已设置好,勿再设置!
5 打开下排汽阀,当灭菌室内有蒸汽排出时,将下排汽
阀旋钮旋小(图二),有微量蒸汽排出,整个灭菌
过程始终打开。
6 按
键1秒启动,灭菌器开始工作,面板各状态灯分别亮起。
7 如果选择F 键,安全阀测试专用键,按F 键设定温度138℃、时间不能为零后,按启动键,开始加热,当温度达138℃(0.24MPa )时,安全阀应正常起跳回落,否则应更换合格的安全阀。
8灭菌结束,待灭菌器内温度降至85℃左右,安全联锁解锁,将上盖启闭手柄拨到开启,打开上盖,取出灭菌物。
小心蒸汽烫伤! 9 关闭电源开关断开断路器。
10出水管连接水桶,注意:出水管不要伸入桶液面下,以防倒吸。
仪器使用登记本登记!
如要设置其他温度时间,请向管理老师索取详细使用说明书。
(盖)启闭拨杆 图一
图二。
灭菌锅使用说明范文灭菌锅是一种用于灭菌操作的设备,通常用于医疗、实验室和食品加工等行业。
下面是对灭菌锅的详细使用说明:1.预热设备:将灭菌锅连接到电源,并打开电源开关。
根据设备说明书调节温度和时间,通常将温度调至121°C,时间设定为15-20分钟。
此过程中设备会自动预热,待设备达到设定温度后,会发出提醒信号。
2.准备物品:将要灭菌的物品准备好,通常使用高压蒸汽灭菌袋将物品包装好。
灭菌袋应保证质量良好,无破损和污染。
3.放置物品:将包装好的物品放置在灭菌锅内,保证物品之间有一定的间距,避免彼此接触。
物品放置时要注意均匀分布,且不要过量,以免影响灭菌效果。
4.密封容器:打开灭菌锅的密封装置,将容器盖子放好,确保容器完全密封。
密封好容器后,确保容器的放置不会相互遮挡,以保证蒸汽均匀流通。
5.开始灭菌:关闭灭菌锅的密封装置,调节好灭菌时间,并启动灭菌锅。
灭菌过程中,可以观察设备显示面板上的温度和时间以及灭菌进程。
6.完成灭菌:灭菌完成后,灭菌锅会发出提醒信号,此时应关闭电源开关,并等待设备内压力和温度降至安全范围。
7.操作注意事项:a.在灭菌锅内进行操作时,应穿戴好个人防护装备,如实验手套、口罩等,以免污染被灭菌物品。
b.在开启和关闭灭菌锅时,应配戴耐高温手套,避免烫伤。
c.遵循设备说明书中的使用规范,不得超负荷使用设备,以免设备损坏或发生意外。
d.灭菌锅在工作时会产生高温和高压,请远离锅体以免意外伤害。
e.灭菌锅应定期进行保养和维护,如清洗和更换滤网、防护装置等,保证设备的正常使用。
总结:灭菌锅是一种非常重要的设备,其正确的使用方法可以确保物品被彻底灭菌,保证工作环境的卫生和安全。
在使用灭菌锅时,需要遵守设备说明书中的规范,注意安全事项,做到规范操作,以保障使用效果和人身安全。
全自动高压灭菌锅操作规程
基础医学实验教学中心
全自动高压灭菌锅操作规程一、操作步骤:
1、打开高压锅盖,在每次高压前检查舱内水量是否充足,一般达
到底盘水平即可。
2、将物品放入高压锅内,关闭并旋紧高压锅盖。
3、将Exhaust上的旋钮旋至Close位置,检查排气桶水位,保证
其内的水位在Low water level与high water level之间。
4、打开侧面的高压锅电源。
5、高压锅默认模式为121?、20分钟,可根据需要调整温度或时
间:
调整温度,按TEMP屏幕下方?或?
调整时间,按TIME屏幕下方?或?。
6、调整好时间和温度后按START键进行高压。
7、直到屏幕上显示COMPLETE,温度下降到60?后,确定压力
表显示压力为零时,才能打开高压锅盖,取出物品。
8、此时高压锅回到打开电源时状态,屏幕显示121?、20分钟,
可以进行下一次操作。
9、如已完成工作,关掉侧面的高压锅电源。
二、注意事项
(一)错误代码意义:
1. Er0:两个或两个以上错误。
2. Er1:运行前高压锅舱内缺水。
3. Er2:排气阀打开
4. Er3:高压锅舱外过热。
5. Er4:运行过程中高压锅内缺水。
6. Er5:高压锅内温度异常上升。
7. Er6:高压锅内压力异常上升。
8. Er7:温度传感气损坏。
9. Er8:温度上升出错(加热器损坏或高压锅内物品过多)。
10. Er9:高压锅没在正常位置。
(二)从高压锅中将物品取出时,应带手套操作,以防止烫伤。
灭菌锅的使用方法灭菌锅是一种常用于医疗机构、实验室和制药厂等场所的设备,其作用是通过高温高压的方式将器械、培养基等物品进行灭菌处理,以确保其无菌状态。
正确的使用灭菌锅对于保障医疗卫生安全至关重要,下面将介绍灭菌锅的使用方法。
1. 准备工作。
在使用灭菌锅之前,首先需要检查灭菌锅的外部是否有损坏,确认灭菌锅内部是否清洁干净。
然后,将需要灭菌的物品整理好,放入专用的灭菌袋或容器中,并按照要求正确包装。
2. 设置参数。
接下来,根据灭菌物品的性质和数量,设置灭菌锅的参数。
一般来说,灭菌锅的温度、压力和时间是根据灭菌物品的特性来确定的,需要根据相关规定进行设置。
在设置参数时,要确保操作正确,以免影响灭菌效果。
3. 进行灭菌。
当参数设置完成后,将灭菌物品放入灭菌锅内,并关闭锅盖。
然后,启动灭菌锅,等待灭菌过程完成。
在整个灭菌过程中,要确保灭菌锅处于稳定状态,避免外界因素对灭菌效果造成影响。
4. 检查结果。
灭菌过程完成后,等待灭菌锅自然冷却至安全温度后,打开锅盖,取出灭菌物品。
在取出物品前,要先进行必要的检查,确保物品的灭菌效果达标。
如果发现有物品未达到要求的灭菌效果,需要重新进行灭菌处理。
5. 清洁消毒。
在使用完灭菌锅后,要对灭菌锅进行清洁消毒,以确保下次使用时的卫生安全。
清洁消毒包括对灭菌锅内外的清洁,以及对相关配件的消毒处理。
在清洁消毒过程中,要注意操作规范,避免对设备造成损坏。
总结:灭菌锅的使用方法并不复杂,但需要严格按照规定进行操作,以确保灭菌效果。
在使用灭菌锅时,要注意设备的维护保养,定期进行检查和维修,以延长设备的使用寿命。
只有正确使用和维护灭菌锅,才能保障医疗卫生工作的顺利进行,确保患者的安全健康。
希望本文所述的灭菌锅的使用方法对您有所帮助。
高温灭菌锅功能及高温灭菌锅操作规程高温灭菌锅是一种专业的厨具设备,主要用于对食品进行高温灭菌处理,以达到杀灭细菌、病毒和其他致病微生物的目的。
高温灭菌锅的功能和操作规程如下。
功能:1. 高温杀菌:高温灭菌锅可将食物加热到高温状态,杀灭细菌和其他微生物,确保食物的安全性。
2. 节约能源:高温灭菌锅采用高效的加热方式,快速达到设定的高温,节约能源。
3. 高效加热:高温灭菌锅具有快速加热的功能,可以迅速将食物加热到需要的温度。
4. 大容量:高温灭菌锅有不同容量的规格,可以满足不同量级的食物处理需求。
操作规程:1. 准备食材:根据需要,准备要进行高温灭菌处理的食材。
食材应保持清洁,没有明显的腐烂或变质。
2. 准备高温灭菌锅:确保高温灭菌锅清洁,没有残留食物或其他杂质。
检查加热元件是否正常。
3. 添加水或液体:根据食材的不同,可以适量添加适合的液体。
一般来说,水是常用的液体选择。
但是,如果要处理的食材需要煮沸,可以选择加入肉汤、高汤或鸡汤等。
4. 加热高温灭菌锅:将高温灭菌锅接通电源,开机前确认电源插头已插稳。
按照产品说明书的要求,选择适当的温度和时间,将高温灭菌锅加热到设定的温度。
5. 放入食材:高温灭菌锅加热到设定温度后,将准备好的食材放入锅中。
时间根据食材的种类和大小来决定。
6. 等待高温灭菌:将食材放入高温灭菌锅后,等待一段时间,让食材充分接触高温,达到灭菌的效果。
时间根据食材的种类和大小来决定。
7. 完成灭菌:等待设定时间过后,高温灭菌锅将自动停止加热,此时可以打开锅盖,检查食材的状态。
8. 关闭高温灭菌锅:将高温灭菌锅的电源开关关闭,等待其冷却后,可以清洁锅体。
9. 清洁高温灭菌锅:将高温灭菌锅冷却后,使用清水和洗涤剂清洁锅体。
注意不要将电子部件浸入水中。
清洁完毕后,用干净的毛巾擦干。
10. 维护保养:定期检查高温灭菌锅的加热元件和温度控制器等部件的工作状态。
如果发现故障或异常,及时联系专业人员进行维修。
灭菌锅操作说明引言:灭菌锅是一种常见的设备,用于在医疗、实验室和食品行业中进行物品的灭菌处理。
本文档旨在向用户提供关于灭菌锅操作的详细步骤和注意事项,以确保正确和安全地使用灭菌锅。
一、灭菌锅的基本原理灭菌锅通过高温和压力的组合来杀灭细菌、病毒和其他微生物,从而使物品达到无菌状态。
使用灭菌锅可以有效地消除潜在的病原体,并确保物品在使用过程中不会感染人们的健康。
二、灭菌锅的准备工作在开始操作灭菌锅之前,确保进行以下准备工作:1. 清洁灭菌锅:在使用之前,应先清洁灭菌锅。
使用温和的清洁剂和清水将锅体和配件彻底清洗干净,然后使用干净的布擦干。
2. 准备物品:将需要灭菌的物品妥善准备好。
确保这些物品是耐高温和高压的,并且不会在灭菌过程中产生有害物质。
3. 检查灭菌锅:检查灭菌锅的密封性能和各项指示灯是否正常工作。
确保灭菌锅的安全阀和压力表处于正常工作状态。
三、操作灭菌锅的步骤按照以下步骤操作灭菌锅以确保灭菌的有效性和安全性:1. 将准备好的物品放置在灭菌锅的蒸汽篮内,并确保物品之间有足够的空间,以允许蒸汽有效地渗透。
2. 关上灭菌锅的盖子,并确保盖子紧密封闭。
3. 将灭菌锅连接到电源,并将电源插头插入电源插座。
4. 打开灭菌锅上的电源开关。
此时,灭菌锅开始加热,水开始被转化为高温蒸汽。
5. 调整灭菌锅的温度和时间设置。
根据物品类型和规范要求,选择适当的温度和时间设置。
6. 等待灭菌周期结束。
在灭菌锅完成灭菌过程后,它会自动停止加热,并发出信号表示灭菌已完成。
7. 关闭灭菌锅的电源开关,并拔掉电源插头。
8. 等待灭菌锅冷却。
在操作灭菌锅之前,请确保其温度下降到可以安全接触的水平。
9. 打开灭菌锅的盖子,并小心地拿出物品。
请注意,物品可能仍然很热,请戴上耐热手套或使用工具进行操作。
10. 检查物品的灭菌效果。
确保物品在灭菌过程中没有受损,并且达到了预期的无菌状态。
四、注意事项和安全提示在使用灭菌锅时,请务必遵守以下注意事项和安全提示:1. 严格按照操作手册和相关法规操作灭菌锅。
Z E A L W A Y G R D R G R D R灭菌锅器简要操作手册说明书集团标准化工作小组 [Q8QX9QT-X8QQB8Q8-NQ8QJ8-M8QMN]操作简介适用型号:GR60DA GR85DA GR110DA本简介只是简单提示,为确保安全、正确地使用仪器,请务必在使用前仔细阅读操作手册准备: 1:灭菌用水必须使用蒸馏水(或纯水、去离子水)。
注:不能使用超纯水。
勤换水2:只能对耐压、耐温、耐湿的物质进行灭菌,不可对强酸、强碱、盐水、易燃、易爆、易氧化物灭菌操作步骤:一:通电:合上机器左侧漏电保护开关(拨柄朝上表示己合上),仪器自动进行自检,屏幕、所有的指示灯闪烁三下,如果此时盖子没关紧,则左下方屏幕“LID”闪烁,提醒关盖;如果此时盖子己关紧,则“ST-BY”灯闪烁,表示己进入待机状态(详见第五点)。
二.查看密封圈是否黏住,如有应将其分开,以免影响密封;检查机器背后之废水瓶的水位是否达到HIGH刻度,如果达到了就把水倒掉;确认排汽管的上端接到机器后面的排气口,下端垂于废水瓶上,且未没入水里。
三.观看腔体底部水位,确保水位高于水位指示器,并低于水位板表面。
如通过水位指示器看不到水,代表水位过低,需加水四.装入灭菌物:把灭菌物放入提篮中,再将提篮放在灭菌腔里(灭菌物的放置请参考应用注意事项)五.关盖:一手轻压上盖前端中部,一手把手柄从右边“UNLOCK”处拨到左边“LOCK”处。
拨到位后,系统会发出提示音,同时操作面板左上方的“LOKCED”灯变亮(表示己关好)。
此时,屏幕状态流程图的“ST-BY”灯闪烁,表示进入待机状态。
六.选择程序:按“UP”键和“DOWN”键选择程序,这时左下方显示屏会显示U01,U02等已经设置好的程序。
U01:固体灭菌 U02固体灭菌 U03液体灭菌带保温 U04液体灭菌 U05废弃物灭菌 U06琼脂融化需要创建或修改程序时,可按“SET/ENT”进入设置界面,按“UP”或“DOWN”键相应地增加或减少数值。
YM-30B立式压力蒸汽灭菌器操作步骤
1 将需要灭菌的物品放入内层锅,盖好锅盖,先拧好黑色把手,再拧好红色把手;
2、依次打开供电电源开关、绿色指示灯亮,拨动“运行开关”;
3、打开水龙头,使放水阀位于“关”的位置;
4、加热开始后,应立即打开“下放汽阀”,排出桶内的冷空气。
注意观察排汽口,直到有较急蒸汽排出并维持2分钟后,关小“下放汽阀”,使出汽口仍有微汽排出
5、自动放汽阀第一次放汽可开始保温计时30分钟。
6、灭菌保温时间到达后,应先关闭供电电源开关,然后打开“下放汽阀”排放压力蒸汽,实现泄压。
桶内的压力全部泄放完毕后,等待开盖。
7、自然冷到70℃后(约45分钟),趁热打开器戴隔热手套盖取物,决不能等其冷到室温,否则,桶内会产生负压。
8、打开“放水阀”,排空仪器残留水。
灭菌器注意事项:
a 待灭菌的物品放置不宜过紧
b 必须将冷空气充分排除,否则锅内温度达不到规定温度,影响灭菌效果
c 灭菌完毕后,不可放气减压,否则瓶内液体会剧烈沸腾,冲掉瓶塞而外溢甚至导致容器爆裂。
须待灭菌器内压力降至与大气压相等后才可盖
d无水或缺水时机内蜂鸣器响、红色指示灯亮,。
e黄色指示灯亮,表示加热管开始加热。
致微GI型号系列灭菌锅操作流程1、打开电源开关接通电源,打开仪器开关,开机系统自动进行,检测面板上所有的指示灯闪烁三次后进入待机状态,如果30min内没有进行操作,仪器将自动进入省电模式,这时面板除了“LOCKED”外全部熄灭,按任意键,即可恢复面板显示。
2、开启灭菌腔盖先逆时针旋转手柄至尽头(一定要到尽头!),再向右轻推手柄,将腔盖推到一侧,此时指示灯“LOCKED“熄灭。
(注意:打开腔盖时不要用力过猛,以免挤压防烫腔盖,引起破损。
)3、倒冷凝水与加水1)倒冷凝水检查机器背后的白桶,保持桶内的水没有或较少,如果水位到达HIGH(高水位)时必须倒掉。
2)手动加水检查灭菌锅内底部水位,若底部无水,需加蒸馏水至不超过水位板表面。
(注意每次灭菌都要提前检查水位,加水必须用蒸馏水、蒸馏水、蒸馏水,重要的事情说三遍!)4、装入待灭菌物品取出不锈钢提篮,将待灭菌的物品放入不锈钢提篮中。
(含有琼脂的固体培养基灭菌盛放体积最好不超过1/2,防止喷溅)5、关闭灭菌腔盖往左轻推手柄直至横梁靠紧立柱。
顺时针旋转手柄,仔细听机器指示声,第一次闭盖指示灯“LOCKED”亮时,会有“滴”声,应继续旋转直至第二声“滴”声发出,即可停止旋转,最后必须保证“LOCKED”灯亮!(如果旋到手紧灯不亮,可回旋一下灯会亮)6、选择灭菌程序该系列灭菌锅有五种基本工作模式,常用的是前三种:固体模式(对应“SOLID”指示灯)、液体模式加保温、液体模式不加保温,液体模式均对应1个“LIQUID”指示灯。
固体模式默认灭菌温度127℃,灭菌时间15min;液体模式加保温默认灭菌温度121℃,灭菌时间20min,保温温度60℃,保温时间600min;液体模式不加保温默认灭菌温度126℃,灭菌时间15min,若无特殊要求,可根据需要选择使用,任意模式均可进行修改、编辑。
7、开始灭菌点击“Start”键,开始灭菌,“Heat”灯闪烁表示开始进入加热阶段,仪器正常运行。
灭菌锅操作说明————————————————————————————————作者: ————————————————————————————————日期:杀菌锅作业指导书一、目的:使操作人员依据工艺参数进一步熟悉设备的操作规程。
二、技术参数:1.杀菌容积:2.03 m32.最高工作压力:0.30Mpa3.最高工作温度:145℃4.工作介质:水和蒸汽三、操作工艺流程1、检查:启动空压机(0.4Mpa-0.8Mpa)2.关门: 产品推进杀菌锅之后,将杀菌锅的锅门旋动扳手旋到关的位置,然后把锅门机械锁块扳手板到关的位置,最后将密封圈控制阀旋到充气的位置。
3、杀菌操作:①上罐预热(上罐加热温度需要操作人员控制,设备没有自动控制)分别打开给水阀、上罐进水阀和上罐泄压阀,启动给水泵,上罐开始进凉水,观察上罐水位。
(最高70)水位达到预热水位时,停止给水泵,关闭给水阀、上罐进水阀和上罐泄压阀,将杀菌开关拨到OFF位置,启动上罐加热按钮,电热管开始上罐加热。
加热过程中,上罐压力(0.16~0.22Mpa参考值)如果高于参考值,打开上罐泄压阀,将压力控制在参考值范围之内。
当加热温度达到工艺要求温度后,(128°C)按下停止按钮,上罐预热完成。
②下罐杀菌:依次打开连通阀、上罐进水阀和喷淋阀,启动循环泵,设备开始将上罐的热水通过循环泵倒到下罐当中,观察下罐水位是否上升,若上升,倒水正常。
观察下罐压力(0.16~0.22Mpa参考值),当压力超过压力表下限指针后,打开压力开关,(至ON位置)设备开始自动控制压力,将压力保持在压力范围之间。
当水位达到下罐杀菌水位之后,打开循环阀,关闭上罐进水阀,此时通过温控仪SET设定按钮,设定产品要求的温度和保温时间,通过电接点压力表设定锅内压力。
设定完成后:按住温控仪电源开关RUN键5秒钟,直至温控仪OUT输出指示灯亮起,此设置如果杀菌时间在不变的情况下,只需要第一次设定输入,下次不用输入,控制箱会自动保存。
详细说明灭菌锅的使用流程简介灭菌锅是一种用于灭菌操作的设备,常用于医疗、实验室等领域。
正确的使用流程可以确保灭菌效果,保护人员的安全。
本文将详细说明灭菌锅的使用流程,希望能够提供有用的指导。
使用前的准备工作在开始使用灭菌锅之前,需要进行以下准备工作:1.检查设备–确保灭菌锅的工作状态正常,无损坏和漏电等安全隐患。
–检查操作面板、显示屏等控制部件的功能是否正常。
2.准备灭菌物品–根据需要灭菌的物品的类型和数量,选择合适的灭菌器容量。
–将待灭菌的物品清洗干净,并放置在合适的容器中,确保容器符合灭菌的要求。
灭菌锅的使用流程下面是灭菌锅的使用流程的详细说明:1.打开灭菌锅–按下电源开关,等待设备启动。
–检查显示屏上的温度、压力等参数,确保设备处于正常工作状态。
2.设置灭菌参数–使用控制面板上的按钮或旋钮,设置合适的灭菌参数,如温度、压力和时间等。
–请根据灭菌物品的特性,参考相关指南或建议进行设置。
3.放入灭菌物品–将准备好的灭菌物品放置在灭菌器的合适位置,并确保物品间有足够的空间以保证灭菌的效果。
–注意避免物品之间的重叠和挡住蒸汽的通道。
4.闭合灭菌锅–关闭灭菌锅的门,并确保门密封完好,以防止蒸汽泄漏。
–根据设备的要求,进行锁定或封好的操作,以确保使用过程中的安全。
5.启动灭菌程序–根据所选的灭菌程序,启动设备的灭菌程序。
–在启动程序后,灭菌锅会开始加热和产生蒸汽,杀灭物品表面的细菌和其他微生物。
6.等待灭菌完成–在灭菌程序运行期间,根据设备的操作指南,等待灭菌完成。
–遵循设备的安全要求,防止过度接触灭菌锅,以免烫伤。
7.灭菌完成后的处理–灭菌完成后,关闭灭菌锅的电源。
–等待灭菌锅冷却后,小心打开灭菌锅的门。
–使用合适的工具将灭菌物品取出,并严格按照相关规定进行后续处理。
注意事项在使用灭菌锅时,需要注意以下事项:•严格遵循设备的操作指南和安全规定。
•不要超过设备的最大容量和灭菌要求。
•遵守操作顺序,确保物品彻底灭菌。
实验室灭菌锅的使用方法及注意事项实验室灭菌锅是实验室常用的设备之一,用于对实验器皿、培养基、培养物等物品进行高温灭菌处理。
正确的使用方法和注意事项能够确保实验室操作的安全和实验结果的准确性。
一、实验室灭菌锅的使用方法1. 准备工作:将需要灭菌的物品整理好,确保物品清洁无杂质,并放入灭菌袋中。
注意,灭菌袋应选择符合要求的高温耐受性材料,保证灭菌效果。
2. 加水:打开灭菌锅的盖子,将适量的蒸馏水倒入水槽中,注意不要超过指示线。
3. 放置物品:将装有物品的灭菌袋放入灭菌锅的蒸汽篮中,注意不要过度装载,以免影响灭菌效果。
4. 关盖:将灭菌锅的盖子盖好,并确保密封良好,防止蒸汽泄漏。
5. 开机:将灭菌锅连接电源,并按照设备说明书的要求打开电源开关。
6. 设置灭菌参数:根据实验需要,选择合适的灭菌程序和操作参数,如温度、时间等。
不同的物品和灭菌要求可能会有所不同,所以在设置参数时要根据实际情况进行调整。
7. 开始灭菌:设置好参数后,按下启动按钮,开始进行灭菌过程。
在灭菌过程中,要注意观察设备的运行情况,确保一切正常。
8. 灭菌完成:待灭菌时间结束后,灭菌锅会自动停止工作并发出提示音。
此时可以将灭菌锅的电源开关关闭,并等待一段时间,使灭菌锅内的温度降至安全范围后再打开盖子。
9. 取出物品:打开灭菌锅的盖子,用消毒过的夹子或手套等工具将灭菌袋取出,注意不要直接用手触摸内部物品,以免被烫伤。
10. 保存物品:将灭菌后的物品放置在洁净的工作台上,确保环境无菌。
如果需要长时间保存,建议将物品放入干燥的密封容器中,以免再次受到污染。
二、注意事项1. 安全操作:在使用实验室灭菌锅时,要注意安全操作。
操作人员应穿戴好防护设备,如实验服、手套、护目镜等,以免因高温或其他原因造成伤害。
2. 选择合适的灭菌程序和参数:不同的物品和灭菌要求可能会有所不同,所以在设置灭菌参数时要根据实际情况进行调整,确保灭菌效果。
3. 避免过度装载:在放置物品时,要注意不要过度装载,以免影响灭菌效果。
自动灭菌锅简单操作说明
1、插上电源插头,打开开关,按“POWER ON/OFF”键开启电源。
2、确认压力表读数为0,将LOCK/UNLOCK杆推向右边,打开盖子,加水2升
(可通过底盘中心小孔观察水位,灭菌腔每天需换水一次)。
3、确认排汽瓶中的水位界于HIGH和LOW之间,否则取出该塑料瓶倒水或加
水若干。
4、装入待灭菌物,盖上盖子,将LOCK/UNLOCK杆推向左边。
(连续灭菌时,
第2次操作前请确保灭菌腔温度已降至50℃以下。
)
5、按“MODE”键选择工作模式,根据需要检查和修改温度、时间设定值。
6、按“START/STOP”键,仪器即开始灭菌过程。
若确实需要停止灭菌,再按
该键一次仪器即退回待机状态。
7、灭菌完毕,待温度下降,压力表读数为0时,将LOCK/UNLOCK杆推向右
边,打开盖子。
(保温状态时需先按“START/STOP”停止运行。
若仪器进入节电模式需先按任意键恢复面板显示后方可进行其它操作)。
8、取出灭菌物(小心避免蒸汽及灭菌物烫伤手脸)。
9、按“POWER ON/OFF”键关闭电源,断开开关,拔下插头。
待仪器充分冷却
后,擦干表面冷凝水,并进行灭菌腔排水。
特别注意事项:
1、本仪器系高温高压自动灭菌设备,除特别注意事项外,普通高压灭菌器所要
求的常规操作规范对于本仪器的操作同样必须遵循。
2、本仪器不可用于腐蚀性、易燃、易爆和热压不稳定等物品的灭菌。
3、灭菌器盖子仅当仪器通电且温度下降、压力表读数为0时方可开启,不可强
行用力打开,以免仪器损坏和发生意外伤害事故。
4、操作过程谨防蒸汽和灭菌物品烫伤。
5、仪器工作中若遇异常情况,请参照用户手册妥善处理,必要时请及时关闭电
源开关,并联系当地经销商,保修期内未经授权,用户不得擅自更改仪器相关部件。
6、仪器较长时间不用,请务必将灭菌腔排水,并保证腔体清洁干燥。