几种防锈效果较好的油溶性防锈剂
- 格式:doc
- 大小:33.00 KB
- 文档页数:3
对于很多金属材料来说,为了延长其使用寿命,确保使用质量,很多会借助防锈油来进行保存,防锈油由油溶性基础油,抗蚀剂和一些添加剂等组成,根据不同的性能和用途,发展出不同种类的除锈油以应该不同加工和处理要求。
一般来说,主要有以下几种:R-1水溶防锈剂代替传统的防锈添加剂,并将油溶组份改性为水溶的新型防锈剂。
应用范围:本品适用于机械制造和维修过程中黑色金属、有色金属的工序间防锈,半成品防锈和成品防锈。
使用方法:使用时可将带水膜工件直接浸涂,刷涂或喷涂,简化了脱水、烘干工序。
工件浸涂原液,防锈期1年以上。
以水稀释成不同浓度,进行工序防锈或半成品防锈,防锈期1-3个月。
产品特点:使用本剂可带水膜刷涂,也可用水稀释后使用;该水溶防锈剂与水基清洗、水基润滑配套应用形成水基一条线新工艺;防锈性强、成本低廉、简化工序、操作方便。
包装:200公斤、25公斤塑料桶。
R-2油溶防锈剂本产品以荣获国家发明奖的防锈添加剂为主要组份配制而成,其性能指标大大优于传统防锈油且价格低廉。
应用范围:该剂适用于机械零部件工序防锈、半成品防锈和成品封存防锈。
使用方法:将清洗干净的干燥工件浸涂刷涂该品表面形成一层均匀油膜即可保护金属不锈。
产品特点:它以防锈单体为主要组份配制防锈油,防锈性强、操作便捷、无毒无害。
包装:200公斤、25公斤塑料桶。
R-3硬膜防锈剂本产品以防锈缓蚀单体为主要添加剂复配而成,使用本剂浸涂刷涂后的机械零件表面留下一层很薄的硬膜,不怕手汗、不怕磨擦,其防锈期一年以上。
它具有易浸涂,膜层干燥迅速,透明美观且不粘手等特点。
使用方法:将本剂倒入槽中,用挂具将清洗干净的工件在干燥无水膜情况下浸涂刷涂工件后静置沥干进行包装。
包装:200公斤、25公斤塑料桶。
R-4脱水防锈剂脱水防锈剂是与水基清洗剂、水基润滑冷却剂配套使用的系列产品之一,它具有良好的脱水性,又有3个月以上的防锈作用,是理想的半成品防锈剂和涂油封存前的脱水剂。
本剂能在常温下直接脱除金属制件表面残存水膜,并置换上一薄层防锈油膜,从而保护金属不锈蚀。
几种工业用防锈剂选用概述防锈剂可分为工序间与工序后的防锈剂,工序间的称为防锈剂工序后的称为防锈封闭剂(也可称封闭剂)。
在机械加工过程中,每一道工序都影响着产品的最终质量。
而清洗和防锈则是影响产品的后序加工、表面状况及产品质量的两道非常重要的工序。
清洗一般是用于工件的淬火、回火及磨削、切削之后,对工件表面的油渍、手汗和机械杂质进行去除,为下一道工序作好表面的处理工作。
清洗剂选用不当,会造成污物清除不彻底,影响产品的后序加工。
天津英特公司所生产的清洗剂具有去污力强、不起泡且有较好的防锈作用等优点,非常适合工件在热处理和机械加工中使用。
防锈工序一般分为工序间防锈和产品的封存防锈。
工序间的防锈要使得零件在后序的加工过程中没有锈蚀,且表面的防锈油膜要容易清洗;封存防锈则直接影响着产品的外观、存放时间。
天津英特公司在综合了众多厂家在使用过程中的不同要求,精心研制了适合于不同的材质、不同的防锈工艺的防锈系列产品。
英特公司今后将进一步以客户为关注焦点,致力于研究、开发、生产和销售个性化、高品质的清洗、防锈系列产品。
同时,将一如既往的提供专业化、全程式的售前、售中、售后服务。
================================在金属表面形成一层薄膜,防止金属锈蚀的化学品。
所谓锈是由于氧和水作用在金属表面生成氧化物和氢氧化物的混合物,铁锈是红色的,铜锈是绿色的,而铝和锌的锈称白锈。
机械在运行和贮存中很难不与空气中的氧、湿气或其它腐蚀性介质接触,这些物质在金属表面将发生电化学腐蚀而生锈,要防止锈蚀就得阻止以上物质与金属接触。
其它相关产品RT-9411水溶防锈剂RT- 941 系列防锈剂(水溶、油溶、硬膜、脱水、薄层、软膜、水基)本产品以荣获国家发明奖的防锈添加剂,代替传统的防锈添加剂,并将油溶组份改性为水溶的新型防锈剂。
应用范围:本品适用于机械制造和维修过程中黑色金属、有色金属的工序间防锈,半成品防锈和成品防锈。
防锈剂分类防锈剂是一种用于保护金属制品免受氧化和腐蚀的化学物质。
根据其成分和用途的不同,防锈剂可以分为多个分类。
本文将介绍几种常见的防锈剂分类。
一、油性防锈剂油性防锈剂是一种基于矿物油或合成油的防锈剂。
它们通常以润滑油的形式存在,可以在金属表面形成一层保护膜,防止氧气和水分接触金属表面,从而减少金属的氧化反应。
油性防锈剂适用于长期存储和运输金属制品,如机械设备、汽车零部件等。
二、溶剂型防锈剂溶剂型防锈剂是以有机溶剂为基础的防锈剂。
它们具有良好的渗透性和挥发性,可以迅速渗入金属表面的微小孔隙中,并形成一层保护膜。
溶剂型防锈剂适用于金属表面的清洗和防锈处理,常见的应用场景包括金属加工、冷却液中的防锈等。
三、水性防锈剂水性防锈剂是以水为基础的防锈剂,通常含有防锈剂、缓蚀剂和表面活性剂等成分。
它们可以与水混合使用,形成一层保护膜,防止金属表面的氧化和腐蚀。
水性防锈剂具有环保性能,适用于金属制品的短期防锈和表面处理。
四、膜型防锈剂膜型防锈剂是一种在金属表面形成坚固的保护膜的防锈剂。
这种保护膜可以有效隔离金属与外界环境的接触,防止氧化和腐蚀的发生。
膜型防锈剂适用于金属制品的长期防锈和保护,如船舶、桥梁等大型金属结构。
五、气相防锈剂气相防锈剂是一种通过气相传输的防锈剂。
它们通常以气体或蒸汽的形式存在,可以在金属表面形成一层保护膜,防止氧气和水分的接触。
气相防锈剂适用于金属制品的封存和运输,如电子元件、精密仪器等。
六、缓蚀剂缓蚀剂是一种能够减缓金属腐蚀速度的化学物质。
它们可以与金属表面形成一层保护膜,阻止氧气和水分的接触,从而减少金属的氧化反应。
缓蚀剂适用于金属制品的长期防锈和保护,常见的应用场景包括海洋设备、化工设备等。
以上是几种常见的防锈剂分类。
不同类型的防锈剂适用于不同的金属制品和使用环境,选择合适的防锈剂可以有效延长金属制品的使用寿命,减少维护成本。
在使用防锈剂时,应根据具体情况选择合适的产品,并按照使用说明进行正确使用,以达到最佳的防锈效果。
防锈剂种类
防锈剂是一种用于防止金属制品生锈的化学物质。
根据其化学成分和使用目的不同,防锈剂可以分为多种类型。
1. 有机防锈剂:主要由石油化学产品制成,如石油烃、脂肪酸、脂肪醇等。
具有良好的防锈性能,但易挥发,不适用于长期储存。
2. 无机防锈剂:利用金属离子与金属表面形成一层保护膜来起到防锈作用,如铬酸盐、亚硝酸盐等。
具有较好的耐久性和防腐蚀能力,但易形成毒性气体。
3. 混合防锈剂:由有机和无机防锈剂混合而成,具有综合性能优良的特点,可以在不同环境下使用。
4. 气相防锈剂:由挥发性物质制成,能够在密闭容器内形成一层保护膜,达到防锈效果。
适用于对金属表面无法直接涂覆的情况。
5. 涂覆型防锈剂:直接涂覆于金属表面,形成一层保护膜,如油漆、树脂、聚合物等。
具有良好的遮盖性和外观效果,但易受环境影响。
6. 电化学防锈剂:通过电化学反应形成一层保护膜,如阳极保护、阴极保护等。
具有较好的防锈效果和耐久性,但需要特殊的设备和技术。
在选择防锈剂时,需要根据具体情况综合考虑不同因素,如使用环境、金属种类、使用寿命等,选择最适合的防锈剂。
- 1 -。
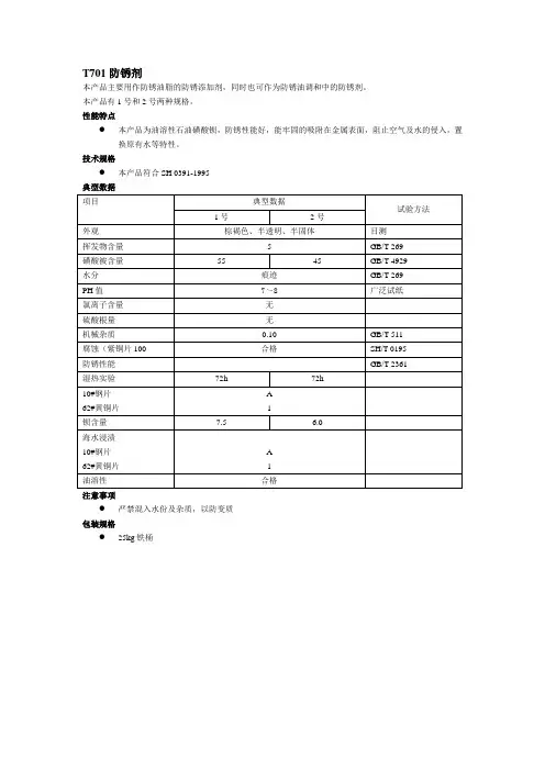
概述:防锈油;rust preventing oil antirust oil;inhibitive oil 防锈油是一款外观呈红褐色具有防锈功能的油溶剂。
由油溶性缓蚀剂、基础油和辅助添加剂等组成。
根据性能和用途,除锈油可分为指纹除去型防锈油、水稀释型防锈油、溶剂稀释型防锈油、防锈润滑两用油、封存防锈油、置换型防锈油、薄层油、防锈脂和气相防锈油等。
防锈油中常用的缓蚀剂有脂肪酸或环烷酸的碱土金属盐、环烷酸铅、环烷酸锌、石油磺酸钠、石油磺酸钡、石油磺酸钙、三油酸牛脂二胺、松香胺等。
分类:第一种1、2.0电镀防锈油电镀防锈油是一种浅黄色液体,常温比重0.68-0.85kg/L,防锈耐盐雾能力强,能在铜、铁、不锈钢等金属表面形成一层致密的保护薄膜,膜层结合力强,有效地预防外界物质腐蚀金属,保护膜不易被划花,不影响导电烧焊,。
工件与工件之间不会贴连在一起,防指纹﹑防变色﹑防水和防氧化能力强,常温原液操作,所需设备简单(离心机﹑胶盒﹑胶桶各一个,筛网一张)。
使用十分方便,成本低。
是一种十分理想的防锈耐盐雾封闭原料。
适用工件:各类五金标准件,冲压件,螺丝、螺母、鸡眼、介子、弹簧、铆钉、电子配件各种五金制品等。
适用客户群:电镀厂,表面处理厂,五金厂;铜,铁,不锈钢,等金属;镍、化学镍,铬、发黑、锡等镀种。
操作流程:电镀工件水洗钝化烘干,913浸泡封闭剂风干包装。
2、2.1薄层防锈油薄层防锈油,经多数紧固件企业的各种不同工艺进行生产性应用,证明对紧固件产品具有良好的防锈性能,同时,易涂覆,色泽浅亮,溶剂挥发少,用量省,为厚层防锈油的三分之一以下,故节约生产成本三分之二以上,主要用途为紧固件常温发黑后的处理。
薄层防锈油可用于室内工序间防锈,也可以用于包装封存防锈。
3、2.2 蜡膜防锈油在溶剂稀释型防锈油或超薄层防锈油中加入某些油溶性蜡,可以获得含蜡的防锈保护膜,能明显的提高油膜的抗盐雾和耐大气性能。
然而,常温下蜡是固态或半固态,在油品中极易析出,影响油品的外观和质量,甚至难以获得理想的防锈效果,因此,寻找油溶性较好,能明显改善防锈性的蜡是获得稳定性好、成膜均匀含蜡防锈油的关键。
防锈剂配方参考、配制方法,种类及领域应用导读:本文详细介绍了防锈剂的背景、种类、配方参考及应用等,需要告知您的是本文中的配方数据经过修改,如需更详细资料,可咨询我们的技术工程师。
1.前言据世界腐蚀组织(WCO)在《对于材料破坏和腐蚀控制世界必须进行知识传播与研究发展》的《白皮书》中指出:据不完全统计,全球每年因金属腐蚀造成的直接经济损失高达约达7千亿美金,而我国因金属腐蚀造成的损失约占到国民生产总值的4%。
金属的腐蚀生锈不仅给社会发展造成了巨大的经济损失,还给人们的日常生产生活带来较大的不便和潜在的直接或间接性的环境污染,安全隐患。
例如由于腐蚀穿孔严重而导致的输油管道中原油泄露,齿轮生锈机械摩擦力增大而造成的器械损伤和能耗浪费的现象比比皆是。
因此对金属基材的防锈始终是人们关注的焦点。
金属基材的腐蚀生锈主要原因是材料长期暴露在潮湿,酸雾和高盐的环境中。
例如铁在潮湿的环境中易发生电化学腐蚀。
保护钢铁类基材不被腐蚀的关键是与氧气和水隔绝,具体方法可以是进行表面防护处理(涂油、刷漆、表面镀金属等),还可以是改变金属内部结构(制成不锈钢)等。
但是在这些防锈的方法中最简单有效的就是使用防锈剂。
防锈剂的优点在于超级高效的合成渗透剂,它能强力渗入铁锈、腐蚀物、油污内从而轻松地清除掉螺丝、螺拴上的锈迹和腐蚀物,具有渗透除锈、松动润滑、抵制腐蚀、保护金属等性能。
并可在部件表面上形成并贮存一层润滑膜,可以抑制湿气及许多其它化学成份造成的腐蚀。
它可以在不破坏基材表面外观的前提下实现防锈功能,而且在某些特定条件下还可以增加表面的光亮度。
防锈剂的使用工艺简单,配方中的物质种类容易获得,并且制备成本低,适用范围较广。
从解决问题的角度出发,未雨绸缪,把问题遏杀在萌芽阶段是解决问题的最佳途径和手段。
防锈剂的出现可以有效的扮演这一角色。
2.防锈剂的分类通常按照溶液的特征,防锈剂可以分为;水溶性防锈剂、油溶性防锈剂、乳化型防锈剂、气相防锈剂和蜡膜型防锈剂等。
一、长期封存防锈油本产品是采用精制基础油和高效添加剂调配成的低粘度防锈油。
特性●抗潮湿、抗盐雾性优良●适用于黑色金属和有色金属的防护●具有一定的润滑性●对工件的长期防锈效果显著,封存期可达2年以上应用●适用于黑色金属和有色金属零件的中、长期防锈,如各种武器、机械加工、机电产品、工具、刀具、量具、各种轴承、齿轮、精密仪器成品、半成品等。
●可通过浸泡、喷涂、涂刷方法使用。
●防锈期:室内18~30月,室外8~16月。
技术参数储存与有效期●本品应贮存于室内、干燥处。
●有效期:自生产之日起,原密封包装有效储存期为24个月。
二、溶剂型防锈油本系列产品是采用高效防锈添加剂和环保型溶剂调配成的溶剂稀释型防锈油。
特性●油膜厚度很薄,呈现金属本色,一般无需清除●可对黑色金属和有色金属提供很好的保护●较强的抗手汗腐蚀性●工序间和封存防锈均可使用应用●适用于黑色金属和有色金属零件的防锈,广泛应用于轴承、轴瓦、工具等金属零部件和机械设备。
●可通过浸泡、喷涂、涂刷方法使用,必要时,可用溶剂清除。
●防锈期:室内6~15月,室外3~9月。
技术参数储存与有效期●本品应贮存于室内、干燥处。
●有效期:自生产之日起,原密封包装有效储存期为24个月。
三、合成防锈油本产品是采用特殊合成油和高效添加剂调配成的液压制动系统专用防锈油。
特性●优良的防锈性●与制动液和橡胶皮碗有良好的相容性●适用于黑色金属和有色金属的防护●良好的润滑性应用●适用于车辆制动系统的防护与润滑,本品与制动液和橡胶皮碗均有良好的相容性,无需清洗,即可直接安装使用。
●也可用于其它黑色金属和有色金属的润滑与防护。
●可通过浸泡、喷涂、涂刷方法使用。
●防锈期:室内6~15月,室外3~9月。
技术参数储存与有效期●本品应贮存于室内、干燥处。
●有效期:自生产之日起,原密封包装有效储存期为24个月。
四、静电喷涂防锈油本产品是采用精炼基础油和高效添加剂调配成的低粘度防锈油。
特性●优秀的防锈性●适用于黑色金属和有色金属的防护●油膜很薄,去除容易●不污染环境,对人体无害应用●适用于镀锌板、冷轧板的静电喷涂封存防锈。
国产轴承防锈剂种类国产轴承防锈剂种类引言:随着工业化的快速发展,轴承作为机械设备的重要组成部分,承担着传递力和支撑轴的功能。
然而,由于工作环境的不同以及外界的影响,轴承很容易出现锈蚀现象,导致运转不畅甚至损坏。
为了解决这一问题,国内生产了多种类型的轴承防锈剂,本文将对其进行详细介绍。
一、基于油性的轴承防锈剂1. 矿物油基轴承防锈剂:这种防锈剂以矿物油为基础,添加了防锈剂和抗氧化剂等成分。
它具有良好的防锈性能和抗氧化性能,可有效防止轴承因湿气和氧化而产生锈蚀。
2. 合成油基轴承防锈剂:以合成油为基础,添加了抗锈剂和防腐剂等成分。
与矿物油基轴承防锈剂相比,合成油基防锈剂具有更好的高温稳定性和氧化稳定性,适用于高温、高速度和重负荷的工作环境。
二、基于脂性的轴承防锈剂1. 钙基轴承防锈剂:这种防锈剂以钙为基础,添加了抗锈剂和抗氧化剂等成分。
钙基防锈剂具有良好的防锈性能和抗水性能,适用于潮湿环境和长期储存的轴承。
2. 钠基轴承防锈剂:以钠为基础,添加了防锈剂和抗腐剂等成分。
钠基防锈剂具有较好的防锈性能和抗水性能,适用于长期储存和运输过程中的轴承。
三、基于涂膜的轴承防锈剂1. 有机涂膜型轴承防锈剂:这种防锈剂通过形成一层有机涂膜来防止轴承的锈蚀。
有机涂膜型防锈剂具有良好的耐水性和耐腐蚀性,适用于长期储存和运输过程中的轴承。
2. 无机涂膜型轴承防锈剂:以无机材料为基础,添加了防锈剂和抗腐剂等成分。
无机涂膜型防锈剂具有较好的防锈性能和耐腐蚀性,适用于高温、高湿度和酸碱环境下的轴承。
四、基于喷雾的轴承防锈剂1. 溶剂型轴承防锈剂:这种防锈剂以溶剂为基础,添加了防锈剂和抗氧化剂等成分。
溶剂型防锈剂具有快速挥发和便于施工的特点,适用于大面积、复杂形状的轴承。
2. 气雾型轴承防锈剂:通过将防锈剂转化为气雾状喷射在轴承表面,形成一层保护膜。
气雾型防锈剂具有覆盖范围广、施工方便等优点,适用于各种类型的轴承。
结论:国产轴承防锈剂种类繁多,包括基于油性、脂性、涂膜和喷雾等多种类型。
防锈油材料1. 防锈油中的抗氧化剂防锈油在贮存和使用过程中,通常因受光、热和金属等的作用而发生自由基连锁降解反应,导致油品产生沉淀或凝胶而变质,为此通常需加入一种能阻止或减缓防锈油氧化变质的添加剂-抗氧化剂。
防锈油中常用的抗氧化剂有酚类和胺类。
1.2,6-二叔丁基对甲酚:它是以异丁烯和对甲酚在浓硫酸催化下发生烷基化反应,再经中和精制而成,是一种自由基反应终止剂,代号为T501,也称264。
常温下为白色或微黄结晶,在防锈油中的常用量为0.3%.2.二苯胺:它是苯胺在无水三氯化铝催化作用下,进行缩合反应,再经盐析中和、蒸馏、结晶而得,是一种自由基反应终止剂。
常温下,无色至浅灰色结晶,可燃,有芳香味,曝光后成灰黑色,溶于矿油、乙醚、苯、冰醋酸和二硫化碳。
3.丁基辛基二硫代磷酸锌:其是以异辛醇、正丁醇、五氧化二磷及氧化锌为原料,以150SN中性油为稀释剂,经硫磷化、皂化反应,再经真空脱水过滤而得,代号T202.是一种过氧化分解剂,同时具有抗磨和抗腐性能,在较高的温度下仍有较好的抗氧化性,可用作润滑型防锈油的抗氧化剂,常用量为0.5%.2. 防锈油的辅助材料为了使防锈油能满足不同防锈对象、不同使用工艺及贮存等需要,配方中除了油溶性缓蚀剂和上述某些辅助添加剂外,有时还需加入一些特殊的添加剂。
1.消泡剂:对于使用防锈油或者润滑型防锈油的设备,当机器运转时,与油液接触的空气层被振动,部分被带入油液中,成形的小气泡难以消失,消泡剂分子则可迅速进入气泡与油液的界面,破坏界面液膜的力学平衡,达到破坏泡沫或抑制泡沫的目的。
甲基硅油是常用的一种消泡剂。
2.极压添加剂:对于使用防锈油设备,机器运转时,相互接触的金属表面的局部有时会产生很高的压力和大量的摩擦热,使金属间的油性膜遭到破坏,造成部件严重磨损或烧结。
极压添加剂在上述条件下可与金属面形成熔点较低、剪切强度较小的化学反应膜,代替金属间的直接磨擦,减少磨擦阻力,防止金属表面的擦伤和烧结。
防锈油简介一般来说, 防锈油的外观都是红褐色。
防锈油由油溶性基础油, 抗蚀剂和一些添加剂等组成。
在防锈油中比较常用的抗蚀剂有脂肪酸、环烷酸铅、环烷酸锌、石油磺酸类, 包括: 石油磺酸钠, 石油磺酸钡, 石油磺酸钙、也有含有胺类, 如: 三油酸牛脂二胺、松香胺等。
除锈油根据不同的性能和用途, 发展出不同种类的除锈油以应该不同加工和处理要求. 大致可以分为水稀释型防锈油、溶剂稀释型防锈油、防锈润滑两用油、封存防锈油、置换型防锈油、薄层油、防锈脂和气相防锈油等。
各种防锈油简介2.1 薄层防锈油薄层防锈油,经多数紧固件企业的各种不同工艺进行生产性应用,证明对紧固件产品具有良好的防锈性能,同时,易涂覆,色泽浅亮,溶剂挥发少,用量省,为厚层防锈油的三分之一以下,故节约生产成本三分之二以上,主要用途为紧固件常温发黑后的处理。
薄层防锈油可用于室内工序间防锈,也可以用于包装封存防锈。
2.2 蜡膜防锈油在溶剂稀释型防锈油或超薄层防锈油中加入某些油溶性蜡,可以获得含蜡的防锈保护膜,能明显的提高油膜的抗盐雾和耐大气性能。
然而,常温下蜡是固态或半固态,在油品中极易析出,影响油品的外观和质量,甚至难以获得理想的防锈效果,因此,寻找油溶性较好,能明显改善防锈性的蜡是获得稳定性好、成膜均匀含蜡防锈油的关键。
蜡膜防锈油是由成膜剂、高效缓蚀剂和基础油组成的一种溶剂稀释型防锈油。
与其他类型的防锈油相比,蜡膜油具有油膜薄、防锈性好、涂层美观等特点。
2.3 水溶性防锈油我国目前的防锈油基本上都是以汽油、煤油或机械油作为溶剂的,都是由石油分馏出来的产物,目前因无法使含在石油里面的芳香烃脱出来,所以汽油、煤油和机械油都含有芳香烃,使用汽油、煤油做溶剂油,一是它的闪点低,易着火,二是污染环境,有害于人的身体健康,以水作为溶剂的水溶剂性防锈油不含芳香烃、铅等对人体有害的物质,生产中无三废排放,防锈效果也是较理想的,就是这种防锈油易涂、易除,用在封存紧固件的防锈上,可用自来水清洗,此产品经国家有关部门鉴定达到了环保要求。
铜腐蚀抑制剂TH561L(油溶性)主要用途:铜腐蚀抑制剂TH561L是公司采用最新工艺将含有噻二唑的杂环化合物与长分子链醇进行氧化偶联而合成。
TH561L可以在铜金属表面形成一层致密的保护膜从而保护了金属的继续腐蚀,因此可以做为一种非常优异的铜金属的腐蚀抑制剂。
TH561L可以防止铜材的高效腐蚀抑制剂、防变色剂、防锈剂。
适用于溶剂型、油性的场合。
例如:紫铜、黄铜、磷铜、青铜、白铜等多种铜类金属的切削、车削、麻削、钻削、镗削、铣削、刨削、拉削、锯切、磨削、研磨、攻丝、攻牙、滚齿、插齿、加工中心机切削等工艺中起着润滑、冷却、防锈、防腐蚀、防变色作用突出特点:1、超强的防变色、防锈、腐蚀抑制性能2、良好的油溶性,可以油性体系混溶3、和基础体系的配伍性良好;4、用于铜材加工油,也可用于铜材的防变色处理、防锈油剂;5、极低的添加量,即可获得优异的防变色、防腐蚀效果。
6、理化指标:项目指标外观淡黄色透明油状液体含量% 98.5%比重(20。
C)g/cm3 1.1±0.1酸值18使用方法:1、铜防变色剂:1-2%的比例复配于体系中,基础溶剂:脱臭煤油、溶剂油或松节油;2、铜冲压拉伸油:1-3%的比例复配于体系中;3、铜防锈油:2-5%的比例复配于体系中,基础油:石蜡基基础油、矿物油等常见防锈基础油。
注意事项:1、由于体系的多样化建议使用前先进行小试,以确定本品与体系的相溶性、配伍性、稳定性;2、阴凉干燥处,远离明火密封贮存,严禁食用。
包装规格:25千克塑料桶包装。
铜材腐蚀抑制剂DTNA(水溶性)1、产品性能铜材腐蚀抑制剂DTNA是由噻二唑衍生物和一些功能性助剂复合而成,主要用作水溶性铜金属抗氧剂,铜金属的缓蚀抑制剂,特别适合铜或铜合金的腐蚀抑制。
本产品能在金属表面形成致密的保护膜,该膜具有相当的厚度,可有效隔离外界各种腐蚀因子,起到缓蚀抗氧化的作用。
金属抗氧剂DTNA是重要的水处理剂的缓蚀剂、重金属清除剂,也是硫化促进剂TMT的原料,水溶性铜材腐蚀抑制剂DTNA成本亦较BTA低,有很大的市场应用价值。
油溶性缓蚀剂油溶性缓蚀剂:能溶于油的防锈缓蚀剂。
以前人们为防止金属腐蚀、生锈,常将动植物油、矿物油、润滑油等直接涂布在金属表面上,这些油脂对金属稳定,不会腐蚀金属,它们具有一定的隔离空气中水、02的能力,但是阻止H20、02向金属表面迁移的能力有限。
有人做过实验,发现在金属表面涂5ram厚的润滑油膜,5天后透过油膜的水分为0.34~0.45g,而透过同样厚度的防锈油膜的水分只有0.005~0.O08g。
另外,这些油脂不能阻止S02、H2S等腐蚀物质的穿透。
油脂本身也会因氧化而产生游离酸,造成金属腐蚀。
因此为了提高油膜的防锈能力,常加入少量能够显著提高油膜保护金属抵御大气腐蚀能力的物质,这些物质必须能够和油膜很好地混溶,即具有较强的油溶性,故称为油溶性缓蚀剂。
油溶性缓蚀剂的最大特点就是分子具有高度不对称性,一般由极性和非极性两个基团组成,属油溶性表面活性剂。
当将油溶性缓蚀剂加入基础油中组成防锈油,并涂布于金属表面或将金属零件浸入其中后,由于金属表面是极性的,而基础油是非极性的,结果缓蚀剂分子的极性基团有“逃出”油层而亲和到油/金属界面的趋势;而非极性基由于其结构与基础油相似,有溶人油中的趋势,结果使缓蚀剂分子的极性基团吸附在金属表面上,而非极性基团则溶入油中,即缓蚀剂分子定向吸附于油/金属界面。
缓蚀剂分子的定向吸附是其起缓蚀作用的前提,吸附越牢固,缓蚀效果就越好。
油溶性缓蚀剂的缓蚀效果受其分子内极性基团、非极性基团的结构、金属离子的种类、在油中的溶解度、温度等因素的影响。
通常在相同浓度下,脂肪醇的防锈性较同系伯胺差,而脂肪胺又较同系脂肪酸差。
羧酸脂肪醇酯也不是良好的缓蚀剂,除非在高浓度下。
而多元醇脂肪酸酯,如Span80,含有两个或多个极性基团(-OH、-COOH),极性极强,而且多个极性基团协同作用使得防锈性明显增强。
含有强极性基团的缓蚀剂如磺酸盐类、羧酸皂类、磷酸盐类等,它们的防锈性能往往较好。
防锈油的分类和介绍根据性能和用途不同,防锈油在国内可分为以下几类:1、置换型防锈油置换型防锈油一般以具有强烈吸附性的磺酸盐为主要防锈剂,能置换金属表面沾附的水分和汗液,防止人汗造成锈蚀,同时本身吸附于金属表面并生成牢固的保护膜,防止外来腐蚀介质的侵入。
因此,大量用于工序间防锈和长期防锈前的表面预处理。
还有很多置换型防锈油可直接用于封存防锈。
使用时可用石油溶剂如煤油或汽油来稀释,故有时此类防锈油脂中的某些种类也属于溶剂稀释型防锈油范围,使用时由于溶剂挥发,应注意防火通风等问题。
根据国内置换型防锈油标准SH0367-92规定,此类油品分为1号、2号、3号、4号。
其中1号、2号、3号油,主要用于各类金属产品及零部件的包装封存,并有一定的人汗置换性。
1号油用于黑色金属。
2号油用于黑色金属和铜,3号油用于黑色金属和有色金属。
1号、2号、3号油用石油溶剂稀释后可作为工序间封存用油,4号油是汗液洗净油,用于工序间清洗防锈。
2、溶剂稀释型防锈油这类防锈油含有挥发性石油溶剂,或在常温使用时以溶剂稀释。
它包括溶剂稀释型硬膜防锈油、溶剂稀释型软膜防锈油、溶剂稀释型置换性防锈油等。
这类防锈油涂布于金属表面后,溶剂便自然挥发掉,形成一层均匀的保护膜。
若成膜材料为沥青、树脂(如烷基酚氨基树脂、叔丁基酚甲醋树脂、石油树脂等),则溶剂挥发后形成的膜为硬膜,一般不粘手,不粘尘埃杂质,是抹、擦不掉的透明或不透明的薄膜,在石油溶剂如汽油中很易清洗掉。
一般用在大型机械设备表面的防锈,有的甚至可用于露天条件下存放的原材料、设备的封存。
但它的缺点是必须待溶剂挥发后,才允许相互接触和包装,不然会粘在一起。
故只适用于结构简单的工件。
对于大批量生产的中、小件的结构复杂带有小孔的工件则不适用,也不宜用作内部封存。
若成膜材料为油脂,如一般的羊毛脂及其衍生物、蜡、凡士林、氧化石油脂及其钡皂,则溶剂挥发后形成的膜为软膜,即油膜。
它比较软,能擦,抹掉。
这类油品可用作长期封存用油,要求有一定的厚度,防锈性能好,但解封比较困难。
几种防锈效果较好的油溶性防锈剂
实验目的:开发一种新型的以煤油为基础油的防锈剂。
实验仪器:烧杯、磁子搅拌器、秒表
实验步骤:取煤油50ml,其它各组成助剂均1-2g,在室温下用磁子搅拌器搅拌30-60分钟,使各组成助剂完全溶于煤油中。
复配结果:
1.防锈油的复配,见表一:
表一、配制的几种较好防锈剂
2.性能检测:
2.1铁钉除锈实验
往6个不同的烧杯中分别倒入30ml的防锈剂①、②、③、④、⑤和未添加防锈剂的煤油,并分别放入一根生锈的铁钉。
静置片刻,观察其变化情况。
其结果如下:
表二:铁钉除锈实验结果
未添加防锈剂①防锈剂②防锈剂③防锈剂④防锈剂⑤30分钟无变化无变化无变化无变化无变化无变化
60分钟无变化出现变亮
的基体出现变亮
的基体
出现变亮
的基体
出现变亮
的基体
出现变亮
的基体
90分钟无变化亮斑面积
变大亮斑面积
变大
亮斑面积
变大
亮斑面积
变大
亮斑面积
变大
120分钟无变化亮斑面积
变大亮斑面积
变大
亮斑面积
变大
亮斑面积
变大
亮斑面积
变大
从此结果看出,这几种防锈剂对生锈的铁钉都有一定的去锈效果,看不出具体那一个的效果最佳,所以还要进一步的检测。
2.2链条除锈实验
往6个不同的烧杯中分别倒入30ml的防锈剂①、②、③、④、⑤和未添加防锈剂的煤油,并分别放入一段有大量油渍的自行车链条,静置,观察其变化情况。
两个小时后,其变化情况和生锈的铁钉的效果有些不同,防锈剂②的效果最佳。
配制5%NaCl溶液,取300ml去离子水倒入一500ml的烧杯中,称取15gNaCl,放入此烧杯中,使用瓷子搅拌器搅拌均匀,并逐渐加热到70℃。
用标记好的细线分别把前面经不同防锈剂处理后的六个链条绑住,放入70℃的5%NaCl溶液中浸泡。
往四个不同的烧杯中分别倒入30ml的防锈剂⑥、防锈剂⑦、防锈剂⑧和未添加防锈剂的煤油,并分别放入一根生锈的铁钉。
静置片刻,观察其变化情况。
发现三种防锈剂都有不同程度的变亮,防锈剂⑦的效果最佳,而且亮斑的面积最
大。
高温浸泡实验进行20小时后,观察其变化情况,结果见下表。
表三、链条除锈结果
从此实验结果可得出下面的结论:
防锈剂耐高温浸泡实验的能力依次为:⑤,③>②>①>④>空白。
2.3 盐酸浸泡实验
配制10%的盐酸溶液,将铁钉经过除油、酸洗、碱洗处理后吹干,放入不同防锈剂溶液中,浸泡30分钟,取出干燥。
然后放入10%的盐酸溶液中,记录铁钉表面出现气泡的时间。
结果表明,经普通煤油处理后的铁钉放入盐酸的一瞬间就出现了气泡,而经防锈剂处理后的铁钉要60分钟以上才出现气泡,其中效果比较好的有防锈剂②、防锈剂③、防锈剂⑤、防锈剂⑧。
员工:石铁
2005年6月17日。