SCR、GTO、MOSFET、GTR、IGBT特性实验
- 格式:doc
- 大小:78.00 KB
- 文档页数:2
课程教案课程名称:电力电子技术实验任课教师:张振飞所属院部:电气与信息工程学院教学班级:电气1501-1504班、自动化1501-1504自动化卓越1501教学时间:2017-2018学年第一学期湖南工学院课程基本信息1P 实验一、SCR、GTO、MOSFET、GTR、IGBT特性实验一、本次课主要内容1、晶闸管(SCR)特性实验。
2、可关断晶闸管(GTO)特性实验(选做)。
3、功率场效应管(MOSFET)特性实验。
4、大功率晶体管(GTR)特性实验(选做)。
5、绝缘双极性晶体管(IGBT)特性实验。
二、教学目的与要求1、掌握各种电力电子器件的工作特性测试方法。
2、掌握各器件对触发信号的要求。
三、教学重点难点1、重点是掌握各种电力电子器件的工作特性测试方法。
2、难点是各器件对触发信号的要求。
四、教学方法和手段课堂讲授、提问、讨论、演示、实际操作等。
五、作业与习题布置撰写实验报告2P一、实验目的1、掌握各种电力电子器件的工作特性。
2、掌握各器件对触发信号的要求。
二、实验所需挂件及附件三、实验线路及原理将电力电子器件(包括SCR、GTO、MOSFET、GTR、IGBT五种)和负载电阻R串联后接至直流电源的两端,由DJK06上的给定为新器件提供触发电压信号,给定电压从零开始调节,直至器件触发导通,从而可测得在上述过程中器件的V/A特性;图中的电阻R用DJK09 上的可调电阻负载,将两个90Ω的电阻接成串联形式,最大可通过电流为1.3A;直流电压和电流表可从DJK01电源控制屏上获得,五种电力电子器件均在DJK07挂箱上;直流电源从电源控制屏的输出接DJK09上的单相调压器,然后调压器输出接DJK09上整流及滤波电路,从而得到一个输出可以由调压器调节的直流电压源。
实验线路的具体接线如下图所示:3P图1-1 新器件特性实验原理图四、实验内容1、晶闸管(SCR)特性实验。
2、可关断晶闸管(GTO)特性实验。
《电力电子技术》实验报告班级: 0831102姓名:石航学号:2011212585指导老师:李敏实验地点:数字图书馆单结晶体管触发电路、单相半波可控整流电路实验报告一、实验目的(1)熟悉单结晶体管触发电路的工作原理及各元件的作用。
(2)掌握单结晶体管触发电路的调试步骤和方法。
(3)掌握单结晶体管触发电路的调试步骤和方法。
(4)掌握单相半波可控整流电路在电阻负载及电阻电感性负载时的工作。
(5)了解续流二极管的作用,验证晶闸管的导通条件。
二、实验设备及型号实验一设备及型号序号型号备注1 DZ01 电源控制屏包含“三相电源输出”等几个模块2 DJK03 晶闸管触发电路包含“单结晶体管触发电路”等模块3 双踪示波器包含探头2根实验二设备及型号序型号备注号1 DZ01 电源控制屏2 DJK02 三相变流桥路包含“晶闸管”,以及“电感”等几个模块。
3 DJK03 晶闸管触发电路实验包含“单结晶体管触发电路”模块。
4 DJK06 给定﹑负载及吸收电路包含“二极管”以及“开关”等几个模块。
5 DK04 滑线变阻器串联形式:0.65A,2kΩ并联形式:1.3A,500Ω6 双踪示波器自备三、实验原理及实验步骤1、实验原理一(1) 观测单结晶体管触发电路:如下图所示。
(2) 记录单结晶体管触发电路各点波形,当α=60o 时,单结晶体管触发电路的各观测点波形描绘如下,得到结论。
(3)晶闸管导通条件的测试:在不加门极触发电压,加正向阳极电压(交流15V )的情况下,观察晶闸管是否导通;在加阳极反向电压(交流15V ),加正向门极触发电压(由单结晶体管触发电路提供)的情况下,观察晶闸管是否导通;加正向门极触发电压,加正向阳极电压(交流15V )的情况下, 2、实验原理二如下图所示:(1)单结晶体管触发电路的调试。
(2)单结晶体管触发电路各点电压波形的观察并记录。
(3)单相半波整流电路带电阻性负载时U d /U 2= f(α)特性的测定。
SCR、GTO、MOSFET、GTR、IGBT特性
实验
一、实验目的
(1)掌握各种电力电子器件的工作特性。
(2)掌握各器件对触发信号的要求。
二、实验所需挂件及附件
(略)
三、实验线路及原理
将电力电子器件(包括SCR、GTO、MOSFET、GTR、IGBT五种)和负载电阻R串联后接至直流电源的两端, 给定电压从零开始调节, 直至器件触发导通, 从而可测得在上述过程中器件的V/A特性。
实验线路的具体接线如下图所示:
图3-26 新器件特性实验原理图
四、实验内容
(1)晶闸管(SCR)特性实验。
(2)可关断晶闸管(GTO)特性实验。
(3)功率场效应管(MOSFET)特性实验。
(4)大功率晶体管(GTR)特性实验。
(5)绝缘双极性晶体管(IGBT)特性实验。
五、思考题
各种器件对触发脉冲要求的异同点?
七、实验方法
给定电压, 监视电压表、电流表的读数, 当电压表指示接近零(表示管子完全导通), 停止调节, 记录给定电压Ug调节过程中回路电流Id以及器件的管压降Uv。
(1) SCR测试
(2) GTO测试
(3) MOSFET测试
(4)GTR测试
(5)IGBT测试
八、实验结论
根据得到的数据, 绘出各器件的输出特性。
GTO(门级可关断晶闸管):全控型器件电压、电流容量大,适用于大功率场合,具有电导调制效应,其通流能力很强电流关断增益很小,关断时门极负脉冲电流大,开关速度低,驱动功率大,驱动电路复杂,开关频率低GTR(电力晶体管)耐高压,电流大开关特性好mosfet(电力场效应晶体管)驱动电路简单,需要驱动功率小,开关速度快,工作频率高,热稳定性高于GTR但是电流容量小IGBT(绝缘栅双极晶体管)它综合了GTR和mosfet的优点,具有电导调制效应,其通流能力很强,但是开关速度较慢,所需驱动功率大,驱动电路复杂。
望采纳~~IGBT 开关速度高,开关损耗小,具有耐脉冲电流冲击的能力,通态压降较低,输入阻抗高,为电压驱动,驱动功率小开关速度低于电力MOSFET,电压,电流容量不及GTOGTR 耐压高,电流大,开关特性好,通流能力强,饱和压降低开关速度低,为电流驱动,所需驱动功率大,驱动电路复杂,存在二次击穿问题GTO 电压、电流容量大,适用于大功率场合,具有电导调制效应,其通流能力很强电流关断增益很小,关断时门极负脉冲电流大,开关速度低,驱动功率大,驱动电路复杂,开关频率低MOSFET 开关速度快,输入阻抗高,热稳定性好,所需驱动功率小且驱动电路简单,工作频率高,不存在二次击穿问题电流容量小,耐压低,一般只适用于功率不超过10kW 的电力电子装置IGBT、GTO、GTR与MOSFET的驱动电路有什么特点IGBT驱动电路的特点是:驱动电路具有较小的输出电阻,IGBT是电压驱动型器件,IGBT 的驱动多采用专用的混合集成驱动器。
GTR驱动电路的特点是:驱动电路提供的驱动电流有足够陡的前沿,并有一定的过冲,这样可加速开通过程,减小开通损耗;关断时,驱动电路能提供幅值足够大的反向基极驱动电流,并加反偏截止电压,以加速关断速度。
GTO驱动电路的特点是:GTO要求其驱动电路提供的驱动电流的前沿应有足够的幅值和陡度,且一般需要在整个导通期间施加正门极电流,关断需施加负门极电流,幅值和陡度要求更高,其驱动电路通常包括开通驱动电路,关断驱动电路和门极反偏电路三部分。
电力电子器件的发展(GTR-IGBT-MOSFET-GTO)现代的电力电子技术无论对改造传统工业(电力、机械、矿冶、交通、化工、轻纺等),还是对新建高技术产业(航天、激光、通信、机器人等)至关重要,从而已迅速发展成为一门独立学科领域。
它的应用领域几乎涉及到国民经济的各个工业部门,毫无疑问,它将成为本世纪乃至下世纪重要关键技术之一。
近几年西方发达的国家,尽管总体经济的增长速度较慢,电力电子技术仍一直保持着每年百分之十几的高速增长。
从历史上看,每一代新型电力电子器件的出现,总是带来一场电力电子技术的革命。
以功率器件为核心的现代电力电子装置,在整台装置中通常不超过总价值的20%~30%,但是,它对提高装置的各项技术指标和技术性能,却起着十分重要的作用。
众所周知,一个理想的功率器件,应当具有下列理想的静态和动态特性:在截止状态时能承受高电压;在导通状态时,具有大电流和很低的压降;在开关转换时,具有短的开、关时间,能承受高的di/dt和dv/dt,以及具有全控功能。
自从50年代,硅晶闸管问世以后,20多年来,功率半导体器件的研究工作者为达到上述理想目标做出了不懈的努力,并已取得了使世人瞩目的成就。
60年代后期,可关断晶闸管GTO实现了门极可关断功能,并使斩波工作频率扩展到1kHz以上。
70年代中期,高功率晶体管和功率 MOSFET问世,功率器件实现了场控功能,打开了高频应用的大门。
80年代,绝缘栅门控双极型晶体管 (IGBT)问世,它综合了功率MOSFET和双极型功率晶体管两者的功能。
它的迅速发展,又激励了人们对综合功率MOSFET和晶闸管两者功能的新型功率器件-MOSFET门控晶闸管的研究。
因此,当前功率器件研究工作的重点主要集中在研究现有功率器件的性能改进、MOS门控晶闸管以及采用新型半导体材料制造新型的功率器件等。
下面就近几年来上述功率器件的最新发展加以综述。
一、功率晶闸管的最新发展1.超大功率晶闸管晶闸管(SCR)自问世以来,其功率容量提高了近3000倍。
《电力电子技术》实验指导书南阳师范学院物理与电子工程学院编订人:刘红钊实验一GTR、GTO、MOSFET、IGBT的特性与驱动电路研究一.实验目的1.熟悉GTR、GTO、MOSFET、IGBT的开关特性。
2.掌握GTR、GTO、MOSFET、IGBT缓冲电路的工作原理与参数设计要求。
3.掌握GTR、GTO、MOSFET、IGBT对驱动电路的要求。
4.熟悉GTR、GTO、MOSFET、IGBT主要参数的测量方法。
二.实验内容1.GTR的特性与驱动电路研究。
2.GTO的特性与驱动电路研究。
3.MOSFET的特性与驱动电路研究。
4.IGBT的特性与驱动电路研究。
三.实验设备和仪器1.NMCL-07C电力电子实验箱2.双踪示波器3.万用表(自备)4.教学实验台主控制屏四.实验方法1、GTR的特性与驱动电路研究(1)不同负载时GTR的开关特性测试(a)电阻负载时的开关特性测试GTR:将开关S2拨到+15V,PWM波形发生器的“21”与面板上的“20”相连,“24与“10”、“12”与“13”和“15”、“17”与GTR的“B”端、14”和GTR的“E”端、“18”与主回路的“3”相连、GTR“C”端与主回路的“1”相连。
E用示波器分别观察,基极驱动信号I B(“15”与“18”之间) 的波形及集电极电流I E(“14”与“18”之间) 的波形,记录开通时间ton,关断时间toff。
ton= us,toff= us(b)电阻、电感性负载时的开关特性测试除了将主回器部分由电阻负载改为电阻、电感性负载以外(即将GTR的C端与“1”断开,而与“2”相连),其余接线与测试方法同上。
ton= us,toff= us(2不同基极电流时的开关特性测试(a)断开“13”与“15”的连接,将基极回路的“12”与“15”相连,其余接线同上,测量并记录基极驱动信号I B(“15”与“18”之间)及集电极电流I E(“14”与“18”之间)波形,记录开通时间ton,关断时间toff。
开关管特性实验报告1. 了解开关管的基本原理和特性。
2. 掌握开关管的触发方法和工作状态。
3. 理解开关管的电流和电压特性。
实验仪器和材料:1. 开关管(MOSFET或IGBT)。
2. 直流电源。
3. 示波器。
4. 电阻、电容、电感等元件。
实验原理:开关管是一种具有开关功能的半导体器件,通常用于控制高功率电流的开关操作。
常见的开关管有MOSFET(金属氧化物半导体场效应管)和IGBT(绝缘栅双极型晶体管)。
MOSFET是一种三电极器件,包括源极、栅极和漏极。
它的工作原理是通过改变栅极与源极之间的电势差,控制漏极-源极间的电流。
当栅极与源极之间的电势差小于临界电压时,MOSFET处于截止状态,没有漏极-源极间的导电;当电势差大于临界电压时,MOSFET处于导通状态,有漏极-源极间的导电。
IGBT是一种双极型晶体管,结合了MOSFET的控制特性和双极型晶体管的导通特性。
它的工作原理是通过控制栅极-集电极间的电势差,控制集电极-发射极间的电流。
当栅极-集电极间的电势差小于临界电压时,IGBT处于截止状态,没有集电极-发射极间的导电;当电势差大于临界电压时,IGBT处于导通状态,有集电极-发射极间的导电。
实验步骤:1. 将开关管连接到直流电源,接通电源。
2. 调节电源的输出电压为适当的数值。
3. 在开关管的源极和漏极之间串联一个负载,如电阻、电容或电感。
4. 使用示波器测量开关管的输入端和输出端的电压波形。
5. 改变直流电源的输出电压,记录开关管的导通和截止状态。
6. 改变负载的数值,记录开关管的电流和电压特性。
实验结果与分析:实验中,根据不同类型的开关管(MOSFET或IGBT)和不同的电路设置,可以获得不同的实验结果。
在正常情况下,开关管处于导通状态时,输出端的电压接近于零;而在截止状态下,输出端的电压接近于输入端的电压。
在改变直流电源的输出电压时,可以观察到开关管的导通和截止状态的变化。
当电源输出电压低于开关管的临界电压时,开关管处于截止状态,没有导通电流;当电源输出电压高于开关管的临界电压时,开关管处于导通状态,有导通电流。
电力电子技术实验报告学院:专业:班级:姓名:实验一锯齿波同步移相触发电路实验一、实验目的(1)加深理解锯齿波同步移相触发电路的工作原理及各元件的作用。
(2)掌握锯齿波同步移相触发电路的调试方法。
二、实验所需挂件及附件三、实验线路及原理锯齿波同步移相触发电路的原理图见DJK03-1挂件介绍中锯齿波同步移相触发电路原理图。
锯齿波同步移相触发电路由同步检测、锯齿波形成、移相控制、脉冲形成、脉冲放大等环节组成,其工作原理可参见DJK03-1挂件介绍部分和电力电子技术教材中的相关内容。
四、实验内容(1)锯齿波同步移相触发电路的调试。
(2)锯齿波同步移相触发电路各点波形的观察和分析。
五、实验方法(1)将DJK01电源控制屏的电源选择开关打到“直流调速”侧,使输出线电压为200V(不能打到“交流调速”侧工作,因为DJK03-1的正常工作电源电压为220V±10%,而“交流调速”侧输出的线电压为240V。
如果输入电压超出其标准工作范围,挂件的使用寿命将减少,甚至会导致挂件的损坏。
在“DZSZ-1型电机及自动控制实验装置”上使用时,通过操作控制屏左侧的自藕调压器,将输出的线电压调到220V左右,然后才能将电源接入挂件),用两根导线将200V交流电压接到DJK03-1的“外接220V”端,按下“启动”按钮,打开DJK03-1电源开关,这时挂件中所有的触发电路都开始工作,用双踪示波器观察锯齿波同步触发电路各观察孔的电压波形。
①同时观察同步电压和“1”点的电压波形,了解“1”点波形形成的原因。
②观察“1”、“2”点的电压波形,了解锯齿波宽度和“1”点电压波形的关系。
③调节电位器RP1,观测“2”点锯齿波斜率的变化。
④观察“3”~“6”点电压波形和输出电压的波形,记下各波形的幅值与宽度,并比较“3”点电压U3和“6”点电压U6的对应关系。
(2)调节触发脉冲的移相范围将控制电压Uct调至零(将电位器RP2顺时针旋到底),用示波器观察同步电压信号和“6”点U6的波形,调节偏移电压Ub(即调RP3电位器),使α=170°,其波形如下图所示。
器件仿真实验报告电力电子仿真仿真实验报告目录实验一:常用电力电子器件特性测试................................................................................... 3 (一)实验目的:................................................................................................ .. (3)掌握几种常用电力电子器件(SCR、GTO、MOSFET、IGBT)的工作特性; (3)掌握各器件的参数设置方法,以及对触发信号的要求。
(3)(二)实验原理.................................................................................................... (3)(三)实验内容.................................................................................................... (3)(四)实验过程与结果分析 (3)1.仿真系统.................................................................................................... (3)2.仿真参数.................................................................................................... .. (4)3.仿真波形与分析.................................................................................................... .. (4)4.结论.................................................................................................... .. (10)实验二:可控整流电路.................................................................................................... .. (11)(一)实验目的.................................................................................................... . (11)(二)实验原理.................................................................................................... . (11)(三)实验内容.................................................................................................... . (11)(四)实验过程与结果分析 (12)1.单相桥式全控整流电路仿真系统,下面先以触发角为0度,负载为纯电阻负载为例.................................................................................................... .. (12)2.仿真参数.................................................................................................... (12)3.仿真波形与分析.................................................................................................... (14)实验三:交流-交流变换电路................................................................................................19(一)实验目的.................................................................................................... . (19)(三)实验过程与结果分析 (19)1)晶闸管单相交流调压电路 (19)实验四:逆变电路.................................................................................................... . (26)(一)实验目的.................................................................................................... . (26)(二)实验内容.................................................................................................... . (26)实验五:单相有源功率校正电路 (38)(一)实验目的.................................................................................................... . (38)(二)实验内容.................................................................................................... . (38)个性化作业:................................................................................................ . (40)(一)实验目的:................................................................................................ . (40)(二)实验原理:................................................................................................ . (40)(三)实验内容.................................................................................................... . (40)(四)结果分析:................................................................................................ . (44)(五)实验总结:................................................................................................ . (45)实验一:常用电力电子器件特性测试(一)实验目的:掌握几种常用电力电子器件(SCR、GTO、MOSFET、IGBT)的工作特性;掌握各器件的参数设置方法,以及对触发信号的要求。
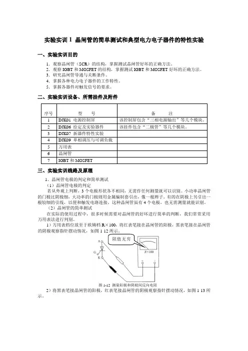
实验实训1 晶闸管的简单测试和典型电力电子器件的特性实验一、实验实训目的1.观察晶闸管(SCR)的结构,掌握测试晶闸管好坏的正确方法。
2.观察IGBT和MOSFET的结构,掌握测试IGBT和MOSFET好坏的正确方法。
3.研究晶闸管导通与关断条件。
4.掌握各种电力电子器件的工作特性。
5.掌握各器件对触发信号的要求。
二、实验实训设备、所需挂件及附件序号型号备注1 DJK01 电源控制屏该控制屏包含“三相电源输出”等几个模块。
2 DJK06 给定及实验器件该挂件包含“二极管”等几个模块。
3 DJK07 新器件特性实验4 DJK09 单相调压与可调负载5 万用表6 晶闸管7 IGBT和MOSFET三、实验实训线路及原理1、晶闸管电极的判定和简单测试(1)晶闸管电极的判定若从外观上判断,3个电极形状各不相同,无需作任何测量就可以识别。
小功率晶闸管的门极比阴极细,大功率的门极则用金属编制套引出,像一根辫子。
有的在阴极上另引出一根较细的引线,以便和触发电路连接,这种晶闸管虽有4个电极,也无需测量就能识别。
(2)晶闸管的简单测试在实际的使用过程中,很多时候需要对晶闸管的好坏进行简单的判断,我们常常采用万用表法进行判别。
1)万用表档位放至于欧姆档R×100,将红表笔接在晶闸管的阳极,黑表笔接在晶闸管的阴极观察指针摆动情况,如图阻值无穷图1-12 测量阳极和阴极间反向电阻2)将黑表笔接晶闸管的阳极,红表笔接晶闸管的阴极观察指针摆动情况,如图1-13所示。
阻值无穷大图1-13 测量阳极和阴极间正向电阻结果:正反向阻值均很大原因:晶闸管是四层三端半导体器件,在阳极和阴极之间有三个PN结,无论如何加电压,总有一个PN结处于反向阻断状态,因此正反向阻值均很大。
3)将红表笔接晶闸管的阴极,黑表笔接晶闸管的门极观察指针摆动情况,如图1-14所示。
阻值不大图1-14 测量门极和阴极间正向电阻4)将黑表笔接晶闸管的阴极,红表笔接晶闸管的门极观察指针摆动情况,如图1-15所示。
实验二 GTO、MOSFET、GTR、IGBT驱动与保护电路实验一、实验目的(1)理解各种自关断器件对驱动与保护电路的要求。
(2)熟悉各种自关断器件的驱动与保护电路的结构及特点。
(3)掌握由自关断器件构成PWM直流斩波电路原理与方法。
二、实验所需挂件及附件序号型号备注1 PE-01电源控制屏该控制屏包含“单相自藕调压器”,“整流滤波”等几个模块。
2 PE-14功率器件驱动与保护电路(一) 该挂件包含“IGBT”以及“MOSFET”等。
3 PE-15功率器件驱动与保护电路(二)该挂件包含“GTR”以及“GTO”等。
4 双踪示波器自备5 万用表自备三、实验线路及原理实验接线及实验原理图如图5-2所示,图中直流电源可由控制屏上的直流电压提供(小容量),或由控制屏上三相交流电源经整流滤波后输出(大容量),直流电压、电流表及限流电阻R 均从电源控制屏上取,限流电阻将两个900Ω接成并联形式(或使用PE-25上的灯泡)。
控制部分共分为五部分内容,PWM发生电路、IGBT驱动保护电路、MOSFET驱动保护电路、GTO驱动保护电路及GTR驱动保护电路;其中前三个电路在PE-14挂件上,剩下部分在PE-15挂件上。
图5-2 自关断器件的实验接线及原理图四、实验内容(1)GTR的驱动与保护电路实验(2)GTO的驱动与保护电路实验(3)MOSFET的驱动与保护电路实验(4)IGBT的驱动与保护电路实验(5)研究PWM的工作频率对驱动电路的影响五、实验方法(1)GTR的驱动与保护电路实验把PE-14挂件上的PWM发生电路中的频率选择开关拨至“低频档”。
然后调节频率电位器RP1,使PWM波输出频率在“200Hz”左右。
驱动与保护电路接线时,要注意控制电源及接地的正确连接。
对于GTR器件,采用±5V电源驱动;接线时,将PE-14上的PWM波形输出端接PE-15上的GTR驱动模块的输入端,GTR所需的±5V电源也从PE-14取。
目录一、实验的基本要求 (2)二、安全操作说明 (6)三、电力电子技术实验实验一单相桥式全控整流电路实验 (7)实验二三相桥式全控整流电路实验 (11)实验三单相交流调压电路实验 (15)实验四直流斩波电路原理实验 (19)实验五SCR、GTO、MOSFET、GTR、IGBT特性实验 (26)实验六基于Multism的开环降压电路的仿真 (29)实验七基于Multism的闭环降压电路的仿真 (31)一、实验的基本要求《半导体变流技术》、《电力电子技术》是电气工程及其自动化、自动化等专业的三大电子技术基础课程之一,课程涉及面广,内容包括电力、电子、控制、计算机技术等,而实验环节是这些课程的重要组成部分。
通过实验,可以加深对理论的理解,培养和提高学生独立动手能力和分析、解决问题的能力。
1、实验的特点和要求电力电子技术与电机控制实验的内容较多、较新,实验系统也比较复杂,系统性较强。
学生在实验中应学会运用所学的理论知识去分析和解决实际系统中出现的各种问题,提高动手能力;同时通过实验来验证理论,促使理论和实践相结合,使认识不断提高、深化。
具体地说,学生在完成指定的实验后,应具备以下能力:(1)掌握电力电子变流装置主电路、触发或驱动电路的构成及调试方法,能初步设计和应用这些电路。
(2)熟悉并掌握基本实验设备、测试仪器的性能及使用方法。
(3)能够运用理论知识对实验现象、结果进行分析和处理,解决实验中遇到的问题。
(4)能够综合实验数据,解释实验现象,编写实验报告。
2、实验前的准备实验准备即为实验的预习阶段,是保证实验能否顺利进行的必要步骤。
每次实验前都应先进行预习,从而提高实验质量和效率,否则就有可能在实验时不知如何下手,浪费时间,完不成实验要求,甚至有可能损坏实验装置。
因此,实验前应做到:(1)复习教材中与实验有关的内容,熟悉与本次实验相关的理论知识。
(2)阅读本教材中的实验指导,了解本次实验的目的和内容;掌握本次实验系统的工作原理和方法;明确实验过程中应注意的问题。
实验三 常用电力电子器件的特性和驱动实验一、实验目的(1) 掌握常用电力电子器件的工作特性。
(2) 掌握常用器件对触发MOSFET 、信号的要求。
(3) 理解各种自关断器件对驱动电路的要求。
(4) 掌握各种自关断器件驱动电路的结构及特点。
(5) 掌握由自关断器件构成的PWM 直流斩波电路原理与方法。
二、预习内容(1) 了解SCR 、GTO 、GTR 、MOSFET 、IGBT 的结构和工作原理。
(2) 了解SCR 、GTO 、GTR 、MOSFET 、IGBT 有哪些主要参数。
(3) 了解SCR 、GTO 、GTR 、MOSFET 、IGBT 的静态和动态特性。
(4)阅读实验指导书关于GTO 、GTR 、MOSFET 、IGBT 的驱动原理。
三、实验所需设备及挂件四、实验电路原理图1、SCR 、GTO 、MOSFET 、GTR 、IGBT 五种特性实验原理电路如下图X-1所示:三相电网电压图 X-1特性实验原理电路图X-2虚框中五种器件的1、2、3标号连接示意图2、GTO、MOSFET、GTR、IGBT四种驱动实验原理电路框图如下图X-3所示:图X-3 GTO、MOSFET、GTR、IGBT四种驱动实验原理电路框图3、GTO、MOSFET、GTR、IGBT四种驱动实验的流程框图如图X-4图X-4 GTO、MOSFET、GTR、IGBT四种驱动实验的流程框图五、实验内容1、SCR、GTO、MOSFET、GTR、IGBT 五种器件特性的测试2、GTO、MOSFET、GTR、IGBT驱动电路的研究。
六、注意事项(1)注意示波器使用的共地问题。
(2)每种器件的实验开始前,必须先加上器件的控制电压,然后再加主回路的电源;实验结束时,必须先切断主回路电源,然后再切断控制电源。
(3)驱动实验中,连接驱动电路时必须注意各器件不同的接地方式。
(4)不同的器件驱动电路需接不同的控制电压,接线时应注意正确选择。
课程教案课程名称:电力电子技术实验任课教师:张振飞所属院部:电气与信息工程学院教学班级:电气1501-1504班、自动化1501-1504自动化卓越1501教学时间:2017-2018学年第一学期湖南工学院课程基本信息1P 实验一、SCR、GTO、MOSFET、GTR、IGBT特性实验一、本次课主要内容1、晶闸管(SCR)特性实验。
2、可关断晶闸管(GTO)特性实验(选做)。
3、功率场效应管(MOSFET)特性实验。
4、大功率晶体管(GTR)特性实验(选做)。
5、绝缘双极性晶体管(IGBT)特性实验。
二、教学目的与要求1、掌握各种电力电子器件的工作特性测试方法。
2、掌握各器件对触发信号的要求。
三、教学重点难点1、重点是掌握各种电力电子器件的工作特性测试方法。
2、难点是各器件对触发信号的要求。
四、教学方法和手段课堂讲授、提问、讨论、演示、实际操作等。
五、作业与习题布置撰写实验报告2P一、实验目的1、掌握各种电力电子器件的工作特性。
2、掌握各器件对触发信号的要求。
二、实验所需挂件及附件三、实验线路及原理将电力电子器件(包括SCR、GTO、MOSFET、GTR、IGBT五种)和负载电阻R串联后接至直流电源的两端,由DJK06上的给定为新器件提供触发电压信号,给定电压从零开始调节,直至器件触发导通,从而可测得在上述过程中器件的V/A特性;图中的电阻R用DJK09 上的可调电阻负载,将两个90Ω的电阻接成串联形式,最大可通过电流为1.3A;直流电压和电流表可从DJK01电源控制屏上获得,五种电力电子器件均在DJK07挂箱上;直流电源从电源控制屏的输出接DJK09上的单相调压器,然后调压器输出接DJK09上整流及滤波电路,从而得到一个输出可以由调压器调节的直流电压源。
实验线路的具体接线如下图所示:3P图1-1 新器件特性实验原理图四、实验内容1、晶闸管(SCR)特性实验。
2、可关断晶闸管(GTO)特性实验。
实验二全控电力电子器件特性实验一、实验目的(1)掌握全控电力电子器件的工作特性。
(2)掌握各器件对触发信号的要求。
二、实验仪器与设备表1 实验设备明细表三、实验线路及原理将全控电力电子器件(GTO、MOSFET、GTR三者之一)和负载电阻R 串联后接至直流电源的两端,由DJK06 上的给定为器件提供触发电压信号,给定电压从零开始调节,直至器件触发导通,从而可测得在上述过程中器件的V/A 特性;直流电压和电流表可从DZ01 电源控制屏上获得,五种电力电子器件均在DJK07 挂箱上;直流电源从电源控制屏的输出接DJK09上的单相调压器,然后调压器输出接DJK09 上整流及滤波电路,从而得到一个输出可以由调压器调节的直流电压源。
实验线路的具体接线如图1所示:图1 特性实验原理图四、实验方法按图1接线,首先将全控电力电子器件接入主电路,在实验开始时,将DJK06上的给定电位器RP1沿逆时针旋到底,S1 拨到“正给定”侧,S2 拨到“给定”侧,单相调压器逆时针调到底,DJK09 上的可调电阻调到中间的位置;打开DJK06的电源开关,按下控制屏上的“启动”按钮,然后缓慢调节调压器,同时监视电压表的读数,当直流电压升到40V时,停止调节单相调压器(在以后的其他实验中,均不用调节);调节给定电位器RP1,逐步增加给定电压,监视电压表、电流表的读数,及灯泡J d 的发光情况。
当触发电压U g为正值,调节电位器RP1,逐步增加给定电压,监视电压表、电流表的读数,及灯泡J d的发光情况,当电压表V指示U CE接近零(表示管子完全导通),停止调节,记录回路中电流I d以及器件的管压降U CE。
当灯泡J d发光时,将S2拔到接地,监视电压表、电流表的读数及灯泡J的发光情况,记录回路中电流I d以及器件的管压降U CE。
当灯泡J d发光时,将S1拔到负给定,监视电压表、电流表的读数及灯泡J的发光情况,记录回路中电流I d以及器件的管压降U CE。
实验一 SCR、G TO、MOSFET、GTR、IGBT特性实验一、实验目的(1)掌握各种电力电子器件的工作特性。
(2)掌握各器件对触发信号的要求。
二、实验所需挂件及附件(1)DJDK-1型实验台;(2)DJK01、DJK06、DJK07、DJK09等挂件;(3)万用表。
三、实验线路及原理将电力电子器件和负载电阻R串联后接至直流电源的两端,由DJK06上的给定为新器件提供触发信号,给定电压从零开始调节,直致器件触发导通。
图中的电阻R用DJK09上的可调电阻负载,将两个90 的电阻接成串联形式,最大可通过电流为1.3A;直流电压和电流表可从DDJK01电源控制屏上获得,电力电子器件均在DJK07挂箱上,直流电源从电源控制屏的输出接DJK09上整流及滤波电路,从而得到一个输出可以由调压器调节的直流电压源。
实验线路的具体接线如下图所示:图3-5 新器件特性实验原理图四、实验内容(1)晶闸管(SCR)特性实验。
(2)可关断晶闸管(GTO)特性实验。
(3)功率场效应管(MOSFET)特性实验。
(4)大功率晶体管(GTR)特性实验。
(5)绝缘双极性晶体管(IGBT)特性实验。
五、预习要求阅读电力电子技术教材中有关电力电子器件的章节。
六、实验方法(1)按图3-5接线,首先将晶闸管(SCR)接入电路,在实验开始时,将DJK06上的给定电位器沿逆时针旋到底,即最小位置“0”(防止器件触发电压的不同使得某些低电压触发的管子被击穿,后面每做完一个器件都应该将其归位到“0”),S1拨到“正给定”侧,S2拨到“给定”侧,单相调压器逆时针调到底,DJK09上的可调电阻调到阻值为最大的位置;,打开DJK06的开关,按下控制屏上的“启动”按钮,缓慢调节给定输出,同时监视电压表的读数,当直流电压升到40V时,停止调节单相调压器(在以后的其他实验中,均不用调节);调节给定电位器RP1,逐步增加给定电压,监视电压表、电流表的读数,当电压表指示接近零Uv。
SCR、GTO、MOSFET、GTR、IGBT特性实验
一、实验目的
(1)掌握各种电力电子器件的工作特性。
(2)掌握各器件对触发信号的要求。
二、实验所需挂件及附件
(略)
三、实验线路及原理
将电力电子器件(包括SCR、GTO、MOSFET、GTR、IGBT五种)和负载电阻R串联后接至直流电源的两端,给定电压从零开始调节,直至器件触发导通,从而可测得在上述过程中器件的V/A特性。
实验线路的具体接线如下图所示:
图3-26 新器件特性实验原理图
四、实验内容
(1)晶闸管(SCR)特性实验。
(2)可关断晶闸管(GTO)特性实验。
(3)功率场效应管(MOSFET)特性实验。
(4)大功率晶体管(GTR)特性实验。
(5)绝缘双极性晶体管(IGBT)特性实验。
五、思考题
各种器件对触发脉冲要求的异同点?
七、实验方法
给定电压,监视电压表、电流表的读数,当电压表指示接近零(表示管子完全导通),停止调节,记录给定电压U g调节过程中回路电流I d以及器件的管压降U v。
(1) SCR测试
(2) GTO测试
(3) MOSFET测试
(4)GTR测试
(5)IGBT测试
八、实验结论
根据得到的数据,绘出各器件的输出特性。