灯饰基础知识
- 格式:doc
- 大小:1.68 MB
- 文档页数:26
LED基础知识LED厂商:晶元光电(Epistar)简称:ES、(联诠、元坤,连勇,国联),广镓光电(Huga),新世纪(Genesis Photonics),华上(Arima Optoel ectronics)简称:AOC,泰谷光电(Tekcore),奇力,钜新,光宏,晶发,视创,洲磊,联胜(HPO),汉光(HL),光磊(ED),鼎元(Tyntek)简称:TK,曜富洲技TC,燦圆(Formosa Epitaxy),国通,联鼎,全新光电(VPEC)等.华兴(Ledtech Electronics)、东贝(Unity Opto Technology)、光鼎(Para Light Electronics)、亿光(Everlight Electronics)、佰鸿(Bright LED Electronics)、今台(Kingbright)、菱生精密(Lingsen Precision Industries)、立基(Ligitek lectronics)、光宝(Lite—OnTechnology)、宏齐(HARVATEK)等。
大陆LED芯片厂商:三安光电简称(S)、上海蓝光(Epilight)简称(E)、士兰明芯(SL)、大连路美简称(LM)、迪源光电、华灿光电、南昌欣磊、上海金桥大晨、河北立德、河北汇能、深圳奥伦德、深圳世纪晶源、广州普光、扬州华夏集成、甘肃新天电公司、东莞福地电子材料、清芯光电、晶能光电、中微光电子、乾照光电、晶达光电、深圳方大,山东华光、上海蓝宝等。
色温与亮度色温( Co1or Temperature )单位:绝对温度( Kelvin, K )色温度以绝对温度K 来表示,是将一标准黑体(例如铂)加热,温度升高至某一程度时颜色开始由红、橙、黄、绿、蓝、靛(蓝紫)、紫,逐渐改变,利用这种光色变化的特性,其光源的光色与黑体的光色相同时,我们将黑体当时的温度称之为该光源的色温度.色温度在3000K 左右时,光色偏黄。
XXXX灯饰有限公司UL153基础知识一.UL简介1.UL公司美国安全检测实验室公司(Underwriters Laboratories Inc.)成立于1894年,是一家非盈利的民间机构,总部设在美国芝加哥,在世界各地设有分支机构.UL是美国也是世界上最权威的从事产品安全测试和认证的机构之一,专门致力于评估产品,材料及系统的安全性能.至2004年12月31日,UL评估过的产品19025类;客户遍及97个国家和地区;测试实验室58个;检验中心125个;认证的产品制造商71155家;现行UL标准1304个.2.UL标准UL本身是产品安全标准的制订者.至今已制定了1304个产品安全测试标准,涵盖了数千种产品,材料,结构和系统.和我们灯饰厂密切相关的主要有UL153(移动式灯具我司档案号EXXXXXX)和UL1598(固定式灯具,我司档案号EXXXXXX).二.UL1531.关于UL153UL153建立于1952年,经过11次修改,现行版本为2002年3月25日修改的第12版..2.UL153涵盖范围可移动式灯具,简单的说即带插头的灯具,如桌灯,落地灯,朝天立灯,柜灯,工作灯,手灯等.而小夜灯(UL1786),圣诞灯串(UL588),低压灯(UL1838)等则不在UL153的范围.三.UL153灯具的使用环境1.Dry Location----干燥环境2.Wet Location----户外环境注:UL153没有潮湿环境(Damp Location)的定义.四.一般机械结构(Mechanical Construction)要求1.组装和安装(Assembly and Packaging)1.)每个出货产品都应是组装好的,只有在以下情况时不要求完全组装完成:a.所有接合点均连接良好,若有特殊结构,须附特殊工具b.没有电气连接外露c.电气连接应有防拉结构d.附有安装说明书e.符合UL规定和出厂安装说明书2.)电线通过的一只灯的二个包装时分离部份(K/D)时要求:a.电线旋转不超过360°b.电气连接应有防拉结构在以下情况都成立时,旋转可以超过360°:a.电线通过的管内径达到或超过12.7mmb.在没有阻碍的管里每3”不能超过一个圈c.电气连接不可外露d.电气连接应有防拉结构2.电气外壳(Enclosure)1.)主要作用a.隔开带电部份b.防火,防电击,防电磁c.机械保护2.)外壳材料a.玻璃(Glass)b.金属(Metal)c.尿醛树脂(Urea resin)(注:不是POL Y)d.陶瓷(Porcelain)e.电木(Phenolic composition)f.塑料(Plastic)g.木(Wood)3.)需要外壳保护的部份:a.电气接合点b.支路电线,如SPT-1,1015等c.变压器,电容d.镇流器e.外露的带电部件4.)金属外壳最小厚度(粗胚):长度26”以内:受力情况下铁0.51mm(0.41mm),铜铝0.64mm(0.51mm)不受力情况下铁0.41mm(0.33mm),铜铝0.51mm(0.41mm) (括号内资料为有转折加强的部件)5.)塑料外壳a.要符合撞击测试要求b.要遵守UL746C:防火等级在V-2或以上,通过烤炉温度测试c.在正常使用时塑料部份不会熔化或变形6.)外壳开孔a.不能接触带电部份,即通过带电部份的可接近性测试b.内有电线绕组的外壳不能有开孔或焊渣c.外壳上不能开安装孔3.电线通道与电线导管(Wireways and Tubing)1.)电线通道应平顺没有尖刺和锋利的边缘2.)电线导管内部应没有尖锐的边缝和结3.)螺丝,螺纹和自攻螺丝在电线通道上外露不超过4.8mm4.灯罩说明书(Shade Construction)1.)一只灯出货时应配灯罩,如不配灯罩则要在说明书里限定灯罩尺寸2.)灯罩应能以可靠的材质来保持其形状3.)说明书应指明灯罩在使用前取下外面防尘罩4.)CSA规定灯罩有慢燃要求5.防拉装置(Strain Relief)1.)作用:任何灯具都应提供抗拉的装置以防止电源的外力直接传递到灯具内部的电气接点或是灯头接线等2.)防拉主要方式:打结(UL结,死结),线扣,八字扣,固定夹,锁式线扣等3.)锁式线扣不能用SPE-2,SPT-2,SVT,SVTO等线上,除非加一层适当的保护(如热缩管等)或者锁式线扣通过UL认证可以用于上述电线4.)当用打结方式防拉时,与线结接触的表面应无尖刺和锋利的边缘以防止电线损伤五.一般电气结构(Electrical Construction)要求1.组装和安装(Assembly and Packaging)电气线路应完全接好,以下情况除外:1.)带快捷插头,插座的2.)不会损坏电线3.)拉链开关的拉链,具备说明书2.带电部份(Live Parts)的可接近性1.)灯具在正常使用时带电部份是不能接触的,除非:a.低压电路(30V或以下,峰值42.4V或以下)b没有电气接线幷且有防拉的电线2.)可接近性测试a.用探棒测试b.测试对象是非用工具不能拆卸的部份3.爬电距离(Electrical Spacing)1.)在未绝缘的两极之间和未绝缘的两极与未绝缘的金属之间的隔空距离为6.4mm,表面距离为9.5mm2.)加绝缘层可减小两极之间和两极与金属之间的距离(最小距离不低于1.2mm)4.电线和导体(Wiring and Conductors)1.)电线不低于18AWG2.)24AWG到18AWG的电线可用于马达及变压器上,但需符合以下条件:a.此线被完全包覆b.线的长度不超过152mmc.通过异常操作测试3.)24AWG到18AWG的电线可用于低压电路4.)任何内配线可以小于18AWG,但必须提供适当的保护装置如保险丝,外壳等,同时考虑非正常使用及短路的使用情形5.)电线温度,电压a.额定温度:60℃,75℃,90℃,105℃,150℃,200℃,250℃额定电压:300V,600Vb.电线温度90℃(或105℃)的加玻璃纤维导管(0.25mm厚硒套管)可当作150℃用c.电线20288是可接触的,只能作内配线,不能作主电源线5.接线(Splices and Connection)1.)用螺丝固定的接线电线的剥线顶端应沾锡3.2mm以上2.)接线处的机械性能和电气性能固定3.)未绝缘的导体需加绝缘4.)常用绝缘可用绝缘胶布5.)接头在弯管和中座中不用定位6.)快速连接遵循UL310的规定6.电线可弯曲性1.)电线弯曲要符合UL标准2.)在弯曲使用中不得有:a.割伤或磨损b.电气连接中的受力或移动3.)电线SV,SVO,SVOO,SVT,SVTO,SVTOO不能打结或过度弯曲7.电源线(Power Supply Cords)1.)应配有与灯具功率相配套的插头2.)应不低于18AWG,常用的电源线有SPT-2,SVT,SJT等3.)SPE-1,SP-1,SPT-1不能作电源线4.)SPT-1可用于内配线5.)电源线出线至少5’6.)SPT-2(W),SJT(W)可用于户外7.)SPT-1,SP-1,20288作内配线时撕开不超过3”(76mm),否则要加套管8.插头(Attachment Plug)1.)插头分两脚和三脚,三脚插头可用于户外环境中2.)一般插头是15A,125V9.极性识别(Polarization and Identification)1.)插头负极:两叉插头中加宽的一边是负极,三叉插头左边的一极是负极2.)扁平线(SPT-1,SPT-2)有凸起线为负极,圆型线(SVT,SJT)上的白线是负极3.)灯头里螺纹是负极4.)开关,保险丝和其它保护装置要断正极10.接地与连通(Grounding and Bonding)1.)若使用三线式插头电源线,则所有可接触的且可漏电的导体皆应连通且接地2.)须接地连通的部份不得有表面处理导致不连通3.)锡焊或塑料材料之固定都不是接地连通的有效方式4.)接地连通的有效方式有:a.机械螺丝和螺母b.机械螺丝旋入铁板两牙以上c.铆钉及内齿华司5.)用以接地连通的螺丝或铆钉等不得同时用以固定其它用途之部件6.)接地电阻值应小0.1欧姆,接地电线最小16AWG11.灯头(Lampholders)1.)灯头接线应有外壳保护,不可外露2.)如灯具有外露接点且附加一个纸套管来做绝缘,则此纸套管需设计为以工具才能拆下3.)三段带开关灯头只能灯泡朝上4.)美规常用灯头规格:a.E26(E27)b.E12,E10c.E17d.卤素灯头e.荧光灯头12.开关(Switches)灯具没有要求一定要配开关13.插座(Receptacles)1.)每只灯限用2个单插座或1个双插座2.)插座与插头应保持同型号幷且区分极性3.)插座表面应保持适当空间以方便插头插取六.白炽灯(Incandescent Units)1.免温度测试灯具(Temperature Test-Exempt Units)特点1.)不需送测2.)工厂自己测试3.)工厂自测内容 :a.灯罩架测试b.悬挂测试c.拉力测试d.平衡度测试2.不符合免温度测试即需送测的灯具 :1.)带有变压器,马达或类似发热组件2.)带有塑料电器外壳3.)密封型灯罩带有7W以上灯泡4.)正常使用下灯罩变形5.)安装在橱柜里的灯6.)带有E27金属式灯头且安装成灯泡在下的方向3.免温度测试的白炽灯必须由以下方式决定 :1.)决定灯罩种类2.)判断灯泡与灯罩的距离3.)决定灯头线温度4.灯罩种类 :(以开口是否达到右表呎寸决定开闭)1.)上开下开(Open Top/Open Bottom)2.)上开下闭(Open Top/Close Bottom)3.)上闭下开(Close Top/Open Bottom)4.)上闭下闭(Close Top/ Close Bottom)5.灯泡与灯罩的距离(见下图和下表)Open top/open botton shade minimum lamp-to-shade spacing6.灯头线最小额定温度1.)上开下开(Open Top/Open Bottom) 75℃105℃2.)上开下闭(Open Top/Close Bottom) 105℃3.)上闭下开(Close Top/Open Bottom) 105℃150℃(灯头倾斜角度>105°)4.)上闭下闭(Close Top/ Close Bottom) 105℃(灯泡功率不超过7W)7.CUL特殊规定:1.)灯罩只能是上开下开(Open Top/Open Bottom)2.)E26(E27)不能加装不利散热的灯杯和类似部件8.标贴1.)灯头标应有功率,灯泡型式,额定电压,灯泡图形2.)3段灯头的功率不低于100W(30-70-100,15-135-150,50-100-150)七.卤素灯(Tungsten Haligen Units)1.卤素灯应配备一个护罩,一个灯泡护板,一个紫外线过滤板2.朝天落地卤素灯不可使用300W以上的灯泡,若有可调的管壁则一定要有防倾倒开关八.荧光灯具(Fluorescent Units)的结构要求1.安定器应符合要求2.电线符合要求3.安定器开路电压不可超过1000V4.荧光灯灯头的额定电压需为安定器所标示的输出电压值,若安定器无标示输出电压,则灯头最少需为250V5.当安定器输出电压大于150V时,电源线必须为接地式九.高压放电灯具(HIGH-INTENSITY-DISCHARGE Units)结构要求(略)十.表面安装式灯具(Surface Mounted Units)1.壁上固定式灯具(Wall Mounted Unit)1.)壁上固定式灯具应符合下表要求,灯具总重不含安装用具.未加灯罩的则一个灯头加1/4磅测试:总重(磅) 符合条件2-1/4 (1.0KG) (A或B)及(C或D)4-1/4 (1.9KG) [(A或B)及D]或E4-1/4以上(1.9KG以上) FA:从墙面至灯具伸展距离不超过7-1/2in(190mm)为限B:从墙面至灯具重心不超过3in(76.2mm)C:灯具应附有隐藏式锁匙孔,固定孔等D:灯具应附安装工具,内含至少两只6号Type A螺丝,必须穿透架设墙面3/4in(19mm)以上E:灯具应附安装用具,内含至少10-24号机械螺丝及相配螺丝套,螺丝长度应足以穿透固定孔3/4in(19mm)厚墙面F:符合安装测试要求3.)电源线不可从紧邻安装面的地方出线4.)如安装壁上固定式灯具时需要用工具时则此灯具需用有接地的三叉电源线5.)安装壁上固定式灯具时不需要用工具的结构:a.墙面凸起的托架b.挂环,锁匙孔,五金槽等2.橱柜(外)灯(Under-Shelf Mounted Unit)1.)包括安装在架子上, 橱柜以即类似表面上的灯具2.)安装要求同壁上固定式灯具3.)插头电流要达到15A,电线要达到105℃十一.悬吊式(电线和吊链)灯具(Cord and Chain Suspended units)1.定义:Swag Lamp---铁链式吊灯Hanging Lamp---线吊灯2.吊链长度在9’~15’之间3.悬吊灯的结构要求:1.)至少附二个金属钩,金属钩应有螺丝孔2.)二个弹簧夹,每个弹簧夹配有2-7/8in(73mm)螺杆和两个长1in(25.4mm)宽5/16in(7.9mm)的夹片3.)二个自攻螺丝,每个自攻螺丝长1-3/4in(44.4mm),有1-1/4in(31.8mm)的自攻螺纹和另一端的至少6个牙的普通螺纹4.)线吊灯的电线不能直接挂在金属钩上,可加胶管或塑料钩,但须通过吊重测试5.)吊链吊灯总重不超过30b(13.6kg),否则应通过吊重测试6.)线吊灯电线负重最大值如下表:7.)线吊灯不允许有碗状,支架或钩子等去支撑其它不属于灯具本身的东西,吊链吊灯则可以但必须通过吊重测试8.)电线绝缘温度要求105℃9.)电源线出线最小15’(4.6m),同时比吊链长1’~6’(0.3m~1.8m)10.)灯具不得使用有金属外壳或外露接点的灯头11.)线上开关位于可接触金属部份38mm以外十二.夹具式灯具(Clamp-On Mounted Uints)1.夹具式灯具的夹子应可以夹1.6mm~38mm厚度的表面2.夹具式灯具的夹子不应用工具来调整3.电源线要求105℃幷且除开关外一线到底4.灯具不得使用有金属外壳或外露接点的灯头5.线上开关位于可接触金属部份38mm以外十三.橱柜(内)灯(Portable Cabinet Lights)1.分开放式和封闭式2.电源线可用SPT-2,SPE-2,要求105℃,出线10’3.有的灯具含低压电路十四.户外灯(Wet Location Use)1.定义:1.)户外灯具可以是表面固定,自由放置或固定在地面上的,会标明”Suitable for wetlocations”2.)户外灯具在雨中或阳光下或有腐蚀性的气体中(液体下)使用时没有另加保护罩2.带电部份不允许积聚水3.用于户外灯具的材料:1.)铜,铝和铜合金,铝合金,不锈钢以及类似材料2.)表面有适当保护的铁件3.)有相对运动的表面如轴,轴套等关节不需要防锈4.)陶瓷及类似陶瓷表面处理的材料4.排水孔1.)灯具在雨中或淋雨试验时允许进水,但应能及时由排水孔排出2.)排水孔应位于最利于排水的地方3.)排水孔直径为3.2mm5.防水垫片1.)为防止用户在维护灯具时丢失垫片,垫片应用夹子,夹圈,粘胶或其它机械方法固定2.)防水垫片温度要求90℃3.)防水垫片材质:a.硅胶b.橡胶c.其它防热材料6.电源线和插头1.)电源线可以是SJ,SJO,SJT或相当的电线和在电线型号后标明”W”的电线2.)电源线出线不超过50’(15.2m)3.)接地三叉插头7.灯头和开关1.)带丝口的灯头不允许用铝口2.)开关和电气外壳不允许进水8.标签和说明书1.)标明”Suitable for wet locations”2.)警告标3.)灯具材料户外环境材质证明4.)安全说明书5.)组装说明书。
1、光( light)光的本质是电磁波 ,是整个电磁波谱中极小范围的一部分,光是能量的一种形态;光是电磁波辐射到人的眼睛,经视觉神经转换为光线,即能被肉眼看见的那部份光谱。
这类射线的波长范围在360到830nm之间,仅仅是电磁辐射光谱非常小的一部份。
温度远远高于50Hz工作时的温度,从而产生更高色温的白色色表和更好的显色性。
2、光通量(光束)Φ (luminous flux )光源发射并被人的眼睛接收的能量之和即为光通量。
一般情况下,同类型的灯的功率越高,光通量也越大。
例如:一只 40W的普通白炽灯的光通量为350---470lm,而一只40W的普通直管形荧光灯的光通量为2800lm左右,为白炽灯的6--8倍。
3、照度 (illuminance)单位被照面上接收到的光通量称为照度。
如果每平方米被照面上接收到的光通量为 1(1m),则照度为1(1x)。
单位:勒克斯(1x)。
1勒克斯(1x)相当于被照面上光通量为1流明(1m)时的照度。
夏季阳光强烈的中午地面照度约5000 1x,冬天晴天时地面照度约为2000 1x,晴朗的月夜地面照度约0.2 1x。
4、亮度( luminance)光源在某一方向上的亮度是光源在该方向上的单位投影面积、单位立体角中发射的光通量。
如果我们把每一物体都视为光源的话,那么亮度就是描述光源光亮的程度,而照度正好是把每一物体都作为被照物体,用一块木板来举例说明,当一定光束照到木板时我们讲木板有多少照度,然后木板将多少光束反射到人眼,就称为木板的多少亮度,那么有如下式子:亮度等于照度乘以反射率。
在同一房间同一位置一块白布和一块黑布的照度是相同的,而亮度是不同的。
5、光效(luminous efficacy of light source)光源所发出的总光通量与该光源所消耗的电功率(瓦)的比值,称为该光源的光效。
单位:流明 /瓦(lm/W)6、色温(CT-color temperature)当光源所发出的光的颜色与黑体在某一温度下辐射的颜色相同时,黑体的温度就称为该光源的色温,用绝对温度 K(kelvim)表示。
灯光材质入门知识点总结灯光材质是指用于制作灯具和灯饰的原材料,选择合适的灯光材质对于提高灯具的品质和光效有着至关重要的作用。
在灯光设计中,灯光材质是一项重要的考虑因素,它直接影响到灯光的亮度、颜色、传播方式以及其他光学参数。
因此,对于灯光材质的选择和应用,设计师和制造商都需要具有一定的知识和经验。
本文将向读者介绍一些有关灯光材质的基础知识和应用技巧,希望能够帮助读者更好地了解和应用灯光材质。
1. 灯光材质的分类灯光材质可以根据其原材料的来源和性质进行分类,常见的灯光材质包括金属材料、玻璃材料、塑料材料和陶瓷材料等。
这些材料各自具有独特的特性,适用于不同类型的灯具和灯饰。
在进行灯光设计和制造时,设计师和制造商需要根据具体的需求和要求选择合适的材质,以便达到最佳的光效和美观效果。
2. 金属材料金属材料是制作灯具和灯饰常用的材料之一,常见的金属材料包括铝合金、不锈钢、铜、铁等。
这些材料具有良好的导热性和传导性,适用于制作灯具的散热器、灯罩、支架等部件。
金属材料还具有较高的强度和耐用性,可以确保灯具的稳定性和安全性。
在选择金属材料时,设计师和制造商需要考虑材质的外观、加工工艺和成本等因素,以便选用最合适的材质进行制作。
3. 玻璃材料玻璃材料是制作灯具和灯饰常用的透明材料,它具有优秀的折射性和透光性,可以有效地传播光线并产生柔和的光效。
玻璃材料还具有较高的耐高温性和耐化学性,适用于生产高温灯具和外部暴露环境的灯具。
在选择玻璃材料时,设计师和制造商需要考虑材质的透明度、光学性能和制作工艺等因素,以便选用最合适的材质进行制作。
4. 塑料材料塑料材料是一类广泛应用于灯具和灯饰制造的材料,它具有轻质、耐磨、耐腐蚀、便于成型加工等特点。
常见的塑料材料包括聚氯乙烯(PVC)、聚丙烯(PP)、聚碳酸酯(PC)等。
这些材料适用于制作灯具的灯罩、外壳、支架等部件,在灯光设计中具有较大的灵活性和多样性。
在选择塑料材料时,设计师和制造商需要考虑材质的强度、耐用性、阻燃性和环保性等因素,以便选用最合适的材质进行制作。
雷士家居照明基础知识第一节行业发展概况中国灯饰行业的发展至今大致经历了三个阶段灯具阶段: 上世纪80年代以前,我国的灯具品种规格非常少,特别是民用灯具,几乎全部是“一个灯头一个罩外加一个照明泡”,而且每个家庭基本上是一室一灯。
生产企业集中在上海、北京、武汉、沈阳、成都、山东、天津等地,多为国营和集体企业。
起步阶段: 上世纪80年代到90年初期,灯具的主要功能还是照明,用灯饰来装饰家庭的概念还不是很强,但中国电网的覆盖面较以前有了很大的进步,甚至很多农村地区都通上了电。
在这种形势下,在浙江宁波、温州及附近地区成立了上千家灯具生产企业。
这些企业多为民营或私营企业,生产特点是分工明晰、相互配合、家庭作坊式生产。
由于灵活多变的经营方式和集约化生产,与传统国营企业大而全的生产经营模式相比具有非常大的竞争优势,这些企业在市场中取代了国有企业成为主渠道。
但是由于无序竞争和监管力度不够,造成产品质量差异较大。
这个阶段浙江企业占主流。
发展阶段:上世纪90年代以后,,随着人们生活水平的改善及全国房地产热的兴起使市场需求对灯具外观造型有了新的要求,一室多灯,灯具销售量剧增。
特别是在国际灯饰品牌企业将注意力集中到中国市场后,台湾地区和香港地区生产商将灯具生产和配套生产转移到大陆。
他们不仅带来了资金,更带来了全新的生产管理经验和产品研发技术理念。
这个阶段是灯饰企业长足发展的时期,不仅产业基础得到大幅度的提高,生产企业的管理水平、产品质量和配套企业的技术水平都得到迅速提高和发展。
这个时期的企业集中在广东、浙江、江苏、上海。
而民用灯饰企业的绝大多数集中在广东省。
从80年代开始,中山古镇人开始模仿香港、澳门的灯饰样式开始了创业的过程;从90年代初开始,古镇人逐步地把古镇灯饰推向了全国各地;在之后的几年里,通过举办“灯饰博览会”等大型展会,古镇的灯饰业集群已形成相当的规模,成为中国灯饰主要生产基地。
第二节品类的划分及定义1、羊皮/布罩灯:灯罩以仿羊皮,各种布料或布面胶片,拉丝等材料为主。
灯饰电路知识点总结灯饰电路是指用来控制和驱动灯具的电气设计和布线。
灯饰电路的合理设计可以实现灯光的亮度调节、颜色温度的调节、灯光的闪烁效果等功能,能够满足人们对于舒适、美观的光照需求。
在灯饰电路的设计和安装过程中,我们需要了解一些电路知识点,包括电路基础知识、灯具连接方式、灯光控制器选型等方面的内容。
在这篇文章中,我们将对灯饰电路知识点进行总结和介绍。
一、电路基础知识1. 电流、电压、电阻的概念及计算电路中的电流表示电荷在单位时间内通过导体的数量,单位是安培(A);电压是指单位电荷所具有的能量,单位是伏特(V);电阻是电路对电流的阻碍程度,单位是欧姆(Ω)。
在灯饰电路的设计中,需要根据需要计算电流、电压和电阻的数值,来确定电路的参数和元器件的选型。
2. 串联和并联电路的特点和计算方法串联电路是指电路中的元器件依次排列,电流通过元器件的方式是依次经过每个元器件,电压则是各元器件电压的累加;并联电路是指电路中的元器件平行排列,电流共同经过各元器件,电压相同。
在灯饰电路的设计中,需要根据实际情况选择串联还是并联的电路方式,来满足灯光的需求。
3. 电路功率的计算电路的功率是指单位时间内能量的消耗或产生,计算公式为P=U*I,即功率等于电压乘以电流。
在灯饰电路的设计中,需要根据灯具的功率需求来确定电路的功率参数,来保证电路的稳定和安全。
4. 交流电与直流电的特点交流电是指电流方向和大小周期性变化的电流方式,它的特点是能够在输送中长距离而不损失能量;直流电是指电流方向不变的电流方式,它的特点是能够在稳定状态下保持一定的功率。
在灯饰电路设计中,需要根据实际需要选择合适的交流电或直流电模式,来满足灯具的需求。
二、灯具连接方式1. 单灯控制方式单灯控制方式是指每个灯具都有独立的控制装置,可以单独控制每个灯具的亮度、颜色、闪烁等参数。
在灯饰设计中,单灯控制方式能够实现对每盏灯的个性化控制,能够满足一些特殊场合的需求。
一、光的艺术作用(一)、光艺术的起源阳光、月光、星光和火光伴随着原始人的生活,旭日与夕阳交替,白昼和黑夜循环,原始人在光的沐浴下生成发育繁衍。
火的发明使用,使人类进入了新的文明阶段,火不仅用来照明、取暖、烧烤食物,到了晚间,原始人围着火堆,举起火把狂欢舞蹈,一堆堆火光映红了一张张欢乐而喜悦的脸,一串串舞动的火把构成火蛇巨龙,这就是人类早期的用光构成的原始光艺术雏型。
随着火、蜡烛、油灯、汽灯、电灯等人工光源的发明创造,人类跨越了一个又一个文明阶段进入了当今灯光照明高科技时代,由于人工照明技术的迅速发展和人造光源的普及,人们的夜生活变得越来越丰富多采,灯光艺术作为一种新的视觉艺术形式,把人们的生活空间装点得更加美丽。
在现代环境艺术设计、舞台艺术设计、室内装饰等方面,灯光艺术已被广泛地应用。
(二)、光的艺术魅力光照的作用对人的视觉功能的发挥极为重要,因为没有光就没有明暗和色彩感觉,也看不到一切。
光照不仅是人视觉物体形状、空间、色彩的生理的需要,而且是美化环境必不可缺少的物质条件。
光照可以构成空间,又能改变空间;既能美化空间,又能破坏空间。
不同的光照不仅照亮了各种空间,而且能营造不同的空间意境情调和气氛。
同样的空间,如果采用不同的照明方式,不同的位置、角度方向,不同的灯具造型,不同的光照强度和色彩,可以获得多种多样的视觉空间效应:如有时明亮宽敞,有时晦暗压抑;有时温馨舒适,有时烦躁不安;有时喜庆欢快,有时阴森恐怖;有时温暖热情,有时寒冷冷淡;有时富有浪漫情调,有时产生神秘感觉等等,光照的魅力可谓变幻莫测。
在光照下,人和物就会产生明暗界面和阴影层次的变化,并在视觉上赋予立体感。
如果改变源的光谱成分、光通量、光线强弱、投射位置和方向就会产生色调、明暗、浓淡、虚实、轮廓界面的各种变化,这是运用光照艺术渲染环境艺术气氛和烘托人物性格的重要手段。
如同一头像摄影,如果取顶光直射照明,那么,人脸给人以冷漠、严肃、阴森的感觉;如果取斜上方半侧光照明,那么人脸轮廓分明给人以性格外向、精明能干的感觉;如果取多光源散光照明,那么,给人以性格随和,心情愉快的感觉;如果取向上直射照明,那么会给人以恐怖、凶残、愤怒的感觉。
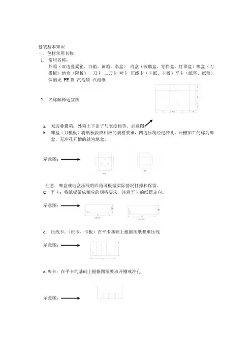
包装基本知识一、包材常用名称1.常用名称:外箱(双边叠翼箱、白箱、黄箱、彩盒)内盒(玻璃盒、零件盒、灯罩盒)啤盒(刀模板)地盒(隔板)一刀卡二刀卡啤卡压线卡(卡纸、卡板)平卡(纸环、纸筒)保丽龙PE袋汽泡袋汽泡纸2.名称解释适宜图a.双边叠翼箱:外箱上下盖子与宽度相等。
示意图:b.啤盒(刀模板)将纸板做成相应的规格要求,四边压线经过冲孔,开槽加工的称为啤盒,无冲孔开槽的就为地盒。
示意图:注意:啤盒或地盒压线的四角可根据实际情况打掉和保留。
C.平卡:将纸板做成相应的规格要求,注意平卡的纸楞走向。
示意图:c.压线卡:(纸卡、卡板)在平卡基础上根据图纸要求压线示意图:e..啤卡:在平卡的基础上根据图纸要求开槽或冲孔示意图:本文档由灯饰设计高级联盟友情提供更多灯饰图片,CAD文档,PDF灯书等资源,尽在灯饰设计高级联盟QQ群:14 5757 298 邀请码:9025开槽的宽度不超过1/4”的为一刀卡或二刀卡,超过1/4”的归为啤卡。
二、包装的K/D方式C/KD 只负责穿线,由客人接线组装。
(全K/D)S/KD 负责接线,客人只进行简易的组装,不用工具。
(半K/D)三、外箱落地测试(DROP IEST)标准要求及方式:落地测试振动测试摇摆测试1.定义:外箱落地测试是将包装好的一定重量(含包装物)的产品提至一定高度处放开让其自由下落的一种测试方法,常用来比较测试前后产品设计与包装的相关性能,是对产品的一种基本测试。
2.范围:测试规范包括150LBS(68KG)或以下重量单独包装走货产品之包装进行测试3.产品损伤限度及包装破损限度如下:产品的装载物将决定哪些因素对产品可能构成损伤及怎样的损伤是在允许范围之内的,这样就可以根据测试结论,鉴定产品情况及确定可能接受的包装方式。
4.测试程序(一般试摔:一角三棱六面)试摔程序: 第一摔A角第二摔AB边第三摔AE边第四摔AC边第五摔ABFE 面第六摔CDGH第七摔ABHC面第八摔EFGD面第九摔ACDE面第十摔BHGF面5.试摔下落高度根据包装好的产品之重量来决定:产品重量下落高度0—9.5KGS 309.5—18.5KGS 2418.5—27.5KGS 1827.5KGS以上126.检查方法a.DROP TEST 之前要对产品及其包装进行检验。
灯饰照明行业培训大全标题:灯饰照明行业培训大全一、行业背景灯饰照明行业作为我国经济的重要组成部分,近年来取得了长足的发展。
随着科技的进步和市场需求的不断变化,灯饰照明行业呈现出多样化、个性化的特点。
为适应行业发展趋势,提高从业人员素质,加强行业培训显得尤为重要。
二、培训目标1. 提升从业人员专业技能:通过培训,使从业人员掌握灯饰照明行业的基本知识和技能,提高工作效率,提升产品品质。
2. 增强创新能力:培养从业人员的创新意识,激发创新潜能,推动灯饰照明行业的技术创新和产品创新。
3. 提高管理水平:强化从业人员的管理能力,提升企业的整体运营水平,增强市场竞争力。
4. 培养行业人才:为灯饰照明行业输送高素质、高技能的人才,满足行业发展需求。
三、培训内容1. 基础知识培训:包括灯饰照明行业发展历程、市场现状、政策法规、行业标准、产品分类等,使从业人员对行业有全面、系统的了解。
2. 技能培训:涵盖灯具设计、制作、安装、调试、维修等方面的技能,提高从业人员的实际操作能力。
3. 创新能力培训:开展创新思维、设计理念、新材料应用、节能环保等方面的培训,激发从业人员的创新潜能。
4. 管理培训:包括企业战略、市场营销、人力资源、财务管理、质量管理等方面的内容,提升从业人员的管理水平。
5. 职业素养培训:强化从业人员的职业道德、团队合作、沟通协调、自我管理等职业素养,提高综合素质。
四、培训方式1. 面授培训:组织专家、讲师进行面对面授课,解答学员疑问,提高培训效果。
2. 网络培训:利用网络平台,开展在线授课、远程辅导、资源共享等,方便学员随时随地学习。
3. 实践操作:安排学员到企业实地参观、实习,提高学员的实际操作能力。
4. 案例分析:通过分析灯饰照明行业的经典案例,使学员更好地理解理论知识,提高分析问题和解决问题的能力。
5. 交流互动:组织学员开展座谈会、研讨会等活动,促进学员之间的交流与合作。
五、培训体系建设1. 制定培训计划:根据灯饰照明行业的发展需求和从业人员现状,制定系统、全面的培训计划。
家居灯饰培训课程安排计划第一章:灯饰基础知识介绍课程目标:通过学习灯饰基础知识,了解灯饰的种类、材质、功能及应用范围,为后续课程打下基础。
1. 灯饰的分类a. 居家灯饰b. 商业灯饰c. 公共灯饰2. 灯饰的材质a. 金属类b. 玻璃类c. 晶体类d. 塑料类e. 组合材质3. 灯饰的功能a. 照明功能b. 装饰功能c. 环保功能4. 灯饰的应用范围a. 客厅b. 卧室c. 厨房d. 浴室e. 餐厅f. 车库第二章:灯饰设计理念与技巧课程目标:学习灯饰设计理念和技巧,掌握灯饰设计的基本要素及创意方法,提高设计能力。
1. 灯饰设计的基本要素a. 光线b. 色彩c. 结构d. 材质2. 灯饰设计的创意方法a. 空间搭配b. 材质搭配c. 色彩搭配d. 风格搭配3. 灯饰设计案例分析a. 家庭客厅设计b. 餐厅灯饰设计c. 卧室灯饰设计d. 酒店大堂设计第三章:灯饰安装与维护课程目标:学习灯饰的安装方法和维护技巧,掌握安全实用的安装步骤和长期维护方法。
1. 灯饰安装前的准备工作a. 安装工具准备b. 安装位置确认c. 线路检测2. 灯饰安装步骤a. 构架安装b. 灯具安装c. 电路连接3. 灯饰维护方法a. 清洁保养b. 灯泡更换c. 定期检查第四章:灯饰营销与服务课程目标:学习灯饰的营销策略和售后服务方法,提高销售能力和客户满意度。
1. 灯饰营销策略a. 产品定位b. 促销策略c. 渠道建设2. 灯饰售后服务方法a. 客户沟通b. 产品维修c. 投诉处理3. 灯饰行业发展趋势a. 智能化b. 环保节能c. 定制化服务结语:通过本次培训课程,学员们将全面了解家居灯饰的基础知识、设计理念、安装与维护以及营销与服务,提升自身综合能力,为未来的工作和职业发展打下坚实的基础。
同时,也希望学员们能够将所学知识应用到实际工作中,为灯饰行业做出更大的贡献。
灯饰工程培训计划一、培训目标通过培训,使员工掌握灯饰工程的基础理论知识,提高灯光设计和安装技能,增强团队协作能力和服务意识,提升员工整体素质和能力。
二、培训内容1. 灯饰工程基础知识:灯饰行业概况、常见灯具分类和功能、灯饰工程流程等;2. 灯饰设计原理:灯具的光学原理、照明设计的基本原则和技巧、光线色温、光线亮度与场景的匹配等;3. 灯饰安装与调试:灯具的安装方法、布线规范、安全措施、灯光调试和效果展示等;4. 灯饰产品知识:新型灯饰产品介绍、对比分析、市场前景等;5. 团队协作与沟通技巧:团队合作的重要性、团队协作的方法、有效沟通的技巧等;6. 客户服务技巧:客户需求分析、服务流程、解决问题的方法等。
三、培训方式1. 理论授课:邀请灯饰工程的专业人士进行授课,讲解灯饰工程的基础知识和设计原理;2. 实操演练:安排员工进行实地操作,在实际项目中操作灯饰安装、调试等工作;3. 现场考察:组织学员前往灯饰工程项目现场,观摩学习实际工程施工情况;4. 视频教学:准备相关工程案例视频,让学员深入理解灯饰工程的实际操作方法;5. 讨论交流:安排学员进行案例分析、经验交流和互动讨论课程,共同进步。
四、培训计划1. 第一阶段:灯饰工程基础知识培训时间:4天内容:灯饰行业概况、灯饰产品分类、灯光设计原理、布线规范。
2. 第二阶段:灯饰设计与安装技能培训时间:5天内容:灯饰设计技巧、灯具安装实操、灯光调试。
3. 第三阶段:团队协作与客户服务培训时间:3天内容:团队协作的重要性、客户需求分析、服务流程与技巧。
4. 第四阶段:综合实操演练时间:3天内容:实地项目实操、案例分析、经验交流。
五、培训考核1. 阶段性考核:每个阶段结束后进行阶段性考核,以笔试、实操考核、案例分析等形式进行;2. 总结考核:培训结束后进行综合知识和技能的总结考核,合格者颁发培训结业证书。
六、培训评估1. 定期考核:统一安排定期考核,以检验员工的培训成果;2. 个人评估:根据员工的学习情况和实操表现,进行个人评估,对成绩优秀者予以奖励。
灯饰基础知识一. 吊灯区吊灯区分为:古典区和现代区;1.灯饰的颜色:分为电镀和烤漆电镀又分为:香槟银、24K金、瑞士金、亮银、白铬、黑铬等烤漆的颜色:化石金、古红金、金红木、裂纹黑区别对比:电镀颜色单价相对喷漆加工单价要贵,如24k金电镀加工费约350元/m2、银为100元/m2、铬为80-90元/m2;电镀颜色表面光亮,现代感强,但保质期相对烤漆要短,一般一至两年内部会发生什么变化。
2.灯饰的种类:可分为吊灯、壁灯、工艺台灯等;吊灯:古典式(成套、沉稳、雅致、适配红木家具等)现代式(简洁、明快、富有个性、有时代感)餐吊灯(可根据餐桌大小、客厅吊顶结构选择)壁灯:装饰性壁灯、镜前灯工艺台灯:古典式、现代式3.灯饰的组成:材质:五金部分:铁材里含铜材、锌合金等玻璃部分:水晶材料、玉料、大白料等包装部分:包括纸箱外包装、纸箱内盒、胶袋、保力龙、说明书等结构:底座、主体、灯臂(包括灯罩在内)灯罩的种类:玻璃灯罩、布罩、羊皮罩、仿羊皮罩及塑罩等。
其中以玻璃罩为主,从制作方法上大体分为:机压、离心、吹制及烤弯等几种。
从工艺上分为:包玉、炸水、酸洗、喷沙、磨沙等。
灯罩口径越大成本越高。
4.吊扇灯有三个挡位调速,并且可以通过正反挡获取凉风,暖风。
5.其它:灯饰一般采用E27、E14等口径的螺口灯泡,也可根据具体情况选用节能灯灯泡分为透明泡和磨沙泡,水晶灯采用透明泡,其它灯采用磨沙泡,其光线是漫反射,较柔和。
电镀灯饰易氧化、故组装灯时一定要戴手套;清洁灯时,应避免用湿抹布擦灯具的五金部分二. 台灯、吸顶灯区1.台灯区:台灯主要分为:书写台灯、工作台灯、装饰性台灯(适用于床头柜、茶几)经营的主要品牌有:大都市、飞利浦、孩视宝、莱普护眼灯、海浩护眼灯 3M护眼灯等什么是频闪现象?有什么危害?为什么?答:交流电输入灯管产生一明一暗的发光闪动现象叫做频闪。
它是造成人的眼睛近视的主要原因;因为长期在一明一暗的有频闪现象的光源下工作、学习,极易造成视力疲劳,眼球变形,从而产生高频灯电磁辐射是怎样产生的?有什么危害?答:高频电子节能灯将50HZ的交流电转换成4万—5万HZ的高频交流电导入灯管,因其存在一个高频电子振荡,从而产生一个向外发射的能量发射,这就是高频电磁辐射。
灯饰基础知识没有眼睛的家庭只能就像人没有了眼睛,灯饰——家居的眼睛,家庭中如果没有灯具,在家庭的位置是至关重要的。
如今人们将照明的灯具叫作灯饰,从生活在黑暗中,所以灯称谓上人们就可以看出,灯具已不仅仅是用来照明的了,它还可以用来装饰房间。
简介从客厅、餐厅、卧室、厨卫到走道、阳台、吧台!灯饰灯具的种类已经多式多样了,古典、现代灯饰灯具的设计风格越来越多样化,从室内走向室外,更多的去点缀周围的环境,现代、时尚、欧式、美式、清爽、豪华,美不胜收。
这就需要室内照明企业具有足够的预见灯饰不但起到了家用根据消费者日益变化的需要设计出消费者满意的产品。
性和创新意识,照明效果,不同的款式可以点缀出不同的效果。
灯饰分类 1、根据功能性可分为:1、吊灯:一般为悬挂在天花板上的灯具,是最常采用的普遍性照明,有直接、间接、下向照射及均散光等多种灯型。
吊灯的大小、及灯头数的多少均与房间的大小有关。
吊灯一般离天花板500~1000毫米,光源中心距离开花板以750毫米为宜。
也可根据具体需要或高或低。
2、吸顶灯:直接安装在天花板面上的灯型。
包括有下向投射灯、散光及全面照明等几种灯型,光源有白炽灯吸顶和荧光灯吸顶灯,特点是可使顶棚较亮,构成全房间的明亮感。
缺点是易产生眩光。
由于在一般住宅层高都比较低,所以被广泛采用。
但吸顶灯的造型、布局组合方式、结构形式和使用材料等,要根据使用要求、天棚构造和审美要求来考虑。
灯具的尺度大小要与室内空间相适应,结构上一定要安全可靠。
3、壁灯:壁灯是安装在墙壁上的灯具。
是人微言轻室内装饰及补充型照明的灯具。
由于距地面不高,一般都用低瓦数灯泡。
灯具本身的高度,大型的为450~800毫米,小型的为275~450毫米。
灯罩的直径大型的Ф150~250毫米,小型的Ф110~130毫米。
灯具跳了墙壁面的距离大体上是95~400毫米。
壁灯常用的光源功率,大型的使用100瓦、150瓦的白炽灯泡,小型的使用40瓦、60瓦白炽灯泡。
也可直接用紧凑型荧光灯替代白炽灯泡。
4、活动灯具:是可以随需要自由放置的灯具。
一般桌面上的台灯,地板上的落地灯都属于这种灯具。
是一种最具有弹性的灯型。
大型落刀子灯部高度为1520~1850毫米,灯罩直径400~500毫米,使用100瓦的白炽灯泡;小型的落也灯总高度为1080~1400毫米或1380~1520毫米,灯罩的直径250~450毫米,使用60瓦或75瓦、100瓦的白炽灯泡;中型的落地灯高度为1400~1700毫米。
大型的台灯总高度为500~700毫米,灯罩直径是350~450毫米,使用白炽灯时一般用60瓦或75瓦、100瓦的灯泡;小型台灯总高度为250~400毫米,灯罩直径是200~350毫米,使用白炽灯时一般用25瓦或40瓦的灯泡;中型台灯的总高度为400~550毫米。
2、根据灯饰的材质可分为:水晶灯、羊皮灯、亚克力灯、布艺灯、石材灯、玻璃灯和陶瓷灯。
七类灯饰各具特色,承担着满足不同年龄喜好、不同消费层次、为不同房间风格添彩的作用。
水晶灯点评:富贵、豪华、大气配搭:轻欧式风格装修消费:属于高端产品,价格约4000-5000元以上羊皮灯点评:光线柔和,色调温馨,装在家里,能给人温馨、宁静感配搭:古典或欧式风格 700-10000元之间消费:属于中高端产品,价格约在亚克力灯点评:颜色持久性强、透光性强、抗高低温变型能力强、造价高配搭:应用于户外消费:属于中高端产品。
布艺灯点评:简洁明快配搭:崇尚个性的青年家庭 1000元上下消费:属于中档产品,价格约石材灯点评:庄重、典雅配搭:适合知识型、高收入人群,以及面积较大房间元以上消费:属于中档产品,价格约3000-4000 玻璃灯点评:价格实惠,风格特点不明显配搭:适合卧室安装元左右消费:属于中低档产品,价格约200-300陶瓷灯点评:古典风尚配搭:具有广泛的适用性消费:价格差距较大(一)水晶灯正宗的水晶灯应当由K9水晶材料制作的。
由于天然水晶价值昂贵,且暇疵多,不适合批量合用,且资源严重不足,现在水晶灯上的水晶属于人工合成制品,无论进口还是国产,价值多少的均是如此。
从化学成份上水晶是由玻璃和部分金属铅合成的,当玻璃当中铅的含量达到24%即可称为意义上的水晶,含铅的作用就是为了让玻璃的透光性更好,自然光透过后折射出来的七彩光也最强。
k9水晶也叫k9玻璃,也泛指K9材料制成的玻璃制品,K9材料属于光学玻璃,晶莹剔透,在市面上称为水晶玻璃制品。
水晶灯的质地一般分自然水晶,重铅水晶、低铅水晶,水晶玻璃等,现在市面上的水晶灯95%以上是水晶玻璃的,甚至有塑料制的,钱价远低于自然和含铅水晶。
1、分类:1.水晶吊灯2.水晶吸顶灯3.水晶壁灯4.水晶台灯5.水晶蜡烛灯6.水晶楼梯灯2、水晶灯光源的选择:不同的光源会让水晶的展现不同的效果,目前主要的光源有三个类型:白炽灯、LED、节能灯。
1.白炽灯由于白炽灯的光线接近太阳光,在光线透过水晶的时候会较好的产生透射和折射,呈现出可见的七色光。
因此采用白炽灯可以很好的映衬出璀璨的水晶和华丽的光彩。
但是白炽灯相对于光源来说耗电量大,而且一盏水晶灯光源数量通常都在5个以上,甚至更多。
使用白炽灯作为光源一般用于大型奢华酒店大堂和宴会场所。
.2.LED光源LED光源具有高亮度,高显色性,节能,长寿命,光色均匀,无频闪,无眩光,绿色环保。
LED 在节能上具有绝对优势,5W LED光源可以代替40W白炽灯,并且LED光源寿命在20000小时以上,而普通白炽灯一般在800-2000不等(相差10倍)。
3.节能灯它是很好的家居,商业照明产品,但不适用水晶灯。
之所以节能灯不适用于水晶灯是因为节能灯光效差,频闪,显色低,这些弱点对于水晶灯来说是致命的,它可能让原本华丽漂亮的水晶灯变得暗淡无光。
那么对于普通家庭用户来说,用的较多的是LED光源,LED光源的选择也有讲究LED的光效,光通维持率,散热,芯片等等因数也会影响LED光源的质量,选着LED光源不能图便宜选择劣质LED。
水晶灯光源要为水晶饰件遮饰,烛光效果的光源是不需要有水晶饰件遮饰的,除烛光效果外的水晶灯饰的光源应为水晶饰件所遮掩。
(遮光源的水晶饰件的排列间隙多在5毫米以內,1~2毫米为佳)水晶灯的光源数量可以大致按侧面每平方米8个灯旦左右,底面按每平方米7个灯旦左右來布置,如以线距离布光源,行规一般以一英呎或稍多点即305mm~360mm为宜。
3、金属材料:水晶灯的主要金属材料分铜和铁两种,铜材价格是铁的4~5倍左右,价格悬殊。
铁,首先是便宜,在坚固程度和抗变形能力上明显好于铜,所以每一只灯的中通部分和方管部分都是用铁材料的,即使全铜的灯也是这样,缺点是如果没有被电镀全部完整覆盖,那么生锈的可能性是100%,当然只要电镀的很好很完整,这里指零件可通过空气的每一寸表面都能得到电镀,尤其两个零件的接触部分电镀完整,铁也并不是那么容易生锈。
铜,价格贵,材质较软,在表面处理方面优于铁,正常情况下其生锈的几率很小。
同样一只灯架子,用铜和用铁成本会相差4~5倍,应当仔细分辨。
注意:铜在电镀后也有小小的磁性(因为需镀一层铁族的镍),但和铁相比磁性差别非常明显。
连接饰件:包括水晶勾、螺丝、瓜子链、S、扣等等,连接零件的优劣是水晶灯厂4是否真正专业和优质的具体体现。
零件的颜色要和灯具颜色一致,不同就显得不协调。
水晶勾的选用,水晶勾一般按长短分小,中大勾,18#水晶珠以下的用小勾,18#-24#用中勾,26#及以上的用大勾,无论小中大勾在穿水晶珠之前最好在定宽模片上先弯两脚,保证勾宽一致,穿出的水晶串挂出横平竖直。
对于较长而较重的水晶串,为防止脱钩堕珠,常用的办法是先用0.3毫米直径的细铜丝铰连水晶珠受拉力,再穿水晶勾做外饰。
(二)羊皮灯羊皮灯简介:、1羊皮灯的制作灵感来自古代灯具的原理。
在古代,草原上的人们利用羊皮皮薄、透光度好的特点,用它裹住油灯,用来防风遮雨。
现在,那些制造厂家运用先进的制作工艺,把羊皮制作成各种不同的造型,以满足不同喜好的消费者的需求。
主要特点:、2(1)光线羊皮灯的主要特色是光线柔和,色调温馨,装在家里,能给人温馨、宁静感的灯具。
(2)形状羊皮灯主要以圆形与方形为主。
羊皮灯以格栅式的方形作为自己的特征,不仅有吊灯,还有落地灯、壁灯、台灯和宫灯等不同系列;而且经过技术开发,其颜色已经突破了原有的浅黄色,出现了月白色、浅粉色等色系,灯饰框架也隐入羊皮灯罩内,使造型走向时尚。
.羊皮灯 3)风格(羊皮灯用古韵今风形容很合适,在细致柔亮的羊皮灯光织成的灯语中,观者读出了道不尽的传统情结。
它能让一切回归传统,让简约归于稳重、轻快归于厚实、鲜亮归于平淡。
(4)材质羊皮灯灯架是木质的。
3保养方法:、羊皮灯款式多样,分大、小两种型号。
羊皮壁灯、羊皮吊灯、羊皮吸顶灯、羊皮台灯、羊皮餐吊灯,羊皮半吊灯、羊皮落地灯、节能灯、地球仪灯等现代灯具,光源为H插管,大的由三组36W的H插管组成,小的由三组24W的H插管组成。
羊皮灯(1)、要用节能灯,任何温度高的灯对羊皮都不好。
(2)、羊皮壁灯下方不能有暖气等热源。
(3)、在中国北方比较干的地方,可以喷保护液,防止其干裂。
4选择技巧:、市场上卖的羊皮灯,均是仿羊皮(行业称为羊皮纸),也在高分子聚合物材料上覆了一层薄膜,来营造效果。
而且,就灯具而言,由于其制造工艺相对简单,基本同质化,不同的只是造型和品牌的差异,这也是为款式相同,品牌不同,但相差较大的原因。
羊皮灯最好选用节能灯作光源,如果灯泡的表面热度比较高,长了会使羊皮纸老化变形,并且容易出异味,污染环境。
5如何鉴别羊皮灯:、(1)看手感如何:两种质量的羊皮纸,摸上去的手感是不一样,好的摸上去顺滑些,差的摸起来比较粗糙;(2)看材料的柔性:质量差些羊皮纸的很脆,一掰就能断裂开,而好的有柔性,不容易撕裂和折断;(3)判断耐擦洗性差些的羊皮纸,覆膜轻易地揭开撕下来,这样的灯不耐擦洗。
而好些的羊皮纸覆膜比较牢固,膜和主体基本为一体,很难揭开,因此,可水洗;(4)看燃烧性:羊皮纸用打火机都能点着,但一旦离开火源,差些的羊皮纸仍在燃烧,并且会冒黑烟,而好些的会立即熄灭。
这体现出其环保而好些的基本闻不出来,差些的羊皮纸燃烧后会闻到少许塑料味道,此外,性差异,这点来说是非常重要的一点;(5)耐高温,抗老化性。
由于质量好的羊皮灯具有良好的阻燃性,非明火不易燃烧,使其具有较好的抗老化性,这正是其长久保新的特性。
(三)亚克力灯进口亚克力有日本“三菱”亚克力板、美国“苹果”亚克力板、德国“罗蒙”亚克力板、国产板材台湾“伸春”亚克力板、台湾“千色”亚克力板、厦门“佑昌”亚克力板。
材料说明以上所列举的亚克力板均通过了国际相关行业质量体系认证,他们在制作工艺和原材料使用上更有所保证,其优点主要表现在:1.板材厚度统一,板面平整、光滑。