电脑开关电源控制器
- 格式:pdf
- 大小:370.06 KB
- 文档页数:7
开关电源PWM控制器芯片设计开关电源是一种能将输入电源电压转换为所需电压的高效稳定电源。
PWM(脉宽调制)控制器芯片是开关电源中的关键部件,用于控制开关管的导通和截止时间,实现对输出电压的精确控制。
PWM控制器芯片设计主要包括以下几个方面:输入电压检测、过压保护、反馈控制、脉宽调制等。
首先,输入电压检测是保证开关电源输出稳定的关键步骤。
设计中需要加入一组电压检测电路,通过对输入电压进行采样和处理,用于后续控制电路的判断和调整。
其次,过压保护是在开关电源输出电压超出一定范围时采取的一种保护措施。
设计中需要加入一个过压保护电路,当设定的阈值被超过时,通过触发保护逻辑,使开关电源进入保护状态,以避免电源元件的损坏。
接着,反馈控制是保证开关电源输出电压稳定的重要环节。
设计中需要加入一个反馈电路,对输出电压进行采样,并与设定的目标值进行比较,通过调节开关管的导通和截止时间,实现对输出电压的精确控制。
最后,脉宽调制是PWM控制器芯片的核心功能。
设计中需要采用一种合适的调制方式,根据反馈电路信号来确定开关管的导通时间和截止时间,以实现对输出电压的精确控制。
常见的调制方式有固定频率脉宽调制(FPWM)和电流模式脉宽调制(CPWM)。
在设计过程中还需要考虑到芯片的功耗、线性度、稳定性等参数。
合理选择元件和搭建稳定可靠的电路,通过仿真和测试验证设计方案的正确性和有效性。
总结起来,开关电源PWM控制器芯片设计涉及多个方面,包括输入电压检测、过压保护、反馈控制、脉宽调制等。
通过合理选择元件和搭建稳定可靠的电路,实现对输出电压的精确控制,从而满足不同应用场景下的需求。
ncp1654应用实例
NCP1654是一种高效率、高功率密度的开关电源控制器。
它能够提供高达500W的输出功率,适用于多种应用场合,如电视、电脑、服务器等。
以下是一些NCP1654的应用实例:
1. 电视背光控制:NCP1654可用于控制液晶电视背光模块,以实现更好的视觉效果和更低的功耗。
2. 电源适配器:NCP1654可以被应用于笔记本电脑、平板电脑以及其他电子设备的电源适配器中。
它能够提供高效率和紧凑型的设计,同时还能够满足功率需求。
3. 服务器电源:NCP1654可以被应用于服务器电源中,以实现高效率和高功率密度的设计。
此外,它还能够提供多种保护功能,如过流保护、过压保护和过温保护等。
4. LED照明:NCP1654可以被应用于LED照明系统中,以实现更高的效率和更长的寿命。
此外,它还能够提供PWM调光功能,以满足不同的照明需求。
总之,NCP1654是一种多功能的开关电源控制器,适用于各种应用场合。
它能够提供高效率、高功率密度和多种保护功能,同时还能够满足不同的设计需求。
- 1 -。
UC3842原理及应用UC3842是一种常见的开关电源控制器芯片,广泛应用于各种电源系统中。
本文将介绍UC3842的工作原理和应用。
一、UC3842的工作原理UC3842是一种基于电流模式控制的开关电源控制器。
它通过对开关管的开关时间进行调节,来控制输出电压的稳定性和负载变化时的响应速度。
UC3842的工作原理可以简单描述为以下几个步骤:1. 参考电压生成:UC3842内部有一个参考电压源,它产生一个稳定的参考电压,用于与反馈电压进行比较。
2. 反馈电压采样:开关电源的输出电压通过一个反馈电路进行采样,然后与参考电压进行比较。
3. 错误放大器:UC3842内部有一个错误放大器,它将反馈电压和参考电压之间的差值放大,并输出一个误差信号。
4. 比较器和SR锁存器:误差信号经过一个比较器,与一个锁存器相连。
如果误差信号大于零,比较器输出高电平,锁存器锁存高电平;反之,输出低电平,锁存器锁存低电平。
5. PWM信号生成:UC3842通过一个PWM模块来生成PWM信号。
PWM信号的占空比由SR锁存器的状态决定,当锁存器输出高电平时,占空比较大;反之,占空比较小。
6. 开关管控制:PWM信号经过一个驱动电路,控制开关管的开关时间。
当PWM信号为高电平时,开关管导通;反之,开关管截止。
通过上述步骤,UC3842能够实现对开关管的精确控制,从而实现输出电压的稳定性和负载变化时的响应速度。
二、UC3842的应用UC3842广泛应用于各种开关电源系统中,包括电视机、电脑、手机充电器等。
下面将介绍几个常见的应用场景。
1. 手机充电器:手机充电器通常采用开关电源设计,以提高能效和减小体积。
UC3842作为控制器芯片,可以实现对开关管的精确控制,从而实现高效率的充电。
2. 电视机:电视机的电源模块通常采用开关电源设计,以提供稳定的电源输出。
UC3842作为控制器芯片,可以实现对开关管的精确控制,从而实现电源的稳定性和响应速度。
一、 概述XY6112为高性能,电流模式PWM 控制器。
内置高压功率管,在AC85-350V的宽电压范围内提供高达12W 的连续输出功率。
高性价比的双极型制作工艺生产的控制芯片,结合高压功率管的一体化封装最大程度上节约了产品的整体成本。
该电源控制器可工作于典型的反激电路拓扑中,构成简洁的AC/DC转换器。
IC内部的启动电路可利用功率开关管本身的放大作用完成启动,很大程度地降低了启动电阻的功率消耗;而在输出功率较小时IC将自动降低工作频率,从而实现了很低的待机功耗;专利的驱动电路使开关管工作于临界饱和状态,提高了系统的工作效率,使系统可以轻松满足“能源之星”关于待机功耗和效率的认证要求。
在实现待机降频的同时限制工作频率进入音频范围,防止音频噪音的产生。
4-12V的工作电压范围提供了轻松的VCC电压设计空间,同时VCC达到12V时芯片内部保护,限制输出功能可防止光耦或反馈电路损坏引起的输出电压过高,IC内部还提供了完善的防过载与防饱和功能,可实时防范过载、变压器饱和、输出短路等异常状况,提高了电源的可靠性。
IC内部还集成了温度保护功能,在系统过热的情况下降低输出功率,或关闭输出。
现可提供DIP8的标准封装和满足ROHS标准。
图1:电路框图二、 特点 满足AC85-350V的输入电压范围的设计要求。
具有待机降频功能,无音频噪音问题,待机功耗可做到0.25W以下 高效的驱动电路,比同类产品效率高4-5%。
和同类产品比芯片发热减小40% 能满足能源之星2.0关于效率和待机功耗的最新要求。
具有温度补偿功能,精确电流控制 低启动电流和低工作电流,4-12V的宽工作压范围。
宽电压连续输出功率可达12W, 峰值输出功率可达15W 过温保护功能(OTP) 过压保护功能(OVP) 可靠性高 可实现无Y电容系统设计极少的外围元器件,整体方案成本低三、 应用范围9小家电(如:电磁炉)9充电器9电源适配器(如通信终端产品) 9DVD/DVB电源电脑,LCD TV待机电源四、 引脚功能描述管脚 符号 管脚定义描述1 OB 功率管基极,启动电流输入,外接启动电阻2 VCC 供电脚3 GND 接地脚4 CT 开关频率设定脚,外接定频电容5 FB 反馈脚6 IS 开关电流取样与限制设定脚,外接电流取样电阻7,8 OC 输出脚,接开关变压器备注:PCB Layout时应将Pin6与Pin7之间保留1mm以上的安全距离,避免产生放电现象。
UC3842芯片设计开关电源中文资料UC3842是一款广泛应用于开关电源设计的PWM(脉冲宽度调制)控制芯片。
它能够实现具有高效率和稳定性的开关电源的设计。
UC3842具有丰富的功能和灵活的设计选项,使其成为非常受欢迎的开关电源控制器。
在本文中,我们将详细介绍UC3842的特性、应用和设计原理。
1.高精度:UC3842通过内部误差放大器和参考电压源提供高精度的电压和电流控制。
2.脉冲宽度调制:UC3842提供可调节的PWM,以实现恒定的输出电压或电流,以及保护和调节功能。
3.全面保护功能:UC3842具有过载保护、过压保护和短路保护功能,以保护开关电源和负载。
4.宽输入电压范围:UC3842可在广泛的输入电压范围内工作,以适应不同的应用环境。
5.多种封装类型:UC3842提供多种封装类型(如DIP和SOP),以满足不同产品的设计需求。
1.开关电源:UC3842可以广泛应用于开关电源,如电视机、电脑、通信设备等。
2.电气设备:UC3842可以用于控制和保护电气设备,如电动机、变压器、变频器等。
3.照明系统:UC3842适用于各种照明系统,如LED照明、荧光灯、卤素灯等。
4.汽车电子:UC3842可以用于汽车电子,如汽车发电机、点火器、电子控制单元等。
1.输入电压:UC3842的输入电压为直流电压,通常取自电源电压。
2.参考电压:UC3842内置了一个参考电压源,用于设定输出电压的参考值。
3.比较器:UC3842通过比较器将输出电压与参考电压进行比较,以确定PWM的占空比。
4.控制信号:根据比较结果,UC3842产生PWM信号控制开关管的导通时间,以调节输出电压或电流。
5.输出电压:UC3842将调节后的PWM信号通过开关管和输出电感传递到负载,实现对负载的电压或电流控制。
1.设定输出要求:确定目标输出电压或电流,并选择合适的开关电源拓扑结构和电感、电容等元件。
2.确定输入参数:确定输入电压范围、功率因数和效率要求,并选择合适的电源电压和电源电流。
l494开关电源原理L494是一款常用的开关电源控制芯片,被广泛应用于各种电子设备中。
本文将详细介绍L494开关电源的原理和工作机制。
一、L494开关电源的基本原理L494开关电源是一种基于PWM(脉宽调制)技术的开关电源控制器。
其主要工作原理是通过开关管的通断控制,调节输入电压的占空比,从而实现对输出电压的稳定调节。
L494芯片内部集成了许多控制逻辑电路,可以实现输入电压的采样、误差放大、PWM比较和控制等功能。
二、L494开关电源的工作机制1. 输入电压采样与误差放大:L494通过内部电阻分压,将输入电压进行采样,并放大到合适的电平。
通过比较采样电压与参考电压,可以得到输入电压与输出电压之间的误差信号。
2. PWM比较与控制:L494将误差信号与一个内部生成的锯齿波进行比较,得到PWM的控制信号。
根据误差信号的大小和方向,控制PWM的占空比,进而调节开关管的通断时间,从而控制输出电压的稳定。
3. 输出滤波与稳压:L494通过输出滤波电路对PWM输出信号进行滤波处理,得到稳定的直流输出电压。
输出滤波电路通常由电感和电容组成,可以有效地去除PWM信号中的高频成分,使输出电压更加平稳。
三、L494开关电源的优点1. 高效节能:L494采用了PWM技术,可以高效地将输入电压转换为稳定的输出电压。
相比于传统的线性稳压器,开关电源具有更高的转换效率,能够节省能源并减少发热量。
2. 可调性强:L494芯片内部集成了许多控制逻辑电路,可以通过外部元件的调整来实现对输出电压的精确调节。
这使得开关电源适用于各种应用场景,如电子设备、通信设备、工业控制等。
3. 抗干扰能力强:L494开关电源在设计中考虑了抗干扰的特性,通过合理的电路布局和滤波措施,可以有效抑制输入电压的干扰,提供稳定可靠的输出电压。
四、L494开关电源的应用领域1. 电子设备:L494开关电源广泛应用于各种电子设备中,如电视机、音响、电脑等。
由于其高效节能、可调性强的特点,可以为电子设备提供稳定可靠的电源。
viper22a简介viper22a是一款离线开关电源供电控制器,适用于低功耗应用,满足家用电器、电池充电器以及各种消费电子产品的需求。
主要特性•供电电压范围广,可适应多种应用•高效率,节能环保•内置短路保护和过压保护功能•低工作温度,可靠性高•小型封装,适合密集布局架构和工作原理viper22a采用离线开关模式,通过内部的高压MOSFET开关器件实现高效转换。
以下是viper22a的主要架构和工作原理:viper22a架构viper22a架构在正常工作模式下,输入电压通过整流桥整流后,被输入滤波电容进行滤波。
然后,经过桥式整流电路后的直流电压转换成高频脉冲,由高压MOSFET开关器件控制,经过变压器耦合到输出绕组。
viper22a的工作频率可通过外部元器件进行调节,以适应特定应用的要求。
高频脉冲经过二次侧绕组后,通过输出整流电路得到所需的输出电压。
viper22a还内置了短路保护和过压保护功能,当负载发生短路或输出电压超过设定阈值时,控制器会自动切断MOSFET 开关,以保护电路和负载。
优势和应用领域viper22a相比传统的线性稳压器具有以下优势:1.高效:viper22a采用了离线开关模式,功率转换效率大大提高,可以达到90%以上,节能环保。
2.适应性强:供电电压范围宽,可适应不同的电源输入。
3.温度低:viper22a采用了低工作温度的设计,可以在较高环境温度下工作,适用于各种工况。
4.保护功能:viper22a内置了短路保护和过压保护功能,可以有效保护电路和负载。
基于以上特点,viper22a广泛应用于以下领域:•家用电器:包括电视机、空调、冰箱等家电产品。
•电子产品:如手机充电器、电脑电源等。
•工业控制系统:例如自动化设备、电机驱动等。
总结viper22a是一款高效、适应性强且可靠的离线开关电源供电控制器。
其小型封装使其适用于紧凑的电路布局,广泛应用于家用电器、电子产品以及工业控制系统等领域。
CG8010DX 电脑开关电源控制器概述:CG8010是应用于开关电源方面的有完整保护功能的PWM(脉宽调制)控制电路,主要用于台式PC(个人电脑)的开关电源部分。
CG8010包括如下不同的功能: 过压保护﹑欠压保护﹑电源正常输出(PGO)﹑远程开/关控制等。
只需少量外接器件就可以实现个人电脑的开关电源部分所有功能。
特性:● 完整的PWM控制和保护功能● 3.3V/5V/12V/PT 过压保护● 3.3V/5V/12V 欠压保护● 280ms 电源正常输出 延时● PG开漏输出● PWM开漏输出● 280ms 欠压保护延时● 远程开/关控制● 软启动功能● DIP16封装管脚图:(DIP16)脚位说明:脚位名称类型功能1 V33 输入 3.3V过压、欠压检测输入2 V5 输入 5V过压、欠压检测输入3 V12 输入 12V过压、欠压检测输入4 PT 输入额外的过压保护输入5 GND 电源地6 RT 输出通过外接电阻(120KΩ)实现振荡频率7 C1 输出 PWM 开漏输出18 C2 输出 PWM 开漏输出29 REM 输入远程开/关机输入REM为低电平,表示开关电源开机;REM为高电平,表示开关电源关机。
10 SS 输出通过外接电容实现软启动11 PG 输出电源正常信号(POWER GOOD)输出当PG为高电平时,电源正常(漏极开路);当PG为低电平时,电源不正常(漏极开路)。
12 DET 输入额外的保护输入端13 VCC 电源电源14 OPOUT 输出误差放大器的输出端15 OPNEGIN 输入误差放大器的反向输入端16 VADJ 输入误差放大器的正向输入端内部框图:极限值:(VCC=5.5V)符 号 参 数 极限值 单 位VCC管脚13的直流输入电压 5.5 VVcc1,Vcc2 管脚C1,C2的输出电压 5.5 VIcc1,Icc2 管脚C1,C2的输出电流 200 mAPD 功耗 200 mWTopr 工作的环境温度 -10~+70 ℃Tstg 储存温度 -65~+150 ℃推荐值:符 号 参 数 推荐值 单 位VCC管脚13的直流输入电压 5.0 VVcc1,Vcc2 管脚C1,C2的输出电压 5.0 VTopr 工作的环境温度 -10~+70 ℃电特性:(VCC=5V,TA=25℃)特性 符号测试条件最小典型最大 单位误差运放部分闭环电压增益 0.5V~3.5V 65 dB单位增益带宽 0dB 320 KHZOPNEG的偏置电压OPNEG悬空 2.38 2.44 2.52 VC1,C2输出部分输出饱和电压Vdssat Id=200mA 1.1 1.3 V漏极关断电流Idoff Vcc=Vd=Vs=0 2 10 uA上升时间 Tr OPNEG悬空 100 200 ns下降时间 Tf 50 200 ns保护部分V33 4.1 V4.3 4.5过压保护(OVP)66VV5 .2 .4 6.8V1.5 .6 5.72 55VPT 1.25 1.30 1.36V欠压保护(UVP)8V33 1.78 1.98 2.1VV5 2.70 3.00 3.30VV1 2.11 2.37 2.632 V8欠压关断电压 PT 0.55 0.62 0.6V280500欠压保护延时 Td.uvp 100 ms 控制开/关部分REM输入高电平 Vremh 2 VREM输入低电平 Vreml 0.8 VREM上拉高电平 Vremo 5 VREM延迟时间 Trem 30 36 42 msREM关断延迟时间Toff 3.5 4.5 5.5 ms电源正常(PG)部分检测输入电压 Vdet 0.55 0.62 0.68 VPG上拉电阻 Rpup.pg 5 KΩPG输出负载电阻Rpg 0.5 1 2 KΩPG延迟时间 150 280 350 ms输出饱和电压 Vsat.pg Ipg=10mA 0.0280.2 0.4 V软启动部分SS沉电流 Iss.sink 13 uASS源电流 Iss.source Ipg=10mA 700 uA晶振部分晶振频率 Fosc RT=120 KΩ50 70 KHZ应用笔记:1.输入阻抗管脚编号管脚名称输入阻抗1 V33 47KΩ2 V5 73KΩ3 V12 47KΩ4 PT 24KΩ + 4.6KΩ2.锯齿波电路功能:3.控制开/关4.欠压保护延迟时间:5.脉宽调制模块:内部参考电压与外部的电阻RT产生的电流对内部的电容进行充放电可以产生锯齿波,锯齿波与反馈电压比较可产生脉宽调制输出。
采用NCP1351控制器实现开关电源电路的设计-设计应用由于拥有较高的效率和较高的功率密度,开关电源在现代电子系统中的使用越来越普及。
特别是随着控制芯片的应用,开关电源的电路设计得到了极大的简化,往往只需要在脉宽调制(PWM)控制芯片的基础上再加一些外围器件即可组成开关电源,这更加促进了开关电源的设计和发展。
从种类来看,开关电源主要包括交流-直流(AC-DC)转换器和直流-直流(DC-DC)转换器两大类型。
前者是将输入为50/60Hz的交流电经过整流、滤波等步骤将其转换为直流电压,后者广泛用于对系统中的直流电源进行转换和分配。
根据拓扑结构的不同,DC-DC转换器包括降压(Buck)、升压(Boost)、降压-升压(Buck-Boost)、反激(Flyback)、正激(Forward)、推挽(Push-Pull)、半桥(HB)和全桥(FB)等不同类型。
不同类型DC-DC转换器的特点各不相同,并且往往有着不同的适用领域。
例如,降压、升压和降压-升压转换器非常适合于无需电气隔离的低压控制应用,而反激式转换器则非常适合多输出、高电压的电源应用,这些应用中使用的离线式开关电源工作在110V/220V主电源,并通过使用变压器来取代滤波电感从而实现电气隔离。
对于离线式开关电源而言,低成本是它的一个重要目标。
对于其中所用的PWM控制器而言,设计人员可以选择不同的架构,如固定频率(FF)和准谐振(QR)等。
对于前者而言,它的开关频率固定,其轻载能效和满载能效都处于正常范围,工作模式方面可以是连续导电模式(CCM)或非连续导电模式(DCM)。
对于后者而言,它的开关频率可变,其满载能效,但在轻载时则由于谷底跳变问题(噪声),它的工作模式是边界导电模式(BCM,亦称临界导电模式,CRM)。
在变压器尺寸方面,固定开关频率架构属于正常,而准谐振架构则较大;但准谐振架构的电磁干扰较小,而固定开关频率架构则较大。
对于这两种架构而言,都面临着相同的问题,就是必须提升在更宽输入负载范围下的能效,并改善待机能效。
494开关电源原理与维修引言:494开关电源是一种常见的开关电源控制器,在各种电子设备中广泛应用。
它具有稳定的输出电压、高效率、小体积等优点,被广泛认可和采用。
本文将介绍494开关电源的工作原理以及维修常见问题及解决方法。
一、494开关电源的工作原理1. 输入电压整流滤波:AC电源经过整流电路变为直流电压,然后通过滤波电路去除直流电压中的纹波。
2. PFC电路:功率因数校正电路(PFC)的作用是将输入电流和输入电压进行匹配,提高电源的效率,减少对电网的污染。
3. 494控制器:494控制器是开关电源的核心部件,它通过对输入电压和输出电压的反馈进行比较,控制开关管的导通和截止,从而稳定输出电压。
4. 驱动电路:驱动电路负责控制开关管的导通和截止,通过控制开关管的开关频率和占空比,实现对输出电压的调节。
5. 输出滤波电路:输出滤波电路主要由电感和电容组成,用于滤除开关电源输出的高频纹波,使输出电压更加稳定。
二、494开关电源的维修常见问题及解决方法1. 输出电压不稳定:可能是由于输入电压波动、输出电容老化或者反馈电路故障所致。
解决方法是检查输入电压是否稳定,更换老化的输出电容,检查并修复反馈电路故障。
2. 输出电压过大或过小:可能是由于反馈电路故障、驱动电路故障或者输出电容故障所致。
解决方法是检查并修复反馈电路故障,更换故障的驱动电路元件,更换损坏的输出电容。
3. 开关管发热严重:可能是由于开关管工作在过大的负载下、散热不良或者开关管老化所致。
解决方法是检查负载是否过大,增加散热装置,更换老化的开关管。
4. 整流电路故障:可能是由于整流二极管损坏所致。
解决方法是更换故障的整流二极管。
5. 交流滤波电路故障:可能是由于滤波电容老化或损坏所致。
解决方法是更换老化或损坏的滤波电容。
6. PFC电路故障:可能是由于PFC电路元件老化或损坏所致。
解决方法是更换故障的PFC电路元件。
结论:494开关电源是一种常见且可靠的电源控制器,其工作原理是通过控制开关管的导通和截止来稳定输出电压。
UC3842中文资料简介UC3842是一款广泛应用于开关电源控制器的集成电路。
它采用PWM(脉冲宽度调制)技术,通过控制开关管的导通和关断时间来控制输出电压。
UC3842具有高效率、稳定性好、可靠性高的特点,被广泛应用于各种类型的开关电源设计中。
功能特点•提供电压反馈回路控制功能,确保输出电压稳定;•集成了过载保护功能,可保护电路免受过大电流的损害;•支持上电软启动功能,以减少开关电源启动时的电流冲击;•支持电流限制功能,可确保输出电流不超过额定值;•支持频率调节功能,可根据需要调整开关频率;•支持自动关断功能,以降低功耗和热损耗。
电气参数UC3842的电气参数如下:•输入电压范围:3V至30V;•输出电压范围:0.1V至29.5V;•最大输出电流:1A;•工作温度范围:-40°C至125°C;•输出电压精度:±1%;•频率范围:50kHz至500kHz。
引脚功能UC3842的引脚功能如下:•VIN:输入电压;•GND:地;•FB:电压反馈;•COMP:比较器输入;•CS:电流限制;•RT/CT:外部频率调节;•VREF:参考电压;•OUT:开关输出。
应用领域由于UC3842具有高性能和多功能特点,使其在许多领域中得到广泛应用,包括:1.电源供应器:UC3842可用于设计各种类型的开关电源供应器,包括电视机、电脑、手机等的电源适配器;2.LED驱动器:UC3842可用于设计LED驱动器,使LED的亮度和稳定性得到有效控制;3.电动机控制器:UC3842可用于设计电动机控制器,使电动机的运行更加平稳;4.太阳能控制器:UC3842可用于设计太阳能控制器,提高太阳能的利用效率。
设计注意事项在设计中,需要注意以下几点:1.输入电压范围应在规定的3V至30V之间,超过此范围可能导致芯片损坏;2.输出电压和电流应在规定范围内,以确保正常工作;3.对于不同应用场景,频率和功率等参数需要根据具体情况进行调整;4.在使用过程中,应注意散热问题,避免芯片过热。
XY6112 XY6112P XY6112C的互换与维修高性价比离线式开关电源控制器-XY6112 XY6112P XY6112C为高性能,电流模式PWM控制器。
内置高压功率管,在AC85-350V的宽电压范围内提供高达12W的连续输出功率。
特点a)满足AC85-350V的输入电压范围的设计要求。
b)具有待机降频功能,无音频噪音问题,待机功耗可做到0.25W以下c)高效的驱动电路,比同类产品效率高4-5%。
d)和同类产品比芯片发热减小40%e)能满足能源之星2.0关于效率和待机功耗的最新要求。
f)具有温度补偿功能,精确电流控制g)低启动电流和低工作电流,4-12V的宽工作压范围。
h)宽电压连续输出功率可达12W, 峰值输出功率可达15Wi)过温保护功能(OTP)j)过压保护功能(OVP)k)可靠性高l)可实现无Y电容系统设计m)极少的外围元器件,整体方案成本低该器件通过改变极少数的元件就可以方便的进行互换,方便维修。
从XY6112 XY6112P XY6112C 的引脚功能图可以看出,除XY6112有开关频率外接电容外,XY6112P XY6112C 都取消了频率设定电容,XY6112P 6脚为空脚,4脚改外接电流取样电阻,XY6112C 4脚为空,6脚改外接电流取样电阻。
详见下面:XY6112 XY6112P XY6112C引脚功能描述、芯片脚位图开关电源控制器-XY6112引脚功能描述备注:PCBLayout时应将Pin6与Pin7之间保留1mm以上的安全距离,避免产生放电现象。
PISCT图2:芯片脚位图开关电源控制器-XY6112P引脚功能描述备注:PCBLayout时应将Pin6与Pin7之间保留1mm以上的安全距离,避免产生放电现象。
PIS图2:芯片脚位图开关电源控制器-XY6112C引脚功能描述备注:PCBLayout时应将Pin6与Pin7之间保留1mm以上的安全距离,避免产生放电现象。
LM5021开关电源控制器简介
LM5021 开关电源控制器是一款大范围(85-265V)高压输人开关电源控制器。
内含软启动电路、振荡电路、软驱动电路、最大占空比限制(80%)电路、轻载比较器、过流比较器、重载监测过负载工作模式切换电路。
图I 是内部电路框图。
LM5021 采用SOP-8 或DIP-8 两种封装。
附表是LM5021 的引脚功能。
需说明的是,从外部输人时钟信号时,其时钟信号电压的幅值要大于3.8V,此时⑦脚外接电阻去掉。
LM5021 的输出电压由开关变压器次级绕组匝数及输出端对地所接分压器和基准电压设定所决定。
其额定输出功率为24W,负载调整率为±120mV。
图2 是用它构成的一款12V 便携式充电器电路。
tips:感谢大家的阅读,本文由我司收集整编。
仅供参阅!。
Poweric电源管理Power IC(Integrated Circuit)是一种集成电路,主要用于电源管理。
它可以管理和控制电源的供应、转换和传输,以确保电子设备的正常运行。
Power IC在现代电子设备中起着重要的作用,本文将详细介绍Power IC的工作原理、分类和应用领域。
首先,让我们了解Power IC的工作原理。
Power IC主要由开关电源控制器和一些附加功能组成。
开关电源控制器负责将输入电源的直流电压转换为所需的电压级别,同时提供电流控制和保护功能。
附加功能可以根据需要提供电源监测、故障检测、过压保护、过流保护等功能。
Power IC 可以根据不同的工作情况和需求,自动调整电源输出,以保持稳定的电压和电流。
线性稳压器是最简单、最常见的Power IC类型。
它通过消耗多余电压来生成所需的电压级别。
线性稳压器的优点是成本低、噪音小,适用于一些对噪音敏感的应用,例如音频放大器和精密仪器。
开关稳压器是一种通过开关电源控制器将输入电压转换为所需电压的Power IC类型。
开关稳压器的优点是效率高、体积小、重量轻。
它适用于需要高效能电源的应用,例如电脑、手机和无线通信设备。
混合稳压器结合了线性稳压器和开关稳压器的优点。
它具有高效能和低噪音的特点,适用于一些对功耗和噪音都有严格要求的应用,例如工业自动化和医疗设备。
在汽车电子领域,Power IC被用于汽车电源管理系统,例如发动机控制单元和电池管理系统。
它可以确保汽车电子设备的正常运行,并提供高效能和可靠性。
在工业控制领域,Power IC被广泛用于PLC(可编程逻辑控制器)、变频器和伺服驱动器等设备中。
它可以提供高效能的电源管理,保证设备的稳定和可靠运行。
总之,Power IC是一种关键的电源管理器件,它可以将输入电压转换为所需要的电压级别,并提供电流控制和保护功能。
Power IC有不同的类型和应用领域,包括消费电子、汽车电子和工业控制等。
电脑ATX开关电源工作原理与维修技巧一、工作原理ATX电源是电脑中常见的一种开关电源,其主要功能是将交流电转换为直流电提供给电脑使用,同时还能为电脑提供一定的保护功能。
ATX电源的电路主要由输入滤波、PWM控制器、变压器、输出整流滤波等部分组成。
用户将交流电连接到电源的输入端口,电源对该电压进行滤波和整流,然后将动态变化的直流电转换为需要的电压。
处理完这些步骤后,ATX电源通过IDE 和CPU的连接口向电脑提供直流电。
二、维修技巧ATX电源在工作中经常会出现一些故障,比如电源开不了、电源释放的蜂鸣声等。
下面是一些常见的维修技巧:1. 接触不良有时电源无法正常开启的原因是接触松动。
此时,需要检查电源与连接电缆之间的接触情况。
可能需要拆开电源,清除接触处的灰尘、腐蚀物,并确保金属部件间有充分的接触。
2. 故障元件电源的故障元件很少,其中最常见的是变压器和电容。
如果在检查接触不良后没有发现问题,则需要拆开电源检查电容器和变压器是否出现短路或损坏现象。
如果出现了这些问题,需要更换故障元件。
3. 清洁维护ATX电源的内部很容易收集灰尘,这可能会导致散热效果不佳。
因此,需要经常用吸尘器或者零尘布进行清洁维护,以保证电源正常工作。
4. 鉴定电源工作状态当电源发生故障时,需要进行分析诊断。
比如有些电源的状态显示器可以通过颜色变化或灯光来标示电源的状态。
所以需要对电源的指示灯状态进行鉴定,以及排除可能的错误。
三、如何安全地维修电源当维修电源时,需要采取一些安全措施,以防止电源的高电压对用户造成损伤。
下面是一些值得注意的地方:1. 关闭电源在拆解电源之前,需要确保电源已经完全关闭,以避免因为误操作而受伤。
2. 避免静电静电可能会损坏电源中的电路件,因此需要穿戴相应的防静电设备,同时也要保持工作区域的干燥,减少静电产生。
3. 注意高高压电容器当要处理电源中的电容器时,需要特别小心。
在处理时,需要先通过一个电阻将电容器引线连接在同一个地方,然后才能进行操作。
CG8010DX 电脑开关电源控制器
概述:
CG8010是应用于开关电源方面的有完整保护功能的PWM(脉宽调制)控制电路,主要用于台式PC(个人电脑)的开关电源部分。
CG8010包括如下不同的功能: 过压保护﹑欠压保护﹑电源正常输出(PGO)﹑远程开/关控制等。
只需少量外接器件就可以实现个人电脑的开关电源部分所有功能。
特性:
● 完整的PWM控制和保护功能
● 3.3V/5V/12V/PT 过压保护
● 3.3V/5V/12V 欠压保护
● 280ms 电源正常输出 延时
● PG开漏输出
● PWM开漏输出
● 280ms 欠压保护延时
● 远程开/关控制
● 软启动功能
● DIP16封装
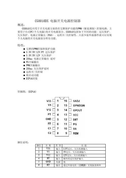
管脚图:(DIP16)
脚位说明:
脚位名称类型功能
1 V33 输入 3.3V过压、欠压检测输入
2 V5 输入 5V过压、欠压检测输入
3 V12 输入 12V过压、欠压检测输入
4 PT 输入额外的过压保护输入
5 GND 电源地
6 RT 输出通过外接电阻(120KΩ)实现振荡频率
7 C1 输出 PWM 开漏输出1
8 C2 输出 PWM 开漏输出2
9 REM 输入远程开/关机输入
REM为低电平,表示开关电源开机;
REM为高电平,表示开关电源关机。
10 SS 输出通过外接电容实现软启动
11 PG 输出电源正常信号(POWER GOOD)输出
当PG为高电平时,电源正常(漏极开路);
当PG为低电平时,电源不正常(漏极开路)。
12 DET 输入额外的保护输入端
13 VCC 电源电源
14 OPOUT 输出误差放大器的输出端
15 OPNEGIN 输入误差放大器的反向输入端
16 VADJ 输入误差放大器的正向输入端
内部框图:
极限值:(VCC=5.5V)
符 号 参 数 极限值 单 位
VCC管脚13的直流输入电压 5.5 V
Vcc1,Vcc2 管脚C1,C2的输出电压 5.5 V
Icc1,Icc2 管脚C1,C2的输出电流 200 mA
PD 功耗 200 mW
Topr 工作的环境温度 -10~+70 ℃
Tstg 储存温度 -65~+150 ℃
推荐值:
符 号 参 数 推荐值 单 位
VCC管脚13的直流输入电压 5.0 V
Vcc1,Vcc2 管脚C1,C2的输出电压 5.0 V
Topr 工作的环境温度 -10~+70 ℃
电特性:(VCC=5V,TA=25℃)
特性 符号测试条件最小典型最大 单位
误差运放部分
闭环电压增益 0.5V~3.5V 65 dB
单位增益带宽 0dB 320 KHZ
OPNEG的偏置电压OPNEG悬空 2.38 2.44 2.52 V
C1,C2输出部分
输出饱和电压Vdssat Id=200mA 1.1 1.3 V
漏极关断电流Idoff Vcc=Vd=Vs=0 2 10 uA
上升时间 Tr OPNEG悬空 100 200 ns
下降时间 Tf 50 200 ns
保护部分
V33 4.1 V
4.3 4.5
过压保护(OVP)
66V
V5 .2 .4 6.8
V1.5 .6 5.7
2 55V
PT 1.25 1.30 1.36
V
欠压保护(UVP)
8
V33 1.78 1.98 2.1V
V5 2.70 3.00 3.30
V
V1 2.11 2.37 2.63
2 V
8
欠压关断电压 PT 0.55 0.62 0.6V
280500
欠压保护延时 Td.uvp 100 ms 控制开/关部分
REM输入高电平 Vremh 2 V
REM输入低电平 Vreml 0.8 V
REM上拉高电平 Vremo 5 V
REM延迟时间 Trem 30 36 42 ms
REM关断延迟时间Toff 3.5 4.5 5.5 ms
电源正常(PG)部分
检测输入电压 Vdet 0.55 0.62 0.68 V
PG上拉电阻 Rpup.pg 5 KΩ
PG输出负载电阻Rpg 0.5 1 2 KΩPG延迟时间 150 280 350 ms
输出饱和电压 Vsat.pg Ipg=10mA 0.0280.2 0.4 V
软启动部分
SS沉电流 Iss.sink 13 uA
SS源电流 Iss.source Ipg=10mA 700 uA
晶振部分
晶振频率 Fosc RT=120 KΩ50 70 KHZ
应用笔记:
1.输入阻抗
管脚编号管脚名称输入阻抗
1 V33 47KΩ
2 V5 73KΩ
3 V12 47KΩ
4 PT 24KΩ + 4.6KΩ
2.锯齿波电路功能:
3.控制开/关
4.欠压保护延迟时间:
5.脉宽调制模块:
内部参考电压与外部的电阻RT产生的电流对内部的电容进行充放电可以产生
锯齿波,锯齿波与反馈电压比较可产生脉宽调制输出。
增加反馈控制信号的幅度可以线性减小输出脉宽,同时,SS也可以限制输出脉宽。
时序图如下:
6.PT的功能:
PT信号是用来实现额外的过压保护(OVP)(Vpt 〉 1.25V)或者实现关断欠
压保护(VUP)功能(Vpt 〈 0.63V)。
7.应用参考电路:
8.在一些电源系统的应用中,在管脚REM处加一个R9电阻可以避免外部噪声对REM 的破坏。
封装尺寸:
DIP16
注:图中尺寸单位是英寸(毫米)。