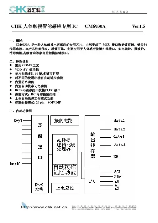
触摸芯片说明书
- 格式:doc
- 大小:1.11 MB
- 文档页数:10
销售部2:TEL:130****8198,QQ:2881651176投诉与建议:134****1600数据手册DATASHEETAPS0146A(CMOS同步模式直接输出) 6通道触摸感应芯片IC(Rev:1.0)销售部2:TEL:130****8198,QQ:2881651176投诉与建议:134****1600一、产品概述APS0146是为实现人体触摸界面而设计的一款电容式触摸控制ASIC芯片,可替代机械式轻触按键,实现防水防尘、密封隔离、坚固美观的操作界面。
支持6通道触摸输入一对一CMOS同步模式直接输出,多键同步模式,算法带有自补偿功能。
具有低功耗、高抗干扰、宽工作电压范围、高穿透力的突出优势。
二、主要特性1、工作电压范围:2.0~5.5V。
2、待机功耗低, 待机电流:15uA@VDD=5V & CMOD=22nF。
3、按键响应时间:小于100ms。
4、上电0.5秒快速初始化。
环境自适应功能,可快速应对先上电后覆盖介质、触摸上电等应用场景。
5、HBM ESD:±4KV以上。
6、6通道触摸输入一对一CMOS同步模式直接输出。
7、算法可自补偿修正触摸通道差异或走线长短不一致情况,使每路通道灵敏度保持一致。
8、内置稳压源、上电复位(POR)、低压复位(LVR)。
9、内置实时环境自适应算法,可随环境的温度变化调整参考值,确保按键判断正常工作。
10、内置高效数字滤波算法措施,抗电源纹波能力强,对电源纹波的干扰有很好的耐受能力,可靠性高,不影响芯片正常工作,不误动作。
11、抗大功率RF发射设备、对讲机干扰能力强,近距离、多角度干扰情况下触摸响应灵敏度及可靠性不受影响。
12、高灵敏度,用户可自行调节, CMOD脚的外接电容Cm为灵敏度调节电容,电容越大灵敏度越高。
13、按键感应盘材料:PCB铜箔,金属片,平顶锥形弹簧,导电橡胶,导电玻璃的ITO层等。
14、面板厚度:0~12mm,根据不同的面板材质有所不同。
电容式触摸感应检测按键是近年来迅速发展起来的一种新型按键。
它可以穿透绝缘材料外壳(玻璃、塑料等),它没有传统金属触摸人体直接接触金属片而带来的安全隐患,也没有传统轻触按键的机械触点寿命缺陷。
电容式感应按键做出来的产品防水,防尘,可靠耐用,美观时尚,便于生产安装以及维护。
原理触控焊盘自身存在一个分布电容。
当手指或者其它物体接近触控焊盘时,触控焊盘周围的环境(地)改变,导致其分布电容发生变化。
这种变化由触控芯片内部的专用电路转换成频率信号后,交给芯片内部软件处理,而后作出相应的控制动作。
特征1> 最多支持8 通道触摸按键2> 输出可选择为IIC 或者一对一接口(1 脚选择)3> 一对一接口下灵敏度端口电容细调,外部电阻6 级粗调,IIC 下内部寄存器设置,4> 端口内部集成电阻,可省略串入电阻5> 单多按键模式,长短按时间内部寄存器可设置6> 上电0.5S 快速初始化7> 可过电流注入10V、电子群脉冲4KV、静电15KV(非接触)测试8> 防尘、防水、环境改变自动校准应用:广泛应用于油烟机,热水器,面包机,豆浆机,电磁炉等小家电上。
管脚定义及说明管脚图管脚说明电气特性极限参数供电电压.....................................V SS -0.3V~V SS +6.0V端口输入电压.................................V SS -0.3V~V DD +0.3V存储温度................................................-50˚C~125˚C工作温度.................................................-40˚C~85˚CIOL总电流......................................................80mAIOH总电流......................................................80mA总功耗........................................................500mW 注:这里只强调额定功率,超过极限参数所规定的范围将对芯片造成损害,无法预期芯片在上述标示范围外的工作状态,而且若长期在标示范围外的条件下工作,可能影响芯片的可靠性。
CHIPHOMER TECHNOLOGY (SHANGHAI) LIMITEDCPT2610 数据手册单/双通道电容性触摸检测芯片September 2019目录CPT2610 数据手册 (1)目录 (2)图目录 (3)1概述 (4)2引脚 (5)2.1引脚排列 (5)2.2引脚说明 (6)3典型应用 (7)3.1双通道典型应用图 (7)3.2单通道典型应用图 (7)4功能描述 (8)4.1按键状态 (8)4.1.1按键输出有效电平选择 (8)4.1.2CPT2610SP8、CPT2610DN8 按键状态获取 (8)4.1.3CPT2610ST6、CPT2610DN6 按键状态获取 (8)4.2按键扫描模式 (8)4.3长时按键触发解除功能 (8)5电气特性 (9)6封装 (10)6.1SOP8L (10)6.2DFN2X2-8L (11)6.3SOT23-6L (12)6.4DFN1.6X1.6-6L (13)7订货信息 (14)8版本信息 (15)图目录图1CPT2610 SOP8L 引脚排列图 (5)图2CPT2610 SOT23-6L引脚排列图 (5)图3CPT2610 DFN1.6X1.6-6L引脚排列图 (5)图4CPT2610 DFN2X2-8L引脚排列图 (5)图5双通道触摸典型应用图 (7)图6单通道触摸典型应用图 (7)图7SOP8L封装尺寸图 (10)图8DFN2X2-8L封装尺寸图 (11)图9SOT23-6L封装尺寸图 (12)图10DFN1.6X1.6-6L封装尺寸图 (13)1 概述CPT2610是一款低功耗双通道/单通道电容检测芯片,具有高效的RF噪音抑制功能,能够准确识别手指触摸引起的微小电容变化,适用于用触摸按键替代机械按键等应用场合;具有实时的自校准和基线跟踪算法,能有效避免因环境因素变化而引起按键误触等情况;支持输出有效电平选择,以满足不同系统平台及应用的要求。
规格说明书SGL8022S两通道触摸开关控制芯片版本1.3希格玛保留不预先通知而修改此文件的权利。
目录1.概述 (3)2.特性 (3)3.封装及引脚说明 (4)4.封装尺寸图 (5)5.应用电路图 (6)6.电气参数 (7)7.BOM表 (7)8.修改记录 (8)1. 概述SGL8022S是一款两触摸通道带两个逻辑控制输出的电容式触摸芯片。
具有如下功能特点和优势: 可通过触摸实现各种逻辑开关控制。
操作简单、方便实用。
可在有介质(如玻璃、亚克力、塑料、陶瓷等)隔离保护的情况下实现触摸功能,安全性高。
应用电压范围宽,可在2.4~5.5V之间任意选择。
应用电路简单,外围器件少,加工方便,成本低。
抗电源干扰及手机干扰特性好。
EFT可以达到±2KV以上;近距离、多角度手机干扰情况下,触摸响应灵敏度及可靠性不受影响。
2. 特性LO1与LO2在上电后的初始输出状态由上电前OSC的输入状态决定。
OSC管脚接VDD(高电平)上电,上电后LO1与LO2输出高电平;OSC管脚接GND(低电平)上电,上电后LO1与LO2输出低电平。
TI1触摸输入对应LO1逻辑输出,TI2触摸输入对应LO2逻辑输出。
每一次触摸TI1或TI2,对应LO1或LO2的输出状态翻转一次。
如此循环。
3. 封装及引脚说明DIP8SOP8管脚序号 管脚名称 输入/输出 功能描述1 OSC 输入选项输入脚2 VC 输入采样电容接入脚3 VDD 电源电源正4 GND 电源电源负5 TI1 输入触摸输入6 TI2 输入触摸输入7 LO1 输出控制输出8 LO2 输出控制输出4. 封装尺寸图DIP8SOP85. 应用电路图6. 电气参数参数典型值单位工作电压 3.0 V工作电流60 uA待机电流8 uA输入高电平(2/3)VDD V输入低电平(1/3)VDD V 输出高电平电流7 mA输出低电平电流10 mA 工作温度-20~70 ℃存储温度-50~100 ℃7. BOM表器件标示器件名称器件参数R2 碳膜电阻2KΩ/0.25WR3 碳膜电阻2KΩ/0.25WR4 碳膜电阻150KΩ/0.25WR5 碳膜电阻470KΩ/0.25WR6 碳膜电阻 4.7KΩ/0.25WR7 碳膜电阻2KΩ/0.25WRm 碳膜电阻视应用情况而定Rn 碳膜电阻视应用情况而定C1 瓷片电容0.1uF/25VC2 电解电容100uF/25VC3 瓷片电容0.01uF/25VC4 瓷片电容0.0047uF/25VC5 瓷片电容0.00047uF/2KVC6 瓷片电容0.00047uF/2KVQ1 NPN三极管8050Q2 NPN三极管8050D1 稳压二极管 5.1V/1WDm 发光二极管LEDDn 发光二极管LED8. 修改记录版本更新日期更新内容修改人确认人V1.0 2008-12-18 原始版本Apple branden V1.1 2009-3-11 修改Q1,Q2的值Apple branden V1.2 2009-4-17 修改特性描述、应用电路及BOM表Apple branden V1.3 2009-9-17 修改特性描述、应用电路、电气参数及BOM表Apple branden。
目录1.产品概述 (2)2.主要特性 (2)3.系统框图 (2)4.封装及引脚说明 (3)5.功能描述 (5)5.1输出模式和选项脚位 (5)5.2按键最长输出时间 (5)5.3低功耗模式 (5)5.4灵敏度调整 (5)6.应用电路 (6)7.电气特性 (7)7.1电气特性极限参数 (7)7.2直流特性 (7)8.封装信息 (8)8.1SOT23-6封装 (8)8.2DFN2x2-6L封装尺寸 (9)8.3DFN2x2-6L编带信息 (10)8.4DFN1x1-4L封装尺寸 (11)8.5DFN1x1-4L编带信息 (12)9.历史记录 (12)单触控单输出IC文件编号:PT-DS210071.产品概述PT2041A是一款单通道触摸检测芯片。
该芯片内建稳压电路,提供稳定电压给触摸感应电路使用,同时内部集成高效完善的触摸检测算法,使得芯片具有稳定的触摸检测效果。
该芯片专为取代传统按键而设计,具有宽工作电压与低功耗的特性,可广泛地满足不同消费类应用的需求。
2.主要特性⚫工作电压范围:2.4~5.5V⚫工作温度范围:-40~85℃⚫抗干扰性能优良:内置稳压电路、上电复位、低压复位功能及环境自适应算法等多种措施⚫待机工作电流:典型值2uA@V DD=3V/无负载⚫按键最长响应时间:低功耗模式下约200ms@V DD=3V⚫可接外部电容(1~50pF)调整触摸灵敏度⚫输出模式选择(TOG):同步输出或锁存(toggle)输出⚫CMOS输出(QC)有效电平选择(AHLB):高电平或低电平输出有效⚫按键最长输出时间:16秒(±30%)⚫上电约0.4秒的初始化时间,此期间内不要触摸检测点,且此时所有功能被禁止⚫HBM ESD:大于2KV⚫封装形式:SOT23-6、DFN2*2-6L、DFN1*1-4L3.系统框图传感器震荡电路时序计算器 &功能选项控制电路系统振荡电路传感器 &参考检测电路触摸检测电路输出&驱动电路TCHQCTOGAHLB图1 系统框图4.封装及引脚说明QC VSS TCHTOGVDDAHLB 34 PT2041AT6图2 PT2041A SOT23-6管脚示意图TCH VSS QCAHLBVDDTOG65423PT2041AD6 1图3 PT2041A DFN2x2-6L管脚示意图注:引脚布局与SOT23-6反向VDD TCHQCVSS43 2PT2041AD41图4 PT2041A DFN1x1-4L封装管脚示意图注:固定为同步输出模式,输出高电平有效表1引脚说明表223VSS P地312TCH I触摸感应输入46/AHLB I-PL 输出高电平有效或低电平有效选择0(默认值):高电平有效;1:低电平有效551VDD P电源64/TOG I-PL 输出模式选择0(默认值):同步输出;1:锁存(toggle)输出引脚类型:I:CMOS输入O:CMOS输出I/O:CMOS输入/输出P:电源/接地I-PH:CMOS输入内置上拉电阻I-PL:CMOS输入内置下拉电阻5.功能描述5.1 输出模式和选项脚位AHLB 和TOG 选项脚位为锁存类型:上电默认状态为0,若上电前管脚被接至VDD ,则上电后状态变为1,且不会有电流漏电。
2021.8SC01B单键电容触摸感应芯片(智能马桶人体感应、液位检测)1.概览1.1概述SC01B 是单键电容触摸感应器,它可以通过任何非导电介质(如玻璃和塑料)来感应电容变化。
通过设置,SC01B 可以应用于普通触摸按键开关、智能马桶人体感应、水位检测。
1.2特性◇普通按键应用。
◇智能马桶人体感应应用。
◇水位检测应用。
◇保持自动校正,无需外部干预◇按键输出经过完全消抖处理◇并行一对一输出◇2.5V ~6.0V 工作电压◇符合RoHS 指令的环保SOP8封装1.3应用◇替代机械开关,门禁按键,灯控开关◇玩具和互动游戏的人机接口◇密封键盘面板◇金属触摸按键◇马桶着座感应器◇洗地机清水箱液体检测◇各种容器水箱液位检测◇净水器设备液体检测1.4封装SC01B 采用SOP8封装图1-1:封装简图1234V M O C1.5管脚表1-1:管脚汇总管脚顺序名称类型功能1GND Pwr电源地2CMOD I/O接电荷收集电容3CDC I/O接灵敏度电容4CIN1I/O触摸检测端5CIN2I/O触摸检测端6OUT OD感应按键输出7MD I/O模式设置端8VDD Pwr电源管脚类型I CMOS输入I/O CMOS输入/输出OD NMOS开漏输出Pwr电源/地1.6管脚说明VDD,GND电源正负输入端。
CMOD电荷收集电容输入端,接固定值的电容,和灵敏度无关。
CDC接灵敏度电容,电容范围是最小5pf,最大100pf。
根据使用环境选择合适的电容值,数值越小,灵敏度越高。
CIN1感应电容的输入检测端口。
当用于智能马桶人体感应及液位检测应用时,接固定电容作为比较参考电容;当用于普通按键锁存输出应用时,接触摸按键输入。
CIN2感应电容的输入检测端口。
当用于智能马桶人体感应及液位检测应用时,接触摸按键输入;当用于普通按键检测功能时,管脚悬空。
OUT触摸输出端口。
端口内部结构为带上拉电阻的NMOS开漏输出,输出弱高或强低电平,有效电平是强低电平。
目录1 赛元SC95F系列TOUCHKEY MCU应用指南总体描述 (2)2 赛元触控库介绍 (3)2.1触控库应用类型 (3)2.2触控项目开发简要步骤 (3)2.3赛元触控库文件介绍 (3)3 触控开发流程 (4)3.1安装开发工具 (4)3.2调试触控参数 (5)3.2.1 高灵敏度调试触控参数 (5)3.2.2 高可靠调试触控参数 (12)3.3实现赛元软件库的功能测试 (15)3.3.1 高灵敏库触控软件库移植 (15)3.3.2 高可靠库触控软件库移植 (19)3.4完成用户程序和赛元触控软件库的融合 (25)3.4.1 高灵敏库触控软件和用户程序 (25)3.4.2 高可靠库触控软件和用户程序 (27)3.4.3 注意事项 (29)3.5附加功能-动态调试功能 (29)3.5.1 高灵敏度动态调试步骤 (29)附录 (32)4 规格更改记录 (36)声明 (36)1 赛元SC95F系列TOUCHKEY MCU应用指南总体描述本文档是赛元SC95F系列Touchkey MCU触控的应用指南,主要介绍如何使用赛元提供的触控按键库文件以及触控上位机如何调试参数。
赛元触控MCU的触控架构分为高灵敏度触控模式和高可靠触控模式,部分型号内建双模触控(具体参见规格书描述),可通过选择不同的触控库文件来使用高灵敏度模式或高可靠模式,其特点如下:●高灵敏度模式可适应普通触控按键、隔空按键触控、滑轮滑条、接近感应等对灵敏度要求较高的触控应用●高灵敏度/高可靠模式都具有很强的抗干扰能力●最多可实现 31 路触控按键及衍生功能●高灵活度开发软件库支持,低开发难度●自动化调试软件支持,智能化开发●部分型号可以在 MCU STOP 模式下进入低功耗模式工作,12个触控按键500mS唤醒时芯片整体功耗可低至*********/25uA@5V用户通过使用赛元提供的触控按键库文件,可选择触控模式并快速简单实现所需的触控功能。
Page 01-27: DatasheetPage 28-47: Programming Guide GT1151Q带自定义手势唤醒功能的电容触控芯片Rev.13——2018年06月26日======免责声明======本出版物中所述的器件应用信息及其他类似内容仅为您提供,它们可能由更新之信息所替代。
确保应用符合技术规范,是您自身应负的责任。
GOODIX对这些信息不作任何明示或暗示、书面或口头、法定或其他形式的声明或担保,包括但不限于针对其使用情况、质量、性能、适销性或特定用途的适用性的声明或担保。
GOODIX对因这些信息及使用这些信息而引起的后果不承担任何责任。
未经GOODIX书面批准,不得将GOODIX的产品用作生命维持系统中的关键组件。
在GOODIX知识产权保护下,不得暗中或以其他方式转让任何许可证。
目录1.概述 (4)2.产品特点 (4)3.芯片原理框图 (5)4.管脚定义 (6)5.传感器设计 (10)5.1.感应通道排布 (10)5.2.驱动通道排布 (10)5.3.传感器设计参数要求 (10)5.4.触摸按键设计 (11)6.I2C通讯 (12)6.1.I2C通讯 (12)a)数据传输 (13)b)对GT1151Q写操作 (14)c)对GT1151Q读操作 (14)7.功能描述 (16)7.1.工作模式 (16)a)Normal Mode (16)b)Green Mode (16)c)Gesture mode (16)d)Sleep Mode (17)7.2.灵敏度状态切换 (17)a)Normal状态(正常灵敏度) (17)b)High状态(高灵敏度) (17)c)Detect状态 (17)d)手套材质 (18)7.3.中断触发方式 (18)7.4.固化配置功能 (18)7.5.跳频功能 (18)7.6.自动校准 (18)a)初始化校准 (18)b)自动温漂补偿 (19)8.参考电路图 (20)9.电气特性 (21)9.1.极限电气参数 (21)9.2.推荐工作条件 (21)9.3.AC特性 (21)9.4.DC特性 (22)10.产品封装 (23)11.SMT回流焊要求 (24)11.1.潮湿敏感等级 (24)11.2.回流焊次数 (24)11.3.无铅回流曲线示意图说明 (25)12.版本记录 (26)13.联系方式 (27)1.概述GT1151Q是专为5”~6”TP设计的新一代10点电容触控方案,拥有16个驱动通道和29个感应通道,以满足更高的触控精度要求。
规格说明书SGL8022W单通道直流LED灯光控制触摸芯片版本V1.6希格玛保留不预先通知而修改此文件的权利。
目录1.概述 (3)2.特性 (3)3.封装及引脚说明 (5)4.封装尺寸图 (6)5.应用电路图 (7)6.电气参数 (8)7.BOM表 (9)1. 概述SGL8022W是一款用于LED灯光亮度调节及开关控制的单通道触摸芯片。
使用该芯片可以实现LED灯光的触摸开关控制和亮度调节。
具有如下功能特点和优势:¾灯光亮度可根据需要随意调节,选择范围宽,操作简单方便。
¾可在有介质(如玻璃、亚克力、塑料、陶瓷等)隔离保护的情况下实现触摸功能,安全性高。
¾应用电压范围宽,可在2.4~5.5V之间任意选择。
¾应用电路简单,外围器件少,加工方便,成本低。
¾抗电源干扰及手机干扰特性好。
EFT可以达到±2KV以上;近距离、多角度手机干扰情况下,触摸响应灵敏度及可靠性不受影响。
2. 特性TI触摸输入对应SO灯光控制输出。
共有四种功能可选,由OPT1和OPT2管脚上电前的输入状态来决定。
具体如下:1)OPT1=1,OPT2=1 对应:不带亮度记忆突明突暗的LED触摸无级调光功能2)OPT1=0,OPT2=1 对应:不带亮度记忆渐明渐暗的LED触摸无级调光功能3)OPT1=1,OPT2=0 对应:带亮度记忆渐明渐暗的LED触摸无级调光功能4)OPT1=0,OPT2=0 对应:LED三段触摸调光功能不带亮度记忆突明突暗的LED触摸无级调光功能如下:¾初始上电时,灯为关灭状态。
¾点击触摸(触摸持续时间小于550ms)时,可实现灯光的亮灭控制。
一次点击触摸,灯亮;再一次点击触摸,灯灭。
如此循环。
灯光点亮或关灭时,无亮度缓冲。
且灯光点亮的初始亮度固定为全亮度的90%。
¾长按触摸(触摸持续时间大于550ms)时,可实现灯光无级亮度调节。
上海海栎创微电子有限公司CST816S数据手册高性能自电容触控芯片Rev:V1.1 1.概述CST816S自电容触控芯片,采用高速MCU内核并内嵌DSP电路,结合自身的快速自电容感应技术,可广泛支持三角形在内的多种自电容图案,在其上实现单点手势和真实两点操作,实现极高灵敏度和极低待机功耗。
2.芯片特点◆内置快速自电容检测电路及高性能DSP模块✧支持在线编程;✧内置看门狗;✧多个按键支持;✧支持待机手势唤醒功能;◆电容屏支持✧最多支持13个感应通道;✧通道悬空/下拉设计支持;✧模组参数自动调校;◆性能指标✧刷新率>100Hz;✧单点手势和真实两点操作;✧动态模式下典型功耗<2.5mA;✧待机模式下典型功耗<10uA;✧休眠模式下典型功耗<5uA;◆通讯接口✧I2C主/从通讯接口,速率10Khz~400Khz可配置;✧兼容1.8V/3.3V接口电平。
◆电源供电✧单电源供电2.7V~3.6V,电源纹波<=50mv;◆封装类型:QFN203mm*3mm*0.4mm;名称说明备注S1~S13感应通道VDDA电源 2.7V~3.6V,接2.2uF~10uF电容CMOD0/CMOD1稳压电容接1nF~5.6nF稳压电容IRQ中断输出上升/下降沿可选SCL/SDA I2C可选内部上拉/开漏模式RST复位输入低有效,可悬空备注:1.CMOD0/CMOD1必须接稳压电容,大小在1nF~5.6nF;4.功能描述CST816S自电容触控芯片,通过其内置的快速自电容感应模块,可无需任何外接器件(电路旁路电容除外),即可在三角形等图案上实现单点手势和真实两点功能;在实现快速反应的同时,具有极其优异的抗噪、防水、低功耗表现。
4.1工作模式动态模式当频繁有触摸操作时,处于此模式;在此模式下,触控芯片快速对触摸屏进行自电容扫描,以及时检测触摸并上报给主机。
待机模式当接收到待机命令后,处于此模式;在此模式下,触控芯片以较低频率对触摸屏进行扫描,匹配唤醒手势后进入动态模式,同时通过IRQ引脚唤醒主机;也可通过复位引脚切换到动态模式。
数据手册DATASHEETJL1821S5键(输出自锁)触摸感应芯片IC(Rev:1.1)一、概述JL1821S触摸感应IC是为实现人体触摸界面而设计的集成电路。
可替代机械式轻触按键,实现防水防尘、密封隔离、坚固美观的操作界面。
使用该芯片可以实现触摸开关控制,方案所需的外围电路简单,操作方便。
确定好灵敏度选择电容,IC就可以自动克服由于环境温度、湿度、表面杂物等造成的各种干扰,避免由于电阻、电容误差造成的按键差异。
二、特点1、高灵敏度(用户可自行调节)2、高防水性能3、待机功耗低,省电4、高抗干扰性能,近距离、多角度手机干扰情况下,触摸响应灵敏度及可靠性不受影响5、按键感应盘大小:大于3mm×3mm,根据不同面板材质跟厚度而定6、按键感应盘间距:大于2mm7、按键感应盘形状:任意形状(必须保证与面板的接触面积)8、按键感应盘材料:PCB铜箔,金属片,平顶圆柱弹簧,导电橡胶,导电油墨,导电玻璃的ITO层等9、面板材质:绝缘材料,如有机玻璃,普通玻璃,钢化玻璃,塑胶,木材,纸张,陶瓷,石材等10、面板厚度:0~12mm,根据不同的面板材质有所不同11、工作温度:-25℃~85℃12、工作电压:3V~5.5V13、封装类型:SOP14三、应用范围1、消费类电子2、数码产品3、家用电器4、小家电四、封装及引脚定义1、封装及引脚定义JL1821S,SOP142、引脚定义描述编号引脚定义功能描述编号引脚定义功能描述1 VDD 电源正端8 KEY5 触摸按键输入脚52 KEY1 触摸按键输入脚1 9 OUT5 输出通道53 KEY2 触摸按键输入脚2 10 OUT4 输出通道44 SEL 初始电平选择端11 OUT3 输出通道35 CAP 采样电容输入脚12 OUT2 输出通道26 KEY3 触摸按键输入脚3 13 OUT1 输出通道17 KEY4 触摸按键输入脚4 14 GND 电源负端五、应用电路图注:1、当介质材料及厚度等差异较大时,可通过调整采样电容容值来调节触摸灵敏度。
上海国芯TS04
TS04 4通道自校准电容式触摸传感器
1、规格1.1特性
1.
2.
3.
4.
5.
6.
7. 4 通道的电容式传感器与自动灵敏度校准并行输出接口
独立可调的灵敏度与外部电容
通过外部电阻可调节内部频率
嵌入式高频率的噪音消除电路
低电流消耗
16QFN, 14SOP 封装
1.2应用
1. 移动应用(移动电话/ PDA / PMP / MP3 播放等)
2.
3.
4. 薄膜开关替代
密封式的控制面板,键盘门禁锁矩阵应用
1.3封装
13 14 上海国芯
2. 引脚定义
2.1 16QFN 封装
TS04
3 极限参数
操作温度0~70
闩锁特性
参数值单位电池电压 5.0
每个引脚的最大电压VDD+0.3
每个PAD 的最大电流100 mA
5 电特性
注1: 低Cs 可提高灵敏度,
The recommended value oF Cs is 10pF When using 3T PC(Poly Carbonate)cover and 10mm*7mm touch pattern
注2:在噪声大的环境下推荐使用低Rs。
6 TS04实现
6.1 Rbias & Srbias实现
Rbias 连接到决定振荡器及内部偏置电流的电阻,感应频率、内部时钟频率和电流损耗能够通过RB
进行调节。
一个纹波电压能造成内部严重错误。
故CB 推荐连接到VDD(而非GND),(CB 的典型值是820pF,最大值为1nF)
Normal Operation Current Consumption Curve
TS04 电流消费曲线是按照RB 的值如上表示。
虽然低Rb 需要更多的电流消耗,但推荐在噪声大的环境下使用,例如:冰箱、空调等
6.2 CS实现
(
TS04 有四个可感应通道。
并联电容 C S1 加到 CS1,C S4 加到 CS4 来调整优良的灵敏度,小的 Cs 能 够提高灵敏度。
参考下面的灵敏度图), 详细灵敏度调解的情况下它可能是有用的.触摸内部每个通道之 间是彼此隔离的。
因此,四通道触摸按键板应用可以设计仅用一个 TS04,且没有耦合问题。
Rs 串联连接 用来避免外部浪涌和 ESD 可能造成的故障(Rs 是可选的);推荐使用 200Ω到 1K Ω。
触摸 PAD 的尺寸 和外形可能影响灵敏度,PAD 的尺寸为半个指关节(大约 10mm*7mm )时灵敏度达到最佳。
为了防止连 线引起异常触发,连接到 CS1~CS4 的连接线越短越好.
由于内部寄生电容导致在 CS1、CS2 和 CS3、CS4 中存在一些灵敏度差异。
这些差异可以通过不同 的 Cs 或灵敏度设置内部寄存器来补偿。
通过使用不同面积的 PAD 能够补偿灵敏度,但并不推荐。
每个 通道的灵敏度可以表示如下:
CS1 的灵敏度≥CS2、CS3 的灵敏度>CS4 的灵敏度 (在外部寄生电容值相同的情况下)
C CS1_PARA + 大约 3.5pF = C CS2,3_PARA + 大约 3pF = C CS4_PARA
● C CS1_PARA
CS1 的寄生电容 ● C CS2,3_PARA CS2 和 CS3 的寄生电容 ● C CS4_PARA
CS4 的寄生电容
6.3输出电路的实现
输出脚是开漏结构的,因为这个原因所以需要连接一个上拉电阻Rout 到VDD。
最大陷电流为4mA,因此Rout 至少需要几KΩ以上的电阻,通常同10KΩ。
正常情况下输出去诶高电平,CS 触发后变为低电平。
6.4内部复位操作
TS04 有稳定的内部复位电路提供复位脉冲数字模块,启动或重新启动系统电源电压应在0.3Vdd 以下。
TS04 电源复位不需要外部元件,这可帮助实现简单的外围电路和低功耗。
7.推荐电路图
TS04(16QFN) Application Examle Circuit
1、PCB 布局中,RB 不应该被放置在触摸位置,不然CB 可能被短接。
RB 连线应尽可能短。
2、CS 连线也应尽可能短,线宽约为0.25 毫米(或窄行)。
3、VDD 和GND 之间的电容应该位于尽可能接近从TS04。
4、CS 模式路由应该由底部的金属形成(触摸板相反金属)。
5、PCB 空的空间,必须敷GND,以加强接地模式,以防止外部噪声干扰感应频率
6、当电源从0V 上升到适当的VDD 时,TS04 将复位。
7、VDD 的周期性电压纹波超过50mV 和纹波频率低于10KHz 能造成错误的灵敏度校准。
为了防止
这个问题的发生,触摸电路的电源(VDD、GND)线应该和其它线路分开。
尤其是LED 驱动电源线或数字开关电路的电源线,更应该和触摸电路分开。
8、建议在嘈杂的环境中较小的R_B
9、大约200Ω电阻(RS1-RS4)和并联电容器(CS1-CS4)可能被插入用于改善外部噪声干扰。
10、并联电容值影响触摸灵敏度
上海国芯TS04
11、LED_GND 和GND 在系统和线上都应该是短路的,建议从最低阻抗接地点分开,以避免地
线碰撞问题。
TS04(14 SOP) Application Example Circuit
7.3例子- -电源线分割方案---PCB布局
A.不分割电源线(坏的设计电源设计)
1、交流负载或继电器产生的噪音可能加载在5V 电源线。
2、在主板和显示板之间的连线过长的情况下,可能需要一个大的电感。
此外,LED(液晶显示驱动
器)在VDD(5V)可产生的电压波动
上海国芯 B . 分割电源线(使用一个 5V 稳压器)--推荐
C . 分割电源线(独立的 5V 稳压器)-- 强烈推荐
TS04。