造船用门式起重机电气原理图
- 格式:pdf
- 大小:1.63 MB
- 文档页数:44
20 PLC 扩展单元 CP1W-40EDR 3 欧姆龙19 PLC CPU 单元 CP1H-XA40DR-A 1 欧姆龙18 ZL1.ZL2 单相滤波器 SH440-10 217 UR1.UR2 电涌保护器 NU6-III 275V 复合型 416 UV 开关电源 S8JC-15024 1 欧姆龙15 0T2 控制变压器 NDK1000-220/220 114 0T1 控制变压器 NDK2000-380/220 1 33 X91接线端子排 JF5-2.5 180 13 0KM.0KM’ 总接触器 LC1-D300 M7C+LADN40C 2 32 X91接线端子排 TB-2512 1 12 5KA11~5KA14 小型继电器 RXM2LB2P7+RXZE1M2C 4 +RXZ410 31 X91接线端子排 TC-1506 1 11 5K01~5K07 小型继电器 RXM2LB2P7+RXZE1M2C 7 +RXZ410 30 X91接线端子排 TC-3006 1 10 1K01~4K02 小型继电器 RXM2LB2P7+RXZE1M2C 15 +RXZ410 29 9S01/9E01柜门开关/柜灯 YBLX19-111/TC40-220V 1/1 9 0KA0 小型继电器 RXM2LB2P7+RXZE1M2C 1 +RXZ410 28 0S3停止按钮 ZB2-BC4C 1 装柜门 8 0K00~0K02 小型继电器 RXM2LB2P7+RXZE1M2C 3 27 H1.H2电源指示灯 XB2EV453/454 1/1 装柜门 7 0CT 电流互感器 LMZJ1-0.5 800/5 1 26 AF1柜扇 Φ200;~380V 1 6 0KV 相序继电器 RM4-TG20 1 25 AF1K柜扇接触器 LC1-D09 M7C 1 5 FU2.FU3 熔断器 RT28N-32X/2P 10A 2 24 YKM油泵接触器 LC1-D25 M7C 1 4 FU1 熔断器 RT28N-32X/3P 10 1 23 YQ油泵断路器 C32N/3P+OF C20 1 3 Q01~Q04 小型断路器 C32N/2P C10 4 22触摸屏 TH465-MT 1 装联动台 2 0Q2.0Q3 小型断路器 C32N/2P C16 2 21总线连接器 CP1W-CIF11 1 欧姆龙 1 0Q1 总断路器 GSM1-800L/3340 800A 380V 1 213电器 序 代 号 名 称 型号 规格 数量备 注 序代 号 名 称 型号 规格 数量备 注+A1 总电源,PLC 组合电控柜 设计周峰 标准 陈中革 审查叶贤送 审定 何荣欣 工艺 梅伟峰 日期 2011.11. 名 称电气设备(元件)明细表 图 号 MQ 11.4035.4.2 浙江三港起重电器有限公司项 目 MQ 4035门座起重机 无锡市锡山港口起重机械有限公司 质量 比例 张数 6 张次 110 -X93接线端子排 TB-2512 3 10 -X92 接线端子排 TB-2512 3 9 -X93接线端子排 TC-3006 1 9 -X92 接线端子排 TC-3006 1 8 9S03/9E03柜门开关/柜灯 YBLX19-111/TC40-220V 1/1 8 9S02/9E02 柜门开关/柜灯 YBLX19-111/TC40-220V 1/1 7 AF3柜顶换气扇 Φ200;~380V 1 7 AF2 柜顶换气扇 Φ200;~380V 1 6 2UB1~2UB3制动单元 CDBR-4045B 3 6 1UB1~1UB3 制动单元 CDBR-4045B 3 5 2U变频器 HB4A0304 (SHD132KW) 1 +PG-B3=1 5 1U 变频器 HB4A0304 (SHD132KW) 1 +PG-B3=1 4 2K7.2K8接触器 LC1-D12 M7C 2 4 1K7.1K8 接触器 LC1-D12 M7C 2 3 2KA1~2KA7小型继电器 RXM2LB2P7+RXZE1M2C 7 +RXZ410 3 1KA1~1KA7 小型继电器 RXM2LB2P7+RXZE1M2C 7 +RXZ410 2 2Q2小型断路器 C32N/3P+OF C10 1 2 1Q2 小型断路器 C32N/3P+OF C10 1 1 2Q1断路器 NSC400K/3315 1 1 1Q1 断路器 NSC400K/3315 1 序 代 号 名 称 型号 规格 数量备 注 序 代 号 名 称 型号 规格 数量备 注+A3 副机(开闭)电控柜+A2 主机(支持)控制柜 设计周峰 标准 陈中革 审查叶贤送 审定 何荣欣 工艺 梅伟峰 日期 2011.11. 名 称电气设备(元件)明细表 图 号 MQ 11.4035.4.2 浙江三港起重电器有限公司项 目 MQ 4035门座起重机 无锡市锡山港口起重机械有限公司. 质量 比例 张数 6 张次 220 -X94 接线端子排TB-2512 319 -X94 接线端子排TC-1006 318 -X94 接线端子排TC-3003 117 9S04/9E04 柜门开关/柜灯YBLX19-111/TC40-220V 1/116 AF4 柜顶换气扇Φ200;~380V 115 4K13.4K14 回转切电阻接触器LC1-D115 M5C+LADN11C 214 4K13.4K14 回转切电阻接触器LC1-D115 M5C+LADN11C 213 4K21.4K22 回转切电阻接触器LC1-D95 M7C 212 4K11.4K12 回转切电阻接触器LC1-D95 M7C 211 4K1.4K2 回转接触器LC1-D300 M7C+LADN22C 2 +LA9-FJ970=110 4CT1.4CT2 电流互感器BH0.66 I 30 100/5 49 -X95 接线端子排TB-2512 3 9 4F1~4F2 回转过流继电器LT47-60MTA 28 -X95 接线端子排TC-603 1 8 3UB1.3UB2 制动单元CDBR-4030B 27 -X95 接线端子排TC-2006 1 7 3U 变幅变频器F7B-4075 (75KW) 16 9S05/9E05 柜门开关/柜灯YBLX19-111/TC40-220V 1/1 6 3K7.3K8 接触器LC1-D25 M7C 25 AF5 柜顶换气扇Φ200;~380V 1 5 4KA1~4KA6 小型继电器RXM2LB2P7+RXZE1M2C 6+RXZ4104 5UB1~5UB2 制动单元CDBR-4045B 2 4 3KA1~3KA7 小型继电器RXM2LB2P7+RXZE1M2C 7+RXZ4103 5U 变频器G7B-4090 (90KW) 1 3 3Q2 小型断路器C32N/3P+OF C10 12 5KA1~5KA7 小型继电器RXM2LB2P7+RXZE1M2C 7+RXZ410 2 4Q1 回转机构断路器NSC250S3250 11 5Q1 断路器NSC400K/3315 1 1 3Q1 变幅机构断路器NSC160S3160 1序代号名称型号规格数量备注序代号名称型号规格数量备注+A5 行走电控柜+A4 变幅、回转组合电控柜设计周峰标准陈中革审查叶贤送审定何荣欣工艺梅伟峰日期2011.11. 名称电气设备(元件)明细表图号MQ 11.4035.4.2浙江三港起重电器有限公司 项目MQ 4035门座起重机无锡市锡山港口起重机械有限公司质量比例张数 6 张次 310 -X96 接线端子排TB-2512 3 9 线排TB-2512 2 9 -X96 接线端子排TB-4512 3 8 9X81 单相~36V插座 AC30/2孔模块化插座 10A 1 8 9S06/9E06 柜门开关/柜灯YBLX19-111/TC40-220V 1/17 9X71 单相插座 AC30模块化插座 10A 1 7 FPK 防爬器接触器LC1-D25 M7C 16 9X61 三相插座 AC30模块化插座 25A 1 6 DLK 电缆卷筒接触器LC1-D25 M7C 15 9Q14. 三相检修电源开关C32N/3P C60 1 5 5K7.5K8 风机,制动器接触器LC1-D25 M7C 24 9Q13 隔离电源分开关C32N/1P C20 1 4 5F1~5F8 热继电器3UA59 40-2D (25~32A) 83 9Q12 隔离电源分开关C32N/1P C32 1 3 5Q5 小型断路器C32N/4P C20 12 9Q11 隔离电源总开关C32N/2P C60 1 2 5Q4 小型断路器C32N/4P C20 11 0Q0 下部总断路器GSM1-800L/3300 800A 1 213电器 1 5Q2.5Q3 小型断路器C32N/4P C10 2序代号名称型号规格数量备注序代号名称型号规格数量备注下部总电源、检修柜+A6 行走(下部)电控柜—安装在下部设计周峰标准陈中革审查叶贤送审定何荣欣工艺梅伟峰日期2011.11. 名称电气设备(元件)明细表图号MQ 11.4035.4.2浙江三港起重电器有限公司 项目MQ 4035门座起重机无锡市锡山港口起重机械有限公司质量比例张数 6 张次 420 9X01 单相~36V 插座 AC30/2孔模块化插座 10A 1 装司机室内19 9X1.9X2 单相插座 AC30模块化插座16A/10A 1/1 装司机室内18 9X31 三相插座 AC30模块化插座 25A 1 装司机室内17 9S7.9S8 备用分开关 C32N/1P C20 2 装司机室内16 9SJ 空警灯开关 C32N/1P C10 1 装司机室内 15 5SA1+5SBR+5SBL;5SA2.。
南通惠港造船有限公司2×50t×36m×48m门式起重机设计计算书单位:地址:2×50t×36m×48m门式起重机已知:双小车,双梁门式起重机,工作级别:A5一、主要参数1、主钩额定起重量:50t×2 当抬吊100t时,二吊点(跨内)相距6m起升速度:0.2~5m/min (变频)起升高度:48m2、副起升额定起重量:10t(单台)起升速度:10m/min (变频)起升高度:48m3、小车起升速度:23m/min4、起重机行走速度: 2.5~25m/min (变频)5、跨度:36m有效悬臂长度:8m(左刚性支腿一侧)柔性支腿一侧:无悬臂6、轨道:QU807、最大轮压:280KN8、电源:380V 50Hz9、非工作风压:800N/M2(按GB3811-83)二、主要部件的重量1、主梁(一根主梁包括轨道及走台):45t×22、刚性支腿(一根包括梯子):42t×23、柔性支腿:40t4、刚性支腿侧上部端梁:2t5、柔性支腿侧上部端梁:8t6、柔性支座:3t7、底梁:12.5t×28、小车:25t×2=50t(其中50/10t-27.5t+50t-22.5t)9、大车运行机构:5t×410、门梁拱形架:8.5t×211、电气元件:6t总重:345t三、各杆件惯性力的计算大车行走速度V=25m/min 使用变频调速,起制动时间定4S惯性力Pg= Gg×V60×4=G9.18×2560×4=0.01G1、小车自重和载荷产生的惯性力P小=1.5×0.01×150000=2250kg2、拱形架惯性力P拱=1.5×0.01×17000=255kg3、主梁惯性力P主=1.5×0.01×45000=675kg4、刚性腿侧上端梁的惯性力P端1=1.5×0.01×2000=30kg5、柔性腿侧上端梁及支承座的惯性力P端2=1.5×0.01×(8000+3000)=165kg6、刚性腿惯性力P刚=1.5×0.01×42000=630×2=1260kg7、柔性腿惯性力P柔=1.5×0.01×40000=600kg8、底梁和大车行走机构惯性力P底=1.5×0.01×(12500+10000)=337.5×2=675kg 9、电气和其它附件的惯性力P附=1.5×0.01×8000=120kg四、结构件的风载荷计算风平行于大车轨道注:1、工作计算风压:q Ⅱ=250N/m 22、电机计算:q Ⅰ=150N/m 23、非工作风压:q Ⅲ=800N/m 24、高程系数按设计手册选用,作为Ⅲ类载荷计算用。
门座式起重机电气控制原理图集版本V2.0季本山叶子清编南通航运职业技术学院常州基腾电气有限公司2013-12前言随着计算机技术的的发展尤其可编控制器(PLC)、变频技术在港口起重运输机械中的运用,为港口起重运输机械设备的发展注入了新的活力。
在智能化、自动化的电气控制系统极大提高了港口起重运输机械的装卸能力的同时,向港机电气控制系统的维护与修理人员提出了新要求,PLC与变频控制技术不同于传统的接触器-继电器控制系统,维修人员不仅要能熟练掌握接触器-继电器控制原理,同时要掌握PLC与变频技术及相关的计算机技术的技能。
港口物流设备与自动控制作为我院国家骨干院校重点建设专业,我院相关专业教师根据现代港机电气控制系统现状,结合职业教育特征,与常州基腾电气有限公司联合研制了集装箱桥吊电气控制模拟系统和门座式起重机电气控制系统模拟器。
这两种电气控制模拟系统以电气真实容量小、机械模拟为原则。
门机电气控制模拟系统将起升、行走、变幅和旋转四大机构的电气控制系统的电力驱动(变频器)和动力(电动机)的容量缩小,其他均与真实门机电控系统一致。
在集装箱桥吊电气控制模拟系统中仅对起升机构、小车及吊具倾转的电气控制作处理,因其他机构电气控制与门机相似就不作模拟。
我们根据门机和桥吊电气控制模拟系统编辑了这套电气控制图集,旨在通过分析与阅读电路图,使学生能掌握整机电气控制原理,根据电气故障现象分析故障出现的部位,提高电气控制系统的维修水平。
由于时间仓促,在电路中难免存在不妥之处。
欢迎读者批评指正。
编者目录第一章读图说明 (1)第二章门机电气控制原理简介 (7)第三章电气控制原理图 (22)1、门机整机供电单线图………………………………………………………………………………………D1~D22、门机配电回路图……………………………………………………………………………………………P1~P73、起升机构电气控制电路图…………………………………………………………………………………H1~H64、变幅机构电气控制电路图…………………………………………………………………………………L1~L35、旋转机构电气控制电路图…………………………………………………………………………………S1~S36、行走机构电气控制电路图…………………………………………………………………………………G1~G47、PLC控制电路图……………………………………………………………………………………………C0~C238、照明回路……………………………………………………………………………………………………E1~E3第一章读图说明作为一位港机电气控制工程师,从事港口机械电气控制系统的维护与设计工作,那么你除了掌握可编程控制器、变频器、低压电器的基本知识外,还必须掌握成套控制系统设计的一些基本知识,才能设计出用户满意的港口机械电气控制柜;在港口企业或港机制造企业从事港口机械电气控制调速系统的安装、调试或维修工作,你必须能够看懂电气图纸,了解设计者的设计思路,才能正确的布线、接线、调试或维修。
门式和桥式起重机电气保护系统門式与桥式起重机是常见的抬升设备,其在具体的应用中,具有极高的应用价值,能够满足诸多场所的基本需求。
但是,门式和桥式起重机在实际的应用中,还存在一些明显的电气安全问题,如果不给予有效的保护,则造成门式和桥式起重机出现安全事故,甚至威胁人们安全。
故此,结合门式和桥式起重机的基本情况,对门式和桥式起重机的电气保护系统进行分析,旨意综合推动门式和桥式起重机的安全性。
标签:门式和桥式;起重机;电气保护系统;安全保护门式和桥式起重机的电气保护是保障起重机稳定运行的基础,在具体的起重机运行中,电气系统具有极高的应用价值。
但是,电气系统也容易发生一些故障,威胁门式和桥式起重机的安全和稳定,应给予有效的保护措施,实现电气保护系统的构建。
基于此,本文结合门式和桥式起重机的基本情况,简单分析电气问题的成因,再分析具体电气保护系统,详细内容如下。
1 起重机驱动方式门式和桥式起重机在具体的工作中,其具体的驱动方式可大致分为2种驱动方式:①集中驱动。
这种驱动方式是在一个电动机的支持下,实现对传动轮的驱动,进而实现对起重机的驱动。
②分别驱动。
即为包含多个电机用于驱动,且不同的电机用于驱动。
因此,在具体的工作中,可以借助综合驱动的方式,便于安装与协调,并发挥起重机的功能。
通常情况下,起重机的运行机构是由四个主动和从动轮构成,如果起重量很大,可通过增加起重机轮的方式实现,如果轮的数量超出4个,则应适当增加铰接均衡车架装置的方式,促使荷载可以均衡分布,进而保障稳定性。
对于桥式起重机,桥架的金属结构主要包括主梁和端梁,可分为单主梁桥架和双梁桥架2种类型,其中,单主梁桥架是由单根主梁和位于跨度两边的端梁构成,双梁桥架是由2根主梁和端梁构成。
2 门式和桥式起重机的电气问题研究门式和桥式起重机在具体的工作中,电气系统是决定起重机功能的关键,但是,电气问题也是影响门式和桥式起重机安全与可靠性的关键,电气问题可带来严重的安全问题,制约门式和桥式起重机的服务性。
门座式起重机常见电气故障分析发布时间:2021-06-24T02:24:03.421Z 来源:《中国电业》(发电)》2021年第6期作者:林浩填[导读] 港口货物的装船、卸船等工作常常会用到门座式起重机,目前我国多数港口使用装卸设备中最多的就是门座式起重机(下简称门机),它在港口的发展过程中发挥了不可忽视的作用,是港口最重要的设备之一。
新沙港务有限公司摘要:科技的发展越来越迅速,大量的高速、高效、大型的自动化机械设备被引入到港口的工作当中去。
高科技的装卸设备在带来高效工作的同时,其自身的维护也成了一个难题。
为解决门座式起重机常见的电气故障,本文就如何解决此类故障进行了分析,以期为相关的工作人员提供参考。
关键词:门座式起重机;电气;故障引言港口货物的装船、卸船等工作常常会用到门座式起重机,目前我国多数港口使用装卸设备中最多的就是门座式起重机(下简称门机),它在港口的发展过程中发挥了不可忽视的作用,是港口最重要的设备之一。
门机的机械特性尤其的出色,它有较大的起重幅度以及高度,超高的工作效率以及较广的通用性,使其能够为码头节约大量的劳动力。
随着科学技术的不断发展,门机的故障管理和维修措施都发生了较大的变化,本文将从PLC、变频器、力矩限制器、电机、电气线路等方面入手,对门机常见电气故障进行分析。
1港口门座式起重机概述门座式起重机是由电力进行驱动的,又被称为门机、门吊等,该类起重机属于有轨运行类的起重机。
下部运行部分以及上部回转部分是门机的主要组成部分。
详情见图一、图二。
门架是该起重机的承重部分,其可以沿着轨道运行。
门机包括行走、变幅、旋转以及起升四大机构,其中门机旋转机在门座式起重机工作过程中发挥着极其重要的作用,它可以进行360度旋转,把货物精准的送到指定的位置。
本文将以新沙港务公司的一台2538/4025型门机(自编号门21)的电气故障为例进行分析。
2港口门座式起重机常见的故障2.1 PLC通信故障通常情况下门机的工作环境较差,在多种情况下,门机会被组合在一起,组合在一起的起重机难免会发生设备干扰。
20/5t桥式主要部分电气工作原理20/5t桥式起重机经常移动的。
因此要采用移动的电源线供电,一般采用软电缆供电,软电缆可随大、小车的滑触线通过生产车间中常用的20/5t桥式起重机,它是一种用来吊起或放下重物并使重物在短距离内水平移动的起重设备,俗称吊车、行车或天车。
起重设备按结构分,有桥式、塔式、门式、旋转式和缆索式等多种,不同结构的起重设备分别应用于不同的场合。
生产车间内使用的是桥式起重机,常见的有5t、10t单钩和15/3t、20/5t双钩等。
下面以20/5t双钩桥式起重机为例分析一下20/5t桥式起重机控制线路。
20/5t桥式起重机主要由主钩(20t)、副钩(5t)、大车和小车等四部分组成。
如图10-17所示是20/5t桥式起重机的外形结构图。
1-驾驶室2-辅助滑线架3-交流磁力控制器4-电阻箱5-起重小车6-大车拖动电动7-端梁8-主滑线9-主梁图10-17 桥式起重机外形结构图20/5t桥式起重机由五台电动机组成,其主要运动形式分析如下:大车的轨道设在沿车间两侧的柱子上,大车可在轨道上沿车间纵向移动;大车上有小轨道,供小车横向移动;主钩和副钩都安装在小车上。
交流起重机的电源为380V。
由于起重机工作时是电刷引入起重机驾驶室内的保护控制盘上,三根主滑触线是沿着平行于大车轨道方向敷设在车间厂房的一侧。
提升机构、小车上的电动机和交流电磁制动器的电源是由架设在大车上的辅助滑触线(俗称拖令线)来供给的;转子电阻也是通过辅助滑触线与电动机连接的。
滑触线通常用圆钢、角钢、V形钢或工字钢轨制成。
10.6.1 20/5t桥式起重机的工作原理1.主电路分析桥式起重机的工作原理如图10-18所示。
大车由两台规格相同的电动机M1和M2拖动,用一台凸轮控制器Q1控制,电动机的定子绕组并联在同一电源上;YA1和YA2为交流电磁制动器,行程开关SQ R和SQ L作为大车前后两个方向的终端保护。
小车移动机构由一台电动机M3拖动,用一台凸轮控制器Q2控制,YA3为交流电磁制动器,行程开关SQ BW和SQ FW作为小车前、后两个方向的终端保护。
目录第一章读图说明 (1)第二章门机电气控制原理简介 (7)第三章电气控制原理图 (22)1、门机整机供电单线图………………………………………………………………………………………D1~D22、门机配电回路图……………………………………………………………………………………………P1~P73、起升机构电气控制电路图…………………………………………………………………………………H1~H64、变幅机构电气控制电路图…………………………………………………………………………………L1~L35、旋转机构电气控制电路图…………………………………………………………………………………S1~S36、行走机构电气控制电路图…………………………………………………………………………………G1~G47、PLC控制电路图……………………………………………………………………………………………C0~C238、照明回路……………………………………………………………………………………………………E1~E3第一章读图说明作为一位港机电气控制工程师,从事港口机械电气控制系统的维护与设计工作,那么你除了掌握可编程控制器、变频器、低压电器的基本知识外,还必须掌握成套控制系统设计的一些基本知识,才能设计出用户满意的港口机械电气控制柜;在港口企业或港机制造企业从事港口机械电气控制调速系统的安装、调试或维修工作,你必须能够看懂电气图纸,了解设计者的设计思路,才能正确的布线、接线、调试或维修。
看懂电气原理图,参考原理图和接线图接线是一位港机电气控制工程师从事港口机械电气控制系统调试与维护的基本功。
因此在分析本册电气控制原理图前,请看懂本册原理图的通路标号、接线标号相关说明,以便快速地读懂原理图。
1、通路标号通路标号也就是线号,电气原理图必须有线号,否则无法绘制接线图。
线号可以使用字母,也可以使用数字,还可以字母和数字混合使用。
在本册原理图中采用识图双坐标形式进行标注,就是既有横坐标,又有纵坐标。
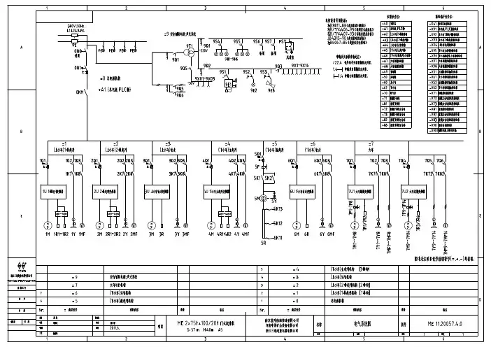
20 PLC 扩展单元 CP1W-40EDR 419 PLC CPU 单元 CP1H-XA40DR-A 1 带模拟量I/O18 UR1.UR2 电涌保护器 NU6-II 275V 复合型 417 UV 开关电源 S8JC-15024 116 ZL1.ZL2 单相滤波器 SH440-10 215 7PK1.7PK2 小型继电器 RXM2LB2P7+RXZE1M2C 2 +RXZ410 34-X91 柜内接线端子排 JF5-2.5 220 14 7K01~DJK2 小型继电器 RXM2LB2P7+RXZE1M2C 10 +RXZ410;2只柜备 33-X91 柜内接线端子排 TB-3512 1 13 1K01~6K02 小型继电器 RXM2LB2P7+RXZE1M2C 20 +RXZ410 32-X91 柜内接线端子排 TC-1003 1 12 0KA0 小型继电器 RXM2LB2P7+RXZE1M2C 1 +RXZ410 31-X91 柜内接线端子排 TC-2006 2 11 0KM1.0KM2 总接触器 LC1-D245 M5C+LADN40C 2 30-X91 柜内接线端子排 TC-3003 1 10 0K00~0K03 中间继电器 CAD-32 M7C 4 299X03 柜内单相~36V 插座 AC30-2孔插座 1 9 0CT 电流互感器 LMZJ1-0.5 800/5 1 289X6 柜内单相插座 AC30-3孔插座 1 8 0KV 相序继电器 RM4-TG20 1 279X33 柜内三相插座 AC30-4孔插座 1 7 FU2.FU3 熔断器 RT28N-32X/2P 10A 2 269S01/9E01 柜门开关/柜灯 YBLX19-111/TC40~220V 1/1 6 0F2 熔断器 RT28N-32X/3P 2A 1 25AF1 柜顶扇 Φ200;~380V 1 5 0F1 熔断器 RT28N-32X/3P 10A 1 24H1.H2 指示灯 XB2-EV453/454 1/1 装柜门 4 Q01~Q04 小型断路器 DZ47-60/2P C10 4 230T2 控制变压器 NDK1KVA-220/220 1 3 0Q2.0Q3 小型断路器 DZ47-60/2P C10 2 220T 控制变压器 NDK2KVA-380/220 1 2 HLQ 小型断路器 DZ47-60/3P C50 1 21 PLCI/O 连接电缆 CP1W-CN811 1 1 0Q1 总断路器 NM1-800H/3340 800A 380V 1 序 代 号 名 称 型号 规格 数量备 注 序 代 号 名 称 型号 规格 数量备 注+A1 总电源,PLC 组合控制柜 设计周 峰 标准 审查叶贤送 审定 陈中革 工艺 梅伟峰 日期 2011.6. 名 称电气设备(元件)明细表 图 号 ME 11.20057.4.2 浙江三港起重电器有限公司项 目 ME 2X75t+100/20t 门式起重机 S: 57 m H: 40 m A5 南京蓝昇船舶修造有限公司 河南中原矿山设备有限公司浙江三港起重电器有限公司 质量 比例 张数 7 张次 111-X93 柜内接线端子排 TB-3512 3 11 -X92 柜内接线端子排 TB-3512 3 10-X93 柜内接线端子排 TC-604 1 10 -X92 柜内接线端子排 TC-604 1 9-X93 柜内接线端子排 TC-2006 1 9 -X92 柜内接线端子排 TC-2006 5 89S03/9E03 柜门开关/柜灯 YBLX19-111/TC40~220V 1/1 8 9S02/9E02 柜门开关/柜灯 YBLX19-111/TC40~220V 1/1 7AF3 柜顶扇 Φ200;~380V 1 7 AF2 柜顶扇 Φ200;~380V 1 62UB1.2UB2 制动单元 CDBR-4045B 2 6 1UB1.1UB2 制动单元 CDBR-4045B 2 52U 变频器 AB4A0208 1 5 1U 变频器 AB4A0208 1 42K7.2K8 接触器 LC1-D12 M7C 2 4 1K7.1K8 接触器 LC1-D12 M7C 2 32KA1~2KA7 小型继电器 RXM2LB2P7+RXZE1M2C 8 +RXZ410;1只柜备 3 1KA1~1KA7 小型继电器 RXM2LB2P7+RXZE1M2C 8 +RXZ410;1只柜备 22Q2.2Q3 小型断路器 DZ47-60/4P C10 2 2 1Q2.1Q3 小型断路器 DZ47-60/4P C10 2 1 2Q1断路器 NM1-400S/3300 225A 1 1 1Q1 断路器 NM1-400S/3300 225A 1 序 代 号 名 称 型号 规格 数量备 注 序 代 号 名 称 型号 规格 数量备 注+A2 上小车1#起升控制柜+A2 上小车1#起升控制柜 设计周 峰 标准 审查叶贤送 审定 陈中革 工艺 梅伟峰 日期 2011.6. 名 称电气设备(元件)明细表 图 号 ME 11.20057.4.2 浙江三港起重电器有限公司项 目 ME 2X75t+100/20t 门式起重机 S: 57 m H: 40 m A5 南京蓝升船舶修造有限公司 河南中原矿山设备有限公司浙江三港起重电器有限公司 质量 比例 张数 7 张次 211-X95 柜内接线端子排 TB-3512 3 11 -X94 柜内接线端子排 TB-3512 3 10-X95 柜内接线端子排 TC-1004 1 10 -X94 柜内接线端子排 TB-602 1 9-X95 柜内接线端子排 TC-3006 1 9 -X94 柜内接线端子排 TC-1006 1 89S05/9E05 柜门开关/柜灯 YBLX19-111/TC40~220V 1/1 8 9S04/9E04 柜门开关/柜灯 YBLX19-111/TC40~220V 1/1 7AF5 柜顶扇 Φ200;~380V 1 7 AF4 柜顶扇 Φ200;~380V 1 64UB1.4UB2 制动单元 CDBR-4045B 2 6 3UB 制动单元 CDBR-4045B 1 54U 变频器 AB4A0250 1 5 3U 变频器 AB4A0088 1 44K7.4K8 接触器 LC1-D12 M7C 2 4 3K7.3K8 接触器 LC1-D12 M7C 2 34KA1~4KA7 小型继电器 RXM2LB2P7+RXZE1M2C 8 +RXZ410;1只柜备 3 3KA1~3KA7 小型继电器 RXM2LB2P7+RXZE1M2C 8 +RXZ410;1只柜备 24Q2.4Q3 小型断路器 DZ47-60/4P C10 2 2 3Q2.3Q3 小型断路器 DZ47-60/4P C10 2 1 4Q1断路器 NM1-400S/3300 250A 1 1 3Q1 断路器 NM1-100S/3300 40A 1 序 代 号 名 称 型号 规格 数量备 注 序 代 号 名 称 型号 规格 数量备 注+A5 下小车主起升控制柜+A4 上小车行走控制柜 设计周 峰 标准 审查叶贤送 审定 陈中革 工艺 梅伟峰 日期 2011.6. 名 称电气设备(元件)明细表 图 号 ME 11.20057.4.2 浙江三港起重电器有限公司项 目 ME 2X75t+100/20t 门式起重机 S: 57 m H: 40 m A5 南京蓝昇船舶修造有限公司 河南中原矿山设备有限公司浙江三港起重电器有限公司 质量 比例 张数 7 张次 317 -X97 柜内接线端子排TB-3512 316 -X97 柜内接线端子排TB-4512 115 -X97 柜内接线端子排TC-604 1 15 -X95 柜内接线端子排TB-3512 4 14 -X97 柜内接线端子排TC-2006 1 14 -X95 柜内接线端子排TC-1003 3 13 9S07/9E07 柜门开关/柜灯YBLX19-111/TC40~220V 1/1 13 9S05/9E05 柜门开关/柜灯YBLX19-111/TC40~220V 1/112 AF7 柜顶扇Φ200;~380V 1 12 AF6 柜顶扇Φ200;~380V 111 JF1.JF2 电动夹轨器热继电器3UA59 40-2A 2 11 6U 变频器AB4A0038 1 10 DJK 电动夹轨器油泵接触器LC1-D32 M7C 1 10 6K7.6K8 接触器LC1-D12 M7C 29 DLK 电缆卷筒接触器LC1-D32 M7C 1 9 5K11~5K13 副起升切电阻接触器LC1-D95 M7C 38 7K71.7K81 制动器,风机接触器LC1-D12 M7C 2 8 5K1.5K2 副起升接触器LC1-D95 M7C 2 +LA9-D4002=17 7UB1.7UB2 制动单元CDBR-4045B 2 7 6KA1~6KA7 小型继电器RXM2LB2P7+RXZE1M2C 8+RXZ410;1只柜备6 7U1 变频器AB4A0250 (HD110KW) 1 6 5KA1~5KA5 小型继电器RXM2LB2P7+RXZE1M2C 5+RXZ4105 7KA1~7KA5 中间继电器RXM2LB2P7+RXZE1M2C 6+RXZ410;1只柜备 5 5F 副起升过流继电器TOBE-60/220V 14 DJQ 电动夹轨器断路器DZ47-60/3P C16 1 4 6Q2.6Q3 小型断路器DZ47-60/4P C10 23 DLQ 电缆卷筒断路器DZ47-60/3P C20 1 3 5Q2 小型断路器DZ47-60/2P C10 12 7Q2.7Q3 小型断路器DZ47-60/4P C10 2 2 6Q1 小车断路器NM1-63S/3300 40A 11 7Q1 断路器NM1-400S/3300 250A 1 1 5Q1 副起升断路器NM1-225S/3300 125A 1序代号名称型号规格数量备注序代号名称型号规格数量备注+A7 大车刚腿控制柜+A6 下小车副起升,小车行走组合控制柜设计周峰标准审查叶贤送审定陈中革工艺梅伟峰日期2011.6. 名称电气设备(元件)明细表图号ME 11.20057.4.2浙江三港起重电器有限公司项目ME 2X75t+100/20t 门式起重机S: 57 m H: 40 m A5南京蓝昇船舶修造有限公司河南中原矿山设备有限公司浙江三港起重电器有限公司质量比例张数7 张次 412 -X98 柜内接线端子排TB-3512 311 -X98 柜内接线端子排TB-4512 110 -X98 柜内接线端子排TC-604 1 9 9X2.9X** 单相插座 AC30-3孔/2孔1/1 9 -X98 柜内接线端子排TC-2006 1 8 9SJ 小型断路器DZ47-60/1P C4 1 8 9S08/9E08 柜门开关/柜灯YBLX19-111/TC40~220V 1/17 9S7.9S8 小型断路器DZ47-60/1P C20 2 7 AF8 柜顶扇Φ200;~380V 16 9S4.9S5 小型断路器DZ47-60/1P C32 2 6 7K72.7K82 制动器,风机接触器LC1-D12 M7C 25 9Q3 小型断路器DZ47-60/1P C10 1 5 7UB3.7UB4 制动单元CDBR-4045B 24 9Q2 小型断路器DZ47LE-63/1P C40 0.3A 1 4 7U2 变频器AB4A0165 (HD75KW) 13 9Q5 小型断路器DZ47-60/3P C40 1 3 7KA11~7KA14 中间继电器RXM2LB2P7+RXZE1M2C 5+RXZ410;1只柜备2 9Q4 小型断路器DZ47LE-63/3P C40 0.3A 1 2 7Q5.7Q6 小型断路器DZ47-60/4P C10 21 9Q1 小型断路器DZ47-60/2P C60 1 1 7Q4 断路器NM1-225S/3300 225A 1序代号名称型号规格数量备注序代号名称型号规格数量备注-X901 辅助电源开关盒: NX8-25=1 (装司机室内) +A8 大车柔腿控制柜设计周峰标准审查叶贤送审定陈中革工艺梅伟峰日期2011.6. 名称电气设备(元件)明细表图号ME 11.20057.4.2浙江三港起重电器有限公司项目ME 2X75t+100/20t 门式起重机S: 57 m H: 40 m A5南京蓝昇船舶修造有限公司河南中原矿山设备有限公司浙江三港起重电器有限公司质量比例张数7 张次 54 -9X** 单相插座 AC30-3孔 15 -9X** 单相插座 AC30-3孔 13 -X71 接线端子排TB-3512 54 -X61 接线端子排TB-35125 2 -X71 接线端子排TC-2003 1 3 -X61 接线端子排TC-1003 1 1 7F9~7F14 热继电器3UA59 40-2E6 2 -X61 接线端子排TC-2003 1-X81 大车柔腿接线箱 1 1 -X62 下小车接线箱15 -9X** 单相插座 AC30-3孔 14 -9X** 单相插座 AC30-3孔 1 4 -X61 接线端子排TB-35125 3 -X71 接线端子排TB-35126 3 -X61 接线端子排TC-1003 1 2 -X71 接线端子排TC-2003 1 2 -X61 接线端子排TC-2006 1 1 7F1~7F8 热继电器3UA59 40-2E 8 1 3F1~3F4 热继电器3UA59 40-2D 4序代号名称型号规格数量备注序代号名称型号规格数量备注-X71 大车刚腿接线箱 =1 -X61 上小车接线箱 =1 设计周峰标准审查叶贤送审定陈中革工艺梅伟峰日期2011.6. 名称电气设备(元件)明细表图号ME 11.20057.4.2浙江三港起重电器有限公司项目ME 2X75t+100/20t 门式起重机S: 57 m H: 40 m A5南京蓝昇船舶修造有限公司河南中原矿山设备有限公司浙江三港起重电器有限公司质量比例张数7 张次 620 9HJ 空警灯 ABC-7S /AC20V 1 ☆19 -X901 照明开关盒 NX8-15 (参见另图表) 1☆ 装司机室内18FSY 风速仪 WTF-100(B) 1 ☆ 17 DLS1~DLS2 电缆卷筒限位器 2 电缆卷筒自带 17 9E1 多功能报警器 BC-2 1☆ 装司机室内 16 DJS1.DJS2 电动夹轨器限位器 2电动夹轨器自带 16 A0 联动台 QTC2 (参见另图表) 1 ☆ 装OP320;FSY15 S92~S95 门限位器 YBLX19-111 (IP65) 4 型号选用;整机厂自备 15 制动电阻箱体 700*1800*500 3 ☆ (参见另图表) 14 7S1.7S2大车限位器 LX33-11 (IP65) 2 型号选用;整机厂自备 147R3.7R4 大车柔腿制动电阻 RX20-3KW/40Ω 6 ☆ 每3支并联 13 3S1.3S2.6S1.6S2 小车限位器 LX33-11 (IP65)4型号选用;整机厂自备137R1.7R2 大车刚腿制动电阻 RX20-3KW/52Ω 8 ☆ 每4支并联 12 1S1.2S1.4S1.5S1 升降限位器QGX-B 4型号选用;整机厂自备 126R 下小车行走制动电阻 RX20-3KW/20Ω 1 ☆ 11 F70 超载限制器 QCX-III 2*75t+100/20t;多路 1 型号选用;整机厂自备 115R 下小车副起升电阻器 RT52-225M-6/3Y 1 ☆ 防护型 1010 4R1.4R2 下小车主起升制动电阻 RX20-3KW/130Ω 20 ☆ 每10支并联 9吸顶灯 带防护罩;~220V 节能灯 10 ☆ 93R 上小车行走制动电阻 RX20-3KW/40Ω 3 ☆ 并联 8 9H1~9H10 投光灯 TG85-450W ~220V10☆82R1.2R2 上小车2#钩制动电阻 RX20-3KW/91Ω 14 ☆ 每7支并联 7 9T 隔离变压器 JMB15KVA-380/220.36=500 1☆ 71R1.1R2 上小车1#钩制动电阻 RX20-3KW/91Ω 14☆ 每7支并联 6锚定夹轨限位器 YBLX-ME/8104 6 ☆ 6 7M1~7M14 大车1#~14#电机 YZP 160L-6/11KW 14 S3;JC=40% 5 7PS1.7PS2 检测限位器WLCA12-P1 2☆ 欧姆龙 56M 下小车行走电机 YZP 180L-8/11KW 1 S3;JC=40% 4 上纠偏限位检测装置 扇形盘+连杆件+限位器2 1 ☆ 43M1~3M4 上小车1#~4#行走电机 YZP 160M1-6/5.5KW 4 S3;JC=40% 3上纠偏拉绳编码器 GWS250+GAS60R13E10(L?)A 1 ☆ 35M 下小车副起升电机 YZR 225M-6/30KW 1 S3;JC=40% 2 7E1~7E4 声光报警器BC-3B ~380V4 ☆ 24M 下小车主起升电机 YZP 315S-8/75KW 1 S3;JC=40% 17SB1~7SB4地面急停按钮盒 NPH1-10J (另装红蘑按钮)4 ☆11M.2M上小车1#2#起升电机YZP 280M-8/55KW2 S3;JC=40%序 代 号名 称型号 规格数量备 注 序 代 号名 称型号 规格数量备 注(部分) 其它电气设备 (元件)(部分) 其它电气设备 (元件)设计 周 峰 标准 审查 叶贤送 审定 陈中革 工艺梅伟峰日期2011.6.名 称电气设备(元件)明细表图 号ME 11.20057.4.2浙江三港起重电器有限公司项目ME 2X75t+100/20t 门式起重机S: 57 m H: 40 m A5南京蓝昇船舶修造有限公司 河南中原矿山设备有限公司 浙江三港起重电器有限公司质量比例张数7张次7。