绝缘电阻摇测记录
- 格式:docx
- 大小:16.83 KB
- 文档页数:2
绝缘电阻测试记录该记录适用于单相、单相三线、三相四线、三相五线制的照明、动力线路及电缆线路、电机等绝缘电阻的测试。
表中A代表第一相、B代表第二相、C代表第三相、N代表零线(中性线)、PE代表接地线。
施工单位应在导线敷设完成后和电气设备安装完成后分别进行一次绝缘电阻测试记录。
楼宇总配电室、楼层配电箱、户内配电盘,都需要进行测试的。
绝缘电阻测试1.要求:电气线路安装后,在送电前应对所有的电气线路(包括明敷和暗敷、电缆)进行线路的绝缘电阻测试,达不到绝缘要求的严禁送电。
2.目的:通过绝缘电阻测试,检查和掌握线路敷设和电气安装的施工质量,避免发生漏电、短路等用电安全事故。
3.方法:(1)电气线路敷设中的明配线,暗配线及低压电缆均应作绝缘测试。
(2)用500V兆欧表(摇表)进行测试,测试工具应有计量检测(型号、编号、有效期)。
(3)48V以下线路及设备应与单相220V线路测试相同。
(4)测试数量必须符合设计图的回路数,即对每一个用电回路均应测试。
(5)线路测试时导线间,导线对地的绝缘电阻应大于0.5MΩ。
(6)电动机绝缘测试值应≥1MΩ。
(7)大型电气设备、开关、动力、照明配电箱等绝缘测试值应大于0.5MΩ。
(8)认真填写绝缘电阻测试单,并请有关部门或业主验收签证。
回路编号:通过电缆、电线的系统图(注意要系统图,上有对应的回路编号,比如:+1AA1-1)线路型号、规格、敷设方法:规格型号系统图上也有比如:4*2.5mm2 敷设方法:直埋、桥架、穿管等。
绝缘电阻:A、B、C表示三相电A相B相C相。
如果是单相的 A-C、A-B什么的就不用填,N是零线、PE是接地保护线。
如果是三相五线电就得填满,不过阻值基本大同小异,复制+改改就OK了电缆的绝缘电阻值与电缆的种类、电压等级、电缆绝缘的温度、空气湿度有关,额定电压6KV及以上的应不小于100MΩ,额定电压1~3KV时应不小于50MΩ。
1KV一下三四十兆欧就满足要求了。
“绝缘电阻测试记录”的填写绝缘电阻测试记录该记录适用于单相、单相三线、三相四线、三相五线制的照明、动力线路及电缆线路、电机等绝缘电阻的测试。
表中A代表第一相、B代表第二相、C代表第三相、N代表零线(中性线)、PE代表接地线。
施工单位应在导线敷设完成后和电气设备安装完成后分别进行一次绝缘电阻测试记录。
电缆编号(例P2-M1),规格:YJV-4x25+1x16起点:P2箱终点:M1箱敷设方式:穿管或敷桥架中间接头:无或0相对相:80,相对零:80,相对地:79我国现在相线是U、V、W、零线是N、接地保护线是PE,为什么相线还用A、B、C 表示?AB是相线A与相线B之间的绝缘电阻。
以此类推。
绝缘电阻测试-----不是电线本身的电阻!它是指电线与大地,电线与表皮,电线与电线之间的绝缘电阻,单位是兆欧!通常我们测试BV线,只测相与相之间,相与线之间。
如:AB,AC,BC,AN,BN,CN,APE,BPE,CPE,NPE一般照明用500V兆欧表,测得数值最大500兆欧。
新线最低一般不会低于200兆欧绝缘电阻值的大小,能有效地反映绝缘的整体受潮、污秽以及严重过热老化等缺陷。
绝缘电阻的测试最常用的仪表是绝缘电阻测试仪(兆欧表)。
绝缘电阻测试仪(兆欧表)通常有100V、250V、500V、1000V、2500V和5000V等类型。
使用兆欧表应按照DL/T596《电力设备预防性试验规程》的有关规定。
看不到您的表格是什么形式,我是做品质的,我们品质方面的绝缘电阻测试记录一般会写上以下几个重要信息:1.测试设备:XX型号绝缘电阻表2.测试条件:XX VDC电压(一般工厂工程都用500VDC测试)3.测试位置:写出或标出您两测试探针打的位置(一般是一针打绝缘部分,一针打在导电部分;也有的是一针打接电源端子,一针打金属外壳)4.测试结果:即把各部分测得的指针数据按对应位置如实填上.(正常情况下是M欧姆为单位)PS:如果你用的绝缘电阻表是指针的,一定要注意在测试读数的时候表盘要水平放置,否则读数会不正确.数字的就没这个顾忌.要用绝缘电阻表(兆欧表),而不是万用表。
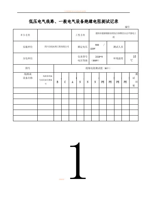
低压电气线路、一般电气设备绝缘电阻测试记录编号页脚内容1低压电气线路、一般电气设备绝缘电阻测试记录页脚内容2页脚内容3江苏省特种作业人员安全技术应知考核页脚内容4江苏省特种作业人员安全技术应知考核低压电气线路、一般电气设备绝缘电阻测试记录编号页脚内容5江苏省特种作业人员安全技术应知考核页脚内容6江苏省特种作业人员安全技术应知考核低压电气线路、一般电气设备绝缘电阻测试记录页脚内容7江苏省特种作业人员安全技术应知考核页脚内容8江苏省特种作业人员安全技术应知考核页脚内容9江苏省特种作业人员安全技术应知考核低压电气线路、一般电气设备绝缘电阻测试记录页脚内容10江苏省特种作业人员安全技术应知考核页脚内容11江苏省特种作业人员安全技术应知考核低压电气线路、一般电气设备绝缘电阻测试记录编号页脚内容12江苏省特种作业人员安全技术应知考核页脚内容13江苏省特种作业人员安全技术应知考核页脚内容14江苏省特种作业人员安全技术应知考核低压电气线路、一般电气设备绝缘电阻测试记录页脚内容15江苏省特种作业人员安全技术应知考核页脚内容16江苏省特种作业人员安全技术应知考核低压电气线路、一般电气设备绝缘电阻测试记录编号页脚内容17江苏省特种作业人员安全技术应知考核页脚内容18江苏省特种作业人员安全技术应知考核低压电气线路、一般电气设备绝缘电阻测试记录编号页脚内容19江苏省特种作业人员安全技术应知考核页脚内容20江苏省特种作业人员安全技术应知考核页脚内容21江苏省特种作业人员安全技术应知考核低压电气线路、一般电气设备绝缘电阻测试记录编号页脚内容22江苏省特种作业人员安全技术应知考核页脚内容23江苏省特种作业人员安全技术应知考核低压电气线路、一般电气设备绝缘电阻测试记录编号页脚内容24江苏省特种作业人员安全技术应知考核页脚内容25江苏省特种作业人员安全技术应知考核页脚内容26江苏省特种作业人员安全技术应知考核低压电气线路、一般电气设备绝缘电阻测试记录编号页脚内容27江苏省特种作业人员安全技术应知考核页脚内容28江苏省特种作业人员安全技术应知考核低压电气线路、一般电气设备绝缘电阻测试记录编号页脚内容29江苏省特种作业人员安全技术应知考核页脚内容30江苏省特种作业人员安全技术应知考核页脚内容31江苏省特种作业人员安全技术应知考核低压电气线路、一般电气设备绝缘电阻测试记录编号页脚内容32江苏省特种作业人员安全技术应知考核页脚内容33江苏省特种作业人员安全技术应知考核低压电气线路、一般电气设备绝缘电阻测试记录编号页脚内容34江苏省特种作业人员安全技术应知考核页脚内容35江苏省特种作业人员安全技术应知考核页脚内容36江苏省特种作业人员安全技术应知考核低压电气线路、一般电气设备绝缘电阻测试记录编号页脚内容37江苏省特种作业人员安全技术应知考核页脚内容38江苏省特种作业人员安全技术应知考核低压电气线路、一般电气设备绝缘电阻测试记录编号页脚内容39江苏省特种作业人员安全技术应知考核页脚内容40江苏省特种作业人员安全技术应知考核页脚内容41江苏省特种作业人员安全技术应知考核低压电气线路、一般电气设备绝缘电阻测试记录编号页脚内容42江苏省特种作业人员安全技术应知考核页脚内容43江苏省特种作业人员安全技术应知考核低压电气线路、一般电气设备绝缘电阻测试记录编号页脚内容44江苏省特种作业人员安全技术应知考核页脚内容45江苏省特种作业人员安全技术应知考核低压电气线路、一般电气设备绝缘电阻测试记录编号页脚内容46江苏省特种作业人员安全技术应知考核页脚内容47江苏省特种作业人员安全技术应知考核低压电气线路、一般电气设备绝缘电阻测试记录编号页脚内容48江苏省特种作业人员安全技术应知考核页脚内容49江苏省特种作业人员安全技术应知考核页脚内容50。
如何填写电气接地电阻测试记录和电气绝缘电阻测试记录电气接地电阻测试记录:戚销电气绝缘电阻测试:A、B、C是三根相线(即火线)N为零线,PE为接地线例:A-N是指相线A与零线N之间的绝缘电阻;C-PE是指相线C与PE 之间绝缘电阻;AL-1-1箱插-1其中AL是指照明配电箱,第一个-1是指一层,第二个-1是指1号箱插是指插座;AL-1-1箱插-1综合意思为一层1号照明配电箱插座1回路。
为了使交流电有很方便的动力转换功能,通常工业用电采用三相正弦交流电且电流相贺返位(反映电流的方向大小)相互相差120度。
通常我们将每一根这样的导线称为相线(火线)。
接地电阻一般是4Ω以下,防雷接地电阻10Ω以下,绝缘电阻国标是相对相0.38MΩ相对地0.22MΩ,新安装的都是要0.5MΩ以上,表格填写一般是50~100左右,就是测量了有500的,一般也不要填高。
注意:《安全规程》规定是接地网任何一点接地电阻不能大于2Ω,防雷接地电阻10Ω以下。
绝缘电阻表格填写绝缘性能不能小于11KΩ就不会有错的。
《安全规程规定9KΩ》。
扩展资料:测试仪器很多厂家普通用高阻计、兆欧表,在工作时,仪器自身产生高电压,而测量对象又是电气设备,所以必须正确使用,否则就会造成人身或设备事故。
使用前,首高拍游先要做好以下各种准备:(1)测量前必须将被测设备电源切断,并对地短路放电,决不允许设备带电进行测量,以保证人身和设备的安全。
(2)对可能感应出高压电的设备,必须消除这种可能性后,才能进行测量。
(3)被测物表面要清洁,减少接触电阻,确保测量结果的正确性。
(4)测量前要检查仪器是否处于正常工作状态,主要检查其“0”和“∞”两点。
兆欧表即摇动手柄,使电机达到额定转速,兆欧表在短路时应指在“0”位置,开路时应指在“∞”位置。
(5)仪器应放在平稳、牢固的地方,且远离大的外电流导体和外磁场。
做好上述准备工作后就可以进行测量了,在测量时,还要注意正确接线,否则将引起不必要的误差甚至错误。
如何填写电气接地电阻测试记录和电气绝缘电阻测试记录电气测试记录:电气绝缘电阻测试:A、B、C是三根(即火线)N为零线,PE为例:A-N是指相线A与零线N之间的绝缘电阻;C-PE是指相线C与PE 之间绝缘电阻;AL-1-1箱插-1其中AL是指照明配电箱,第一个-1是指一层,第二个-1是指1号箱插是指插座手哪;AL-1-1箱插-1综合意思为一层1号照明配电箱插座埋型1回路。
为了使交流电有很方便的动力转换功能,通常工业用电采用三相且电流相位(反映电流的方向大小)相互相差120度。
通常我们将每一根这样的导线称为相线(火线)。
接地电阻一般是4Ω以下,防雷接地电阻10Ω以下,绝缘电阻国标是相对相0.38MΩ相对地0.22MΩ,新安装的都是要0.5MΩ以上,表格填写一般是50~100左右,就是测量了有500的,一般也不要填高。
注意:《安全规程》规定是接地网任何一点接地电阻不能大于2Ω,防雷接地电阻10Ω以下。
绝缘电阻表格填写绝缘性能不能小于11KΩ就不会有错的。
《安全规程规定9KΩ》。
扩展资料:测试仪器很多厂家普通用高阻计,在工作时,仪弯薯猜器自身产生高电压,而测量对象又是电气设备,所以必须正确使用,否则就会造成人身或设备事故。
使用前,首先要做好以下各种准备:(1)测量前必须将被测设备电源切断,并对地短路放电,决不允许设备带电进行测量,以保证人身和设备的安全。
(2)对可能感应出的设备,必须消除这种可能性后,才能进行测量。
(3)被测物表面要清洁,减少,确保测量结果的正确性。
(4)测量前要检查仪器是否处于正常工作状态,主要检查其“0”和“∞”两点。
兆欧表即摇动手柄,使电机达到额定转速,兆欧表在短路时应指在“0”位置,开路时应指在“∞”位置。
(5)仪器应放在平稳、牢固的地方,且远离大的外电流导体和外磁场。
做好上述准备工作后就可以进行测量了,在测量时,还要注意正确接线,否则将引起不必要的误差甚至错误。
绝缘电阻测试记录的填写Company Document number:WTUT-WT88Y-W8BBGB-BWYTT-19998绝缘电阻测试记录该记录适用于单相、单相三线、三相四线、三相五线制的照明、动力线路及电缆线路、电机等绝缘电阻的测试。
表中A代表第一相、B代表第二相、C代表第三相、N代表零线(中性线)、PE代表接地线。
施工单位应在导线敷设完成后和电气设备安装完成后分别进行一次绝缘电阻测试记录。
楼宇总配电室、楼层配电箱、户内配电盘,都需要进行测试的。
绝缘电阻测试1.要求:电气线路安装后,在送电前应对所有的电气线路(包括明敷和暗敷、电缆)进行线路的绝缘电阻测试,达不到绝缘要求的严禁送电。
2.目的:通过绝缘电阻测试,检查和掌握线路敷设和电气安装的施工质量,避免发生漏电、短路等用电安全事故。
3.方法:(1)电气线路敷设中的明配线,暗配线及低压电缆均应作绝缘测试。
(2)用500V兆欧表(摇表)进行测试,测试工具应有计量检测(型号、编号、有效期)。
(3)48V以下线路及设备应与单相220V线路测试相同。
(4)测试数量必须符合设计图的回路数,即对每一个用电回路均应测试。
(5)线路测试时导线间,导线对地的绝缘电阻应大于Ω。
(6)电动机绝缘测试值应≥1MΩ。
(7)大型电气设备、开关、动力、照明配电箱等绝缘测试值应大于Ω。
(8)认真填写绝缘电阻测试单,并请有关部门或业主验收签证。
回路编号:通过电缆、电线的系统图(注意要系统图,上有对应的回路编号,比如:+1AA1-1)线路型号、规格、敷设方法:规格型号系统图上也有比如:4* 敷设方法:直埋、桥架、穿管等。
绝缘电阻:A、B、C表示三相电A相B相C相。
如果是单相的 A-C、A-B什么的就不用填,N是零线、PE是接地保护线。
如果是三相五线电就得填满,不过阻值基本大同小异,复制+改改就OK了电缆的绝缘电阻值与电缆的种类、电压等级、电缆绝缘的温度、空气湿度有关,额定电压6KV及以上的应不小于100MΩ,额定电压1~3KV时应不小于50MΩ。
1用2500V摇表分别测高压对低压、高压对地、低压对地。
L线接高电压位,E接地或低电压位;常温下在用变:高对低不小于500M、高对地不小于300M、低对地不小于100M,可以投运。
新投运变最好与厂家出厂报告相比较,相差不大即可。
2配电变压器绝缘电阻的摇测配电变压器在安装或检修后投入运行前以及长期停用后,都要用电压为1000~2500V的摇表测量绕组绝缘电阻,测得的数值和测量时的油温应记入变压器档案内。
将测得的数值与配电变压器在使用期间测得的绝缘电阻值相比较,以判断变压器的绝缘状况。
如果配电变压器的绝缘电阻猛然降至初始值的50%,或更低时,应予更换大修。
所测绝缘电阻的准确性,与测量方法和测量时的天气情况有非常密切的关系,测量时应注意以下事项:1.1测量条件。
选择温度在5℃以上,湿度在70%以下的天气进行测量;1.2测量电压。
摇测配变绝缘电阻应使用1000V或2500V的摇表,对变压器历次绝缘电阻进行比较时,所用摇表应为相间电压等级;1.3测量项目。
应测量配变一次绕组对二次绕组,一次绕组对地(配变铁芯或外壳)和二次绕组对地的绝缘电阻值;1.4测量安全。
测量前后,应将配变一次侧和二次侧各出线端分别接地放电,零线亦应断开,使绕组上残存的静电荷放尽,以保证安全。
3;高对低接地,就是将高压三个桩头ABC三相用铁丝短接,低压四个桩头abc0短接并接地的接线形式,将兆欧表G接高压桩头,E接地,L是屏蔽线可以不接。
以120转/分摇动兆欧表。
低对高接地,就是将高压三个桩头ABC三相用铁丝短接并接地,低压四个桩头abc0短接的接线形式,将兆欧表G接低压桩头,E接地,L是屏蔽线可以不接。
以120转/分摇动兆欧表。
绕组之间:就是将高压三个桩头ABC三相用铁丝短接,低压四个桩头abc0短接的接线形式,将兆欧表G接高压桩头,E低压,L是屏蔽线可以不接。
以120转/分摇动兆欧表。
照明接线及绝缘遥测技术交底记录照明接线及绝缘摇测技术交底记录施工单位:运城建工集团四建有限企业年月日编号:照明接线及绝缘摇共4页工程名称运城国际学校餐厅分项名称测第1页一、范围及设计规定:本工艺原则合用于照明及插座导线旳连接、绝缘包扎安装工程。
二、施工准备1、材料规定:A、焊锡及焊剂:焊锡由锡、铅和锑等元素组合旳低熔点(185,260?)合金。
焊锡制成条状或丝状。
焊剂采用松香液,将天然松香溶解在酒精中制成乳状液体,合用于铜及铜合金焊件。
B、辅助材料:橡胶(或自粘胶带)绝缘胶布、黑胶布等。
2、重要机具:兆欧表、万用表、手钳、尖嘴钳、剥线钳、钢锯、锡锅、液化气罐、烤枪。
3、作业条件:(1)、配管工程或桥架安装工程配合土建构造施工完毕。
(2)、强电竖井、弱电竖井内配管及桥架安装完毕。
(3)、室内刮石膏、抹灰完毕,电气井、入户门安装完毕门锁齐全。
三、操作工艺1、工艺流程剥切导线 ? 铰接导线 ? 接头蘸锡 ? 第一层绝缘包缠 ? 第二层绝缘包缠 ?整顿顺线 ? 摇测绝缘2、导线连接:(1)、导线连接应满足旳条件:A、导线接头不能增长电阻值。
B、受力导线不能减少原机械强度。
C、不能减少原绝缘强度。
为了满足上述规定,在导线做电气连接时,必须先削掉绝缘再进行连接,而后加焊,包缠绝缘。
(2)、剥削绝缘使用工具及措施:A、剥削绝缘使用工具:由于多种导线截面、绝缘层薄厚程度、分层多少都不一样,因此使用剥线旳工具也不一样。
常用旳2工具有电工刀、手钳和剥线钳,可进行削、勒及剥削绝缘层。
一般4mm如下旳导线原则上使用剥线钳,但使用电工刀时,不容许采用刀在导线周围转圈剥线绝缘层旳措施。
B、剥削绝缘措施:a、单层剥法:不容许采用电工刀转圈剥削绝缘层,应使用剥线钳;b、斜削法:用电工刀以45?角倾斜切入绝缘层,当切近线芯时就应停止用力,接着应使刀面旳技术负责人: 交底人: 接交人:山西省建设工程质量管理总站监制照明接线及绝缘摇测技术交底记录施工单位:运城建工集团四建有限企业年月日编号共4页照明接线及绝缘摇工程名称运城国际学校餐厅分项名称测第2页倾斜角度改为15?左右,沿着线芯表面向前头端部推出,然后把残存旳绝缘层剥离线芯,用刀口插入背部以45?角削断。