实验六酵母菌细胞总数的测定
- 格式:doc
- 大小:38.00 KB
- 文档页数:2
实验直接计数法及酵母菌数的测定一、目的要求1、了解血球计数板测定微生物数量的原理。
2、了解血球计数板的结构,学习并掌握利用血球计数板进行酵母菌记数的方法,包括样品的点样、菌数计数的方法与计算。
二、实验原理微生物常用的计数方法有两种,即直接计数法和间接计数法。
前者利用血球计数板在显微镜下直接计数,能立即得到数值。
后者是在平板上长成菌落后再计数,反应较真实,但费时太长。
三、实验器材菌种:酵母菌液仪器:显微镜,血球计数板、盖玻片(22mm×22mm)、吸水纸、计数器、滴管、擦镜纸等四、操作方法酵母细胞数的测定操作方法1、血球计数板的构造血球计数板是由一块比普通载玻片厚的特制玻片制成的。
玻片中有四条下凹的槽,构成三个平台。
中间的平台较宽,其中间又被一短横槽隔为两半,每半边上面个刻有一个方格网。
方格网上刻有9个大方格,其中只有中间的一个大方格为计数室,供微生物计数用。
计数室通常有两种规格。
一种是大方格内分为16中格,每一中格又分为25小格;另一种是大方格内分为25中格,每一中格又分为16小格。
(本实验用)2、酵母菌数量的测定(1) 取洁净的血球计数板一块,在计数室上盖上一块盖玻片。
(2) 将酵母菌液摇匀,用滴管吸取少许,从计数板中间平台两侧的沟槽内沿盖玻片的下边缘滴入一小滴(不宜过多),使菌液沿两玻片间自行渗入计数室,勿使产生气泡,并用吸水纸吸去沟槽中流出的多余菌液。
也可以将菌液直接滴加在计数室上,然后加盖盖玻片(勿使产生气泡)。
(3) 静置约5分钟,先在低倍镜下找到计数室后,再转换高倍镜观察计数。
(4) 计数时用16中格的计数板,要按对角线方位,取左上、左下、右上、右下的4个中格(即100小格)的酵母菌数。
如果是25中格计数板。
除数上述四格外,还需数中央1中格的酵母菌数(即80小格)。
由于菌体在计数室中处于不同的空间位置,要在不同的焦距下才能看到,因而观察时必须不断调节微调螺旋,方能数到全部菌体,防止遗漏。
实验六酵母菌细胞总数的测定酵母菌是一类微生物,它们广泛存在于自然界的土壤、水体、植物和动物食品中。
酵母菌在工业和科学研究中具有广泛的应用,例如在制酒、制药、发酵面包、化妆品、生物污水处理等方面。
因此,酵母菌细胞总数的测定对于酵母菌应用研究和品质控制具有重要意义。
实验目的通过酵母菌细胞总数的测定,了解酵母菌数量的变化和生长规律,掌握测定方法和技巧,为酵母菌的应用研究和品质控制提供实验数据和参考。
实验原理通过显微镜观察菌落计数法和板层法两种方法来测定酵母菌细胞总数。
一、菌落计数法方法:取不同体积的发酵液,经稀释后均匀涂布于琼脂平板上,在适宜温度下培养一定时间后,计算生长菌落数。
计算公式:细胞总数=平均菌落数× 菌群系数× 稀释倍数其中:平均菌落数:每平板上的平均菌落数菌群系数:每1个菌落所包含的菌体数稀释倍数:制成平板时的涂布稀释倍数二、板层法方法:亚硫酸氢钠和碘化钾混合后加入琼脂,使其形成带有抑菌区的琼脂层,经过金属条温度下降至约40℃后加入酵母悬浮液,均匀涂布于琼脂平板上,在适宜温度下培养一定时间后,计算生长菌落数。
计算公式:细胞总数=(下限+上限)/2× 1/涂布量下限:最小生长菌落数涂布量:菌液在琼脂平板上均匀涂布的数量实验步骤1. 酵母菌培养将酵母菌培养在适宜的培养基上,70摄氏度处理,然后加入液体培养基中,继续孵育,并记录生长周期。
(1)首先制备连续稀释物,在组织均一切割后,加入纯水或盐水中,制作成一定稀释度的悬浮液。
(2)取0.1ml、0.2ml、0.5ml、1ml、2ml不同的稀释液,在常规琼脂平板表面均匀下板培养。
(3)在培养箱中适当的温度下培养,3~5天后,通过显微镜计算每个菌落的数量。
(4)根据菌落数,统计酵母菌细胞总数。
3. 板层法(1)准备带抑菌区的琼脂平板,和2-3ml的酵母悬浮液。
(2)用真空过滤器将酵母悬浮液过滤到无菌锥形瓶中,测定菌体数量,并按需稀释。
实验六酵母菌细胞总数的测定一、目的要求1.学习并掌握血球计数板计数的原理;2.掌握利用血球计数板进行微生物计数的方法。
二、实验材料1.菌种:酿酒酵母(Saccharomyces cerevisiae)麦芽汁培养液2.其它:显微镜、血球计数板、手动计数器、擦镜纸、吸水纸等三、基本原理利用血球计数板在显微镜下直接计数,是一种常用的微生物计数方法。
该方法是将菌悬液放在血球计数板与盖玻片之间容积一定的计数室中,在显微镜下进行计数,然后根据计数结果计算单位体积内的微生物总数目。
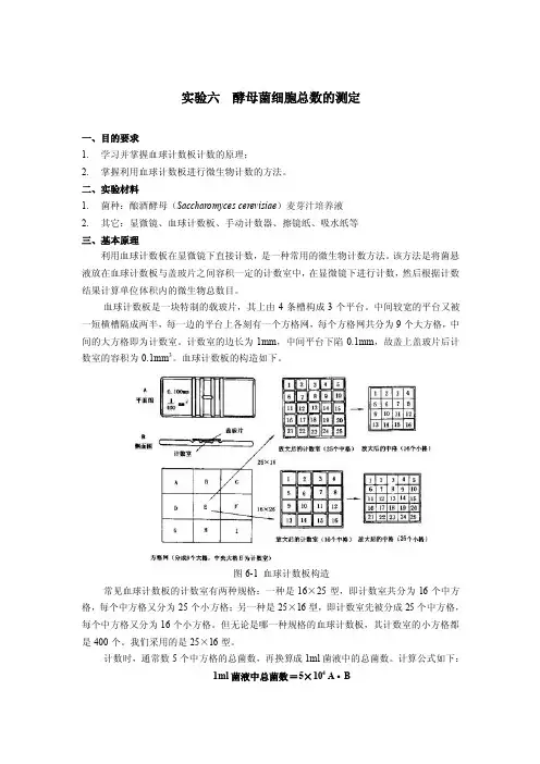
血球计数板是一块特制的载玻片,其上由4条槽构成3个平台。
中间较宽的平台又被一短横槽隔成两半,每一边的平台上各刻有一个方格网,每个方格网共分为9个大方格,中间的大方格即为计数室。
计数室的边长为1mm,中间平台下陷0.1mm,故盖上盖玻片后计数室的容积为0.1mm3。
血球计数板的构造如下。
图6-1 血球计数板构造常见血球计数板的计数室有两种规格:一种是16×25型,即计数室共分为16个中方格,每个中方格又分为25个小方格;另一种是25×16型,即计数室先被分成25个中方格,每个中方格又分为16个小方格。
但无论是哪一种规格的血球计数板,其计数室的小方格都是400个。
我们采用的是25×16型。
计数时,通常数5个中方格的总菌数,再换算成1ml菌液中的总菌数。
计算公式如下:1ml菌液中总菌数=5×104 A·BA为5个中方格中的总菌数,B为稀释倍数。
四、操作步骤1.菌悬液的制备:以无菌生理盐水将酿酒酵母培养物制成浓度适当的菌悬液。
2.加样品:将清洁干燥的血球计数板盖上盖玻片,再用无菌的毛细滴管将摇匀的酵母菌悬液由盖玻片边缘滴一小滴,让菌液沿缝隙靠毛细作用自动进入计数室(注意取样前要摇匀菌液;加样时计数室不可有气泡产生)。
3.找计数室:加样后静止5min,然后将血球计数板置于显微镜载物台上,先用低倍镜找到计数室所在位置,然后换成高倍镜进行计数(注意调节显微镜光线强弱,使菌体和计数室线条清晰)。
酵母菌细胞数和发芽率的测定、微生物细胞大小的测定实验报告实验报告一、实验目的1.了解酵母菌的基本结构和特点,能够通过显微镜观察和测量微生物的大小。
2.了解酵母菌的生长规律和判断细胞数量的方法。
3.学习正确使用显微镜、计数盘等工具的方法和技能。
二、实验原理1.酵母菌细胞数量的测定酵母菌生长的过程中,细胞数量会不断增加。
在进行数量的测定时,可以使用计数盘的方法,将酵母菌培养液进行稀释后,挑取一定数量的细胞在计数盘中进行计数,从而得出总细胞数。
计算公式:N=Nv/(Vs某d)其中,N为总细胞数,Nv为计数盘中可数的细胞数,Vs为取自培养液的样品体积,d为稀释倍数。
2.酵母菌发芽率的测定酵母菌发芽率是指在特定条件下发芽的酵母菌占总酵母菌数量的百分比。
测定方法为:将稀释后的培养液分别在不同的温度和时间条件下进行培养,待观察到发芽的细胞数后再进行计算。
计算公式:G=Nf/Nt某100%其中,G为发芽率,Nf为观察到发芽的细胞数,Nt为总细胞数。
三、实验步骤1.酵母菌细胞数量的测定(1)将酵母菌液稀释至合适浓度,取出10μl滴于计数盘的盆2中。
(2)低倍镜下计数,计算得到总细胞数。
2.酵母菌发芽率的测定(1)将酵母菌液稀释至合适浓度,分别放置于不同的温度和时间条件下培养。
(2)观察不同条件下的发芽情况,计算得到发芽率。
四、实验结果与分析1.酵母菌细胞数量的测定(1)计算盘的小方格数为16,每个小方格的面积为0.010mm²。
(2)经过计数后得到的样品的平均值为32个/小方格,计算得到总细胞数为32某16/(0.01某10)=5120个/mL。
2.酵母菌发芽率的测定(1)在不同的温度条件下,观察到的发芽率分别为:30℃1h(90%)、35℃1h(75%)、40℃1h(60%)。
(2)在不同的时间条件下,观察到的发芽率分别为:30℃1h(90%)、30℃2h(80%)、30℃3h(70%)。
五、实验思考通过本次实验,我们了解到了酵母菌的基本结构和特点,学会了正确使用显微镜、计数盘等工具的方法和技能,并且能够通过显微镜观察和测量微生物的大小。
培养液中酵母菌种群数量的变化一、血球板计数法1、基本构造A、盖玻片B、载玻片玻片中有四条下凹的槽三个平台,中间的平台较宽,中间又被一短横槽隔为两半,每半边上面,刻有一个方格网(共两个)。
2、方格网形态9个大格,中间大格用来计算即E格用来计算,E格(放大后两种形态计)一种是25X16形式:25中格,每一个中格又可以放大,由16个小格组成一种是16X25形成:16中格,每一个中格又可以放大,由25个小格组成总结:1、即9大格拿一大格计数2、这一大格有25中格(每个中格有16小格)或者16中格(每个中格有25小格)3、所以一大格有400小格3、取样方法两种取样方法第一种:有80小格第二种:有100小格4、计算方法以第一种的为计算方法:25X161)、五点取样,即五个中格,每个中格16个小格(共80小格)2)、如果算出80格共有总数A个,则每一个小格有酵母菌数为:G1=A/803)、则一个大格有400小格,所以一个大格有酵母菌数为:400G4)、而每一个大格的体积为:所以如果计算1ml培养液有多少酵母菌数公式为:如果是25X16400GX104=400X(A/80)X104如果是16X25400X(A/100)X104思考:书本中是2mmX2mm,深度是0.1mm,如果用25X16的进行计数,80格总数为A个,则10ml的培养液中有多少个酵母菌?大方格的长和宽各为2mm,深度为0.1mm,其体积为0.4mm3。
换算为1mL:1000/0.4 = 2.5×103,即1mL是2.5×103个0.4mm3。
则总数=(A/80)×400 X 2.5X103 X10注意:如果小方格中的酵母菌太多(培养液中酵母菌太浓)则要进行稀释。
则上面的计算就要再X稀释倍数即如果是25X16400GX104 X稀释倍数= 400X(A/80)X104 X稀释倍数三、本实验问题及注意点1、如果一个小方格内酵母菌过多,难以数清,应当采取怎样的措施?稀释2、对于压在小方格界线上的酵母菌,应当怎样计数?只计数相邻两边及其顶角的酵母细胞数(下图中红点都要计算)3、血球计数板的清洁血球计数板使用后,用自来水冲洗,切勿用硬物洗刷,洗后自行晾干或用吹风机吹干,或用95%的乙醇、无水乙醇、丙酮等有机溶剂脱水使其干燥。
微生物的大小测定及显微镜直接计数 一、实验目的1、学习并掌握用测微尺测定微生物细胞大小的方法。
2、了解血细胞计数板的构造及计数原理。
3、掌握使用血细胞计数板进行微生物计数的方法。
二、实验原理1、微生物大小测定原理微生物细胞的大小是微生物的形态特征之一,也是分类鉴定的依据之一。
其测量工具有目镜测微尺和镜台测微尺。
镜台测微尺是中央部分刻标准刻尺的载玻片,其尺度总长为1mm ,精确分为10个大格,每个大格又分为10个小格,共100小格,每一小格长度为0.01mm ,即10μm 。
如图1。
图1 镜台测微尺中央部分及镜台测微尺校正目镜测微尺目镜测微尺,如图2,是一块可放入接目镜内的圆形小玻片,其中央有精确的等分刻度,一般有等分为50小格和100小格两种。
测量时,需将其放在接目镜中的隔板上,用以测量经显微放大后的细胞物象。
由于不同显微镜或不同的目镜和物镜组合放大倍数不同,目镜测微尺每小格在不同条件下所代表的实际长度也不一样。
图2 目镜测微尺格数两重合线间目镜测微尺格数两重合线间镜台测微尺目镜测微尺每格长度10*2、测定微生物细胞数量的方法很多,通常采用的有显微直接计数法和平板计数法。
本次试验采用显微直接计数法。
显微直接计数法:将少量待测样品的悬浮液置于一种特定的具有确定容积的载玻片上(又称计菌器),于显微镜下直接计数的一种简便、快速、直观的方法。
显微计数法适用于各种含单细胞菌体的纯培养悬浮液,如酵母、细菌、霉菌孢子等。
菌体较大的酵母菌或霉菌孢子可采用血球计数板,一般细菌则采用彼得罗夫·霍泽(Petrof Hausser )细菌计数板或Hawksley 计数板。
三种计数板的原理和部件相同,只是细菌计数板较薄,可以使用油镜观察。
而血球计数板较厚,不能使用油镜,计数板下部的细菌不易看清。
显微计数法的优点是直观、快速、操作简单,缺点则是所测得的结果通常是死菌体和活菌体的总和,且难以对运动性强的活菌进行计数。
培养液中酵母菌种群数量的变化一、血球板计数法1、基本构造A、盖玻片B、载玻片玻片中有四条下凹的槽三个平台,中间的平台较宽,中间又被一短横槽隔为两半,每半边上面,刻有一个方格网(共两个)。
2、方格网形态9个大格,中间大格用来计算即E格用来计算,E格(放大后两种形态计)一种是25X16形式:25中格,每一个中格又可以放大,由16个小格组成一种是16X25形成:16中格,每一个中格又可以放大,由25个小格组成总结:1、即9大格拿一大格计数2、这一大格有25中格(每个中格有16小格)或者16中格(每个中格有25小格)3、所以一大格有400小格3、取样方法两种取样方法第一种:有80小格第二种:有100小格4、计算方法以第一种的为计算方法:25X161)、五点取样,即五个中格,每个中格16个小格(共80小格)2)、如果算出80格共有总数A个,则每一个小格有酵母菌数为:G1=A/803)、则一个大格有400小格,所以一个大格有酵母菌数为:400G4)、而每一个大格的体积为:所以如果计算1ml培养液有多少酵母菌数公式为:如果是25X16400GX104=400X(A/80)X104如果是16X25400X(A/100)X104思考:书本中是2mmX2mm,深度是0.1mm,如果用25X16的进行计数,80格总数为A个,则10ml的培养液中有多少个酵母菌?大方格的长和宽各为2mm,深度为0.1mm,其体积为0.4mm3。
换算为1mL:1000/0.4 = 2.5×103,即1mL是2.5×103个0.4mm3。
则总数=(A/80)×400 X 2.5X103 X10注意:如果小方格中的酵母菌太多(培养液中酵母菌太浓)则要进行稀释。
则上面的计算就要再X稀释倍数即如果是25X16400GX104 X稀释倍数= 400X(A/80)X104 X稀释倍数三、本实验问题及注意点1、如果一个小方格内酵母菌过多,难以数清,应当采取怎样的措施?稀释2、对于压在小方格界线上的酵母菌,应当怎样计数?只计数相邻两边及其顶角的酵母细胞数(下图中红点都要计算)3、血球计数板的清洁血球计数板使用后,用自来水冲洗,切勿用硬物洗刷,洗后自行晾干或用吹风机吹干,或用95%的乙醇、无水乙醇、丙酮等有机溶剂脱水使其干燥。
实验六酵母菌细胞总数的测定实验六酵母菌细胞总数的测定一、实验目的通过实验掌握酵母菌细胞总数的测定方法,了解酵母菌在发酵过程中的生长繁殖情况。
二、实验原理酵母菌是一种单细胞真菌,在适宜的条件下可以迅速生长繁殖。
通过测定酵母菌细胞的总数,可以了解其在发酵过程中的生长情况。
本实验采用血球计数板法进行酵母菌细胞总数的测定。
三、实验步骤1.准备实验材料:血球计数板、显微镜、酵母菌培养液、无菌棉签、离心管、离心机、滴管等。
2.将酵母菌培养液在离心机中离心10分钟,转速为1000转/分钟,弃去上清液,留下沉淀物。
3.用无菌棉签轻轻地将沉淀物涂抹在血球计数板的计数室底部,注意不要将沉淀物压破。
4.将血球计数板放置在显微镜下,找到计数室所在的位置,观察并计数酵母菌细胞的数量。
每个大方格内含有16个小方格,每个小方格内含有16个网格,每个网格内含有16个红细胞和白细胞或霉菌菌落等。
5.统计所有网格内的酵母菌细胞数量,并计算每毫升发酵液中所含的酵母菌细胞数。
公式如下:酵母菌细胞数/mL = (A×B×C×D×10000)/10000×W×V其中,A代表每个大方格内酵母菌细胞数,B代表每个小方格内酵母菌细胞数,C代表每个小方格内红细胞和白细胞或霉菌菌落数,D代表稀释倍数,W代表称取发酵液的质量(g),V代表发酵液的体积(mL)。
6.重复实验三次,求平均值。
四、实验结果与分析1.实验结果:在实验过程中,我们发现血球计数板的使用对于酵母菌细胞总数的测定非常重要。
通过血球计数板的统计和分析,我们得到了每毫升发酵液中酵母菌细胞的数量。
根据实验数据,我们可以得出以下表格:2.结果分析:从实验结果可以看出,三次实验的平均值为4.0×10^7个/mL。
这说明在发酵过程中,酵母菌的数量呈指数增长趋势,增长速度较快。
这也说明了酵母菌在适宜的条件下可以迅速生长繁殖。
同时,实验过程中需要注意无菌操作,避免杂菌污染对实验结果的影响。
酵母菌计数方法
酵母菌计数方法是一种用于测定酵母菌数量的常用方法,它可以帮助我们更好地了解酵母菌的数量,从而更好地控制酵母菌的生长和发酵过程。
酵母菌计数方法的基本步骤如下:
1.准备样品:将酵母菌样品放入容器中,加入适量的悬浮液,搅拌均匀,使样品中的酵母菌悬浮于液体中,形成悬浮液。
2.离心分离:将悬浮液置于离心机中,进行离心分离,使酵母菌从悬浮液中分离出来,形成酵母菌沉淀。
3.洗涤:将酵母菌沉淀放入容器中,加入适量的洗涤液,搅拌均匀,使沉淀中的酵母菌被洗涤液洗涤,从而清除悬浮液中的杂质。
4.浓缩:将洗涤液中的酵母菌浓缩,使其聚集在一起,形成酵母菌浓缩液。
5.计数:将酵母菌浓缩液滴入特定的计数器中,根据计数器的显示结果,计算出酵母菌的数量。
6.计算:根据计数结果,计算出酵母菌的数量,即:
酵母菌数量(CFU/mL)=计数器显示结果×浓缩倍数
以上就是酵母菌计数方法的基本步骤,它可以帮助我们准确地测定酵母菌的数量,从而更好地控制酵母菌的生长和发酵过程。
实验六酵母菌细胞总数的测定
一、目的要求
1.学习并掌握血球计数板计数的原理;
2.掌握利用血球计数板进行微生物计数的方法。
二、实验材料
1.菌种:酿酒酵母(Saccharomyces cerevisiae)麦芽汁培养液
2.其它:显微镜、血球计数板、手动计数器、擦镜纸、吸水纸等
三、基本原理
利用血球计数板在显微镜下直接计数,是一种常用的微生物计数方法。
该方法是将菌悬液放在血球计数板与盖玻片之间容积一定的计数室中,在显微镜下进行计数,然后根据计数结果计算单位体积内的微生物总数目。
血球计数板是一块特制的载玻片,其上由4条槽构成3个平台。
中间较宽的平台又被一短横槽隔成两半,每一边的平台上各刻有一个方格网,每个方格网共分为9个大方格,中间的大方格即为计数室。
计数室的边长为1mm,中间平台下陷0.1mm,故盖上盖玻片后计数室的容积为0.1mm3。
血球计数板的构造如下。
图6-1 血球计数板构造
常见血球计数板的计数室有两种规格:一种是16×25型,即计数室共分为16个中方格,每个中方格又分为25个小方格;另一种是25×16型,即计数室先被分成25个中方格,每个中方格又分为16个小方格。
但无论是哪一种规格的血球计数板,其计数室的小方格都是400个。
我们采用的是25×16型。
计数时,通常数5个中方格的总菌数,再换算成1ml菌液中的总菌数。
计算公式如下:
1ml菌液中总菌数=5×104 A·B
A为5个中方格中的总菌数,B为稀释倍数
四、操作步骤
1.菌悬液的制备:以无菌生理盐水将酿酒酵母培养物制成浓度适当的菌悬液。
2.加样品:将清洁干燥的血球计数板盖上盖玻片,再用无菌的毛细滴管将摇匀的酵母菌悬
液由盖玻片边缘滴一小滴,让菌液沿缝隙靠毛细作用自动进入计数室(注意取样前要摇
匀菌液;加样时计数室不可有气泡产生)。
3.找计数室:加样后静止5min,然后将血球计数板置于显微镜载物台上,先用低倍镜找
到计数室所在位置,然后换成高倍镜进行计数(注意调节显微镜光线强弱,使菌体和计数室线条清晰)。
4.显微镜计数:取左上、右上、左下、右下和中央5个中方格进行计数。
位于中方格边线
上的菌体一般只计上边和右边线上的(或只计左边和下边线上的)。
如遇到酵母出芽,芽体大小达到母细胞一半以上时,即作为两个菌体计数。
计数一个样品要从上下两个计数室中得到的平均数值来计算样品的含菌量。
5.清洗血球计数板:使用完毕后,将血球计数板在水龙头上用水冲洗干净,切勿用硬物洗
刷,洗完后自行晾干或用吹风机吹干。
镜检,观察计数室内是否有残留菌体或其它沉淀物。
若不干净,则必须重复洗涤至干净为止。
五、实验内容
按上述方法及步骤测定所给酿酒酵母培养液的细胞浓度。
六、实验报告
2.根据你的体会,说说用血球计数板计数的误差主要来自哪些方面?应如何尽量减少误
差,力求准确?
3.能否用血球计数板在油镜下对细菌进行计数?为什么?。