深圳市建设项目竣工环境保护验收报告
- 格式:doc
- 大小:82.13 KB
- 文档页数:18
环境保护项目竣工验收报告尊敬的领导:为了配合政府的环境保护政策,我单位投资建设了环境保护项目,经过长时间的施工和完善,项目已经竣工。
现将环境保护项目的验收情况报告如下:一、项目背景为响应国家号召,我单位决定在本地区建设一个环境保护项目。
该项目的主要目标是提高大气和水资源的质量,减少污染物排放,改善环境质量。
项目位于远离市区的地方,周边无居民区和重要生态系统。
二、项目概况1. 项目名称:XXX环境保护项目2. 项目位置:XXX地区3. 建设单位:XXX公司4. 项目投资:XXX万元5. 建设周期:从XXXX年XX月开始,历时X年X月。
6. 项目主要内容:主要包括了新建污水处理厂、烟气治理设施、垃圾处理中心、环境监测站等。
三、项目验收情况1. 环境质量检测根据相关法规,我单位委托第三方环境监测机构对项目建设前后的环境质量进行了检测,结果表明该项目建设后对周边环境产生了明显的正面影响。
大气中的污染物浓度大幅下降,水质得到了明显改善。
2. 设施运行情况我单位按照相关要求,建设了污水处理厂、烟气治理设施、垃圾处理中心等环保设施,并按规定运行和维护。
设备的运行数据表明,排放的废水和烟气均符合国家排放标准,垃圾处理中心正常运行,无任何渗漏问题。
3. 环境监测站运行情况为了及时监测环境质量,我单位建设了环境监测站,并配备了先进的监测设备。
经过实际运行测试,监测站设备运行正常,数据稳定准确,为环境保护提供了有效的数据支持。
四、项目效益1. 提高环境质量该项目的正常运行将能有效减少大气和水资源的污染物排放,改善周边地区的环境质量,提高居民的生活品质。
2. 促进经济发展环境保护项目的建设,在提高环境质量的同时,也推动了当地的经济发展。
项目的建设过程中,创造了大量就业机会,为周边地区带来了一定的经济收入。
3. 社会影响力该项目的建设与运行,对周边地区的居民产生了积极的社会影响。
改善的环境质量将对居民的身体健康产生积极影响,同时也为当地的环境保护事业树立了榜样。
环保设施监理竣工验收报告模板环保设施监理竣工验收报告报告内容:一、项目概况根据相关环保法规和合同要求,我们对XXX企业的环保设施进行了监理竣工验收。
该项目位于XXX地区,建设内容包括XXX设施建设等。
二、竣工情况1. 总体情况经过XXX天的建设,环保设施已经全部完成,并具备投入使用的条件。
在建设过程中,我们密切配合施工单位,严格按照设计图纸和相关技术标准进行施工,并进行了现场监理,确保施工质量。
2. 设施介绍(此部分根据具体项目进行描述,包括环保设施的具体内容、规模、技术参数等)三、技术指标达标情况1. 排污口数量和分布情况根据设计要求,项目中设置了XXX个排污口,分布在不同的区域。
我们对每个排污口的位置、数量和设计要求进行了检查,确认其与设计图纸一致。
2. 排放标准达标情况通过对排污口的抽样监测和检测分析,确认排放的污水或废气均符合国家相关环保标准,达到设计要求。
四、设备运行情况1. 设备稳定性我们对各项环保设备的运行情况进行了检查,包括设备的启动、运行和停机等情况。
经过观察和检测,确认设备运行稳定,没有发现异常情况。
2. 设备效率通过监测和检测,确认环保设备的处理效果符合设计要求,能够有效去除污染物和废气。
五、环保措施执行情况1. 废水处理根据设计要求,项目中设置了废水处理设备,并采取了XXX 措施,保证废水的处理符合国家相关环保标准。
2. 废气处理根据设计要求,项目中设置了废气处理设备,并采取了XXX 措施,保证废气的处理符合国家相关环保标准。
六、监理结论根据对环保设施的检查和检测结果,以及实地观察和监理过程中收集的数据,我们认为该环保设施竣工达到了设计要求和环保法规的要求。
建议XXX企业按照相关要求,投入正常运行。
七、后续建议1. 定期维护和保养环保设施,确保其正常运行和处理效果。
2. 加强环境监测和数据记录,及时发现和处理异常情况。
3. 遵守国家和地方相关环保法规,加强企业自身的环保管理。
深圳市建设项目竣工环境保护验收
申请表
(污染类)
企业名称
企业代码
地理坐标
深圳市人居环境委员会制
填表说明:1、如须验收的污染防治设施过多,可复印填写。
2、“处理效果”和“监测项目”应包括所有验收项目相关数据,必要时可加附页填写。
3、年去除量=日排放量×(处理前浓度-处理后浓度)×年生产天数×N
4、年排放量=日排放量×排放浓度×年生产天数× N
其中N为换算系数,一般N为:废水10-3;废气10-6
日排放量(单位):废水(t/d)、废气(M3/d);浓度(单位):废水(mg/1)、废气(mg/M3)
填表需知
一、本表均须用不褪色墨水笔填写,不得复印,涂改无效。
二、本表各项栏目,均须认真填写;其中年去除量及年排放量还须根据公式计算得出(计算公式见说明)。
三、有关污染物治理效果请参照监测报告填写。
四、本表未尽事宜,可附文说明。
深圳市建设项目竣工环境保护验收
申请表
(建筑工程类)
建设名称
建设地址
建设单位
深圳市人居环境委员会制
填表须知
1、本表须用不褪色墨水笔填写,不得复印,涂改无效;
2、本表未尽事宜,可附文说明。
环保竣工验收情况汇报尊敬的领导:根据环保部门要求,我单位于近期完成了环保设施建设工程,并进行了竣工验收。
现将环保竣工验收情况进行汇报如下:一、环保设施建设情况。
我单位在环保设施建设过程中,严格按照相关法律法规和环保部门要求,完成了污水处理设施、废气处理设施、噪音控制设施等环保设施的建设工作。
所有设施均按照设计要求进行了安装和调试,并取得了相关资质证书。
二、环保设施运行情况。
经过验收,环保设施的运行情况良好。
污水处理设施能够有效地处理生产废水,达到了排放标准要求;废气处理设施能够有效控制生产废气的排放,保证了周边环境空气的质量;噪音控制设施有效降低了生产设备的噪音,对周边居民的生活没有造成影响。
三、环保设施运行维护情况。
我单位建立了完善的环保设施运行维护制度,明确了设施的日常运行和维护责任人,并进行了相关培训。
定期对环保设施进行检查和维护,确保设施的正常运行和有效性。
四、环保设施使用效果。
经过环保设施的运行,生产过程中的污水、废气和噪音得到了有效的控制和处理,达到了环保部门的排放标准和要求。
同时,也得到了周边居民和环保部门的好评。
五、环保设施运行中存在的问题和改进措施。
在环保设施运行过程中,我们也发现了一些问题,如设施运行中的能耗较高、部分设备运行效率不高等。
针对这些问题,我们已经制定了相关的改进措施,并将逐步进行实施,以提高环保设施的运行效率。
六、结语。
我单位将继续加大环保设施的运行维护力度,不断改进设施运行效果,确保生产过程中对环境的影响最小化。
同时,我们也将继续积极响应国家的环保政策,为建设美丽中国贡献自己的力量。
特此汇报。
此致。
敬礼。
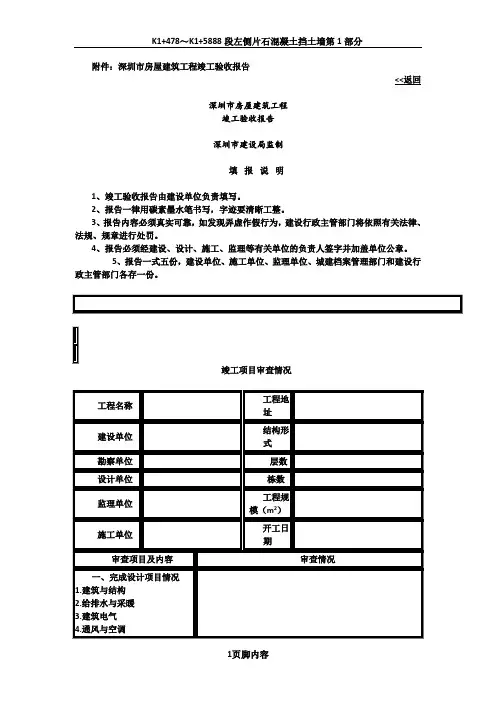
附件:深圳市房屋建筑工程竣工验收报告
<<返回
深圳市房屋建筑工程
竣工验收报告
深圳市建设局监制
填报说明
1、竣工验收报告由建设单位负责填写。
2、报告一律用碳素墨水笔书写,字迹要清晰工整。
3、报告内容必须真实可靠,如发现弄虚作假行为,建设行政主管部门将依照有关法律、法规、规章进行处罚。
4、报告必须经建设、设计、施工、监理等有关单位的负责人签字并加盖单位公章。
5、报告一式五份,建设单位、施工单位、监理单位、城建档案管理部门和建设行政主管部门各存一份。
竣工项目审查情况
竣工验收组织实施情况
一、验收机构
注:建设、监理、设计、施工单位的专业人员宜参加相应的验收专业组。
二、验收组织程序
1、建设单位主持验收会议
2、施工单位介绍施工情况
3、监理单位介绍监理情况
4、各验收专业组核查质量控制资料,并到现场检查
5、各验收专业组总结发言,建设单位做好纪录
工程质量评定情况
不是每个人都能成为,自己想要的样子,但每个人,都可以努力,成为自己想要的样子。
相信自己,你能作茧自缚,就能破茧成蝶。
竣工环境保护验收报告一、项目概况。
本次竣工环境保护验收报告涉及的项目为某某工程项目,项目位于某某地区,总占地面积为XXX平方米,项目建设内容为XXX。
在项目建设过程中,我们一直秉承“绿色环保、可持续发展”的理念,严格按照国家相关环保法规和标准进行建设,力求最大限度地减少对环境的影响。
二、环境保护工作总体情况。
在项目建设过程中,我们严格执行环境影响评价文件的要求,制定并实施了环境管理方案、生态保护方案等,并严格落实各项环保措施。
在土地利用、水资源利用、大气污染防治、噪声控制、固体废物和危险废物管理等方面,我们均严格按照相关法规和标准进行管理和控制,保障了环境保护工作的顺利进行。
三、环境影响评价措施的实施情况。
针对项目建设可能对环境造成的影响,我们制定了详细的环境影响评价措施,并严格执行。
在土地利用方面,我们合理规划土地利用结构,最大限度地减少土地资源的占用;在水资源利用方面,我们采取了节约用水措施,合理利用水资源,确保对周边水体的影响最小化;在大气污染防治方面,我们采取了尾气治理措施,减少了对大气的污染排放;在噪声控制方面,我们采取了隔离、降噪等措施,减少了施工过程中的噪声污染;在固体废物和危险废物管理方面,我们建立了完善的废物管理制度,严格执行废物的分类、收集、运输和处置,确保了废物对环境的影响最小化。
四、环境保护验收情况。
经过对项目建设过程中的环境保护工作进行全面检查和评估,我们发现项目建设过程中环境保护措施的实施情况良好,各项环保指标均符合国家相关标准要求,未发现环境违法违规行为。
同时,我们还对项目建设过程中可能对环境造成的影响进行了详细的评估和分析,结果显示项目建设对周边环境的影响较小,未对周边生态环境造成重大影响。
五、存在的问题及整改措施。
在环境保护验收过程中,我们也发现了一些存在的问题,主要包括XXX。
针对这些问题,我们制定了整改措施,并将在规定的时间内进行整改,确保环境保护工作的顺利进行。
工程竣工验收报告城市环境工程验收报告尊敬的相关部门领导:我代表某城市环境工程项目团队,向您提交我方负责的工程竣工验收报告,以供您审阅。
经过多方的努力和付出,我们的项目已经完成,并且达到了预期效果。
在此,我们将详细描述本工程的实施过程、施工质量以及验收情况。
1. 工程基本信息本工程位于某城市XX区域,主要涉及城市环境建设方面的内容。
工程总面积约XXX平方米,主要包括XXX项目(列出具体项目),总金额约XXX万元。
在整个工程过程中,我们严格按照合同约定和相关法规进行施工,并且始终保持与相关部门的密切沟通和协作。
2. 实施过程(这里可以根据实际情况,分段介绍工程的实施过程,例如土地准备、基础设施建设、设备安装等,重点突出各阶段的工作进展和质量控制措施。
)3. 施工质量在整个工程的施工过程中,我们高度重视施工质量的控制,坚持“品质至上、安全第一”的原则。
我们严格按照建设规范和相关标准进行施工,且所有施工人员都经过合格的培训和持证上岗。
同时,我们建立了完善的质量管理体系,实行严格的自查和互查机制,确保施工质量符合要求。
4. 环境保护本工程的实施过程中,我们始终将环境保护放在重要位置,采取了一系列的环境保护措施。
通过合理的施工排放管理,有效减少对环境的污染,同时主动配合相关部门的监测和检查工作。
我们严格执行环境保护法规,确保环境保护工作符合相关标准和要求。
5. 运行维护为了保证工程长期的稳定运行和正常维护,我们在竣工验收后,将制定详细的运行和维护方案,并组织专业技术团队进行指导和培训。
同时,我们将建立健全的信息反馈机制,与业主建立良好的长期合作关系,及时解决运行中出现的问题。
6. 验收结论根据相关技术标准和相关法规的要求,我们对本工程进行全面的检查和验收,结合项目的具体需求和实际情况,综合各个方面的因素,经过专业评估,认为工程的设计、施工和质量均达到了验收标准,可以正式交付使用。
感谢各位领导对我们项目的大力支持和关心,同时,我们也要感谢项目团队全体成员的辛勤付出和努力。
建设项目竣工环境保护验收报告一、项目概况。
本项目位于XX市某区,总占地面积XXX平方米,建设内容为XXX。
项目建设单位为XXX,施工单位为XXX,监理单位为XXX,环境保护单位为XXX。
二、环境保护工作总体情况。
在项目建设过程中,我们高度重视环境保护工作,严格执行国家和地方相关环保法律法规,严格控制施工扬尘、噪音、废水、废气等环境污染源的排放,确保环境保护工作符合国家相关标准和要求。
三、环境影响评价措施的实施情况。
在项目建设前,我们进行了环境影响评价,制定了相应的环境保护措施,并严格执行。
在施工过程中,我们采取了有效的防护措施,减少了对周边环境的影响。
四、环境保护设施的建设情况。
我们在项目建设中,建设了完善的环境保护设施,包括扬尘防治设施、噪音控制设施、废水处理设施、废气处理设施等,确保了施工过程中环境污染物的有效控制和处理。
五、环境监测数据分析。
我们对项目建设过程中的环境影响进行了监测和分析,监测数据显示,项目建设过程中环境指标均符合国家相关标准和要求,未造成对周边环境的污染。
六、环境保护验收结论。
经过对项目建设过程中的环境保护工作进行全面评估,我们认为项目建设过程中的环境保护工作符合国家相关标准和要求,环境保护设施建设完善,环境监测数据良好,达到了环境保护验收的要求。
七、存在的问题及整改措施。
在项目建设过程中,我们也发现了一些环境保护方面的问题,主要包括XXX。
针对这些问题,我们制定了相应的整改措施,并承诺在规定的时间内完成整改工作,确保项目建设后环境保护工作符合要求。
八、环境保护验收报告的附件。
1. 环境影响评价报告。
2. 环境监测数据报告。
3. 环境保护设施建设验收报告。
4. 环境整改措施落实情况报告。
总结。
本项目在建设过程中,严格按照国家和地方相关环保法律法规要求,重视环境保护工作,建设了完善的环境保护设施,严格控制环境污染源的排放。
经过环境保护验收,项目环境保护工作符合要求。
我们将继续加强环境保护工作,确保项目运营期间环境保护工作持续有效。
环境保护竣工验收调查报告篇一:建设项目竣工环境保护验收调查表建设项目竣工环境保护验收调查表项目名称:深圳市宝安区新安六路(西乡河出海口段)市政工程项目委托单位:深圳市宝安区土地储备开发中心编制单位:深圳市宝安区环境科学研究所编制日期:XX 年 10 月1一、项目基本情况23二、调查范围、因子、敏感目标、重点4三、验收执行标准5篇二:建设项目竣工环境保护验收竣工环境保护验收调查报告建设项目竣工环境保护验收调查报告项目名称:委托单位:天津滨海旅游区顺安路、顺平路、航泊道排水工程天津滨海旅游区置地有限公司编制日期:XX年7月国家环境保护总局制项目名称:天津滨海旅游区顺安路、顺平路、航泊道排水工程文件类型:建设项目竣工环境保护验收调查报告法人代表:孙贻超编制单位:天津市环境影响评价中心表1 项目总体概况123篇三:环保竣工验收检测报告模板建设项目竣工环境保护验收检测报告XX检【验】字第X(来自: 小龙文档网:环境保护竣工验收调查报告)XXXXXXX号项目名称:委托单位:编制:日期:年月日审核:日期:年月日审定:日期:年月日批准:日期:年月日公司名称说明1、本报告仅对本次检测结果负责。
2、如对本报告有异议,请于收到报告起十五天内向我单位书面提出,逾期不予受理。
3、本报告换页、漏页、涂改无效。
4、未经本单位书面同意,不得复制或部分复制本报告。
5、本报告无三级审核人员签字无效。
6、本报告无本单位检测专用章、CMA印章、骑缝章无效。
6、本报告未经同意不得用于广告宣传等其他用途。
公司名称公司地址:邮政编码:联系电话:电子邮件:联系人:XXX【验】字第XXXXXXXX号第 X 页共 X 页。
深圳竣工验收自评报告深圳市竣工验收自评报告一、项目概况本报告针对深圳市某建筑项目进行竣工验收自评。
该项目位于深圳市中心区域,总建筑面积约10万平方米,由一栋高层建筑和两栋低层建筑组成。
项目涉及多个功能区域,包括商业、办公和住宅等。
二、建设过程1.规划设计本项目在规划设计阶段,充分考虑了城市发展规划和环境要求。
设计方案符合深圳市的建筑规范和相关法律法规,并充分考虑了建筑的可持续发展和节能减排要求。
2.施工过程施工过程中,我们严格按照设计方案进行施工,保证了建筑质量。
我们合理组织施工队伍,进行了周密的施工计划,确保了施工进度的顺利进行。
同时,我们采用了先进的施工技术和设备,提高了工程质量和效率。
3.材料选用在项目建设过程中,我们严格控制了材料的选用。
我们选择了符合国家标准的优质建筑材料,保证了建筑的安全性和耐久性。
同时,我们注重环保,选择了符合环保要求的材料,减少了对环境的影响。
4.质量监督在建设过程中,我们严格执行了质量监督措施。
我们成立了专门的质量监督组,对施工过程进行全程监控,及时发现和解决问题。
我们还进行了多次质量检测,确保了建筑质量的达标。
三、安全措施在项目建设过程中,我们非常重视安全措施。
我们制定了详细的施工安全管理方案,对施工过程中的安全风险进行了全面评估,并采取了相应的预防措施。
我们加强了对施工人员的培训,提高了他们的安全意识,减少了安全事故的发生。
四、环境保护我们高度重视环境保护工作,采取了多项措施保护环境。
我们在施工过程中控制了噪音、粉尘和废水的排放,减少了对周边环境的影响。
我们还进行了固废的分类处理,最大程度地减少了对环境的污染。
五、验收成果经过竣工验收,该项目各项指标符合相关标准和要求。
建筑结构稳定,符合抗震要求。
室内装饰精美,符合设计要求。
设备设施齐全,运行正常。
建筑外观整洁美观,与周边环境协调一致。
六、存在问题与改进措施在竣工验收过程中,我们也发现了一些问题。
例如,部分装修材料存在质量问题,需要及时更换。
建设项目竣工环境保护验收调查报告项目名称:前海卓越金融中心一期建设单位:深圳前海卓越汇康投资有限公司(签章)编制单位:重庆市环境保护工程设计研究院有限公司2016年12月第一章前言1.1 项目概况2015年5月,深圳市前海深港现代服务业合作区管理局对《前海深港现代服务业合作区开放单元二04街坊项目环境影响报告书》(报批稿)进行了批复(深前海函[2015]360号),批复主要内容如下:该项目位于前海合作区第二开发单元T201-0075地块,项目建设内容包括2栋高层办公楼(T7、T8),2栋高层写字楼(T1、T3),2栋商务公寓大楼(T2、T4)和与之配套的2层商业裙楼,并配建6条城市支路。
另外,项目区内建设供冷项目,卓越置业集团有限公司仅负责土建部分,集中供冷项目工艺部分对环境影响不在本次批复范围内。
项目分一、二期进行建设,项目总用地面积57481.45m2,总建筑面积为661183.47m2。
其中规定计容建筑面积450200 m2(含商业53620 m2、金融办公295500 m2、商务公寓92340 m2、物业管理用房1230 m2、文化活动室2000 m2、社区健康服务中心1000 m2、社区管理用房300 m2、便民服务站300 m2、社区警务室50 m2、垃圾转运站250 m2、环卫工人休息处20 m2、公厕90 m2、区域供冷设备用房地上部分3500 m2),地上核增建筑面积18451.05 m2(含公共走廊5983.08 m2)地下规定建筑面积28600.00 m2(主要为地下商业21100 m2和区域供集中供冷项目7500 m2),地下核增建筑面积163932.42 m2(主要为地下车库及设备房)。
项目设置地下停车位1602个。
地块内配建6条城市支路(其中1号支路全长230m,红线宽度为16m;2号支路全长约80m,红线宽度16m;3号支路、4号支路、5号支路全长均172m,红线宽度为16m;6号支路全长约172m,红线路面11m),道路建成后无偿交给政府。
深圳竣工验收自评报告一、项目概况本项目位于深圳市,建筑面积为XXXX平方米,建设内容主要包括土建、安装、装饰等工程。
项目于XXXX年XX月开工,现已完成施工任务,进入竣工验收阶段。
二、施工过程概述在施工过程中,我们按照设计要求和施工规范进行施工,严格控制施工质量,确保了工程的顺利进行。
同时,我们加强了安全管理,采取了一系列措施,保证了施工安全。
三、质量评估本项目在施工过程中,各道工序均按照设计要求和施工规范进行,质量符合国家相关标准。
在质量检测方面,我们进行了原材料的检验、施工过程的检测以及工程竣工验收的检测等,所有检测结果均符合要求。
四、安全评估在施工过程中,我们始终把安全放在第一位,采取了一系列的安全措施,保证了施工安全。
同时,我们对施工现场进行了定期的安全检查,及时发现和消除了安全隐患。
五、资料完整性评估本项目在施工过程中,对各种资料进行了全面的收集和整理,确保了资料的完整性和准确性。
在竣工验收阶段,我们对所有资料进行了再次核对和审查,确保资料的真实性和完整性。
六、环保与节能评估本项目在施工过程中,注重环保与节能工作,采取了一系列措施,如采用环保材料、节能设备等。
在竣工验收阶段,我们对环保与节能设施进行了全面的检测和评估,符合相关要求。
七、设备运行状况评估本项目涉及的设备种类较多,包括电气、暖通、给排水等系统。
在设备安装过程中,我们严格按照设计要求和施工规范进行施工,确保了设备的正常运行。
在竣工验收阶段,我们对设备进行了全面的运行测试和评估,设备的性能和运行状况良好。
八、自评结论综合以上各方面评估结果,本项目达到了设计要求和施工规范标准,质量、安全、资料完整性、环保与节能、设备运行状况等方面均符合要求。
因此,本项目竣工验收自评结论为合格。
九、建议与改进措施尽管本项目已达到合格标准,但仍存在一些不足之处,需要采取相应的改进措施。
具体建议如下:1.对施工质量进行持续改进,进一步提高施工水平;2.加强施工现场的安全管理,确保施工安全;3.进一步完善环保与节能措施,提高节能减排效果;4.对设备运行状况进行定期检查和维护,确保设备正常运行;5.加强资料的管理和保存工作,确保资料的完整性和准确性。
竣工环境保护验收报告一、项目概况。
本次环境保护验收报告针对我公司在XX省XX市进行的XX工程项目进行环境保护验收工作,该项目总占地面积XX平方公里,主要建设内容包括XX。
项目建设单位为XX公司,施工单位为XX公司,监理单位为XX公司。
二、环境保护措施。
在项目建设过程中,我们严格按照国家相关环保法律法规和环境影响评价要求,制定了详细的环境保护措施方案。
主要包括:1. 土地保护,严格按照土地利用规划,合理利用土地资源,减少土地占用,最大限度保护耕地和生态环境。
2. 大气污染防治,严格控制施工现场扬尘和机械设备排放,采取湿式施工和覆盖等措施,减少大气污染物排放。
3. 水环境保护,严格控制施工废水排放,采取雨污分流,设置沉淀池和生态湿地等措施,净化废水后排放,保护周边水环境。
4. 噪声控制,采取封闭施工、降噪设备、错峰施工等措施,减少施工噪音对周边居民的影响。
5. 生态恢复,对施工期间破坏的植被进行及时修复和恢复,保护当地生态环境。
三、环境保护验收情况。
经过环境保护部门的现场检查和验收,我公司在项目建设过程中严格执行环境保护措施,取得了良好的环境保护效果。
具体情况如下:1. 土地保护,项目建设过程中未发生违法占用耕地和破坏生态环境的情况,土地资源得到有效保护。
2. 大气污染防治,施工现场扬尘和机械设备排放严格控制,大气污染物排放达到国家相关标准。
3. 水环境保护,施工废水排放经过处理达标排放,未对周边水环境造成污染。
4. 噪声控制,施工期间噪音控制在国家相关标准范围内,未对周边居民生活造成明显影响。
5. 生态恢复,对施工期间破坏的植被进行了及时修复和恢复,生态环境得到有效保护和恢复。
四、存在问题及整改措施。
在环境保护验收过程中,部分问题仍然存在,主要包括XX。
针对存在的问题,我们制定了整改措施,将在XX时间内完成整改,并向环境保护部门提交整改报告。
五、环境保护效果评价。
经过环境保护部门的综合评价,我公司在本次项目建设中的环境保护工作取得了良好效果,符合相关法律法规和环境保护要求。
建设项目竣工环境保护验收报告建设项目竣工环境保护验收报告一、项目概述本项目是某地区一座新建的工业园区,用地面积约为X平方公里,主要包括X个生产车间、X个储存场所、X个办公楼等。
项目建设主要涉及到X个行业,其中主要有X个重点环保工程。
为保护环境、促进可持续发展,项目在建设过程中注重环境保护,严格按照环保验收要求进行施工和管理。
二、环境保护措施及实施情况(一)土地利用和生态保护1. 项目用地的选址经过环评审批,并划定了生态保护红线。
建设过程中严禁对生态保护红线内的生态环境进行破坏。
2. 在项目用地范围内,在建设前进行了植被调查,对原有植被进行了保护和迁移,并严格按照环评文件中的要求进行移植。
3. 参照环保局要求,项目建设期间组织了园区周边草原、湿地等生态环境的科学监测和保护,防止水源受到污染。
(二)大气环境保护1. 建设过程中,重点控制扬尘污染。
严格进行扬尘源排放防治措施,采取了覆盖、洒水等措施降低施工扬尘的风险。
2. 选用低污染、低排放的设备和技术,对项目中的燃煤锅炉、燃油锅炉等进行了环保改造并通过环保部门验收。
3. 对生产车间的排气设备进行严格设计和建设,确保其符合环保要求。
通过联网监控和自动排放检测设备,实时监测废气排放情况。
(三)水环境保护1. 在项目建设前进行了水环境调查,并依据环评要求设置了园区内的排水系统,确保排水可以达到环评要求的排水标准。
2. 对原有的河道和水源进行了保护,建设期间严禁向其排放废水。
施工期间按要求设置临时污水收集和处理设施。
3. 针对生产车间的废水排放问题,进行了科学严格设计和工程安装,并严格按照国家和地方的排放标准进行排放。
(四)固体废弃物处理1. 在建设过程中,采用分类收集和处理的方式,对固体废弃物进行分类、包装和暂存,并委托有资质的环保企业进行处置。
2. 注重生产过程中的再生利用和废物资源化利用,尽量减少固体废弃物的产生。
3. 在项目竣工后,对建设过程中产生的废弃物进行了全面清理和处置,确保对环境的影响最小化。
环保设施竣工验收报告尊敬的相关部门/单位:我方根据《环保设施竣工验收报告编制标准》及相关法规要求,针对我方进行的环保设施建设项目进行了全面的竣工验收工作,现将验收情况报告如下:一、项目基本信息1. 项目名称:2. 建设单位:3. 建设地点:4. 建设规模及性质:二、总体情况说明根据项目计划,我方按照相关要求完成了环保设施的建设工作。
经过验收,确认设施符合环保设施设计和相关环保法规的要求。
三、环保设施建设情况1. 环保设施建设内容:详细描述环保设施的建设内容,包括但不限于废气治理设施、废水处理设施、固体废物处置设施等。
2. 环保设施建设标准:说明环保设施建设依据的标准和规范。
3. 施工质量验收情况:根据验收标准,对环保设施的施工质量进行验收评估,并列出主要验收指标及验收结果。
四、环保设施达标情况经测量、监测和现场检查,我方环保设施建设项目达到或超过了国家和地方相关的环保设施设计和运营要求,在以下方面得到了满足:1. 废气排放标准:说明废气排放达标情况,包括废气排放浓度和排放量等。
2. 废水排放标准:说明废水排放达标情况,包括废水排放浓度、排放量以及处理效果等。
3. 固体废物处置标准:说明固体废物处置达标情况,包括固体废物的分类、处理与处置方式等。
五、环境监测情况为了确保环保设施的运行效果,我方进行了环境监测工作,监测内容包括但不限于废气、废水、土壤和噪音等。
监测结果表明,环保设施有效控制了排放物对周边环境的影响。
六、存在的问题及整改措施在竣工验收过程中,发现以下问题:1. 问题描述:2. 整改措施:3. 整改计划和时限:七、验收结论根据对环保设施的综合评估和现场实际情况,我方认为该环保设施建设项目已达到相关环保法规要求和技术标准,可进行环保设施竣工验收,并具备投入使用的条件。
八、建设单位意见建设单位对环保设施的建设表示满意,并承诺按照相关法规要求负责环保设施的日常操作与维护管理工作。
九、相关附件清单1. 环保设施竣工验收报告附件清单以上是对我方环保设施竣工验收情况的报告内容,感谢您对此项目的关注与支持。
深圳市****建设项目
竣
工
环
境
保
护
验
收
申
请
报
告
书
项目名称
建设单位(盖章)建设地点
项目负责人
联系电话
邮政编码
深圳市国家环境保护分局制订
说明
1.本报告为建设单位申请建设项目竣工环境保护验收的必备材料之一,需在正式申请验收前按要求由建设单位填写。
2.此验收申请报告根据《建设项目竣工环境保护验收管理办法》制定。
3.表格中填不下或仍需另加说明的内容可以另加附页补充说明。
4..本报告主送负责建设项目竣工环保验收的环境保护行政主管部门,在正式审批后分送有关部门存档。
5.封面页建设单位需加盖公章。
6.本报告属国家级审批须一式6份,属省级审批须一式5份,属地市审批须一式4份。
表五废水处理设施及总排口一览表
表六废气处理设施一览表
表七
有环境敏感目标,则应测试。
表十三验收组成员名单。