路灯灯杆行业企业标准
- 格式:docx
- 大小:88.30 KB
- 文档页数:8
路灯灯杆国家标准路灯灯杆是城市道路照明系统中的重要组成部分,其设计、安装和维护对于城市道路的照明效果和交通安全具有重要影响。
为了规范路灯灯杆的设计和使用,国家出台了一系列的标准,以确保路灯灯杆的质量和安全性。
本文将对路灯灯杆国家标准进行详细介绍,以便于相关从业人员和管理者能够更好地了解和遵守相关规定。
首先,路灯灯杆的国家标准主要包括了设计、选材、安装、维护等方面的规定。
在设计方面,国家标准要求路灯灯杆的高度、材质、风载荷等必须符合相关规定,以确保其在使用过程中能够承受风雨等自然环境的考验。
在选材方面,国家标准规定了路灯灯杆的材料应具有一定的强度和耐腐蚀性能,以保证其使用寿命和安全性。
在安装和维护方面,国家标准要求相关人员必须按照规定的程序和要求进行操作,以确保路灯灯杆的稳固性和照明效果。
其次,路灯灯杆的国家标准还对相关的测试方法和质量控制进行了详细的规定。
在测试方法方面,国家标准要求对路灯灯杆的材料、结构、强度等进行必要的检测和验证,以确保其符合相关的标准和要求。
在质量控制方面,国家标准要求相关生产企业必须建立健全的质量管理体系,并进行相应的认证和监督,以确保生产出的路灯灯杆符合国家标准的要求。
最后,路灯灯杆的国家标准对于相关的安全和环保要求也进行了明确的规定。
在安全方面,国家标准要求路灯灯杆必须具有一定的防盗和防腐蚀性能,以确保其在使用过程中不会对周围环境和人员造成危害。
在环保方面,国家标准要求相关生产企业必须符合相关的环保要求,以确保生产过程不会对环境造成污染。
综上所述,路灯灯杆国家标准的出台对于规范路灯灯杆的设计、生产、安装和维护具有重要的意义。
相关从业人员和管理者应该严格遵守相关规定,确保路灯灯杆的质量和安全性,为城市道路的照明和交通安全做出应有的贡献。
同时,相关的监督和检测机构也应严格执行相关的监督和检测程序,确保路灯灯杆符合国家标准的要求。
只有这样,才能够确保城市道路的照明系统能够发挥最大的效果,为城市的发展和居民的生活提供更好的保障。
路灯灯杆行业企业标准
路灯灯杆作为城市道路照明系统的重要组成部分,其质量和性能直接关系到城
市道路照明的效果和安全。
因此,制定路灯灯杆行业企业标准具有重要意义。
本文将从材料选用、结构设计、安装要求等方面,对路灯灯杆行业企业标准进行探讨。
首先,材料选用是路灯灯杆质量的关键。
在制定企业标准时,应明确规定路灯
灯杆所采用的材料种类、材质要求、强度等级等内容。
材料的质量直接关系到路灯灯杆的使用寿命和安全性能,因此在标准中应严格规定相关要求,确保材料的质量和稳定性。
其次,结构设计是路灯灯杆质量的重要保障。
企业标准应规定路灯灯杆的结构
设计要求,包括外形尺寸、连接方式、防腐蚀处理等内容。
结构设计的合理与否直接关系到路灯灯杆的稳定性和安全性,因此在标准中应对结构设计进行详细规定,确保路灯灯杆的结构稳定可靠。
另外,安装要求也是制定企业标准时需要考虑的重要内容。
路灯灯杆的安装质
量直接关系到城市道路照明系统的使用效果和安全性能,因此在标准中应对路灯灯杆的安装要求进行明确规定,包括安装深度、固定方式、安装位置等内容,确保路灯灯杆的安装质量符合标准要求。
综上所述,制定路灯灯杆行业企业标准是非常必要和重要的。
标准的制定应充
分考虑材料选用、结构设计、安装要求等方面的内容,确保标准的科学性和实用性。
只有制定了科学合理的标准,才能有效提高路灯灯杆的质量和性能,为城市道路照明系统的建设和管理提供有力支持。
太阳能路灯、灯杆、灯具、电气系统技术规范及技术要求一、使用环境条件:1、海拔高度:≤5000M;2、环境温度:-50℃_+70℃;3、设计风速:35m/s;4、相对湿度:80%;5、抗震烈度:8级二、采用标准(最新检察标准):所有设备及材料的制造、实验等各方面应遵循下列标准:GB7000.1-2002《灯具通用安全要求与试验》GB7003-86《灯具外壳防护等级分类》QB/T3741-1999《灯具电镀、化学覆盖层》GB7248-87《电光源安全要求》GB9468-88《道路照明灯具光度测试》GB19652-2005《电光源产品质量分级等指标》GB5702-85《光源显色性评论方法》GB50259-96《电气照明装置施工及验收规范》CJJ89-2001《城市道路照明工程施工及验收规范》IEC60598-1《国际安全标准》三、互换性:相同型号的照明设备和附件的结构、性能参数、尺寸等,应完全相同,所有备品备件的材料和性能应与原提供的样品照明设备相同。
四、铭牌和标志:1、所有灯杆、灯具和主要元器件及其附件都要有铭牌和标志。
2、铭牌和标志应符合中国国家标准的有关规定,铭牌应安装在适当位置,且能方便地看清铭牌上的内容,标志应字迹清晰且不易损环脱落。
3、铭牌上应包括以下内容:(1)制造厂家名称和商标;(2)型号、名称和出厂编号;(3)出厂日期:(4)主要的额定参数:(5)防护等级。
4、实验:设备安装完毕后要进行现场试验,供货方须派人参加,所有试验结果应符合GB50259-96《电气照明装置施工及验收规范》的有关要求。
五、灯杆技术要求1、符合国家现行规定的路灯验收标准。
2、灯杆灯具参数、尺寸、外型见图纸3、灯杆内外表面采用热镀锌防腐处理后喷塑,颜色以效果图为准,表面光滑,不变色,无针的孔、无流挂、无剥落等现象;镀锌厚度不小于85微米,喷塑厚度不小于100微米。
4、支撑杆、横档为优质低碳钢材,无凹陷等明显痕迹,并与主杆一样采用热镀锌、喷塑。
路灯质量标准第一章总则1、为贯彻国家经委颁发的“工业企业全面质量管理办法”全面提高路灯设计、施工、运行水平,特制定本标准。
2、本标准要求路灯设计、检修、安装、运行等各项工作中均应遵照执行。
3、本标准从颁发之日起试行,在执行中应不断总结经验并根据安全生产发展的需要,进行修改和补充,使之逐步完善。
4、本标准与上一级规程有抵触时,应以上一级规程为准。
第二章灯具及附件第一节一般标准第二节路灯、灯具部分第三节立皮线第四节飞保险与分支保险第五节镇流器第六节电容器第七节灯杆第一节一般标准一、灯高1、灯具安装高度,同一街道灯具安装高度必须一致(发光中心到地面高度)。
小弯灯一米灯5~6米普通街道长臂灯和吊灯 6.5~7.5米快车道弧型灯不低于8米慢车道弧型灯不低于6.5米2、特殊灯型根据设计要求安装,灯的高度在致相当于需要被照明马路的宽度。
只在一侧照明时H≌L在两侧照明时H≌L/2其中,H:灯具安装高度(米)L:路宽(米)二、灯具仰角1、灯具仰角街道宽度及灯具的配光曲线来决定,每条街道的仰角应一致。
2、灯头可调时,应使光源中心线落在路宽的L/3~1/2范围内。
3、对长臂灯(或支臂灯)灯身在安装后,灯头侧应比电杆侧仰起100毫米。
4、特殊灯具应根据配光曲线来决定灯具仰角。
第二节路灯灯具部分1、灯具应牢固端正,谢绝有松动,歪斜现象。
2、灯罩应完整无损,没有破碎。
3、搪瓷灯伞锈蚀,变形者应更换。
4、灯具反光镜面失效,应更换。
5、灯具反光镜在运输,安装过程中不应损坏或变形,灯罩应加胶圈,擦试明亮,灯口是瓷的破碎露铜时,应予调换。
6、灯具、灯身不能弯曲,各部分固定螺丝需加弹簧眼线紧好,谢绝松动。
7、铸铁灯头有裂纹,掉块不能使用,没有胶皮堵头者,应加胶皮堵头。
8、灯身抱箍要适合电杆,装置服贴不应过长。
9、灯身的透明罩和反光镜检修时应清扫擦拭干净,现场无法清扫的应更换。
10、透明罩的扣环应完整好用,防止掉罩应用可靠挂勾。
11、灯具防尘毡条要齐全,不齐的要修换。
路灯质量标准第一章总则1、为贯彻国家经委颁发的“工业企业全面质量管理办法”全面提高路灯设计、施工、运行水平,特制定本标准。
2、本标准要求路灯设计、检修、安装、运行等各项工作中均应遵照执行。
3、本标准从颁发之日起试行,在执行中应不断总结经验并根据安全生产发展的需要,进行修改和补充,使之逐步完善。
4、本标准与上一级规程有抵触时,应以上一级规程为准。
第二章灯具及附件第一节一般标准一、灯高1、灯具安装高度,同一街道灯具安装高度必须一致(发光中心到地面高度)。
小弯灯一米灯5-6米普通街道长臂灯和吊灯6.5-7.5米快车道弧型灯不低于8米慢车道弧型灯不低于6.5米2、特殊灯型根据设计要求安装,灯的高度在致相当于需要被照明马路的宽度。
只在一侧照明时H≌L 在两侧照明时H≌L/2 其中,H:灯具安装高度(米)L:路宽(米)二、灯具仰角1、灯具仰角街道宽度及灯具的配光曲线来决定,每条街道的仰角应一致。
2、灯头可调时,应使光源中心线落在路宽的L/3-1/2范围内。
3、对长臂灯(或支臂灯)灯身在安装后,灯头侧应比电杆侧仰起100毫米。
4、特殊灯具应根据配光曲线来决定灯具仰角。
第二节路灯灯具部分1、灯具应牢固端正,谢绝有松动,歪邪现象。
2、灯罩应完整无损,没有破碎。
3、搪瓷灯伞锈蚀,变形者应更换。
4、灯具反光镜面失效,应更换。
5、灯具反光镜在运输,安装过程中不应损坏或变形,灯罩应加胶圈,擦试明亮,灯口是瓷的破碎露铜时,应予调换。
6、灯具、灯身不能弯曲,各部分固定螺丝需加弹簧眼线紧好,谢绝松动。
7、铸铁灯头有裂纹,掉块不能使用,没有胶皮峦氛撸8、灯身抱箍要适合电杆,装置服贴不应过长。
9、灯身的透明罩和反光镜检修时应清扫擦拭干净,现场无法清扫的应更换。
10、透明罩的扣环应完整好用,防止掉罩应用可靠挂勾。
11、灯具防尘毡条要齐全,不齐的要修换。
12、灯坨与灯管法兰盘必须配套有得有裂纹有伤痕,螺丝要齐全,螺栓长度应能穿透灯坨法兰盘。
深圳中电南方电力设备股份有限公司前言为了规范CESP系列LED路灯产品的技术要求,为产品设计及检验提供依据,制定此标准。
本标准由深圳中电南方电力设备股份有限公司提出。
本标准由深圳中电南方电力设备股份有限公司工程部参照广东省地方标准修订。
深圳中电南方电力设备股份有限公司LED路灯1范围本标准规定了道路、街路、隧道照明和其他室外公共场所照明用LED路灯的技术要求、试验方法、检验规则、标志方式、包装、运输和储存条件。
本标准适用于LED路灯。
LED 路灯是指以LED 作为发光器件的道路照明灯具,与高压钠灯、金卤灯为光源的传统路灯相比,具有节能、环保、长寿命等优点。
2规范性引用文件下列文件中的条款通过本标准的引用而成为本标准的条款。
凡是注日期的引用文件,其随后所有的修改单(不包括勘误的内容)或修订版均不适用于本标准,然而,鼓励根据本标准达成协议的各方研究是否可使用这些文件的最新版本。
凡是不注日期的引用文件,其最新版本适用于本标准。
GB7000.1-2001 灯具一般安全要求与试验GB7000.5-2005 道路与街路照明灯具的安全要求CJJ45-2006 城市道路照明设计标准EN13201-2:2003 路灯-第2部分:性能要求EN13021-3:2003 路灯-第3部分:性能的计算EN13201-4:2003 路灯-第3部分:测量照明性能的方法IEC61347-2-13:2006 灯的控制装置第2-13部分:LED模组用交流或直流供电的电子控制装置的特殊要求IEC62031 普通照明用LED模组的安全要求IEC62384:2006 LED模组用交流或直流供电的电子控制装置的性能要求GB3836.1—2010 《爆炸性环境第1部分:设备通用要求》GB3836.3—2010 《爆炸性环境第3部分:由增安型“e”保护的设备》GB3836.9—2006 《爆炸性气体环境用电气设备第9部分:浇封型“m”》GB/T2423.1-2001 电工电子产品环境试验第2部分: 试验方法试验A: 低温GB/T2423.2-2001 电工电子产品环境试验第2部分: 试验方法试验B: 高温GB4208-1993 外壳防护等级(IP代码)3 术语和定义本标准采用下列术语和定义:3.1 LED在注入电流时能发光的包含P-N结的固态器件。
路灯灯杆行业企业标准路灯灯杆行业企业标准Q/KKA W001-2004道路灯杆Q/KKA W001-2004本标准规定了道路灯杆材料质量、几何尺寸、检验方法。
本标准适用于道路灯杆的生产、检验。
2、规范性引用文件下列文件的条款通过本标准的引用而成为本标准的条款。
凡是注日期的引用文件,其随后所有的修改单(不包括勘误的内容)或修订版均不适用于本标准。
然而,鼓励根据本部分达成协议的各方研究是否可使用这些文件的最新版本。
凡是不注日期的引用文件,其最新版本适用于本标准。
GB7000.5-1996 GB700-88 GB2975Q/WG(RZ)07-99 GB228GB232GB2473、锥形管3.1原材料为Q235热轧钢板,符合Q/WG(RZ)07-99标准。
3.2锥形管主要尺寸3.3底座尺寸3.4字母表示DB-单臂SB-双臂GG-高杆4、焊接4.1焊接锥形管采用自动埋弧焊接。
4.2焊接要求表面光洁,焊缝饱满,焊缝高出表面不大于2mm。
5、镀锌5.1采用热浸式镀锌5.2镀层均匀,厚度不小于0.06mm。
6、喷塑6.1采用静电喷塑粉,燃油热风炉固化。
6.2喷塑前对镀锌杆全面打磨,使之平整、光洁。
6.3喷层均匀、牢固,喷涂厚度不小于0.06mm。
7、几何精度检验8、安装8.1 6-8米灯杆地笼直径不小于Φ0.4M,深0.8M。
8.2 12米以下灯杆螺杆直径M20×4根,用30×3扁钢连成整体并用δ=3钢板定位,用#字形扁钢将地笼固定,然后捣制混凝土。
8.3安装必须牢固,接地线路稳妥、可靠。
9、标志9.1产品完工后装订产品标牌。
9.2标牌注明厂名、产品名称、出厂日期、地址、联系电话。
10、包装、运输及储存10.1电杆采用包装纸、塑料袋、草绳或按客户要求包装。
10.2运输应防水淋湿,摆放整齐,垫放软包装,防止表面损伤。
10. 3储存应放在室内阴凉处,避水、避潮,防止爆晒,堆码整齐。
11、安装基础11.1灯杆高度9米(含9米)以下,采用1号基础图规定尺寸。
路灯执行标准大全第一篇:路灯执行标准大全高杆灯技术要求技术规格书一工作范围综述:主要包括**基**米高杆灯的制造、运输、现场安装和调试(包括所有基础预埋件,如预埋法兰盘、预埋螺栓等)。
二、投标方所提供的高杆灯应符合相应的国家标准(GB)或国际电工委员会标准(IEC)。
投标方应执行国家标准、国际标准、行业标准的最新版本。
《钢结构设计规范》GBJ9-1987,GBJ17-1988 《高耸结构设计规范》GBJ135-1990 《优质素钢技术条件》 GB/T899-1988《钢铁制品热镀层技术要求》 GB/T13912-1992《焊接质量保证熔化焊接头的要求和缺陷分级》GB/T12469-1990 《升降式高杆照明装置技术条件》 JT/T312-1996 《建筑地基基础设计规范》 GB17-89三、高杆灯技术参数本次招标的高杆灯为电动/手动升降式。
1 灯杆1)所有金属结构(不锈钢件除外)内外表面需热镀锌处理,现场无焊接现象;2)灯杆不得有影响强度的裂纹、灰渣、焊瘤、弧坑和针状气孔,并且无折破和中断的缺陷;3)灯杆采用多边形拔销杆,插接式结构4)插接长度应大于插接处端直径的1.5倍 5)整体安装垂直度不大于千分之三;6)高杆灯应在风速33米/秒时,摄像机传回的监控画面应保证控制室内操作人员正常观看;7)杆体整体使用寿命30年以上;8)灯杆箱门采用暗锁,杆底小门防护等级不低于IP65;9)除本身配备的防雷接地系统外,所有高杆灯小门内设等电位联结箱,箱内设6个等电位联结端子;10)注明杆体材质、杆体的组成情况(节数、壁厚、上下直径)及重量; 2 高杆灯的升降系统;1)高杆灯按照安装工业电视系统考虑,均采用单升降系统;2)升降过程中对灯具及摄像机的冲击力量尽量小;3)升降系统采用灯杆内置独立电动卷扬机构,卷扬机设有专门的止动锁定装置。
可通过线控实现5米外的远距离操作;4)电动工具与卷扬机之间应装有可调式独立的扭矩限制器,以防止过载;5)高杆灯采用电动升降机构,电动方式可以点动,断电时要求可以手动操作。
以下是公司6-12米路灯的相关标准参数,签单计算杆子时可供参考、标准灯杆尺寸参数表、利用率1、公司常用规格材料:常规灯杆宽为0.85米、1.25米、1.5米,厚度为2.75mm、3.0mm、3.5mm、3.75mm。
2、 6-12 米利用率计算如下:6 米灯杆:(1) 已知灯杆上口 = $60锥度=11 %。
3=2.75 L=6000 选用宽为1.25米钢板料;得到:开料尺寸:上口开料尺寸 =174 下口开料尺寸 =387,根据下料尺寸,可开 4 张钢板的重量=7.85 X 0.275 X 112.2 X 600=145.33Kg(2) 1.25 米钢板全部利用完的重量 =7.85 X 0.275 X 125 X 600=161.9Kg(3) 材料的利用率 =145.33/161.9 X 100%=89.77%7 米灯杆:(1) 已知灯杆上口 =$60 锥度=11 % 3=3.0 L=7000 选用宽为 1.25 米钢板料;得到:开料尺寸:上口开料尺寸 =179 下口开料尺寸 =421 ,根据下料尺寸,可开 4 张钢板的重量 =7.85 X 0.3 X 120 X 700=197.82Kg(2) 1.25米钢板全部利用完的重量 =7.85 X 0.3 X 125 X 700=206.06Kg(3) 材料的利用率 =197.82/206.06 X 100%=96%8 米灯杆:(1) 已知灯杆上口 =$60 锥度=11 % 3=3.0 L=8000 选用宽为 1.25 米钢板料;得到:开料尺寸:上口开料尺寸 =179 下口开料尺寸 =456 ,根据下料尺寸,可开 4 张。
4 张。
4 张。
4 张钢板的重量=7.85 X0.3 X127 X800=239.27Kg(2) 1.25米钢板全部利用完的重量=7.85 X0.3 X125 X800=235.5Kg(3) 材料的利用率=239.27/235.5 X100%=101%10 米灯杆:(1)已知灯杆上口= $70锥度=11 %。
厂区路灯技术要求及其它*一、灯杆技术要求1、高度:8米。
2、材质:采用优质Q235壁厚3.5毫米钢板经模压成型,经热镀锌处理后静电喷塑。
3、焊接工艺:整个杆体应无任何一处开裂、漏焊、连续气孔、咬边等,焊缝光滑平整,无凹凸起伏,无任何焊接缺陷,须提供焊接探伤报告。
4、杆体观感:造型及尺寸符合要求,整体美观大方,杆体表面光滑一致,色泽均匀。
镀锌层光滑平整,喷塑层粘附力强而不易剥落。
5、颜色:灯杆底部向上1.5米,灯杆上端往下2.0米及灯臂为孔雀蓝,其余为白色(具体见相关图)。
6、所有固定螺栓、螺母等使用不锈钢材料(地脚螺栓、螺母除外)。
7、灯杆上口外径60毫米,下口外径≥160毫米。
*二、灯具技术要求LED路灯灯体: 灯体为方形,灯具设计美观合理,外壳为防腐蚀铸铝壳体,防腐等级需在WF2以上,抗500小时盐雾处理;透镜采用光学级PMMA,面盖采用高透过率钢化玻璃(不小于5mm)且散热效果好。
灯具应具有在环境温度-20℃~+50℃范围内50000小时寿命(70%的流明维持率),并提供寿命的LM80报告,整灯的CQC认证及测试报告。
(1) 光源显色指数:Ra≥80。
(2)色温:3000K,4000K。
(3) 防护等级: IP65 或以上。
(4) 整灯光效: 120lm/W(80W,整灯光通量≥9600lm;120 W,整灯光通量≥14400 lm,(国家级检测报告)。
(5) 颜色: 灰色。
(6)功率因数:cos∮≥0.95(提供检测报告)。
(7) 驱动电源禁止外置,裸露。
(8)灯具型号:采用飞利浦公司BRP392 LED120/NW 100W 220-240V DM MP1。
(9)连接线:负责内部接线至灯杆底座内的端子上及灯具内连接线,连接线采用耐高温,耐高压硅橡胶电线。
一、方案概述随着中秋节的临近,月饼作为传统的节日美食,市场需求日益旺盛。
本销售方案旨在通过多元化的营销策略,提升月饼销量,扩大品牌影响力,实现经济效益和社会效益的双丰收。
二、市场分析1. 市场现状:近年来,月饼市场逐渐呈现出多元化、个性化的趋势,消费者对月饼的口味、包装、文化内涵等方面有了更高的要求。
2. 目标客户:主要针对中高端消费群体,包括家庭、企事业单位、商务人士等。
3. 竞争分析:市场上月饼品牌众多,竞争激烈,需突出自身特色,打造差异化竞争优势。
三、销售策略1. 产品策略:- 口味创新:研发多种口味,满足不同消费者的需求,如经典五仁、巧克力、榴莲等。
- 包装设计:采用环保、时尚的包装,体现品牌形象和文化内涵。
- 礼盒组合:推出不同规格的礼盒,满足不同消费层次的需求。
2. 价格策略:- 差异化定价:根据产品定位,采用差异化定价策略,既满足中高端消费者的需求,也兼顾大众市场。
- 促销活动:开展限时折扣、满减优惠等促销活动,刺激消费者购买。
3. 渠道策略:- 线上线下结合:线上线下同步销售,拓展销售渠道,提高市场覆盖率。
- 合作渠道:与超市、商场、专卖店等渠道合作,扩大销售网络。
4. 营销策略:- 品牌宣传:通过广告、公关活动、社交媒体等渠道进行品牌宣传,提升品牌知名度。
- 节日营销:结合中秋节传统文化,开展主题营销活动,如“团圆月饼”、“中秋家庭套餐”等。
四、文案策划1. 广告语:- “月圆人团圆,尽在XXX月饼!”- “中秋佳节,共享XXX月饼,传承美好时光!”2. 宣传文案:- 节日氛围篇:“中秋佳节,月圆人团圆,XXX月饼,与你共度美好时光。
”- 产品特色篇:“X XX月饼,精选优质食材,匠心制作,口感细腻,回味无穷。
”- 礼盒推荐篇:“XXX月饼礼盒,精选多种口味,高端大气,送礼佳品。
”3. 社交媒体互动:- “晒出你的中秋月饼照片,赢取XXX好礼!”- “分享你的中秋团圆故事,赢取XXX月饼礼盒!”五、执行与监控1. 执行计划:制定详细的执行计划,明确各部门职责,确保销售方案顺利实施。
路灯国家标准引言路灯作为城市基础设施中的重要组成部分,对于保障夜间交通安全和提高市民生活质量起着至关重要的作用。
为确保路灯的设计、安装和维护达到一定的质量标准,国家制定了路灯的相关标准。
本文将介绍路灯国家标准的背景和主要内容。
背景随着城市化进程的加快和人们对夜间生活质量的要求不断提高,路灯的重要性越来越凸显。
然而,在过去的一些年里,由于缺乏标准规范,路灯设计和施工质量参差不齐,导致了一些问题的出现,如照明效果不佳、能源浪费、维护困难等。
为了解决这些问题,国家决定制定统一的路灯国家标准,以提高路灯的设计、安装和维护水平。
主要内容路灯国家标准主要包括以下几个方面的内容:1. 设计要求路灯的设计要求是确保光照强度、色温、光分布等参数符合城市道路照明的需要。
标准中规定了各类道路和环境条件下的光照要求,以及路灯光分布的要求。
设计人员应根据标准进行光源选择、灯具布置、灯杆设置等工作。
2. 施工与安装标准中对于路灯的施工和安装过程进行了详细规定,包括基础设置、灯杆安装、灯具安装等。
其中,对于施工质量的要求十分严格,要求确保灯杆的垂直度、稳固性和安全性,以及灯具的稳定性和定位准确性。
3. 照明效果测试与评价标准规定了路灯的照明效果测试方法和评价指标。
通过检测路灯的光照强度、均匀度、色温等参数,评估路灯的性能是否符合标准要求。
测试结果将作为路灯验收和维护的依据。
4. 维护与管理标准中对于路灯的维护与管理也进行了规定。
包括定期巡检与维护、故障处理、灯具更换等方面。
标准要求相关管理部门建立健全的路灯维护管理制度,确保路灯的正常运行和效果。
标准的影响和意义路灯国家标准的制定和实施对于提高路灯的设计和施工质量、提高照明效果和能源利用效率、推动路灯维护管理水平的提高具有重要影响和意义。
通过引导行业规范实施,标准将促进行业的规范化和科学化发展,提高路灯的整体质量。
结论路灯国家标准的制定和实施是推动城市照明领域持续发展的重要举措。
路灯灯杆国家标准参数路灯灯杆是城市道路照明的重要设施,其设计和制造需要符合国家标准参数,以确保安全、高效的道路照明系统。
本文将介绍路灯灯杆国家标准参数的相关内容。
首先,路灯灯杆的材料应符合国家标准GB/T1591-2008《低合金高强度结构钢》的要求。
在材料选择上,应考虑到路灯灯杆的使用环境和寿命要求,以确保其具有足够的强度和耐腐蚀性能。
其次,路灯灯杆的设计应符合国家标准GB/T25389-2010《路灯灯杆设计规范》的要求。
设计时需考虑到路灯灯具的安装位置、道路类型、风载荷、雨水排放等因素,以确保路灯灯杆具有良好的稳定性和安全性。
另外,路灯灯杆的制造应符合国家标准GB/T18882.2-2002《城市道路照明用灯具》的要求。
在制造过程中,需要严格控制材料的质量,确保其符合设计要求,并且需要对成品进行严格的检测,以确保路灯灯杆的质量符合国家标准。
此外,路灯灯杆的安装应符合国家标准GB50009-2012《建筑结构荷载规范》的要求。
在安装过程中,需要考虑到路灯灯杆的承载能力和稳定性,确保其能够承受风载荷等外部作用力,同时需要保证安装的牢固性,以确保路灯灯杆的安全性和稳定性。
最后,路灯灯杆的维护和管理应符合国家标准GB/T50430-2007《城市道路照明工程技术规范》的要求。
在日常维护和管理中,需要定期对路灯灯杆进行检查和维护,确保其正常使用和安全性。
综上所述,路灯灯杆国家标准参数涉及到材料、设计、制造、安装、维护和管理等方面,对于确保道路照明系统的安全、高效运行具有重要意义。
制造商和使用单位应严格按照国家标准参数进行设计、制造、安装和维护,以确保路灯灯杆的质量和安全性,为城市道路照明提供可靠保障。
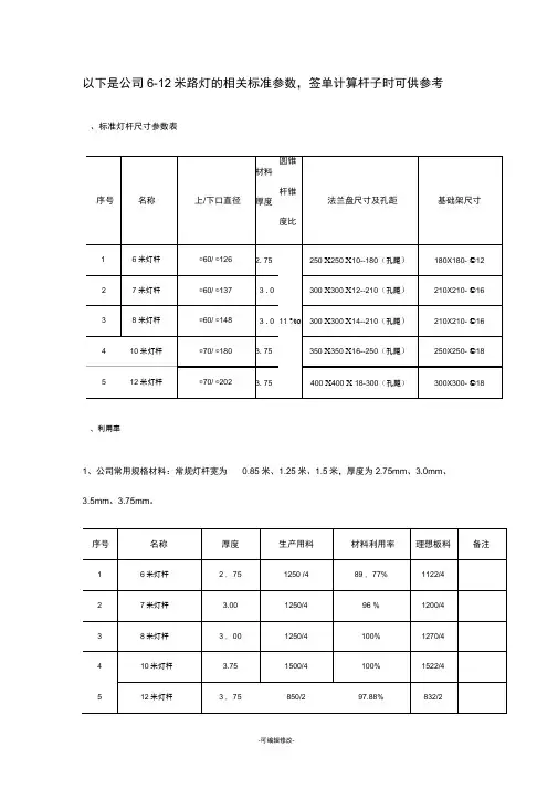
以下是公司6-12 米路灯杆的相关标准参数,签单计算杆子时可供参考。
一、标准灯杆尺寸参数表上 / 下口直径材料厚度圆锥杆序号名称法兰盘尺寸及孔距基础架尺寸备注锥度比1 6 米灯杆φ60/ φ126 2. 75 250×250×10 --180( 孔180X180- φ12 距 )2 7 米灯杆φ60/ φ137 3.0 300×300×12 --210( 孔210X210- φ16 距 )3 8 米灯杆φ60/ φ148 3.0300×300×14 --210( 孔210X210- φ16 11‰距 )4 10 米灯杆φ70/ φ180 3. 75 350×350×16 --250( 孔250X250- φ18 距 )5 12 米灯杆φ70/ φ202 3. 75 400×400×18 -300( 孔300X300- φ18 距 )二、利用率1、公司常用规格材料:常规灯杆宽为米、米、米,厚度为、、、。
序号名称厚度生产用料材料利用率理想板料备注1 6 米灯杆2.75 1250 /4 89.77% 1122/42 7 米灯杆1250/4 96 % 1200/43 8 米灯杆3. 0 1250/4 100% 1270/44 10 米灯杆1500/4 100% 1522/45 12 米灯杆3.75 850/2 % 832/22、 6-12 米利用率计算如下:6米灯杆:(1)已知灯杆上口 =φ60 锥度=11‰ δ= L=6000 选用宽为米钢板料;得到:开料尺寸:上口开料尺寸=174 下口开料尺寸 =387,根据下料尺寸,可开 4 张。
4 张钢板的重量 =××× 600=(2)米钢板全部利用完的重量=××125×600=(3)材料的利用率 =×100%=%7 米灯杆:(1)已知灯杆上口 =φ60 锥度=11‰ δ= L=7000 选用宽为米钢板料;得到:开料尺寸:上口开料尺寸=179 下口开料尺寸 =421,根据下料尺寸,可开 4 张。
A00Q/ZG 绵阳众工机械有限公司企业标准Q/ZG01-001-2011 道路灯杆2011年6月12日发布2011年6月22日实施绵阳众工机械有限公司发布前言为确保“道路灯杆”产品出厂成品质量,维护消费者权益,同时达到加强管理、降低成本、提高经济效益目的。
本产品因目前尚无国家标准和行业标准,为了保证产品质量,本着“有标可依”的原则; 本公司特参照灯杆的有关国家标准及行业标准,于2011年6月22日发布了绵阳众工机械有限公司企业标准Q/ZG01-001-2011《道路灯杆》,作为组织生产和检验产品的依据,其中的各项技术要求将随企业的技术进步及产品的改进而修改。
现决定从2011年6月22日起执行。
本标准主要参照:GB2694-88 热浸镀锌体镀锌质量GB10854-89 钢结构焊接外形尺寸GB77-88 碳素结构钢GB1591-93 低合众结构钢技术条们GB2519-88 热连轧钢板含带钢品种DL/T646-98 输电线路钢管杆制造技术条件AASHT01994 灯杆、高杆、交通信号杆本标准由:绵阳众工机械有限公司提出。
本标准起草单位:绵阳众工机械有限公司质量部本标准主要起草人:周国良1 范围本标准规定了道路灯杆的产品分类、技术要求、试验方法、检验规则及标志、包装、运输、贮存等要求。
本标准使用于灯杆的制作生产、实验方法和检验规则。
2 规范性引用文件下列文件中的条款通过本标准的引用而成为本标准的条款。
凡是注日期的引用文件,其随后所有的修改单(不包括勘误的内容)或修订版均不适用于本标准,然而,鼓励根据本标准达成协议的各方研究是否可使用这些文件的最新版本。
凡是不注日期的引用文件,其最新版本适用于本标准。
1、GB2694-88 热浸镀锌体镀锌质量2、GB10854-89 钢结构焊接外形尺寸3、GB77-88 碳素结构钢4、GB1591-93 低合众结构钢技术条们5、GB2519-88 热连轧钢板含带钢品种6、DL/T646-98 输电线路钢管杆制造技术条件7、AASHT01994 灯杆、高杆、交通信号杆3 产品分类灯杆系列产品分为锥杆和直杆两类4 灯杆技术参照要求1.主体杆采用一次成型,钢杆(Q235)焊缝须平整光滑,整根杆体焊缝凸起的部分与本杆体平整误差应不大于±1mm。
路灯灯杆执行什么标准路灯灯杆是城市道路上不可或缺的设施,它们的标准执行对于城市的交通和市容有着重要的影响。
那么,路灯灯杆执行的标准是什么呢?接下来,我们将深入探讨路灯灯杆执行的标准问题。
首先,路灯灯杆的执行标准主要包括以下几个方面,材料选用、结构设计、安装要求、防腐处理、外观要求等。
在材料选用方面,路灯灯杆应选用具有一定强度和耐腐蚀性能的材料,以确保其在使用过程中不易发生变形和腐蚀。
在结构设计方面,路灯灯杆的设计应符合工程结构的要求,能够承受一定的风压和外力,保证其在各种恶劣天气条件下能够正常使用。
在安装要求方面,路灯灯杆的安装应符合相关的规范要求,确保其稳固可靠,不会出现倾斜和松动的情况。
在防腐处理方面,路灯灯杆应经过防腐处理,以延长其使用寿命,减少维护成本。
在外观要求方面,路灯灯杆的外观应美观大方,符合城市的整体风貌。
其次,路灯灯杆执行的标准还应符合国家相关的法律法规和标准规范。
国家对于路灯灯杆的执行标准有着明确的规定,包括材料、设计、安装、使用等方面的要求。
在选用材料方面,国家标准规定了路灯灯杆所使用的材料的种类和质量要求,以保证其使用寿命和安全性。
在设计方面,国家标准规定了路灯灯杆的结构设计要求,包括杆体的高度、壁厚、外形等参数,以确保其符合工程结构的要求。
在安装和使用方面,国家标准规定了路灯灯杆的安装和使用要求,包括安装位置、固定方式、电气连接等,以确保其在使用过程中能够正常运行。
最后,路灯灯杆执行的标准还应考虑到实际的使用环境和需求。
不同的地区和场所对于路灯灯杆的要求可能会有所不同,需要根据实际情况进行调整。
例如,在海边或者酸雨较为严重的地区,路灯灯杆的防腐要求可能会更加严格;在风力较大的地区,路灯灯杆的结构设计可能会有所调整。
因此,在执行路灯灯杆标准时,需要根据实际情况进行综合考虑,确保其能够适应不同的使用环境和需求。
综上所述,路灯灯杆执行的标准涉及到材料选用、结构设计、安装要求、防腐处理、外观要求等多个方面,需要符合国家相关的法律法规和标准规范,并且需要考虑到实际的使用环境和需求。
路灯灯杆行业企业标准集团标准化工作小组 #Q8QGGQT-GX8G08Q8-GNQGJ8-MHHGN#
路灯灯杆行业企业标准
Q/KKAW001-2004
道路灯杆
Q/KKAW001-2004
目录
一、前言
1、范围
2、规范性引用文件
3、锥形管
4、焊接
5、镀锌
6、喷塑
7、几何精度检验
8、安装
9、标志
10、包装、运输及安装
11、安装基础
Q/KKAW001-2004
道路灯杆
1、范围
本标准规定了道路灯杆材料质量、几何尺寸、检验方法。
本标准适用于道路灯杆的生产、检验。
2、规范性引用文件
下列文件的条款通过本标准的引用而成为本标准的条款。
凡是注日期的引用文件,其随后所有的修改单(不包括勘误的内容)或修订版均不适用于本标准。
然而,鼓励根据本部分达成协议的各方研究是否可使用这些文件的最新版本。
凡是不注日期的引用文件,其最新版本适用于本标准。
GB700-88 GB2975
Q/WG(RZ)07-99 GB228
GB232
GB247
3、锥形管
原材料为Q235热轧钢板,符合Q/WG(RZ)07-99标准。
锥形管主要尺寸
底座尺寸
字母表示
DB-单臂 SB-双臂 GG-高杆
4、焊接
焊接锥形管采用自动埋弧焊接。
焊接要求表面光洁,焊缝饱满,焊缝高出表面不大于2mm。
5、镀锌
采用热浸式镀锌
镀层均匀,厚度不小于0.06mm。
6、喷塑
采用静电喷塑粉,燃油热风炉固化。
喷塑前对镀锌杆全面打磨,使之平整、光洁。
喷层均匀、牢固,喷涂厚度不小于0.06mm。
7、几何精度检验
8、安装
6-8米灯杆地笼直径不小于Φ,深。
12米以下灯杆螺杆直径M20×4根,用30×3扁钢连成整体并用δ=3钢板定位,用#字形扁钢将地笼固定,然后捣制混凝土。
安装必须牢固,接地线路稳妥、可靠。
9、标志
产品完工后装订产品标牌。
标牌注明厂名、产品名称、出厂日期、地址、联系电话。
10、包装、运输及储存
电杆采用包装纸、塑料袋、草绳或按客户要求包装。
运输应防水淋湿,摆放整齐,垫放软包装,防止表面损伤。
10. 3储存应放在室内阴凉处,避水、避潮,防止爆晒,堆码整齐。
11、安装基础
灯杆高度9米(含9米)以下,采用1号基础图规定尺寸。
灯杆高度10米—12米,采用2号基础图规定尺寸。
灯杆高度12米(含12米)以下,酌情采用3、4号基础规定尺寸。
混凝土标号必须保证C20,基础浇筑后12天以上方可进行安装,混凝土基础周围必须夯实。
基础的深度一般为灯杆高度的1/6-1/8,,长宽根据你路灯的灯型而定了,一般的是600mm-800mm见方的。
,另外基础应该有4条预埋螺丝(最小不能低于M20),螺丝预埋尺寸一般是600mm-800mm,别忘了加上预埋PVC套管。
至于它的倾覆抗性,首先统计你们那里的一年中的平均风速,这个可以去气象局查,然后计算出灯杆的风压再加上灯杆本身的扭矩,这样就可以知道它的基础应该承受的大概应力,再下来实际测量当地的地质报告,就能具体的知道路灯基础周围所需的强度了,至于怎么处理,最简单的就是做三七灰土了
路灯基础一般按路灯高度来定即长宽是路灯高度的8%,深度取10%。
具体要根据当地的地质结构状况做适当调整
基础施工说明 8米路灯为例
1 螺栓
地脚螺栓采用16优质钢材(A3)加工而成,总长度
750mm,顶端放50mm—M16螺牙,并配上4只M16的螺母4只垫片,下端以R100弯折150mm,整个基础共4根M16螺栓。
用6圆钢将4根螺栓焊接成正方形,对角中心距为280。
上端螺牙应统一超出水平面50mm,螺牙应用电工用黑胶布裹好,以防水泥浆砂粘上,不便拧固螺母。
螺栓下端弯向一致对外。
2 钢筋网与混凝土
此基础为钢筋混凝土结构,按《建筑地基基础设计规范》GBJ7-89等标准设计。
水泥的标号应在425#以上,基础底部垫层不低于50mm,钢筋保护层混凝土厚度不小于50mm,混凝土强度等级不低于C18(200kgf/cm2),地基要注意施工保养。
本基础埋置深度为1100mm,基础顶面应和水平面一致。
3 避雷接地装置与电缆穿线管
避雷接地极采用1根40×δ4mm的扁铁条,上端打的孔,并且连接绝缘铝线,两端用扎头扎好,扎头孔径为,接地扁
铁条放在基础中间130范围内,下端超出基础50mm,上端超出50mm,此工作切不可疏忽。
接地电阻应小于10Ω。
电缆穿线管50以上,可用PVC管,也可用镀锌钢管以
R180弯折而成。
4 其它事项
本基础适用于地基承载力设计值f≥60KPa(f≥6tf/m2)和最大风力不超过11级的地区,但在山区和f<60KPa的软弱地基的地区,地质状况比较复杂时,应由当地勘察设计单位确定,本公司提供的“基础构造配筋示意图”仅供参考。
本基础应征得土建部门认可后,才能施工。