单火线取电智能开关设计经验(附电路原理图)_V2.0版本
- 格式:pdf
- 大小:714.43 KB
- 文档页数:7
• 192•基于单火线取电技术,设计了一种智能开关,用于替代传统的机械开关,通过网络控制实现开关的操作,硬件系统用乐鑫ESP8266芯片作为主控处理器,使用芯片内置无线射频电路以WIFI 的形式进行网络通信,设计了单火线取电模块,围绕主控电路设计了可控硅控制模块、过载保护模块等;并开发了配套手机APP 软件和服务器后台控制程序,能够很好的实现实时远程控制的预期功能,具有良好的用户生态交互。
由于网络的不断发展,WIFI 技术得到了广泛的应用,而随着物联网技术的普及,智能家居设备逐渐走进了千家万户,人们更加喜欢使用网络开控制电器的使用,这使得智能开关越来越受欢迎,同时也使家庭中原有装设的传统机械开关使用频率越来越低。
伴随着技术的进步,可以预见的是传统的机械开关面板将要逐渐的被物联网的智能开关所替代,正在走向智能控制的时代。
但目前大部分电子智能开关的供电方式为零火线供电,需要在设备上接入两根线,这种按照的方式有别于只需要接一根火线的传统机械开关,需要重新对家庭照明布线,这造成了在安装的过程中费时费力的问题,因此无法大规模推广使用对于这种情况,本文提出并设计一种基于ESP8266的单火线智能开关控制系统,能够直接替代机械开关,可以通过网络控制,支持接入多种负载,用户交互性好,成本低,系统稳定程度高。
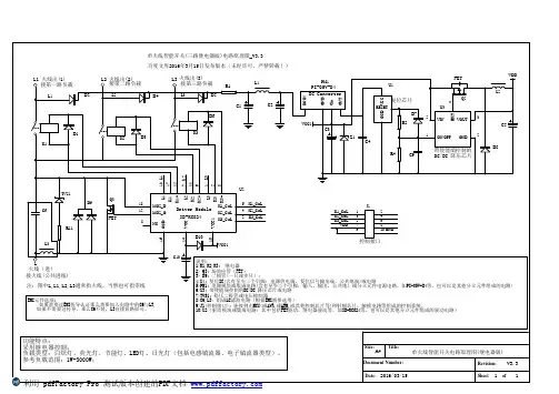
1 系统方案图1 系统总体设计2 硬件设计2.1 主控电路ESP8266芯片是一款定位于智能家居设备的芯片,由乐鑫公司研发并生产,这款芯片提供了完美的无线网络的解决方案,芯片内置32位CPU ,可以作为产品中的主控处理器,并且自身集成了其他芯片都不具备的网络通讯功能,得益于小体积以及极简外设电路的优势,在设计PCB 时可以保证布局占用的面积最小。
ESP8266 内置了固件化的协议栈,其中主要包括 Wi-Fi Direct (P2P )、802.11b/g/n 、Soft-AP 协议栈以及内置TCP/IP 协议栈,极大的简基于ESP8266的单火线智能开关控制系统的设计河南理工大学电气工程与自动化学院 李晨婉 孙艺铭 牛兴才 张 丽图2 芯片外设电路图本系统主要由以ESP8266为核心的智能开关、服务器平台、手机App 三部分组成,其中,智能开关可以通过WIFI 通信的方式连接到互联网,从而使设备与云端服务器通信,服务器作为一个数据转发的中枢,将接收到的信息中转给需要的设备,将智能开关的状态发送给手机App ,同时也将用户的控制信息下发给智能开关,而App 主要是安装在手机上,用户进行交互,实时传达用户的控制指令,智能开关中的处理器经过对信息的处理,通过可控硅元件控制电气的控制,形成了一个完整的控制通讯体系。
国内的开关布线都是一根火线,智能家居的开关需要一根线单独给它供电,这样就需要两根线,安装智能家居就需要重新布线,装修好的房子就不能安装智能家居,有的厂家为了解决这个难题,采取单火取电技术。
单火线取电技术的难点在于,在灯具关闭时,单火智能开关是和灯具串联后接入电网的,所以流过智能开关和灯具的电流大小是一样的,电流小就会导致智能开关电路不能工作,如果电流过大就会导致灯具会有间歇性闪光或白炽灯关闭时有红丝等问题。
还有负载类型变化也会引起电流的变化,从而导致开关控制电路工作不稳定等,单火电源干扰造成无线电遥控距离近不稳定等。
单火智能开关因其工作环境的特殊性,对待机和工作能耗的要求更是苛刻,所以,微功耗单火待机和工作电源电路的研发难度非常大,到目前为止这仍是国内外限制单火线(单极)智能产品发展的最主要技术瓶颈。
博力恒昌公司研发生产的Z i g b e e智能开关单火取电技术已被攻克。
这意味着博力恒昌科技已经成为全球首家Z i g b e e单火智能开关提
供商。
实用新型公开了一种单火线取电装置,连接于火线与控制系统之间,包括并行的闭态取电模块和通态取电模块;所述闭态取电模块由串接的全波整流和隔离变电压器构成,所述通态取电模块为双MOS管取电器。
本方案采用全波整流、隔离电压器闭态取电、双MOS管通态取电,使得取电性能大大提升,在控制小功率节能灯和日光灯方面表现出色,不会出现闪灯、开关断电等情况;其取电更稳定,能获取的闭态工作电流更大。
相比零火取电更加节能和高效,在安装上更是零火取电不能企及的。
开关电源电路图及原理讲解最近一段时间很多朋友问到关于强电问题,其中关于开关电路居多,那么今天我们来详细了解下关于电路的接法。
一、开关电源的电路组成开关电源的主要电路是由输入电磁干扰滤波器(EMI)、整流滤波电路、功率变换电路、PWM控制器电路、输出整流滤波电路组成。
辅助电路有输入过欠压保护电路、输出过欠压保护电路、输出过流保护电路、输出短路保护电路等。
开关电源的电路组成方框图如下:二、输入电路的原理及常见电路1、AC输入整流滤波电路原理:①、防雷电路:当有雷击,产生高压经电网导入电源时,由MOV1、MOV2、MOV3:F1、F2、F3、FDG1组成的电路进行保护。
当加在压敏电阻两端的电压超过其工作电压时,其阻值降低,使高压能量消耗在压敏电阻上,若电流过大,F1、F2、F3会烧毁保护后级电路。
②、输入滤波电路:C1、L1、C2、C3组成的双π型滤波网络主要是对输入电源的电磁噪声及杂波信号进行抑制,防止对电源干扰,同时也防止电源本身产生的高频杂波对电网干扰。
当电源开启瞬间,要对C5充电,由于瞬间电流大,加RT1(热敏电阻)就能有效的防止浪涌电流。
因瞬时能量全消耗在RT1电阻上,一定时间后温度升高后RT1阻值减小(RT1是负温系数元件),这时它消耗的能量非常小,后级电路可正常工作。
③、整流滤波电路:交流电压经BRG1整流后,经C5滤波后得到较为纯净的直流电压。
若C5容量变小,输出的交流纹波将增大。
2、DC输入滤波电路原理:①、输入滤波电路:C1、L1、C2组成的双π型滤波网络主要是对输入电源的电磁噪声及杂波信号进行抑制,防止对电源干扰,同时也防止电源本身产生的高频杂波对电网干扰。
C3、C4为安规电容,L2、L3为差模电感。
②、R1、R2、R3、Z1、C6、Q1、Z2、R4、R5、Q2、RT1、C7组成抗浪涌电路。
在起机的瞬间,由于C6的存在Q2不导通,电流经RT1构成回路。
当C6上的电压充至Z1的稳压值时Q2导通。
关键词摘要:两线制单火线智能家居无线遥控触摸感应 ZigBee智能开关单火线取电技术超微功耗单火线电源模块 PI-3V3-B4 PI-05V-D4前言随着智能家居的快速发展,单火线智能墙壁开关(只有单根火线进/出,不需要零线)成为了传统机械墙壁开关的升级换代(直接替代)产品,实现了灯具和电器开关的智能化控制(如声控开关,触摸开关,红外线遥控开关,人体感应开关,手机控制WIFI 智能开关等)。
并且,国内外普通家庭大多为单火线布线,在升级实现智能化改造时往往要求新智能开关能直接代换旧有的机械墙壁开关,更换时无需重新布线。
所以开发新型电子智能照明开关都必须要求采用单线制(2 Wire 两线制)的单火开关。
根据电子常识可知,凡是电子智能照明开关本身都需要消耗一定的电流,在待机时,由于单火线开关待机取电是通过流过灯具的电流给智能开关的控制电路供电的,如果待机输入电流太小就会导致待机电路不能正常工作,如果待机输入电流太大就会导致灯具关闭后还会有闪烁或微亮(出现“关不死”的现象)等问题。
特别是高阻抗的电子节能灯和LED灯(例如: 高效节能灯和AC直接驱动的AC LED灯具),对待机电流更为敏感。
单火线开关闪烁的原因是什么?电子开关为什么接白炽灯不会闪烁,而接节能灯和LED灯就会闪烁呢?这与节能灯(或LED灯)以及电子开关的自身构造都有关系:由于电子开关是用电子电路组成的控制开关,就一定要消耗一定的电流,这一电流必定要通过串接在电源回路中的节能灯(或LED灯)。
由于电子节能灯(或LED灯)内部电路结构的特殊性,即使流过节能灯(或LED 灯)的电流很小,也会使节能灯产生不同程度的闪烁现象。
下面分析其中原因:节能灯(或LED灯)内部电路一般采用了桥式整流电容滤波电路,如下图:当电子开关本身消耗的微小的电流通过火线经灯具内部的桥式整流电路的滤波电容C时,这一很小的电流向灯具内部电容C充电,当灯具内部电容C上的直流电压充到一定的程度时(约50V左右,不同的灯电路会有些差别),节能灯内部的电子电路就会恢复工作而使节能灯(或LED灯)点亮,这时电容C两端的电压因为放电而随则会下降,然后再开始下一回合的充电及放电过程。
第19卷第2期2021年3月Vol.19No.2Mar.2921电源学报Journal of Power SupplyDOI:10.13234/j.issn.2095-2805.2021.2.128中图分类号:TN703文献标志码:A单火线供电智能开关取电回路的设计与研究惠亮亮1,王开铭2,陈华泰2,王江彬3(1.陕西铁路工程职业技术学院,渭南714000;2.国网白银供电公司,白银730900;3.西安交通大学电气工程学院,西安710049)摘要:设计了一种单火线供电智能开关的取电回路。
首先分析了单火线供电智能开关的基本工作原理,并对待机取电回路加以分析,在此基础上提出了两种单火线供电智能开关的设计方案;然后通过两种设计方案的对比,选取基于电源模块辅助取电回路设计方案,给出了具体的原理图,并搭建实验测试平台;最后在实验平台上测得该单火线智能开关在待机状态、工作状态以及通断过程中各个结点的实验波形。
理论分析及实验结果表明,该设计方案下的单火线供电智能开关具有一定的正确性和有效性。
关键词:单火线;供电;智能开关;取电回路Design and Research of Intelligent Switch Power-taking Circuitfor Single-fire-wire Power SupplyHUI Liangliang1,WANG Kaiming2,CHEN Huatai2,WANG Jiangbin3(1.Shaanxi Railway Institute,Weinan714000,China;2.State Grid Baiyin Power Supply Company,Baiyin730900,China;3.School of Electrical Engineering,Xi'an Jiaotong University,Xi'an710049,China)Abstract:A power-taking circuit for a single-fire-wire power supply intelligent switch is designed.First,the basic working principle for this switch is analyzed,and the standby power-taking circuit is analyzed.On this basis,two design schemes for the single-fire-wire power supply intelligent switch are proposed.Then,through the comparison between the two design schemes,the design scheme for the auxiliary power-taking circuit based on a power module is selected,and the specific schematic diagram is drawn.In addition,an experimental test platform was built.Finally,the experimental waveforms of the single-fire-wire intelligent switch in standby state,working state and the on-off process were measured at each node on the experimental platform.The theoretical analysis and experimental results show the correctness and effectiveness of the single-fire-wire power supply intelligent switch under the design scheme.Keywords:single-fire-wire;power supply;intelligent switch;power-taking circuit智能开关因其独特的优势成为传统机械式墙收稿日期:2018-12-15;录用日期:2019-04-04基金项目:渭南市2019年度重点研发计划资助项目(2019ZDY F-JCYJ-127);陕西铁路工程职业技术学院自然科学基金资助项目(Ky2018-78);陕西铁路工程职业技术学院供电科技创新团队资助项目(KJTD201901);陕西铁路工程职业技术学院2019年中青年科技创新人才资助项目(KJRC201905) Project Supported by Weinan City Key R&D Plan Project in 2019(2019ZDYF-JCYJ-127);Research Foundation of Shaanxi Railway Institute(Ky2018-78);Shaanxi Railway Institute Power Supply Technology Innovation Team(KJTD201901);Shaanxi Railway Institute Middle and Young Technological Innovation Talents in2019(KJRC201905)壁开关的更新换代产品,它为智能家居的实现提供了一个良好的思路,也为远程智能控制提供了可行性,使家居灯光控制和电器开关控制变得更加智能化和人性化同时,国内外普通家庭大多为单火线布线,由于金属导线越来越昂贵,多走一根线的成本远高于开关本身实施单火线增加的成本,所以近年来生产智能开关的厂家及相关科研人员都在单线制这一技术领域投入了大量的人力和物力进行研究。
目前二线制无零线输入电子墙壁开关除供电电路之外的其它电路如控制电路、驱动元件等的供电大多采用在开关关闭时由关态供电电路在电力线路的电压回路中取电的方法即关态供电方法其电路称为关态供电电路以及在开关开启时由开态供电电路在电力线路的电流回路中取电的供电方法即开态供电方法其电路称为开态供电电路。
关态供电方法一般采用阻容降压整流滤波或变压器降压整流滤波当开关关闭时由于开关的控制电路需要维持正常待机工作会消耗较小的功率而在开关开启的瞬间开关消耗较大的功率用继电器作为开关的驱动元件更是如此。
即使控制电路及微控制器在开关关闭时的待机功耗很低为了保证开关的正常开启需要较大的关态供电电流大于等于开关的最大工作电流否则开关开启的瞬间电压迅速下降使得控制电路不能继续正常工作。
因此在开关关闭时仍有较大的待机电流流过开关当负载为节能灯或日光灯时灯具会发生闪烁现象。
为了不使灯具闪烁有的采用在负载两端并联阻容元件作为负载连接器的方法这就增加了安装难度使电子开关难以推广。
基于以上问题本文提供了一种用于二线制电子开关的供电电路在开关关闭时给控制电路提供很小的电流用以维持待机工作开关开启的瞬间先由控制单元控制关态供电单元提供较大的工作电流给控制单元和驱动元件使开关开启然后转入开态供电状态。
当开关关闭时控制单元控制关态供电单元提前进入大电流工作状态迅速补充开关关闭瞬间控制单元和驱动元件消耗的功率使电源滤波电容两端的电压维持在额定值。
有效地解决了负载灯具闪烁的问题。
供电电路如图1所示包括开态供电单元、关态供电单元及稳压滤波单元其特征在于关态供电单元还包括瞬态电流控制电路开关开启的瞬间先由控制单元的控制端口发出控制信号给与其相连的瞬态电流控制电路瞬态电流控制电路通过稳压滤波单元提供较大的工作电流给控制单元和驱动元件再由控制单元控制驱动元件使开关开启转入开态供电状态。
当开关关闭时控制单元控制关态供电单元提前进入大电流工作状态迅速补充开关关闭瞬间控制单元和驱动元件消耗的功率使电源滤波电容两端的电压维持在额定值然后瞬态电流控制电路维持很低的电流供控制单元进入休眠待机状态时使用。
关键词摘要:两线制单火线智能家居无线遥控触摸感应 ZigBee智能开关单火线取电技术超微功耗单火线电源模块 PI-3V3-B4 PI-05V-D4
前言
随着智能家居的快速发展,单火线智能墙壁开关(只有单根火线进/出,不需要零线)成为了传统机械墙壁开关的升级换代(直接替代)产品,实现了灯具和电器开关的智能化控制(如声控开关,触摸开关,红外线遥控开关,人体感应开关,手机控制WIFI 智能开关等)。
并且,国内外普通家庭大多为单火线布线,在升级实现智能化改造时往往要求新智能开关能直接代换旧有的机械墙壁开关,更换时无需重新布线。
所以开发新型电子智能照明开关都必须要求采用单线制(2 Wire 两线制)的单火开关。
根据电子常识可知,凡是电子智能照明开关本身都需要消耗一定的电流,在待机时,由于单火线开关待机取电是通过流过灯具的电流给智能开关的控制电路供电的,如果待机输入电流太小就会导致待机电路不能正常工作,如果待机输入电流太大就会导致灯具关闭后还会有闪烁或微亮(出现“关不死”的现象)等问题。
特别是高阻抗的电子节能灯和LED灯(例如: 高效节能灯和AC直接驱动的AC LED灯具),对待机电流更为敏感。
单火线开关闪烁的原因是什么?
电子开关为什么接白炽灯不会闪烁,而接节能灯和LED灯就会闪烁呢?这与节能灯(或LED灯)以及电子开关的自身构造都有关系:由于电子开关是用电子电路组成的控制开关,就一定要消耗一定的电流,这一电流必定要通过串接在电源回路中的节能灯(或
LED灯)。
由于电子节能灯(或LED灯)内部电路结构的特殊性,即使流过节能灯(或LED 灯)的电流很小,也会使节能灯产生不同程度的闪烁现象。
下面分析其中原因:节能灯(或LED灯)内部电路一般采用了桥式整流电容滤波电路,如下图:
当电子开关本身消耗的微小的电流通过火线经灯具内部的桥式整流电路的滤波电容C时,这一很小的电流向灯具内部电容C充电,当灯具内部电容C上的直流电压充到一定的程度时(约50V左右,不同的灯电路会有些差别),节能灯内部的电子电路就会恢复工作而使节能灯(或LED灯)点亮,这时电容C两端的电压因为放电而随则会下降,然后再开始下一回合的充电及放电过程。
这样,我们就会看到灯闪或微亮现象。
这一闪烁现象的间隔与流过的电流及节能灯(或LED灯)的内部电路结构密切相关,很难进行具体量化(如:多少瓦数以上的灯不会闪烁,哪些类型的灯不会闪烁)。
经过对大量各品牌不同厂家的节能灯进行实际测试,发现引起节能灯闪烁的电流从20微安至100微安不等。
有一些节能灯在电流小于10微安以下时都还会出现闪烁或者微亮的现象,另外灯闪烁与否与实际灯的标称功率瓦数也没有直接的绝对关系(如: 测试发现有些1W甚至更小的灯都不会闪烁或微亮,而有一些个别杂牌5W的灯却会出现闪烁
或微亮)。
所以,微功耗单火待机和工作电源电路的研发难度非常大,到目前为止这仍是国内外限制单火线(也称: 2 wire,单极,两线)智能开关发展的最主要技术瓶颈。
我们唯一可以做的就是: 将待机电流做到更小(15uA或者以下),以适应更多的各类灯具,从而保证绝大多数灯具不会出现闪烁(由于世界上的灯具品种繁多质量参差不齐所以少数个别极其特殊的灯具闪烁也是不可预知及无法避免的,在此特别建议生产厂家千万不要对客户或消费者绝对性承诺您的单火线智能开关带任何灯都不会闪烁,或者带x 瓦以上的单不会闪烁,以免万一碰到而遭受不必要的麻烦)。
单火线取电的解决方案有哪些?
单火线智能开关的DC供电电源(或者电源模块)设计需要重点考虑两个问题:一方面尽可能的降低待机功耗: 减小待机电流,避免出现灯关后闪烁或者微亮;另一方面是单火线的取电问题: 提供足够的输出电流给电子开关控制电路(如专用控制IC、MCU、红外接收头、RF遥控模块、ZigBee芯片、继电器或者可控硅等)。
由于电子开关工作时取电是通过开关断开时的两端压差来取电的,当开关闭合时就没有了压差无法取电,这样就会导致控制电路开时失电失控问题。
对于这一问题,有很多的解决办法出现,但有些还是比较复杂,电路成本也较高。
目前市场上一些单火线电子开关的取电方式主要有:
方案一:变压器电源变换取电法
其实现方式是先将主回路电流整流,再经电子变压器进成DC-DC转换取出直流电
作为控制电流。
变压器电源变换取电方案的优点是:成品较低。
其缺点是:电路稳定性较差,生产调试非常困难且不良品较高,另外负载兼营性也是非常有限:因为变压器转换方式效率很低(有些人标示为85%,实际测试一般为35%左右)功耗较高,带节能灯或LED灯可能会出现关不断的现象而出现闪烁现象,所以不能控制小功率的负载。
采用此种方案的电子开关厂家,往往在产品使用说明书中要求用户在节能灯或LED灯的两端并接旁路电容或电阻,其方法是在节能灯或LED灯的两端并接一个0.1微法左右的电容或68K左右的电阻,由于外加电容或电阻的交流旁路作用,流过节能灯或LED灯的电流比较小,因而可以避免部分节能灯或LED灯闪烁,外加电阻或电容配件主要是优点就是开发技术难度较低;但是一方面因为外加电容体积及外加电阻自身发热的问题,外加电容或电阻只能提供比较有限的电流,无法保证某些中高档电子开关(如Zigbee智能开关等)的自身供电电流足够,因而兼营的灯具比较有限,另一方面从安装的角度来说不太方便,需要额外拉线驳接这个电容或电阻配件,这将增加了安装的难度而影响了消费体验,所以目前极少用在中高档智能开关产品中,只是在市场上的一些普通的低档单火线开关中比较常见。
上述变压器电源变换取电法,已经初步解决了电子开关的自身供电的问题(解决了电子开关断态时供电的问题),但对于电子开关控制的负载的功率范围、稳定性及其电源转换效率方面,还是存在明显的不足。
方案二:超微功耗电源转换器取电法
为了降低电子开关自身功耗、减少待机电流,一方面除了对控制电路(如控制芯片、RF无线模块等)要选用低功耗的电子元器件来减小电源的负荷之外;另一方面单火取电电源电路要采用效率高功耗小的超微功耗电源变换器;这样才能将电子开关自身整机功耗限制在0.01W以内,我们可以从理论上计算一下:节能灯的最大不闪烁电流I=30uA,开关和灯是串联的,那么待机功耗P=Ui=220V×30uA=0.0088W=7.33mw; 现在视为理想情况输出效率为100%,若输出电压按Uo=5V计算,那么电子开关自身电源的输出电流Io=P/Uo=0.00733W/5V=1.46mA ,而实际上由于电源开关管的穿透电流在10uA以上,这种超微功耗电源效率做到100%是不可能的,达到60%以上都极为困难,实际电子开关的电源供给负载的电流达到1mA就不错了。
这种方案的优点是电路耗电极低,可以兼营更多的灯具不会出现闪烁情况,但是超微功耗电源转换器电路复杂,成本较高。
目前市场上出现了一些一体化的小体积微功耗单火线电源模块 (如可控硅
专用型PI-3V3-B4,继电器专用型PI-05V-D4等),由于其专业化程度比较高、性能稳定、无需调试,能够满足各类负载功率(如:小功率LED灯、大功率电器等)及负载类型(包括阻性、容性、感性负载,如白炽灯、荧光灯、节能灯、LED灯、节能灯等)的应用要求,特别是可以接各种日光灯(包括传统电感镇流器、新型电子镇流器类型),不失为智能家居厂家开发智能开关的一种捷径,从而快速突破单火线取电的技术瓶颈而将开发重点转移到产品智能化设计上面来。
此类超小型一体化电源模块,其输入电压范围非常宽(13V-380V) 、输出功率较大(最大200mA)、输出电压可选(常用3.3V, 5V等),灯具负载范围宽(参考:3W-3000W)、功耗低发热较小。
可以为控制电路(如专用控制IC、MCU、红外接收头、RF遥控模块、ZigBee模块、蓝牙模块、继电器或者可控硅等)提供稳定的工作电源。
该产品的优点是采用超微功耗电路设计,利用此电源模块的超宽电压输入特点(确保无论开灯或者关灯时都能实现稳定供电),保证了电子开关的安全稳定,电源模块电路的转换效率较高,在电子开关断态时,转换效率达到65%以上并且主回路上的电流较小,可以带绝大多数(因为世界上的灯具品种繁多质量参差不齐,不可能兼营所有!)节能灯和LED灯而不出现烁或者微亮现象。
此系列超小型一体化电源模块可以根据实际控制电路需要
(如,是采用专用IC 还是采用MCU;是采用红外接收还是RF 遥控,是采用继电器还是可控硅,....等等,不同的控制电路所需要的工作电压和工作电流不一样)来选用,(如可控硅专用型PI-3V3-B4、PI-05V-B4,继电器专用型PI-05V-D4 等)。
最后附上单火线开关应用电路原理图(以下为单火线供电电源部分仅供学习参考, 正式生产用完整三路开关电路原理图可联系单火线模块生产厂家提供)。