青岛市建筑施工现场标准化管理样板工程标准清单
- 格式:docx
- 大小:41.18 KB
- 文档页数:30
青建管质字〔2010〕54号青岛市城乡建设委员会建筑工程管理局关于贯彻《全省创建施工现场综合管理样板工程活动方案》的通知各区(市)建设行政主管部门,各建设、施工、监理单位:为全面贯彻省建管局《全省创建施工现场综合管理样板工程活动方案》(附件1),进一步提高我市施工现场标准化管理水平,全面提升标准化示范工地创建质量,现将有关事项通知如下。
一、创建活动总体思路创建样板工程和创建标准化示范工地的出发点和落脚点是一致的,旨在通过提高施工现场管理水平进而全面提升企业的综合管理水平和核心竞争力,取得经济效益和社会效益双丰收。
为此,结合我市实际,创建样板工程要通过创建标准化示范工地这一有效载体来实施,与创建标准化示范工地实践中形成的比较健全的工作机制和富有成效的经验相结合,全面提高施工现场管理水平。
二、具体安排(一)凡是获得"青岛市标准化示范工地"称号的,由市建管局直接推荐为山东省施工现场综合管理样板工程,不再重新评审。
企业在申报标准化示范工地时,同时填写《山东省施工现场综合管理样板工程申报表》(见附件2)。
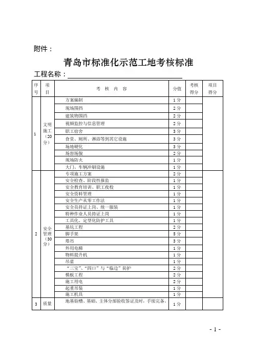
(二)调整《青岛市标准化示范工地考核标准》,具体内容见附件3。
(三)标准化示范工地考核标准调整为:总分110分,其中文明施工20分,安全管理30分,质量管理40分(比原标准增加10分),建筑队伍10分,监理10分,经考核99分以上者为标准化示范工地,市场主体考核加分待遇不变。
(四)由于标准化示范工地已经获得加分,获样板工程后不再另外加分。
(五)凡是获得标准化示范工地(样板工程)的,优先推荐参加泰山杯、鲁班奖、国优工程等评选。
三、有关要求各级各部门各单位要高度重视,把创建样板活动与创建标准化示范工地结合起来,充分发挥好标准化示范工地这一载体形成的较为完善的工作机制,精心组织,科学培育,全力提升施工现场管理水平。
有关要求重申如下。
(一)严格申报机制。
凡是开工后15日内未申报的,一律不予受理,不安排评审。
推荐青岛市施工现场标准化管理样板工程
所需资料说明
1.推荐汇总表(加盖推荐主管部门公章),同时通过邮箱报
送电子版qdzac@;
2.施工现场标准化管理评价标准打分表(主管部门打分);
3.施工现场管理图册,包含以下内容
(1)质量安全体系悬挂上墙的体系照片
(2)文明施工①办公室、宿舍、卫生间、淋浴室、食堂、职工夜校、吸烟饮水室等场所的照片②现场总片面布
置的实况照片
(3)安全管理①现场实体进度全景照片②“三宝四口”使用及防护照片③脚手架、模板等现场搭设情况照片(4)质量管理①质量标准化落实情况照片②现场材料样品库、材料堆放、钢筋加工场地照片③现场质量控制
相关照片④实体混凝土成型照片
(5)队伍管理及工程监理现场相关照片,现场进场队伍信息公示牌
(6)工程亮点介绍及照片。
青岛市房屋建筑工地文明施工精细化管理标准房屋建筑工地文明施工管理应符合《建筑施工现场环境与卫生标准》JGJ146、《施工现场临时建筑物技术规范》JGJ/T188和《建筑工程扬尘防治工作导则》(青建管办字〔20XX〕23号)等有关国家现行标准规定。
一、方案编制1.施工前应由工程技术人员、安全管理人员编制文明施工专项方案。
2.文明施工专项方案应由施工单位技术负责人审批,项目总监理工程师、建设单位项目负责人审核并签字确认。
3.文明施工专项方案应包括施工现场围挡墙、临建设施、扬尘整治、场容场貌、卫生管理、环境保护、消防等主要内容。
二、现场围挡1.工具式彩色喷塑钢板围挡墙的组成主要由墙板、钢柱和墙体基础三部分组成,形成连续围挡墙。
墙板统一使用白灰色,立柱统一使用浅灰色,不得擅自使用其它颜色。
2.一块整体墙板由9块厚度不得小于0.8mm、高度为2m、宽度为0.40m的钢板连结组合而成,墙板上下端沿口采用厚度3mm、断面宽36mm槽钢压条,将钢板依次滑入槽中,墙板与墙板之间应设置钢柱,上下槽钢压条与钢柱用螺栓连接,墙板侧边靠紧钢柱。
3.钢柱为截面为100mm×100mm×3mm方管钢,高度为2.03m ,钢柱底板采用厚度不小于5mm×240mm×240mm钢板,在钢柱顶部下约0.6m处加设40mm×40mm×3mm角钢斜撑,钢柱底板四角与斜撑底部应采用膨胀螺栓与预埋混凝土柱基础连接固定,混凝土柱基础埋地深度不应小于0.4m。
4.围挡墙必须设置基础,基础高度不低于0.2m,宽度不小于0.24m, 砌筑砂浆必须满足规范要求,严禁使用粘土、杂土砌筑。
5.建筑施工现场应使用工具式彩色喷塑钢板围挡墙进行全封闭围挡,围挡墙外观应美观洁净、安全牢固,确保无歪斜、破损和乱涂乱画。
6.围挡墙内外应保持整洁,禁止依靠围挡墙堆放物料、器具等。
7.建设、施工、监理企业可以在建筑施工围挡墙进行企业文化宣传,同时应选取建设管理理念和文明城市等内容进行宣传。
关于实行建造工程质量标准化管理的通知各区、市建设行政主管部门,各开辟建设、施工、监理单位,各有关单位:为进一步提高建造工程质量管理水平,促进全市建造工程质量管理的科学化、规范化和标准化,借鉴部份开辟建设、施工、监理企业标准化管理的成功经验,决定在全市实行建造工程质量标准化管理。
现将有关要求通知如下:一、搞好前期策划,实行质量预控标准化管理(一)搞好图纸会审,解决设计缺陷问题建设单位要切实组织好设计、施工、监理单位进行图纸会审,解决图纸本身的缺陷、节点遗漏和平立剖图纸不符等矛盾,重点核查:1、是否满足强制性标准的要求,如:栏杆安全高度、安全玻璃使用部位、节能保温防火要求,窗户的选择,以及楼梯、消防楼梯的空间尺寸等。
2、是否影响使用功能,如:空调插座与空调穿墙预留洞位置问题,暖气片与开关、插座间距问题,厨房、洗手间的排烟(气)口的朝向、高度问题,设备管道标高及各种管线标高控制问题等。
(二)进行二次深化设计,解决设计深度和精细化施工问题工程施工前施工单位要对原图纸进行深化设计,绘制各阶段施工协调综合图纸,解决设计图纸和使用功能需求之间的关系及设计深度不能满足精细化施工要求的问题。
1、在结构施工阶段,应绘制各专业预留预埋管线、箱、盒等综合布置图,协调土建与安装专业预留预埋的关系,做到位置准确,不错不漏,不影响结构安全。
2、在设备安装阶段,应绘制各专业管线安装综合布置图及管线交叉布置节点详图。
统筹考虑各管线标高、走向、交叉、支吊架的做法,确定专业交叉部位的安装方法,明确管线布置等。
3、在装饰装修阶段,应绘制各专业末端安装综合布置图。
确定各末端设备安装位置,如吊顶上的灯具、烟感探头、消防喷淋、空调风口、音响喇叭等,做到布局合理、居中对称、美观大方,不影响使用功能。
(三)进行图文并茂的技术交底,解决施工操作问题施工单位必须对每一道工序的班组工人进行技术交底。
技术交底的内容,要针对操作工人的特点,深入浅出,通俗易懂,要说明操作的要领、应注意的问题和必须要达到的标准,并对每个节点绘制简图,采用图片结合文字的方式进行交底,做到图文并茂、一目了然,解决施工操作过程中容易浮现的质量通病。
青岛市施工现场标准化样板工程申报流程
青岛市施工现场标准化审验流程(参考)
一、创奖在主体阶段完成。
二、流程:(必须提前30天以上报公司工程部备案)
项目部填报《青岛市施工现场标准化管理评价标准》(见附件)当地主管部门
上报市建管局质安处组织现场验收
三、需上报的材料
1、《青岛市施工现场标准化管理评价标准》一:汇总表
2、现场照片资料:办公区、生活区、施工现场等,按附件要求。
四、现场要求及资料准备
按照《青岛市施工现场标准化管理评价标准》表中要求准备。
五、四季花城验收重点
1、安全资料13个盒子齐全、及时。
2、现场人证相符,合同、工资表、考勤、三级教育、安全技术交底。
3、中标五大员必须到场,人证相符,管理人员合同、保险证明。
4、企业资质(五证一照)。
5、安全员、质检员、施工员必须按照面积配备,现场需人
证相符,证件工作单位必须是我公司的。
劳务安全员按照务工人数配备。
重点安全员、质检员配备。
6、安全日检、周检、月检,质量周检、月检;安全生产例会记录(三方)。
7、塔吊防倾翻记录。
8、专业分包、劳务分包合同、企业资质(五证一照)。
外地企业需有入青信用证。
9、专项安全施工方案。
10、重大安全隐患源。
11、塔吊、升降机日检、月检记录。
12、电工巡视记录。
青岛市施工现场标准化 管理样板工程申报工程效果图工程名称:建设单位:监理单位:施工单位:技术负责人:编 制 人:竣工日期:卷内文件目录序号文件资料名称备注1 施工现场标准化管理样板工程推荐汇总表2 施工现场标准化管理评价标准汇总表3 施工现场标准化管理考核分表4 施工现场标准化管理图册(包含以下内容)5 质量安全体系6 文明施工7 安全管理8 质量管理9 队伍管理10 工程监理11 本工程创新亮点12 ······13141516···施工现场标准化管理评价标准一、汇总表项目名称项目地址联系电话建设单位总包企业项目经理劳务分包企业监理企业项目总监标准化管理考核1 2 3 4 5 6奖励加分考核得分质量安全体系建设(10分)文明施工(20分)安全管理(25分)质量管理(25分)队伍管理(10分)工程监理(10分)考核结论推荐样板工程□达标□不达标□(在对应项目打√)检查人姓名:检查时间受检项目负责人(签字)姓名:序号考核项目考核内容应得分扣减分数实得分数二、施工现场标准化管理考核分表1质量安全 管理 体系基 本 管 理项质量安全管理体系不健全,扣1分 未按规定悬挂上墙,扣1分2 总承包、专业承包、劳务分包企业未按规定配足具有任职资格的质量、安全专职管理人员,少1人扣1分3企业分管负责人未按要求对施工现场进行监督检查,扣1分 企业质量安全管理机构未按要求对施工现场进行监督检查,扣1分 项目部未按要求对施工现场进行监督检查,扣1分3质量、安全隐患未按照“三定”原则进行整改,并按期复查,扣2分2 考核项目小计10一 票 否 决 项施工企业不具备相应的施工资质或安全生产资格未建立质量安全管理体系序号考核项目考 核 内 容应得分扣减分数实得分数2 文明施工基本管理项施工现场未合理清晰划分作业区、办公区和生活区,并未采取隔离措施;扣1分未严格按照总平面布置图设置道路、设备、堆放物料场地、临时设施,扣2分3 施工现场围挡未按规定要求设置,扣2分 2施工现场出入口处未设置车辆冲洗设施,出场车辆未严格进行冲洗,扣3分 3裸露的场地和集中堆放的土方、建筑垃圾未采取覆盖、固化等措施,扣1分温暖季节未进行绿化布置,扣1分施工现场未采取防尘措施,扣1分3施工现场未按规定设置办公室、吸烟饮水室、文体活动室、职工夜校、卫生室,扣1分未按规定设置宿舍、食堂、厕所、淋浴间等,扣1分未按规定设置密闭式垃圾站(或容器)及盥洗设施等临时设施,扣1分3施工现场职工宿舍夏季没有有效地降温和防蚊虫措施,冬季没有安全的保温取暖措施,扣2分2 食堂没有卫生许可证,炊事人员未持身体健康证上岗扣1分炊事人员上岗未穿戴洁净的工作服、工作帽和口罩,扣1分2 施工垃圾、生活垃圾未分类存放,并及时清运出场;施工现场污水未采取集中沉淀和排放措施,扣2分2考核项目小计20 一票否决项未按规定使用远程信息采集系统新建临建设施未使用合格装配式彩钢活动房屋施工现场道路、加工区和生活区地面未进行硬化序号考核项目考核内容应得分扣减分数实得分数3 安全管理基本管理项楼梯口、电梯口、预留洞口、通道口、阳台、楼(屋)面、坑井等临边防护不符合规定要求,1处扣1分5 安全帽、安全网、安全带未按规定使用,扣3分 3未使用工具化、定型化防护工具,扣2分 2脚手架未按照规范要求和施工方案搭设,扣3分 3模板支架未按规范要求和施工方案搭设,扣3分 3施工用电未按规范要求实施,配电验收记录、电工巡视记录不齐全,扣3分 3起重机械设备未按规定使用、维护保养,扣3分 3未制定职工业务培训计划,未按照计划实施,扣3分 3考核项目小计25 一票否决项基坑工程、脚手架、模板工程、施工用电、起重吊装等未编制专项施工方案未按规定要求对深基坑进行加固与防护起重机械设备未办理登记使用标志发生安全事故序号考核项目考核内容应得分扣减分数实得分数4 质量基未设置企业月度检查公示栏,未公示企业每月检查情况的,扣1分。
青岛标准化工地管理规定为进一步提高建筑施工现场管理水平,积极推广标准化管理,结合我市实际,现提出以下意见:一、指导思想全市建筑施工现场推广标准化管理,就是要坚持以人为本、可持续发展的理念,以实现市场行为规范化、场容场貌秩序化、管理流程程序化、内部管理信息化、监控手段科技化为目标,积极引入国内外先进管理理念、管理方式,不断强化安全生产、文明施工、工程质量、建筑队伍、工程监理等各类要素的管理,将标准化活动贯穿于建筑施工现场管理的始终,促进全市建筑管理的科学化、规范化和系统化,进一步提高企业管理、行业监管和产业发展水平。
二、工作目标建筑施工现场推广标准化管理就是全面实施《建筑施工现场管理标准》(以下简称《标准》),用3年时间在全市3000平米以上建筑施工现场全部实现标准化管理(以下简称“标准化工地”)。
2005年市内四区建设不少于20处标准化示范工地,各区、市均建设不少于10处标准化示范工地;2006年全市新开工工程标准化工地达标率为50%以上;2007年新开工工程标准化工地达标率为100%。
三、推进措施标准化工地建设采取先试点、后推广、分段推进、由点及面的方式,不断巩固和扩展标准化工地创建成果,塑造全新的行业形象。
(一)高起点制定《标准》,提高施工现场科学管理水平《标准》全面总结了我市建筑施工现场管理经验,就当前和今后一个时期的施工现场管理工作,提出既体现先进管理理念、管理思路和管理方法,又便于操作的基本规定、基本尺度和基本指标,是指导全市建筑工地规范化、标准化、程序化的基本管理标准,也是最低管理要求,对于转变施工现场管理方式和社会形象具有重大的现实意义和深远的影响。
通过实施《标准》,重点解决好管理理念落后、管理方式陈旧、管理方法简单;以人为本理念没有牢固树立,不注重维护职工利益、不尊重职工权益;没有引入科学管理理念,运用经验式管理、作坊式管理;管理体系有缺陷、管理机制有漏洞;施工现场“脏乱差”现象不同程度存在等诸多问题,实现建筑施工现场管理方式的革新与跨越。
U附件1
青岛市施工现场标准化管理评价标准
一、汇总表
考核评分说明
1.此表及以下表格可作为主管部门检查使用,也可作为项目自查使用。
施工现场标准化管理考核对应质量安全体系、文明施工、安全管理、质量管理、队伍管理、工程监理6个分表。
根据考核结果汇总所得分值,确定项目标准化管理考核结果。
2.考核汇总分值计算方法:(考核计分采用百分制)
(1)汇总表中各分项实得分=该分项在考核分表中实得分之和。
(2)汇总表中项目考核实得分=汇总表中分项合计得分。
3.考核结果的确定方法:
(1)项目考核得分大于90分(含90分)的,可推荐样板工程;项目考核得分小于90分且大于70分(含70分)的,为达标工程;项目考核得分小于70分的,为不达标工程。
(2)存在一票否决项的工程,均视为不达标。
(3)在绿色施工推行中科技创新成果多、成效突出的工程,按照获得国家、省、市级表彰的,分别加6分、4分、3分。
二、施工现场标准化管理考核得分。
附件1
xx市建筑施工现场标准化管理样板工程“标准清单”
一、考核评价标准清单
汇总表
考核评分说明
1.此表及以下表格为xx市建筑施工现场标准化管理样板工程考核评价清单。
考核评价清单对施工现场安全生产管理、文明施工、质量管理、工程监理、建筑队伍管理、绿色施工、工程创新7个分项进行考核评分。
根据考核结果汇总所得分值,确定项目考核结果。
2.考核汇总分值计算方法:(考核计分采用百分制)
(1)分项检查评分表和检查评分汇总表的满分分值均应为100分,评分表的实得分值应为各检查项目所得分值之和。
(2)汇总表(分表)实际得分=汇总表(分表)在考核表中实得分之和乘以汇总表(分表)该分项应得分值/100。
3.考核结果的确定方法:
(1)项目考核得分大于90分(含90分)的,可作为样板工程公示。
(2)存在一票否决项的工程,均视为不达标。
(一)质量安全管理体系标准清单
(二)安全生产管理标准清单
(三)文明施工标准清单
(四)质量管理标准清单
(五)工程监理标准清单
(六)建筑队伍管理标准清单
(七)绿色施工标准清单
(八)工程创新标准清单。
目录创建青岛市施工现场管理标准化示范工地实施方案一、工程概况工程建设概况表1-11.1.1 工程设计概况xxxxxxxxxxxxxxxxxxxxx项目管理特点我项目部在“创标”过程中,要紧紧抓住施工现场管理标准化这条工作主线,对工程从基础、结构、装饰等不同阶段上动态地管理标准化。
从场容场貌做起,带动各项基础管理标准、做到处处有标准、人人讲标准,实施项目场内场外和软硬管理。
1、围墙大门规范化:做到整齐合一。
??2、物料堆放定量化:定量、定点堆放材料,即利于现场文明管理,又不至于材料积压过多,工地要加强对建筑材料、土方、混凝土、砂浆等在生产中造成扬尘的管理。
?3、管理资料档案化:做到各类管理资料分门别类编号装订成册,便于查找及存放,便于执行合同,为创效益提供可靠的原始资料。
?6、严格按照国家现行《安全生产技术操作规程》及公司安全生产管理的规定,做到工程安全生产坚决化。
?6、班组“落手清”制度化:从检查内容、每天报表等串起来实施,形成专人专责制度管理,促使班组“天天做,工完料尽场清。
?7、工序衔接定时化:坚持在总进度网络计划约束下,按月、周、日工地编制网络作业计划,根据实施情况保护资源平衡,工序搭接,并进行动态补网,各工序人员相对固定,提高熟练程度,确保计划实现。
?8、合同管理程序化:加强对合同的学习、理解和管理,树立恪守合同的观念。
?9、成本核算动态化:建立一套“先算后做、边算边做、做后再算”的标准,将成本控制落实到每层结构施工中。
工程特点分析1)工程规模大总建筑面积177593m2。
2)系统众多,功能齐全本工程系统众多,功能齐全,具有动力系统、照明系统、防雷接地系统、消防电气系统、综合布线、给水系统、排水系统、污水系统、消防系统、通风空调系统、空调水管系统。
3)材料用量大、批次多由于该工程体量大,设备材料种类多,因此关于设备材料的采购、运输、保管,既要注意仓储量并妥善保管,保证经济效益,又要有效衔接施工节点,有利于施工,对施工管理提出很高要求。
青岛市建筑施工现场标准化管理样板工程标准
清单
Document serial number【KKGB-LBS98YT-BS8CB-BSUT-BST108】
附件1青岛市建筑施工现场标准化管理样板工程“标准清单”
一、考核评价标准清单
汇总表
考核评分说明
1.此表及以下表格为青岛市建筑施工现场标准化管理样板工程考核评价清单。
考核评价清单对施工现场安全生产管理、文明施工、质量管理、工程监理、建筑队伍管理、绿色施工、工程创新7个分项进行考核评分。
根据考核结果汇总所得分值,确定项目考核结果。
2.考核汇总分值计算方法:(考核计分采用百分制)
(1)分项检查评分表和检查评分汇总表的满分分值均应为100分,评分表的实得分值应为各检查项目所得分值之和。
(2)汇总表(分表)实际得分=汇总表(分表)在考核表中实得分之和乘以汇总表(分表)该分项应得分值/100。
3.考核结果的确定方法:
(1)项目考核得分大于90分(含90分)的,可作为样板工程公示。
(2)存在一票否决项的工程,均视为不达标。
(一)质量安全管理体系标准清单
(二)安全生产管理标准清单
(三)文明施工标准清单
(四)质量管理标准清单
(五)工程监理标准清单
(六)建筑队伍管理标准清单
(七)绿色施工标准清单
(八)工程创新标准清单。