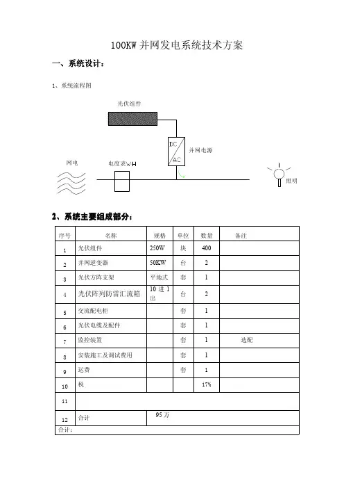
并网离网发电系统设计
- 格式:doc
- 大小:161.00 KB
- 文档页数:6
离网(独立)-型光伏发电系统设计与简易计算方法乛、離网(独立) 型光伏发电系统 (一) 前言:光伏发电系统的设计与计算涉及的影响因素较多,不仅与光伏电站所在地区的光照条件、地理位置、气侯条件、空气质量有关,也与电器负荷功率、用电时间有关,还与需要確保供电的阴雨天数有关,其它尚与光伏组件的朝向、倾角、表面清洁度、环境温度等等因素有关。
而这些因素中,例如光照条件、气候、电器用电状况等主要因素均极不稳定,因此严格地讲,離网光伏电站要十分严格地保持光伏发电量与用电量之间的始终平衡是不可能的。
離网电站的设计计算只能按统计性数据进行设计计算,而通过蓄电池电量的变化调节两者的不平衡使之在发电量与用电量之间达到统计性的平衡。
(二) 设计计算依椐:光伏二 河北西北部、山西北部、内5852-66801625-1855 3000-3200 16.0-18.3 8.2-8.7 4.5-5.1电站所在地理位置(緯度)、年平蒙南部、宁夏南部、甘肃中部、青海东部、西藏东南部、新疆西部均光辐射量F或年平均每日辐射量三山东、河南、5016-5851393-1622200-30013.7-16.06.0-8.2 3.8-4.5河北东南部、山西南部、新疆北部、吉林、辽宁、云南、陕西北部、甘肃东南部、江苏北部、安徽北部、台湾西南部250四湖南、湖北、广西、江西、淅江、福建北部、广东北部、陕西南部、江苏南部、安徽南部、黑龙江、4190-50161163-13931400-22011.5-13.73.8-6.0 3.2-3.8台湾东北部五四川、贵州3344-4190928-11631000-1409.16-11.52.7-3.8 2.5-3.2注:1)1 kwh=3.6MJ;亻2)f=F(MJ/m2 )/365天;3)h=H/365天;4) h1=F(KWh)/365(天)/1000(kw/m2 ) (小时) ;3) 5)表中所列为各地水平面上的辐射量,在倾斜光伏组件上的辐射量比水平面上辐射量多。
并网和离网光伏发电系统组件倾斜角设设置分析1.倾斜面电池板入射能量设计安装光伏发电系统时当然要掌握当地的太阳能资源情况。
设计计算时需要的基本数据如下:(1)现场的地理位置,包括地点、纬度、经度、海拔等;(2)安装地点的气象资料,包括逐月太阳总辐射量,直接辐射及散射量(或日照百分比),年平均气温,最长连续阴雨天,最大风速及冰雹、降雪等特殊气候情况。
这些资料一般无法作出长期预测,只能根据以往十到二十年观察到的平均值作为依据。
但是几乎没有离网运行的光伏发电系统建在太阳辐射数据资料齐全的城市,且偏远地区的太阳辐射数据可能并不类似于其附近的城市。
因此,在只能采用邻近城市的气象资料或类似地区气象观测站所记录的数据类推时,要把握好可能偏差的因素。
需知太阳能资源的估算会直接影响到离网光伏系统的性能和造价。
从气象部门得到的资料一般只有水平面上的太阳辐射量,要设法换算到倾斜面上的辐射量。
下面给出计算方法。
射向太阳电池方阵的入射能量,包括直接辐射、散射辐射和地面反射量三部分。
设水平面全天太阳总辐射量为IH ,它由直接辐射量IHO 和水平面散射量IHS 组成。
那么,射向与地平面成倾斜角θ设置的太阳电池板倾斜面总太阳辐射量It ,由下式计算得到01cos 1cos [cos sin coth cos()]22t HO HOHI I I I θθθθϕφρ+-≅+-++上式右边第一项是直射分量,第二项是散射分量,第三项是地面的反射分量。
ρ为地面反射率,不同的地表状态的反射率可由下表可得。
工程计算中,取ρ的平均值0.2,有雪覆盖地面时取0.7。
φ为太阳方位角,Φ为电池板方位角。
表4-2 地面反射率2.离网光伏发电系统组件倾斜角设置从水平面上的太阳能辐射量计算太阳电池方阵倾斜面所接收到的太阳辐射能,工作量较大。
目前,通常使用由加拿大环境能源署和美国宇航局(NASA)共同开发的光伏系统设计软件RETScreen 。
通过这一软件,可以方便地计算方阵的固定倾角、地平坐标方位轴跟踪、赤道坐标极轴跟踪以及方位角、倾角双轴精确跟踪等多种运行方式下太阳电池方阵面上所接收到的太阳辐射能。
光伏离网逆变器并机典型设计在一些无电地区,安装光伏离网储能系统,比采纳油机发电,更经济和环保。
相对于并网系统,离网系统较为简单,需考虑用户的负载、用电量、当地的天气状况,特殊是负载状况多样化,有像水泵类的感性负载、也有像电炉类的阻性负载,有单相,也有三相。
对于大于10kW的光伏离网系统,可以采纳单机或者多机并联的方式,但各有其优缺点。
本文主要介绍采纳多台离网逆变器搭建的中大功率光伏离网系统设计方法。
古瑞瓦特离网掌握逆变一体SPF5000TL HVM机型,最多支持6台并机,可以搭建30kW以内的光伏离网系统。
既可组成30kW的单相系统,还可组成30kW的三相系统。
考虑到三相负载不肯定均衡,6台逆变器组成三相系统时,还有多种配置方法,如222、321、411等,可以应对不同场景的用户需要。
下表是一个用户的实际负载状况和用电状况。
这个系统较特别,有单相负载与三相负载两种,且三相不平衡。
我们依据负载的分布,先进行逆变器选型设计,系统总负载功率是24kW,用户表示,不会全部的负载都同时运行,最大功率在20kW左右,因此设计采纳6台5kW单相离网逆变器,A相用3台共15kW,B相用2台共10kW,C相用1台共5kW,构成一个30kW三相不平衡的离网系统。
单相逆变器输出有两根线:相线和零线,6台逆变器的零线全接在一起,3台逆变器的相线接在A相,2台逆变器的相线接在B相,1台逆变器的相线接在C相。
多台逆变器并联,每台机还需连接通信线,A相的3台机均流线接在一起,B相的2台机均流线接在一起,连接完线,再接上蓄电池,关闭输出断路器,在面板上设置逆变器的相位,SPF5000进入设置第23项,A相的3台机设为3P1,B相的2台机设为3P2,C相的1台机设为3P3,设置完成,便可运行。
选完逆变器,我们再计算组件用量,该系统平均每天需80度电,当地的峰值日照小时数据是平均每天3.5小时,离网系统的效率比并网低,约为0.7,这样算80/(3.5*0.7),需要32kW左右的光伏组件,设计采纳280W的组件120块,每台逆变器20块,功率5.6kW,组件采纳10串2并的方式接入逆变器,系统总功率33.6kW。
太阳能发电系统的并网与离网模式选择随着能源危机的加剧和环保意识的增强,太阳能发电系统作为一种可再生能源的代表,受到了越来越多人的关注和使用。
然而,在选择太阳能发电系统时,很多人会遇到一个问题,那就是并网与离网模式的选择。
本文将从多个角度探讨并网与离网模式的优劣,帮助读者做出明智的选择。
首先,我们来看看并网模式的优势。
并网模式是指将太阳能发电系统与电网相连接,将多余的电力输送到电网中,以供其他用户使用。
这种模式具有以下几个优点。
首先,由于太阳能发电系统的产电量会受到天气等因素的影响,而电网可以提供稳定的电力供应,因此并网模式可以保证用电的稳定性。
其次,并网模式可以实现电力的互补利用,当太阳能发电系统产生的电力不足时,可以从电网中获取电力,从而保证用电的连续性。
此外,并网模式还可以将多余的电力卖给电网,实现电力的回收和收益。
然而,并网模式也存在一些问题。
首先,由于并网需要与电网相连接,需要进行一系列的安装和调试工作,增加了系统的复杂性和成本。
其次,并网模式需要满足电网的要求,包括电压、频率等方面的要求,这对太阳能发电系统的设计和运行提出了一定的要求。
此外,并网模式还存在安全隐患,一旦电网发生故障,可能会对太阳能发电系统造成损害。
因此,在选择并网模式时,需要考虑这些问题,并做好相应的规划和准备。
接下来,我们来看看离网模式的优势。
离网模式是指将太阳能发电系统与电网完全隔离,独立运行。
离网模式具有以下几个优点。
首先,离网模式可以实现能源的自给自足,不受电网的影响。
当太阳能发电系统产生的电力不足时,可以通过电池储存电力,以供夜间或阴天使用。
其次,离网模式可以避免电网的故障对太阳能发电系统的影响,提高系统的安全性和稳定性。
此外,离网模式还可以避免并网所需的一系列安装和调试工作,简化了系统的设计和运行。
然而,离网模式也存在一些问题。
首先,离网模式需要额外的电池储存电力,增加了系统的成本和体积。
其次,由于太阳能发电系统的产电量会受到天气等因素的影响,离网模式需要考虑电力的储存和管理问题,以保证用电的连续性。
光伏发电系统的并网与离网运行模式随着能源需求的不断增长和对环境保护的日益重视,光伏发电逐渐成为一种重要的清洁能源解决方案。
光伏发电系统可以实现将太阳能转化为电能,并将其注入到电网中供给社会使用,也可以在离网情况下直接供电。
本文将探讨光伏发电系统的并网与离网运行模式。
一、光伏发电系统的并网运行模式光伏发电系统的并网运行模式是指将光伏发电系统与电网相连接,实现太阳能发电与电网供电的互联互通。
在此模式下,光伏发电系统的电能产出将直接注入电网中,供应给用户使用。
并网运行模式可以分为以下几个关键环节:1. 电流注入电网在并网运行模式中,光伏发电系统通过逆变器将直流电转换成交流电,然后将交流电注入到电网中。
逆变器具有电流保护和电压控制的功能,以确保光伏发电系统与电网的稳定连接。
2. 电网管理光伏发电系统并网后,需要与电网相匹配,以确保稳定的供电。
电网管理系统可以监测电网负荷和光伏发电系统的输出功率,实施功率匹配和调整,以保持电网的稳定运行。
3. 回购政策在许多国家和地区,采用光伏发电系统的并网运行模式可以享受政府的回购政策。
根据此政策,电力公司将从光伏发电系统的主人购买多余电能,并将其纳入到电网供应范围内。
这种政策鼓励了更多人参与到光伏发电产业中。
二、光伏发电系统的离网运行模式光伏发电系统的离网运行模式是指将光伏发电系统独立于电网,通过储能设备将太阳能转换成电能,以满足用户的独立供电需求。
在离网运行模式下,光伏发电系统可以直接为用户提供电力,并通过存储设备将多余的电能储存起来,以备不时之需。
具体的运行模式如下:1. 充电与储能在离网运行模式下,光伏发电系统需要将太阳能转化为电能,并将其存储到适当的储能设备中,如电池组或储氢设备等。
这样,当太阳能不足时或在夜晚无法发电时,储能设备可以继续为用户供电。
2. 供电与管理光伏发电系统的离网运行模式可以满足用户的基本电力需求,包括家庭用电、商业用电等。
用户可以通过管理系统监控光伏发电系统的电力输出和储能设备的电量,以便根据需求合理利用电能。
太阳能光伏发电系统的并网与离网运行模式随着环境保护和可再生能源的重视,太阳能光伏发电系统作为一种绿色、清洁的能源解决方案备受关注。
而在太阳能光伏发电系统中,其并网与离网运行模式具有重要意义。
本文将就太阳能光伏发电系统的并网和离网运行模式进行探讨,以便更好地了解其工作原理与应用前景。
一、并网运行模式在太阳能光伏发电系统的并网运行模式中,发电系统与电力系统相连接,可将光伏发电系统所产生的电能馈入电力网中供应给用户使用。
并网运行模式具有以下几个特点:1. 双向输电:在并网运行模式下,光伏发电系统可实现双向输电,即系统可从电力网获取电能,也可以将多余的电能反馈到电力网中。
这种双向输电的特性使得光伏发电系统不仅可以为用户提供稳定可靠的电力供应,还能将多余的电能输送到电网中,降低能源浪费。
2. 自动调节:光伏发电系统在并网运行模式下,能够根据电力网的电流与电压水平自动调节其输出功率,以保持系统的稳定运行。
这种自动调节的功能能够有效地提高光伏系统的发电效率,同时保证电力网的安全稳定。
3. 备用电源:并网运行模式下的光伏发电系统,可以作为一个备用电源,当电力网出现故障或停电时,系统能够自动切换至备用供电状态,为用户提供稳定的电力供应。
这使得并网运行模式下的光伏发电系统能够在电力网故障时提供可靠的电力保障。
二、离网运行模式与并网运行模式相对应的是离网运行模式,太阳能光伏发电系统在离网运行模式下不与电力网相连接,系统能够独立运行并为用户提供电力供应。
离网运行模式的特点如下所示:1. 独立供电:离网运行模式下的光伏发电系统不依赖于任何外部电力网,能够独立为用户提供电力供应。
这种独立供电的特点使得光伏发电系统在偏远地区或无法接入电力网的地方具有重要的应用价值。
2. 储能系统:为了保证离网运行模式下的光伏发电系统能够全天候为用户供电,系统通常配备了储能设备,如蓄电池组等。
储能设备能够将白天光伏发电系统所产生的电能储存起来,在夜间或低光照条件下向用户提供电力供应。
并网型太阳能光伏发电系统
原理描述
系统主要由光伏方阵、并网逆变器等组成。
在有公共电网的地区,光伏发电系统一般与电网连接,即采用并网运行的方式,这要求逆变器具有同电网连接的功能。
并网型太阳能光伏发电系统的优点是可以省去蓄电池,而将电网作为自己的储能单元。
由于蓄电池在存储和释放电能的过程中,伴随着能量的损失,而且蓄电池的使用寿命通常仅为5-8年,报废的蓄电池又将对环境造成污染。
所以,省去蓄电池后的光伏发电系统不仅可以大幅度降低造价,还可以具有更高的发电效率和更好的环保性能。
原理图
离网型太阳能光伏发电系统:
由太阳能电池组件、太阳能控制器、蓄电池(组)组成。
如输出电源为交流220v 或110v,还需要配置逆变器。
太阳能电池组件把太阳能光转换为电能,通过控制器对蓄电池进行蓄电,以供负载使用;控制器作为整个系统中的充放电部分,除保护蓄电池外,还有监控、温度补偿、时间控制等功能;由于系统输出为直流电,如负载是交流设备,还需配置逆变电源。
离网光伏系统的使用独立于电网,并且可用于向无线电中继站、电话亭和街道照明设备供电。
在船舶和休闲敞蓬车市场中,移动光伏技术市场也在不断发展。
离网(也称为独立)光伏系统还为传统电力不稳定或不完善的发展中国家提供较为经济的电力。
原理图。
简述四大光伏发电系统根据市面上现有的光伏发电项目,结合不同的应用场景,太阳能光伏发电系统可以大致分为四种类型:并网发电系统、离网发电系统、并离网储能系统和多种能源混合微网系统。
一、并网发电系统由光伏组件、并网逆变器、负载、双向电表、并网柜和电网组成。
并网发电系统示意图原理是将光伏组件产生的直流电通过逆变器转化为交流电,再供给到负载和接入电网。
这样,满足家庭负载的同时,多余的电还可以卖入电网。
其特点如下:1.与电网连接,电量部分或全部上传电网。
2.电网停电,光伏发电也停止。
因为逆变器都有防孤岛,也就是电网公司要求:电网停电,光伏电也必须立刻断电,主要是安全考虑。
3.晚上居民还是依靠市电。
4.没有储能装置。
二、离网发电系统和并网发电系统相对的,就是离网发电系统,由光伏组件、离网逆变器、蓄电池、负载等构成。
比较先进方案中已经将逆变器+蓄电池集成为一体设备,如离网储能一体机。
离网发电系统可以不依赖电网而独立运行,一般应用于偏僻地区、无电区、海岛、通讯基站和路灯等。
分体式离网发电系统示意图一体式离网发电系统示意图在有光照时将太阳能转化为电能,通过离网逆变器给负载供电,或给蓄电池充电。
或在没有光伏的情况下,也可以通过电网对蓄电池进行充电;在无光照时或电网停电时,可将蓄电池的电通过逆变器给交流负载供电。
其特点如下:1.不依靠电网的独立系统。
也就是,不管有没有市电,只要有太阳光照满足,离网系统就可以独立工作,就可以独立提供电能。
2.必须有储能设备,也就是必须需要蓄电池,不然晚上或阴雨天无法工作。
3.可以不接光伏。
三、并离网储能系统由光伏组件、并离网混合逆变器、蓄电池、负载等构成。
现在也有比较先进方案是将并离网混合逆变器+电池系统集成一体,例如优能的UHome系列并离网储能一体机。
并离网储能系统广泛应用于经常停电或光伏自发自用不能余电上网、自用电价比上网电价贵、波峰电价比波谷电价贵等场景。
并离网储能系统示意图白天有光的情况下,通过离并混合逆变器优先供给负载用电,多余的电存储到蓄电池中;晚上的时候,蓄电池通过离并网混合逆变器为负载进行供电。
离网(独立)-型光伏发电系统设计与简易计算方法乛、離网(独立) 型光伏发电系统(一) 前言:光伏发电系统的设计与计算涉及的影响因素较多,不仅与光伏电站所在地区的光照条件、地理位置、气侯条件、空气质量有关,也与电器负荷功率、用电时间有关,还与需要確保供电的阴雨天数有关,其它尚与光伏组件的朝向、倾角、表面清洁度、环境温度等等因素有关。
而这些因素中,例如光照条件、气候、电器用电状况等主要因素均极不稳定,因此严格地讲,離网光伏电站要十分严格地保持光伏发电量与用电量之间的始终平衡是不可能的。
離网电站的设计计算只能按统计性数据进行设计计算,而通过蓄电池电量的变化调节两者的不平衡使之在发电量与用电量之间达到统计性的平衡。
(二) 设计计算依椐:光伏电站所在地理位置(緯度) 、年平均光辐射量F或年平均每日辐射量f(f=F/365) (详见表1)我国不同地区水平面上光辐射量与日照时间资料表1地区类别地区年平均光辐射量F年平均光照时间H(小时)年平均每天辐射量f(MJ/m2)年平均每天光照时间h(小时)年平均每天1kw/m2峰光照时间h1(小时) MJ/m2 .Kwh/m2一宁夏北部、甘肃北部、新疆南部、青海西部、西藏西部、6680-8401855-23333200-33018.3-23.08.7-9.0 5.0-6.3(印度、巴基斯坦北部)二河北西北部、山西北部、内蒙南部、宁夏南部、甘肃中部、青海东部、西藏东南部、新疆西部5852-6681625-18553000-32016.0-18.38.2-8.7 4.5-5.1三山东、河南、河北东南部、山西南部、新疆北部、吉林、辽宁、云南、陕西北部、甘肃东南部、江5016-58521393-16252200-30013.7-16.06.0-8.2 3.8-4.5苏北部、安徽北部、台湾西南部四湖南、湖北、广西、江西、淅江、福建北部、广东北部、陕西南部、江苏南部、安徽南部、黑龙江、台湾东北部4190-50161163-13931400-22011.5-13.73.8-6.0 3.2-3.8五四川、贵州3344-4190928-11631000-1409.16-11.52.7-3.8 2.5-3.2注:1)1 kwh=3.6MJ;亻2)f=F(MJ/m2 )/365天;3)h=H/365天;4) h1=F(KWh)/365(天)/1000(kw/m2 ) (小时) ;3) 5)表中所列为各地水平面上的辐射量,在倾斜光伏组件上的辐射量比水平面上辐射量多。
5KW家用光伏并离网储能发电系统家用光伏并离网储能发电系统主要由太阳能电池方阵、储能逆变器、蓄电池组成。
光伏并离网储能发电系统可以为家庭里提供日常所需的电量,也可以向电网供电,为居民带来一定的经济收入。
太阳能作为新型清洁能源可以改善生态环境、减少居民日常电费,降低对电网的依赖度。
以下珠海地理环境及日照条件为例,设计了一套5KW家用光伏并离网储能发电系统。
标签:太阳能电池方阵;储能逆变器;储能电池;并离网发电系统前言家庭光伏储能并离网系统是利用太阳能电池组件、蓄电池、储能逆变器、电池管理系统等器件将太阳能转换成电能的系统。
白天在光照条件下,太阳电池组件产生一定的电动势,通过组件的串并联形成太阳能电池方阵,使得方阵电压达到系统输入电压的要求,经过储能逆变器对蓄电池进行充电,将由太阳能转换而来的电能储存起来。
若电池已充满,储能系统将富余的光伏电量经过转换返送电网。
晚上蓄电池组为逆变器供电,逆变器将直流电转换成交流电供家用电器使用。
蓄电池组的充放电情况由电池管理系统进行控制,保证蓄电池的正常使用。
太阳能发电的利用通常有两种方式,一种是将太阳能发电系统所发出的电力输送到电网中供给其他负载使用,而在需要用电的时候则从电网中获取电能,称谓并网发电方式。
另一种是依靠蓄电池来进行能量存储的所谓独立发电方式,它主要用于因架设线路困难市电无法到达的场合,应用十分广泛。
1.项目概况1.1项目背景及意义本项目拟设计一个太阳能光伏并网发电系统,为居民家里提供生产生活用电,并将多余的电输送到国家电网。
1.2光伏发电系统的要求本系统是一个家用光伏并网系统,拟建立一个5kWp的小型发电装置,平均每天发电27kWh,可供一个5kW的负载工作48小时。
2. 并网光伏系统的原理并网光伏系统就是将太阳能电池方阵产生的直流电,经过储能逆变器转换成交流电供给负载。
同时系统接入电网,当电量有剩余时,向电网送电;当日照影响太阳能光伏系统供电不能满足负载需求时,可以通过电网系统或电池逆变方式得到电能。
新能源技术课程设计预习报告姓名:吴鹏飞专业:电131 ____________________指导教师:张老师________________完成日期:___________________一实验目的1、检索资料,了解光伏发电技术的发展状况以及光伏发电原理:2、学握光伏电池模型的建立方法,分析、设计仿真模型,并利用MATLAB进行仿真实现:3、学握光伏电池的测试方法,选择适合的测量器件与暈程,验证光伏1.阵列模拟方法的正确性;4、分析离网型光伏发电系统的组成,选择合适的电力变换器拓扑结构并进行原理分析、参数计算;5、查阅相关文献资料,确定系统MPPT控制策略,建立MPPT模块仿真模型, 并仿真分析;6、学握系统联调的方法,调整控制参数。
二、实验仪器设备与器件太阳能电池板1块,万用表2个,太阳能功率表TENMARS TM-207,滑动变阻器(IOO欧姆,200瓦)1个,计算机1台,系统仿真软件。
三、实验原理分析1光伏电池的基本理论太阳能是一种辐射能,它必须借助一定的能量转换器才能变换成电能,这个把太阳能转换为电能的半导体能屋转换器,就叫做光伏电池。
光伏电池是光伏发电系统的重耍组成部分,其光电转换效率和成本对光伏发电的发展具有决定性的影响。
(1)光伏电池的工作原理光伏电池是利用半导体材料的光生伏打效应制成的。
所谓光生伏打效应,简单的说,就是当物体受到太阳辐射吋时,其体内的电荷分布状态发生变化而产生电动势和电流的一种效应。
半导体材料将光能转换为电能的效率特别高,因此光伏电池多为半导体材料制成。
半导体光伏电池的发电过程可概括为如下四个过程:(I)收集太阳光使之照射到光伏电池表面。
(2)光伏电池吸收具有一定能量的光子,激发出非平衡载流子——电子空穴对。
(3)这些电性符号相反的光生载流子在光伏电池P-N结内建电厂的作用下,电子•空穴对被分离,在P-N结两边产生异性电荷的积累,从而产生电动势,形成光生电压。
(4)在光伏电池P-N结的两侧引出正负电极,并接上负载,则在外电路中即有光生电流通过,从而获得功率输出,这样光伏电池就把太阳能直接转换成了电能。
基于碲化镉的户用并离网一体光伏发电系统设计
王成;刘林
【期刊名称】《四川建材》
【年(卷),期】2024(50)5
【摘要】碲化镉发电玻璃由于其衰减低、重量轻、材料消耗低、制备消耗低、适合与建筑结合等特点,在户用分布式光伏发电产业受到越来越多的关注。
结合碲化镉发电玻璃的产品性能特点,研究基于碲化镉发电玻璃的户用并离网一体光伏发电系统设计要点。
结合具体项目,介绍户用光伏并离网一体光伏发电系统设计方案,包括光伏组件、逆变器、光伏组串和导体,此外进行了经济、社会效益及运行分析。
【总页数】3页(P219-221)
【作者】王成;刘林
【作者单位】四川省建筑设计研究院有限公司
【正文语种】中文
【中图分类】TM615
【相关文献】
1.太阳能光伏发电技术在建筑一体化设计中的应用——生态节能楼的太阳能光伏发电系统
2.分布式光伏发电与建筑材料相结合的建筑光伏一体化产品成为光伏产品家族新生代
3.N2014096华北第一座碲化镉薄膜分布式光伏电站并网发电
4.碲化发电玻璃在光伏建筑一体化中的应用
5.基于碲化镉的分布式光伏发电系统设计研究
因版权原因,仅展示原文概要,查看原文内容请购买。
写一份并网发电系统与离网发电系统设计要求:1、组成部分及原理(包括原理图);2、设计方法(包括电池组件、蓄电池容量计算等);3、可借鉴书中思路,不够部分网上查阅。
并网发电系统设计这种光伏系统最大的特点就是太阳电池组件产生的直流电经过并网逆变器转换成符合市电电网要求的交流电之后直接接入公共电网,并网系统中光伏方阵所产生电力除了供给交流负载外,多余的电力反馈给电网。
在阴雨天或夜晚,太阳电池组件没有产生电能或者产生的电能不能满足负载需求时就由电网供电。
因为直接将电能输入电网,免除配置蓄电池,省掉了蓄电池储能和释放的过程,可以充分利用光伏方阵所发的电力从而减小了能量的损耗,并降低了系统的成本。
但是系统中需要专用的并网逆变器,以保证输出的电力满足电网电力对电压、频率等电性能指标的要求。
因为逆变器效率的问题,还是会有部分的能量损失。
这种系统通常能够并行使用市电和太阳能太阳电池组件阵列作为本地交流负载的电源,降低了整个系统的负载缺电率。
而且并网光伏系统可以对公用电网起到调峰作用。
但并网光伏供电系统作为一种分散式发电系统,对传统的集中供电系统的电网会产生一些不良的影响,如谐波污染,孤岛效应等。
并网系统(utility grid connect)一、组成部分及工作原理二、系统设计离网发电系统设计一、组成部分及工作原理太阳能光伏供电系统的基本工作原理就是在太阳光的照射下,将太阳电池组件产生的电能通过控制器的控制给蓄电池充电或者在满足负载需求的情况下直接给负载供电,如果日照不足或者在夜间则由蓄电池在控制器的控制下给直流负载供电,对于含有交流负载的光伏系统而言,还需要增加逆变器将直流电转换成交流电。
光伏系统的应用具有多种形式,但是其基本原理大同小异。
对于其他类型的光伏系统只是在控制机理和系统部件上根据实际的需要有所不同,下面将对不同类型的光伏系统进行详细地描述。
其组成部分1、光伏组件方阵:由太阳电池组件(也称光伏电池组件)按照系统需求串、并联而成,在太阳光照射下将太阳能转换成电能输出,它是太阳能光伏系统的核心部件。
2、蓄电池:将太阳电池组件产生的电能储存起来,当光照不足或晚上、或者负载需求大于太阳电池组件所发的电量时,将储存的电能释放以满足负载的能量需求,它是太阳能光伏系统的储能部件。
目前太阳能光伏系统常用的是铅酸蓄电池,对于较高要求的系统,通常采用深放电阀控式密封铅酸蓄电池、深放电吸液式铅酸蓄电池等。
3、控制器:它对蓄电池的充、放电条件加以规定和控制,并按照负载的电源需求控制太阳电池组件和蓄电池对负载的电能输出,是整个系统的核心控制部分。
随着太阳能光伏产业的发展,控制器的功能越来越强大,有将传统的控制部分、逆变器以及监测系统集成的趋势,如AES 公司的SPP 和SMD 系列的控制器就集成了上述三种功能。
4、逆变器:在太阳能光伏供电系统中,如果含有交流负载,那么就要使用逆变器设备,将太阳电池组件产生的直流电或者蓄电池释放的直流电转化为负载需要的交流电。
离网系统一般分为小型太阳能供电系统(small DC)、简单直流系统(simple DC)、大型太阳能供电系统(large DC)二、系统设计1、独立光伏系统软件设计光伏系统软件设计的内容包括负载用电量的估算,太阳电池组件数量和蓄电池容量的计算以及太阳电池组件安装最佳倾角的计算。
(1)设计的基本原理太阳电池组件设计的一个主要原则就是要满足平均天气条件下负载的每日用电需求;因为天气条件有低于和高于平均值的情况,所以要保证太阳电池组件和蓄电池在天气条件有别于平均值的情况下协调工作;蓄电池的主要作用是在太阳辐射低于平均值的情况下给负载供电;在随后太阳辐射高于平均值的天气情况下,太阳电池组件就会给蓄电池充电。
需要注意的是:避免蓄电池长时间内处于亏电状态将使得蓄电池的极板硫酸盐化。
(2)蓄电池设计方法蓄电池的设计思想是保证在太阳光照连续低于平均值的情况下负载仍可以正常工作。
同时为了避免蓄电池的损坏,蓄电池的放电过程只能够允许持续一定的时间,直到蓄电池的荷电状态到达指定的危险值。
为了量化评估这种太阳光照连续低于平均值的情况,在进行蓄电池设计时,给出一个重要的参数:自给天数,即系统在没有任何外来能源的情况下负载仍能正常工作的天数。
这个参数让系统设计者能够选择所需使用的蓄电池容量大小。
一般来讲,自给天数的确定与两个因素有关:负载对电源的要求程度;光伏系统安装地点的气象条件即最大连续阴雨天数。
通常可以将光伏系统安装地点的最大连续阴雨天数作为系统设计中使用的自给天数,但还要综合考虑负载对电源的要求。
对于负载对电源要求不是很严格的光伏应用,我们在设计中通常取自给天数为3~5 天。
对于负载要求很严格的光伏应用系统,我们在设计中通常取自给天数为7~14 天。
所谓负载要求不严格的系统通常是指用户可以稍微调节一下负载需求从而适应恶劣天气带来的不便,而严格系统指的是用电负载比较重要,例如常用于通信,导航或者重要的健康设施如医院、诊所等。
此外还要考虑光伏系统的安装地点,如果在很偏远的地区,必须设计较大的蓄电池容量,因为维护人员要到达现场需要花费很长时间。
光伏系统中使用的蓄电池有镍氢、镍镉电池和铅酸蓄电池,但是在较大的系统中考虑到技术成熟性和成本等因素,通常使用铅酸蓄电池。
在下面内容中涉及到的蓄电池没有特别说明指的都是铅酸蓄电池。
蓄电池的设计包括蓄电池容量的设计计算和蓄电池组的串并联设计。
首先,给出计算蓄电池容量的基本方法。
1)基本公式I. 第一步,将每天负载需要的用电量乘以根据实际情况确定的自给天数就可以得到初步的蓄电池容量。
II. 第二步,将第一步得到的蓄电池容量除以蓄电池的允许最大放电深度。
因为不能让蓄电池在自给天数中完全放电,所以需要除以最大放电深度,得到所需要的蓄电池容量。
最大放电深度的选择需要参考光伏系统中选择使用的蓄电池的性能参数,可以从蓄电池供应商得到详细的有关该蓄电池最大放电深度的资料。
通常情况下,如果使用的是深循环型蓄电池,推荐使用80%放电深度(DOD );如果使用的是浅循环蓄电池,推荐选用使用50%DOD 。
设计蓄电池容量的基本公式见下:×=自给天数日平均负载蓄电池容量最大放电深度(1) 下面我们介绍确定蓄电池串并联的方法。
每个蓄电池都有它的标称电压。
为了达到负载工作的标称电压,我们将蓄电池串联起来给负载供电,需要串联的蓄电池的个数等于负载的标称电压除以蓄电池的标称电压。
=负载标称电压串联蓄电池数蓄电池标称电压(2) 2)设计修正以上给出的只是蓄电池容量的基本估算方法,在实际情况中还有很多性能参数会对蓄电池容量和使用寿命产生很大的影响。
为了得到正确的蓄电池容量设计,上面的基本方程必须加以修正。
图1为蓄电池温度-放电率-容量曲线。
图1 蓄电池温度-放电率-容量曲线对于蓄电池,蓄电池的容量不是一成不变的,蓄电池的容量与两个重要因素相关:蓄电池的放电率和环境温度。
首先,我们考虑放电率对蓄电池容量的影响。
蓄电池的容量随着放电率的改变而改变,随着放电率的降低,蓄电池的容量会相应增加。
这样就会对我们的容量设计产生影响。
进行光伏系统设计时就要为所设计的系统选择在恰当的放电率下的蓄电池容量。
通常,生产厂家提供的是蓄电池额定容量是10小时放电率下的蓄电池容量。
但是在光伏系统中,因为蓄电池中存储的能量主要是为了自给天数中的负载需要,蓄电池放电率通常较慢,光伏供电系统中蓄电池典型的放电率为100~200 小时。
在设计时我们要用到在蓄电池技术中常用的平均放电率的概念。
光伏系统的平均放电率公式如下:×=自给天数负载工作时间平均放电率(小时)最大放电深度(3) 上式中的负载工作时间可以用下述方法估计:对于只有单个负载的光伏系统,负载的工作时间就是实际负载平均每天工作的小时数;对于有多个不同负载的光伏系统,负载的工作时间可以使用加权平均负载工作时间,加权平均负载工作时间的计算方法如下:×=∑∑负载功率负载工作时间加权平均负载工作时间负载功率(4) 根据上面两式就可以计算出光伏系统的实际平均放电率,根据蓄电池生产商提供的该型号电池在不同放电速率下的蓄电池容量,就可以对蓄电池的容量进行修正。
下面考虑温度对蓄电池容量的影响。
蓄电池的容量会随着蓄电池温度的变化而变化,当蓄电池温度下降时,蓄电池的容量会下降。
通常,铅酸蓄电池的容量是在25℃时标定的。
随着温度的降低,0℃时的容量大约下降到额定容量的90%,而在-20℃的时候大约下降到额定容量的80%,所以必须考虑蓄电池的环境温度对其容量的影响。
如果光伏系统安装地点的气温很低,这就意味着按照额定容量设计的蓄电池容量在该地区的实际使用容量会降低,也就是无法满足系统负载的用电需求。
在实际工作的情况下就会导致蓄电池的过放电,减少蓄电池的使用寿命,增加维护成本。
这样,设计时需要的蓄电池容量就要比根据标准情况(25℃)下蓄电池参数计算出来的容量要大,只有选择安装相对于25℃时计算容量多的容量,才能够保证蓄电池在温度低于25℃的情况下,还能完全提供所需的能量。
蓄电池生产商一般会提供相关的蓄电池温度-容量修正曲线。
在该曲线上可以查到对应温度的蓄电池容量修正系数,除以蓄电池容量修正系数就能对上述的蓄电池容量初步计算结果加以修正。
上面是一个典型的温度-放电率-容量变化曲线。
因为低温的影响,在蓄电池容量设计上还必须要考虑的一个因素就是修正蓄电池的最大放电深度以防止蓄电池在低温下凝固失效,造成蓄电池的永久损坏。
铅酸蓄电池中的电解液在低温下可能会凝固,随着蓄电池的放电,蓄电池中不断生成的水稀释电解液,导致蓄电池电解液的凝结点不断上升,直到纯水的0℃。
在寒冷的气候条件下,如果蓄电池放电过多,随着电解液凝结点的上升,电解液就可能凝结,从而损坏蓄电池。
即使系统中使用的是深循环工业用蓄电池,其最大的放电深度也不要超过80%。
下图给出了一般铅酸蓄电池的最大放电深度和蓄电池温度的关系,系统设计时可以参考该图得到所需的调整因子。
在设计时要使用光伏系统所在地区的最低平均温度,然后从上图或者是由蓄电池生产商提供的最大放电深度-蓄电池温度关系图上找到该地区使用蓄电池的最大允许放电深度。
通常,只是在温度低于零下8 度时才考虑进行校正。
3)完整的蓄电池容量设计计算考虑到以上所有的计算修正因子,我们可以得到如下蓄电池容量的最终计算公式。
×@=×自给天数日平均负载蓄电池容量(指定放电率)最大允许放电深度温度修正因子(5)下面对每个参数进行总结分析:a 、最大允许放电深度:一般而言,浅循环蓄电池的最大允许放电深度为50%,而深循环蓄电池的最大允许放电深度为80%。
如果在严寒地区,就要考虑到低温防冻问题对此进行必要的修正。