小家电使用原理与维修试卷
- 格式:docx
- 大小:63.20 KB
- 文档页数:8
20**-20**学年 * 学期 家用电器原理与维修 期*考试C 卷适用年级: 适用类别: 适用专业: 得分:一、填空题(每空1分,共20分)1、电能和 热能 可以相互转换,如电热器具将 电能 转换为 热能 。
2、各种电热器具的基本结构主要由 电热元件 、 控制元件 及 安全保护装置 组成。
3、家用豆浆机由微电脑自动控制,集加热、预打浆、打浆、煮浆、防溢延煮及 断电报警 功能与一身。
4、电磁灶是一种利用 电磁感应 原理将电能转换为热能的厨房电器。
5、声光双控灯由 电子控制电路 和 白炽灯 两部分组成。
6、全自动滚筒式洗衣机按衣物装入的方式可分为 前装 式和 上装 式两种。
7、落地扇主要由电动机、连接头机构、扇叶、网罩、开关箱、升降机构、底座和 电气控制机构 等组成。
8、电冰箱的电气控制系统由压缩机电动机、 启动继电器 、过载过热保护温度控制器、箱内照明灯和 开关 组成。
9、变频式空调器的变频方式有 交流变频 方式和 直流变频 方式。
10、电冰箱的温控器有 机械温控器 、 电子温控器 和 微电脑温控 器三种。
二、单项选择题(每小题1分,共20分)1、热量的单位为J(焦耳),也可用cal(卡)。
J 换算成cal 时,乘以常数( B ) A.0.45 B.0.24 C.1.45 D.1.242、电热毯漏电,其故障原因可能是( C )。
A.调温开关失灵B.电源接触不良或损坏C.过分潮湿D.电热丝断路 3、超温熔断器的额定动作温度是( D )A.60°CB.70°CC.80°CD.185°C 4、低温型电子消毒柜利用( D )来杀灭病毒和细菌。
A.低温 B. 高温 C.酒精 D.臭氧 5、电冰箱的冷凝器又称散热器,起( A )。
A.放热作用B.吸热作用C.制冷作用D.导热作用 6、防倒开关的作用是( B )。
A.倾倒通电B.倾倒断电C.间断通电D.定时通电 7、实现微风调速方法是( C )。
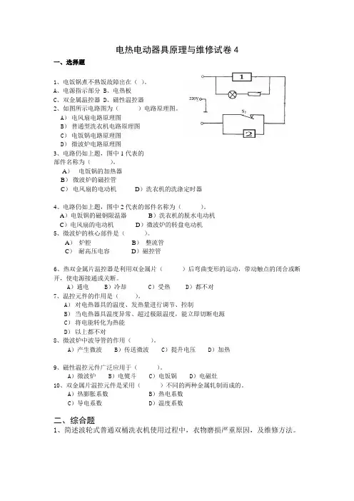
电热电动器具原理与维修试卷4一、选择题1、电饭锅煮不熟饭故障出在()。
A、电源指示部分B、电热板C、双金属温控器D、磁性温控器2、如图所示电路图为()电路原理图。
A)电风扇电路原理图B)普通型洗衣机电路原理图C)电饭锅电路原理图D)微波炉电路原理图3、电路仍如上题,图中1代表的部件名称为()。
A)电饭锅的加热器B)微波炉的磁控管C)电风扇的电动机D)洗衣机的洗涤定时器4、电路仍如上题,图中2代表的部件名称为()。
A)电饭锅的磁钢限温器B)洗衣机的脱水电动机C)电风扇的电动机D)微波炉的转盘电动机5、微波炉的核心部件是()。
A)炉腔B)整流管C)耐高压电容D)磁控管6、热双金属片温控器是利用双金属片()后弯曲变形的运动,带动触点的闭合或断开,使电源接通或关断。
A)通电 B)冷却 C)受热 D)都不对7、温控元件的作用是()。
A)对电热器具的温度、发热量进行调节、控制B)当电热器具温度异常、超过极限温度,能立即切断电源C)将电能转化为热能D)以上都不对8、微波炉中波导管的作用()。
A)产生微波 B)传送微波 C)提升电压 D)加热9、磁性温控元件广泛应用于()。
A)微波炉 B)电熨斗 C)电饭锅 D)电磁灶10、双金属片温控元件是采用()不同的两种金属轧制而成的。
A)热膨胀系数 B)热电系数C)导电系数 D)温度系数二、综合题1、简述波轮式普通双桶洗衣机使用过程中,衣物磨损严重原因,及维修方法。
2、画出自动保温电饭锅电路原理图答案1 C 6 A2 C 7 A3 A 8 B4 A 9 C5 D 10 A1、简述波轮式普通双桶洗衣机使用过程中,衣物磨损严重原因,及维修方法。
原因: 1用水量过少2波轮,排水过滤网,洗衣桶内壁等粗糙维修:1加水,用水量适当2用细沙布磨打2、画出自动保温电饭锅电路原理图。
电冰箱与空调器原理与维修测试题一、选择题(电冰箱、空调器原理与维修1-20;每小题2分,共40分。
每小题中只有一个选项是正确的,请将正确选项涂在答题卡上)1.不是制冷管道加工专用工具。
A.扩管器B.割管器C.弯管器 D.钢丝钳2.下列选项中对冷冻油要求不正确的是A.黏度适当 B.浊点高于蒸发温度C.凝固点足够低 D.闪点足够高3.“BCD-183W”的含义是A.家用冷藏冷冻箱,有效容积183L,间冷式B.家用冷藏箱,有效容积183L,直冷式C.家用冷冻箱,有效容积183L,间冷式D.家用冷藏冷冻箱,有效容积183L,直冷式4.电冰箱按冷却方式不同分类,错误的一项是A.吸收式B.间冷式C.直冷式 D.直冷、风冷混合式5.关于压缩机的过载保护器说法不正确的是A.用来控制接通或断开启动绕组B.过载保护器一般采用蝶形保护器C.过载保护器串联在压缩机的主线路中D.具有过流和过热双重保护作用6.以下关于制冷剂的观点中错误的是A.制冷剂在冷凝器中完成冷凝 B.在节流过程中制冷剂处于液体状态C.制冷剂在蒸发器中完成蒸发 D.在压缩过程中制冷剂处于液体状态7.不属于蒸气压缩制冷方式的制冷循环进程。
A.蒸发 B.降温 C.冷凝 D.节流8.家用电冰箱广泛采用的旋转式压缩机有多种结构,不属于旋转式压缩机。
A.螺杆式B.滚动转子式C.滑片式 D.容积式9.制冷剂的节流是在完成的。
A.毛细管B.回气管C.蒸发器 D.排气管10.不属于电冰箱中化学除臭法。
A.中和反应除臭 B.缩合反应除臭C.氧化还原除臭 D.分子筛除臭11.以下不属于电冰箱冷藏箱内温度过低的原因是A.温控器调节不当 B.温控器的触点黏连C.制冷剂泄露过多 D.温控器感温包放置位置不对12.空调器的分类描述错误的是A.按照集中程度分为集中式、局部式和混合式B.按照实用功能可分为单冷型和冷热两用型C.按照系统组合可分为整体式和分体式D.按照制冷方法可分为全封闭蒸气压缩机式和冷管式13.房间空调器KFR-35GW的制冷量是A.350W B.3500W C.35W D.3 5000W14.热泵型空调器,室内换热器成为冷凝器的工作方式是A.制冷 B.制热 C.除湿 D.化霜15.下列不属于电磁阀的是A.电磁四通换向阀 B.双向电磁阀C.单向阀D.专用旁通电磁阀16.空调器冷凝器一般采用吹风散热。
《小家电原理使用与维修》试卷(二年级)(90分钟)
班级:学号:姓名:成绩:
一.填充题。
(30分)
1.电热材料的特性有物理与机械特性、最高使用温度、电阻温度系数。
2.若随着温度上升电阻值变大,称正温度系数电阻,
用 P T C 表示。
3.开启式电热元件通电后产生的热量靠周围空气对流和直接
辐射传递给被加热物体。
4.开启式电热元件断丝后可采取搭接的办法有:缠绕法、冷压法、铣槽焊接法、对焊法。
5.罩盖式电热元件加热时,保护罩直接与被加热物体接触,热量传递主要到靠传导。
6.管状式电热元件的常见故障是断路或丝、壳间短路。
7.远红外光以辐射方式传递能量,具有穿透力强和回执迅速、均匀等优点,因此其热效率较高。
荔波县职业高级中学2010―― 2011学年度第一学期《小家电使用原理与维修》期末考试试卷班级______________________ 姓名 _______________ 学号___________________ 得分__________________________一、填空题(50分)1、小家电的主要有 _______ 、 _________ 、可靠性、耐用性、外观造型等特性。
2、 ________ 是电热器具的主要部件,它是由__________ 制成的。
3、电热材料的种类繁多,按电热材料的材质不同,可分为 _____________ 和_________ 两大类。
4、电热材料的主要特性有 _____________ 、 ____________ 、电阻温度系数等。
5、电阻式电热元件按装配方式不同,可分为 ________ 、 ______ 和密封式三大类。
6具有远红外辐射能力的电热元件称“ __________________ ”,它主要用于_______ 中。
7、电力晶体管简称 _____ ,是一种________ 大功率高反压晶体管。
8、晶闸管也称“ ______ ”、是一种没有触点的“继电器”。
9、晶闸管的特性具有 ____ 触发导通能力和 _____ 阻断能力。
10、晶闸管的种类有 _____ 晶闸管和 ______ 晶闸管。
11、继电器是一种能自动实现 _____ 控制的元件。
12、继电器分为 ___ 继电器和_____ 继电器两种。
13、常用继电器包括 _______________ 、直流电磁继电器、舌簧继电器和时间继电器等、14、根据结构和工作原理的不同定时器可分为 ________ 、_______ 和电动式三种。
15、家用电器常用的温度传感器主要有 __________ 、___________ 以及温敏晶体管等元件16、家电常用传感器主要有 _________ 、 ________ 、光传感器、超声波传感器和红外线传感器。
小家电原理与维修期末考试题小家电原理与维修期末考试题一、填空题。
(每空2分,共20分)1、小家电具有适用性、安全性、、耐用性、外观造型等特性。
2、晶闸管也称“ ”,是一种没有触点的“继电器”。
3、微波炉电气电路由、、三部分组成。
4、全自动豆浆机电路分为电源电路和控制电路,控制电路是通过控制来控制电动机运转5、电容具有、特性,而电感具有、特性。
二、选择题。
(每题2分,共20分)1、在万用表中~符号表示:()A、交流B、直流C、交直流D、都不是2、用万用表测量电压时,应与被测电路:()A、串联B、并联C、混联D、直联3、用万用表测量电流时,应与被测电路:()A、串联B、并联C、混联D、直联4、如果一个二极管正反向均导通且阻值接近于零,则说明此二极管:()A、已击穿B、未击穿C、正常D、不确定5、普通三极管有几个PN结构成:()A、1个B、2个C、3个D、4个6、家用微波炉的微波频率一般为:()A、915Mhz B、1200Mhz C、2000Mhz D、2450Mhz 7、微波炉中磁控管的作用是:()A、放大电流B、防止微波泄漏C、产生并发射微波D控温装置8、一般情况下当电饭锅中的软磁铁温度达到多少摄氏度后即失去磁性:()A、60 B、85 C、100 D、103 9、电饭锅煮饭生熟不均的原因不包括:()A电热元件老化B电热盘发热不均C电饭锅底沾有污物或者内胆底变形D软磁铁毫无磁性10、微波炉的高压变压器主要是为了给磁控管提供工作电压,其二次绕组有两组,一组是提供灯丝电压,另一组是提供高压,请问灯丝电压和高压分别是多少:()A3.4v,2000vB4.8v,2000vC3.4v,3000vD4.8v,3000v 三、判断题。
(每题1分,共10分) 1、指针式万用表中,符号“~”或者“DC”表示交流,“—”或者“AC”表示直流。
()2、当用数字式万用表的Rx100挡测量电阻时,指针指示20,则被测电阻的阻值为:20x100=2000欧姆。
三、选择题1.电饭锅中磁性温控器的控制温度是:A.70℃,B.100℃,C.103℃,D.120℃2.电饭锅中双金属片温控器的控制温度是:A.70℃,B.100℃,C.103℃,D.120℃3.高频电磁灶的烹饪锅最好采用:A.铜锅,B.铝锅,C.铁锅,D.不锈钢锅1.电风扇的摇头机构的保护装置的原理是:A.断开电源,B.使上下离合块离开,C.使蜗轮和下离合块间打滑,D.使上下离合块间打滑2.电风扇的摇头机构的保护装置的组成是:A.电源电路的熔断器,B.下离合块和蜗轮之间的弹簧片和钢珠C.上下离合块间的弹簧片和钢珠,D.热继电器1.2kg波轮式普通型双桶洗衣机的型号是:A.XPB20-4S,B.XQG50-4,C.XQB50-4,D.XPB20-42.5kg全自动滚筒式洗衣机的型号是:A.XPB20-4S,B.XQG50-4,C.XQB50-4,D.XPB20-43.5kg全自动波轮式洗衣机的型号是:A.XPB20-4S,B.XQG50-4,C.XQB50-4,D.XPB20-44.2kg波轮式普通型单桶洗衣机的型号是:A.XPB20-4S,B.XQG50-4,C.XQB50-4,D.XPB20-45.波轮式洗衣机洗涤桶在洗涤时:A.不转动,B.单独转动,C.与波轮一起转动,D.低速转动6.波轮式洗衣机洗涤桶在脱水时:A.不转动,B.单独转动,C.与波轮一起转动,D.低速转动1.立式和卧式吸尘器的功率一般在:A.100W以下,B.400一下,C.1000W以上,D.400~1000W之间。
2.吸油烟机安装在离灶具上方合适的高度是:A.800mm处,B.700mm处,C.500mm处,D.300mm处。
3.安装吸油烟机应后仰合适的角度是:A.4°,B.5°,C.6°,D.7°。
1.采用电子温控电路的电冰箱接通电磁阀时:A.冷藏室和冷冻室同时制冷,B.仅冷冻室制冷C.冷藏室和冷冻室都不制冷,D.仅冷藏室制冷2.采用电子温控电路的电冰箱断开电磁阀时:A.仅冷冻室制冷,B.冷藏室和冷冻室同时制冷C.仅冷藏室制冷,D.冷藏室和冷冻室都不制冷3.目前生产的电冰箱使用的制冷剂是:A.R12,B.R22,C.R134 a ,D.R600a4.目前生产的家用空调器使用的制冷剂是:A.R12,B.R22,C.R134 a ,D.R600a5.电冰箱中常用的符合石油部标准的冷冻油(润滑油)是:A.13号,B.15号,C.18号,D.30空调器中用13号。
家电维修试题一.填空1.家用电饭锅按加热方式可分为( 间热式 )和( 直热式 )两种。
2.磁钢限温器的控制温度在( 103±2 )℃。
3.双金属恒温器的温度控制在( 65±5 )℃,其作用是( 保温 )。
4.电风扇按电源的性质可分为( 交流 )、( 直流 )、( 交直流两用 )电风扇。
5.台扇由( 扇叶 )、( 网罩 )、( 扇头 )和( 机座 )四大部分组成。
6.家用电风扇扇头主要由( 单相交流电动机 )和( 摇头机构 )组成。
7.家用电风扇的摇头控制机构主要有( 离合器 )式和( 同步电机 )式。
8.家用洗衣机通常有( 普通 )型、( 半自动 )型和( 全自动 )型。
9.洗衣机洗衣过程一般包括( 洗涤 )、( 漂洗 )和( 拧干 )三个环节。
10.洗衣机按洗涤方式不同可分为( 波轮式 )洗衣机、( 滚筒式 )洗衣机和( 摆动式 )洗衣机。
二.维修题(一).根据下图答题该图是单按键自动恒温式电饭锅电路原理图 1.R1是什么元件?答:加热器 (发热盘)。
2.K1、K2是什么开关?答:K1是双金属恒温器开关,K2是磁钢限温器开关。
3.请你分析当电饭锅内锅中的饭未煮熟,按键开关先跳,煮饭指示灯熄灭,保温指示灯亮的故障原因。
答:该故障可能是(1).磁性温控器内感温磁铁失效或金属片触点不良; (2).磁性温控器拉杆与杠杆位置变形; (3).内锅变形,使传热不良,局部过热。
(二).在电压正常的情况下,一台电风扇的风力比正常时小的故障原因。
答:该故障可能是(1).启动电容容量减小;(2).同一绕组中的线圈有局部短路; (3).电机转子轴和轴承(铜套)之间缺油;(4).轴承(铜套)磨损,转子和定子铁芯轻微摩擦。
(三).一台普通洗衣机洗涤电机不转动,并有“嗡嗡”声的故障维修。
答:该故障可能是(1).启动电容器失效或短路,用同规格更换; (2).电动机主、副绕组短路,更换绕组;(3).轴承(铜套)磨损,转子和定子铁芯摩擦,更换轴承(铜套),并加油保养。
《电冰箱、空调器原理与维修》自测题一、名词解释1、制冷机2、制冷技术3、制冷剂4、冷藏箱5、直冷式电冰箱6、间冷式电冰箱7、储冷器 8、温度 9、压力 10、内能11、焓 12、热量 13、汽化 14、液化15、蒸发 16、沸腾 17、湿蒸气18、干饱和蒸气 19、过热蒸气 20、过热度21、过冷液体 22、过冷度 23、等压线24、等焓线 25、等温线 26、等比体积线27、等熵线 28、制冷量 29、单位制冷量30、等熵压缩过程 31、压缩比 32、压缩比功33、冷凝压力 34、冷凝温度35、冷凝器热负荷 36、冷凝器单位热负荷37、节流 38、理论制冷循环39、直冷式蒸发器 40、间冷式蒸发器41、干燥过滤器 42、温控器43、感温囊式温控器 44、电子式温控器45、空气调节 46、空气调节器 47、绝对湿度48、含湿量 49、饱和湿度 50、露点温度51、湿空气焓湿图 52、干式加热过程53、干式冷却过程 54、加湿加热过程55、加湿冷却过程 56、减湿冷却过程57、减湿加热过程二、填空题1、给制冷机提供的能量,随采用的制冷方式、设备结构的不同,可以是( )、( )、( )及其他形式的能量。
2、按制冷原理,电冰箱可以分成( )电冰箱、( )电冰箱、( )电冰箱。
3、按功能,电冰箱可以分成( ) 电冰箱、( ) 电冰箱、( ) 电冰箱。
4、按使用的气候环境,电冰箱分为( )、( )、( )、( )等类型。
5、按冷却方式,电冰箱可分成( )和( )两大类。
6、电冰箱应具有( )、( )、( )等三项基本功能。
7、电冰箱三个基本组成部分是( )、( )、( )。
8、按结构形式空调器可以分成( )、( )两大类。
9、分体式空调器室外机组由( )、( )、( )、( )、供液阀与回气阀等组成。
10、分体式空调器室内机由( )、( )及电气控制系统组成。
11、按功能,空调器可分成( )、( )、( )三类。
《小家电使用原理与维修》试卷附答案(考试时间:90分钟,满分:100分,适用:10春IT 班)一、填空题(42分)1、小家电的主要特性有、、可靠性、耐用性、外观造型等特性。
2、是电热器具的主要部件,它是由制成的。
3、电热材料的种类繁多,按电热材料的材质不同,可分为和两大类。
4、电热材料的主要特性有、、电阻温度系数等。
5、电阻式电热元件按装配方式不同,可分为、和密封式三大类。
6、具有远红外辐射能力的电热元件称“”,它主要用于中。
7、电力晶体管简称,是一种大功率高反压晶体管。
8、晶闸管也称“”、是一种没有触点的“继电器”。
9、晶闸管的特性具有触发导通能力和阻断能力。
10、晶闸管的种类有晶闸管和晶闸管。
11、继电器是一种能自动实现控制的元件。
12、继电器分为继电器和继电器两种。
13、常用继电器包括、直流电磁继电器、舌簧继电器和时间继电器等、14、根据结构和工作原理的不同定时器可分为、和电动式三种。
15、家用电器常用的温度传感器主要有、以及等元件A、交流电磁继电器、B、中间电器、C、舌簧继电器、D、时间继电器6、其结构原理类似机械式钟表的定时器是:()A、机械式定时器、B、电子式定时器、C、舌簧式定时器、D、电动式定时器7、主要部件有减速传动机构和开关组件的定时器是:()A、机械式定时器、B、电子式定时器、C、舌簧式定时器、D、电动式定时器8、利用电子线路组成的定时器是:()A、机械式定时器、B、电子式定时器、C、舌簧式定时器、D、电动式定时器9、利用半导体的电阻或(电流)随温度变化特性制成的感温元件是:()A、温敏电阻B、热电偶C、温敏晶体管D集成温度传感器10、利用塞贝克效应制成的温敏传感元件是:()A、温敏电阻B、热电偶C、温敏晶体管D 集成温度传感器11、利用二极管PN结的正向电流与温度关系制在的温度传感元件是:()A、温敏电阻B、热电偶C、温敏晶体管D 集成温度传感器-12、将温敏晶体管及其有关电路集成在同一芯片的传感元件是:()A、温敏电阻B、热电偶C、温敏晶体管D 集成温度传感器-13、用来检测气体的类别、浓度和成分的传感器是:()。
小家电使用原理与维修试卷Last revision date: 13 December 2020.晋兴职校2011-2012学年(上)期末考试《小家电使用原理与维修》试卷(考试时间:90分钟,满分:100分,适用: 10春IT 班)一、填空题(42分)1、小家电的主要特性有、、可靠性、耐用性、外观造型等特性。
2、是电热器具的主要部件,它是由制成的。
3、电热材料的种类繁多,按电热材料的材质不同,可分为和两大类。
4、电热材料的主要特性有、、电阻温度系数等。
5、电阻式电热元件按装配方式不同,可分为、和密封式三大类。
6、具有远红外辐射能力的电热元件称“”,它主要用于中。
7、电力晶体管简称,是一种大功率高反压晶体管。
8、晶闸管也称“”、是一种没有触点的“继电器”。
9、晶闸管的特性具有触发导通能力和阻断能力。
10、晶闸管的种类有晶闸管和晶闸管。
11、继电器是一种能自动实现控制的元件。
12、继电器分为继电器和继电器两种。
13、常用继电器包括、直流电磁继电器、舌簧继电器和时间继电器等、14、根据结构和工作原理的不同定时器可分为、和电动式三种。
15、家用电器常用的温度传感器主要有、以及等元件16、家电常用传感器主要有、、光传感器、超声波传感器和红外线传感器。
17、是用来检测气体的类别、浓度和成分的传感器。
18、是把光信号转换为电信号的一种换能元件。
19、家用电器用光传感器主要有、光敏二极管、光电晶体管和集成光传感器四种。
20、电热器具是将转换为的器具。
21、家用电器常用的电动机是电动机、电动机、永磁式直流电动机。
22、电子镇流器的电路主要由、高频振荡电路和输出谐振电路组成。
23、调光灯具主要由、、灯罩、底座和线路板等部分组成。
24、家用电器维修时经常用到的工具有、、电铬铁、万用表(任写出两种)。
25、微波炉的微波频率一般为和。
二、选择题(15分)1、衡量小家电首要质量指标的是()A、适用性B、可靠性C、安全性D、耐用性2、什么样的电热元件因电热材料暴露在空气中而得名。
家用电器原理与维修考试题姓名一,填空题1.二极管具有( )。
2.空气调节技术研究的主要对象是: ( )。
13.有一重9千克的冰块,若熔解成40’C的水时,它的体积( )。
4,制冷剂的循环量的单位是( )。
5.由制冷压缩机排出的氟利昂制冷剂蒸汽称为( )。
6。
干燥埠滤器的分子筛可吸附制冷系统中残留的( )。
7.由制冷装置中取出制冷剂可由( )处取出。
8,电冰箱的制冷效果一般用几个星级来表示,一个星级表示度9,PTC的作用是,。
10,四通电磁阀的作用是二选择题1.贮液器的作用是( A)A.收集制冷剂 B.保证冷却面积 C。
平衡高压压力 D。
确保冷凝面积收集制冷剂2.分子筛的活化温度不超过(C)A.200 ℃ D.450℃ C。
600℃ D.800℃3.热力膨胀阀感温包内制冲剂泄漏,将使膨胀阀阀口开启度(B)A发生增大变化 B.发生变化 C.没有变化 D.发生关闭变化4.电子式温控器感温元件是B)A.感温包 B.热敏电阻 C.热电偶 D.双金属片5.氟利昂制冷压缩机曲轴箱油温在任何情况下.量高温度不超过(B )A.120℃ B.70℃ C.90℃ D。
41℃36.制冷压缩机工作时,当排气压力阅故障超过规定数值时,安全阀被打开,高压气体将(B );避免事故的产生。
A 流回吸气腔B 排向大自然C.流回储液器 D。
排向蒸发器37.制冷压缩机开机时,膨胀阀进口管上结霜,说明(B)A 热力膨胀阀开启过大 B.热力膨胀阀前过滤网堵塞 C.制冷剂不足 D.制冷剂充注过量38.充制冷剂进行泄漏实试验时.可以借助于(C)检漏A.卤素灯 B.浸水c.肥皂水 D.观察法39.制冷系统与真空泵连接好后,应(A)A.先开真空泵,后打开系统阀 B先打开系统阀,再开真空泵C.真空泵与系统阀同时打开 D.真空泵与系统阀没有先后顺序之分40.制冷剂充灌过多,在吸器管道表面会山现(B)现象.A 结露 B。
结霜 C.恒温 D.过热41.对于调试冷却液体的蒸发器,其蒸发温度应比被冷却液体平均温度低(B)。
《小家电原理使用与维修》练习三
姓名成绩
一、填空题
1、微波有三个特性:、、;微波炉的工
作频率可分为MH z和MH z;机电控制型微波炉主要由、、、、、
等部分组成;磁控管也称,是一种把
的器件;
2、电磁炉按工作频率可分为和两种,三个主要组成部
分分别是、和;工频电磁炉主要由、、、等组成;电磁炉常用的锅体是--- --- ----- 四层复合锅体,高频电磁炉
由、、、、
等组成;
3、电暖器的主要优点是、、、、
,目前常用的主要有、和三种,其结构主要由、、、、等组成,常用的控温元件有、和三种;电热油汀由、、、
和等组成;
4、电饭锅又称,具有、、、
、、等优点,按控制方式可分为
、、三种,其结构由、、、、等组成,磁钢限温器有、、、
等组成;
5、电热水器是以为热源的热水器,其中使用的电热元件有、
、、、等,按水流方式可分为和两种;储水式电热水器一般由、、、、、、、等组成,常用的保温措施是;
二、简答题
1、电热水器的常见故障有哪几种?出水不热的原因是什么?
2、电暖器的常见故障有哪几种?如何排除不发热故障?
3、电饭锅的常见故障有哪几种?怎样排除煮饭不熟的故障?
4、电磁炉是如何工作的?
5、如何判别绝缘栅型场效应管的管脚?
6、如何用万用表判别绝缘栅场效应管的好坏?。
百度文库家用电器原理与维修考试题姓名:一:填空题1.二极管具有 __________________ 特性。
电冰箱的制冷效果一般用几个星级来表示,一个星级表示 PTC 的作用是, ____________________________________ 四通电磁阀的作用是 ______________________________ 2, 3, 4, 5. 6. 7, & 9o 空气调节技术研究的主要对象是: _______________________ 有一重9千克的冰块,若熔解成 40' C 的水时,它的体积 制冷剂的循环量的单位是 _________________________________ 由制冷压缩机排出的氟利昂制冷剂蒸汽称为 ______________ 干燥埠滤器的分子筛可吸附制冷系统中残留的 _____________ 10.由制冷装置中取出制冷剂可由 :选择题1. 贮液器的作用是() A.收集制冷剂 B •保证冷却面积 C O 平衡高压压力 D 。
确保冷凝面积收集制冷剂2. 分子筛的活化温度不超过 ()A. 200 C D . 450 C C o 600 C D . 800 C 3\热力膨胀阀感温包内制冲剂泄漏,将使膨胀阀阀口开启度 () A 发生增大变化 B •发生变化C •没有变化D •发生关闭变化 4•电子式温控器感温元件是() A 感温包\B •热敏电阻C •热电偶D •双金属片 5•氟利昂制冷压缩机曲轴箱油温在任何情况下•量高温度不超过 A. 120 C B . 70C C. 90C D o 41 C 6. 制冷压缩机工作时,当排气压力阅故障超过规定数值时, 安全阀被打开,高压气体将(); 避免事故的产生。
A 流回吸气腔B 排向大自然C.流回储液器D 。
排向蒸发器 7. 制冷压缩机开机时,膨胀阀进口管上结霜,说明( ) A 热力膨胀阀开启过大 B .热力膨胀阀前过滤网堵塞 C .制冷剂不足 D .制冷剂充注过量 充制冷剂进行泄漏实试验时.可以借助于 ()检漏 卤素灯B .浸水C .肥皂水D .观察法 制冷系统与真空泵连接好后,应 () 先开真空泵,后打开系统阀 B 先打开系统阀,再开真空泵 真空泵与系统阀同时打开 D .真空泵与系统阀没有先后顺序之分)现象.& A. 9. A. C.10. 制冷剂充灌过多,在吸器管道表面会山现(班级:A 结露B 。
2010-2011学年度第一学期期末试卷2010-12-22《小家电原理使用与维修》适用班级: 06高电出卷人:李蓬一、填空题(每空1分,共24分)1.小家电是指。
2.常用的电力电子器件有。
3.远红外线辐射器常用的元器件是。
4.电热材料分为和两大类。
5.应急灯的基本组成有:。
6.真空吸尘器按结构分为、、三种。
7.吸尘器一般由、、、、、等几个部分组成。
8.电子节能灯由几个部分组成。
9.电子镇流器主要由、、三个部分组成。
10.用于检测温度的传感器是。
11.气体传感器的作用是。
12.红外传感器的作用是。
13.超声波可以用来:。
14.调光灯具的调光方式有。
二、判断题(在正确的说法后画“√”,在错误的说法后画“X”,每题1分,共12分)1.可控硅相控调光是采用相位控制的方法来实现调光的。
()2.电阻式电热元件。
由金属或合金导体根据电流的热效应原理制成,按不同用途加工成螺旋形、板形、管形、棒形和扁形等多种形状。
()3.电子节能灯也叫LED节能灯,也叫半导体节能灯,是一种新光源,显色指数达90以上。
()4.电风扇的主要部件是交流电动机。
()5.吸尘器主要由起尘、吸尘、滤尘三部分组成,一般包括串激整流子电动机、离心式风机、滤尘器(袋)和吸尘附件。
()6.储热式电暖器是一种用储热材料储存热量并在需要用时将热量释放出来的电取暖器具。
()7.晶闸管T在工作过程中,它的阳极A和阴极K与电源和负载连接,组成晶闸管的主电路,晶闸管的门极G和阴极K与控制晶闸管的装置连接,组成晶闸管的控制电路。
()8.白炽灯的响应时间为毫秒级,led灯的响应时间为纳秒级。
()9.工业用排风扇:主要用于强迫空气对流之用。
电风扇用久以后,扇叶的下面很容易沾上很多灰尘。
()10.超声波是一种振动频率高于声波的机械波,由换能晶片在电压的激励下发生振动产生的,它具有频率高、波长短、绕射现象小,特别是方向性好、能够成为射线而定向传播等特点。
()11.调温型电熨斗能杂60—250℃范围内自动调节温度,能自动切断电源,可以根据不同的衣料采用适合的温度来熨烫,比普通型来得省电。
晋兴职校2011-2012学年(上)期末考试《小家电使用原理与维修》试卷(考试时间:90分钟,满分:100分,适用:10春IT班)一、填空题(42 分)1、小家电的主要特性有、、可靠性、耐用性、外观造型等特性。
2、是电热器具的主要部件,它是由制成的。
3、电热材料的种类繁多,按电热材料的材质不同,可分为和两大类。
4、电热材料的主要特性有、、电阻温度系数等。
5、电阻式电热元件按装配方式不同,可分为、和密封式三大类。
6、具有远红外辐射能力的电热元件称“”,它主要用于中。
7、电力晶体管简称,是一种大功率高反压晶体管。
8、晶闸管也称“”、是一种没有触点的“继电器”。
9、晶闸管的特性具有触发导通能力和阻断能力。
10、晶闸管的种类有晶闸管和晶闸管。
11、继电器是一种能自动实现控制的元件。
12、继电器分为继电器和继电器两种。
13、常用继电器包括、直流电磁继电器、舌簧继电器和时间继电器等、14、根据结构和工作原理的不同定时器可分为、和电动式三种。
15、家用电器常用的温度传感器主要有、以及等元件16、家电常用传感器主要有、、光传感器、超声波传感器和红外线传感器。
17、是用来检测气体的类别、浓度和成分的传感器。
18、是把光信号转换为电信号的一种换能元件。
19、家用电器用光传感器主要有、光敏二极管、光电晶体管和集成光传感器四种。
20、电热器具是将转换为的器具。
21、家用电器常用的电动机是电动机、电动机、永磁式直流电动机。
22、电子镇流器的电路主要由、高频振荡电路和输出谐振电路组成。
23、调光灯具主要由、、灯罩、底座和线路板等部分组成。
24、家用电器维修时经常用到的工具有、、电铬铁、万用表(任写出两种)。
25、微波炉的微波频率一般为和。
二、选择题(15 分)1、衡量小家电首要质量指标的是()A、适用性B、可靠性C、安全性D、耐用性2、什么样的电热元件因电热材料暴露在空气中而得名。
()A、开启式B、罩盖式C、密封式D、电子式3、什么样的电热元件因电热材料被既导热又绝缘的物质(如云母片)包裹起来而得名的。
()A、开启式B、罩盖式C、密封式D、电子式4、什么样的电热元件一般用于电熨斗和电烤箱中、()A、开启式B、罩盖式C、密封式D、以上都可以5、以电磁系统为主体的一类继电器是:()A、交流电磁继电器、B、中间电器、C、舌簧继电器、D、时间继电器6、其结构原理类似机械式钟表的定时器是:()A、机械式定时器、B、电子式定时器、C、舌簧式定时器、D、电动式定时器7、主要部件有减速传动机构和开关组件的定时器是:()A、机械式定时器、B、电子式定时器、C、舌簧式定时器、D、电动式定时器8、利用电子线路组成的定时器是:()A、机械式定时器、B、电子式定时器、C、舌簧式定时器、D、电动式定时器9、利用半导体的电阻或(电流)随温度变化特性制成的感温元件是:()A、温敏电阻B、热电偶C、温敏晶体管 D 集成温度传感器10、利用塞贝克效应制成的温敏传感元件是:()A、温敏电阻B、热电偶C、温敏晶体管D集成温度传感器11、利用二极管 PN 结的正向电流与温度关系制在的温度传感元件是:()A、温敏电阻B、热电偶C、温敏晶体管D集成温度传感器-12、将温敏晶体管及其有关电路集成在同一芯片的传感元件是:()A、温敏电阻B、热电偶C、温敏晶体管D集成温度传感器-13、用来检测气体的类别、浓度和成分的传感器是:()。
A、温度传感器B、气体传感器C、光传感器D、超声波传感器14、把光信号转换为电信号的传感器是:()A、温度传感器B、气体传感器C、光传感器D、超声波传感器15、电阻随着受光照射强度的改变而改变的光传感元件是:()A、光敏电阻B、光敏二极管C、光电晶体管D、集成光传感器三、判断题(10 分)()1、蒸汽型电熨斗在工作时不用加水。
()2、在检修家电时一般不需切断电源才可进行检修。
()3、电饭锅工作温度达到103±2℃时,磁钢限温器使电路断电。
()4、吊扇启动困难但被拨动后能运行,一般原因是启动电容损坏。
()5、相对滚筒式而言,波轮式洗衣机洗净率高,衣服磨损率也高。
()6、单相异步电动机又称单相感应电动机,只需单相交流电源供电。
()7、永磁式直流电动机的特点是结构简单、体积小,转速不稳定。
()8、抽头调速电动机的绕阻是由主绕阻、副绕阻、中间绕阻三个绕阻组成。
()9、双金属片控温元件是利用两种具有相同温度膨胀系数的金属制成的。
()10、高频电磁炉使用的高频电流是 20KHz 以上。
四、作图(10 分)1、普通型电暖器电气原理图。
2、电饭锅电气原理图。
五、简答题(12 分)1、自动恒温式电饭锅在煮稀饭、烧开水的过程中能否实现自动断电、自动恒温?为什么?(6 分)2、请简述电磁炉加热的基本原理。
(6 分)六、检修实例(11 分)1、有一台自动恒温式电饭锅,出现“指示灯亮,但电饭锅不热”的故障现象,请分析故障原因及检修方法?(5 分)2、有一台扇,出现“通电后电风扇不转动,用手拨动一下才能转动”的故障,试分析故障原因及检修方法。
(6 分)小家电试题 A(答案)一、填空题(42 分)1、小家电的主要有适用性、安全性、可靠性、耐用性、外观造型等特性。
2、电热元件是电热器具的主要部件,它是由电热材料制成的。
3、电热材料的种类繁多,按电热材料的材质不同,可分为金属材料和非金属材料两大类。
4、电热材料的主要特性有物理与机械、最高使用温度、电阻温度系数等。
5、电阻式电热元件按装配方式不同,可分为开启式、罩盖式和密封式三大类。
6、具有远红外辐射能力的电热元件称“远红外辐射器”,它主要用于电暖器中。
7、电力晶体管简称 GTR,是一种双极型大功率高反压晶体管。
8、晶闸管也称“可控硅”、是一种没有触点的“继电器”。
9、晶闸管的特性具有正向触发导通能力和反向阻断能力。
10、继电器是一种能自动实现通、断控制的元件。
11、继电器分为固体继电器和常用继电器两种。
12、常用继电器包括交流电磁继电器、直流电磁继电器、舌簧继电器和时间继电器等、13、根据结构和工作原理的不同定时器可分为机械式、电子式、电动式三种。
14、家用电器常用的温度传感器主要有温敏电阻、热电偶以及温敏晶体管等元件15、家电常用传感器主要有温度传感器、气体传感器、光传感器、超声波传感器和红外线传感器。
16、气体传感器是用来检测气体的类别、浓度和成分的传感器。
17、光传感器是把光信号转换为电信号的一种换能元件。
18、家用电器用光传感器主要有光敏电阻、光敏二极管、光电晶体管和集成光传感器四种。
19、电热器具是将电能转换为热能的器具。
20、家用电器常用的电动机是单相异步电动机、单相串激式电动机、永磁式直流电动机。
21、电子镇流器的电路主要由整流滤波电路、高频振荡电路和输出谐振电路组成。
22、调光灯具主要由白炽灯、开关、灯罩、底座和线路板等部分组成。
23、家用电器维修时经常用到的工具有螺丝刀、尖嘴钳、电铬铁、万用表(任写出四种)。
24、微波炉的微波频率一般为915MHz和2450MHz。
二、选择题(30)1、C,2、A,3、B,4、C,5、A,6、A,7、D,8、B,9、A,10、B,11、C,12、D,13、B,14、C,15、A 三、判断题(10 分)1×,2×,3×,4√,5√,6√,7×,8√,9×,10√四、作图 101、普通型电暖器电气原理图。
2、电饭锅电气原理图。
五、简答题(10分)1、自动恒温式电饭锅在煮稀饭、烧开水的过程中能否实现自动断电、自动恒温?为什么?(5 分)答:不能,因为电饭锅在煮稀饭、烧开水时,稀饭熟后和开水胀时,电饭锅锅内扔有水,锅底温度达不到 103C,永久磁钢没能产生移动,电热盘扔继续通电加热,所以不能实现自动断电、自动恒温.2、请简述电磁炉加热的基本原理。
5 分答:电磁炉加热的基本原理是:当励磁线圈通过交流电时,在线圈周围产生交变磁场,电能即变为磁能,交变磁场的磁感线圈经过锅底形成回路,在锅底导电材料内产生感应电动势,从而在锅底产生感应电流---涡流.涡流流过锅底时,产生热,最终实现电---热转换.六、检修实例(18分)1、有一台自动恒温式电饭锅,出现“指示灯亮,但电饭锅不热”的故障现象,请分析故障原因及检修方法?答:故障原因可能是:1、电源与电饭锅电路没有接通。
检查与电路通断的有关部分。
2、指示灯损坏、降压电阻开路。
更换元件。
2、有一台扇,出现“通电后电风扇不转动,用手拨动一下才能转动”的故障,试分析故障原因及检修方法。
答:故障原因可能是:1、定子绕阻断路或烧坏,接通或更换绕阻 2、电容器损坏,更换同规格电容器。
3、定子与转子相碰,更换轴承 4、轴承与轴配合过紧,旋松轴承孔或洗净重装。