HYSPC三相不平衡自动调节装置
- 格式:pdf
- 大小:840.34 KB
- 文档页数:3
三相不平衡调节装置方案1 产品研发背景目前,在国家电网公司中、低压配电网系统中,存在着大量的单相、不对称、非线性、冲击性负荷,三相负荷系统是随机变化的,这些负荷会使配电系统产生三相不平衡,三相负荷不平衡会导致供电系统三相电压、电流的不平衡,引起电网负序电压和负序电流,影响供电质量,进而增加线路损耗,降低供电可靠性。
三相不平衡治理装置是专门针对上述问题而研发的一款产品,不同于传统的治理装置,它融合了半导体器件与接触器开关的优点,能够避免接触器开关在负荷投切瞬间产生的较大涌流和开通、关断时间间隔长的问题,使负载用户在负载换相投切过程中可正常供电;也能避免半导体器件长期运行带来的发热问题。
配网三相不平衡治理装置的应用,将大幅提高配网运行稳定性和智能化,可对国网公司提出的建设坚强智能电网的要求起到很好的支撑作用。
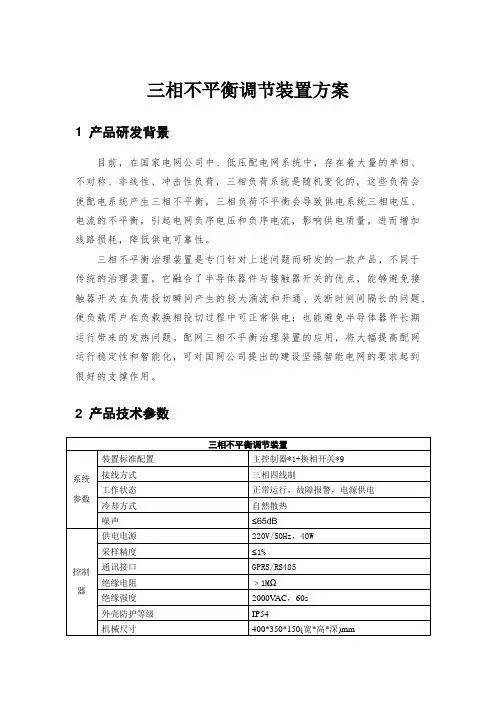
2 产品技术参数三相不平衡调节装置系统参数装置标准配置主控制器*1+换相开关*9接线方式三相四线制工作状态正常运行,故障报警,电源供电冷却方式自然散热噪声≤65dB控制器供电电源220V/50Hz,40W采样精度≤1%通讯接口GPRS/RS485绝缘电阻﹥1MΩ绝缘强度2000V AC,60s外壳防护等级IP54机械尺寸400*350*150(宽*高*深)mm重量10kg环境温度-25~45℃环境湿度0~95%,无凝露海拔≤1000m换相开关额定电压AC380V额定频率50Hz额定电流100A最大允许电流150A换相时间≤10ms通讯接口GPRS/RS485绝缘电阻﹥1MΩ绝缘强度2000V AC,60s外壳防护等级IP54机械尺寸250*500*200(宽*高*深)mm 重量15kg环境温度-25~45℃环境湿度0~95%,无凝露海拔≤1000m3 技术方案3.1总体方案三相不平衡调节装置主要由主控制器与换相开关组成。
主控制器是整个装置的控制核心,换相开关是装置的执行机构,它们之间通过GPRS无线通讯进行信息交互,相互配合完成对配网三相不平衡问题的治理。
三相负荷不平衡自动调节装置是一种用于电力系统中的设备,其主要作用是自动调节三相负荷的不平衡情况,以提高电力系统的稳定性和可靠性。
该装置通常由传感器、控制器和执行机构等组成。
传感器用于检测三相负荷的电流和电压等参数,控制器根据传感器检测到的数据进行分析和处理,并发出控制指令,执行机构则根据控制指令对三相负荷进行调节,以实现三相负荷的平衡。
三相负荷不平衡会导致电力系统中的电压波动、电流不平衡等问题,从而影响电力系统的稳定性和可靠性。
使用三相负荷不平衡自动调节装置可以有效地解决这些问题,提高电力系统的运行效率和可靠性。
需要注意的是,不同的三相负荷不平衡自动调节装置可能具有不同的功能和特点,具体选择应根据实际需求进行考虑。
同时,在使用该装置时,需要按照相关的操作规程进行操作,以确保其正常运行和安全可靠。
YH-SVG 三相负荷不平衡自动调节装置在配网中的应用分析发布时间:2021-08-03T08:06:38.084Z 来源:《电力设备》2021年第5期作者:晏金辉万颖吴长荣朱丹[导读] 就极有可能造成设备某相过载,引起供电设备异常发热,严重时甚至会烧毁供电设备。
(云南电网有限责任公司德宏陇川供电局云南德宏 678700)摘要:近年来,我国经济发展迅速,居民单相大功率用电设备呈现数量不断增多,功率不断增大的趋势,直接影响到配电网三相负载的分布。
如何改善配电网三相不平衡问题显得尤为棘手。
我国供电采用 TN-C 系统,理想情况下三相负载平衡,无功功率为零,中性线无电流流过。
但用户端存在大量的不对称负载,且用户使用电气设备具有随机不可控性,即便电网规划再合理,也必然有大量时刻三相配电网处于不平衡运行状态。
YH-SVG三相负荷不平衡自动调节装置有效改善了电力台区三相不平衡的情况,为配网安全稳定运行提供了良好环境。
关键词:YH-SVG;三相负荷不平衡;自动调节装置引言近年来,我国经济发展迅速,居民单相大功率用电设备呈现数量不断增多,功率不断增大的趋势,直接影响到配电网三相负载的分布。
如何改善配电网三相不平衡问题显得尤为棘手。
我国供电采用TN-C系统,理想情况下三相负载平衡,无功功率为零,中性线无电流流过。
但用户端存在大量的不对称负载,且用户使用电气设备具有随机不可控性,即便电网规划再合理,也必然有大量时刻三相配电网处于不平衡运行状态。
据文献概述,于2015年12月15日,江西省配电变压器总量达到134614台,有43587台变压器三相不平衡度超过25%,占变压器总量的32.37%,其中有2786台变压器三相不平衡度超过了70%;8467台变压器三相不平衡度在50%~70%之间,分别占总变压器台数的2.07%、6.29%。
无功功率有别于有功功率,其不对外做功,主要存在于设备用于产生和维持能量之间相互转换以及传递所需的电磁场,如电机以及变压器等。
三相不平衡调节装置的作用
三相负荷不平衡自动调节装置(SPC)主要用于低压配电用户侧,治理三相电流不平衡,相电压偏低和补偿无功,优化电能质量。
NAD系列SPC产品规格覆盖50A/35kvar, 75A/50kvar,150A/100kvar,可同时补偿三相不平衡电流和无功,实现连续、动态补偿。
NAD系列SPC可全面改善台区电能质量,具体如下:
●解决配电网三相不平衡问题,降低线路损耗;
●稳定三相电压,提高供电质量,改善用电环境;
●解决变压器单相过载问题,提高变压器运行寿命;
●无功平衡,提高配电网有效输出容量;
低压配变电能质量背景
三相不平衡严重
由于400V低压配电系统用户侧几乎都是单相负载,且用电具有不同时性,配变系统极易出现三相不平衡,不平衡度严重超标。
电压合格率低
400V低压配电系统供电半径长,由于三相不平衡,用电高低时段的影响,容易导致电压超过限值(-7%?+10%)。
备注:A类为35KV变电站10KV母线电压:B类为35KV变电站母线电压;C类为10KV专线用户电压:D类为380/220V用户
功率因素低
配变广泛使用分组投切电界器,有补偿台阶,补偿效果差(极易出现过补或欠补)。
SPC三相负荷不平衡装置的安装施工SPC三相负荷不平衡装置是治理台区变压器三相负荷不平衡问题问题的设备,安装于台区变压器低压侧,304不锈钢户外箱体挂杆安装,以下主要从施工前的准备工作、施工过程中的注意事项及施工完毕后的上电调试三大方面,对整个工程施工进行详细说明。
SPC三相负荷不平衡自动调节装置一、安装施工前1、需要准备的材料清单1)一次接线的选择2)电流互感器的选择电流互感器的选取须满足以下电气参数:●额定次级电流为5A;●额定次级功率大于1VA;●互感器测量精度至少为0.5级;●CT变比范围:150/5~6000/5,CT额定电流选择时需按照系统电流的1.5倍(或者直接根据变压器计量变比选择)2、通常我们可以依据变压器的容量选择相应的变比3、当变压器的实际电流达到互感器一次电流的30%以上时,就可以保证采样精度●互感器的形式及孔径需要根据现场实际情况选择(如母排大小、安装空间、套装是否方便等)3)安装支架寸自行设计安装支架,承重能力不低于100kg,支架的抱箍根据电杆的长度和SPC安装位置的高度,一般10到15米杆可用280 -300mm直径的抱2、停电计划安装SPC装置,需要对变压器停电,事先做好停电计划,施工时间一般需要2-3小时,可先将SPC装置固定好,并将电线电缆端子做好后,再实施停电,这样可大大减少停电时间。
二、施工过程中1.施工准备人员:3-4人时间:2-3小时工具:液压钳、活动扳手、内六角、套筒、绳索、人字梯、吊装设备等2.确定变压器出线的相序SPC装置,在使用时要求与变压器的绝对相序的正确,如果变压器出线不是按照规定标识,就可能导致SPC装置检测电网频率为负值,进而引起故障报警,设备无法进行正常工作。
所以在停电安装之前,首先要确定变压器的相序是不是按照A、B、C的正序出线。
3.停电接线前的准备工作在停电接线之前先将SPC装置固定于电线杆上(使用吊车吊装或者人工吊装),将电线电缆裁好并做好端子,SPC侧可先进行接线,包括一次线及二次电流采样线,但是要将ABCN 的线头做好明确标识,避免接错线。
三相不平衡调节装置一、引言三相不平衡是电力系统中常见的问题,它会导致电压波动、功率损失、设备过热等问题。
因此,需要采取措施来调节三相不平衡。
本文将详细介绍三相不平衡调节装置的相关知识。
二、三相不平衡的原因1. 负载不均衡:当三相负载不均匀时,就会导致三相电流不同,从而引起三相电压不平衡。
2. 供电系统故障:例如变压器接线错误或故障、配电网故障等都会导致三相电压不平衡。
三、三相不平衡的危害1. 降低供电质量:三相不平衡会导致供电质量下降,影响用户用电。
2. 增加设备损坏率:设备长期运行在不平衡状态下,容易造成设备过热、寿命缩短等问题。
3. 浪费能源:由于功率因数下降,使得系统有更大的无功功率损耗。
四、三相不平衡调节装置的分类1. 静态调节装置:包括静态无功发生器(SVG)、静态电容器、静态补偿装置等。
2. 动态调节装置:包括动态无功发生器(DSTATCOM)、动态电容器、动态补偿装置等。
五、三相不平衡调节装置的原理1. 静态调节装置:静态调节装置通过改变电路的阻抗来实现对三相电流的控制,从而达到平衡三相电压的目的。
2. 动态调节装置:动态调节装置通过直接注入或吸收有功、无功功率来实现对三相电流的控制,从而达到平衡三相电压的目的。
六、静态无功发生器(SVG)的工作原理SVG是一种采用PWM技术实现的静止式无功发生器。
它通过感应负载侧电流,计算出负载侧电压与标准值之间的差值,然后通过PWM技术产生一个与差值成比例的无功电流注入系统中,从而实现对三相不平衡进行调节。
七、动态无功发生器(DSTATCOM)的工作原理DSTATCOM是一种采用PWM技术实现的动止式无功发生器。
它通过感应负载侧电流,并计算出负载侧电压与标准值之间的差值,然后通过PWM技术产生一个与差值成比例的有功电流和无功电流注入系统中,从而实现对三相不平衡进行调节。
八、静态电容器的工作原理静态电容器是一种通过改变系统的电容来实现对三相不平衡进行调节的装置。
三相不平衡调节装置原理小伙伴,今天咱们来唠唠三相不平衡调节装置的原理,这可挺有趣的呢。
你知道吗,在三相电力系统里呀,三相不平衡就像是三个小伙伴在干活,结果有一个干得多,有一个干得少,这样就不均衡啦。
三相不平衡会带来不少麻烦事呢。
比如说,它可能会让线路损耗变得很大,就像本来大家均匀分担重量走路很轻松,现在重量一边倒,那走起来就费劲啦,电能就在线路上浪费掉好多。
而且还可能影响设备的正常运行,就像让一个习惯了均衡力量的机器突然受到不均衡的力,那它可能就会哼哼唧唧,出故障啦。
那这个三相不平衡调节装置是怎么来解决这个问题的呢?三相不平衡调节装置就像是一个超级聪明的协调员。
它里面有一些很厉害的电路结构哦。
这个装置能够检测到三相电流或者电压的不平衡情况。
就好像它有三个小眼睛,时刻盯着三相电的情况,看看哪一相是调皮捣蛋的,和其他相不一样。
一旦它发现了不平衡,就开始施展它的魔法啦。
它会通过一些电力电子器件来调整。
比如说,它可能会把多的那部分电能转移到少的那部分去。
这就像是把干得多的小伙伴的一部分活分给干得少的小伙伴,让大家干的活都差不多。
这些电力电子器件就像是一个个小搬运工,按照装置的指挥,快速又准确地搬运着电能。
这个装置还有一个很神奇的地方呢。
它可以根据不同的不平衡情况,灵活地调整自己的策略。
如果是电流不平衡得比较严重,它就会加大调整的力度;如果只是一点点不平衡,它就会轻轻地微调一下。
就像我们根据不同的问题大小,来选择不同的解决办法一样。
你可以想象一下,三相不平衡调节装置是一个住在电力系统里的小精灵。
当三相电出现不平衡这个小风波的时候,它就跳出来,挥舞着它的魔法棒(其实就是那些电路和算法啦),让三相电重新变得和谐起来。
而且呀,这个装置还在不断地进化呢。
随着科技的发展,它变得越来越聪明,调整得越来越精准。
它就像一个贴心的小管家,时刻照顾着三相电这个大家庭,让整个电力系统都能平稳、高效地运行。
这样我们家里的电器就能好好工作啦,工厂里的那些大机器也能欢快地运转,不用担心因为三相不平衡而突然出故障啦。
- 3 -HYSPC 乾坤大挪移效果示意图从B 相引进100A ,转移到A 相、C 相各50A使变压器的A 、B 、C 相输出均衡,避免了电能质量问题的发生。
HYSPC 三相不平衡自动调节效果示意图a 有效治理因中线局部发热老化,甚至是火灾的风险;b 有效治理因局部电压不平衡,引起的设备误报警;c 有效治理因零地电压偏高而导致控制系统弱电设备烧毁的风险;d 不会增加有功损耗。
HYSPC - 100/400-4-WHYSPC 三相不平衡自动调节装置3正常工作条件和安装条件3.1环境温度:-10℃~ +40℃3.2相对湿度:5%~95%,无凝露3.3海拔高度:≤1500m ,1500~4000m 之间,根据GB/T3859.2,每增加100m ,功率降低1%3.4环境条件:无有害气体和蒸汽,无导电性或爆炸性尘埃,无剧烈的机械振动3.5户外安装:模块上下出风口至少要保留 15cm 空间,机柜前后至少保留60cm 空间以方便维护2型号及含义户外4:三相四线 3:三相三线 电压等级:400V容量: 35kvar 、70kvar 、100kvar 三相不平衡调节企业代码HY SPC 100 / 400 - 4 - W1概述及自动调节效果示意图低压配网中的三相不平衡是普遍存在的。
在城网及农网中由于大量单相负荷的存在,三相间的电流不平衡现象尤为严重。
电网中的电流不平衡会增加线路及变压器的损耗、降低变压器的出力、影响变压器的运行安全,还会造成零点漂移,导致三相电压不平衡,降低供电质量。
针对上述情况,我公司本着优化电能质量、实现节能减排的目的,精心设计研发出了三相不平衡自动调节装置。
该装置在额定容量内将零序电流滤除90%以上,三相不平衡度控制在10%以内。
恒一5.1模块化设计,方便更换;5.2可校正三相电流不平衡到完全平衡;无功补偿可使功率因数达到 1;可补偿 13 次以内低次谐波;补偿三相不平衡、滤波、补偿无功可单选或多选,并可设置功能的优先次序;5.3采用PQ检测算法,计算速度快,瞬时响应时间小于 100us, 装置补偿全响应时间小于 10ms;5.4在现场的 CT 接线位置可任选负载侧或电网侧采样;5.5采用可靠的限流控制环节,当系统中的待补偿电流大于三相不平衡治理装置容量时,装置能够自动限流在 100%容量输出,维持正常工作,不会出现过载烧毁等故障;5.6主电路采用三桥臂的三电平结构,输出波形质量高,开关损耗低;5.7防护等级达到 IP44,适应恶劣工况下的使用。
- 3 -
HYSPC 乾坤大挪移效果示意图
从B 相引进100A ,转移到A 相、C 相各50A
使变压器的A 、B 、C 相输出均衡,避免了电能质量问题的发生。
HYSPC 三相不平衡自动调节效果示意图
a 有效治理因中线局部发热老化,甚至是火灾的风险;
b 有效治理因局部电压不平衡,引起的设备误报警;
c 有效治理因零地电压偏高而导致控制系统弱电设备烧毁的风险;
d 不会增加有功损耗。
HYSPC - 100/400-4-W
HYSPC 三相不平衡自动调节装置
3正常工作条件和安装条件
3.1环境温度:-10℃~ +40℃
3.2相对湿度:5%~95%,无凝露
3.3海拔高度:≤1500m ,1500~4000m 之间,根据GB/T3859.2,每增加100m ,功率降低1%3.4环境条件:无有害气体和蒸汽,无导电性或爆炸性尘埃,无剧烈的机械振动
3.5户外安装:模块上下出风口至少要保留 15cm 空间,机柜前后至少保留60cm 空间以方便维护
2型号及含义
户外
4:三相四线 3:三相三线 电压等级:400V
容量: 35kvar 、70kvar 、100kvar 三相不平衡调节企业代码
HY SPC 100 / 400 - 4 - W
1概述及自动调节效果示意图
低压配网中的三相不平衡是普遍存在的。
在城网及农网中由于大量单相负荷的存在,三相间的电流不平衡现象尤为严重。
电网中的电流不平衡会增加线路及变压器的损耗、降低变压器的出力、影响变压器的运行安全,还会造成零点漂移,导致三相电压不平衡,降低供电质量。
针对上述情况,我公司本着优化电能质量、实现节能减排的目的,精心设计研发出了三相不平衡自动调节装置。
该装置在额定容量内将零序电流滤除90%以上,三相不平衡度控制在10%以内。
恒一
5.1模块化设计,方便更换;
5.2可校正三相电流不平衡到完全平衡;无功补偿可使功率因数达到 1;可补偿 13 次以内低次谐波;
补偿三相不平衡、滤波、补偿无功可单选或多选,并可设置功能的优先次序;
5.3采用PQ检测算法,计算速度快,瞬时响应时间小于 100us, 装置补偿全响应时间小于 10ms;
5.4在现场的 CT 接线位置可任选负载侧或电网侧采样;
5.5采用可靠的限流控制环节,当系统中的待补偿电流大于三相不平衡治理装置容量时,装置能够自
动限流在 100%容量输出,维持正常工作,不会出现过载烧毁等故障;
5.6主电路采用三桥臂的三电平结构,输出波形质量高,开关损耗低;
5.7防护等级达到 IP44,适应恶劣工况下的使用。
5.8 GPRS 通讯,可远程遥控开关机、设置控制参数,并按照指定的频率回传电网与装置数据到云端,
用户可随时查看监控电网与设备的状态。
5.9自带加热器以及调速风机,可在极寒冷与极炎热的室外正常工作。
4.1工作电压范围:三相380VAC±20%
4.2 工作频率:50Hz,允许偏差±5%
4.3 零序电流补偿能力:≥90%(额定容量)
4.4 三相不平衡治理能力:≤10%(额定容量)
4.5 补偿全响应时间:<10ms
4.6 接入方式:并联接入
4.7 功率消耗:< 容量的2.5%
4技术指标
5
特点介绍
- 4 -
- 5 -
35W830×D455×H113050610×2404-Φ13100
W830×D455×H1130
95
610×240
4-Φ13
9订货须知
9.1用户需提供使用场所的一些特征,或测量数据后量身定做。
F 杆安装示意图H 杆安装示意图
实例安装示意图
实例安装示意图
100kavr 尺寸示意图
6外形尺寸示意图
7 安装方式
8 (可另购) Wifi模块(手机APP 遥控)或GPRS 模块电脑客户端控制
8.1可另外选配Wifi模块(手机APP 遥控)或GPRS 模块电脑客户端控制。