三相不平衡调节装置技术方案汇总
- 格式:doc
- 大小:844.00 KB
- 文档页数:12
三相不平衡调节及无功补偿装置□杨嘉文1概述在中、低压配电网系统中,存在着大量的单相,不对称、非线性,冲击性负荷,三相负荷系统是随机变化的,这些负荷会使配电系统产生三相不平衡,三相负荷不平衡会导致供电系统三相电压、电流的不平衡,引起电网负序电压和负序电流,影响供电质量,进而增加线路损耗,降低供电可靠性。
因此电力变压器运行规程规定,Y/Y0变压器的中线电流不能超过额定电流的25%。
由以上可知对负荷不平衡、无功短缺进行补偿对配电网来说有很大的实用价值,它可以降低线损,提高电能质量,增加配电网的可靠性。
由于负荷分配不均,负荷性质也不一致,造成低压供电系统无功不足,负荷不平衡。
尤其是经济水平较为发达的地区表现更为明显。
无功不足、负荷不平衡这两个问题已成为配电系统的两大难题。
针对无功不足的问题,国内解决的办法是:合理配置低压无功补偿电容器,其补偿的原则多数是共补与分补相结合,并采取可控硅投切、接触器运行的技术模式并附加电压质量监测系统,其采取手段多是通过远红外或GPRS通讯系统去实现。
目前这项技术已基本成熟,但它没有考虑到如何去改善配电低压系统三相不平衡的情况,投切不当时,反而增加不平衡的情况。
因此,三相不平衡的问题已成为当前配电系统亟待解决的问题,也是配电系统的技术空白。
2项目的实施的意义低压配电网是电力系统的末端,低压配电网采用三相四线制方式,配电变压器低压侧采用Yn0接线,电网的不平衡会增加线路及变压器的损耗,降低变压器的出力,影响电网的供电质量,甚至会影响电能表的精度,造成计量系统计费损失,由于三相负荷不平衡造成中线电流增大,会降低供电系统的可靠性,影响配电系统的安全运行。
2.1中线电流带来的变压器损耗2.1.1附加铁损Y/Yn0接线的配电变压器采用三铁心柱结构,其一次侧无零序电流,二次侧有零序电流,因此二次侧的零序电流完全是励磁电流,产生的零序磁通不能在铁心中闭合,需通过油箱壁闭合,从而在铁箱等附件中发热产生铁损。
三相不平衡调节装置技术方案建议书汇总三相不平衡调节装置方案1 产品研发背景目前,在国家电网公司中、低压配电网系统中,存在着大量的单相、不对称、非线性、冲击性负荷,三相负荷系统是随机变化的,这些负荷会使配电系统产生三相不平衡,三相负荷不平衡会导致供电系统三相电压、电流的不平衡,引起电网负序电压和负序电流,影响供电质量,进而增加线路损耗,降低供电可靠性。
三相不平衡治理装置是专门针对上述问题而研发的一款产品,不同于传统的治理装置,它融合了半导体器件与接触器开关的优点,能够避免接触器开关在负荷投切瞬间产生的较大涌流和开通、关断时间间隔长的问题,使负载用户在负载换相投切过程中可正常供电;也能避免半导体器件长期运行带来的发热问题。
配网三相不平衡治理装置的应用,将大幅提高配网运行稳定性和智能化,可对国网公司提出的建设坚强智能电网的要求起到很好的支撑作用。
2 产品技术参数三相不平衡调节装置系统参数 装置标准配置 主控制器*1+换相开关*9接线方式 三相四线制 工作状态 正常运行,故障报警,电源供电冷却方式 自然散热 噪声 ≤65dB 控制器供电电源 220V/50Hz ,40W 采样精度 ≤1% 通讯接口 GPRS/RS485 绝缘电阻 ﹥1M Ω 绝缘强度 2000V AC ,60s 外壳防护等级 IP54机械尺寸 400*350*150(宽*高*深)mm 重量10kg 环境温度 -25~45℃环境湿度 0~95%,无凝露 海拔≤1000m 换相开关 额定电压 AC380V 额定频率 50Hz 额定电流100A 最大允许电流 150A 换相时间 ≤10ms通讯接口 GPRS/RS485 绝缘电阻 ﹥1M Ω绝缘强度2000V AC ,60s 外壳防护等级 IP54机械尺寸250*500*200(宽*高*深)mm 重量15kg 环境温度 -25~45℃环境湿度 0~95%,无凝露 海拔≤1000m3 技术方案 3.1总体方案三相不平衡调节装置主要由主控制器与换相开关组成。
配网三相负荷不平衡治理方案及控制技术分析低压电网传输中较为重要的一项建设控制因素就是针对电力传输建设控制中的低压三相负荷不平衡治理控制,保障在电压三相负荷调节过程中,能够及时的将其调节中的控制策略应用好,保障在低压三相负荷不平衡治理过程中,将对应的治理控制策略应用好,所以本文在研究過程中,以低压三相负荷不平衡治理控制策略研究为基础,对其控制策略应用中的方法及要点进行了分析,通过分析能够为低压配网传输奠定基础。
标签:三相负荷不平衡;治理方案;控制技术1.低压三相负荷不平衡调节原理2.1三相不平衡度。
三相不平衡度主要指的是在电力配网建设中针对低压配网建设中低压电网传输中的不平衡控制,通过对其不平衡度定义中的公式应用研究可以发现,整个控制原理的实施中,对于不平衡度控制的公式应用如下:上式中βx代表X相的不平衡度控制,Imx代表x相的最大电流,而Iav代表三相电流的平均值。
按照表达公式中的对比关系带入分析来看,其整个带入关系控制中的调节处理中,应该注重对调节处理中的电压及电流和x相的变化关系控制,只有保障了X相的对应关系控制满足整体的电压控制传输,这样才能保障电力传输安全。
2.2智能换向开关。
智能换向开关是电压调节配网处理中应该重点处理的一项控制因素,在其处理控制中,对于整个控制调节工作的开展具有重要性影响,只有保障在智能换向开关的切换处理中,能够将对应的控制调节处理要点控制好,这样才能实现整个控制调节工作的开展处理能力提升。
借助五险短距离传输控制中的五险采集模块与主控开关处理分析,能够在分析过程中,及时将对应的工作电压、负荷相序以及负荷电流的数据控制传输好,借助这种控制传输策略的应用处理,能够将整个控制处理中的工作开展能力提升上来,对于保障整个电压配网传输控制能力提升具有重要性影响。
在低压三相电压智能化调节过程中,借助智能调节中的控制因素处理,能够及时将对应的控制负荷电压相位迁移,对于电流的快速投入以及对于电压的零点快速投入控制具有重要性保障研究意义。
三相负荷不平衡自动调节装置三相负荷不平衡自动调节装置是一种用于调整三相负荷不平衡的装置。
在电力系统中,负荷不平衡是一种常见现象,它会导致电网运行不稳定、电能质量降低以及设备寿命缩短等问题。
因此,开发一种能够自动调节负荷不平衡的装置对于保障电网稳定运行具有重要意义。
三相负荷不平衡自动调节装置主要由传感器、控制器和执行器组成。
传感器用于实时监测负荷的三相电流,控制器根据传感器的数据判断负荷是否不平衡,并下达相应的指令,执行器用于根据指令调节负荷的状态。
传感器是负荷不平衡自动调节装置的核心部分之一。
传感器通常采用电流互感器或电流传感器来实时监测负荷的三相电流。
通过测量电流的大小和相位差,传感器可以获取到负荷的不平衡程度。
控制器是负荷不平衡自动调节装置的核心部分之二。
控制器一般由集成电路和控制算法组成。
集成电路用于处理传感器采集的数据,控制算法根据数据分析负荷的不平衡程度,并下达相应的调节指令。
控制器还可以通过与电源系统的通信接口,实现与电网系统的联动控制。
执行器是负荷不平衡自动调节装置的核心部分之三。
执行器一般采用电动机或电容器等设备来实现对负荷的调节。
当控制器下达调节指令时,执行器会根据指令的要求,调整负荷的运行状态,使得负荷能够尽可能地趋向平衡。
三相负荷不平衡自动调节装置的工作原理是通过控制器对执行器的控制,实现对负荷的调节。
当负荷不平衡时,传感器会实时地将负荷不平衡的情况反馈给控制器。
控制器根据传感器的反馈信息,分析负荷的不平衡程度,并根据预设的控制算法,下达相应的调节指令。
执行器接收到控制器的调节指令后,会相应地调整负荷的运行状态。
例如,当负荷的三相电流不平衡时,执行器可以通过调整电容器的接入或断开,来平衡负荷的电流。
通过不断地反馈和调节,负荷最终可以趋向平衡,实现三相负荷的自动调节。
三相负荷不平衡自动调节装置可以应用于各种电力系统中,包括发电厂、变电站以及工业和商业用电系统等。
它能够提高电力系统的稳定性和可靠性,确保电能质量,延长设备寿命,减少能源浪费。
三相不平衡三种调节方法三相不平衡是电力系统中常见的问题,它会导致电网电压不稳定、设备损坏、甚至引发火灾等安全事故。
为了解决三相不平衡问题,人们提出了三种调节方法:静态调节、动态调节和混合调节。
本文将分别介绍这三种调节方法的原理、特点和适用范围。
一、静态调节静态调节是指通过改变电网中电容、电感等元件的参数,使三相电压值相等或尽量接近。
其原理是利用电容和电感的阻抗特性,对电流和电压进行调节,从而达到平衡电压的目的。
常用的静态调节方法有:1. 三相变压器调节法三相变压器调节法是一种简单有效的调节方法,通过调整变压器的匝数比,可以使三相电压相等或尽量接近。
但是,这种方法只适用于小功率的电网,对于大功率电网的调节效果有限。
2. 电容调节法电容调节法是利用电容的电压-电流特性,通过串联或并联电容器,改变电网的电容量,从而调节电压。
这种方法适用于小功率电网,但对大功率电网的调节效果有限。
3. 电感调节法电感调节法是利用电感的电压-电流特性,通过串联或并联电感器,改变电网的电感量,从而调节电压。
这种方法适用于小功率电网,但对大功率电网的调节效果有限。
二、动态调节动态调节是指通过控制电网中的电子器件,如晶体管、二极管等,使三相电压值相等或尽量接近。
其原理是利用电子器件的开关特性,对电流和电压进行控制,从而达到平衡电压的目的。
常用的动态调节方法有:1. 直流电压补偿法直流电压补偿法是一种常用的动态调节方法,通过控制直流电压的大小和相位,对三相电压进行补偿,从而达到平衡电压的目的。
这种方法适用于大功率电网,但需要专门的控制器和传感器。
2. 交流电压变换法交流电压变换法是一种常用的动态调节方法,通过将三相电压变换为相同的交流电压,再通过控制器对电压进行调节,从而达到平衡电压的目的。
这种方法适用于大功率电网,但需要专门的变压器和控制器。
三、混合调节混合调节是指将静态调节和动态调节两种方法结合起来,通过电容、电感、电子器件等多种元件的组合,对电网进行调节。
三相电不平衡的调整方法
三相电不平衡是指三相电源各相的电压不相等或相位不相等。
如果三相电不平衡,会导致电动机、电器等设备的效率降低、寿命缩短,甚至会引起设备故障或损坏。
以下是一些调整三相电不平衡的方法:
1. 调整负载分布:将三相负载均衡地分配到三相电源上,可以减少三相电不平衡的程度。
可以通过调整电器的位置、增加或减少负载等方式来实现。
2. 使用平衡电抗器:平衡电抗器可以在三相电路中产生一个与不平衡电流相反的电流,从而抵消不平衡电流的影响,提高三相电的平衡性。
3. 使用三相变压器:三相变压器可以将不平衡的三相电源转换为平衡的三相电源,从而提高三相电的平衡性。
4. 使用无功补偿装置:无功补偿装置可以补偿无功功率,从而提高三相电的功率因数,减少三相电不平衡的程度。
配变三相不平衡解决方案及控制策略摘要:现阶段,我国的经济发展的十分的迅速,电力工程的发展也有了很大的提高。
当前,农村部分地区仍然存在着台区三相负荷不平衡现象,特别是季节性、时段性用户用电时间不统一造成配变三相负荷不平衡,通过人工调整三相负荷平衡是很难实现的,要实现真正三相负荷平衡,必须采用自动化方式完成,采用自动调节三相负荷平衡也解决了因台区负荷分布变化、新增用户等原因造成的三相负荷不平衡现象。
自动调节三相不平衡装置的推出是适应当前智能电网建设要求,通过调整三相负荷分配,降低三相负荷不平衡率,可以有效平衡低压线路电流,解决偏负荷相电流大压降高的问题,从而提高末端电压,降低线损。
关键词:配变三相不平衡;解决方案;控制策略引言三相不平衡使我们评价电能质量的重要指标。
就目前而言,当前造成三项不平衡的因素主要可以分为事故性和正常性两种类型,其中事故性的主要诱因是电路系统故障,而正常性则是由三相元件、线路参数以及负荷等因素的不对称引起的。
属于允许长期存在或长时间存在的三项不平衡现象。
在低压电网中,配电变压器是中心枢纽,而三相负荷的平均分配则是确保电能质量、为用电单位输出高安全系数电能的重要保障。
近年来,国家采取了诸多措施改变农村等偏远地区低压电网状况,使配电台区的供电能力和电压质量有了一定程度的提高。
但三相负荷不平衡这一问题仍将导致低压电网的可靠性与稳定性降低、电能质量差、线损率与故障率高,甚至影响电力系统的安全运行。
1基本概念在电路理论中,根据供电是系统的电量是否对称将其分为了对称系统和不对称系统。
其中对称系统表示的电动势、电压以及电流等数值大小相等,而且彼此的相互移动角度均为2π/m。
此外,根据多相系统是否平衡的特点,又可以将其分为多相平衡系统和多相不平衡系统与不平衡的,两者的根本区别在于电路系统中的功率是都根据时间的变动而变动,若变动,则是不平衡系统,若不变动,则是平衡系统。
最后,我们还应该明白系统不对称的多相系统并不是衡量其是否平衡的标准。
三相不平衡调节及无功补偿装置□ 杨嘉文1概述在中、低压配电网系统中, 存在着大量的单相, 不对称、非线性, 冲击性负荷, 三相负荷系统是随机变化的, 这些负荷会使配电系统产生三相不平衡, 三相负荷不平衡会导致供电系统三相电压、电流的不平衡, 引起电网负序电压和负序电流, 影响供电质量, 进而增加线路损耗, 降低供电可靠性。
因此电力变压器运行规程规定, Y/Y0变压器的中线电流不能超过额定电流的25%。
由以上可知对负荷不平衡、无功短缺进行补偿对配电网来说有很大的实用价值, 它可以降低线损, 提高电能质量, 增加配电网的可靠性。
由于负荷分配不均, 负荷性质也不一致, 造成低压供电系统无功不足, 负荷不平衡。
尤其是经济水平较为发达的地区表现更为明显。
无功不足、负荷不平衡这两个问题已成为配电系统的两大难题。
针对无功不足的问题, 国内解决的办法是:合理配置低压无功补偿电容器, 其补偿的原则多数是共补与分补相结合, 并采取可控硅投切、接触器运行的技术模式并附加电压质量监测系统, 其采取手段多是通过远红外或 GPRS 通讯系统去实现。
目前这项技术已基本成熟, 但它没有考虑到如何去改善配电低压系统三相不平衡的情况, 投切不当时, 反而增加不平衡的情况。
因此, 三相不平衡的问题已成为当前配电系统亟待解决的问题, 也是配电系统的技术空白。
2项目的实施的意义低压配电网是电力系统的末端, 低压配电网采用三相四线制方式, 配电变压器低压侧采用 Yn0接线, 电网的不平衡会增加线路及变压器的损耗, 降低变压器的出力, 影响电网的供电质量, 甚至会影响电能表的精度, 造成计量系统计费损失, 由于三相负荷不平衡造成中线电流增大,会降低供电系统的可靠性, 影响配电系统的安全运行。
2.1中线电流带来的变压器损耗2.1.1附加铁损Y/Yn0接线的配电变压器采用三铁心柱结构,其一次侧无零序电流, 二次侧有零序电流, 因此二次侧的零序电流完全是励磁电流, 产生的零序磁通不能在铁心中闭合, 需通过油箱壁闭合, 从而在铁箱等附件中发热产生铁损。
BF-TSF三相不平衡动态无功补偿装置技术方案概述:目前,学校、商场、宾馆、饭店及综合办公楼等场所的用电情况,使用的多为单相(220V)电感性电器。
单相负荷已经在低压配电网中占有相当大的比例,由于单相负荷投入的不同时性以及在低压电网建设改造和运行维护的不到位,导致了低压配电网三相负荷分配不平衡,由此对低压配电网的运行造成了一定的影响,本文对此进行了原因分析并提出一些切实可行的解决措施。
,因自身功率因数较低,需要进行无功自动补偿,文章通过对无功自动补偿的性质和安装位置的分析,结合实际工程采用的情况,说明了在上述范围内(三相负载不平衡配电系统)采用分相分组电容补偿比其他补偿方式具有明显的实际效果和无可比拟的优越性。
当前城乡配电网中大部分配电变压器均采用三相变压器,变压器出口三相负荷理论上应该达到对称,但是在低压配电网中存在大量的单相负荷,由于单相负荷分布的不均衡和投入的时间不同时性,使得三相负荷不平衡成为低压电网运行维护中一个比较突出的问题,笔者从电能质量和电网损耗两个方面来分析三相负荷不平衡所带来的影响,同时就此提出一些切实可行的解决措施.1三相负荷不平衡产生对电能质量的影响分析目前在10千伏配变的绕组接线都采用Dyn0或者采用Yyn0的接线方式,配变一次绕组无中性线、二次绕组中性线接地,并接有零线。
在二次低压供电方式中一般采取3相4线制供电。
配变低压侧3相负荷不平衡直接体现在3相负荷电流的不对称,从电机学的原理来分析3相不对称电流可以分解为对称的正序、负序、零序电流,也可以简单的看成是对称的3相负荷加上单相负荷的叠加。
由于配电变压器的一次绕组没有中性线,所以在二次绕组侧产生的零序电流无法在一次绕组中平衡,零序电流在零序电阻上产生电压降直接导致了在配变二次侧产生了中性点位置偏移。
同样根据简单的电路原理也可以分析出,由于在A、B、C相的负荷不等,所以在A、B、C三相上的电流也就不等,那么A、B、C三相电流矢量和一般不等于0,也就是在中性线上的电流一般不等于0,也即零线电流一般不等于0,在实际情况下,零线的电阻是不等于0的,这样在零线上就存在电压,形成了中性点位移,导致了A、B、C相的相电压不对称,当某一相上接的负荷越大,这一相上的电压也就越低,而另外两相的电压将变高,所以当三相负荷的差值越大,也就是三相负荷的电流不平衡度越大,那么中性点的位移也就越大,所以导致电压的偏差也就越大。
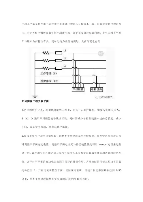
三相不平衡是指在电力系统中三相电流(或电压)幅值不一致,且幅值差超过规定范围。
由于各相电源所加的负荷不均衡所致,属于基波负荷配置问题。
发生三相不平衡即与用户负荷特性有关,同时与电力系统的规划、负荷分配也有关。
如何实现三相负载平衡1,把单相用户分类,均衡地分配到三相上,并按一定顺序排列。
相线与零线应按A、B、C、O采用不同颜色的导线或标识。
同时要减少单相负载接户线的总长度,减少迂回,避免交叉跨越,使其尽量平衡化。
2,如果单相用户功率因数较低,调整不平衡电流无功补偿装置,在补偿系统无功的同时调整不平衡有功电流。
调整不平衡电流无功补偿装置就是利用wangs定理来进行设计的,以在相应的各相之间及零线之间接入不同数量电容器来使各相达到相应的补偿,这样对不平衡的有功电流起到了很好的补偿作用。
其理论结果可使三相功率因数均补偿至1,三相电流调整至平衡。
实际应用表明,可使三相功率因数补偿到0.95以上,使不平衡电流调整到变压器额定电流的10%以内。
3,为了保证三相平衡运行,所以需要装置三相断相保护器,起到对任何一相断路时的保护作用,有断相时可以快速的切断电源,以免引起三相不平衡。
4,适当的改变网络配置,或者是把电压的供电级别提高到相应的标准后,这样就能使在发生不平衡负荷时有相应承担能力,加大负荷接人点的短路容量。
这应在实际工作中进行比较后,才能确切的采取相应的措施,并根据实际运行的情况进行相应的技术和经济比较后进行具体的实施。
电力系统中三相不平衡是影响供电系统电能质量的重要因素其具体的参数是衡量供配电系统电压质量的指标,在实际系统运行中,必须结合相关的国家标准规定的限值,采取切实可行、而又经济合理的补偿抑制措施提高其电能质量确保系统的安全、可靠和经济运行。
低压三相负荷不平衡自动调节装置入围竞争性谈判技术条件书(技术规范专用部分)第1部分:通用技术规范1范围本规范规定了400V配电网三相负荷平衡调节装置技术参数、试验项目、方法及要求。
本规范适用于额定频率为50Hz,电压等级为400V,不平衡负荷电流调节范围为0~150A、适用于400kVA以下的配电变压器三相负荷不平衡自动调节,装置要求采用新型电力电子器件IGBT、电力电子技术等实现配网三相负荷平衡调节,其主要功能包括:三相负荷平衡调节和动态无功跟踪补偿。
2规范性引用文件下列文件对于本文件的应用是必不可少的。
凡是注日期的引用文件,仅注日期的版本适用于本文件。
凡是不注日期的引用文件,其最新版本(包括所有的修改版)适用于本文件。
GB/T 2900.1-1992 电工术语基本术语GB/T 2900.17-1994 电工术语电气继电器[IEC 6005 (IEV446):1977]GB/T 2900.32-1994 电工术语电力半导体器件GB/T 2900.33-2003 电工术语电力电子技术(IEC 60050-551:1998,IDT)GB/T 3797-2005 电气控制设备GB50052-95 供配电系统设计规范GB50054-95 低压配电设计规范GB 4208-1993 外壳防护等级(IP代码)(IEC 60529:1989)GB/T 7261-2000 继电器及装置基本试验方法GB 9969.1-1998 工业产品使用说明书总则GB/T 14549-1993 电能质量公用电网谐波GB/T12325-2003 电能质量供电电压允许偏差GB12326-2000 电能质量电压波动与闪变GB/T15543-1995 电能质量三相电压允许不平衡度GB/T15945-1995 电能质量电力系统频率允许偏差GB/T 15576-1995 低压无功功率静态补偿装置总技术条件IEC61642 受谐波影响的工业交流电网、过滤器和并联电容器的应用IEC61000 电磁兼容(EMC)JB/T 7828-1995 继电器及其装置包装贮运技术条件JB/T 9568-2000 电力系统继电器、保护及自动装置通用技术条件3术语和定义GB 1094.1-1996、GB/T 2900.15、GB 10230.1-2007中确立的及以下术语和定义适用于本标准。
三相不平衡调节装置方案1 产品研发背景目前,在国家电网公司中、低压配电网系统中,存在着大量的单相、不对称、非线性、冲击性负荷,三相负荷系统是随机变化的,这些负荷会使配电系统产生三相不平衡,三相负荷不平衡会导致供电系统三相电压、电流的不平衡,引起电网负序电压和负序电流,影响供电质量,进而增加线路损耗,降低供电可靠性。
三相不平衡治理装置是专门针对上述问题而研发的一款产品,不同于传统的治理装置,它融合了半导体器件与接触器开关的优点,能够避免接触器开关在负荷投切瞬间产生的较大涌流和开通、关断时间间隔长的问题,使负载用户在负载换相投切过程中可正常供电;也能避免半导体器件长期运行带来的发热问题。
配网三相不平衡治理装置的应用,将大幅提高配网运行稳定性和智能化,可对国网公司提出的建设坚强智能电网的要求起到很好的支撑作用。
2 产品技术参数3 技术方案3.1总体方案三相不平衡调节装置主要由主控制器与换相开关组成。
主控制器是整个装置的控制核心,换相开关是装置的执行机构,它们之间通过GPRS无线通讯进行信息交互,相互配合完成对配网三相不平衡问题的治理。
装置系统示意图如下所示。
主控制器是整个装置的控制终端,每套装置只有一个主控制器。
它负责采集整个装置的各种状态信息和数据,通过逻辑运算发出各种指令完成整个装置的操控。
它检测配网总线的电压信号;接收换相开关上传的负载电流数据,计算负载平衡度及分布情况,通过分析计算给各个换相开关发出换相命令;接收换相开关上传的运行状态和故障信息,然后做出相应的控制操作。
换相开关是装置的分支和执行机构,根据配变的容量与负载的分布情况不同可灵活选择换相开关的容量和数量。
它负责采集负载电流数据,与自身的状态信息一起通过GPRS无线通讯上传给主控制器;接收主控制器的换相命令进行换相操作;接收主控制器的故障保护命令进行相应的操作;显示自身的运行状态信息。
每套三相不平衡调节装置只有一个主控制器,但换相开关的数量是不定的,根据现场应用情况的不同,配备数量不等的换相开关。
换相开关与主控制器之间通过GPRS无线通讯的方式实现信息交互,这样现场应用安装灵活。
三相不平衡调节装置的现场应用情况比较复杂多样,具体的应用方案这里不一一列举,下面主要介绍主控制器和换相开关的技术方案和具体实现。
3.2 硬件方案3.2.1 主控制器主控制器由开关电源、主控制器板卡、机壳结构组成。
示意图如下图所示◆开关电源开关电源为主控制器提供电源,电源入口从配网取电,额定电压为220V/50Hz,输出为DC24V,负载额定功率约为20W,选取衡孚的HF-35W-SE-24◆主控制器板卡主控制器板卡是主控制器的核心部件,电源输入为DC24V,要具备电压检测功能、开入开出功能、通讯功能、逻辑运算功能。
此部分外包给外协厂家设计生产,具体技术指标和功能需求参见外包技术协议。
◆控制器板卡外壳对控制板起到一定的防护作用,正面设计有标识区、指示灯区,手动设置区。
◆控制器箱体结构安装控制器所有器件,可户外、户内安装使用,可柱上安装。
防护等级要求达到IP54。
主要功能参数➢采集变压器出口三相电网电流;➢计算电网负载电流不平衡度,制定三相不平衡调节方案;➢装置运行状态指示功能;➢GPRS通讯功能、485通讯功能,与上位机通讯功能;➢防护等级:IP54;➢安装方式:壁挂安装;➢工作环境温度:-25~45摄氏度;➢工作环境湿度:0~95%无凝露。
3.2.2 换相开关换相开关主要由触发板、晶闸管、接触器、电流互感器、结构机壳组成。
组成示意图如下图所示。
◆触发板触发板主要负责控制换相开关的换相操作,外包给外协厂家进行设计生产,相机技术功能指标可见技术协议。
◆开关电源开关电源为触发板提供电源,电源入口从配网取电,额定电压为220V/50Hz,输出为DC24V,负载额定功率约为20W,选取衡孚的HF-35W-SE-24◆晶闸管晶闸管型号为:塞米控的SKKT-106-16E,台基的MTX110-1800V,两种型号互为备选,结构设计时要考虑两种晶闸管兼容使用。
首选塞米控晶闸管,台基作为备选。
◆接触器接触器型号:ABB的AX32-30-01-80◆电流互感器电流互感器型号:兵字的TA2739-01◆结构箱体作为换相开关的结构外壳,起到支撑、防护作用,正面设计有标识区、指示灯区、手动设置区。
主要功能参数➢负载电流检测功能;➢换相功能,接触器驱动功能、晶闸管驱动功能;➢接触器、晶闸管状态检测功能;➢GPRS通讯功能、485通讯功能,与控制器通讯功能;➢换相开关运行状态指示功能;➢换相手动操作功能;➢换相开关物理地址定义功能;➢防护等级:IP54;➢安装方式:壁挂安装;➢工作环境温度:-25~45摄氏度;➢工作环境湿度:0~95%无凝露。
3.3 软件方案整套装置的软件控制系统由控制程序和换相程序组成,主控程序与换相程序属于主从关系,主控程序发出命令,接收换相程序上传信息。
换相程序接受命令,上传信息。
它们之间分工不同互相配合,共同完成装置的运行控制。
下图是软件控制系统示意图。
主控程序是装置的核心控制部分,它负责装置的核心算法与控制策略、信息的汇总与分析运算。
换相程序是装置的具体执行部分,它负责换相开关的换相逻辑控制;检测负载电流信号与装置运行状态信息并上传给主控程序。
信息采集功能◆总线电压信号采集功能,检测配电变压器低压侧电网电压信号。
◆总线电流信号采集功能,检测配电变压器三相输出电流。
◆通过GPRS无线通讯接收各换相开关上传的负载电流信息、物理地址信息(如08C,装置的第8个开关、默认运行相为C相)、运行状态信息(含当前运行相)、故障信息。
◆可根据外部编码器电路输入的信号来设置换相等待时间。
控制计算功能◆装置的主控功能。
管理控制装置的正常运行。
◆三相电流不平衡度计算功能。
◆各换相开关支路负载电流计算功能。
◆各支路负载重新分配再平衡计算功能。
通过专门的计算方法计算当前所接支路负载并重新分配到各单相,给需要调整的换相开关发出换相命令,使电网三项电流达到平衡。
◆根据换相开关上传的物理地址,对各换相开关进行分组定义功能。
◆ 运行状态指示功能。
发出电平信号控制LED 灯的亮、灭,指示电源供电、正常运行、故障报警三种状态。
◆ 故障信息发送功能,发送故障代码到手机和电脑中。
通讯功能◆ 485通讯、GPRS 无线通讯。
◆ 装置内控制器与各换相开关采用GPRS 通讯传输数据。
◆ 装置通过GPRS 向用户的手机和电脑发送数据信息。
◆ 设备检修、重新设置参数或更新软件程序时采用485通讯。
2)控制策略 ◆ 系统级控制框图 ◆ 装置级控制策略换相开关采集的每一路电流,1I …. n I ,控制器采集的配电变压器出口总电流,然后按各相总电流大小排序,由大到小分别为x ,y ,z求总平均值:3x y zk ++=其中x ∆大于零,z ∆小于零;若y ∆大于零,则x 、y 相的换相开关中分别找出与x ∆、y ∆接近的负荷切换到z 相,在动作之前,先进线预判,如果预判结果比动作之前要差,则维持不动作;若y ∆小于零,则x 找出与y ∆、z ∆接近的负荷切换到y 、z 相,在动作之前,先进线预判,如果预判结果比动作之前要差,则维持不动作;若y ∆等于零,则x 找出与z ∆接近的负荷切换到y 、z 相,在动作之前,先进线预判,如果预判结果比动作之前要差,则维持不动作;当变压器轻载时,不进行不平衡调节,轻载定义为负载率小于等于30%3)控制算法◆ 不平衡判断依据和计算方法以三相电流不平衡度超过15%作为动作判据 ◆ 不平衡度计算三相四线制系统中:电流不平衡度%100__⨯-=X II I ε,其中X I 为三相电流A I 、B I 、C I ,取自总进线电流CT ,_I 为三相总进线电流有效值的平均值。
计算电流不平衡度时三相电流都需要计算,要保证三相电流不平衡度均不超过15% ◆ 系统级控制需要采集数据5)故障保护原则当装置内的控制器或装置内的换相开关出现故障时,装置的保护原则有两条 ◆ 在不会发生事故的情况下,优先确保用户用电畅通。
设备可带故障运行。
◆ 当三相不平衡调节功能失效时,同样要保证用户供电。
信息采集功能◆ 负载电流采集功能。
◆ 硬件地址编码功能。
根据外部输入编码器信号定义开关的物理地址 ◆ 手动换相功能。
接收外部手动控制信号,控制开关进行换相操作。
◆ 通过GPRS 无线通讯接收控制器发送的信息。
控制计算功能◆换相开关换相操作的逻辑控制功能。
◆晶闸管和接触器的驱动控制功能。
◆晶闸管和接触器的状态信息检测功能。
◆运行状态指示功能。
发出电平信号控制LED灯的亮、灭,指示电源供电、正常运行、故障报警三种状态。
◆工作相指示功能。
发出电平信号控制LED灯的亮、灭,指示负载接通在哪一相。
◆数据上传给控制器功能,实时上传运行的状态信息和电流参数。
通讯功能◆485通讯,GPRS无线通讯。
◆装置内与控制器间采用GPRS无线通讯输出信息。
◆设备检修、重新设置参数或更新软件程序时采用485通讯。
2)换相操作流程图3)故障信息列表4)上传信息列表5)一次接线图VTa:A相晶闸管KMA:A相接触器VTb:A相晶闸管KMB:A相接触器VTc:A相晶闸管KMC:A相接触器三相不平衡调节装置的运行控制流程大概如下1)上电后,装置初始化,装置自检。
2)检测三相电网电流,判断是否出现三相电流不平衡,如果出现不平衡则计算控制换相开关进行换相调节3)如果电压平衡则按照默认设置闭合换相开关中的导通相。
4)实时检测电网电流、各支相负载电流变化情况,监测装置自身的运行状态。
5)发生三相电流不平衡则安照控制策略进行调节。
3.4结构方案控制器箱的器件连接关系和接线示意图如下所示换相开关的器件连接关系和接线4 实施方案4.1项目进度安排本次项目进度安排表如下。