槽钢产品质量证明书
- 格式:docx
- 大小:10.77 KB
- 文档页数:1
云南赣云贸易有限公司欢迎您您好!欢迎您选购云南赣云贸易有限公司的产品。
云南赣云贸易有限公司成立于2009年10月,注册资本达500万元人民币,其前身源于昆明锦云钢材经营部,公司主要经营工字钢、角钢、镀锌管、钢板、螺旋管、螺纹纲、碳结元钢、元钢、钢管、轻重轨、无缝管、中薄板、方管、扁钢等钢材销售和部分特殊材质钢材的加工。
公司自行配有大型货场及装货行吊,资源渠道广、货源充足,与多家省内外国家重点钢厂企业形成合作关系。
公司现有员工四十余名,并聘请了云南大韬律师事务所提供常年法律顾问服务。
公司本着质量第一、服务至上、诚信合作、共同发展的经营理念,曾为大型钢结构工程、矿山、桥梁、高速路修建、污水处理等国家、省级重点工程提供优质钢材,深得广大客商的赞誉!槽钢特性介绍、技术要求和检验方法1. 概述a、定义:槽钢是截面为凹槽形的长条型材;b、用途:槽钢主要用于建筑结构和车辆制造等。
在使用中要求其具有较好的焊接、铆接性能及综合机械性能;c、原料:生产槽钢的原料钢坯为含碳量不超过0.25%的碳结构钢或低合金钢钢坯,属建造用和机械用碳素结构钢;d、工艺:成品槽钢经热加工成形、正火或热轧状态交货。
2. 种类和规格a、种类:槽钢分热轧槽钢和弯曲槽钢。
热轧槽钢又分普通型和轻型两种,其规格详见表2-1及表2-2;b、规格:槽钢的规格主要用高度(h)、腿宽(b)、腰厚度(d)等尺寸来表示,如图2-1 图2-1 槽钢截面图其规格表示方法,如120*53*5,表示腰高120毫米,腿宽为53毫米的槽钢,腰厚为5毫米的槽钢,或称12#槽钢。
腰高相同的槽钢,如有几种不同的腿宽和腰厚也需在型号右边加a、b、c予以区别,如25a# 25b# 25c#等。
热轧普通槽钢的规格为5-40#,。
在相同的高度下,轻型槽钢比普通槽钢的腿窄、腰薄、重量轻。
18-40号为大型槽钢,5-16号槽钢为中型槽钢。
经供需双方协议供应的热轧变通槽钢规格为6.5-30#。
钢材产品质量证明书管理办法内部事项注意保存宝钢集团新疆八一钢铁有限公司文件文件编号:BSTB/01-155 第2版签发:陈忠宽钢材产品质量证明书管理办法1 范围本办法规定了钢材产品质量证明书管理流程、发放与回收规定、开具与发出规定、补开或更换管理、变更管理和考核规定的基本要求。
本办法适用于公司各单位。
2 职责2.1 制造管理部负责产品质量证明书的管理~包括产品质量证明书的格式及内容的确定、质量数据的录入、判定、传输和备份管理。
2.2 物流分公司负责钢材产品质量证明书的开具及使用管理。
2.3 股份销售部负责钢材销售点的产品质量证明书的开具及使用管理。
2.4 金属材料公司负责其销售的八钢钢材产品质量证明书的开具及使用管理。
3 管理程序3.1 钢材产品质量证明书管理流程图示~见附件1。
3.2 钢材产品质量证明书的发放与回收规定3.2.1 制造管理部向质量证明书使用单位提供有效的空白质量证明书。
3.2.2 质量证明书使用单位将领取的空白质量证明书按种类、编号做好本单位的登记、发放、签字工作。
3.2.3 质量证明书使用单位应根据用量合理存储一定量的质量证明书。
股份销售部,乌市地区,、物流分公司、金属材料公司按月、股份销售部其它地区按季~将开具的长材类产品质量证明书的第一联单,底联,归类并装订成册~交制造管理部归档保存。
板材类产品的质量证明书因电子归档~只将作废的质量证明书交制造管理部保存。
3.2.4 制造管理部对各单位交回的质量证明书进行检查核对~对质量证明书使用不当或内容填写有误的立即予以纠正~同时登记考核。
2010年8月10日发布 2010年8月10日实施共 4 页第 1 页3.2.5 产品质量证明书备份由制造管理部保管。
保存期限为5年或符合相应产品标准、技术协议、相应程序文件或有关法律法规的规定。
3.2.6 锅炉压力容器专用钢板,带,和压力管道专用钢板,带,的产品质量证明书上要标注许可标志。
证书编号:山西太钢不锈钢股份有限公司Certificate No.SHANXI TAIGANG STAINLESS STEEL CO.,LTD 许可证号:License No.Si S 10.280.0072345B C D A B C D 球状氧化物QIDAL (级)[H]μg/g 冲击impact J 一般疏松POROSITY 备注REMARKS 根PCS 重量Ton 晶粒度GRAIN (级)面缩率RA Z %[N] %低倍抗拉强度RM Mpa 中心疏松POROSIT Y 钢锭偏析GATION (级)硫化物SULFID (级)序号No.屈服强度Rel Mpa 延伸率EL%硬度HARD-NESSHB 批次号Charg No.炉号 HEAT NO.牌号GRADE 规格DEMENSION 王海蓉2014.01.20邮编(ZIP)030003电话(TEL)3014774传真(FAX)301385256地址(ADD)中国山西太原市尖草坪街2号 No. 2 Jiancaoping, Taiyuan, Shanxi.P.R.China 制表人LISTER)日期(DATE)签发单位(章)(STAMP 1.用户提出质量异议时,请提供证书号、订单号、批次号、交货单号、炉号、牌号、规格、根数等信息。
In case of dispute the purchaser shall supply the number of certificate、contruct、batch、vhln、heat,and grade、dimension、pcs.etc.234A 皮下气泡HOLE mm 一般GEN 边缘FRING 点状偏析 PONT 夹杂物(ASTM)INCLUSION 硅酸盐细 FINE 粗 CORASE (级)[O]%氧化物OxIde (级)0.0270.0280.16 1.250.0130.0430.0160.012B030229001B030229016Mn 200*2001425.880V Ti N Mo Nb 交货状态OELIVERY STATE 化学成分(熔炼分析) composion (heat analysis)%C Mn P Cr Ni Cu Al 产品名称Product连铸板坯执行标准Standard NB/T47008-2010车号 Train Wagon No 晋A2353500361282564158QUALITY CERTIFICATE 订单号Contract No0000336319-000023订货单位定襄县华锐机械加工有限公司收货单位Purchaser 定襄县华锐机械加工有限公司产品质量证明书WE HEREBY CERTIFY THAT MATERIAL. DESCRIBED HEREIN HAS MANUFACTURED AND ESTED WITH SATISFACTORY RESULTS IN ACCORDANCE WITH THE REQUIREMENTS OF THE ABOVE MATERIAL SPECFICATION.。
不锈钢产品质量证明书一、不锈钢产品质量证明书合同甲方:(甲方名称)乙方:(乙方名称)鉴于甲方为乙方提供不锈钢产品,为确保产品质量,甲乙双方经协商一致,特订立本合同,以共同遵守。
第一条产品质量1.1 甲方应保证其提供的不锈钢产品符合国家相关法律法规、行业标准和乙方提出的技术要求。
1.2 甲方应提供完整的产品质量证明文件,包括材质、规格、型号、生产日期、检验报告等。
第二条权利与义务2.1 甲方有权按照合同约定要求乙方支付货款。
2.2 甲方义务提供符合本合同约定的产品质量的产品及证明文件。
2.3 乙方有权按照合同约定接收产品,并对产品进行检验。
2.4 乙方义务按照合同约定支付货款。
第三条赔偿方式及免责条件3.1 若甲方提供产品质量不符合本合同约定的,乙方有权要求甲方承担赔偿责任。
3.2 甲方在履行合同过程中,若因不可抗力导致无法履行或部分履行合同的,甲方不承担赔偿责任。
第四条争议解决本合同履行过程中发生的争议,双方应友好协商解决;协商不成的,可以向有管辖权的人民法院起诉。
第五条保密协议5.1 甲乙双方在合同履行过程中所获悉的对方商业秘密、技术秘密等,应予以严格保密。
5.2 泄露保密信息的,泄露方应承担相应的法律责任。
第六条不可抗力6.1 因不可抗力导致甲方无法按照合同约定履行义务的,甲方应在不可抗力发生后及时通知乙方,并尽快采取措施减轻损失。
6.2 不可抗力事件结束后,甲方应继续履行合同。
第七条合同的终止和解除7.1 本合同在甲乙双方履行完毕约定的义务后终止。
7.2 一方违反合同约定,导致合同无法继续履行的,另一方有权解除合同。
第八条其他8.1 本合同一式两份,甲乙双方各执一份。
8.2 本合同自双方签字(或盖章)之日起生效。
甲方:(甲方名称)乙方:(乙方名称)二、承诺书本人:(承诺方名称)郑重承诺,在提供不锈钢产品质量证明书过程中,将严格遵守国家法律法规、行业标准和合同约定,保证产品质量,如有违反,愿意承担相应法律责任。
20钢材产品质量证明书第一篇:20钢材产品质量证明书钢材产品质量证明书授权打印管理办法 1 目的为对销售驻点出具的钢材产品质量证明书进行有效控制,制定本管理办法。
2 范围适用于本企业钢材产品质量证明书的控制。
3 术语本办法采用gb/t 19000-2008/iso9000:2005《质量管理体系基础和术语》中的术语和定义和相关专业术语。
4 职责4.1 技术部职责:a)设计并提供产品质量证明书的有效版本;b)负责公司驻地产品质量证明书的出具;c)负责授权销售驻点产品质量证明书出具;d)产品质量证明书规范使用的监督、检查。
4.2 营销公司职责负责公司外销售驻点产品质量证明书的出具及管理。
5 管理内容及要求 5.1 标识 5.2.1 为对各驻点打印的质量证明书进行区分,对各驻点进行编码,此编码印刷至流水号中,同时,各驻点分别使用对应标识的检验章和质保书,具体见表1。
表1 公司及各驻点代码及检验章标识 5.2.2 为确保标识的一致性,各驻点使用的产品质量证明书由技术部组织统一印刷。
营销公司应提前一个月统一向技术部提交各驻点质保书的印刷申请,技术部组织印刷完成后,转交营销公司分发至各驻点。
5.2 打印授权 5.2.1 根据销售钢材种类,技术部对各驻点质保书的打印进行授权,经授权的驻点才可进行授权范围内钢材质保书的打印。
5.2.2 当新增加或减少驻点时,营销公司应向技术部提交书面申请,技术部进行授权或撤销授权。
5.2.3 当情况发生变化,需变更授权内容时,营销公司应向技术部提交书面申请,由技术部进行重新授权。
5.3 数据及资料 5.3.1 取得授权的驻点应按《产品质量证明书管理办法》的要求进行质保书打印及管理,做好电子记录的留存。
5.3.2 检验数据通过专用系统进行传输,取得授权的人员可进行系统操作,打印质保书。
5.3.3 质保书打印按流水号进行,作废或损坏的质保书必须保存。
6.6 检查与考核技术部负责文件执行情况的日常检查,未按要求执行的每次考核营销公司200~500元。
鞍钢质量证明书编号:________________产品名称:________________生产日期:________________生产批次:________________一、产品概述本证明书所证明的产品是由鞍钢集团有限公司生产的一种优质________________。
二、质量指标以下是本产品的主要质量指标:1. 化学成分:符合GBT XXXXXXXX标准规定。
2. 机械性能:抗拉强度________________。
3. 尺寸精度:符合GBT XXXXXXXX标准规定。
4. 表面质量:无明显缺陷、锈蚀、夹杂等。
三、检验与试验本产品已经过以下检验与试验:1. 化学成分分析:采用光谱分析法进行化学成分分析,结果符合标准要求。
2. 机械性能测试:按照GBT XXXXXXXX标准进行拉伸试验,结果符合标准要求。
3. 尺寸精度测量:使用精密测量仪器进行尺寸精度测量,结果符合标准要求。
4. 表面质量检查:对产品表面进行全面检查,未发现明显缺陷。
四、质量保证本公司对本产品的质量负责,如因产品质量问题导致的损失,本公司将承担相应的责任。
同时,本公司承诺在接到客户的质量异议后,将及时进行处理和解决。
五、其他说明本证明书仅证明本批产品的质量符合相关标准和规定,不涉及其他批次或产品的质量保证。
六、联系方式如有任何疑问或需要进一步了解本产品的相关信息,请与本公司联系:电话:________________邮箱:________________地址:________________鞍钢集团有限公司________________鞍钢质量证明书(1)然而,我可以为您提供一个《鞍钢质量证明书》的大致框架和可能包含的内容,以帮助您了解其基本结构和信息要求。
请注意,这只是一个示例,具体的内容和要求可能因产品、标准和要求而有所不同。
编号:________________产品名称:________________规格型号:________________生产日期:________________生产批次:________________一、产品概述本证明书所涉及的产品为鞍钢公司生产的________________。
湘钢产品质量证明书
湘钢产品质量证明书
编号:__________
本证明书确认,以下所列的产品由湘钢公司生产,符合国家和行业相关标准,并通过了严格的质量控制和检测。
产品名称:____________________
规格型号:____________________
生产日期:____________________
产品批号:____________________
生产厂家:湘钢公司
产品的主要技术指标如下:
1. 外观质量:产品外观无明显缺陷,表面无划痕、氧化等损伤。
2. 尺寸精度:产品尺寸符合标准要求,在允许范围内的正负偏差。
3. 物理性能:产品的物理性能满足相关标准要求,如强度、硬度、延展性等。
4. 化学成分:产品的化学成分符合相关标准,且无禁用物质或超标物质。
5. 包装完好:产品包装良好,无破损或变形情况。
本产品质量证明书由湘钢公司授权签发,有效期为一年。
此为电子证明,具有完全相同效力,无需盖章。
附注:该证明书仅适用于指定的产品,不得用于其他产品或更改之用途。
此证明书仅用于证明产品质量,不得用作其他用途。
证明单位:湘钢公司
日期:__________。
唐山正丰钢铁有限责任公司型材产品质量证明书Tangshanzhengfeng Iron Tower Manufacturing Co., Ltd.Quality certificate of section steel收货单位:本企业质量管理体系通过ISO9001:2008标准认证发货日期:2019-04-1 Purchase The guality system has the approvalof ISO9001:2008certificates Delivery date产品名称 Product 角钢 Angle steel 合同号 CN 车号Truck NO.执行标准 Production standard GB/T706-2008 总重量(t)Total weight牌号 Grade Q235B 总件数 Piece规格SIZE(mm)炉批号FURNACE NO.化学成分% Chemical composition 机械性能Physical and mechanical roperties定尺长度Cut lengths(M)C Mn P Si S REL /mpa RM/ Mpa A/ % Z/ %冷弯coolbending30*3 2019-04-01-0425 0.15 0.39 0.035 0.30 0.021 290 415 27 合格 6 40*4 2019-04-03-1054 0.12 0.45 0.025 0.30 0.031 329 420 27 合格 6 50*5 2019-04-05-0117 0.13 0.41 0.026 0.30 0.022 278 400 29 合格 6 80*8 2019-04-23-0545 0.16 0.42 0.032 0.30 0.024 277 415 28 合格 6 100*6 2019-04-07-1019 0.14 0.39 0.035 0.30 0.034 315 420 29 合格 6 140*10 2019-04-05-0125 0.13 0.42 0.033 0.30 0.029 261 400 30 合格6/9/12 160*10 2019-04-01-0436 0.16 0.44 0.029 0.30 0.028 266 415 31 合格6/9/12 200*14 2019-04-02-0158 0.16 0.49 0.031 0.30 0.033 280 415 28 合格6/9/12备注Remark 1.. 无质量证明章无效。
检验员:判定检验时间订单号:供应商:回传时间数量:检验日期:产品规格:产品型号:
回复时间
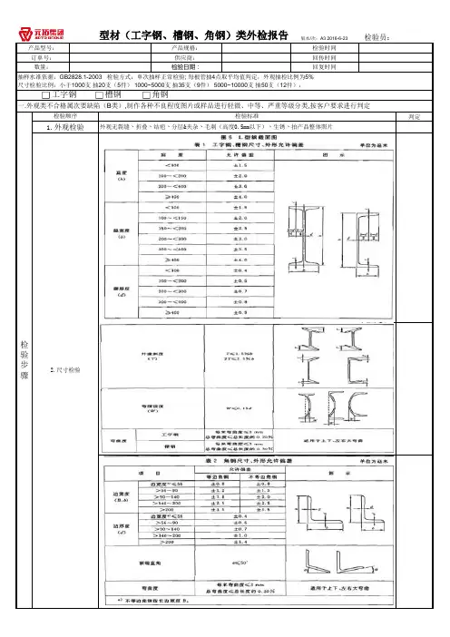
型材(工字钢、槽钢、角钢)类外检报告
版本/次:A3 2016-6-232.尺寸检验
检
验
步
骤抽样水准依据:GB2828.1-2003 检验方式:单次抽样正常检验; 每根管抽4点取平均值判定,外观抽检比例为5%
尺寸检验比例:小于1000支 抽20支(5件) 1000~5000支 抽35支(9件) 5000~10000支 抽50支(12件),
一.外观类不合格属次要缺陷(B 类),制作各种不良程度图片或样品进行轻微、中等、严重等级分类,按客户要求进行判定
检验顺序检验标准1.外观检验外观无裂缝丶折叠丶结疤丶分层&夹杂丶毛刺(高度0.5mm以下)丶生锈丶拍产品整体照片
工字钢
槽钢角钢。
莱钢产品质量证明书莱钢产品质量证明书一、引言本产品质量证明书旨在确认莱钢公司生产的产品的质量符合相关标准和要求。
本文件将详细介绍产品的规格、生产过程、质量控制措施以及测试结果等内容,旨在提供全面准确的质量信息。
二、产品信息1\产品名称:[产品名称]2\产品型号:[产品型号]3\规格要求:●尺寸:[尺寸要求]●材料:[材料要求]●表面处理:[表面处理要求]●其他特殊要求:[其他特殊要求]三、生产过程1\原材料采购●采购程序:[采购程序描述]●供应商选择标准:[供应商选择标准描述]●原材料检查:[原材料检查描述]2\生产制造●工艺流程:[工艺流程描述]●生产设备及工具:[生产设备及工具描述]●生产人员技术要求:[生产人员技术要求描述]●生产过程控制:[生产过程控制描述]3\质量控制●检测设备:[检测设备描述]●检测方法:[检测方法描述]●检测频率:[检测频率描述]●不合格品控制:[不合格品控制描述]四、质量测试1\物理性能测试●强度测试:[强度测试结果]●硬度测试:[硬度测试结果]●韧性测试:[韧性测试结果]2\化学成分测试●主要成分测试:[主要成分测试结果]●杂质测试:[杂质测试结果]3\表面处理测试●表面粗糙度测试:[表面粗糙度测试结果]●表面处理质量检查:[表面处理质量检查结果]五、附件本文档涉及的附件包括但不限于:1\技术图纸:[技术图纸文件名]2\检测报告:[检测报告文件名]3\产品照片:[产品照片文件名]六、法律名词及注释本文档中使用的法律名词及其注释,如下:1\质量标准:制定和适用于产品质量的规范性文件,用于确定产品质量的要求和检验方法。
2\强度:材料抵抗外力破坏的能力。
3\硬度:材料抵抗刮擦和变形的能力。
4\韧性:材料在外力作用下发生塑性变形的能力。
5\成分分析:对材料中元素含量进行定量分析的过程。
钢材质量证明书看出具人的造假水平,水平高的人出具的质保书跟真的一样,一般无法识别,除非拿到厂里去分辨不是假的,只是不保机械性能罢了。
中厚板有保机械性能跟不保机械性能之分。
钢材质量证明书,〔关于〕什么的'都可以(钢板,角钢,钢管,标准件),重要的是证明书上要有章(红,黑均可).上面有炉批号,规格,数量,化学成分等.每个钢铁公司的质量证明书都不太一样.经陕西省产品质量监督检验所检验,送往“太白盛世”工地的钢材,其中部分被综合测定为不合格产品,那么,工地使用的前两批钢材是否存在问题呢?昨日下午,酒钢西安销售公司表示,建设方西安郅辉房地产开发有限公司出示的前两批“酒钢钢材”的质量证明书是伪造的。
本报昨日报道了“部分假冒钢材不合格”后,就已使用的前两批钢材是否存在问题的质疑,“郅辉地产”现场管理部一负责人表示,“正昊公司”供应的前两批77吨多“酒钢钢材”是经过国家有资质的单位做过鉴定的,属合格产品。
同时,“郅辉地产”还出示了“正昊公司”供应的前两批钢材的质量证明书,该证明书上显示的名称为“酒泉钢铁(集团)有限责任公司线、棒材质量证明书”,并盖有“西安正昊实业有限公司材质专用章”,在此章下面有“原件存放于本公司”及李某的姓名等。
但截至昨晚8时许,“正昊公司”行政部的代艳科表示,还没有找到“酒钢钢材”质量证明书。
这两份质量证明书并不是酒钢公司的,属伪造的证明书。
”酒钢西安销售公司负责人徐新生说,该证明书与酒钢公司的质量证明书有明显不同。
据徐新生介绍,酒钢公司的质量证明书上,在陕西的收货单位均为“陕西嘉利卤(酒钢在西安的注册公司)或“陕西大舜”(酒钢西安公司办公地),同时,证明书上的合同号的尾数应当是“001”,而“郅辉地产”拿到的质量证明书上的收货单位却是“西安正昊实业有限公司”,合同号的尾数为“002”或“0016”。
同时,记者也发觉,酒钢公司的线、棒材质量证明书的规格明显比“郅辉地产”拿到的要大得多,存在明显差异。
钢材产品质量证明书钢材产品质量证明书钢材产品质量证明书钢材产品质量证明书生产和其他工业产品的生产一样,是按统一的标准规定进行的,执行产品出厂检验制度,不合格的金属材料不准交货。
对于交货的金属材料,生产厂提供质量证明书以保证其质量。
吉林市钢材的质量证明书不仅说明材料的名称、规格、交货件数、重量等,而且还提供规定的保证项目的全部检验结果质量证明书,是供方对该批产品检验结果的确认和保证,也是需方进行复检和使用的依据钢材吉林市钢材表面质量、外形及尺寸允许偏差等要求不同,将钢材质量划分为若干等级。
例如一级品、二级品。
有时针对某一要求制定不同等级,例如针对表面质量分为一级、二级、三级,针对表面脱碳层深度分为一组、二组等,均表示质量上的差别河南杭萧承建的钢结构厂房因质量问题引发多起诉讼。
河南杭萧在承建钢结构厂房出现质量问题后,都是由其首先发起诉讼,而且每诉必胜法治周末见习记者李秀卿法治周末记者李恩树发自河南洛阳凛冽的寒风中,大洋耐火材料有限公司的电熔炉钢结构厂房框架,突兀地横卧在途经孟津的连霍高速公路一侧。
部分钢构件上油漆已经脱落,螺丝锈成了咖啡色,在风中发出“嘎吱、嘎吱”的响声。
如果一切按计划顺利进行,这个36000平方米的电熔炉车间应该在201X年5月投入使用,到201X年1月,它能创造至少10亿元的总产值。
201X年11月,大洋公司将列入河南省洛阳市重点工程的电熔炉车间钢结构厂房的承建任务交给河南杭萧钢构有限公司。
后者是上市公司浙江杭萧钢构有限公司的子公司。
厂房钢结构主体建成后,大洋公司发现河南杭萧伪造钢材出厂证明、工程存在严重质量问题,拒绝支付工程款,使得这一当地重点工程烂尾至今。
钢材质量证明书造假201X年11月4日,大洋公司与河南杭萧签订了标的为1490万元的《建设工程施工合同》,之后河南杭萧进场施工。
钢铁质量证明书一、引言钢铁质量证明书是一份重要的文件,用于确认钢铁产品的质量和符合相关标准要求。
本文将详细介绍钢铁质量证明书的标准格式和内容要求。
二、证明书格式钢铁质量证明书的标准格式如下:1. 标题:在证明书的顶部居中位置,使用粗体字体,写明“钢铁质量证明书”。
2. 证明书编号:在标题下方,居左位置,写明证明书的编号,以便于追溯和管理。
3. 日期:在证明书编号下方,居右位置,写明证明书的发布日期,以确保证明书的时效性。
4. 申请单位信息:在日期下方,居左位置,写明申请钢铁质量证明的单位名称、地址、联系人和联系方式等信息。
5. 产品信息:在申请单位信息下方,居左位置,写明所申请的钢铁产品的名称、规格、批次号等详细信息。
6. 生产厂商信息:在产品信息下方,居左位置,写明生产该钢铁产品的厂商名称、地址、联系人和联系方式等信息。
7. 检测机构信息:在生产厂商信息下方,居左位置,写明对该钢铁产品进行检测的机构名称、地址、联系人和联系方式等信息。
8. 检测结果:在检测机构信息下方,居左位置,写明对钢铁产品进行的各项检测结果,包括物理性能、化学成分、机械性能等方面的数据和指标。
9. 检测标准:在检测结果下方,居左位置,写明对钢铁产品进行检测的标准和方法,确保检测过程符合相关的行业标准和规范。
10. 附注:在检测标准下方,居左位置,可以添加一些额外的说明信息,例如检测过程中的特殊情况、检测设备的校准情况等。
11. 签名和盖章:在附注下方,居右位置,由检测机构的负责人签名并盖章,确保证明书的真实性和有效性。
三、证明书内容要求钢铁质量证明书的内容应准确、详细,满足以下要求:1. 产品信息的准确性:确保在证明书中准确记录了申请的钢铁产品的名称、规格、批次号等信息,以便于追溯和核对。
2. 生产厂商的信息:提供生产该钢铁产品的厂商的名称、地址、联系人和联系方式等信息,以确保生产过程的可追溯性。
3. 检测机构的信息:提供对该钢铁产品进行检测的机构的名称、地址、联系人和联系方式等信息,以确保检测过程的可信度和权威性。