同心度调整计算公式1
- 格式:xls
- 大小:120.50 KB
- 文档页数:1
探讨汽轮发电机组矢量法联轴器同心度调整摘要:介绍了一种汽轮发电机组联轴器同心度调整方法,通过多年不同类型机组现场实践,确定矢量法调整联轴器同心度相比其他传统方法更加简单易行,且可以实现在汽轮发电机组联轴器在同心度满足要求的同时其螺栓的伸长量也符合设计标准,具有较强的实用型可供检修单位借鉴。
关键词:联轴器; 百分表; 伸长量;矢量1. 引言汽轮发电机组是一种集合多种先进技术与材料为一体的高度精密设备,在正常运行时,其转子部分处于高速旋转状态,轴系振动大小是机组运行过程中需要严格控制的参数。
在汽轮发电机组安装、检修过程中,整个轴系各联轴器同心度的测量调整工作是一项非常关键的工序。
汽轮发电机组各联轴器连接时,同心度找正的质量如何,将会直接关系到机组的振动特性,轻则降低设备的使用寿命,重则造成机组动静碰磨酿成事故。
目前传统的联轴器同心度调整方法,均为老师傅们代代相传的经验之谈,调整精确度偏差较大,且比较费工费时,往往出现联轴器螺栓的伸长量与同心度不能同时满足要求的现象。
下面就以某台600MW机组的LPⅡ-GEN联轴器为例,介绍一种矢量法调整联轴器同心度的科学方法,以供各位同行给予借鉴和指导。
2.联轴器的分类汽轮发电机组联轴器按照结构形式一般可分为:刚性、半挠性、挠性三种。
挠性联轴器具有较强的挠性,所以允许被连接转子有相对较大的偏心,对振动的传递不敏感,但由于结构复杂,传递的扭矩也小,一般使用在小机组上。
半挠性联轴器,允许被连接转子之间有一定的偏心,并允许相联两转子有微小的轴向位移,对振动敏感性也不大,也能传递一定的扭矩,在中型机组上广泛应用。
刚性联轴器结构简单、工作可靠,可以传递很大的扭矩,联接刚性强,而且不允许被联接转子产生相对轴向和径向位移,所以除传递扭矩外,还可以传递轴向力和径向力。
主要缺点就是被联接转子的振动相互传递彼此影响,一旦发生振动,要查明原因往往较困难。
但因为具有传递功率大和其它一些优点,故在大功率机组上得到普遍应用。
浅谈机泵同心度的调整方法[摘要]:电动机与泵的连接一般是由联轴器联接,因为制造、安装误差、以及机泵在运转一定时间后,由于输送介质的性质、承载后的变形、温度变化的影响往往会造成泵机组不同心、振动值超标,影响生产的正常进行。
本文详细介绍了一种简单实用的机泵不同心度的调整方法。
1 引言在泵类设备的维护检修过程中,如果泵机组的不同心度超过规定值,就会造成泵机组不同心、振动值超标、加大轴承所受的额外力矩,影响泵机组的正常运行,严重的会缩短泵和电机的使用寿命,甚至会造成泵机组的损坏,影响生产的正常进行。
尤其是大负荷、高转速的泵机组设备,对机泵不同心度的调整方式、方法的要求就尤为严格。
2 机泵不同心度调整的基本原理机泵不同心度调整的基本原理:首先要测定其不同心度,测量出电动机与泵两轴心的相对位移和偏移量,再根据设备所允许的安装误差进行不同心度的调整。
在操作时,只需调整两半联轴器的轴心线使两个半联轴器的轴心线成为一条直线即可,而要实现以上要求必须同时满足以下条件:(1)使两半联轴器的两个外圆同心;(2)使两半联轴器的端面平行(即机泵的两轴心线平行)。
3 机泵不同心度的调整方法不同心度调整方法很多,但是多数比较麻烦,至今为止,生产中还没有成型的调整方法,但是无论按什么方式调整,它们的原理及分析方法是一致的。
生产中根据测量工具不同,常用塞尺法或者百分表法,或者两种方法结合使用来测量、调整机泵的不同心度。
3.1基准的确定实际生产中因为泵一般是固定不能移动的,因此大多数是通过调整电动机的轴心线来迎合泵的轴心线,来满足泵机组不同心度的要求。
3.1塞尺法测定泵机组不同心度。
这种方法直观、简单、方便,主要适用于转速较低、负荷较小(一般n≤1450转/分,n≤200kw)、机组不同心度的精密度要求不高,或者百分表法前的粗调上。
3.2百分表法测定泵机组不同心度。
百分表法测量泵机组不同心度比较麻烦,但是精确度高,效果好,主要应用于大负荷、高转速的泵机组设备的不同心度测量3.3组合法测定调整泵机组不同心度3.3.1粗调同心度:首先确定测量基准,清洁联轴器表面,仔细检查联轴器的表面应无异常现象,对长期停运的泵应盘动转子数周以消除静止带来的误差,先用塞尺法用板尺(或直角尺)对机泵联轴器上下左右四点进行初步检测,根据所测的数值,计算出轴向和径向偏移量,然后根据偏移量对电动机进行调整。
同轴度规计算公式同轴度(Coaxiality)是一种用于测量物体间轴线的同心度的度量标准。
它常用于工程和制造业中,特别是在需要保持高精度和高质量的产品制造中。
同轴度的计算公式可以根据具体的测量对象和测量方法而有所不同。
下面将介绍几种常见的同轴度计算公式。
1.直线同轴度公式直线同轴度是指两个轴线在其共同延长线上的距离差的最大值。
假设有两条直线轴线AB和CD,它们与一条公共轴线EF相互平行。
直线同轴度的计算公式如下:同轴度 = max(AB' - CD') 公式1其中,AB'和CD'分别是测量轴线AB和CD到共同轴线EF的距离。
2.圆同轴度公式圆同轴度是指一个内圆和一个外圆的同心度。
假设内圆的半径是R1,外圆的半径是R2,它们的中心点分别为A和B。
圆同轴度的计算公式如下:同轴度 = max(,AB, - ,R2 - R1,, ,AB, - ,R2 + R1,)公式2其中,AB,表示A点和B点之间的距离。
3.球同轴度公式球同轴度是指两个球心之间的距离差的最大值。
假设有两个球心A和B,它们之间的距离为d,球同轴度的计算公式如下:同轴度 = max(,d - R1 - R2,, ,d - ,R1 - R2,) 公式3其中,R1和R2分别表示两个球的半径。
以上是几种常见的同轴度计算公式,它们分别适用于直线、圆和球的同轴度测量。
在实际应用中,我们可以根据具体的需求和测量对象选择适合的计算公式。
同时,为了保证测量的准确性,还需要选择恰当的测量方法和仪器,并遵循严格的测量流程和标准。
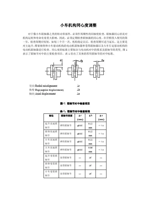
小车机构同心度调整对于像小车联轴器之类的转动零部件,必须作周期性的同轴度检查。
联轴器同心状况对机构运转和寿命有着重大影响。
因此,必须定期检查联轴器的同心度。
在岸桥投入使用的第一年,检查周期应较短,如每三个月一次。
机构稳定以后,检查周期可适当延长。
这主要是对主起升、臂架俯仰和小车驱动机构的电动机联轴器和卷筒联轴器以及大车行走驱动机构的电动机联轴器进行检查。
同心度的标准主要取决与电动机对中的要求及联轴节的类型, 图-1表示了联轴节对中的主要检查项目,表-1给出了具体的常用联轴节的对中标准。
图-1: 联轴节对中检查项目表-1:联轴节对中检查标准径向Radial misalignment Δr 角度Gap(angular displacement) Δb 轴向Axial displacement Δa2.1.1 电动机和减速器同心度的调整方法2.1.1.1 使用微电脑控制的激光同心度测量设备,具体步骤如下:1) 在检查同心度之前不需拆开联轴器。
激光发射器装在联轴器一端轴上,接收器装在联轴器另一端轴上,图-2为安装示意图。
测量时激光器和接收器应该同时转动。
图-2: 微电脑控制激光同心度测量仪安装示意2) 将相关的尺寸输入微电脑,如电动机安装基座的尺寸,以及联轴器中心和电动机轴端间的距离等参数,参考图-3。
图-33) 转动之前,初始值应复位至零。
4) 只需将电动机轴和减速器轴同时转动60度到70度。
5) 角度误差δz 和径向误差δy 都会在仪表上显示,误差指示数的精度可达到1μm 。
6) 微电脑会自动算出电动机的位移量和垫片的厚度差,方便操作人员重新排装电动机。
并且微机带有存储和打印功能。
7) 按照测量的结果及电脑的显示结果,对于垂直方向的偏差,可以增加或减少垫片来实现;对于水平方向的偏差,可以通过轻轻调整电动机底座旁的调节螺栓(或定位块)来实现,如图-4。
xzy图-48) 然后可能需要不断重复2~6的步骤,直到这些误差达到允许的范围。
化工离心泵的联轴器同心度如何调整首先,我们来了解一下什么是联轴器,它和泵的同心度有什么关系,离心泵联轴器用来连接不同的轴(主轴和传动轴),主要是通过旋转,从而传递扭矩。
在高速动力的作用下,离心泵联轴器具有缓冲、减震的功能。
在使用或安装化工离心泵时,泵和电机(两者之间依靠联轴器相连)的同心度是否一致相当关键,它影响着离心泵的使用寿命,性能,生产安全等。
化工离心泵和电机的联轴器所连接的两根轴的旋转中心应严格的同心,在安装离心泵时,对于联轴器端面与轴线之间的垂直度一定要检查,发现不垂直时要调进行同心度的调整,联轴器必须精确地找正、对中,否则会产生振动、噪音、减震块损坏,并将严重地影响轴、轴承和轴上其他零件的正常工作等。
因此耐腐蚀离心泵与电机的联轴器同心度对泵的使用影响相当重要;小编来介绍一些有关离心泵联轴器的找正方法。
1)先消除联轴器同心度的高差,电机轴应向上用垫片抬高,这是前支座和后支座应同时在座下加垫。
在两支座下分别增加不同厚度的垫片,前支座加的垫应比后支座的后一些。
2) 可以用平尺或塞尺进行粗测联轴器的不同心,以离心泵的对轮为基准,测定与调整电机对联轴器,来保证电机与机泵两轴对中,这种方法适用于弹性联接的低转速、精度要求不高的设备。
3) 利用百分表及表架或专用找正工具测量两联轴器的不同心及不平行情况,把百分表架到泵端,将百分表对零,将对轮旋转一圈,每90度得到一个数值,最后百分表转回其始位时必须回零,左右读数相加应该等于上下数值相加之和。
然后根据读数分析出两轴的相对空间位置状况,根据偏差值作出适当调整。
首先调整联轴器的左右偏差到允许值,然后调整高低至标准之内,这种方法适用于转速较高、刚性联接和精度要求高的转动设备。
江南泵阀出厂的产品都会附带产品说明书要求用户试机之前应该注意的事项说明,当中就提醒了用户在化工离心泵试机之前要注意泵与电机同心度的调整。
联轴器同心度检查及校正粗调整:(首先确认检测或所调整的泵组是否完全切断电源)*泵组安装就位后、开机前必须检查并校正同心度.*联轴器找正时.1. 粗找正测量工具-刀口尺.2.将联轴器找正面清理干净后,将刀口尺以一边放平找正另一边.泵端高则将电机垫高,反之则将泵端垫高,先找等高.3.用刀口尺在联轴器90℃夹角上测出泵及电机左右偏差和高低偏差.4.调整联轴器等高时采用厚薄不等的金属片垫入电机端或泵端地脚和底座结合面之间.5.在紧固螺母之前,须确认所垫的金属片已经垫实后再紧固螺母,分别紧固螺母时要注意表的指针不能有移动.精调整(检查粗调整后的精度)1.量程为5-10mm的百分表及磁性表座。
2.盘车联轴器360 ℃,表指针摆动范围内的读数即为跳动值。
用百分表测得圆周上最大跳动值:≤0.20mm最终检查:所有地脚紧固后,确认和复检圆周最大跳动值是否在≤0.20mm范围之内。
*运行后在一段时间内检测轴承端的温升变化,如果温升急剧上升无稳定且有超标现象并接近极限温度,此时必须停机检查。
*运行后的泵组,必须注意轴承温度变化,如果与前一次记录有升高现象,此时就必须停机再次对联轴器同心度进行检查。
三相异步电动机的最高允许温升(周围环境温度为+40℃)GISO同心度不符合要求产生的故障现象:1.噪声。
(叶轮环口与泵壳口环摩擦,轴承受力不均)2.轴承温升快。
3.轴承温度高。
4.泵组振动,抖动。
5.轴承位置有油渗出。
6.严重时弹性体磨损及掉屑和受挤压有熔化现象。
同心度跳动值超标的危害:1.轴承在运转时受力不均产生高温。
使润滑脂稀释流出使轴承球道内润滑不足。
2.弹性体磨损后致使联轴器结合部无缓冲,联轴器金属部分相互撞击而损坏。
3.轴承损坏,轴承座损坏(因润滑不畅,高温膨胀和轴承钢圈受力不均致使轴承外钢圈跑外圆和内钢圈抱死或跑内圆)4.叶轮环口与泵壳口环磨损(不锈钢易咬死)使泵效率下降.(采购轴承时请认准SKF,NSK专卖店)-曲线爪型联轴器同心度圆周上跳动不大于0.20mm.-弹性膜片联轴器同心度圆周上跳动不大于0.10mm.联轴器同心度检测及调整售后服务部(安装.调试.维修人员用)。
三层共挤电缆调整同心度的方法探讨发表时间:2019-12-23T10:38:28.170Z 来源:《电力设备》2019年第18期作者:史金福杜战芳[导读] 摘要:三层共挤工艺技术将导体屏蔽、绝缘和绝缘屏蔽同时挤出,极大提高了电缆的绝缘层机械性能,是电缆生产作业过程中常见的应用工艺。
(山东聚辰电缆有限公司 253500)摘要:三层共挤工艺技术将导体屏蔽、绝缘和绝缘屏蔽同时挤出,极大提高了电缆的绝缘层机械性能,是电缆生产作业过程中常见的应用工艺。
电缆同心度(也称偏心度)直接或间接影响着电缆的传输性能,对电缆使用寿命也产生较大影响。
本文介绍的电缆三层共挤自动调整同心度的设备,可以自动根据需求对三个共挤机进行偏心调整,代替了人工调整工作,提高了电缆挤包绝缘层的同心度。
关键词:电缆,三层共挤,同心度 1、引言电缆制造过程中,导体制造包括拉丝、绞合和挤包过程;绝缘线芯制造包括三层挤出、交联和除气;电缆护层制造包括绝缘线芯挤包、金属护层、装铠、护套挤包等。
在挤出成型电缆制造时,最早期使用二次挤出工艺来生产电缆绝缘线芯,也就是先挤出导体屏蔽层和绝缘,然后交联并绕到线盘上。
经过一定时间后再挤出绝缘屏蔽层。
这种工艺在绝缘和绝缘屏蔽之间形成不规则并可能受到污染的界面,绝缘屏蔽可能是不交联的,这种工艺制作的电缆在热学性能上存在一定局限。
如何使用一道工序就可以完成三层的挤出,提高电缆的高温性能,由此出现三层共挤工艺技术,本文对三层共挤技术进行介绍并给出一种自动调整同心度的方法,以给电缆从业人员一些参考。
2、三层共挤技术介绍三层共挤工艺技术是将导体屏蔽、绝缘和绝缘屏蔽同时挤出,这种情况下绝缘屏蔽是交联的,因此极大提高了电缆的高温性能。
三层共挤技术在电缆生产作业过程中已经是一种常见的应用工艺,通过三层共挤技术,导体屏蔽在绝缘挤出前不会暴露在空气中,因此可以防止在主绝缘层与导体屏蔽,以及主绝缘层与绝缘屏蔽之间引入外界杂质,从而产生非常洁净、均匀的导体屏蔽和绝缘界面,也避免了在制造过程中可能出现的导体屏蔽和主绝缘层意外损伤。
圆点的同心度
《圆点的同心度》是指圆形内部所有点与圆心的距离一致程度。
同心度可以通过圆内部点的分布密度和距离圆心的距离来判断,同心度高的圆形内部点分布较为均匀,距离圆心的距离也比较接近,而同心度低的圆形内部点分布不均,距离圆心的距离也相差较大。
同心度是一种重要的几何特征,在数学、物理、工程等领域有着广泛的应用。
例如,在机器视觉领域,同心度可以用来检测图像中的圆形对象是否完整、是否扭曲等;在工程领域,同心度可以用来检测机械零件的圆度、平行度等。
同心度的计算方法一般采用距离变换算法,即通过计算圆内部每个点到圆心的距离来得到同心度值。
此外,还有其他方法,如基于泊松方程求解的方法、基于最小二乘法的方法等。
在实际应用中,同心度的精度和稳定性对结果的影响较大,因此需要仔细选择计算方法和参数,以达到最优的检测效果。
- 1 -。
浅谈SH型水泵同心度调整方法及要求秦芳【期刊名称】《《中国设备工程》》【年(卷),期】2019(000)020【总页数】3页(P121-123)【关键词】SH型水泵; 联轴器; 同心度调整; 技术要求【作者】秦芳【作者单位】渭南市东雷二期抽黄工程管理局陕西渭南 714000【正文语种】中文【中图分类】TH3111 调整同心含义测量水泵联轴器与电机联轴器的相对位置,使两联轴器的轴心重合,平面平行。
2 机组同心度调整的基本方法机泵不同心度的调整方法很多,它们的原理及分析方法是一致的。
生产中根据测量工具不同,或者是根据卧式机组大小不同,可分为塞尺法或者百分表法,或者用两种方法结合来测量调整。
2.1 粗调机组同心度(1)先初步调整电机与水泵联轴器间隙,采用塞尺测量,要求塞尺薄片不能有任何褶皱,调整电机的位置,应使联轴器间隙上下前后基本相等。
SH 型水泵要求联轴器间隙为∫=3 ~7 毫米,小型泵2 ~4 毫米、中型泵4 ~6 毫米、大型泵6 ~8 毫米。
(2)用直尺紧靠两联轴器外圆表面,移动电机,使两联轴器表面在上下前后基本处于一条直线上,在上下方向上,使电机联轴器的表面微低于水泵联轴器表面。
2.2 精调机组同心度(1)固定百分表。
百分表应完好,指针应回零,测量杆灵活好用,测量头应灵活无松动。
百分表座吸力应符合要求。
将百分表座固定在水泵联轴器上,百分表及表架子固定好。
将百分表测量杆垂直接触电机联轴器圆表面边沿处(径向),电机联轴器的端面边缘处(轴向),或者采用专用测量装置,如图1。
注意:径向测量表杆应垂直于泵端联轴器轴线,轴向测量表杆应平行于泵端联轴器轴线。
(2)检查百分表。
将百分表的小指针调到2 ~3mm 处,调零位,轻拉测杆检查百分表是否回零,表针不回零应查明原因并整改。
然后按旋转方向盘泵,盘泵一周回到初始位置,表针应归零。
若不归零,说明表架松动,应查明原因并重新固定,再校核。
(3)数值测量。
如图1,联轴器按0°、90°、180°、270°分为四个测点,按照机组旋转方向转动联轴器,数圈后,依次记录四个测点的轴向和径向数值。
电机与泵同心度找正初探泵与电机两轴的连接,要进行同轴度的检查和调整,这种工作称为同轴度找正,或称为轴系找中。
联轴器本身的加工精度以及在轴上的安装精度是保证找中同心度获得理想效果的前提,因此联轴器内外圆的同轴度,端面与轴心线的垂直度,都要求做到十分精确,安装后误差最好控制在0.01mm内较为理想,同轴度找正大多采用百分表为测量工具。
当百分表旋转不能通过时,用塞尺测量。
但测量精度和工作效率都不及用百分表。
泵与电机找正的目的:使电机平稳地将电机动能传递给泵,减少振动和噪音。
过大的偏差会使联轴器、转动轴及其轴承增加负荷,引起轴承发热、加速磨损;联轴器扭转、拉伸过大,导致疲劳断裂;加大泵整体振动和噪音,因此严格保证两轴线的同轴度是非常必要的。
泵找正的原理:当泵与电机两轴的同轴度没有误差时,两联轴器的外圆或端面之间没有相对偏差。
如测出偏差,便是两轴心的偏差值。
常见的三种偏差形式,如(图1)1两轴中心线有径向偏移。
(图a)2两轴中心线轴向倾斜(或称角移位)。
(图b)3两轴中心线同时有径向偏移和轴向倾斜(或角移位)。
(图c)图1泵偏差的检测1确认打紧基准泵(机)的机座螺栓。
2找正前先清除机泵靠背轮的铁锈油污,尤其是打表测量处。
3将磁性表座安装在泵轴上或者泵靠背轮上。
用一块百分表打电机靠背轮外径上,测径向偏差。
用另一块百分表打电机靠背轮端面上,测轴向倾斜偏差。
(如图2)4 用手缓慢转动电机轴,分别读出径向、轴向百分表的跳动值,并在靠背轮上分别标出最高值和最低值位置,在校正中以备参考。
如果跳动超过0.02mm 时,则得加同步杆(如图2左图),使两个转子转过的角度相同,保持两个转子的相对位置不变,以消除靠背轮自身加工、安装误差。
5 用手缓慢转动泵轴,测出电机靠背轮径向的最大读数值和最小读数值,并作出径向偏差图,标上最大偏差和最小偏差的相应位置。
(图3)北(上)南(下)东(右)(左)西东北西南西北东南径向偏差图36 测出电机靠背轮端面的最大读数值和最小读数值,并作出轴向倾斜偏差图,标上最大偏差和最小偏差的相应位置。
点焊螺母同心度检测方法我折腾了好久点焊螺母同心度检测方法,总算找到点门道。
说实话,这事儿一开始我也是瞎摸索。
一开始呢,我就想靠肉眼看。
我寻思这螺母点焊在那儿,同心度好不好,眼睛一瞅不就大概知道了嘛。
结果呢,大错特错。
很多时候,看起来差不多,但是实际用起来就发现问题很大。
这就好比你看两个人站得挺整齐,可是真要比着一条线走的时候,才发现一个往左歪一个往右歪。
这靠肉眼的方法就是个失败的尝试。
后来呢,我又想用手去感觉。
我用手去拧点焊好的螺母,要是感觉很顺畅,没有那种歪着拧起来卡顿的感觉,我就觉得同心度还行。
但是这方法太不靠谱了。
有时候看起来顺利,那可能是因为公差比较大,实际上同心度还是有问题的。
我就因为这个在装配的时候吃了不少亏,零件装上后不是很紧密,就因为螺母同心度不好。
再后来,我试着用一些简易的工具。
我找了一根比较细的直棒,把这根棒往螺母里插。
如果插进去的过程中,棒在螺母里很均匀地能进去,没有晃动,我就觉得同心度可能不错。
但是这一个不准确的地方在于,这根棒本身可能就不是很直,而且要是螺母内壁有一些微小的不光滑或者有毛刺,就会影响判断。
目前我觉得比较靠谱的方法是用三坐标测量仪。
这东西就像是一个非常精确的大尺子。
它可以精确地测量出螺母中心的位置,然后和与之配合的零件中心比较,算出同心度到底是多少。
不过这设备不是每个地方都有,而且操作起来有点复杂,需要专门学,但是检测结果真的很精确。
还有就是要注意测量点的选取。
比如说在螺母上选取几个均匀分布的点去测量,这样才能真的准确反映出同心度这个情况。
如果只是随便测一两个点,可能因为螺母加工或者点焊的时候局部有点小误差,就判断错了,就像是看一个圆,只看一部分就说这是个正圆或者歪圆是不准确的。
我们得全面地看。
总之,要想准确检测点焊螺母同心度,还是得多尝试不同方法,再根据实际情况定。
同心度三次元的计算值
摘要:
一、引言
二、同心度三次元的定义与计算方法
三、同心度三次元的应用领域
四、我国在同心度三次元研究方面的进展
五、结论
正文:
一、引言
在机械加工领域,同心度是一个重要的参数,衡量了零件加工精度的高低。
随着科技的发展,对零件加工精度的要求越来越高,传统的同心度测量方法已经不能满足高精度加工的需求。
因此,研究高精度的同心度三次元计算方法具有重要的理论和实际意义。
二、同心度三次元的定义与计算方法
同心度三次元是指在三个正交方向上,最大偏差与平均值的比值。
同心度三次元的计算方法主要包括两种:解析法和数值法。
解析法主要是通过建立数学模型,利用解析的方法求解同心度三次元。
数值法主要是通过有限元分析等数值方法,模拟零件加工过程,从而求解同心度三次元。
三、同心度三次元的应用领域
同心度三次元广泛应用于机械加工、航空航天、汽车制造等领域。
在高精度加工中,通过测量和控制同心度三次元,可以有效地提高零件的加工精度,
提高产品的质量。
四、我国在同心度三次元研究方面的进展
近年来,我国在同心度三次元研究方面取得了显著的进展。
不仅在理论研究方面有所突破,还开发了一系列具有自主知识产权的测量设备,为我国机械加工领域的技术进步做出了重要贡献。
五、结论
同心度三次元是衡量零件加工精度的重要参数,对提高产品质量和满足高精度加工需求具有重要意义。
同心度0.1 计算方法
直径为0.1mm的圆。
同心度(同轴度)控制两个特征中心对齐程度,同心度0.1的意思为被测要素的轴线围绕基准要素轴线回转波动的范围不能超出直径为0.1mm的圆。
同心度计算公式:
1、同心度:1-(Smax-Smin)/S
2、平均厚度:S=(Smax+Smin)/2
同心度是同轴度的特殊形式。
当被测要素为圆心(点)、薄型工件上的孔或轴的轴线时,可视被测轴线为被测点,它们对基准轴线的同轴度即为同心度。
故对同心度的测量可以进行投影测量。
扩展资料:
对同心度产生影响的因素:
1、机床的回转误差。
2、机床各轴的直线度误差。
3、机床主轴的跳动。
4、机床各轴的定位精度/重复定位精度。
5、刀具磨损。
6、切削余量是否均匀。
7、刀具的重量、长度、刚性。
8、零件本身的刚性。
9、零件的压装变形。
10、工装的刚性差。
水泵垂直同心测量计算公式(一)
水泵垂直同心测量计算公式
简介
水泵垂直同心测量计算公式是用于计算水泵垂直同心测量的工程问题,它是在水泵安装时进行的一项重要的工作。
本文将介绍与水泵垂直同心测量相关的计算公式,并通过示例来解释说明。
公式1:水泵安装后的垂直高度计算公式
公式
垂直高度 = H1 + H2 + H3 ### 解释在水泵安装时,我们需要计算水泵的垂直高度,该高度是由三个部分的高度之和组成的。
其中,H1代表水泵基座的高度,H2代表水泵主体部分的高度,H3代表水泵电机的高度。
通过测量每个部分的高度并求和,即可得到水泵安装后的垂直高度。
公式2:水泵垂直高度补偿计算公式
公式
补偿高度 = H - (H1 + H2 + H3) ### 解释在实际安装过程中,由于设备和基础等因素的误差,水泵安装后的实际垂直高度可能与理论计算值存在一定差距。
为了保证水泵正常工作,我们需要进行高度
补偿。
该公式计算了需要补偿的高度,即从理论计算值H减去已安装
高度(H1+H2+H3)。
示例
假设水泵基座高度H1为,水泵主体部分高度H2为,水泵电机高
度H3为,理论计算值H为10m。
根据公式1,水泵安装后的垂直高度为:垂直高度 = + + = 根据公式2,需要补偿的高度为:补偿高度
= 10 - ( + + ) =
综上所述,这是水泵垂直同心测量的相关计算公式和一个示例的
解释。
这些公式可以帮助工程师在水泵安装过程中准确计算垂直高度,并进行必要的高度补偿,以确保水泵的正常工作。
同心度(Concentricity)说明
同心度,圆心的偏移程度。
当被测要素为圆心(点),或薄型工件上的孔或轴线时,可视作点,而不是轴线,是同轴度的一种特殊形式。
一,点的同心度公差
公差带是直径为公差值Φt且与基准圆心同心的圆内区域。
外圆的圆心必须位于直径为公差值Φ0.01且与基准圆心同心的圆内。
二,CMM测量同心度
在同一截面上,一般先用探针测量基准圆,再用探针测量目标圆,通
过软件功能评价同心度公差。
三,说明
1.ASME Y14.5-2018已取消同心度符号,由位置度代替;
2.同心度是“2个截面圆中心点无偏差的程度”,同心度误差即为圆心的偏移程度。
3.同心度是一种定位公差,而非定向公差;
4.同心度与同轴度的区别在于,基准要素是中心点(平面);
5.同心度是属于2D测量,适用于投影方式测量;
6.跳动公差>同心度,因为跳动=同心度+圆度。