南宁市建设工程安全文明标准化
- 格式:doc
- 大小:84.53 KB
- 文档页数:17
项目安全文明施工标准化管理手册前言一、总则1、为了全面推进分公司建设工程项目安全生产、文明施工标准化管理,按照公司关于要进一步强化项目安全文明施工管理,做到项目管理标准化、规范化、精细化的要求。
根据《建筑法》、《安全生产法》、《建筑施工安全检查标准》(JGJ59-2011)、《施工现场临时建筑物技术规范》(JGJ/T188-2009)及《建设工程施工现场消防安全技术规范》(GB50720-2011)、《广西壮族自治区建筑工程文明施工导则》(桂建管【2012】108 号)、《南宁市建设工程质量安全管理标准化图集》、《广西建工集团一公司施工现场形象宣传标准化管理的规定》、《广西建工集团第一建筑工程有限责任公司项目安全文明施工标准化管理规定》等法律法规和标准,现结合分公司安全生产、文明施工的实际情况,编制《广西建工一建一分公司项目安全文明施工标准化管理手册》。
2、本图册适用于分公司承建的新建、扩建、改建的房屋建筑工程和市政基础设施工程。
3、施工现场的安全文明施工除应执行本手册外,尚应符合国家、自治区现场有关法律法规和标准规范的规定。
二、基本要求1、项目开工前,须根据项目的实际情况,作出安全文明施工组织设计(也称安全文明施工策划,包括安全施工组织设计和文明施工组织设计),报相关部门审核批准后,方可组织实施。
2、项目安全文明施工组织设计应由项目经理组织编制,经分公司及公司相关部门审核审批、项目总监理工程师审查同意后,方可实施。
3、规划方案要求对施工现场临时设施和建设项目之间做出合理的规划布置,正确处理施工期间各项临时设施和建设项目之间的空间关系。
按规范要求,科学布置办公区、工人宿舍区(生活区)、材料堆放区、生产区,以及施工道路、生活道路、消防、临时用水用电、预防污染等设施。
按相关要求进行现场的各种基础设施、场容场貌和绿色施工建设等。
4、对交通影响较大的市政基础设施工程施工,应按有关规定制定交通组织疏导方案及应急预案,报公安交通主管部门批准同意后组织实施。
南宁市建设工程施工安全文明标准化工地评选办法第一章总则第一条为贯彻落实“安全第一、预防为主、综合治理”的方针,提高我市安全生产文明施工标准化建设水平,防止和减少生产安全事故的发生,根据《中华人民共和国安全生产法》和《建设工程安全生产管理条例》等有关安全生产法律法规、标准规范,结合我市实际,制定本办法。
第二条本办法适用于在南宁市行政区域内新建、扩建、改建的房屋建筑工程、市政基础设施工程。
第三条南宁市建设工程施工安全文明标准化工地评选(以下简称“安全文明工地评选”),分为南宁市建设工程施工安全文明标准化工地(以下简称“安全文明工地”)和南宁市建设工程施工安全文明标准化示范工地(以下简称“安全文明示范工地”)两个奖项。
安全文明工地获奖数量不设限,安全文明示范工地获奖数量实行总量控制,每年数量不超过当年安全文明工地获奖总数的10%。
安全文明示范工地,其施工过程的安全生产管理和文明施工水平应达到自治区内先进水平,是我市建设工程施工安全文明施工水平的最高奖。
第四条安全文明工地评选工作由南宁市建设工程质量安全协会(以下简称“市质安协会”)组织实施,接受市城乡建设委员会的指导。
凡属市质安协会会员单位的施工企业、监理企业均可自愿申报。
第五条安全文明工地评选工作坚持公开、公平、公正的原则,按照“单位申报、协会组织、专家评选、社会监督”的程序,根据申报项目的施工进度组织现场核查,定期按批次公布评选结果及表彰。
第六条安全文明工地评选主要依据《建设工程安全生产管理条例》(国务院令第393号)、《建筑施工安全检查标准》(JGJ59)、《市政工程施工安全检查标准》(CJJ/T 275)、《建筑施工现场环境与卫生标准》(JGJ146)、《危险性较大的分部分项工程安全管理规定》、《广西壮族自治区建筑工程安全文明施工费用使用管理细则》、《南宁市建设工程质量和安全生产管理办法》(南宁市人民政府令第46号)、《南宁市建设工程施工现场管理若干规定》、《南宁市建设工程质量安全管理标准化图集》(强制性行业标准)、《南宁市建设施工安全文明标准化工地(施工)考核标准》(附件2)等国家、自治区、南宁市有关建筑施工安全的生产法律法规、标准规范。
广西壮族自治区建设工程施工安全文明标准化工地(施工)考核标准房屋建筑部分(安全生产 2018年版)项目名称:施工单位检查人员:日期:★项目为保证项目,保证项目不符合要求的该评分项目为0分。
广西壮族自治区建设工程施工安全文明标准化工地(施工)考核标准房屋建筑部分(安全生产 2018年版)项目名称:施工单位检查人员:日期:★项目为保证项目,保证项目不符合要求的该评分项目为0分广西壮族自治区建设工程施工安全文明标准化工地(施工)考核标准房屋建筑部分(安全生产 2018年版)项目名称:施工单位检查人员:日期:★项目为保证项目,保证项目不符合要求的该评分项目为0分广西壮族自治区建设工程施工安全文明标准化工地(施工)考核标准房屋建筑部分(安全生产 2018年版)项目名称:施工单位检查人员:日期:★项目为保证项目,保证项目不符合要求的该评分项目为0分广西壮族自治区建设工程施工安全文明标准化工地(施工)考核标准房屋建筑部分(安全生产 2018年版)项目名称:施工单位检查人员:日期:★项目为保证项目,保证项目不符合要求的该评分项目为0分。
检查人员:日期:★项目为保证项目,保证项目不符合要求的该评分项目为0分。
广西壮族自治区建设工程施工安全文明标准化工地(施工)考核标准房屋建筑部分(安全生产 2018年版)项目名称:施工单位检查人员:日期:★项目为保证项目,保证项目不符合要求的该评分项目为0分。
广西壮族自治区建设工程施工安全文明标准化工地(施工)考核标准房屋建筑部分评分汇总表项目所在地:市县(市)注:其中有评分项目为0分或脚手架缺项的,不得评为安全文明工地。
广西壮族自治区建设工程施工安全文明标准化工地(施工)考核标准市政工程部分(安全生产 2018年版)项目名称:施工单位检查人员:日期:★项目为保证项目,保证项目不符合要求的该评分项目为0分广西壮族自治区建设工程施工安全文明标准化工地(施工)考核标准市政工程部分(安全生产 2018年版)项目名称:施工单位检查人员:日期:★项目为保证项目,保证项目不符合要求的该评分项目为0分广西壮族自治区建设工程施工安全文明标准化工地(施工)考核标准市政工程部分(安全生产 2018年版)项目名称:施工单位检查人员:日期:★项目为保证项目,保证项目不符合要求的该评分项目为0分广西壮族自治区建设工程施工安全文明标准化工地(施工)考核标准市政工程部分(安全生产 2018年版)项目名称:施工单位检查人员:日期:★项目为保证项目,保证项目不符合要求的该评分项目为0分。
南宁市建设工程质量和安全生产管理办法第一章总则第一条为了加强建设工程质量和安全生产管理,规范工程建设行为,保障人民群众生命和财产安全,根据《中华人民共和国建筑法》、《建设工程质量管理条例》、《建设工程安全生产管理条例》等有关法律、法规,结合本市实际,制定本办法。
第二条在本市城市规划区内从事建设工程的新建、扩建、改建和既有建筑物、构筑物的修缮、拆除等有关活动以及实施对建设工程质量和安全生产的监督管理,适用本办法。
第三条本办法所称建设工程,包括土木工程、建筑工程、线路管道工程、设备安装和装修工程。
第四条建设工程质量和安全生产管理实行政府指导监督、企业自控负责、行业自律协调、公众监督评议的工作机制。
第五条政府推行建设工程担保、建设工程保险等制度保障建设工程质量和安全生产。
鼓励建设工程担保、保险机构及相关行业协会参与建设工程事故预防宣传培训、风险控制管理、检查考评等工作。
第六条鼓励参与工程建设的单位采用全过程持续改进的管理方法和先进的科学技术提高建设工程的建设水平。
第二章监督管理第七条市建设行政主管部门负责全市建设工程质量和安全生产行业管理工作,组织制定全市统一的建设工程质量和安全生产监督管理程序和标准,建立全市建设工程项目和建设、勘察、设计、施工、监理等参与工程建设单位(以下统称建设工程参建单位)及有关从业人员评价考核体系。
城区建设行政主管部门按照分级管理职责负责本辖区内建设工程质量和安全生产监督管理工作。
交通、水利、国土、园林、人防、文物等有关部门按照职责分工,负责有关专业工程质量和安全生产监督管理工作。
公安消防、城市管理、安全生产监督、质量技术监督、工业和信息化等行政主管部门在各自职责范围内,对建设工程质量和安全生产实施监督管理。
第八条建设行政主管部门和有关专业工程主管部门(以下统称建设工程质量安全监督管理部门)可以委托建设工程质量和安全生产监督机构(以下简称质量安全监督机构)负责建设工程质量和安全生产日常监督管理工作。
南宁市人民政府令46号——南宁市建设工程质量和安全生产管理办法文章属性•【制定机关】南宁市人民政府•【公布日期】2016.02.02•【字号】南宁市人民政府令46号•【施行日期】2016.04.01•【效力等级】地方政府规章•【时效性】现行有效•【主题分类】工程质量安全监管正文南宁市建设工程质量和安全生产管理办法南宁市人民政府令46号《南宁市建设工程质量和安全生产管理办法》已经2016年1月8日市第十三届人民政府第113次常务会议通过,现予公布,自2016年4月1日起施行。
市长:周红波2016年2月2日南宁市建设工程质量和安全生产管理办法第一章总则第一条为了加强建设工程质量和安全生产管理,规范工程建设行为,保障人民群众生命和财产安全,根据《中华人民共和国建筑法》、《建设工程质量管理条例》、《建设工程安全生产管理条例》等有关法律、法规,结合本市实际,制定本办法。
第二条在本市城市规划区内从事建设工程的新建、扩建、改建和既有建筑物、构筑物的修缮、拆除等有关活动以及实施对建设工程质量和安全生产的监督管理,适用本办法。
第三条本办法所称建设工程,包括土木工程、建筑工程、线路管道工程、设备安装和装修工程。
第四条建设工程质量和安全生产管理实行政府指导监督、企业自控负责、行业自律协调、公众监督评议的工作机制。
第五条政府推行建设工程担保、建设工程保险等制度保障建设工程质量和安全生产。
鼓励建设工程担保、保险机构及相关行业协会参与建设工程事故预防宣传培训、风险控制管理、检查考评等工作。
第六条鼓励参与工程建设的单位采用全过程持续改进的管理方法和先进的科学技术提高建设工程的建设水平。
第二章监督管理第七条市建设行政主管部门负责全市建设工程质量和安全生产行业管理工作,组织制定全市统一的建设工程质量和安全生产监督管理程序和标准,建立全市建设工程项目和建设、勘察、设计、施工、监理等参与工程建设单位(以下统称建设工程参建单位)及有关从业人员评价考核体系。
南宁市城乡建设委员会关于印发《南宁市建筑施工安全生产标准化考评达标实施方案》的通知
文章属性
•【制定机关】南宁市城乡建设委员会
•【公布日期】2015.03.30
•【字号】
•【施行日期】2015.03.30
•【效力等级】地方规范性文件
•【时效性】失效
•【主题分类】工程质量安全监管
正文
南宁市城乡建设委员会关于印发《南宁市建筑施工安全生产标准化考评达标实施方案》的通知
各县、城区、开发区(管委会)建设局、工程监督机构,市建筑管理处,各建设、施工、监理单位:
为深入贯彻落实住房城乡建设部办公厅《关于开展建筑施工安全生产标准化考评工作的指导意见》(建办质〔2013〕11号)、住房城乡建设部《关于印发〈建筑施工安全生产标准化考评暂行办法〉的通知》(建质〔2014〕111号)和自治区安委会《关于全面推进企业安全生产标准化建设的实施意见》(桂安委〔2014〕17号)、自治区住建厅《广西壮族自治区建筑施工安全生产标准化考评达标实施方案》(桂建管〔2014〕105号)等文件精神,全面推进我市建筑施工安全生产标准化建设工作,提升建筑施工企业和施工现场安全生产管理水平,落实企业安全生产主体责任,细化安全生产标准化考评办法,我委制定了《南宁市建筑施工安全生产标准化考评达标实施方案》,现印发给你们,请结合实际,认真贯彻执行。
联系人:周纲举,电话:5521549(兼传真)
附件:南宁市建筑施工安全生产标准化考评达标实施方案
南宁市城乡建设委员会
2015年3月30日。
南宁市建设工程安全文明标准化诚信工地评选办法第一章总则第一条为贯彻落实“安全第一、预防为主、综合治理”的方针,提高我市安全生产文明施工标准化建设水平,防止和减少生产安全事故的发生,根据《中华人民共和国安全生产法》和《建设工程安全生产管理条例》等有关安全生产法律法规、标准规范,结合我市实际,制定本办法。
第二条本办法适用于在南宁市行政区域内新建、扩建、改建的房屋建筑工程、市政基础设施工程。
第三条南宁市建设工程安全文明标准化诚信工地评选(以下简称“安全文明工地评选”),分为南宁市建设工程安全文明标准化诚信工地(以下简称“安全文明工地”)和南宁市建设工程安全文明标准化诚信示范工地(以下简称“安全文明示范工地”)两个奖项。
安全文明工地获奖数量不设限,安全文明示范工地获奖数量实行总量控制,每年数量不超过当年安全文明工地获奖总数的10%。
安全文明示范工地,其施工过程的安全生产管理和文明施工水平应达到自治区内先进水平,是我市建设工程施工安全文明施工水平的最高奖。
第四条安全文明工地评选工作由南宁市建设工程质量安全协会(以下简称“市质安协会”)组织实施,接受南宁市住房和城乡建设局的指导。
凡属市质安协会会员单位的施工企业、监理企业、设计单位及建设单位均可自愿申报。
第五条安全文明工地评选工作坚持公开、公平、公正的原则,按照“单位申报、协会组织、专家评选、社会监督”的程序,根据申报项目的施工进度组织现场核查,定期按批次公布评选结果及表彰。
第六条安全文明工地评选主要依据《建设工程安全生产管理条例》(国务院令第393号)、《建筑施工安全检查标准》(JGJ59)、《市政工程施工安全检查标准》(CJJ/T 275)、《建筑施工现场环境与卫生标准》(JGJ146)、《危险性较大的分部分项工程安全管理规定》、《广西壮族自治区建筑工程安全文明施工费用使用管理细则》、《南宁市建设工程质量和安全生产管理办法》(南宁市人民政府令第46号)、《南宁市建设工程施工现场管理若干规定》、《南宁市建设工程质量安全管理标准化图集》(强制性行业标准)、《南宁市建设施工安全文明标准化工地(施工)考核标准》(附件2)等国家、自治区、南宁市有关建筑施工安全的生产法律法规、标准规范。
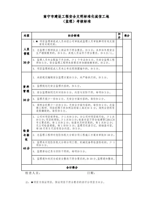
南宁市建筑施工安全文明标准化诚信工地检查表工程名称: 检查日期:注:检查内容中加粗字体为保证项目,保证项目不符合要求的该评分项目为0分。
综合意见应明确对于存在问题的意见。
施工单位监理单位结构类型结构层数建筑面积检查项目检查要求扣分得分文 明 施工(40分) 出入口及围挡(10分) 每个出入口未均按《强制性图集》要求设置大门、冲洗平台,出入口50米范围内未做到干净整洁;工地围挡封闭、标准,彩化亮化不符合要求;公益广告设置不符合要求;远程视频监控系统未能够正常使用;未设门禁系统实名制管理。
每项扣3~5分场地及道路(5分) 主干道未硬化,道路排水不顺畅;主要材料堆场、加工场未硬化,材料堆场、加工区域未分区明确;场地有积水。
每项扣2~3分材料堆放(5分) 材料堆放分类、分区堆放不整齐,标识不清楚、明确、整齐,易扬尘材料堆放未覆盖,易燃材料堆场距在建工程小于10m 距离;建筑垃圾未设专门堆放池;市主城区未使用预拌砂浆的,非砌筑、抹灰、地面工程使用的砂、石未设池堆放的;建筑物内施工垃圾未及时清运,工完料清。
每项扣2~3分现场防火(5分) 灭火器设置符合要求,临时设施防火间距不符合要求,装配式活动房屋无产品合格证,金属夹芯板材未采用防火等级A 级芯材;未按要求设置消防给水系统。
每项扣2~3分环境卫生(5分) 生活区未做到干净整洁,未设置有盖垃圾收集装置,“四害”防治无成效,存在污水溢流污染现象,未开展生活垃圾分类的,工地泥浆水、施工废水、临时生活污水处置排放不符合黑臭水体治理相关要求的。
每项扣2~3分临时设施(5分分)厨房厕所未贴磁砖、刷白色涂料;在在建工程内设置集体宿舍、办公室、售楼部;装配式活动房屋超过2层;在宿舍内乱拉乱接电线、使用大功率电器、使用明火。
每项扣2~3分扬尘治理(5分)工地大门处未设置扬尘治理和土方施工责任公示牌。
未制定门口保洁制度,建立保洁专岗的;工地(无作业时)黄土裸露部位未做到全覆盖或绿化、散体物料全覆盖。
南宁市建设工程安全文明标准化诚信工地评比检查实施细则第一章总则第一条根据《南宁市建设工程安全文明标准化诚信工地评选办法》(南建质安协[2012] 号)的规定及国家现行建设工程安全文明施工的有关标准、规范,制定本评比检查实施细则。
第二条凡申报南宁市安全文明标准化诚信工地(以下简称南宁市A 级安全文明工地)评选的工程项目,均按照本评比检查实施细则实施。
第三条申报程序1、计划申报南宁市A级安全文明工地的工程项目,在申领“施工许可证”后十五天内,由施工企业向南宁市建设工程质量安全协会(以下简称市建设质安协会)提交如下申报材料:⑴《南宁市建设工程安全文明标准化诚信工地申报表》(一式两份)(附件一);⑵《中华人民共和国建筑工程施工许可证》(复印件)一份。
2、申报项目施工现场阶段性评比条件及所需提供的材料:申报企业应当在申报的工程项目达到以下形象进度时,分两次提交申报项目相应阶段的书面报告(附件三)和材料。
第-次:房屋建筑工程主体形象进度完成30%、市政基础设施工程及园林工程完成总工程量的30%后的十五天内,申报企业应及时将申报项目本阶段工程进度情况以书面形式报告(附件三)市建设质安协会;第二次:房屋建筑工程主体形象进度完成70%,市政基础设施工程及园林工程完成总工程量的60%及以上的十五天内,申报企业应及时将申报项目本阶段工程进度情况及评审要求以书面形式报告(附件三)市建设质安协会,并同时提交5~8分钟申报项目的基础、主体施工阶段安全生产、文明施工情况的电子资料和书面资料。
3、申报项目在主体工程施工期间中断施工时间超过6个月及以上时,该项目将视作自动退出南宁市A级安全文明工地评比。
复工后如继续参加南宁市A级安全文明工地评比的,需重新进行申报。
第四条评审程序1、评审依据⑴《建设工程安全生产管理条例》;⑵《建筑施工安全检查标准》(JGJ59-2011);⑶《建筑施工现场环境与卫生标准》(JGJ146);⑷《广西壮族自治区建筑施工现场文明卫生基本要求》(桂建质〔2007〕29号);⑸国家、自治区、南宁市有关建筑施工安全生产的法律法规和行业标准。
南宁市建设委员会关于印发《南宁市建设工程安全防护、文明施工措施费用管理规定(试行)》的通知【法规类别】建筑安装施工【发文字号】南建质安[2009]11号【发布部门】南宁市建设委员会【发布日期】2009.02.04【实施日期】2009.03.01【时效性】现行有效【效力级别】地方规范性文件南宁市建设委员会关于印发《南宁市建设工程安全防护、文明施工措施费用管理规定(试行)》的通知(南建质安[2009]11号)各县、城区、开发区建设局,各建设、开发、设计、施工、监理、审计、招标代理、造价咨询单位:为切实加强我市建设工程安全生产、文明施工管理,确保安全防护、文明施工措施费用计价有标准、支付有依据、监督有办法,根据《建设工程安全生产管理条例》(国务院令第393号)、建设部《建筑工程安全防护、文明施工措施费用及使用管理规定》(建办[2005]89号)、《广西壮族自治区建筑工程安全防护、文明施工措施费使用及管理细则》(桂建质[2006]22号),以及《南宁市建设工程施工现场管理若干规定》(南宁市人民政府令第14号),结合我市实际,制定了《南宁市建设工程安全防护、文明施工措施费用管理规定(试行)》印发给你们,请认真贯彻执行,并将贯彻执行中遇到的问题及时反馈到我委。
附件:《南宁市建设工程安全防护、文明施工措施费用管理规定(试行)》二〇〇九年二月四日南宁市建设工程安全防护、文明施工措施费用管理规定(试行)第一条为加强建设工程安全生产、文明施工管理,保障施工从业人员的作业条件和生活环境,防止施工安全事故的发生,鼓励创建安全文明工地,确保我市建设工程安全防护、文明施工措施费用的有效合理使用,根据《建设工程安全生产管理条例》和建设部《建筑工程安全防护、文明施工措施费及使用管理规定》、《广西壮族自治区建筑工程安全防护、文明施工措施费及使用管理细则》以及《南宁市建设工程施工现场管理若干规定》的有关规定,结合我市实际,制定本规定。
中建隧道南宁地铁4号线项目创建安全文明标准化示范工地6月9日,从南宁市建设工程质量安全协会传来喜讯,中建隧道建设有限公司南宁市轨道交通4号线一期工程施工总承包01标土建5工区荣获2017年上半年南宁市建设工程“安全文明标准化示范工地”,这也是继项目被授予南宁市轨道交通安全质量优胜奖后再次获得的一项殊荣。
过去成绩斐然,当下再创辉煌中建隧道南宁地铁4号线项目自2016年7月进场以来,以“计划领先细策划、科学组织强执行、优质履约保信誉”21字项目管理方针,连续3次荣获季度综合考评第一、年度综合考评第一。
以项目经理周雄威为首的一群平均年龄不足30岁的弄潮儿,又一次演绎了辉煌,再一次将安全文明创建工作推向新的高度。
抓安全质量,创文明工地项目部管理人员具备深厚的专业知识,是一个充满活力、年轻的具有高素质的青年管理团队;在整个项目成员的共同努力下,任何一个安全隐患均得到有效整改,形成闭合,整个工程至今未发生一起安全质量事故。
工地文明创建与项目文化建设完善结合,是项目部创建工作的又一大亮点。
按照中建隧道企业文化建设要求,结合现场情况特点,项目部对施工现场、办公区、生活区独立分开,具有科学化、人性化和美观和谐的特点;项目施工现场CI覆盖按公司统一模式布置,挂牌上墙,营造了深厚的公司文化氛围;在职工生活区域内,设立了标准化篮球场、职工食堂、信和夜校、淋浴间、晾衣棚、水冲式厕所等,施工现场不仅设有茶水棚,放置了保温桶和桌椅板凳,还设置了安全体验中心和信息化平台,彰显了项目的人文关怀和信息化管理;现场所有生产、生活污水经汇入沉淀池沉淀后排入市政污水管网;在施工现场和生活区均视频监控,随时掌握每个区域的安全文明状况。
中建隧道盾构分公司副总经理、南宁地铁4号线项目经理周雄威表示:“下一阶段,项目部将以此次荣获“安全文明标准化示范工地”为契机,进一步总结管理过程中的经验和亮点,再接再厉不断提升项目部安全文明建设和质量管控水平,树立中建隧道在南宁地铁建设行业中的标杆形象。
广西壮族自治区建设工程施工安全文明标准化工地(施工)考核标准(安全生产 2017年版)检查人员:日期:★项目为保证项目,保证项目不符合要求的该评分项目为0分广西壮族自治区建设工程施工安全文明标准化工地(施工)考核标准(安全生产 2017年版)★项目为保证项目,保证项目不符合要求的该评分项目为0分广西壮族自治区房屋建筑工程施工安全文明标准化工地(施工)考核标准(安全生产 2017年版)★项目为保证项目,保证项目不符合要求的该评分项目为0分广西壮族自治区建设工程施工安全文明标准化工地(施工)考核标准(安全生产 2017年版)★项目为保证项目,保证项目不符合要求的该评分项目为0分广西壮族自治区建设工程施工安全文明标准化工地(施工)考核标准(安全生产 2017年版)★项目为保证项目,保证项目不符合要求的该评分项目为0分广西壮族自治区市政基础设施工程施工安全文明标准化工地(施工)考核标准(安全生产 2017年版)项目名称: 施工单位检查 内扣分标准扣分合计得分 8基坑与沟槽 ★未编制专项施工方案或未经审核、审批的,扣3分;超过一定规模,未经专家论证的,扣3分基坑(槽)支护 ★不能采用放坡开挖的工程,开挖深度较大或存在边坡塌方危险未采取支护措施的 自然放坡的坡率不符合专项施工方案和规范要求,扣5分 基坑(槽)支护结构不符合设计要求,扣5分 支护结构水平位移达到设计报警值未采取有效控制措施,扣5分降排水 基坑、沟槽开挖深度范围内有地下水未采取有效的降排水措施,扣10分基坑(槽)边沿周围地面未设置排水沟或集水井的,每处扣2分,排水沟或集水井设置不符合规范要求,每处扣1分放坡开挖对坡顶、坡面、坡脚未采取降排水措施,扣3~5分 ★对降水影响区域内的建筑物、构筑物及地下管线未采取有效保护及监控措施的。
基槽开挖支护结构未达到设计要求的强度提前开挖下层土方,扣5分未按设计和施工方案的要求分层、分段开挖和开挖不均衡,扣5分基坑(槽)开挖过程中未采取防止碰撞支护结构或工程桩的有效措施,扣5分机械在软土场地作业,未采取铺设渣土、砂石等硬化措施,扣3分管线周围作业未对管线保护,或未对作业进行监护的,扣3分 施工机械与基坑(槽)边沿的安全距离不符合设计要求,扣5分基槽监测 未按要求进行基坑(槽)工程监测的,扣10分基坑(槽)监测项目不符合设计和规范要求,扣5分 监测的时间间隔不符合监测方案要求,扣5分,监测结果变化速率较大未加密观测次数,扣3分监测报告内容不完整,每缺1项扣3分支撑拆除基坑(槽)支撑结构的拆除方式、拆除顺序不符合专项施工方案要求,扣5~10分人工拆除作业时,未按规定设置防护设施,扣5分采用非常规拆除方式不符合国家现行相关规范要求,扣10分 作业环境 基槽内土方机械、施工人员的安全距离不符合规范要求,扣10分上下垂直作业未采取防护措施,扣5分在各种管线范围内挖土作业未设专人监护,扣3分 作业区光线不良,扣2分 深度大于2m 基坑边无防护拦杆,每处扣1分;设置不符合方案、规范要求的,每处扣0.5分基坑内无施工人员上下专用梯道的扣3分,梯道搭设不符合要求的,扣1分扣分合计广西壮族自治区市政基础设施工程施工安全文明标准化工地(施工)考核标准(安全生产 2017年版)项目名称: 施工单位检查内扣分标准扣分 合计得分 9桥梁施工15 分现场管理★未编制专项施工方案或方案未经审核、审批的;★无围护隔离设施的围护隔离设施设置不齐全,扣5分,防撞设施设置不符合要求的,每处扣2分 夜间照明未按规范设置的,每处扣2分 墩柱作业面外侧未封闭的,每处扣3分 未办理河道施工通航备案手续的,扣2分未按方案要求设置围堰,或不符合设计或方案要求的,扣5分 水上作业★水上作业平台搭设未编制专项方案或未经承载能力计算的,搭设完成后,未经验收投入使用以及超限超载使用的★水上作业平台上未备足并正确放置救生设备(救生衣、救生圈、救生绳等)水上作业人员未穿救生衣或单人作业无人监护的,每人扣5分 在航道内施工,未按规定设置航道标志和航行安全警示标志,并配套建设相应的水上交通安全设施的,扣5分桩基施工桩机停放不平稳,基础未夯实,扣3分桩机性能不符要求,设备防护罩未设置,扣3分 成孔后未加盖或采取围护措施,扣2分泥浆池未设置,泥浆未经沉淀处理直接排放,扣2分 预应力张拉施工预应力张拉机械设备未定期标定校核,扣10分 张拉区域未设置明显标志,每处扣2分预应力张拉操作平台不满足施工需要,每处扣3分 张拉两端未设置档板,每处扣2分作业人员未在侧面进行施工,每人扣2分张拉时,千斤顶行程超过额定行程,油压超过最大张拉油压,扣3分挂篮施工挂篮使用时,后锚固筋、千斤顶、手拉葫芦、张拉平台及保险绳等不符合完好可靠的,每项扣2分在高处及深水处作业时,应设置安全网,满铺脚手板,设置临时护栏操作人员按规定佩带安全防护用品,配备救生设施;有1项不符合扣2分 挂篮行走时,滑道铺设不平整,顺直或有偏移,扣2分 浇筑混凝土时,挂篮桁架后端锚固在已完成的梁段上,并配重使已浇筑的混凝土重量保持平衡状态。
南宁市建设工程安全文明标准化诚信工地评选办法第一章总则第一条为贯彻落实“安全第一、预防为主、综合治理”的方针,提高我市安全生产文明施工标准化建设水平,防止和减少生产安全事故的发生,根据《中华人民共和国安全生产法》和《建设工程安全生产管理条例》等有关安全生产法律法规、标准规范,结合我市实际,制定本办法。
第二条本办法适用于在南宁市行政区域内新建、扩建、改建的房屋建筑工程、市政基础设施工程。
第三条南宁市建设工程安全文明标准化诚信工地评选(以下简称“安全文明工地评选”),分为南宁市建设工程安全文明标准化诚信工地(以下简称“安全文明工地”)和南宁市建设工程安全文明标准化诚信示范工地(以下简称“安全文明示范工地”)两个奖项。
安全文明工地获奖数量不设限,安全文明示范工地获奖数量实行总量控制,每年数量不超过当年安全文明工地获奖总数的10%。
安全文明示范工地,其施工过程的安全生产管理和文明施工水平应达到自治区内先进水平,是我市建设工程施工安全文明施工水平的最高奖。
第四条安全文明工地评选工作由南宁市建设工程质量安全协会(以下简称“市质安协会”)组织实施,接受南宁市住房和城乡建设局的指导。
凡属市质安协会会员单位的施工企业、监理企业、设计单位及建设单位均可自愿申报。
第五条安全文明工地评选工作坚持公开、公平、公正的原则,按照“单位申报、协会组织、专家评选、社会监督”的程序,根据申报项目的施工进度组织现场核查,定期按批次公布评选结果及表彰。
第六条安全文明工地评选主要依据《建设工程安全生产管理条例》(国务院令第393号)、《建筑施工安全检查标准》(JGJ59)、《市政工程施工安全检查标准》(CJJ/T 275)、《建筑施工现场环境与卫生标准》(JGJ146)、《危险性较大的分部分项工程安全管理规定》、《广西壮族自治区建筑工程安全文明施工费用使用管理细则》、《南宁市建设工程质量和安全生产管理办法》(南宁市人民政府令第46号)、《南宁市建设工程施工现场管理若干规定》、《南宁市建设工程质量安全管理标准化图集》(强制性行业标准)、《南宁市建设施工安全文明标准化工地(施工)考核标准》(附件2)等国家、自治区、南宁市有关建筑施工安全的生产法律法规、标准规范。
第二章评选范围和条件第七条申报安全文明工地的项目应符合国家有关法律、法规和标准要求,工程建设各方主体应执行有关行业管理规定,履行建设程序。
第八条申报项目的工程规模应满足下列条件之一:(一)单体建筑面积在3000m2及以上,群体建筑面积在10000m2及以上的新建、扩建、改建的工业、民用建筑工程;(二)工程造价3000万元及以上的市政基础设施工程;(三)造价在500万元及以上(含500万元)、建筑面积(占地面积)10000㎡及以上的园林景观工程;(四)个别工程建筑面积和规模虽然达不到上述标准,但是具有社会影响,有纪念意义,且施工难度大、文明施工要求高的工程。
第九条申报项目在现场核查时的形象进度应符合下列要求:(一)房屋建筑工程1.单体建筑:主体工程形象进度完成在30%以上,且外脚手架尚未拆除;2.群体建筑:按建筑面积开工率在60%以上,且应有50%以上的单体建筑符合第1点的要求。
(二)市政基础设施工程1.工程量完成合同造价的30%以上70%以下;2.地下管线工程应有不少于10个地上的工作面(井),并能提供不少于工作面(井)总数50%未完工的工作面(井)现场核查。
第十条有下列情形之一的工程项目不能申报:(一)违反国家基本建设程序,如无施工许可证等;(二)施工过程中申报工程项目发生一般及以上等级生产安全责任事故;申报企业本年度发生一起较大及以上等级生产安全责任事故,或发生两起及以上一般生产安全责任事故;(三)发生起重机械倒塌、土方坍塌、模板支撑系统坍塌、火灾等生产安全责任事故,虽然未造成人员伤亡但社会影响恶劣;(四)发生扰乱社会治安事件和食物中毒30人及以上的公共卫生事故,社会影响恶劣;(五)因恶意拖欠农民工工资、野蛮施工、严重扰民等受到举报、投诉而被新闻媒体曝光并经查实;(六)采用国家、自治区、南宁市明令禁止使用的施工机械、设备、材料、产品和工艺;(七)在最近一次施工现场质量安全管理评价中得分低于70分;(八)每月未按要求在南宁市安全生产综合信息平台完成自查自报,未安装使用工地防尘在线监测系统、自动喷淋喷雾降尘设备、自动冲洗平台、门禁系统,未开展建筑施工安全生产标准化考评工作,未上传南宁市住建局公共信息平台的,施工现场扬尘治理不符合南宁市相关要求的;(九)未按照南宁市住建局有关工作要求开展建筑工地生活垃圾分类工作的;(十)不按要求落实治欠保支“一金三制”工作的;(十一)工地泥浆水、施工废水、临时生活污水处置排放不符合黑臭水体治理相关要求的;(十二)经查实有其它违法违规行为。
第三章申报程序和材料第十一条拟申报安全文明工地评选的项目,申报单位应在开工前将创建计划列入单位安全生产管理目标,单独制定创优实施方案和措施。
开工后1个月内由申报单位填写《南宁市建设工程安全文明标准化诚信工地申报表》(附件1),采用书面形式向市质安协会提出申请。
第十二条申报安全文明工地的施工单位、监理单位、设计单位及建设单位,应提交以下资料。
(一)施工单位应当提交的资料:1.《南宁市建设工程安全文明标准化诚信工地申报表》原件二份;2.施工许可证、质量安全监督登记书复印件各一份;3.项目经理和专职安全生产管理人员上岗证书及安全生产考核合格证书复印件各一份;4.提供能反映工程施工期间主要部位安全防护和安全管理情况的电子版彩照10张,并附文字说明。
10张彩照必须包括以下内容:施工现场全貌、当前形象进度、工地大门、洗车平台、扬尘措施、材料堆放、现场住宿及生活垃圾分类等。
(二)监理单位申报应当提交的资料:1.《南宁市建设工程安全文明标准化诚信工地申报表》原件二份;2.项目总监注册执业资格证书复印件一份。
(三)设计单位应当提交的资料:1.《南宁市建设工程安全文明标准化诚信工地申报表》原件二份。
(四)建设单位应当提交的资料:1.《南宁市建设工程安全文明标准化诚信工地申报表》原件二份。
第十三条申报材料应符合以下要求:(一)申报资料中工程项目名称、单位名称、人员姓名(项目联系人)等应准确无误,涉及到的建设地点、投资规模、建筑面积、结构层数等方面的数据和文字必须与工程实际情况相符;(二)申报资料中提供的文件、印章等应清晰、容易辨认;(三)申报资料统一打印成A4规格,装订整齐,并在封面标明“××工程创建南宁市建设工程安全文明标准化诚信工地资料”字样。
第四章评选机构和程序第十四条市质安协会成立南宁市建设工程安全文明标准化诚信工地评选委员会(以下简称“评委会”),由若干专家组成。
其中主任委员一人,副主任委员一人。
评委会下设办公室,负责日常工作。
评选核查工作由专家组负责,每个专家组设组长一名,成员若干名,成员从南宁市建设工程施工安全专家库中抽取,市质安协会根据申报项目数量组成若干专家组。
第十五条安全文明工地评选程序:(一)评委会组织专家对申报材料进行审查;(二)评选核查专家组检查施工现场和资料情况,以书面形式及时向评委会提交核查意见;(三)评委会对专家组核查意见进行审查,综合得分在80分及以上且文明施工得分在80分及以上的项目,方可评为安全文明工地;综合得分在90分及以上的项目方可评为安全文明示范工地(无临时设施的除外)。
监理单位、设计单位及建设单位作为参建单位同时申报的,应在项目被评为安全文明标准化诚信工地的基础上,监理单位、设计单位及建设单位综合得分在80分以上方能授予;(四)评选结果向社会公示7天无异议后公布,并报南宁市住房和城乡建设局备案。
第五章奖励和惩罚第十六条市质安协会对于获得安全文明工地、安全文明示范工地称号的工程项目颁发表彰文件和奖状,并在相关网站公布,接受社会查阅。
第十七条对于已评为南宁市安全文明工地的项目,实行动态管理,出现以下情况之一的,经评选委员会核查确认后撤消其荣誉称号、收回证书并按有关规定处理:(一)发现不符合安全文明(示范)工地评选要求;(二)发生生产安全责任事故;(三)发生违反扬尘污染治理或施工现场污水排放管理相关规定;(四)发生其它情形造成恶劣影响的。
第六章推荐评比第十八条对于已评为南宁市安全文明工地的项目,将按照优中选优的原则,择优推荐参加自治区建设工程施工安全文明标准化工地评比。
第七章评选纪律第十九条申报单位要坚持实事求是的原则,不得做虚假申报材料,如发现并经核实,该项目2年内不得申报;项目核查时,不得在工作时间内停工待检。
第二十条申报单位不得宴请和送礼,违反本办法及有关纪律规定,情节严重的,撤销其当年参评资格。
第二十一条参与核查及评选的工作人员要秉公办事、廉洁自律、保守秘密。
对违反本办法及有关纪律规定,一经发现,视其情节轻重给予批评教育直至撤销其参加评选工作的资格。
第二十二条参与核查及评选的工作人员要接受公众监督。
对工程评选结果,参与人员不得自行对外公布。
第八章附则第二十三条荣获南宁市安全文明工地的单位和个人,在工程招投标中按南宁市有关文件规定给予信誉加分。
第二十四条本办法由市质安协会负责解释。
第二十五条本办法自发布之日起实施。
原《南宁市建设工程安全文明标准化诚信工地评选办法》同时废止。
南宁市建设工程质量安全协会2019年11月10日附件1南宁市建设工程安全文明标准化诚信工地申报表工程项目名称:申报单位:(盖章)申报日期:年月日南宁市建设工程质量安全协会制施工单位申报用表表1.1监理单位申报用表表1.2设计单位申报用表表1.3建设单位申报用表表1.4。