中考物理声现象的综合复习及答案
- 格式:doc
- 大小:706.00 KB
- 文档页数:18
一、初中物理声现象问题求解方法1.下列说法中,正确的是()A.声音在真空中传播速度最快B.汽车安装的倒车雷达是利用电磁波工作的C.超声波清洗眼镜,是利用了声波传递能量的性质D.声源的振幅越大,音调越高【答案】C【解析】【分析】【详解】A. 声音的传播需要介质,声音不能在真空中传播,故A错误;B. 汽车安装的倒车雷达是利用超声波工作的,故B错误;C. 声波能够传递信息和能量,超声波清洗眼镜,是利用了声波传递能量的性质,故C正确;D. 声源的振幅越大,响度越大,而音调由频率决定,故D错误;故选C.2.关于下列四个情景的说法错误的()A.发声扬声器旁的烛焰晃动,说明声波能传递能量B.不能听到真空罩中闹钟的闹铃声,说明声波的传播需要介质C.发声的音叉将乒乓球弹开,说明发声的物体在振动D.8个相同玻璃瓶装不同高度的水,敲击它们时发出声音的音色不同【答案】D【解析】【详解】A.扬声器发出的声音使烛焰不停晃动,说明声音能传递能量,该选项正确,不符合题意;B.当空气被不断抽出后,铃声逐渐减弱,最后听不到,说明声音的传播需要介质,真空不能传声,该选项正确,不符合题意;C.当乒乓球接触到音叉时被弹开,说明发声体在振动,该选项正确,不符合题意;D.8个相同玻璃瓶装不同高度的水,敲击它们时,音色是相同的,但振动的频率不同,音调不同,故D错误,符合题意。
故选D。
3.关于声现象,下列说法正确的是()A.诗句“蝉噪林逾静,鸟鸣山更幽”中“蝉声、鸟声”靠音调区分B.诗句“路人借问遥招手,怕得鱼惊不应人”中“为了不惊动鱼”是在传播途中控制噪音C.诗句“姑苏城外寒山寺,夜半钟声到客船”中“钟声”是大钟振动产生的D.诗句“入夜思归切,笛声清更哀”中“笛声”是靠笛子传播进入人耳的【答案】C【解析】【分析】【详解】A.音色是发声体特有的品质特征,可以区分声源,故诗句中“蝉声、鸟声”靠音色区分,故A错误;B.诗句“路人借问遥招手,怕得鱼惊不应人”中“为了不惊动鱼”是在声源处控制噪音,故B 错误;C.声音由振动产生,诗句中“钟声”是大钟振动产生的,故C正确;D.空气可以传播声音,诗句中“笛声”是靠空气传播进入人耳的,故D错误;故选C。
一、初中物理声现象问题求解方法1.一列动车长200m,以一定的速度沿直线匀速行驶,在进入七扇岩隧道前800m处鸣笛,司机在鸣笛4s后听到隧道口处山崖反射的回声已知声音在空气中的传播速度为340m/s.求:(1)当司机听到反射的回声时,动车行驶了多少米?(2)该动车行驶的速度是多少m/s?(3)若该列动车以这个速度匀速通过一个长820m的隧道,则动车完全穿过隧道的时间为多少?【答案】(1) 240;(2) 60(3) 17s.【解析】【分析】【详解】(1) 根据v=st得声音传播的距离:s声=v声t=340m/s×4s=1360m;动车和声音的运动示意图如下:由图知,司机听到反射的回声时,他离隧道口的距离:s=s声−s0=1360m−800m=560m;由题意知,动车行驶的距离为:s车=s0−s=800m−560m=240m;(2)动车的速度:v车=st车车=240m4s=60m/s.(3) 动车完全通过隧道的时间是:t'=sv'车=200m820m60m/s+=17s.答:(1)当司机听到反射的回声时,他离隧道口的距离是240m;(2)动车行驶的速度是216km/h.(3)动车完全穿过隧道的时间为17s.2.如图,四个相同的瓶子里装有高度不同的水,对着瓶口吹气,发出的音调最高的是____。
【答案】丁【解析】【详解】当对着瓶口吹气时,瓶内的空气柱会振动,空气柱越短,振动的频率越高,音调越大,所以发出的音调最高的是丁。
3.下面是一组有关声的实验,请正确作答.(1)如图甲,用发声的音叉接触水面时,水花四溅,此实验是用来探究_______(选填字母代号);A.声音产生的原因 B.决定音调的因素C.声音能否在空气中传播 D.声音传播是否需要时间(2)如图乙,将正在发声的手机悬挂在广口瓶内,再把瓶内的空气逐渐的抽出,声音逐_____,若瓶内已抽成真空,将听不到声音,说明:__________________________.(3)如图丙,小明有节奏地敲击鼓面,鼓面发出低沉的咚咚声.用更大的力敲击鼓面,听到的声音变大,同时看到小纸片跳动的幅度_____(选填“变大”、“变小”或“不变”),表明鼓面振动的_____越大,声音的响度越大.(4)如图丁,将一把钢尺紧按在桌面上,一端伸出桌面适当的长度,拨动钢尺,就可听到钢尺振动发出的声音.逐渐增加钢尺伸出桌面的长度,用同样的力拨动钢尺,发现钢尺振动的频率逐渐变_____(选填“大”或“小”),发出声音的音调逐渐变低,这表明声音的音调与发声体振动的_____有关.【答案】A 减小真空不能传声变大幅度小频率【解析】【详解】(1)[1]声音是由物体的振动产生的,用发声的音叉接触水面时,水花四溅,说明了发声体在振动,故选A;(2)[2][3]声音的传播需要介质,把瓶内的空气逐渐的抽出,声音逐减小,若瓶内抽成真空,将听不到声音,说明真空不能传声;(3)[4][5]用大小不同的力敲击鼓面,鼓面振幅不同,响度不同,用更大的力敲击鼓面,振幅大,小纸片跳动的幅度大,声音的响度大;(4)[6][7]钢尺伸出越长,振动越慢,频率越低,音调越低,说明声音的音调与发声体振动的频率有关.4.在探究声音的产生与传播时,小明和小华一起做了下面的实验:(1)如图①所示,用悬挂着的乒乓球接触正在发声的音叉,可观察到________,它说明了________.此探究中悬挂着的乒乓球的作用是________.(2)如图②所示,为了验证(1)中的探究结论,小华同学用手使劲敲桌子,桌子发出了很大的声响,但他几乎没有看到桌子的振动,为了明显地看到实验现象,你的改进方法是:________.(3)如图③所示,敲响右边的音叉,左边完全相同的音叉也会发声,并且把泡沫塑料球弹起.该实验能说明________可以传声.(4)如图④所示,把正在响铃的闹钟放在玻璃罩内,逐渐抽出其中的空气,将听到________,并由此推理可知:________.【答案】乒乓球弹跳起来发声的物体在振动将音叉的振动放大在桌面上撒一些纸屑空气铃声越来越小真空不能传声【解析】【分析】【详解】(1)用悬挂着的乒乓球接触正在发声的音叉,可观察到乒乓球弹跳起来;它说明发声体在振动;音叉的振动不能直接观察,乒乓球起的作用是将音叉的振动放大,更容易直观观察;(2)桌子是较大的物体,发声振动不易观察,可转换成桌面上小纸屑的振动,所以可在桌子上放一些小纸屑;(3)敲击右面的音叉,左面的小球跳起来了,说明空气可以传声;(4)瓶内空气越来越少,声音就越来越小,是声音传播的物质(空气)逐渐减少造成的,由此可以推出:真空不能传声.5.为了探究声音的反射与吸收特点,章杰同学进行了实验研究:(1)在玻璃筒内垫上一层棉花,棉花上放一个小闹钟,耳朵靠近玻璃筒口正上方l0cm处,能清晰地听见闹钟声,闹钟声是通过________传播的。
2024年中考物理知识梳理及训练—声现象(含解析)一、声音的产生1.声源:物理学中,把正在振动发声的物体叫做声源。
2.声音是由物体振动产生的,一切正在发生的物体都在振动,振动停止,发声也停止。
3.在探究声音产生的原因时,应用了转换法、比较法和归纳法。
二、声音的传播1.介质:能传播声音的物质叫做介质。
2.声音的传播需要介质,固体、液体和气体都可以传声,真空不能传声。
3.声波:声音在介质中是以波的形式传播的,我们把这种波叫做声波。
4.声速(1)声速:声音在每秒内传播的距离叫声速,计算公式:v=s/t(2)影响声速大小的因素:介质的种类、介质的温度。
①声音在不同介质中的传播速度不同。
一般情况下,声音在固体、液体、气体中的传播速度关系为:v固>v液>v气。
②声速大小与介质温度有关。
温度越高,声速越大;在15℃时,空气中的声速是340m/s。
5.回声(1)回声:声音在传播过程中,碰到障碍物被反射回来的现象叫回声。
(2)人耳能区分回声与原声的条件:回声到达人耳比原声晚0.1s以上时,人耳可以清晰地分辨出原声和回声。
当声速为340m/s时,障碍物距人耳至少为17m。
(3)回声的应用①加强原声:回声与原声混在一起,人们分辨不出原声和回声,会觉得声音更响亮。
音乐厅中常用这种原理使演奏的效果更好。
②回声测距:当声源静止时,声音从发出到碰到障碍物反射回声源处所走过的距离,是声源到障碍物距离的两倍,即s =12v 声t ,其中t 为从发声到接收到回声的时间,v 声为声音的传播速度。
6.在探究真空不能传声时,应用了实验推理法。
【例题1】如图所示是神舟十三号航天员首次出舱活动。
航天员在太空活动时必须借助无线电通信设备才能进行交谈,其原因是()A .太空中声音传播速度太慢B .太空中没有传播声音的介质C .太空中航天员声带不会振动D .太空中没有阻碍,声音响度太大【答案】B 【详解】声音的传播需要介质,因太空中处于真空状态,没有传声介质,声音无法传播,故航天员在太空活动时必须借助无线电通信设备才能进行交谈。
《声现象》专题复习基础知识1.声音是由于物体振动而产生的,振动停止发声也就停止。
2.正在发声的物体叫做声源,固体.液体.气体都可以作为声源。
3.声音可以在固体.液体和气体中传播,但不能在真空中传播;能够传播声音的物质称为介质;我们通常听到的声音是通过空气传播的。
4.声音是一种波,我们把它叫做声波。
它能使物体振动,能粉碎体内小石,这些都表明声具有能量,这种能量叫作声能。
5.反映声音特性的三个物理量是响度.音调.音色,人们通常将它们称为声音的三要素。
6.音调是指声音的高低,音调的高低决定于声源振动的频率,声源振动频率越大,声音的音调越高。
7.声音振动的快慢常用每秒振动的次数---频率表示。
频率的单位为赫兹,简称为赫,符号为Hz。
例如:某人的心跳的频率是1.2Hz,其意义是:某人的心脏每秒跳动1.2次.8.响度是指声音的强弱,振幅指声源振动的幅度;振幅越大声音的响度越大。
9.人们听到的声音的大小不仅跟振幅有关还与距声源的距离有关。
10.音调高的声音其响度不一定大,同理响度大的声音音调也不一定高。
11.即使在音调和响度相同的情况下,我们也能分辨出不同发声体发出的声音靠的是音色。
12.声音在15℃空气中传播速度是340m/s,声音在不同的介质中传播速度不同,其中在固体中最快,在液体中次之,在气体中最慢。
在一个充满水的长自来水管的一端敲击一下,在另一端可以听到三次声音,第一次是在自来水管中传播的,最后一次是在空气中传播的。
13.当代社会的四大污染是指固体废物污染.水污染.大气污染和噪声污染。
14.从物理学角度看:乐音是指物体有规则振动而产生的声音,其波形是有规律的;噪声是指无规则振动而产生的声音,波形是无规律的。
15.从环保角度看,凡是影响人们正常学习.工作和休息的声音或人们在某些场合“不需要的声音”都属于噪声。
16人们用分贝为单位来表示声音的强弱。
人耳刚刚能听到的声音为0dB。
不同级别的声音对人们的影响不同。
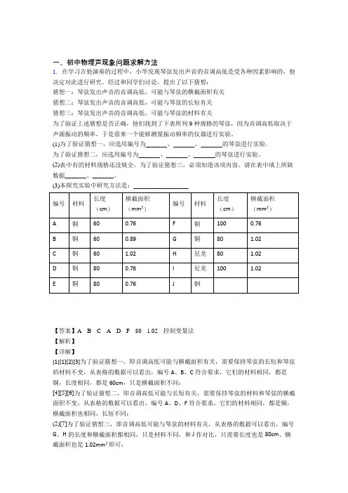
一、初中物理声现象问题求解方法1.在学习吉他演奏的过程中,小华发现琴弦发出声音的音调高低是受各种因素影响的,他决定对此进行研究。
经过和同学们讨论,提出了以下猜想:猜想一:琴弦发出声音的音调高低,可能与琴弦的横截面积有关猜想二:琴弦发出声音的音调高低,可能与琴弦的长短有关猜想三:琴弦发出声音的音调高低,可能与琴弦的材料有关为了验证上述猜想是否正确,他们找到了下表所列9种规格的琴弦,因为音调高低取决于声源振动的频率,于是借来一个能够测量振动频率的仪器进行实验。
(1)为了验证猜想一,应选用编号为_______、_______、_______的琴弦进行实验。
为了验证猜想二,应选用编号为_______、_______、_______的琴弦进行实验。
(2)表中有的材料规格还没填全,为了验证猜想三,必须知道该项内容。
请在表中填上所缺数据_______、_______。
(3)本探究实验中研究方法是:__________________【答案】A B C A D F80 1.02控制变量法【解析】【详解】(1)[1][2][3]为了验证猜想一,即音调高低可能与横截面积有关,需要保持琴弦的长短和琴弦的材料不变,从表格的数据可以看出,编号A、B、C符合要求,它们的材料相同,都是铜,长度相同,都是60cm,只是横截面积不同;[4][5][6]为了验证猜想二,即音调高低可能与长短有关,需要保持琴弦的材料和琴弦的横截面积不变,从表格的数据可以看出,编号A、D、F符合要求,它们的材料相同,都是铜,横截面积也相同,长短不同;(2)[7]为了验证猜想三,即音调高低可能与琴弦的材料有关,从表格的数据可以看出,编号G、H的长度和横截面积都相同,只是材料不同,和J作对比,只需要长度也是80cm、横截面积也是1.02mm2即可;(3)[8]本探究实验过程中,三个变量,保持其中两个量不变,对比第三个量的变化与音调高低的关系,这是用到了控制变量法。
声现象一、选择题(每小题3分,共39分)1.关于声现象,下列说法中正确的是()。
A.声音在空气中的传播速度为3×108m/s;B.声音是由物体振动产生的;C.戴防噪声耳罩可以防止噪声产生; D.超声波可以在真空中传播【答案】B。
【解析】A、光的传播速度是3×108m/s,声音在15℃的空气中传播速度是340m/s,故A错误。
B、声音是由物体振动产生的,故B正确。
C、戴防噪声耳罩可以防止噪声进入人耳,但是不能防止噪声的产生,故C错误。
D、声音的传播需要介质,超声波不能在真空中传播,故D错误。
2.端午节龙舟赛是我市传统比赛项目之一.龙舟赛中有关声的说法,正确的是()A.鼓声是由鼓面振动产生的; B.鼓声传播过程中,发生变化的是音色;C.鼓声震耳欲聋,是鼓声的音调高;D.观众是依据响度来辨别鼓声和呐喊声的【答案】A。
【解析】A、一切声音都是由物体振动产生的,所以鼓声是由鼓面振动产生的,故A正确。
B、响度是指声音的大小,所以鼓声传播过程中,声音越来越小,故其响度发生了变化,故B错误。
C、鼓声震耳欲聋,是鼓声的响度大,故C错误。
D、音色指声音的特色,不同的发声体因材料和结构不同,所发出的声音的音色就不同,故观众是依据音色来辨别鼓声和呐喊声的,故D错误。
3.关于声音的发生和传播,下列说法正确的是()。
A.一切正在发声的物体都在振动;B、不振动的物体也能发声;C、声音可以在真空中传播;D、在空气中,声音的传播与光的传播一样快【答案】A。
【解析】声音是由物体的振动产生的,声音可以在固体、液体、气体中传播,声音在空气中的传播速度是340米/秒,但真空不能传播声音.声音是由物体的振动产生的,振动停止,声音消失,所以一切正在发声的物体都在振动,因此选项A说法正确。
声音是由物体的振动产生的,振动停止,声音消失,因此选项B的说法不正确。
真空不能传播声音,因此选项C说法不正确。
声音在空气中的传播速度是340米/秒,比光速慢的多,因此选项D说法不正确.由上可知,选项B、C、D 的说法不正确;故选A。
声现象是物理学的一个重要分支,研究声波的产生、传播和接受。
声波是一种机械波,需要媒质的存在来传播,而且传播速度相对较慢。
以下是2024年中考初三物理总复习中常见的声现象知识点及习题。
一、声波的特性:1.声波是一种机械波,需要媒质的存在传播。
2.声波是纵波,波动方向与传播方向相同。
3.声波的传播速度与媒质的性质有关,一般情况下在气体、液体和固体中传播速度逐渐增大。
二、声音、噪声及声强的概念:1.声音是指由振动物体引起的机械波,能够让人听到的声波。
2.噪声是指不规则的声波,通常由环境中的各种声音混合而成,常常造成人们的不适。
3.声强是声音强弱的度量,单位是分贝(dB)。
三、声音的特性:1.音高:由频率决定,频率越高,音高越高。
2.音量:由声音的声强决定,声强越大,音量越大。
3.音色:由声音的谐波结构决定,不同乐器或人的声带振动产生的声音具有不同的音色。
四、声音在媒质中的传播:1.声波传播需要媒质的存在,可以是固体、液体或气体。
2.固体中声波传播速度较快,液体中次之,气体中最慢。
3.声音的传播速度与媒质的性质有关,一般情况下,在同一种媒质中,声速随温度的升高而增大。
五、声音的吸收、传播和反射:1.声音在媒质中传播时会逐渐衰减,被媒质吸收。
2.声音在遇到障碍物时会发生反射,经过反射后改变传播方向。
3.人们利用声音的反射可以实现声波的传播和接收,如声纳、超声波检测等。
六、共振现象:1.共振是指在其中一固定频率下,受迫振动系统振幅达到最大值的现象。
2.共振现象在声学、力学、光学等领域中都有广泛应用,如共鸣箱、共振仪器等。
七、听觉和声音保护:1.人类的听觉范围大约在20Hz至20kHz之间,高于或低于这个范围的声音我们无法听到。
2.长时间处于高噪声环境中会对听觉器官产生损害,所以需要保护听觉。
【习题】1.声音的特性有哪些?2.介质对声音的传播有什么影响?3.声音在空气中的传播速度为340m/s,当温度升高到20°C时,声音的传播速度变为多少?4.什么叫做共振现象?5.如何保护听觉不受到噪声的损害?以上就是2024年中考初三物理总复习中常见的声现象知识点及习题。
单元复习02 声现象1.如图所示是天坛公园的回音壁,它是我国建筑上的一大奇迹。
回音壁应用的声学原理是()A.声音能够在空气中传播B.声音的反射C.利用回声增加原声的现象D.声音能够在墙壁中传播【答案】B【详解】人站在北京天坛的回音壁内说话,其他人可以在壁内的任何位置听到他的多次说话声,这种现象的原理是利用声音的反射,故ACD不符合题意,B符合题意。
故选B。
2.在公共场合,当有很多人同时讲话时,我们能够从众多声音中辨别是谁在讲话,那么我们主要是根据声音的()进行辨别的。
A.响度B.音量C.音调D.音色【答案】D【详解】不同的人声音的音色是不同的,能够从众多声音中辨别是谁在讲话,我们主要是根据声音的音色进行辨别的。
故ABC不符合题意,D符合题意。
故选D。
3.如图所示是表演者在音乐会上演奏二胡时的情景。
下列说法不正确的是()A.二胡发出的声音是琴弦振动产生的B.拉弓弦时,用力越大发出声音的响度越大C.二胡的演奏声是通过空气传入人耳的D.拉二胡时,手按压同一根琴弦的不同位置是为了改变音色【答案】D【详解】A.声音由物体的振动产生,二胡发出的声音是琴弦振动产生的,故A正确,不符合题意;B.拉弓弦时,用力越大,弓弦的振幅越大,发出声音的响度越大,故B正确,不符合题意;C.声音的传播靠介质,二胡的演奏声是通过空气传入人耳的,故C正确,不符合题意;D.拉二胡时,手按压同一根琴弦的不同位置,改变了弓弦的长度,振动频率发生变化,是为了改变音调,故D不正确,符合题意。
故选D。
4.下列现象或做法中不能说明声波可以传递能量的是()A.蝙蝠靠超声波捕食B.利用超声波消除肾结石患者的结石C.用声波清洗精细的机械D.利用声音可以震碎玻璃杯【答案】A【详解】A.蝙蝠靠超声波捕食,利用了声波可以传递信息,故A符合题意。
B.利用超声波消除肾结石患者的结石,是利用声波能够传递能量,故B不符合题意;C.用声波清洗精细的机械,是利用声波能传递能量;故C不符合题意;D.利用声音可以震碎玻璃杯,是利用声波能传递能量,故D不符合题意。
初三物理声现象综合专题试题1.声音在均匀空气里传播过程中()A.声速逐渐减小B.频率逐渐减小C.振幅逐渐减小D.声速、频率、振幅都不变【答案】C【解析】物理学中把人耳能感觉到的声音的强弱称为响度,与振幅和距离有关,距离越远,响度越小;声音的传播靠介质,气体、液体、固体都可作为传播声音的介质;声音在不同介质中的传播速度不同,在固体中最大,其次是液体,再次是气体;但在同种介质中的传播速度不变;声音在传播的过程中,音调和音色不变.声音在同种介质中的传播速度不变;故A错误;声音在传播的过程中,音调不变,故频率也不变;故B错误;响度与振幅和距离有关;距离越远,响度越小;故声音在空气中传播过程中,响度变小,振幅也变小;故C正确;声音在传播的过程中,速度不变,音调不变,频率也就不变;响度变小,振幅也就变小;故D错误;故选C.【考点】声音传播的条件2.关于声现象,下列说法正确的是()A.声音是由物体的振动产生的B.声音可以在真空中传播C.声源振动的幅度越大,音调越高D.长期在强噪音环境下工作,对人体不会造成损害【答案】A【解析】A、声音是由物体振动产生的,振动停止,发声也就停止.此选项正确;B、声音传播需要介质,真空不能传声.此选项错误;C、声音的强弱叫响度,声源振动的幅度越大,响度越大.此选项错误;D、长期在强噪音环境下工作,会对人体健康产生损害.此选项错误.【考点】声音的产生;声音的传播条件;频率及音调的关系;声音的等级和噪声的危害点评:此题考查了声音的产生和传播条件、响度与音调的区别、噪声的危害等知识,是一道声学知识的综合题3.下列有关声现象的说法中错误的是()A.摩托车上安装消声器的目的是为了减小噪声B.我们能区分不同同学说话的声音,是因为他们的音色不同C.只要物体在振动,我们就一定能听到声音D.在医院里医生通常利用超声波震动除去人体内的结石,说明声波能传递能量【答案】C【解析】声音是有物体的振动产生的,振动停止则发生停止。
一、初中物理声现象问题求解方法1.下列关于声音的说法中不正确的是A.“隔墙有耳”说明固体也能传声B.“闻其声而知其人”主要根据音色来判断的C.“震耳欲聋”说明声音的音调高D.引吭高歌说明声音的响度大【答案】C【解析】【分析】本题考查声音的有关知识。
【详解】A.声音可以在固体、液体和气体中传播,“隔墙有耳说”明固体可以传播声音,故A正确,不符合题意;B.不同的人发出声音的音色不同,“闻其声而知其人”主要根据音色来判断的,故B正确,不符合题意;C.“震耳欲聋”说明声音的响度大,而不是音调高,故C错误,符合题意;D.“引吭高歌”中的“高”是指声音的响度大,故D正确,不符合题意。
2.如图是用小锤敲击同一音叉时,示波器在相同时间内截取的两列声波图,一次重敲,一次轻敲,下列说法正确的是A.重敲时音调高,甲图是重敲时的声波图B.轻敲时响度大,两次敲击音色相同C.甲的响度比乙的大,甲的音调也比乙的高D.两次音调、音色都相同,乙图是轻敲时声波图【答案】D【解析】【分析】(1)频率是1s物体振动的次数,相同时间内振动越快,频率越大.音调跟频率有关,频率越大,音调越高.(2)振幅是物体振动时偏离原位置的大小,偏离原位置越大,振幅越大.响度跟振幅有关,振幅越大,响度越大.(3)音色是由发声体本身决定的一个特性.【详解】由图可知,两幅图中音叉振动的快慢相同(都有3个波峰和2个波谷),因此声音的音调相同;由图知,物体振动时偏离原位置的程度不相同(即振幅不同),因此响度不相同;甲振动时偏离程度大,甲的振幅大,所以甲的响度大,即音量大,所以,甲图是重敲时的声波图,乙图是轻敲时声波图.用木槌敲击同一音叉,音色是不变的,只有D选项说法正确.故选D.【点睛】掌握声音的三个特征:音调、响度、音色,会观察波形图进行判断.音调跟频率有关;响度跟振幅有关;音色跟材料和结构有关.3.在“哈夏音乐会”上,一男低音歌唱家小聪在放声歌唱时,一女高音歌唱家小明在轻声伴唱.下列声音波形图中能够正确反映上述男、女歌唱家歌唱时的声音特征的是(纵坐标表示振幅,横坐标表示时间)( )A.B.C.D.【答案】C【解析】【分析】男低音歌唱家小聪在放声歌唱,低音指音调低,即频率低;放声歌唱,指响度大,则振幅大;女高音歌唱家小明在轻声伴唱,高音指音调高,即频率高;轻声伴唱,指响度小,则振幅小;【详解】A.男低音振幅小,女高音振幅大,不正确;B.男低音频率高,女高音频率低,不正确;C.男低音振幅大、频率低,女高音振幅小、频率高,正确;D.男低音振幅小、频率高,女高音振幅大、频率低,不正确;故选C。
一、初中物理声现象问题求解方法1.下列关于声现象的说法中错误的是()A.声音在15℃的空气中传播速度约为340m/sB.吉他依靠琴弦的振动发声C.蝙蝠利用次声波探测飞行中的障碍物和发现昆虫D.“暮鼓晨钟”里的钟声和鼓声是人们依据音色进行分辨的【答案】C【解析】【分析】【详解】A.声音在不同介质中,以及不同温度下的传播速度是不同的,如声音在15℃的空气中传播速度约为340m/s,故A正确;B.声音由振动产生,吉他依靠琴弦的振动发声,故B正确;C.蝙蝠利用超声波探测飞行中的障碍物和发现昆虫,故C错误;D.音色是发声体特有的品质特征,可以用来区分声源,所以“暮鼓晨钟”里的钟声和鼓声是人们依据音色进行分辨的,故D正确;故选C。
【点睛】注意能正确区分声音的三个特征,即音调、响度、音色,其中音色是发声体特有的特征,由声源振动的材料、方式等决定,可以用来区分声源.2.下列说法中,正确的是()A.声音在真空中传播速度最快B.汽车安装的倒车雷达是利用电磁波工作的C.超声波清洗眼镜,是利用了声波传递能量的性质D.声源的振幅越大,音调越高【答案】C【解析】【分析】【详解】A. 声音的传播需要介质,声音不能在真空中传播,故A错误;B. 汽车安装的倒车雷达是利用超声波工作的,故B错误;C. 声波能够传递信息和能量,超声波清洗眼镜,是利用了声波传递能量的性质,故C正确;D. 声源的振幅越大,响度越大,而音调由频率决定,故D错误;故选C.3.“教室外狂风暴雨,雷声大作”,这里的“雷声大作”指的是声音特征中的()A.响度B.音调C.音色D.反射【答案】A【解析】【分析】声音的特征有音调、响度、音色;音调表示声音的高低,响度表示声音的大小,音色是声音的品质与特色。
【详解】A.响度指声音的大小,与振幅有关,“教室外狂风暴雨,雷声大作”,这里的“雷声大作”指的是声音特征中的响度,故A正确;B.音调指声音的高低,与发声体振动的频率有关,故B错误;C.音色与发声体的结构和材料有关,故C错误;D.反射指声音在传播过程中遇到障碍物又反射回来的现象,故D错误。
中考物理总复习《声现象》专项提升练习题-带答案学校:___________班级:___________姓名:___________考号:___________一、选择题1. 2022年11月29日,搭载神舟十五号载人飞船的长征二号F遥十五运载火箭在酒泉卫星发射成功。
火箭起飞会产生巨大轰鸣,排山倒海般压向四周。
“巨大轰鸣”主要是指声音的()A.响度大B.频率高C.音调高D.振幅小2.生活中经常需要控制噪声,以下措施中,属于在传播过程中减弱噪声的是()A.道路两旁栽行道树B.考场周围禁鸣喇叭C.机场员工佩戴耳罩D.建筑工地限时工作3.关于声现象,下列说法正确的是()A.“闻其声而知其人”主要是根据音色来判断的B.吹奏笛子时,演奏者抬起压在不同出气孔上的手指,是为了改变发出声音的响度C.公共场合要“轻声慢语”指的是减小声音的音调D.超声波可以在真空中传播4.声能够传递“信息”和“能量”.下面事例中,主要利用声传递“能量”的是()A.利用超声波给金属工件探伤B.医生通过听诊器给病人诊病C.通过声学仪器接收到的次声波等信息判断地震的方位和强度D.利用超声波排除人体内的结石5.如图是楼梯中的一部分,从A到B是长短不同的铁护栏.一个同学用一根小木棒迅速从B到A逐一敲过铁护栏栏杆,此过程中,一定发生改变的是声音的()A.音调B.音色C.响度D.音色和响度6.古筝是中华民族古老的民族乐器,下列对古筝演奏的相关描述正确的是()A.古筝演奏时用力拨动琴弦,音调升高B.古筝演奏时的声音是由琴弦振动产生的C.古筝演奏时的声音悦耳动听,所以不是噪声D.古筝演奏时拨动琴弦越快,声音传播速度越快7.如图有关声现象的实验中,能用来探究声音的传播需要介质的是()A.甲:敲鼓时,用大小不同的力B.乙:室内音响放音时,音响前方的烛焰摇晃C.丙:响铃时,不断抽出瓶内的空气D.丁:拨动钢锯条发声,改变伸出桌子边沿的锯条长度8.金属油桶中到底有多少油,从外表是看不出来的。
中考物理声现象题20套(带答案)一、初中物理声现象1.如图所示,用悬挂着的乒乓球接触正在发声的音叉,乒乓球被弹开,这个实验说明了()A. 发声的音叉正在振动B. 声音可以在空气中传播C. 声音的传播不需要介质D. 声音在空气中传播速度最快【答案】 A【解析】【解答】解:正在发声的音叉将乒乓球多次被弹开,说明音叉在振动,从而说明声音是由音叉的振动产生的,因此,本探究实验是研究声音产生原因的。
故答案为:A【分析】音叉将乒乓球多次被弹开,说明音叉在振动,应用了转换法.2.如图所示,拨打悬挂在广口瓶内的手机,听到手机来电铃声,同时看到手机指示灯亮,然后不断抽出瓶内的空气,下列相关现象的解释错误的是()A. 铃声逐渐减小,改变的是声音的音调B. 铃声中有古筝在演奏,是根据“音色”辨别的C. 根据声音逐渐减小,可以推断真空不能传声D. 根据指示灯一直闪亮,可以推断真空能够传播电磁波【答案】A【解析】【解答】解:A、铃声逐渐减小,改变的是声音的响度,故A错误;B、我们能区分不同乐器发出的声音,这是因为不同乐器发出声音的音色不同,故B正确;C、逐渐抽出其中的空气,声音逐渐减小直到消失;说明空气介质在减少时,声音变小到消失,充分说明真空不能传声,故C正确;D、我们仍能看见甲手机来电指示灯闪烁(属于光信号),这说明光的传播不需要介质,光可以在真空中传播,故D正确.故选:A.【分析】(1)声音的三个特征分别是:音调、响度、音色,是从不同角度描述声音的,音调指声音的高低,由振动频率决定;响度指声音的强弱或大小,与振幅和距离有关;音色是由发声体本身决定的一个特性;(2)声音的传播需要介质.3.超声波是一种频率超出人类听觉范围上限20kHz以上的声波.超声波的传播要依靠弹性介质,其传播时,使弹性介质中的粒子振荡,并通过介质按超声波的传播方向传递能量,这种波可分为纵向波和横向波,下列理解错误的是()A. 超声波不在人的听觉频率范围内B. 超声波能传递能量C. 超声波的音调很高,所以人听不到D. 超声波不是由物体振动产生的【答案】D【解析】【解答】解:AC、超声波的频率高于20000Hz,频率太高,不在人耳的听觉范围之内,所以听不到超声波是因为超声波的音调很高,故AC正确;B、超声波可传递能量,故B正确;D、超声波是由物体振动产生的,故D错误.故选D.【分析】声音是由物体的振动产生的,声音的传播是需要介质的,它既可以在气体中传播,也可以在固体和液体中传播,但不能在真空中传播;频率高于20000Hz的声波叫超声波,超声波可传递能量.4.生活中存在多种形式的波,下列说法正确的是()A. 声波和电磁波的传播速度相同B. 遥控器发出的红外线不能在真空中传播C. 电磁波可以传递信息,声波不能传递信息D. 手机在通话时既有声波又有电磁波【答案】D【解析】【解答】解:A、电磁波在真空中的传播速度为3×108m/s,声波在15℃空气中的传播速度为340m/s,故A错误;B、遥控器发出的红外线波实际上是电磁波,能在真空中传播,故B错误;C、电磁波可以传递信息,如电视信号,声波也可以传递信息,如人通过说话交流,故C 错误;D、手机用电磁波传递信息,人用说话时发出声波,故D正确.故选D.【分析】电磁波是电磁场的一种运动形态,可以传递信息和能量;声波是机械波,也可以传递信息和能量.5.我国目前正在实施“嫦娥”登月工程.已知月球上没有空气,没有磁场,低重力,假如你将来登上了月球做探究实验,如图所示,下列实验现象仍会发生的是()A. (a)图:羽毛和石块同时从同一高度自由下落,石块先落地B. (b)图:用纸片覆盖盛满水的杯口然后倒置,纸片不会掉落C. (c)图:给一直导线通电,导线下方的小磁针发生偏转D. (d)图:敲击右边音叉,靠在左边音叉上的小球被弹开【答案】C【解析】【解答】解:A、月球上没有空气,羽毛和石块做自由落体运动,自由落体运动的加速度与质量无关,知在落地前的任一时刻,两物体具有相同的速度和位移,故两个物体的运动情况完全相同,同时落地,故A正确;B、在地球上能完成“覆杯实验”是因为大气压强能支撑杯中水柱,月球上没有大气压强,纸片会掉落下落,故B错误;C、在静止的小磁针上方,放一根与磁针平行的导线,给导线通电时磁针将偏转,说明了通电导体周围存在磁场,这一现象不受气压和重力影响,在月球上可以完成,故C正确;D、月球上没有空气,声音不能传播,因此敲击右边的音叉,左面音叉旁的小球不会弹起,故D错误.故选C.【分析】(1)自由落体运动的加速度与质量无关,都为g,同时下落,在落地前有相同的速度;(2)地球上,大气压可以支持10.3m高的水柱;(3)奥斯特实验:在静止的小磁针上方,放一根与磁针平行的导线,给导线通电时磁针将偏转,说明了通电导体周围存在磁场;(4)声音能够在固体、液体、气体中传播,真空不能传声.6.经常归纳总结知识是一种良好的学习方法,下列四个选项是小夏所做的总结,完全正确的一组是()A.B.C.应用避雷针指南针D.电路图电压表电流表电路故障有示数无示数灯泡短路无示数有示数灯泡开路无示数无示数变阻器开路【答案】D【解析】【解答】解:A、人耳能感觉到的声音的强弱称为响度,把声音的高低称为音调,音色反映了声音的品质与特色.响鼓需要重锤敲、震耳欲聋、不敢高声语、低声细语指的是响度;故A错误;B、在串联电路中,各处电流是相同的;总电压等于各部分电压之和,总电阻等于各电阻之和;在并联电路中,各支路两端电压相等;干路中的电流等于各支路电流的和;总电阻的倒数等于个电阻倒数之和,故B错误;C、同种电荷相互排斥、异种电荷相互吸引,自然界两种电荷:正电荷和负电荷,人们利用电荷间的相互作用规律制成了验电器;避雷针是利用导体的性质来工作的;同名磁极相互排斥,异名磁极相互吸引,指南针能指示一定的方向就是由于受到了磁力的作用,故C错误;D、灯泡短路,无电流通过灯泡,灯泡不发光;电压表相当于与导线并联无示数;电路有较大电流通过,电流表有示数.如果灯泡开路,无电流通过灯泡,灯泡不发光;电压表串联在电路中测量电源电压有示数;电流表几乎无电流通过无示数.如果变阻器开路,整个电路处于开路状态,灯泡不亮,电流表无示数,电压表无示数,故D正确.故选:D.【分析】(1)根据声音的三个特征分析;乐音的三个特征是:响度、音调、音色.(2)根据串并联电路中电流、电压、电阻的特点分析;(3)根据电荷、磁极间的相互作用规律分析;(4)电路故障有两种,短路和断路.根据电流表和电压表的作用分析故障原因.7.对以下物理现象的分析正确的是()A. 甲图中,敲响音叉后用悬吊着的乒乓球接触正在发声的音叉叉股,乒乓球会被弹起,说明发声的音叉在振动B. 乙图中,从漏斗口向下用力吹气时,乒乓球上部空气流速大、压强大,于是产生一个向上的压力差,将乒乓球托起C. 丙图中,从上面倒水,下面无瓶盖时乒乓球不能上浮,盖住瓶盖乒乓球能上浮,说明只要有大气压的存在就不能产生浮力D. 丁图中,光在光导纤维中传播时,反射角可能不等于入射角【答案】 A【解析】【解答】音叉发出声音时,乒乓球会被弹开,说明发声的音叉在振动,A符合题意;当从漏斗口向下用力吹气时,乒乓球上部空气流速增大、压强减小,乒乓球下面的压强不变,乒乓球下面的压强大于上面的压强,于是产生一个向上的压力差,将乒乓球托起.B不符合题意;当有水从乒乓球与瓶颈之间的缝隙中流出,乒乓球下面的水向下流,下表面受到的压力为0,上表面受到的水的压力不为0,受到的合力方向向下,所以乒乓球不能上浮;盖住瓶盖时,乒乓球浸没水中,乒乓球受到浮力的作用(水对乒乓球产生了向上的压力差),浮力大于重力,所以乒乓球将上浮,C不符合题意;根据光的反射定律可知,反射角一定等于入射角,D不符合题意;故答案为:A。
2023中考物理一轮复习声现象(含答案)一、选择题1.(2022•襄阳)2022年6月5日,我国神舟十四号载人飞船发射成功时,地面指挥中心顿时掌声雷鸣。
“掌声雷鸣”是指声音的()A.音调高B.响度大C.音色美D.传播速度快2.(2022•鄂州)清晨,一阵闹铃声将你从睡梦中唤醒,提醒你:该起床了!关于声音,下列说法正确的是()A.声音是由物体的振动产生的B.物体不振动也可以发声C.声音能在真空中传播D.声速等于光速3.(2022·天津)音乐会上,艺术家们用编钟、二胡和古筝等乐器演奏乐曲《春江花月夜》。
听众能够分辨出不同乐器的声音,是根据声音的()A.响度B.音调C.音色D.速度4.(2022•湖北)如图,盲人用手杖敲击不同的盲道导航地砖辨别不同的信息,下列说法正确的是()A.地砖发声是由地砖振动产生的B.声音在空气中传播的速度是3×108m/sC.用大小不同的力敲击同一块地砖产生声音的音调不同D.导航地砖主要是利用声音传递能量5.(2022•荆州)中国龙舟公开赛荆州站在古城东门外九龙渊举行,比赛场景如图所示。
下列说法正确的是()A.鼓手敲击鼓面越快,鼓声的响度越大B.鼓声的响度越大,鼓声在空气中传播的速度也越大C.选手能从现场各种声音中分辨出鼓声,是通过音色来辨别的D.选手听到鼓声齐心划船,说明声波能传递能量6.(2022·天津)如图所示,是我国春秋战国时代的乐器——编钟,如果用大小不同的力敲击同一个钟,改变了乐音的()A.音色B.音调C.响度D.速度7.人工智能已广泛应用于各个领域,声纹锁将声纹识别应用于门禁系统,实现传说中芝麻开门的神话。
它建立在声纹识别技术的基础之上,这种声纹锁辨别声音的主要依据是()A.音调B.响度C.音色D.音调和音色8.下列日常用语中所讲的“高”指音调的是()A.引吭高歌 B.不敢高声语C.男高音歌唱 D.请勿高声喧哗9.(2022•武汉模拟)下列下列四幅图中,关于声现象的描述错误的是()A.图甲中,人说话时声带在振动,表明声音是由物体振动产生的B.图乙中,用相同的力从左向右依次敲击玻璃瓶,发出声音的音调逐渐变高C.图丙中,倒车雷达利用了电磁波传递信息D.图丁中,武汉鹦鹉洲大桥桥头的“隔音蛟龙”是从“阻断噪声传播”的方面着手控制噪音10.看电视时,奶奶要小明调一下音量,从声音的特性看这里调的“音量”是指()A.音调B.响度C.音色D.音调响度音色11.(2022•江汉区校级模拟)下列与声现象有关的说法,不正确的是()A.禁鸣喇叭是在声源处减弱噪声B.看电视时调节音量改变的是声音的响度C.“隔墙有耳”说明声音可以在固体中传播D.地球上的学生听到太空王亚平的声音是靠声波传回地球的12.下列所给的成语,是描述声音响度的是()A.①②B.③④C.②③D.①③13.下列四幅图中,关于声现象的描述错误的是()A.图甲中,拨动张紧的橡皮筋,橡皮筋变“粗”了,说明发声的物体在振动B.图乙中,保持吹气力度不变,向下拉活塞,哨子发出的音调越低C.图丙中,汽车上倒车雷达利用次声波探测车后障碍物D.图丁中,穿过北京动物园的“隔音蛟龙”能有效地阻断噪声传播14.为了使教室内的学生免受环境噪声干扰,下面这些做法有效的是()A.老师讲话声音大一些,提高声音的响度B.每个学生都带一个防噪声的耳罩,防止噪声进入人耳C.在教室周围植树,阻断部分噪声传播D.教室内安装噪声监测装置,防止噪声产生15.男中音放声歌唱,女高音小声伴唱.下列说法正确的是( )A.男中音响度大、音调高B.男中音响度小、音调低C.女高音响度小、音调低D.女高音响度小、音调高16 吉他在使用前需要通过调弦将音调调节标准。
中考物理总复习《声现象》专项练习题-附参考答案学校:___________班级:___________姓名:___________考号:___________一、单选题1.关于声现象,下列说法正确的是()A.声音只能在空气中传播B.声音的高低称为响度,通常以分贝为单位C.声速超过340m/s的声音,称为超声波D.在校园周围植树能减弱校外传来的噪声2.关于声现象,下列说法正确的是()A.鼓发声时,鼓面并不振动B.施工现场的工人们戴耳塞是在人耳处减弱噪声C.噪声强度显示仪是用来减弱噪声的D.共鸣现象可以在真空中出现3.长沙交响乐团演奏湖南民歌《浏阳河》,献礼建党100周年。
关于其中的声现象,下列说法正确的是()A.吹笛子时,手指按压不同的笛孔是为了改变音色B.钢琴、竹笛发出的声音音色不同C.敲击鼓面的节奏越快,鼓声传播得就越快D.只要物体振动,人们就能听到声音4.汽车在行驶过程中,车内乘客会听到来自多方面的噪声,如发动机噪声、胎噪、风噪等等,高档汽车采取加装隔音棉、安装隔音玻璃的降噪措施,这是()A.在声源处减弱噪声B.在传播过程中减弱噪声C.在人耳处减弱噪声D.多种降噪法并举5.如图所示的是古代青铜“鱼洗”,注入半盆水后,用双手搓把手,会发出哈嗡声,盆内水花四溅,传说众多“鱼洗”发出的声音能汇集成千军万马之势,曾吓退数十里外的敌军。
下列分析中不正确的是()A.发出嗡嗡声的声源是“鱼洗”B.“水花四溅”说明声音具有能量C.众多“鱼洗”发出的声音能吓退敌军说明声音可以传递信息D.众多“鱼洗”发出的声音汇集是增大了声音的振动频率A.声音在铜中传播得最慢B.声音在空气中的传播速度为340m/sC.声音在固体中比在液体中传播得快D.声速大小与介质的温度、种类有关7.有一根长100米的空心钢管,甲同学在一端敲打钢管一下,乙同学在钢管的另一端可以听到()A.一次敲击声B.两次敲击声C.三次敲击声D.四次敲击声8.如图所示,在筷子上捆一些棉花,做一个活塞,用水蘸湿棉花后插入两端开口的竹管中,用嘴吹竹管的上端,可以发出悦耳的哨音。
中考第一轮复习单元检测题(声现象)(考试用时:60分钟满分:100分)一、去伪存真(单项选择,每小题3分,共48分)1.下列措施属于在传播过程中阻断噪声的是()A.摩托车安装消声器B.纺织工人戴防噪声耳罩C.城市道路旁安装隔声板D.放鞭炮时捂耳朵2.下列关于“声现象”的说法正确的是()A.“禁止鸣笛”是为了阻断噪声的传播 B.“隔墙有耳”说明声音能在固体中传播C.“闻其声而知其人”主要是依据声音的响度来判断的D.“不敢高声语,恐惊天上人”中的“高”是指声音的音调高3.钓鱼时不能大声喧哗,因为鱼听到人说话声就会被吓走,这说明()A.声音从空气传入水中,音调发生了变化 B.只有空气能传播声音C.声音在水中的速度比在空气中的速度小 D.空气和水都能传播声音4.关于声现象,下列说法中正确的是 ( )A.只要物体振动,我们就一定能听到声音B.声音在不同介质中传播速度相同C.市区内某些路段“禁鸣喇叭”,这是在声音传播过程中减弱噪声D.我们能分辨出不同乐器发出的声音,主要根据它们发声的音色不同5.如图1所描述的声音具有的共同点是()A.声音的音调是相同的B.声音的音色是相同的C.都是由物体振动发出的声音D.都是噪音图1A.声音的音调是相同的B.声音的音色是相同的C.都是噪音D.都是由物体振动发出的声音6.以下利用了超声波的发射来获取信息的是()A.大象的“声音”交流B.蝙蝠的“回声”定位C.外科医生对结石病人的“超声”排石D.站在天坛中央说话,会感到声音特别洪亮7.下列对声的应用实例中,主要利用声波传递能量的是()A.有经验的瓜农根据拍击西瓜发出的声音就能判断西瓜的生熟B.医生用听诊器可以了解病人心脏跳动的情况C.利用声纳测海深D.利用超声波来清洗精细的机械8.用二胡、吉它、笛子三种乐器演奏同一首曲子,我们在隔壁房间仍能分辨出是哪种乐器演奏的,这主要是依据声音的()A.音调B.音色C.音速D.响度9.下列有关声的说法中正确的是()A.只要物体振动,我们就能听到声音B.考场周围禁鸣喇叭是在人耳处减弱噪音C.“听诊器”能使人的心脏振动幅度增大,音调升高D.用超声波能击碎人体内的结石,说明声波具有能量10.下列对声现象的解释正确的是()A.我们能分辨出不同乐器发出的声音,是因为它们的响度不同B.月球上没有空气,宇航员只能通过无线电交谈,说明真空不能传声C.利用声呐探测海底的深度,是因为声音可以传递能量D.摩托车上安有消声器,这是在传播过程中减弱噪声11.2011年3月11日发生在日本的强烈地震造成了大量人员伤亡及财产损失,下列说法中,你认为错误..的是()A.地震时伴有次声波产生B.地震时会产生地震波,这种地震波不能在真空中传播C.地震时产生的地震波不是由物体振动产生的D.受灾人员通过呼喊和敲击方式求救主要是利用声音可以传递信息12.以下关于声音的说法,符合实际情况的是( )A.真空能传播声音B.令人心烦意乱的声音就是噪声C.秋天,蝉趴在树上某个地方也能发出叫声,说明发出声音时物体不需要振动D.人们利用声纳技术可以探测海洋的深度,说明声音只能传递信息而不能传递能量13.假如你以后登上月球后,你所做的那个实验,不能像在地球上一样进行的是()A.用刻度尺测长度 B.用放大镜看细小物体C.用平面镜改变光的传播路径 D.用小锤敲击音叉可听到音叉发出的声音14.下列与声现象有关的说法中正确的是()A.城市道路旁的隔音板是在人耳处减弱噪声B.B超是利用了声音可以传递信息C.我们听不到蝴蝶翅膀振动发出的声音是因为响度太小D.声音在空气的速度一定是340m/s15.关于声现象下列说法正确的是( )A 物体只要在振动,我们就一定能听到它发出的声音B 中考期间学校周围路段禁止鸣笛,这是在声音的传播中减弱噪声C 声波可以用来清洗钟表等精细机械,这是利用声波可以传递能量的性质D 声音在真空中传播速度最快16.家住三楼的王琴早上醒来,听到同学李娟在楼下喊她一起上学。
声现象一、选择题1. (2016海南)编钟是我国春秋战国时期的打击乐器,用相同力度敲击大小不同的编钟时,发出的声音具有不同的()A.音调 B.响度 C.音色 D.声速【答案】A2. (2016河源)下列与声现象有关的说法中不正确的是()A.宇航员之间在太空中不能直接对话,是因为真空不能传声B.高速公路两旁的隔音板可防止噪声的产生C.只有主人说出暗语时才能打开“声纹锁”,其辨别声音的主要依据是音品D.汽车安装的倒车雷达是利用超声波工作的【答案】B3.(2016巴中)关于声现象,下列说法错误的是()A.一切发声体都在振动B.声音在真空中传播的速度为3×108 m/sC.教室周围植树可以减弱噪声D.看电视时调节音量是为了改变声音的响度【答案】B4.(2016镇江)我们很空易分辨出熟人的声音,主要根据声音的()A.响度B.音色C.音调D.传播速度【答案】B5.(2016枣庄)下列关于声现象的说法中,正确的是()A.声波在真空中的传播速度等于340 m/sB.声波可以传递信息,不可以传递能量C.“引吭高歌”中的“高”是指歌曲的音调高D.“女高音”中的“高”是指声音的频率高答案:【答案】D6. (2016厦门)以下措施中,从传播过程中减弱噪声的是()A.厦门岛内禁止燃放烟花爆竹B.鼓浪屿禁止商家导游使用扩音器C.地铁施工时给机器加润滑油D.部分BRT路段两侧设有透明板墙【答案】D7.(2016乌鲁木齐)上课时,老师听不清楚后排一位同学的发言,走近这位同学后就听清楚了。
这主要是因为老师走近这位同学后接收到该同学声音的()A.音调变高B.音调变低C.响度变大D.响度变小【答案】C8.(2016湖北)某电视台举办了这样一套综艺节目:众多知名歌手戴着各种面具蒙着脸在舞台上演唱自己从未唱过的歌,观众只凭声音来猜测演唱的是哪一位歌手。
由于歌手故意将自己的声音进行了“包装”,观众猜测的难度较大。
节目中,观众往往容易猜出自己最熟悉的歌手,是因为观众熟悉歌手唱歌时发出的声音的()A.音调B.频率C.响度D.音色【答案】D9. (2016龙东)下列声现象中,能说明声音的传播需要介质的是()A.蝙蝠靠超声波发现昆虫B.倒车雷达C.超声波清洗机D.真空罩中的闹钟【答案】D10. (2016东营)关于声现象,下列说法正确的是()A.“公共场所不要大声喧哗”是要求人们说话音调放低些B.用泡沫盒罩住发声体减弱噪声的做法是控制噪声的产生C.外科医生利用超声波振动除去人体内的结石是利用了声音能传播信息D.声音在不同介质中的传播速度一般不同【答案】D11. (2016陕西)图示为我国民族吹管乐器——唢呐,用它吹奏名曲《百鸟朝凤》时,模仿的多种鸟儿叫声悦耳动听,让人仿佛置身于百鸟争鸣的森林之中。
一、初中物理声现象问题求解方法1.下列关于声音的说法中不正确的是A.“隔墙有耳”说明固体也能传声B.“闻其声而知其人”主要根据音色来判断的C.“震耳欲聋”说明声音的音调高D.引吭高歌说明声音的响度大【答案】C【解析】【分析】本题考查声音的有关知识。
【详解】A.声音可以在固体、液体和气体中传播,“隔墙有耳说”明固体可以传播声音,故A正确,不符合题意;B.不同的人发出声音的音色不同,“闻其声而知其人”主要根据音色来判断的,故B正确,不符合题意;C.“震耳欲聋”说明声音的响度大,而不是音调高,故C错误,符合题意;D.“引吭高歌”中的“高”是指声音的响度大,故D正确,不符合题意。
2.医生给病人检查身体时,经常使用到听诊器,可以听到心脏跳动发出的微弱声音。
下列说法中正确的是()A.我们平时不能听到心跳的声音,因为这个声音属于次声波B.听诊器增大了心脏的振幅,从而增大了声音的响度C.听诊器是利用了固体可以传声的原理D.医生可以判断病人的病情,是因为声音可以传递信息【答案】D【解析】【详解】A.我们平时不能听到心跳的声音,是心跳声音的强度太弱,故A错误;BC.听诊器前端实际是一个面积较大的膜腔,被体检者体内的声波振动后,听诊器内的密闭气体随之震动,传到耳塞的一端,由于腔道狭窄,气体的震幅就比前端要大很多,医生听到传来的声音也就大了很多,故BC错误;D.医生是根据声音传递信息来判断病人的病情,故D正确。
3.某校于2018年3月13日举行了“诵读经典致敬大师”为主题的诵读比赛.下列说法正确的是A.诵读声是空气振动产生的B.诵读声一定不是噪音C.使用话筒可以提高声音的音调D.诵读声是通过空气传进观众耳朵的【答案】D【解析】【分析】(1)一切正在发声的物体都在振动.(2)声音的传播需要介质.(3)音调是指声音的高低,由频率决定;响度是指人耳感觉到的声音的强弱或大小.(4)在日常生活中,凡是影响人们工作,生活休息及干扰需要听到的声音都是噪声.【详解】A.诵读声是由学生声带振动产生的,故A错误;B.诵读声是优美动听的,但对于需要休息的人来说是一种噪音,故B错误;C.使用话筒可以提高声音的响度,故C错误;D.诵读声是通过空气传进观众耳朵的,故D正确.4.在演示声音是由物体的振动发生的实验中,将正在发声的音叉紧靠悬线下的泡沫塑料球,球被多次弹开。
在此实验中,泡沫塑料球的作用是()A.使音叉的振动尽快停下来B.使音叉的振动时间延长C.将音叉的微小振动放大,便于观察D.使声波多次反射,形成回声【答案】C【解析】【分析】声音是由物体振动产生的,但这种振动往往不易观察,需要将实验效果进行“放大”;“转换法”是中学物理中一种重要的研究方法,可以借助某些物体的特性来研究看不到或不易观察到物质,形象直观,据此判断。
【详解】正在发声的音叉与不发声的音叉的区别在于:正在发声的音叉在振动,而不发声的音叉没有振动;由于音叉振动的幅度过小,人眼无法直接观察和区分,所以用“转换法”将这个实验效果进行放大;当把悬挂的泡沫塑料球紧靠在正在发声的音叉上时,音叉的振动将泡沫塑料球弹开,即把音叉的微小振动放大成泡沫塑料球的振动,以便于观察和进一步的研究;故选C。
5.在“哈夏音乐会”上,一男低音歌唱家小聪在放声歌唱时,一女高音歌唱家小明在轻声伴唱.下列声音波形图中能够正确反映上述男、女歌唱家歌唱时的声音特征的是(纵坐标表示振幅,横坐标表示时间)( )A.B.C.D.【答案】C【解析】【分析】男低音歌唱家小聪在放声歌唱,低音指音调低,即频率低;放声歌唱,指响度大,则振幅大;女高音歌唱家小明在轻声伴唱,高音指音调高,即频率高;轻声伴唱,指响度小,则振幅小;【详解】A.男低音振幅小,女高音振幅大,不正确;B.男低音频率高,女高音频率低,不正确;C.男低音振幅大、频率低,女高音振幅小、频率高,正确;D.男低音振幅小、频率高,女高音振幅大、频率低,不正确;故选C。
6.已知月球对物体也有引力,“嫦娥四号”月球探测器的成功登陆月球,标志着中国人实现“奔月”的梦想将成为现实,试分析,下列哪种活动在月球上不可实现A.利用录音机录下自己的歌声B.利用凸透镜探究成像规律C.利用天平测物体的质量D.利用弹簧测力计测物体的重力【答案】A【解析】【分析】【详解】A.在月球上利用录音机录下自己的歌声不能实现,因为声音传播靠介质,月球上是真空,声音不能传播,所以不能利用录音机录下自己的歌声,故A符合题意;B.在月球上利用凸透镜探究成像规律可以实现,因为光能在真空中传播,所以能利用凸透镜探究成像规律,故B不符合题意;C.在月球上利用天平测物体的质量可以实现,因为天平是根据杠杆平衡条件工作的,月球上也有引力,只要有引力就能利用天平称物体的质量,故C不符合题意;D.在月球上利用弹簧测力计测物体的重力可以实现,因为弹簧测力计能测量力的大小,月球上存在重力,所以可以用弹簧测力计测量物体重力,故D不符合题意。
故选A。
7.关于声现象下列说法正确的是()A.“掩耳盗铃”的寓言故事中,讲述的是在声源处减弱噪声B.吹奏笛子时,演奏者用手指按住不同气孔,是为了改变发出声音的响度C.两名宇航员在太空中不能直接对话,是因为声音不能在真空中传播D.听声辨人主要是由于声音的响度不同【答案】C【解析】【详解】A.“掩耳盗铃”中的“掩耳”是在人耳处减弱噪声,故A错误;B.吹奏笛子时,演奏者抬起压在不同出气孔上的手指,是为了改变振动的空气柱的长度,即改变空气柱振动的快慢,故是为了改变音调,故B错误;C.太空中没有空气,而真空不能传声,因此两名宇航员在太空中不能直接对话,是因为声音不能在真空中传播,故C正确;D.每个发声体的音色是不同的,听声就能辨人是由于声音的音色不同,故D错误。
故选C。
8.我国一艘潜艇在执行任务时在水面下某处静止不动,声呐系统发现在正前方3.8 km处有一艘不明潜艇匀速驶来。
声呐系统立刻再次发出超声波,经过5.0s后接收到反射回来的声波。
声呐系统接收到声波后立刻向不明潜艇发射直线运动的鱼雷,已知超声波在海水中的传播速度是1500 m/s,鱼雷的平均速度是80 m/s。
求:(1)不明潜艇行驶的速度;(2)鱼雷命中不明潜艇的时间。
【答案】(1)20m/s;(2)37s【解析】【分析】【详解】(1)不明潜艇第二次接收到超声波时据我方潜艇的距离为1115s1500 m/s=3750m2s v t==⨯不明潜艇行驶的速度为13800m3750m==20m/s5s2s vt -=不明潜艇不明潜艇不明潜艇行驶的速度20m/s。
(2)鱼雷与不明潜艇相向而行,其相对速度为20m/s+80m/s=100m/s从第二次超声波接触到不明潜艇,至第二次超声波返回我方潜艇,不明潜艇前进的距离为2220m/s 2.5s=50ms v t==⨯不明潜艇发射鱼雷时两艇的相对距离为3750m-50m=3700m鱼雷命中不明潜艇的时间为3333700m==37s100m/sstv=鱼雷命中不明潜艇的时间为37s。
答:(1)不明潜艇行驶的速度20m/s;(2)鱼雷命中不明潜艇的时间为37s。
9.长沙市为了督促司机遵守限速规定,交管部门在公路上设置了固定测速仪。
如图所示,汽车向放置在路中的测速仪匀速驶来,测速仪向汽车发出两次超声波信号,第一次发出信号到接收到反射回来的信号用时0.5s,第二次发出信号到接收到反射回来的信号用时0.4s。
若测速仪发出两次信号的时间间隔是0.9s,超声波的速度是340m/s,求:(1)汽车接收到第一次信号时,距测速仪多少米?(2)汽车两次接收到信号时位置相距多少米?(3)在该测速区内,汽车的速度是多少?【答案】(1)85m;(2)17m;(3)20m/s【解析】【详解】(1)第一次发出信号到测速仪接收到信号用时0.5s,所以第一次信号到达汽车的时间为0.25s,由v=st可得汽车接收到第一次信号时,汽车距测速仪:s1=v声t1=340m/s×0.25s=85m;(2)第二次发出信号到测速仪接收到信号用时0.4s,所以第二次信号到达汽车的时间为0.2s,汽车接收到第二次信号时,汽车距测速仪:s2=v声t2=340m/s×0.2s=68m;汽车两次接收到信号时位置相距(即汽车行驶的距离):s′=s1−s2=85m−68m=17m;(3)汽车行驶这17m共用的时间:t′=△t−t1+t2=0.9s−0.25s+0.2s=0.85s,所以汽车的车速为:v′=st''=17m0.85s=20m/s。
答:(1)汽车接收到第一次信号时,距测速仪85米;(2)汽车两次接收到信号时位置相距17米;(3)在该测速区内,汽车的速度是20m/s。
10.学习吉他演奏的过程中,小华发现琴弦发出声音的音调高低是受各种因素影响的,他决定对此进行研究。
经过和同学们讨论,提出了以下猜想:猜想一:琴弦发出声音的音调高低,可能与琴弦的横截面积有关。
猜想二:琴弦发出声音的音调高低,可能与琴弦的长短有关。
猜想三:琴弦发出声音的音调高低,可能与琴弦的材料有关。
为了验证上述猜想是否正确,他们找到了下表所列9种规格的琴弦进行实验。
(1)为了验证猜想一,应选用编号为_______________的琴弦进行实验。
(2)为了验证猜想二,应选用编号为_______________的琴弦进行实验。
(3)表中有的材料规格还没填全,为了验证猜想三,必须知道该项内容。
请在表中填上所缺数据_____,___。
(4)随着实验的进行,小华又觉得琴弦音调的高低,可能还与琴弦的松紧程度有关,为了验证这一猜想他还需进行操作是__________________。
【答案】ABC ADF 80 1.02 选定某一根琴弦,调节它的松紧程度,比较音调是否变化【解析】【详解】(1)[1]为了验证猜想一,即要保证材料和长度相同,横截面积不同,观察编号A、B、C的数据,它们的材料都是铜,长度都是60cm,横截面积不同,这三种规格的琴弦符合要求;(2)[2]为了验证猜想二,即要保证材料和横截面积相同,长度不铜,观察编号A、D、F的数据,它们的材料都是铜,横截面积都是0.76 mm2,长度不铜,这三种规格的琴弦符合要求;(3)[3][4]为了验证猜想三,即要保证长度和横截面积相同,材料不同,观察G、H可知,它们长度都是80cm,横截面积都是1.02 mm2,一个是钢材料,另一个是尼龙材料,此时编号E材料是铜,只要长度也是80cm,横截面积也是1.02 mm2即可验证猜想三;(4)[5]为了验证这一猜想,他需要选定某一根琴弦,调节它的松紧程度,比较音调是否变化。
11.在探究声音的产生与传播时,小明和小华一起做了下面的实验:(1)如图①所示,用悬挂着的乒乓球接触正在发声的音叉,可观察到________,它说明了________.此探究中悬挂着的乒乓球的作用是________.(2)如图②所示,为了验证(1)中的探究结论,小华同学用手使劲敲桌子,桌子发出了很大的声响,但他几乎没有看到桌子的振动,为了明显地看到实验现象,你的改进方法是:________.(3)如图③所示,敲响右边的音叉,左边完全相同的音叉也会发声,并且把泡沫塑料球弹起.该实验能说明________可以传声.(4)如图④所示,把正在响铃的闹钟放在玻璃罩内,逐渐抽出其中的空气,将听到________,并由此推理可知:________.【答案】乒乓球弹跳起来发声的物体在振动将音叉的振动放大在桌面上撒一些纸屑空气铃声越来越小真空不能传声【解析】【分析】【详解】(1)用悬挂着的乒乓球接触正在发声的音叉,可观察到乒乓球弹跳起来;它说明发声体在振动;音叉的振动不能直接观察,乒乓球起的作用是将音叉的振动放大,更容易直观观察;(2)桌子是较大的物体,发声振动不易观察,可转换成桌面上小纸屑的振动,所以可在桌子上放一些小纸屑;(3)敲击右面的音叉,左面的小球跳起来了,说明空气可以传声;(4)瓶内空气越来越少,声音就越来越小,是声音传播的物质(空气)逐渐减少造成的,由此可以推出:真空不能传声.12.如图所示,用手拨动塑料尺(1)发出的声音是由塑料尺_____产生的(2)如图a所示,用较小的力轻拨塑料尺;如图b所示,用较大的力重拨塑料尺.从a到b,塑料尺发出声音的_____变大(3)如图c到图d,拨塑料尺的力不变,使塑料尺伸出桌面的长度变长,用仪器测得c图实验声音为1.3×10■,d图实验声音为1.2×102■,两个数据的单位是_____可见随着塑料尺伸出桌面的长度变长,发出声音的_____变小(4)如图c到图f,拨塑料尺的力不变,塑料尺伸出桌面的长度不变,在塑料尺右端开小孔,开孔前后、两次发声的波形图象如图所示.可见结构的不同,会导致发出声音的_____改变.【答案】振动响度 Hz 音调音色【解析】【分析】【详解】(1)声音由振动产生,所以塑料尺发出的声音是由塑料尺振动产生的;(2)如图a所示,用较小的力轻拨塑料尺;如图b所示,用较大的力重拨塑料尺,即两次尺子伸出桌面的长度相同,尺子的振动幅度不同,振幅决定响度,所以从a到b,塑料尺发出声音的响度变大;(3)如图c到图d,拨塑料尺的力不变,使塑料尺伸出桌面的长度变长,用仪器测得c图实验声音为1.3×102,d图实验声音为1.2×102,两个数据的单位是Hz,即声音振动的频率,频率决定音调,所以可知随着塑料尺伸出桌面的长度变长,发出声音的音调变低;(4)如图c到图f,拨塑料尺的力不变,塑料尺伸出桌面的长度不变,在塑料尺右端开小孔,开孔前后、两次发声的波形图象如图所示,产生的声音波形发生了细微的变化,这些波形的细微变化,决定的是声音的音色,所以可知结构的不同,会导致发出声音的音色改变.13.如图所示,四个相同的玻璃杯瓶内装有深度不同的水。