静压桩桩基工程自评报告
- 格式:doc
- 大小:79.00 KB
- 文档页数:9
静压桩质量评估报告一、前言静压桩是一种常见的桩基础形式,通常被用于建筑物、桥梁和其他土木工程项目的基础设施中。
在设计和施工过程中,静压桩的质量评估至关重要。
本文将介绍静压桩质量评估报告的主要内容和重要性。
二、报告内容1.施工过程记录由于静压桩的施工过程与周围环境和地形的关系密切,所以在施工过程中应该对每个静压桩进行详细的记录。
这些记录包括:(1)施工地点和日期(2)钢筋数量及型号(3)钢筋的直径和长度(4)混凝土配合比(5)桩身直径(6)施工过程中的质量控制记录2.静载试验结果静载试验是评估静压桩质量的一个重要步骤。
试验过程中需要记录以下内容:(1)试验时间和地点(2)施加在桩头的荷载(3)桩身变形(4)桩身的荷载-变形曲线通过分析以上数据,可以评估静压桩的力学性能和承载能力。
3.桩顶和桩侧负载试验结果除了静载试验外,还可以通过桩顶和桩侧负载试验来评估静压桩的质量。
这些试验数据也应该被记录下来并分析。
4.超声波测试结果超声波测试是评估静压桩质量的另一种非常有效的方式。
测试需要使用专业的超声波探测器,通过测量超声波在混凝土中的传播速度和反射来确定静压桩的质量。
5.破坏试验结果在静压桩的评估过程中,破坏试验也是必不可少的。
通过破坏试验,可以确定具体的桩身承载能力,检验静压桩的钢筋和混凝土的质量。
三、报告重要性静压桩质量评估报告的重要性在于:1.确保静压桩的质量在建筑物和其他土木工程中,静压桩作为一种重要的基础设施,必须具备良好的质量。
通过报告可以及时地评估桩的质量,避免因桩基础问题导致的倒塌和事故。
2.提高建筑安全性静压桩在工程中承受巨大的荷载,如果桩的质量差,将会影响整个工程的安全性。
报告的存在将确保静压桩的质量得到充分的评估,从而提高建筑安全性。
3.帮助设计师和施工人员提高工作质量通过记录和分析施工过程和静载试验结果,设计师和施工人员可以了解静压桩的实际施工情况和承载能力,并根据报告的分析结果来优化设计和施工方案。
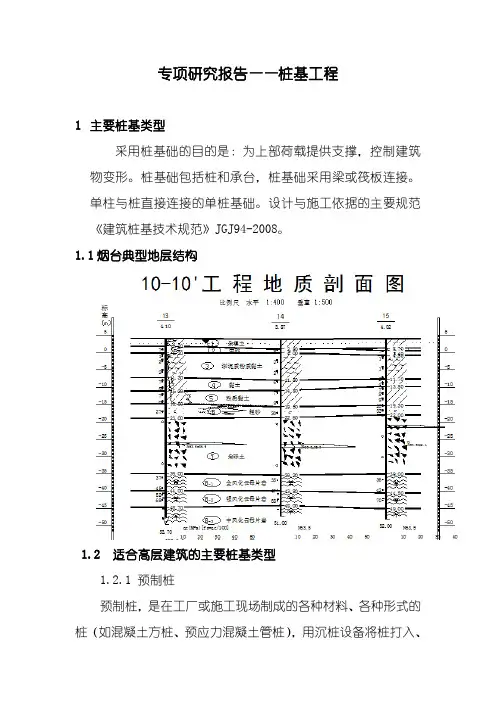
专项研究报告——桩基工程1主要桩基类型采用桩基础的目的是:为上部荷载提供支撑,控制建筑物变形。
桩基础包括桩和承台,桩基础采用梁或筏板连接。
单柱与桩直接连接的单桩基础。
设计与施工依据的主要规范《建筑桩基技术规范》JGJ94-2008。
1.1烟台典型地层结构1.2 适合高层建筑的主要桩基类型1.2.1 预制桩预制桩,是在工厂或施工现场制成的各种材料、各种形式的桩(如混凝土方桩、预应力混凝土管桩),用沉桩设备将桩打入、压入或振入土中。
属于挤土类桩,沉桩靠静压或锤击。
桩径一般为400mm、500mm、600mm,最小桩间距一般为3.5~4.0倍桩径。
主要作为承重桩,能提供较大的竖向承载力,但一般不做为抗拔桩使用,防腐能力较差。
适合的土层:软~硬塑的黏性土、稍密以下的砂土,全风化岩层。
较难穿过的土层:坚硬土层,如密实的砂土、角砾,坚硬的黏土,土层坚硬时需要引孔。
1.2.2钻孔灌注桩灌注桩是指在工程现场通过机械钻孔在地基土中形成桩孔,并在其内放置钢筋笼、灌注混凝土而做成的桩。
依照成孔方法不同,灌注桩又可分为钻孔灌注桩、挖孔灌注桩和沉管灌注桩等。
一般为非挤土桩,最小桩间距一般为3倍桩径。
即可做承重桩,也可作为抗拔桩、支护桩。
适用范围广(多层~超高层),深度易于调整,历史悠久,钻机钻头多样(钻土、钻岩),桩径变化大,从400~3000mm,泥浆护壁钻孔灌注桩宜用于地下水位以下的黏性土、粉土、砂土、填土、碎石土及风化岩层。
特点:旋挖成孔灌注桩单机效率高,20m长桩一般每天可成桩4~6棵;一般的回转钻机施工效率低,30m长的桩每日可成桩1~2棵,可以多上机械。
缺点是泥浆污染多;优点是适用性广,深度可调整,无振动。
2 常用施工方法2.1 预制桩成桩机械分为静压桩机和锤击桩机。
预制桩工程施工一般工序:场地三通一平——试桩(规范要求乙级以上桩基要做)——购买预制好的桩——测量放线——调平机械——沉桩——接桩——沉桩至桩底(标高或贯入度控制)——桩基检测验收。
xxxxxx桩基工程桩基验收自评报告审核人:编制人:xxxxxx工程有限公司年月日预应力方桩基础工程自评报告一、前言1、本自评报告针对的是xxxxxxx工程共计根桩。
2、自评报告书以施工记录、施工日记及分项工程质量评定资料为基础,根据施工保证资料及技术资料进行编写。
3、本自评报告编写做到评估意见客观、公正、真实;对施工过程作出综合描述;能反映工程的主要质量状况。
二、工程概况1、工程名称:2、建设单位:3、监理单位:4、设计单位:5、施工单位:6、勘察单位:7、监督机构:8、工程规模:本静压预应力桩基础工程设计桩型为PHS-AB450(260)总共根,钻孔灌注桩根,共计根桩。
三、编写依据:●《建筑桩基技术规范(JGJ94-2008)》●《建筑地基基础技术规范(DB42/242-2003)》●《建筑地基基础工程施工质量验收规范(GBJ50202-2002)》●《预应力混凝土方桩基础技术规程(DB42/489-2008)》;●《预应力混凝土方桩图集(10G409)》●《气体保护焊用钢丝(GB/T14598)》四、工程地质条件拟建场地位于xxxxxxx,地质情况具体详见勘察报告书Xxxxxxx设计院有限责任公司提供的《xxxxxxxx桩基工程桩基工程勘察报告》。
五、设计要求本工程采用先张法预应力混凝土方桩PHS-AB450(260),采用静压法沉桩。
单桩竖向承载力特征值Ra=2400KN,桩端进入持力层深度不小于12M,桩混凝土强度等级为C80。
设计桩长约为25米,其桩长控制以油压值控制为主。
钻孔灌注桩单桩竖向承载力特征值Ra=2400KN,桩混凝土强度等级为C40.设计桩长约为20米.桩端进入持力层为第7层细砂层。
六、成桩工艺及质量管理(一)成桩工艺(1)桩位放样:根据建设单位提供的红线图和设计单位提供的设计图纸放样,先放轴线样,用木桩做出标记,并在四周不受施工影响不易被破坏的位置设控制点和控制线,复核后再放细样,放样后在每个桩位中心打一根短钢筋,并绑有红绳子标志明显,考虑到桩机和吊车行走时可能会挤动预埋钢筋,当桩机大体到位后重新检查细样的准确性。
桩基工作总结自我批评在过去的一段时间里,我有幸参与了一些桩基工作项目,这些经历让我有了很多收获和体会。
在此,我想对自己进行一次总结和自我批评,以期能够更好地提升自己在桩基工作中的能力。
首先,我要承认自己在桩基工作中存在一些不足之处。
首先是在工作中的细节把握上,有时候我会因为粗心大意而忽略一些重要的细节,导致工作出现了一些小问题。
其次是在团队合作方面,有时候我会因为个人意见而与团队产生一些分歧,这对项目的进展产生了一定的影响。
最后是在技术能力方面,我还有很多需要提升的地方,需要更加深入地学习和掌握桩基工作的相关知识和技能。
然而,我也意识到了自己在桩基工作中的一些优点和成绩。
首先是对工作的热情和认真态度,我总是能够全身心投入到工作中,尽最大努力去完成每一个任务。
其次是在沟通协调方面,我能够与同事和客户进行有效的沟通,及时解决问题,保证项目的顺利进行。
最后是在学习进步方面,我会不断地学习和提升自己的专业知识和技能,以期能够更好地适应工作的需要。
在未来的工作中,我会更加努力地克服自己的不足,不断地提升自己的能力。
首先是在工作细节上,我会更加细心和认真,尽量避免因为粗心大意而导致的问题。
其次是在团队合作上,我会更加注重团队的利益,尽量避免个人意见对团队产生负面影响。
最后是在技术能力上,我会更加努力地学习和提升自己的专业知识和技能,以期能够更好地应对工作的挑战。
总的来说,桩基工作总结自我批评让我意识到了自己在工作中的不足和优点,也让我更加明确了未来的工作方向和目标。
我相信通过不断地努力和提升,我一定能够成为一名优秀的桩基工程师,为工程建设做出更大的贡献。
桩基工程自评报告一、项目概况我们团队参与的项目是桩基工程施工项目,该项目位于市区,总建筑面积约为XXXX平方米。
本项目于XX年X月X日启动,于XX年X月X日完工,总工期为XX天。
二、工程背景本项目是一座XX层高的建筑物,承受了较大的荷载压力。
为了确保建筑物的安全稳固,需要进行桩基工程施工。
桩基是通过将钢筋混凝土桩灌注到地下,以加固地基承重层,从而分散建筑物的荷载压力。
三、工程过程1.前期准备工作在项目启动之前,我们团队进行了详细的前期准备工作。
包括了确定施工方案、编制施工计划、调查地质情况、选择桩基类型等。
2.施工准备为了确保工程质量,我们对施工材料进行了全面的检查,对现场起重机械和设备进行了安全检查,确保施工过程中的设备使用安全可靠。
3.桩基施工我们采用了新一代的静力压桩机进行桩基灌注施工。
通过静力压桩机的作用,钢筋混凝土桩精确地灌注到地下。
我们严格按照设计要求进行施工,确保桩基的位置和深度符合要求。
4.监测和调整在桩基施工完成后,我们对桩基进行了监测。
通过专业的测量仪器,我们对桩基的垂直度、围护土压力、桩身应力等进行了全面的测量和分析。
在发现问题或不合格的情况下,我们及时进行调整和修复,以确保桩基工程的质量。
四、质量管理在整个桩基工程的施工过程中,我们严格按照质量管理体系进行操作,确保施工质量达到或超过设计要求。
具体操作包括:1.材料检验:对所有进场材料进行质量检验,确保材料质量符合施工标准。
2.施工工艺控制:按照施工标准和工序要求,确保每个工序的施工质量。
3.施工记录:记录每个施工环节的操作情况,包括施工时间、施工人员、使用的设备等。
4.质量问题处理:对施工过程中出现的质量问题,我们及时进行整改和修复,并记录整改措施和结果。
5.技术交底和培训:向施工人员进行技术交底和培训,确保他们理解施工要求,并掌握相应的施工技术。
五、安全管理在桩基工程的施工过程中,我们注重安全管理,确保施工过程安全可靠。
第1篇一、引言随着我国城市化进程的加快,高层建筑、桥梁、道路等基础设施项目日益增多,桩基础作为地基加固和承载的主要形式,其施工质量直接影响到工程的安全和使用寿命。
静压桩桩基施工技术因其施工过程中无噪音、无振动、无冲击力、无污染等优点,逐渐成为桩基础施工的热门选择。
本文将对静压桩桩基工程施工技术进行详细介绍。
二、静压桩桩基施工原理静压桩桩基施工技术是通过静力压桩机的压桩机构以压桩机自重和机架上的配重提供反力,将预制桩压入土中的沉桩工艺。
施工过程中,桩尖刺入土体,使原状土的初应力状态受到破坏,造成桩尖下土体的压缩变形,土体对桩尖产生相应阻力。
随着桩贯入压力的增大,当桩尖处土体所受应力超过其抗剪强度时,土体发生急剧变形而达到极限破坏,土体产生塑性流动或挤密侧移和下拖。
在地表处,粘性土体会向上隆起,砂性土则会被拖带下沉。
在地面深处,由于上覆土层的压力,土体主要向桩周水平方向挤开,使贴近桩周处土体结构完全破坏。
此时,桩身必然会受到土体的强大法向抗力所引起的桩周摩阻力和桩尖阻力的抵抗。
当桩顶的静压力大于沉桩时的这些抵抗阻力,桩将继续刺入下沉;反之,则停止下沉。
三、静压桩桩基施工流程1. 施工准备(1)现场调查:了解工程地质、水文地质条件,确定桩基施工方案。
(2)施工组织设计:编制详细的施工组织设计,明确施工流程、施工工艺、施工质量控制措施等。
(3)施工设备:准备静力压桩机、预制桩、施工车辆、测量仪器等设备。
(4)施工材料:准备混凝土、钢筋、水泥、砂石等施工材料。
2. 施工放样根据设计图纸,确定桩位,进行施工放样,确保桩位准确无误。
3. 预制桩运输和堆放将预制桩运输至施工现场,按照设计要求进行堆放,确保桩身稳定。
4. 静压桩施工(1)桩机就位:将静力压桩机移至桩位,调整桩机水平度和垂直度。
(2)桩机压桩:启动桩机,利用压桩机自重和机架上的配重将预制桩压入土中。
(3)施工监控:实时监控桩的贯入度、桩顶标高、桩身质量等参数,确保施工质量。
静压桩工程的质量控制静压桩是一种利用静力压桩机将桩压入地下的施工方法。
与其他桩基施工方法相比,静压桩具有无噪音、无振动、施工速度快、节约劳力等优点,因此被广泛应用于各类桩基工程中。
然而,如果施工质量控制不当,静压桩也容易出现一些质量问题,如断桩、桩顶碎裂等。
本文将探讨如何对静压桩工程进行质量控制。
一、施工前质量控制1、审查施工方案在施工前,应对施工方案进行审查,确保其符合设计要求和相关规范。
同时,还要对施工人员的资质和经验进行评估,确保其能够胜任施工任务。
2、检查设备和材料对静力压桩机、桩材、液压系统等设备和材料进行检查,确保其质量和性能符合要求。
同时,还要对设备的维护和保养情况进行检查,确保其正常运行。
3、场地准备对施工场地进行清理和平整,确保地面坚实、平整,无明显障碍物和地下管线等。
同时,还要进行桩位放样和标示。
二、施工过程中质量控制1、压桩顺序控制在压桩过程中,应按照先深后浅、先大后小的原则进行压桩。
同时,还要根据地质情况和周围环境等因素,合理安排压桩顺序,避免出现桩身倾斜、位移等问题。
2、压桩速度控制压桩速度不能过快,一般应控制在1m/min左右。
同时,还要注意观察桩身变化情况,避免因速度过快导致桩身损坏。
3、焊接质量控制在接桩过程中,应保证焊接质量。
焊接前应对焊缝进行清理,确保无杂质和水分。
同时,还要选择合适的焊接材料和工艺,确保焊缝强度和稳定性。
4、垂直度控制在压桩过程中,应保证桩身的垂直度。
可以通过调整静力压桩机的角度和位置来确保垂直度。
同时,还要定期对桩身进行测量,及时发现和纠正垂直度偏差。
5、应力控制在压桩过程中,应对桩身应力进行监测和控制。
如果发现应力过大或异常变化,应及时停止压桩并进行检查处理。
三、施工后质量控制1、验收在施工完成后,应对静压桩工程进行验收。
验收内容应包括桩位、桩身质量、压桩顺序、焊接质量等方面。
同时,还要对相关资料进行检查和整理,确保资料真实可靠。
2、维护和管理在验收合格后,应对静压桩工程进行维护和管理。
桩基工程施工方案编制单位:目录1.总体概述 (4)1.1 概况 (4)1.1.1 工程概况 (4)1.1.3 设计规定 (4)1.2 重要施工方案 (6)1.2.1 管桩验收 (6)1.2.2 桩位放样 .................... 错误!未定义书签。
1.2.3 压桩 (7)1.2.4 接桩 (9)1.2.5 压桩次序 (10)2.劳动力、机械设备和材料投入计划 (10)2.1 劳动力投入计划 (10)2.1.1 施工现场管理人员配置 (10)2.1.2 劳动力投入计划 (10)2.2 机械进场计划 (10)2.3 材料进场计划 (11)3.施工进度计划和各阶段进度旳保证措施 (11)3.1 施工进度计划 (11)3.2 各阶段进度旳保证措施 (11)4.施工现场平面布置和临时设施、临时道路布置 (12)5.质量保证体系和质量保证措施 (12)5.1 施工组织措施 (12)5.2 质量保证体系 (15)5.3 质量管理措施 (15)5.4 质量验收程序 (17)6.施工安全保证措施 (17)6.1 安全施工管理网络 (17)6.2 施工安全保证措施 (17)6.3 安全演习和事故汇报 (19)6.4 雨天施工措施 (19)7.现场文明施工措施 (20)8.环境保护措施 (21)9.团结协作,搞好施工 (21)10.工程竣工后旳工作 (22)10.1 桩基与土建单位旳交接 (22)10.2 整顿工程资料,编写竣工汇报........ 错误!未定义书签。
10.3 桩基工程竣工验收 (22)10.4 桩基工程竣工验收后旳服务与回访 (23)静压管桩施工工艺流程图 (24)施工管理网络图 (25)质量管理体系网络图 (26)安全管理网络图 (27)表3.5 计划投入旳重要施工机械设备表 (28)表3.6 劳动力计划表 (29)1.总体概述1.1 概况工程概况其桩基础采用静压预应力管桩,管桩型号选用江苏省构造构件原则图集《先张法预应力混凝土管桩》质量原则:到达国家现行施工质量验收原则旳合格规定。
第1篇一、工程概况本工程为某住宅小区的桩基工程,位于我国某城市。
该小区占地面积约10万平方米,总建筑面积约18万平方米。
本工程桩基采用人工挖孔桩和冲击钻成孔桩两种方式,共计桩基数量为542根。
桩径范围为0.8m至1.2m,桩长范围为10m至20m。
二、施工准备1. 施工组织本工程桩基施工由我公司负责,成立桩基施工项目部,负责整个工程的施工组织、技术指导、质量控制和安全生产等工作。
2. 施工材料根据设计要求,桩基施工材料主要包括:钢筋、混凝土、水泥、砂石等。
所有材料均需符合国家相关标准和规范要求。
3. 施工设备桩基施工设备包括:挖掘机、冲击钻、搅拌机、钢筋加工机、混凝土输送泵等。
所有设备均需进行检修和维护,确保其正常运行。
三、施工工艺1. 人工挖孔桩施工工艺(1)测量放线:根据设计图纸,对桩位进行测量放线,确保桩位准确无误。
(2)挖孔:采用人工挖孔方式,挖孔深度根据设计要求,挖孔过程中需保持孔壁稳定。
(3)清孔:挖孔完成后,对孔内进行清孔,确保孔底平整,无杂物。
(4)钢筋笼制作与吊装:根据设计要求,制作钢筋笼,并进行吊装,确保钢筋笼位置准确。
(5)混凝土浇筑:采用混凝土输送泵进行混凝土浇筑,确保混凝土密实。
2. 冲击钻成孔桩施工工艺(1)测量放线:与人工挖孔桩施工相同,确保桩位准确无误。
(2)钻机就位:将冲击钻机就位,调整钻头角度,确保钻头垂直对准桩位。
(3)钻孔:采用冲击钻成孔方式,钻孔过程中需保持钻头稳定,防止偏移。
(4)清孔:钻孔完成后,对孔内进行清孔,确保孔底平整,无杂物。
(5)钢筋笼制作与吊装:与人工挖孔桩施工相同,确保钢筋笼位置准确。
(6)混凝土浇筑:采用混凝土输送泵进行混凝土浇筑,确保混凝土密实。
四、质量控制1. 材料质量控制:对进场材料进行严格检验,确保材料符合设计要求。
2. 施工过程控制:严格按照施工工艺进行施工,确保施工质量。
3. 成品保护:在施工过程中,对成品进行保护,防止损坏。
桩基工作总结自我批评
作为一名从事桩基工作的工程师,我深知桩基工作的重要性和复杂性。
在过去的一段时间里,我积极参与了多个桩基工程项目,并在实践中不断总结经验,提高自身的专业能力。
然而,我也意识到自己在桩基工作中还存在一些不足和需要改进的地方。
首先,我发现自己在桩基工程设计方面还有待提高。
在实际工作中,我常常会遇到一些复杂的地质情况和工程要求,而我在设计方面的经验和知识储备还不够充分。
因此,我决定加强自己的学习,深入研究桩基工程设计的理论知识,提高自己的设计水平,以更好地应对各种复杂情况。
其次,我在桩基施工管理方面也存在一些不足。
在实际工程中,我发现自己有时候在施工过程中的协调和管理能力不足,导致工程进度受到一定影响。
因此,我决定加强自己的沟通能力和团队管理能力,以更好地协调各方面的工作,确保工程的顺利进行。
此外,我还发现自己在桩基工程质量控制方面存在一些不足。
在实际工程中,我有时候会忽视一些细节,导致工程质量不尽如人意。
因此,我决定加强自己的质量意识,严格按照相关标准和规范进行施工,确保工程质量达到最佳水平。
总的来说,我意识到自己在桩基工作中还存在一些不足和需要改进的地方。
在今后的工作中,我将不断总结经验,加强学习,提高自身的专业能力,以更好地完成桩基工程项目,为工程建设贡献自己的力量。
浅谈静压桩基础质量问题及解决方法
摘要:静压桩基础使用现在在国内前景非常广阔,由于其施工质量对整个工程影响极大,因此,在静压桩的使用过程中必须完善基础设计,在施工过程中要把握好质量,本文就现出现的一些质量问题来探讨并提出建议,希望完善静压桩基础使用。
关键词:静压桩,质量,问题
静压预制桩以其无噪音、工期短、质量可靠、承载力大等特点,在我国各地得到了广泛的应用。
特别是近几年大吨位静力压桩机被引进后,彻底解决了打桩施工的噪音问题,使该桩型显示出更大的优势。
桩是基础中的竖向构件,其作用在于穿过软弱的压缩性土层或地下水,把来自上部结构的荷载传递到更硬或更密实且压缩性较小的土层岩石上。
将各种预制桩用不同的方法沉入地基内,并在桩顶上作承台(梁或板) 组成基础结构, 承受上部荷载传到地基, 就是预制桩基础。
随着社会制止噪音污染措施的严厉,以及静压法施工工艺的日趋成熟,其使用范围越来越广。
静压桩基础工程的施工质量,取决的因素有多方面, 有地质资料方面的,有桩身材料和结构设计方面的, 也有制桩或打桩施工管理方面的。
工序多,涉及面广, 在全过程中, 稍有不慎或把关不严,就会造成质量事故或质量隐患。
一、常见质量事故分析
根据笔者多年来的经验以及对一些桩基础工程进行旁站监理及施工管理,现总结多年在桩基施工中出现的问题与经验进行分析:。
桩基安全自查自纠报告一、自查自纠基本情况为进一步加强工程安全管理,确保桩基施工安全,我公司对桩基施工进行了全面的自查自纠。
自查自纠时间为2021年10月1日至10月15日,涉及我公司所有桩基施工工地。
自查自纠内容包括对施工现场环境、作业人员、设备设施等方面的全面检查和整改。
我公司成立了安全自查自纠小组,主要负责对各工地进行检查,并及时整改问题。
二、自查自纠过程中发现的问题及整改情况1. 施工现场环境整治不到位。
在自查自纠过程中发现,有些施工现场存在垃圾堆放、临时设施不完善等问题。
针对这些问题,我们立即组织清理,对施工现场环境进行整治,确保施工现场整洁有序。
2. 作业人员安全教育不到位。
部分作业人员对桩基施工安全规章制度不够了解,存在安全意识不强的情况。
我们加强了安全教育培训,提高了作业人员的安全意识,确保他们能够正确使用安全防护装备,严格遵守安全操作规程。
3. 设备设施维护保养不及时。
部分施工设备设施因长时间使用未经及时维护保养,存在安全隐患。
我们对施工设备设施进行了全面检查,对需要维修的设备进行了及时保养,确保设备设施的正常运转。
4. 安全防护措施不到位。
在自查自纠过程中,我们发现有些工地存在安全防护措施不到位的情况,如围栏未设置、安全标识不醒目等。
我们加强了对安全防护措施的检查和整改,确保施工现场的安全。
5. 管理制度不完善。
部分工地存在安全管理制度不完善的情况,对安全隐患未能及时发现和处理。
我们加强了对安全管理制度的完善,建立了完善的安全管理制度,确保施工过程中安全隐患能够及时发现和妥善处理。
三、自查自纠后的安全管理措施在自查自纠后,我公司将继续加强对桩基施工的安全管理工作,重点做好以下几方面的工作:1. 加强对作业人员的安全教育培训,提高他们的安全意识和操作技能,确保施工过程中的安全。
2. 加强对施工现场环境的管理,定期进行清理整治,确保施工现场的整洁有序。
3. 加强对施工设备设施的维护保养工作,及时发现并处理设备设施的安全隐患。
桩基工作总结自我批评材料
在过去的一段时间里,我有幸参与了一些桩基工作的项目,这段经历让我学到
了很多东西。
在此,我将对自己的工作进行总结和自我批评,希望能够在未来的工作中有所改进和提高。
首先,我认为自己在桩基工作中的沟通能力还有待提高。
在项目中,我发现自
己有时候没有及时与同事进行沟通,导致工作进度出现了一些问题。
我意识到这一点后,我开始主动与同事进行沟通,及时汇报工作进展和遇到的问题,这样不仅能够提高工作效率,还能够避免一些不必要的错误。
其次,我觉得自己在桩基工作中的细节把控还有待加强。
有时候,我会忽略一
些细小的问题,导致工作质量不够完美。
为了改进这一点,我开始注重细节,对每一个环节都进行认真的检查和把控,确保工作质量达到最高标准。
另外,我也意识到自己在桩基工作中的专业知识还有所欠缺。
在项目中,我遇
到了一些技术难题,发现自己的专业知识并不够扎实,无法很好地解决问题。
因此,我开始主动学习相关的专业知识,不断提高自己的技术水平,以便更好地应对各种挑战。
总的来说,桩基工作总结自我批评材料,让我意识到了自己在工作中的不足之处。
通过总结和自我批评,我将会更加努力地提高自己的工作能力,不断完善自己,为未来的工作做好准备。
希望在未来的桩基工作中,我能够更加出色地完成工作,为项目的顺利进行做出更大的贡献。
桩基施工小结1、桩基施工小结本工程临港泥城社区DE07-P-1地块16#房桩基工程,桩基采用高强预应力管桩,桩型号PHC—400AB(95),桩采用C80混凝土,工程桩长29米,试桩长30米,分上中下三节,共81套,沉桩方式为静压,打桩机类型为YZY-600型全液压静力压桩机。
本楼采用高强预应力管桩,在使用之前检查桩身质量,砼强度达到了施工规范要求及由现场监理验收合格后方可使用,管桩堆放应在所施工号房前2米左右,由桩机卷扬机自己拖起管桩,吊在桩架定位架之中,桩机就位时应对准桩位,利用经纬仪控制垂直度,使桩身处于竖直状态,下节桩打到桩机平台相平,再把上节桩就位在下节桩桩帽上,电焊工在焊接前清除桩帽残垢,保证预埋铁件表面清洁,上下节桩间的缝隙用小铁片垫实、焊实,焊缝要连续、饱满、均匀,焊接结束冷却数分钟后方可施打,最后用送桩器打到设计桩顶标高,压桩同时有专人做好施工记录,拔起送桩器,移位到下一根桩位上。
在上海乾耀置业有限公司大力支持下,在上海金品建设工程监理有限公司密切指导监督,由我上海森信建设工程有限公司圆满完成本号房桩基工程,自评为合格。
上海森信建设工程有限公司20XX年10月18日2、桩基工程的施工小结主楼CFG桩,Φ600,桩长≥14m,间距1800mm,梅花型布桩,总共780根.裙房CFG桩,Φ600,桩长≥7m,间距1800mm,梅花型布桩,总共355根.灰土挤密桩,Φ400,桩长≥3m,间距1800mm,位于主楼东部,总共98根灰土止水桩,Φ400,桩长≥7m,间距1000mm,位于主楼四周,总共426根钢筋混凝土灌注桩,Φ600,桩长≥15M,间距1800mm,主楼南侧和东侧,总共72根。
东部裙房基础下,又在独立基础的位置增加了149根3m的灰土挤密桩。
桩基工程始于20XX年10月27日终于20XX年12月28日。
静载荷试验于20XX年12月15日~20XX年12月25日进行。
主楼的设计承载力特征值为450KPa,裙楼的设计承载力特征值为300KPa。
桩基础工程小结(5篇模版)第一篇:桩基础工程小结汕头市潮阳建筑工程总公司《桩基础工程小结》桩基础工程小结广东省科学技术厅科技信息服务楼工程为十五层框架结构(主楼15层,两翼6~8层),设一层地下室,本工程采用PHCΦ500—A—125管桩基础,持力层为全风化花岗岩,单桩承载力设计值2000KN,终压力值4000KN,桩长18~25米。
本工程建设单位:广东省科学技术厅,设计单位:广州市南天建筑设计所,监理单位:广州穗科建设监理有限公司,质量监督单位:广州市天河区建设工程质量安全监督站。
本工程于2003年3月21日进行试压桩,建设、设计及监理方均到场参加试桩,试压结果符合设计要求,各方均同意进行施工。
在施工过程中,我公司始终把质量摆在汕头市潮阳建筑工程总公司《桩基础工程小结》程于2003年4月20日完工,共压桩183条。
4月21~23日质监站检测室对甲方选定的三根工程桩进行了竖向抗压静载试验,检测合格。
4月24日开始土方开挖工作,开挖过程中我司对挖土机的司机进行全面交底,并安排专人在土方开挖时跟随钩机进行监护,保证了成品桩的完好。
6月7日至18日,质监站检测室再次进场对44条桩进行了反射波法检测,同样为合格。
该工程在施工过程中得到了上述单位的大力支持和帮助,使我们在施工过程中克服了不少困难,有力地保证了工程桩施工质量。
我们将以此为契机严格管理、规范施工、争创样板。
汕头市潮阳建筑工程总公司项目经理:2003年7月1日第二篇:桩基础工程小结暨南大学番禺新校区学生宿舍工程T10桩基础工程小结一、工程概况工程名称:暨南大学番禺新校区学生宿舍工程T10 建设单位:暨南大学建设地点:广州市番禺区新造镇兴业大道地段设计单位:广东省建科建筑设计院有限公司监理单位:广东省建筑工程监理有限公司勘察单位: 广州宏伟工程承包有限公司施工单位:广州市住宅建设发展有限公司监督机构:广州市番禺区建设工程质量安全监督站基桩检测单位:广州市建设工程质量安全检测中心本工程主体结构型式为钢筋混凝土框架剪力墙结构,建筑物为地上18(局部15层),建筑面积22357.2㎡。
****8#楼桩基工程工程自评报告编制单位:****建筑工程有限公司编制日期:二〇〇九年四月二十日目录一、工程概况二、工程内容三、施工过程及施工中分项工程质量控制指标四、施工中自检情况五、检测情况六、结论*****8#楼基子分部工程自评报告一、工程概况1、瑞赛·天域星城8#楼桩基工程于2009年4月20日开工、竣工时间为2009年7月25日。
2、 ###8#楼桩基工程,由###设计、***监理、***施工。
工程地址位于********西北角约200米处。
本工程采用PHC—AB型预应力高强混凝土管桩管桩:先张法预应力混凝土的PHC—AB500(125)型,选择机械为ZYJ-680液压静力压桩机。
本工程±0.000的绝对高程为395.50m。
本工程共计完成了212根静压预制桩,完成了施工项目的设计和合同要求的主要技术指标。
二、工程内容1、选择机械为ZYJ-680液压静力压桩机。
2、根据甲方书面提供的坐标点及高程点选定设置测量基线与水准点,采用苏州一光RTS612型全站仪测量放线,先放主控轴线,由现场监理旁站参加验线,基线标志应设置在不受施工影响处。
2、静压预应力混凝土管桩施工工艺流程、锤击预应力管桩施工施工工艺流程:测量放线→桩位复核→桩机就位→吊装→桩机调平→双向调整垂直度→桩位对中→压桩→送桩。
三、施工过程及施工中分项工程质量控制指标1、问题处理及工艺关键施工技术、工艺及工程项目实施重点、难点和解决方案静力压桩沉设PHC管桩,是利用静力压桩机将预应力混凝土管桩PHC 沉入地下设计指定位置的施工方法。
其关键技术是PHC桩桩身质量,如何确保C80,并且质量均匀、稳定、可靠;其次是施工过程中如何保证将桩沉入指定地段,确保桩身完整,承载力满足设计要求,现将上述问题简述如下:一)、PHC桩的质保措施1、所用材料钢材、水泥、砂、石、粉煤灰、外加剂等进场全部由实验室检查验收,确保了原材料质量合格达标。
帽珥塚城中村安置项目7#楼静压桩工程
竣工验收自评报告
尊敬的各位领导、专家:
你们好!由我单位承建的帽珥塚城中村安置项目7#楼静压桩工程,自从2011年 4月17 日开工以来,经过 45天的精心施工,在建设单位、设计单位、勘察单位、监理单位等的细心指导和帮助下,本工程于2011年 6月 1日顺利竣工,现我代表施工单位就静压桩的施工情况,向各位领导和验收专家组作简要汇报:
一、简介
1.1工程概况
本工程由西安金瑞置业有限责任公司承建,位于龙钢大道南侧,建筑主体为剪力墙结构,基础采用静压预应力管桩,型号为:
PHC500(125)-12a/13a/14aAB,单节桩,马建国际建筑设计顾问有限公司承担设计。
1.2
建设单位:西安金瑞置业有限责任公司
设计单位:西部抗震勘察设计研究院
勘察单位:西安工程地质勘测公司
监理单位:陕西方得项目管理有限公司
施工单位:陕西建筑基础工程公司
本工程于2011年 6月 1日如期完成7#安置楼静压桩桩基工程施工并通过验收合格。
二、建筑施工规范与验收依据:
1、《建筑桩基技术规范》 (JGJ 94-94)
2、《建筑地基基础设计规范》 (GB5007-2002)
3、《建筑工程施工质量验收统一标准》 (GB50300-2001)
4、《建筑机械使用安全技术规程》 (JGJ33-86)
5、《施工现场临时用电安全技术规范》 (JGJ46-88)
6、《钢筋焊接及验收规程》 (JGJ18-96)
7、《工程建设标准强制性条文》(房屋建筑部分)
三、组织机构:
根据陕西金瑞置业有限公司的工期与质量要求,我单位将本工程确定为重点工程,公司委派许红涛同志担任项目经理,许卫平同志担任项目总工,王生俊同志担任质量员。
公司挑选精兵强将,组成素质高,经验丰富,管理能力强的技术力量人员,严格按照《建筑工程项目管理规范GB/T50326-2001》实施,建立健全质量、安全、文明施工和生产保证体系,考察落实施工专业能力强的专业班组施工,对施工过程进行全面的跟踪管理。
四、工程质量控制:
4.1材料控制
根据图纸设计要求,管桩使用西安康特管桩技术有限公司的高强预应力管桩。
4.2质量管理
建立健全质量管理体系,指定了分部分项质量管理制度,成立项目经理为第一责任人,项目总具体负责,现场总负责把关,专业工长具体落实实施,专业质检员检查验收的施工质量管理体系,分工明确,有效地保证了施工质量。
严格执行有关技术质量标准和规范、规程。
认真落实“三检”制度,经验收不合格不能进入下一道工序施工,坚持质量专检,并做好检查记录
4.3施工工艺控制
沉桩工艺程序
2. 施工要点:
①沉桩场地的平整:在桩架进入场地前,必须对整个作业区进行场地平整,以保证桩架作业时正直,同时还考虑施工场地的地基承载力是否满足桩机作业时的要求。
若不足,则必须在表层铺以碎石,并予以整平,以提高地基表面承载力,严防沉桩作业时桩机产生不均匀沉降,有时还须挖排水沟,以排除地面水。
②施放桩位:根据设计的桩位图,按施工顺序将桩逐一编号,依
桩号所对应的轴线,按尺寸要求施放桩位,并设置样桩,以供桩机就位定位。
③每根桩入土后均须做标高记录,为此,施工区附近还应设置不受沉桩影响的水准点,一般要求不少于2个。
该水准点应在整个施工过程中予以保护,不受损坏。
④预应力管桩运至现场堆放时,应按规格、桩号分层叠在平整坚实的地面上,支承点应设在吊点外或附近,上下层垫块应在同一直
线上,堆放层数不宜超过四层。
⑤采用单点起吊,吊点距离桩顶为0. 31L(L为桩长)。
⑥采用电焊接桩,钢板宜用低碳钢,焊条宜用结422。
⑧遇到下列情况时,应暂停压桩,并及时与有关单位研究处理:
A、压力值剧变;
B、桩身突然发生倾斜、移位;
C、桩顶或桩身出现严重裂缝或破碎。
3. 施工方法
(1)桩架应平稳地架设在压桩部位,用钢缆拉牢,压桩机的安装,必须按有关程序或说明书进行。
(2)桩机就位。
压桩机就位时,应对准桩位,垂直稳定,确保在施工中不倾斜、移动。
(3)起吊和摆放预制桩。
先拴好吊桩的钢丝绳及索具,然后应用索具捆绑住桩上端约50cm处,起动机器起吊预制桩,使桩尖对准桩位中心,缓缓放下插入土中,插桩必须正直,其垂直度偏差不得超过
0.5%。
由于每节管桩长≤15m 采用两端勾吊吊运(如图A 所示)。
图A 图B
4、吊桩方法
1、吊点位置放好垫枕(如图B所示),垫枕支撑点在同一平面上,现场堆放时场地应坚实、平整、管桩还应采用木楔防滚、防滑。
2、桩按不同规格、类型分别堆放,在桩机附近施工区域堆放层数不宜超过四层,堆放支点距两端0.207L(如图B 所示)。
3、装卸时应轻起轻放,严禁抛掷,碰撞、滚落,吊运过程应保持平稳,避免剧烈振动,防止桩身裂损。
4、桩设计二个固定架防止PHC 桩滚动。
运输过程中固定架支点应满足两支点法的位置(支点距离桩端0.207L)处,并垫以楔形掩木,防止滚动,严禁层与层间垫木与桩端的距离不等而造成错位,车辆底层应设置垫枕。
5、桩在起吊时应使每个吊点同时升起,每个吊点受力均匀。
(1)稳桩。
桩尖插入桩位后,先用慢压,桩入土一定深度后,再使桩垂直稳定。
10m以内短桩可目测或吊线锤纵横双向校正;10m以上或接桩必须用线锤或经纬仪纵横双向校正。
(2)桩在入土前,应在桩架或桩身上设置尺寸标记,以便在施工中观测、记录。
(3)压桩宜始慢终快,桩基吨位的选择应根据地质条件、桩的类
型、结构、密集程度及施工条件选用。
(4)压桩的顺序宜按下列原则确定:
(a)根据桩的密集程序,压桩顺序可采取从中间向两边对称施压;或从中间向四周施压;或从一侧向另一侧施压。
(b)根据基础设计标高,宜先深后浅进行施压。
(c)根据桩的规格,宜先大后小,先长后短进行施压。
(d)根据桩位与原有建筑物的距离,宜先近后远进行施压。
(5)接桩
(a)在桩长度不够的情况下,采用焊接接桩,焊接接桩的预埋铁件表面应清洁,上下节之间的间隙应用铁片垫密焊牢。
焊接时,应采取措施,一般对称焊接,以减少变形,焊缝应连续、饱满,接桩方法和要求按设计采用。
(b)接桩一般在距地面1m左右时进行。
上下节桩的中心线偏差不得大于10mm,节点弯曲矢高不得大于1‰桩长。
(c)接桩处的焊缝应自然冷却1~2min后才压入土中。
(6)送桩。
设计要求送桩时,“送桩(工具)”的中心线应与桩身吻合一致方能进行送桩。
送桩深度一般不宜超过2m。
(7)当桩的压入深度和压入力值达到设计要求时,应根据地质资料核对桩尖入土深处的地质情况,即可进行控制。
(8)压桩时应由专职记录员做好施工记录。
(9)压桩时出现下沉异常现象的判断和处理
(a)压桩过程中发生下沉量突然增大,原因是桩尖穿过硬土层进
入软弱土层,或桩已被压断,此时应对照地质资料进行检查,若桩尖进入软土层,应继续施压;若桩身被压断,应会同有关单位研究补桩方案。
(b)桩到一定深度后压不下去,或桩突然回弹,原因可能是桩尖碰到孤石或已打到硬土层,这时应慢压,待桩尖穿过障碍之后再压,如仍压不下去,应根据地质资料核对桩尖入土深入的土质情况,会同有关单位解决。
(c)施压过程中,若桩头已严重破损、不得再压,待采取措施后,方可继续施压。
五、工程质量控制情况:
5.1工程地质勘察报告
本工程地址勘察由西安地质工程勘测公司承担,附报告书一份,符合要求。
5.2图纸会审纪要、审查及设计变更资料
图纸会审纪要一份,设计、监理、业主、施工单位签章齐全,图纸审查资料一份,手续齐全,各项设计变更手续齐全,符合要求。
六、竣工初验情况
2011年 6月11日,在监理单位的组织下,由建设、施工单位参加,对本工程进行了初验,经单位的检查验收合格。
七、资料整编:
内页资料与本工程同步进行,真实、齐全、有效、符合《建筑工程文件归档整理规范》(GB∕T50328-2001)的要求。
八、工程质量自评:
8.1质量验收资料
经检查符合要求,评定合格。
帽珥塚城中村安置项目7#楼工程在建设单位、监理单位等领导的大力帮助与严格要求下,根据设计单位的施工蓝图和规范要求,对本工程严格进行过程质量及安全生产控制,安全顺利的完成了7#安置楼静压桩桩基工程,并对单位工程质量进行了自检,自检结果评定合格,请各位专家审定。
陕西省建筑基础工程公司
静压桩分公司
2011年 6月 11日。