调车作业演练程序及考核标准
- 格式:docx
- 大小:27.80 KB
- 文档页数:9
铁路调车作业标准铁路调车作业是指在铁路站场进行的车辆编组、连接、分解、调整、换装、清点、整备、检查等作业活动。
铁路调车作业对于保障列车运行安全和运输组织具有重要意义,因此需要严格按照标准进行操作,确保作业的安全和高效。
一、人员要求。
1. 调车作业人员必须持有相应的资格证书,且经过专业培训合格。
2. 调车作业人员要严格遵守操作规程,服从指挥,保持高度的集中注意力。
3. 在进行调车作业时,必须穿着符合安全要求的工作服和防护用具。
二、作业环境。
1. 调车作业现场必须保持清洁整齐,杂物必须及时清理,确保作业通道畅通。
2. 调车作业区域内必须设置明显的安全警示标志,禁止未经许可的人员和车辆进入。
3. 作业现场必须配备必要的灭火器材,以防发生火灾等意外情况。
三、设备要求。
1. 调车作业所使用的机车、车辆和设备必须符合国家标准,经过定期检修和维护。
2. 在进行调车作业前,必须对相关设备进行全面检查,确保其正常运行。
3. 调车作业所使用的信号设备必须保持畅通,确保作业指挥的准确性。
四、作业流程。
1. 在进行调车作业前,必须对作业区域、作业路线和作业方式进行充分的了解和熟悉。
2. 调车作业必须按照规定的作业程序进行,严禁擅自更改或省略任何环节。
3. 在作业过程中,必须保持与调度员的有效沟通,确保作业的协调和安全。
五、安全防护。
1. 调车作业人员必须严格遵守相关安全操作规程,杜绝违章操作和违规行为。
2. 在作业现场必须严格执行安全防护措施,禁止任何危险行为的发生。
3. 对于可能存在的安全隐患,必须及时报告并采取有效措施加以解决。
六、事故应急。
1. 调车作业中如发生事故,必须立即停止作业并采取紧急措施,确保人员和设备的安全。
2. 在事故发生后,必须按照规定的程序进行报告和处理,全面排查事故原因并采取预防措施。
七、作业总结。
1. 调车作业结束后,必须进行全面总结和检查,确保作业过程中的不足之处得到及时纠正。
2. 对于作业中出现的问题和难点,必须及时归档并向上级主管部门汇报,以便今后的改进和提高。
为确保铁路运输安全,提高车站应对突发事件的能力,根据《铁路安全生产应急演练管理办法》的要求,结合我站实际情况,特制定本演练方案。
二、演练目的1. 提高车站应对调车作业中突发事件的能力;2. 加强各部门之间的协同配合,提高应急处置效率;3. 提高车站员工的安全意识和应急处置技能;4. 检验车站应急预案的可操作性,为实际应急工作提供参考。
三、演练内容1. 演练科目:调车制动风管破裂应急演练;2. 演练场景:车站内调车作业过程中,因车辆钩销未落槽导致制动风管破裂;3. 演练步骤:(1)发现制动风管破裂,立即上报值班室;(2)值班室接到报告后,立即汇报值班管理;(3)值班管理接到报告后,立即汇报调度室,启动应急预案;(4)防护组进行安全防护,处理组使用管钳将破裂风管拆下,清理丝口杂物;(5)使用生胶带缠绕备用风管接头,用管钳进行安装;(6)复查组进行检查并确认其安全使用状态;(7)恢复正常调车作业。
四、演练组织1. 演练领导小组:由车站站长担任组长,各部门负责人为成员;2. 演练指挥部:由值班管理担任指挥长,各部门负责人为成员;3. 演练组:由车站员工组成,分为防护组、处理组、复查组等;4. 观摩组:由车站各部门负责人及有关人员组成。
1. 演练结束后,指挥部召开总结会议,对演练情况进行全面总结;2. 分析演练过程中存在的问题,提出改进措施;3. 对参演人员进行表彰和奖励;4. 将演练总结报告报送上级主管部门。
六、注意事项1. 演练过程中,各部门要密切配合,确保演练顺利进行;2. 演练期间,要注意安全,避免发生意外事故;3. 演练结束后,要对演练场地进行清理,恢复原状。
通过本次铁路调车应急演练,进一步提高了车站应对突发事件的能力,增强了员工的安全意识和应急处置技能,为车站安全生产奠定了坚实基础。
在今后的工作中,我们将继续加强应急演练,不断完善应急预案,确保铁路运输安全。
调车作业标准一、调车作业的基本原则。
1. 安全第一。
在进行调车作业时,必须将安全放在首位,严格执行各项安全规定,确保人员和设备的安全。
2. 精细操作。
调车作业需要精细操作,严格按照规定的程序和标准进行,确保列车的编组和连接准确无误。
3. 高效协作。
调车作业需要各个岗位之间高效协作,密切配合,减少不必要的停留和延误,提高作业效率。
二、调车作业的操作流程。
1. 到位确认。
在进行调车作业之前,必须进行到位确认,包括车辆的位置、信号的指示等,确保作业区域的安全。
2. 编组作业。
根据列车编组计划,进行车辆的分解和连接,确保车辆编组的准确性和稳定性。
3. 调车作业。
根据列车调度计划,进行车辆的调动和整编,确保列车的顺利出发和到达。
4. 安全确认。
在调车作业完成后,必须进行安全确认,包括车辆的固定、信号的复位等,确保作业结束后的安全状态。
三、调车作业的操作规范。
1. 操作人员必须持有相关资质证书,严格按照规定的程序和标准进行操作。
2. 车辆的连接必须牢固可靠,确保列车行驶过程中的安全稳定。
3. 调车作业必须严格遵守信号指示,确保列车运行的安全顺利。
4. 在进行调车作业时,必须注意作业区域的清洁和整洁,确保作业环境的安全和舒适。
四、调车作业的安全注意事项。
1. 在进行调车作业时,必须戴好安全帽,穿着工作服,严格遵守相关安全规定。
2. 在作业区域内禁止吸烟、打闹和随意乱扔物品,确保作业环境的整洁和安全。
3. 在进行调车作业时,必须密切关注周围环境和信号指示,确保作业过程中的安全和顺利。
五、调车作业的质量控制。
1. 对调车作业进行定期检查和评估,发现问题及时整改,确保调车作业的质量和安全。
2. 加强对操作人员的培训和考核,提高其操作技能和安全意识,确保调车作业的高效和安全。
3. 不断总结调车作业的经验和教训,不断改进和完善调车作业标准,确保其符合实际操作需求。
六、结语。
调车作业是铁路运输中不可或缺的重要环节,严格遵守调车作业标准,确保其安全和高效进行,对于保障列车运行的安全和顺利具有重要意义。
第1篇一、总则为保障汽车调车作业的安全、高效、有序,特制定本操作规程。
本规程适用于所有参与汽车调车作业的人员和单位。
二、作业前的准备1. 人员准备:参与调车作业的人员应具备相应的技能和经验,且身体状况良好。
作业前,班组长应进行人员安排和技能考核。
2. 车辆准备:调车车辆应处于良好的技术状态,确保安全运行。
检查车辆制动、转向、灯光等系统是否正常,轮胎气压符合要求。
3. 工具准备:备齐调车作业所需的工具,如手摇把、扳手、千斤顶、钢丝绳等,并确保其性能良好。
4. 现场准备:作业现场应保持整洁,消除安全隐患。
设置明显的警示标志,如警示灯、警示牌等。
三、作业程序1. 调车前,操作人员应与指挥人员确认作业计划,了解作业区域、车辆、线路等情况。
2. 指挥人员应向操作人员下达调车指令,操作人员认真听取并复诵。
3. 操作人员根据指令,使用调车工具将车辆驶入指定位置。
在行驶过程中,注意观察周边环境,确保安全。
4. 调车过程中,若发现异常情况,应立即停止作业,报告指挥人员,待问题解决后方可继续作业。
5. 调车完成后,操作人员应向指挥人员报告作业完成情况,并清理作业现场。
四、安全注意事项1. 严格遵守交通规则,确保调车作业过程中的行车安全。
2. 作业时,操作人员应佩戴安全帽、手套等防护用品。
3. 作业现场严禁无关人员进入,确保作业安全。
4. 作业过程中,严禁酒后作业、疲劳作业。
5. 作业现场禁止吸烟、使用明火。
6. 作业完成后,及时清理作业现场,消除安全隐患。
五、应急处理1. 作业过程中,若发生车辆故障,应立即停止作业,采取措施确保车辆安全。
2. 若发生人员受伤,立即组织救治,并报告上级领导。
3. 若发生交通事故,应立即停车,保护现场,并报告相关部门。
六、监督检查1. 班组长应定期对调车作业进行检查,确保作业安全、规范。
2. 作业完成后,对作业过程进行总结,分析问题,改进作业方法。
3. 定期对作业人员进行安全教育和技能培训,提高作业人员的安全意识和操作技能。
为了提高我国铁路调车作业的安全水平,加强应急预案的实战演练,预防和减少调车冲突事故的发生,特制定本调车冲突应急演练方案。
二、演练目的1. 提高调车作业人员的安全意识和应急处置能力;2. 熟悉调车冲突应急预案的启动程序和操作流程;3. 检验应急预案的可行性和有效性;4. 加强各部门之间的协同配合,提高应急处置效率。
三、演练时间及地点1. 时间:根据实际情况确定,原则上每年至少组织一次;2. 地点:选取具备调车作业条件的铁路线路或模拟场景。
四、演练内容1. 演练场景设定:模拟调车作业过程中,因操作失误导致车辆发生冲突的紧急情况;2. 演练流程:(1)发生冲突:模拟调车作业过程中,因操作失误导致车辆发生冲突;(2)发现冲突:相关人员发现冲突后,立即报告值班调度员;(3)启动应急预案:值班调度员接到报告后,立即启动调车冲突应急预案;(4)应急处置:按照应急预案要求,各部门迅速行动,采取有效措施进行应急处置;(5)恢复通车:经过应急处置,消除安全隐患,恢复正常通车;(6)总结评估:演练结束后,组织相关人员对演练过程进行总结评估。
五、演练组织机构及职责1. 演练领导小组:负责演练的组织、协调和指挥;2. 演练指挥组:负责演练的现场指挥、调度和协调;3. 演练保障组:负责演练物资、设备和人员保障;4. 演练评估组:负责演练的总结评估和反馈。
六、演练人员及分工1. 演练人员:包括调车员、值班调度员、安全员、车站站长等;2. 分工:(1)调车员:负责调车作业,发现冲突后立即报告;(2)值班调度员:负责接收报告,启动应急预案,调度各部门进行应急处置;(3)安全员:负责现场安全防护,确保演练安全有序进行;(4)车站站长:负责演练的全面协调和指挥。
七、演练物资及设备1. 演练物资:应急灯、喇叭、对讲机、警戒线、安全帽等;2. 演练设备:模拟车辆、信号灯、轨道等。
八、演练实施步骤1. 演练准备:制定演练方案,明确人员分工,准备演练物资及设备;2. 演练实施:按照演练方案进行,各部门按照职责分工进行演练;3. 演练总结:演练结束后,组织相关人员对演练过程进行总结评估,提出改进措施。
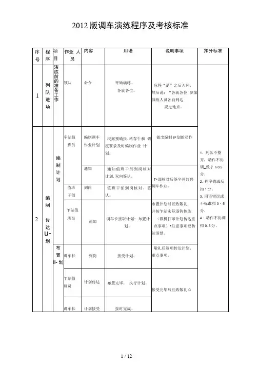
调车员实际操作考评标准
一、考核内容
1、摘解风管
2、动、静观速
3、调车作业现场操作(包括手信号显示、动观距、作业程序和撞动距离以40:30:20:10计该项得分)
它们三者分别以20:20:60比例计入总分
二、考核要求及评分办法
A:摘解风管(满分100分)
①前提条件:采用无动力6车5管的风管接摘。
无风作业
②时间标准:以快速走动,动作连贯,五返工作业为依据,暂定总时间为150
秒,每超过1秒钟扣1分;原则上在150秒以内完成的不另加分。
③动作错误一次扣2分。
④程序错误一次扣5分。
⑤未达到规定质量要求一处扣5分。
B:动、静观速:(各占50分,满分共100分)
车组通过测速点时,被鉴定是在车上或地面观速。
其报速与实际速度的误差要求如下:
①误差≤5%得满分
②误差在5%至10%(包括10%)得80%分
③误差在10%至15%(包括15%)得50%分
④误差在15%以上不得分
C:调车作业现场操作
①作业要求:机车连挂好车组(K6),先摘后连挂,代3挂3,全程带风作业,
要求牵引至指定位置后在进行连挂。
②在动观距过程中,被考核人员随车通过观测十、五、三车距离(110米、55
米、33米),自己拿沙袋,其满分30分,各项占10分,按附表3得分。
③撞动距离(被挂车辆移动的距离)
原则上以被挂车辆不移动的为满分,每增加5cm扣1分。
附表1:
调车员实作程序评分办法
调车员实作信号部分记录表
调车员实作观距部分评分表
调车员现场操作观距部分评分细则。
铁路调车作业标准铁路调车作业标准是铁路运输部门为确保调车作业安全、高效、有序进行而制定的一套规范。
以下是一个铁路调车作业标准的示例,包括作业原则、计划、准备、执行和总结等环节。
一、作业原则1.确保安全:调车作业必须遵循安全第一的原则,确保人员和设备安全。
2.高效有序:调车作业应高效有序地进行,确保列车按时到达目的地。
3.统一指挥:调车作业应遵循统一指挥的原则,避免多头指挥和指令冲突。
4.严格执行:调车作业人员应严格执行各项标准、规定和操作规程,确保作业的准确性和完整性。
二、计划1.提前制定调车作业计划,包括列车编组、解体、取送、挂运等任务。
2.根据车站作业实际情况,合理安排时间和场地,确保作业顺利进行。
3.向相关人员下达作业计划,明确任务和要求。
三、准备1.对调车设备进行检查和维护,确保其正常运转。
2.对调车人员进行培训和考核,确保其具备必要的安全意识和操作技能。
3.对作业场地进行清理和检查,确保无障碍物和危险因素。
4.提前了解列车编组内容,以便合理安排解体和编组顺序。
四、执行1.严格遵守车站调车作业规定,遵循安全操作规程。
2.按照作业计划和规定时间进行解体、编组、取送、挂运等操作。
3.在作业过程中,加强与相关人员的沟通和协作,确保作业顺利进行。
4.对作业过程进行记录和统计,及时反馈问题并采取措施进行整改。
五、总结1.对调车作业过程进行总结,分析存在的问题和不足,提出改进措施。
2.对调车人员进行考核和评价,激励先进,督促后进。
3.向车站管理部门汇报作业情况和问题,提出改进建议。
4.对调车作业标准进行修订和完善,以适应车站运输发展的需要。
一、目的为提高车站调车作业人员应对突发事件的能力,确保调车作业安全、有序进行,制定本预案。
二、适用范围本预案适用于车站调车作业过程中发生的各类突发事件,包括但不限于:调车制动风管破裂、车辆溜逸、道岔挤道岔、车列意外分离等。
三、组织机构1. 演练领导小组:由车站站长担任组长,负责演练的组织、协调和指挥工作。
2. 演练指挥部:由车站副站长担任指挥长,负责演练的具体实施和现场指挥。
3. 演练工作组:包括防护组、处理组、复查组、通讯联络组、后勤保障组等。
四、应急响应流程1. 紧急启动:发生突发事件后,值班人员立即向值班管理汇报,值班管理向调度室汇报,车站按程序启动应急预案。
2. 演练指挥部下达应急响应命令,各组按职责分工,迅速展开行动。
3. 防护组负责现场安全防护,确保演练过程中人员安全。
4. 处理组负责对突发事件进行现场处理,如调车制动风管破裂时,使用管钳将破裂风管拆下,清理丝口杂物,再使用生胶带缠绕备用风管接头后,用管钳进行安装。
5. 复查组负责对处理后的设备进行检查,确认其安全使用状态。
6. 通讯联络组负责演练过程中的信息传递和联络工作。
7. 后勤保障组负责演练过程中的物资保障和现场清理工作。
五、演练内容1. 调车制动风管破裂应急演练:模拟调车过程中制动风管破裂,检验车站应对此类突发事件的应急处置能力。
2. 车辆溜逸应急演练:模拟车辆在推送过程中发生溜逸,检验车站应对此类突发事件的应急处置能力。
3. 道岔挤道岔应急演练:模拟道岔挤道岔,检验车站应对此类突发事件的应急处置能力。
4. 车列意外分离应急演练:模拟车列在运行过程中发生意外分离,检验车站应对此类突发事件的应急处置能力。
六、演练评估与总结1. 演练结束后,演练领导小组组织对演练过程进行评估,总结经验教训。
2. 对演练过程中存在的问题和不足进行整改,完善应急预案。
3. 定期组织演练,提高车站调车作业人员应对突发事件的能力。
七、附则1. 本预案由车站站长负责解释。
一、目的为了提高铁路调车作业人员应对突发事件的能力,确保调车作业安全、高效进行,特制定本应急演练方案及流程。
二、演练背景模拟在铁路调车作业过程中,因设备故障、操作失误等原因,可能引发的安全事故,如制动风管破裂、车辆脱轨等。
三、演练组织1. 演练领导小组:由铁路站段负责人担任组长,相关部门负责人担任成员,负责演练的组织实施、协调和监督。
2. 演练指挥部:由站段技术负责人担任指挥长,下设应急处理组、安全防护组、通讯保障组等。
3. 演练参与人员:包括调车长、连结员、防护员、值班员等。
四、演练内容1. 制动风管破裂应急演练2. 车辆脱轨应急演练3. 其他突发事件的应急演练五、演练流程1. 演练准备阶段(1)制定演练方案,明确演练目的、内容、流程、时间、地点等。
(2)召开动员大会,向参演人员传达演练方案,讲解演练流程和注意事项。
(3)组织参演人员进行培训和实际操作演练。
2. 演练实施阶段(1)应急处理组接到报警后,立即启动应急预案,报告演练指挥部。
(2)安全防护组对现场进行警戒,确保演练过程中人员安全。
(3)应急处理组根据预案,迅速采取措施进行处置。
(4)通讯保障组负责演练过程中的通讯联络。
(5)演练过程中,参演人员按照预案要求,密切配合,完成各项演练任务。
3. 演练总结阶段(1)演练结束后,应急处理组向演练指挥部汇报演练情况。
(2)演练指挥部组织参演人员对演练进行总结,分析存在的问题,提出改进措施。
(3)对演练过程中表现突出的个人和集体进行表彰。
六、注意事项1. 演练过程中,参演人员要严格遵守操作规程,确保演练安全。
2. 演练过程中,要注重实际操作,提高参演人员的应急处置能力。
3. 演练结束后,要对演练情况进行总结,及时发现问题,改进不足。
七、演练效果评估1. 演练结束后,组织参演人员进行问卷调查,了解演练效果。
2. 对演练过程中存在的问题进行分析,提出改进措施。
3. 定期组织应急演练,不断提高铁路调车作业人员的应急处置能力。
调车作业模拟演练调车作业模拟演练【调车长连接员制动员】列队入场调车长:(敬礼)报告领导,丁班调车组模拟演练准备完毕,请指示……领导:开始调车长:是(敬礼)**********************************************列队(队列口令)安全预想天气良好---作业中要认真执行作业标准,加强联系,确保作业及人身安全...................**********************************************作业前准备1:备品检查:(调车长/连接员/制动员)备品齐全2:着装检查:(调车长/连接员/制动员)着装标准3:灯显通话试验A安装机控器------机控器安装完毕(调车长呼叫)B:调车司机灯显通话试验司机:机车灯显通话试验良好C:连接员灯显通话试验灯显通话试验良好D:制动员灯显通话试验灯显通话试验良好**********************************************计划传达:区长向调车长传达-- --调车长接受计划调车长:(有)传达计划内容核对计划(找错)调车长回答:计划明白调车长传达计划:向司机传达计划:调车司机接受计划-------阅读计划内容------回答:司机明白向调车组传达计划:连接员/制动员----接受计划----阅读计划及注意事项------回答:明白**********************************************准备情况汇报:调车长:报告区长准备完毕---可以出务作业区长:开始作业调车长:是**********************************************列队入场作业演练(口令稍息,立正,齐步走)作业分工:(制动员连接员)调车长:(呼叫)制动员**道作业---预检线路制动员:(回答) ; 制动员明白制动员:检查线路要认真执行《人标》规定制动员:报告调车长各股道检查完毕,**线路停留车位置(警内**米或**道空线)----防溜措施--货物装载状态---关门车良好---车号正确等。
调车作业标准调车作业是铁路运输中非常重要的环节,它涉及到列车的编组、调度和运行安全。
为了保障调车作业的顺利进行,提高运输效率,保障安全生产,制定了一系列调车作业标准。
本文将对调车作业标准进行详细介绍,以便相关人员能够严格按照标准进行操作。
首先,调车作业标准要求所有从事调车作业的人员必须具备相关的操作资质和技能。
他们需要经过专业的培训,取得相应的资格证书,熟悉各种调车设备的使用方法,了解列车编组规则和操作流程,掌握应急处理的技能和知识。
只有经过严格的培训和考核合格的人员,才能够参与调车作业。
其次,调车作业标准要求在进行调车作业时,必须严格按照调度指令和作业程序进行。
调车作业人员需要准确理解调度指令的内容,按照规定的作业程序进行操作,确保列车编组的准确性和安全性。
在操作过程中,需要密切配合调度指挥,做好各项准备工作,确保列车的平稳编组和运行。
另外,调车作业标准还要求对调车设备和工具进行定期检查和维护。
各种调车设备和工具是调车作业的重要保障,只有保证设备的正常运行和使用,才能够保障调车作业的顺利进行。
因此,调车作业标准规定了设备和工具的定期检查和维护计划,确保设备的完好和可靠性。
此外,调车作业标准还要求在进行调车作业时,必须严格遵守相关的安全规定和操作规程。
调车作业是一个复杂的过程,涉及到列车的编组和运行,一旦操作不当就会引发安全事故。
因此,调车作业标准规定了严格的安全操作规程,要求调车作业人员必须严格遵守,确保操作的安全性和可靠性。
总之,调车作业标准是铁路运输中非常重要的一环,它直接关系到列车的安全运行和运输效率。
只有严格按照标准进行操作,才能够保障调车作业的顺利进行,确保列车的安全和运行效率。
因此,各相关单位和人员都必须严格遵守调车作业标准,确保调车作业的安全和顺利进行。
车站调车作业员操作技能比赛规则及评分标准第十五篇车站调车作业员操作技能比赛规则一、参赛选手必须按时到达指定比赛现场,迟到30分钟以上者取消其比赛资格。
二、赛前比赛人员一律不准喝酒,否则取消比赛资格。
三、参赛选手按比赛项目需要,自带个人用的防护用品。
四、现场实际操作比赛时,参赛选手必须佩带参赛证、身份证。
五、参赛选手必须按抽签顺序依次参加比赛。
六、备考参赛选手和结束比赛的选手分别在不同的休息室休息,由工作人员分别监督。
七、比赛开始后,参赛选手不得离开场地。
八、参赛选手认为本人全部完成比赛内容时,须向裁判报告,并以报告时的时间为比赛结束时间。
九、裁判人员要严格按评分标准评判,不准随意变更评分条件。
十、参赛选手必须服从裁判,对裁判有异议时,提请裁判长解决,重大问题由裁判长裁决。
十一、非比赛人员和工作人员不得进入比赛场地。
评分细则一、摘接风管作业(25分)采用无动力6车5管的风管摘接,全程无风作业,要求选手在5分钟内完成。
二、动静观速(20分)机车通过测速点时,选手分别站在车上、车下进行观速并于1分钟内报速。
三、观距(15分)选手站在机车上距停留车十车(110米)、五车(55米)、三车(33米)处时分别扔下沙袋,测量沙袋到停留车的距离,根据实测距离与标准距离的误差进行评分。
四、牵出推进挂车作业(40分)牵出推进挂车作业。
机车带5个车牵出越过折返点,推进连挂第6个车,考核牵出——推进——连挂作业程序、呼唤应答和撞动距离。
(摘接风管项目)技能比赛评分表选手姓名:参赛号:项目名称作业标准评分标准配分扣分扣分原因摘管防护将红色信号旗插于车梯,进行防护。
持旗方法不正确扣1分;未将红色信号旗插于车梯扣2分。
2关闭折角塞门先关闭前端折角塞门,再关闭后端折角塞门。
指定前后端,关闭折角塞门时前后端顺序颠倒扣2分;折角塞门手把未扳到位扣2分。
4 摘管一脚进入道心,另一脚站在轨外,利用正手摘管或反手摘管将风管摘开。
双脚同时进入道心扣4 分;一次未能摘开风管扣1分。