直流恒流源
- 格式:doc
- 大小:23.00 KB
- 文档页数:2
直流恒流源功率计算直流恒流源功率计算是电工学中的重要内容,它用于计算直流电路中的电流源所产生的功率。
直流恒流源是一种能够稳定输出恒定电流的电源,它的输出电流不受负载电阻的变化而改变。
在实际应用中,直流恒流源常用于电化学实验、电镀、电解等领域。
要计算直流恒流源的功率,首先需要了解功率的定义。
功率是指单位时间内所做的功,它等于电流乘以电压。
在直流电路中,电压和电流是恒定不变的,因此直流恒流源的功率计算较为简单。
假设直流恒流源的输出电流为I,输出电压为U,则功率P等于电流乘以电压,即P=I*U。
这个公式可以用来计算直流恒流源的功率。
在实际计算中,可以根据已知条件直接代入公式进行计算,也可以通过测量电流和电压的数值来计算功率。
对于已知输出电流和电压的情况,直接代入公式即可计算功率。
例如,假设直流恒流源的输出电流为2A,输出电压为10V,则功率P=2A*10V=20W。
对于通过测量电流和电压的数值来计算功率的情况,需要使用适当的测量仪器。
常用的测量仪器有电流表和电压表。
首先,将电流表连接到直流恒流源的输出端,测量出电流的数值。
然后,将电压表连接到直流恒流源的输出端,测量出电压的数值。
最后,将测得的电流和电压数值代入功率计算公式,即可得到功率的数值。
需要注意的是,在实际计算中,要考虑到仪器的精度和误差。
测量仪器的精度越高,计算得到的功率数值越准确。
此外,还需要注意测量的电流和电压是否处于稳定状态,以保证计算得到的功率准确无误。
直流恒流源功率计算是电工学中的基础知识,它用于计算直流电路中恒流源所产生的功率。
通过了解功率的定义和计算公式,以及使用适当的测量仪器,可以准确计算直流恒流源的功率。
这对于电化学实验、电镀、电解等领域的应用具有重要意义。
直流恒流源电路的原理《直流恒流源电路的原理》1. 引言嘿,你有没有想过,那些需要稳定电流的设备,比如LED灯,是怎么确保电流一直稳定不变的呢?今天呀,咱们就来扒一扒直流恒流源电路的原理,从基础概念到实际应用,从常见问题到未来发展,全方位地把这个原理搞个明明白白。
这篇文章呢,就像是一场探索之旅,我们会先了解它的基础理论,再看看它是怎么工作的,还会讲讲它在生活和高端技术中的应用,以及大家可能会有的一些误解,最后再给大家补充点有趣的相关知识,一起展望下未来。
2. 核心原理2.1基本概念与理论背景直流恒流源电路,说白了,就是一个能输出恒定电流的电路。
这背后的理论基础就和欧姆定律有关啦。
欧姆定律大家应该都有点印象吧,就是I = V / R(电流等于电压除以电阻)。
在直流电路里,要想让电流恒定,那就得在电压或者电阻上做文章。
直流恒流源电路的发展历程也是挺有趣的,早期人们为了给一些对电流要求比较稳定的设备供电,就开始琢磨怎么做出这种恒流的电路,慢慢地经过不断改进和技术发展,就有了现在各种各样的直流恒流源电路。
它的核心概念呢,就是不管负载怎么变化,电路输出的电流始终保持不变。
比如说,就像一个水龙头,不管你接水的桶大小(类比负载)怎么变,水的流量(类比电流)总是固定不变的。
2.2运行机制与过程分析那它是怎么做到这一点的呢?这里面就涉及到几个关键的部分。
首先有一个基准电压源,这个就像是一个标准的高度标杆。
然后有一个电流检测电阻,它的作用就像是一个小侦察兵,时刻检测着电路中的电流大小。
还有一个放大器,这个放大器就像是一个大力士,当检测到的电流和基准电压源设定的电流有偏差的时候,放大器就会放大这个偏差信号。
举个例子吧,假如基准电压源设定的电流是1A,检测电阻发现电流变成了0.9A,这个偏差信号就被放大器放大。
然后呢,这个放大后的信号会去调整电路中的一个调整管,这个调整管就像是一个阀门。
如果电流小了,调整管就会让更多的电流通过,就像把阀门开大一点;如果电流大了,调整管就会减少电流通过,就像把阀门关小一点。
直流恒压、直流恒流、直流恒功率的原理下载提示:该文档是本店铺精心编制而成的,希望大家下载后,能够帮助大家解决实际问题。
文档下载后可定制修改,请根据实际需要进行调整和使用,谢谢!本店铺为大家提供各种类型的实用资料,如教育随笔、日记赏析、句子摘抄、古诗大全、经典美文、话题作文、工作总结、词语解析、文案摘录、其他资料等等,想了解不同资料格式和写法,敬请关注!Download tips: This document is carefully compiled by this editor. I hope that after you download it, it can help you solve practical problems. The document can be customized and modified after downloading, please adjust and use it according to actual needs, thank you! In addition, this shop provides you with various types of practical materials, such as educational essays, diary appreciation, sentence excerpts, ancient poems, classic articles, topic composition, work summary, word parsing, copy excerpts, other materials and so on, want to know different data formats and writing methods, please pay attention!目录一、引言二、直流恒压的原理。
2.1 恒压源。
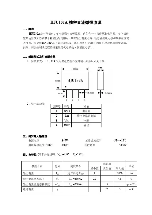
HJU132A 精密直流微恒流源
一、概述
HJU132A 是一种精密、单电源微电流恒流源,内包含一个精密基准电压源、多个精密宽带运算放大器和多个精密匹配电阻对。
具有输出电流可调、动态输出能力强和频率范围宽等优点,可提供1µA-1mA 的直流驱动电流。
该电路可广泛用于电阻-电感对地负载型显示、扫描、伺服控制或远程数据采集等机电系统(航晶微电子)。
二、封装形式及引出端功能
1、封装形式:HJU132A 采用黑色塑胶外壳封装,外形尺寸见下图。
2、引出端功能
三、绝对最大额定值
电源电压 3~7V 工作温度范围 -55~+85℃ 引线焊接温度(10s ) 300℃ 耗散功率 50mW
四、电特性 (除非另有说明,V CC =+5V , T A =25℃)。
五、典型应用
直流电桥驱动电流源(单电源工作)
I SET(µA)=1250/R SET(kΩ)
注:1)改变RSET可改变电流源输出电流值,RSET应选用高稳定性精密电阻。
由于基准电压离散性,实际输出电流与计算值有差异,调整RSET 值,使输出电流ISET符
合设定值。
2)VCC 变化会影响输出电流稳定性,应选用高稳定性电源。
3)合理选择负载,确保输出电压在输出电压动态范围内。
负载接地的直流恒流源电路设计好,今天咱们聊一聊负载接地的直流恒流源电路设计。
别一听这么专业的名词就头大,其实这玩意儿并没有想象中那么复杂。
你只需要明白一点,恒流源就是那种能提供恒定电流的设备,不管负载怎么变化,电流总是如影随形,稳如老狗。
那“负载接地”又是什么意思呢?简单说,就是负载电路的一端接地,另一端接电流源,这样整个电路就有了一个参考点,电流可以稳定流动。
听起来是不是有点像那些你用电池给手机充电的电路?嗯,差不多,反正就是电流源要保持稳定,电池要靠谱,不能随便掉链子。
其实呢,负载接地的直流恒流源电路用处可大了,尤其是在那些需要稳定电流的场合,比如充电设备、传感器或者实验室设备。
你想啊,要是电流不稳定,传感器的读数波动就大了,可能搞得一团糟。
所以这种电路设计,就是为了保证每次输出的电流都一样,不让电器设备“跳脚”或者“不靠谱”。
这就像你和朋友约好一起跑步,大家都希望每次跑的步伐差不多,跑得稳,才不至于一会儿我跑在前面一会儿他跑在前面,搞得整场比赛没个规则。
说到设计嘛,首先你得选个合适的电源。
这电源啊,可得选对了,否则你给电路提供的电压不稳定,后续麻烦事儿就多了。
电源的稳定性就像车的发动机,得稳得住,不然整车就开不动。
比如你选用一种合适的电池,确保它能提供足够的电压,而电流却能够通过限流电阻或者电流源控制电流稳定。
你会发现,稳定电流的设计其实就像是你在做一道甜品,调好比例,电压、电流、负载三者得配合得恰到好处,最后才有一个好结果。
接下来说说负载的选取。
负载这个东西,设计时一定要有足够的耐心。
你得先搞清楚,负载的特性是什么,是什么东西会影响电流的变化。
比方说,如果负载是一个电阻,那么你得计算出它的阻值,确保电流不会超过它的承受范围。
要是负载是其他类型的设备,比如LED、传感器或者更复杂的电器,你还得了解它们的工作电压和电流范围。
反正总之一句话,选负载得谨慎,不能一时头脑发热,乱来。
然后就是电流控制了。
数控直流电流源摘要:本文设计了一种数控直流电流源的方案,给出了硬件组成和软件流程及源程序。
以STC89C52单片机为核心控制电路,利用12位D/A模块产生稳定的控制电压,12位A/D模块完成电流测量。
输出电流范围为20~2000mA,具有“+”“-”步进调整功能,步进为1mA,纹波电流小,LCD同时显示预置电流值和实测电流值,便于操作和进行误差分析。
关键词:STC89C52数控电流源Numerical Control DCCurrent SourceAbstract:This paper introduces a design scheme of numerical control DC current source ,and gives the hardware composition and software flow as well as the source program. UseSTC89C52MCU as the core control circuit. 12 D/A module generates A steady the control voltage and 12 A/D module completes current measurements.The current-output ranges 20 to 2000mA,with "+" and "-" steppingfor 1mA adjustment function and small ripple current. LCD could show presets current value and the measured resultat the same time,for easy operation and error analysis.Keywords:STC89C52 Numerical controlCurrent source1设计方案的选择1.1电路综合设计流程图1.1.1数控电流源电路设计流程图1.2总体设计方案经初步分析设计要求,得出总体电路由以下几部分组成:电源模块,控制模块(包括AD、DA转换)恒流源模块,键盘模块,显示模块。
ldo恒流源电路LDO恒流源电路是一种常见的直流电压稳压电路,它具有低噪声、高稳定性、低功耗等优点,被广泛应用于各种电子设备中。
LDO恒流源电路的基本原理是利用反馈控制来保持输出电流的稳定。
该电路包括一个参考电压源、一个误差放大器、一个功率管和一个电感。
其中,参考电压源提供一个稳定的参考电压,误差放大器用于比较输出电压和参考电压之间的差异,功率管用于控制电流的输出,电感则用于储存能量和稳定输出电流。
LDO恒流源电路的设计要点包括以下几个方面:参考电压源的设计参考电压源是LDO恒流源电路的核心部分,它提供了一个稳定的参考电压,用于控制输出电流的稳定。
常用的参考电压源有齐纳二极管、带隙基准电压源等。
误差放大器的设计误差放大器用于比较输出电压和参考电压之间的差异,并将该差异转化为电流信号,用于控制功率管的导通程度。
误差放大器的设计需要考虑到增益、带宽、共模抑制比等因素。
功率管的设计功率管用于控制输出电流的大小,需要根据负载的需求进行选择。
功率管的种类包括MOSFET、BJT等,需要根据具体情况进行选择。
电感的设计电感用于储存能量和稳定输出电流。
电感的大小需要根据输出电流的大小、负载的特性等因素进行选择。
反馈环路的设计反馈环路用于稳定输出电流,需要考虑到环路稳定性、响应速度等因素。
反馈环路的设计需要考虑到误差放大器、功率管、电感等因素。
LDO恒流源电路是一种常见的直流电压稳压电路,具有低噪声、高稳定性、低功耗等优点,被广泛应用于各种电子设备中。
设计LDO 恒流源电路需要考虑到参考电压源、误差放大器、功率管、电感等因素,并需要进行反馈环路的设计和调整。
直流电子负载器的基本原理直流电子负载器(DC Electronic Load)是一种能够模拟真实负载电流特性并对电子设备进行负载测试的仪器。
其主要原理是通过模拟负载电流和电压来对被测试设备进行负载测试,并能够实时测量参数和反馈给被测试设备。
1.恒流源:直流电子负载器的主要功能之一是模拟不同负载条件下的恒流特性。
恒流源通常由高精度的运放和电阻组成。
在测试中,恒流源通过调节电阻值以控制负载电流的大小。
具体来说,运放根据输入的电压信号调整输出电流,而反馈电路则测量输出电流并将其与设定的目标电流进行比较,从而实现闭环控制。
通过这种方式,负载器可以在不同负载电流下模拟真实工作条件。
2.电压源:直流电子负载器的另一个重要功能是模拟负载电压。
电压源通常由运放和电阻组成。
当被测试的设备需要反馈电压信号时,电压源会提供一个与设备需求相匹配的电压值。
恒流源和电压源可以独立或同时操作,以模拟不同的工作条件。
3.测量电路:直流电子负载器配备了高精度的测量电路,用于测量被测试设备的电流、电压、功率等参数。
一般来说,测量电路包括模拟前端和数字信号处理部分。
模拟前端负责将被测试设备的电流和电压信号转换为数字信号,并进行放大和滤波。
数字信号处理部分负责采集和处理模拟前端输出的数字信号,通过数学算法计算电流、电压、功率等参数,并将其显示在负载器的屏幕上。
4.控制电路:直流电子负载器还配备了一套控制电路,用于设定负载条件、实时监测和调整负载参数。
这个控制电路通常由微处理器、控制芯片和外部接口等组成。
通过控制电路,用户可以设定负载器的工作模式、目标电流和目标电压,并可以实时监测被测试设备的电流、电压和功率。
负载器还可以根据设定的负载条件和安全措施进行自动保护,以避免设备被过载或过热。
综上所述,直流电子负载器模拟恒流源和电压源的特性,通过测量和控制电路来实现对被测试设备的负载测试。
其主要原理是通过恒流源和电压源模拟真实负载条件,并通过测量电路测量被测试设备的电流、电压和功率等参数。
数控直流恒流源[2005年电子大赛二等奖]文章来源:凌阳科技教育推广中心作者:浙江大学陈智德徐进陶晶发布时间:2006-6-28 17:56:34摘要:本设计采用凌阳十六位单片机SPCE061A作为直流恒流源的控制、显示和输出电流检测核心,实现了-2A到2A数控可调直流恒流源。
系统的显示部分采用128×64点阵式液晶显示屏实时显示设定电流值和实测电流值;输出电流控制采用SPCE061A单片机的D/A口输出模拟量;电流测量采用基本没有温度漂移的康锰铜电阻丝作为精密取样电阻,利用SPCE061A的A/D输入口进行电流检测和监控。
硬件电路恒流部分的控制端采用多个精密运算放大器OP07接成闭环反馈控制形式,受控部分采用达林顿管进行扩流、精确输出设定电流。
电源部分采用大功率变压器供电,多级电容滤除纹波干扰;电源输出采用三端稳压芯片进行稳压,并且利用大功率达林顿管进行扩流以满足后级功率需求。
关键字:SPCE061A 恒流源一、方案论证如题目要求,系统主要由控制器模块、电源模块、电流源模块、负载模块及键盘显示模块构成,下面分别论证这几个模块的选择。
1、控制模块的选择方案方案一:采用AT89C51单片机进行控制。
本设计需要使用的软件资源比较简单,只需要完成数控部分、键盘输入以及显示输出功能。
采用AT89C51进行控制比较简单,但是51单片机资源有限,控制输入输出,需要外接8279之类的芯片进行I/O扩展。
方案二:采用SPCE061A单片机进行控制。
SPCE061A凌阳单片机具有强大功能的16位微控制器,它内部集成7路10位ADC和2通道10位DAC,可以直接用于电流测量时的数据采集,以及数字控制输出;I/O口资源丰富,可以直接完成对键盘输入和显示输出的控制;存储空间大,能配合LCD液晶显示的字模数据存储。
采用SPCE061A单片机,能将相当一部分外围器件结合到一起,使用方便,抗干扰性能提高。
鉴于上面分析,本设计采用方案二。
恒流源一、恒流源的简单介绍:1、简单的认识:与恒压的概念相比,恒流的概念似乎难于理解一些,因为在我们的日常生活中恒压源是多见的,蓄电池、干电池就是直流恒压电源,而220V 交流电,则可认为是一种交流恒压电源,因为它们的输出电压是基本不变的,是不随输出电流的大小而大幅变化的。
恒流源其实与恒压源原理一致,恒流源能够稳定输出电流,恒压源能够稳定输出电压;理想的恒流源其内电阻为无穷大,但实际中的恒流源内电阻不为无穷大,如果负载电阻接近恒流源的内电阻,那么它便失去了恒流的特性,所以在设计过程中尽量使其内电阻大些,最好接近理想的恒流源。
2、举例说明:恒流源就是一个能输出恒定电流的电源。
图1中的r是电流源IC的内阻,RL 为负载电阻,根据欧姆定律:流过RL的电流为I=IS(r/r+RL),如果r很大如500K,那么此时RL在1K---10K变化时,I将基本不变(只有微小的变化)因为RL相对于r来说太微不足道了,此时我们可以认为IS是一个恒流源。
为此我们可以推出结论:恒流源是一个电源内阻非常大的电源,但负载电阻的变化是有一定范围的。
图1二、三极管的恒流特性:1、输出特性曲线说明从三极管特性曲线可见,工作区内的IC受IB影响,而VCE对IC的影响很小。
因此,只要IB值固定,IC也就可以固定。
输出电流IO即是流经负载的IC。
公式:{VBE的值硅管0.7V,锗管0.3V}2、在设计中的应用在电子电路中(如晶体管放大器电路)我们常需要一些电压增益较大的放大器,为此常要将晶体管集电极的负载电阻设计得尽量大,但此电阻太大将容易使晶体管进入饱和状态,此时我们可利用晶体三极管来代替这个大电阻,这样一来既可得到大的电阻,同时直流压降并不大。
3、图形说明图二三极管工作在放大区,集电极电流IC为一恒定值,图二中的二极管是用来补偿三极管的U BE随温度变化对输出电流的影响。
式推理:仿真图结论:(其它参数变化)0Ω中变化时IC变化微弱,当超过这个范围则有较大的变化;这说明了恒流源与负载有着直接的关系,与使用者的选择有关。
超高稳定度大直流恒流源的设计占清;朱自科;陈勇;张自长;曾舒帆;李亚娟【摘要】研制的超高稳定度大直流恒流源在国防、计量、精密测量等领域都有着重要的应用价值.该直流恒流源主要采用直流电流比较仪作为反馈采样元件,使用"极低负载效应分布式电阻"作为恒流源的输出信号采样电阻,可降低电阻功耗,温漂减小,噪声有抵消效应,使恒流源的稳定性提高了一个数量级;采用功率管并联,实现大直流输出.测试结果表明:该恒流源稳定性优于0.001%(1 min),最大输出电流达400 A,是一款性能优异的超高稳定度的大直流恒流源.%Development of ultrahigh-stability big DC constant current source has important application value in the field of national defense industry,metrology,precision measurement and so on.The design of DC constant current source,DC current comparator was adopted as a sampling element and the Distributed Low Load Coefficient Precision Resistor was used as a constant current source feedback and the output signal of the sampling resistor,so the overall stability of the constant current sources was improved.And the power tube in parallel realized DC constant current source of big currentoutput,thereby the system reliability was also improved.The performance of the designed constant current source is tested,and the results indicate that the source could generate a ultrahigh-stability current.The stability of the output current is excel to 0.001%(min),the maximal output current is 400 A and it''s an excellent ultrahigh-stability big DC constant current source.【期刊名称】《电子器件》【年(卷),期】2017(040)003【总页数】5页(P607-611)【关键词】恒流源;超高稳定;极低负载效应;大电流;直流电流比较仪【作者】占清;朱自科;陈勇;张自长;曾舒帆;李亚娟【作者单位】西南林业大学机械与交通学院,昆明 650224;云南省计量测试技术研究院,昆明 650228;云南省计量测试技术研究院,昆明 650228;云南省计量测试技术研究院,昆明 650228;云南省计量测试技术研究院,昆明 650228;云南省计量测试技术研究院,昆明 650228;云南省计量测试技术研究院,昆明 650228【正文语种】中文【中图分类】TM9恒流源以输入交流电压控制输出稳定的电流达到稳流流目的,实际应用中通过采样输出电压信号,通过闭环反馈与基准直流电压信号通过比较控制放大器进行比较放大调节输出高稳定的电流。
恒流源与电压源的区别1.先讲下电压源:设电压源开路电压为U,内阻为r,接上阻值为R1的负载时端电压为U1,流过R1的电流为I1则有I1=U/(R1+r),U1=I1R1;同理接上阻值为R2的负载时端电压为U2,流过R2的电流为I2则有I2=U/(R2+r),U2=I2R2,通过计算可得出:r=(U2-U1)/(I1-I2).从这个公式可以看出,电压源的内阻它反应了一种对不同的输出电流端电压的保持能力,理想的电压源内阻为零而且不能短路,U=U1=U2.2.关于电流源:设电流源短路电流为I,内阻为r,接上阻值为R1的负载时端电压为U1,流过R1的电流为I1,流过内阻的电流为Ir1则有I=Ir1+I1,U1=r*Ir1=R1*I1同理接上阻值为R2的负载时端电压为U2,流过R2的电流为I2,流过内阻的电流为Ir2则有I=Ir2+I2,U2=r*Ir2=R2*I2通过计算可得出r=(U2-U1)/(I1-I2).可以看出这个公式和电压源的内阻公式一样,不过它反应的是一种对不同的输出电压端电流的保持能力,理想的电流源内阻为无限大,而且不能开路I=I1=I2.3.区别与联系:电压源的内阻和负载是串联的,越小越好,电压源的内阻和负载是并联的,越大越好;理想的电压源不能短路否则输出电流会无限大,理想的电流源不能开路路否则输出电压会无限大.2好电子技术的朋友可能在翻阅一些电子书刊时常看到“恒流源这个名词,那么什么是恒流源呢?顾名思义恒流源就是一个能输出恒定电流的电源。
图5中的r是电源E的内阻,RL为负载电阻,根据欧姆定律:流过RL的电流为I=E/r+R如果r很大如500K,那么此时RL在1K---10K变化时,I将基本不变(只有微小的变化)因为RL相对于r来说太微不足道了,此时我们可以认为E是一个恒流源。
为此我们推论出:恒流源是一个电源内阻非常大的电源。
我们一般说的直流源,是指能提供一定直流电压的电源,也就是电压源。
第一章绪论众所周知,许多科学实验都离不开电源,并且在这些实验中经常会对通电时间、电压高低、电流大小以及动态指标有着特殊的要求,然而目前实验所用的直流电源大多输出精度和稳定性不高;在测量上,传统的电源一般采用指针式或数码管来显示电压或电流,搭配电位器来调整所要的电压及电流输出值:使用上若要调整精确的电压或者电流输出,须搭配精确的显示仪表监测,又因电位器的阻值特性非线性,在调整时,需要花费一定的时间,况且还要当心漂移,使用起来非常不方便。
因此,如果直流电源不仅具有良好的输出质量而且还具有多功能以及一定的智能化,以精确的微机控制取代不精确的人为操作,在实验开始之前就对一些参数进行预设,这将会给各个领域中的实验研究带来不同程度的便捷与高效。
§1.1 恒流源的应用1.1.1 在计量领域中的应用电流表的校验宜用恒流源。
校验时,将待校的电流表与标准电流表串接于恒流源电路中,调节恒流源的输出电流大小至被校表的满度值和零度值,检查各电流表指示是否正确。
在广泛应用的DDZ系列自动化仪表中,为避免传输线阻抗对电压信号的影响,其现场传输信号均以恒流给定器提供的 0~10mA(适用于DDZ-II系列自动化仪表)或 4~20mA(适用于DDZ-III系列自动化仪表)直流电流作为统一的标准信号,便于对各种信号进行变换和运算,并使电气、数模之间的转换均能统一规定,有利于与气动仪表、数字仪表的配合使用。
在某些精密测量领域中,恒流源充当着不可替代的角色。
如给电桥供电、用电流电压法测电阻值等。
各种辉光放电光源:如光谱仪中的氢灯、氖灯,一旦被点燃,管内稀薄气体讯速电离。
由于离化过程的不稳定性并恒有增加的倾向,放电管中的电流将随之上升。
因此,在灯管上加以恒定电压时,它是不稳定的,其电流值可能增大到使灯管损坏。
为了稳定放电电流,从而稳定灯管的工作状态,最好采用恒流源供电。
各种标准灯(如光强度标准灯等)的冷态电阻接近于零,在使用时为防止电流冲击,一般通过调压器或限流电阻逐步加大电流至额定值,既不方便,又不安全。
电流源工作原理一、引言电流源是电路中非常重要的一种电源,它能够提供稳定的电流输出。
在各种电子设备和实验中,为了保证电路的正常工作,常常需要使用电流源来供电。
本文将详细讨论电流源的工作原理,包括其基本原理、分类和应用。
二、基本原理电流源是一个能够提供稳定电流输出的电源装置。
它通过不同的电路设计和原理实现电流的稳定输出。
根据其工作原理的不同,电流源可以分为三种类型:直流电流源、交流电流源和脉冲电流源。
下面分别介绍这三种类型的基本原理:2.1 直流电流源直流电流源是通过控制电路中电路元件的电压、电阻、电流等参数来实现恒定的直流电流输出。
其中,恒流源是实现直流电流输出的一种常见电路。
2.2 交流电流源交流电流源是通过交流电源和电流调节电路来实现交流电流输出。
调节电路可以通过调整电压或电流幅值、频率和相位来实现对输出电流的控制。
2.3 脉冲电流源脉冲电流源是通过控制电路中开关元件的开关状态和开关时间来实现脉冲电流输出。
常见的脉冲电路包括独立控制开关(ICSC)电路和时间控制开关(TCS)电路。
三、电流源的分类根据电流源的使用方式和特点,可以将其分为主动电流源和被动电流源。
3.1 主动电流源主动电流源是能够主动调节输出电流以符合指定要求的电流源。
其工作原理通常依赖于反馈控制和功率放大等技术。
3.2 被动电流源被动电流源是根据电路的物理特性来输出稳定电流的电流源。
它不需要主动调整输出电流,其输出电流仅依赖于电路元件的参数和输入电压。
四、电流源的应用电流源在各个领域都有广泛的应用。
以下是一些常见的电流源应用场景:4.1 电子设备中的电流源电流源在电子设备中用于为各种电路提供稳定的工作电流,例如放大器、滤波器、功率放大器等。
4.2 实验室测试中的电流源实验室测试中通常需要稳定的电流源来提供电流供给,以进行电路测试和实验研究。
4.3 电池充电电流源可以用于电池充电,通过控制输出电流来保证电池的安全和充电效率。
4.4 医疗设备在一些医疗设备中,电流源用于提供精确和稳定的电流输出,例如电刺激器和生物医学传感器等。
<正> 如图所示的恒流源电路能从零毫安起调。
电路的工作原理如下:由于运放的电压放大倍数很大,使其同相端电位和反相端电位可以看成相等,因此当电位器 W 中点调到①端时,取样电阻 R_o 两端的电压为零,从而使恒流源的输出电流为零。
这时运放工作在开环状态,其输出端电压约为-U_xx。
由于电位器 W 两端的电压就是三端稳压器的输出电压 U_xx,因此当W 中点调到②端时,取样电阻 R_o两端的电压为 U_xx,从而使恒流源的输出电流最大,其值为I_o=U_xx/R_o。
这时运放接成电压跟随器,其输出端电压为负载电阻 R_L 两端的电压。
【DOI】:CNKI:SUN:JCDL.0.1988-01-009
【正文快照】:
如图所示的恒流源电路能从零毫安起调.电路的工作原理如下:由于运放的电压放大倍数很大,使其同相端电位和反和端电位可以看成相等,因此当电位器w中点调到①端时,取样电阻Ro两端的电压为零,从而使恒流源的输出电流为零。
这时运放工作在开环状态,其输出端电压约为一u:x.由于电位
恒流源是电路中广泛使用的一个组件,这里我整理一下比较常见的恒流源的结构和特点。
恒流源分为流出(Current Source)和流入(Current Sink)两种形式。
最简单的恒流源,就是用一只恒流二极管。
实际上,恒流二极管的应用是比较少的,除了因为恒流二极管的恒流特性并不是非常好之外,电流规格比较少,价格比较贵也是重要原因。
最常用的简易恒流源用两只同型三极管,利用三极管相对稳定的be电压作为基准,电流数值为:I = Vbe/R1。
这种恒流源优点是简单易行,而且电流的数值可以自由控制,也没有使用特殊的元件,有利于降低产品的成本。
缺点是不同型号的管子,其be电压不是一个固定值,即使是相同型号,也有一定的个体差异。
同时不同的工作电流下,这个电压也会有一定的波动。
因此不适合精密的恒流需求。
为了能够精确输出电流,通常使用一个运放作为反馈,同时使用场效应管避免三极管的be电流导致的误差。
如果电流不需要特别精确,其中的场效应管也可以用三极管代替。
电流计算公式为:
I = Vin/R1
这个电路可以认为是恒流源的标准电路,除了足够的精度和可调性之外,使用的元件也都是很普遍的,易于搭建和调试。
只不过其中的Vin还需要用户额外提供。
从以上两个电路可以看出,恒流源有个定式(寒,“定式”好像是围棋术语XD),就是利用一个电压基准,在电阻上形成固定电流。
有了这个定式,恒流源的搭建就可以扩展到所有可以提供这个“电压基准”的器件上。
最简单的电压基准,就是稳压二极管,利用稳压二极管和一只三极管,可以搭建一个更简易的恒流源。
电流计算公式为:I = (Vd-Vbe)/R1
TL431是另外一个常用的电压基准,利用TL431搭建的恒流源,其中的三极管替换为场效应管可以得到更好的精度。
TL431的其他信息请参考《TL431的内部结构图》和《TL431的几种基本用法》
电流计算公式为:I = 2.5/R1
事实上,所有的三端稳压,都是很不错的电压源,而且三端稳压的精度已经很高,需要的维持电流也很小。
利用三端稳压构成恒流源,也有非常好的性价比。
这种结构的恒流源,不适合太小的电流,因为这个时候,三端稳压自身的维持电流会导致较大的误差。
电流计算公式为:I = V/R1,其中V是三端稳压的稳压数值。
实际的电路中,有一些特殊的结构,也可以提供很好的恒流特性,最典型的就是一个很高的电压通过一个电阻在一个低压设备上形成电流,这个恒流源的精度,取决于高压的精确度和低压设备本身导致的电压波动。
在一些开关电源电路中,这个结构用来给三极管提供偏置电流。
电流计算公式为: I = Vin/R1
值得一提的是,以上这些恒流源并不都适合安培以上级别的恒流应用,因为电阻上面太大的电流会导致发热严重。
可以通过使用更小的电阻来降低这个热量,不过在单电源供电模式下,多数运放都不能有效检测和输出接近地或者Vcc的电压,因此必须使用特殊的器件才能达到要求。
有个简单的办法是通过一个稳压器件(稳压管,或者TL431等)偏置电阻上面的电压,使得这个电压进入运放的检测范围。
恒流源的实质是利用器件对电流进行反馈,动态调节设备的供电状态,从而使得电流趋于恒定。
只要能够得到电流,就可以有效形成反馈,从而建立恒流源。
能够进行电流反馈的器件,还有电流互感器,或者利用霍尔元件对电流回路上某些器件的磁场进行反馈,也可以利用回路上的发光器件(例如光电耦合器,发光管等)进行反馈。
这些方式都能够构成有效的恒流源,而且更适合大电流等特殊场合,不过因为这些实现形式的电路都比较复杂,这里就不一一介绍了。