栓焊钉施工方案
- 格式:doc
- 大小:66.50 KB
- 文档页数:3
1.1.1栓钉施工(1)概况栓钉焊接分两种:栓钉直接焊在工作件上的为普通栓钉焊;栓钉在引弧后先熔穿具有一定厚度的压型钢板,然后再与构件熔成一体的为穿透栓钉焊。
穿透焊对瓷环强度及热冲击性能要求较高,禁止使用受潮瓷环,当受潮后在250℃温度下焙烘1h后使用,二是瓷环中心钉孔的直径和圆度。
而瓷环质量的好坏是直接影响栓焊的质量。
(2)施工前准备1、栓钉和瓷环到货后,应按规格分类堆放,并对以下几点进行检查和验收:2、瓷环的储运与保管瓷环的作用是集中电弧热量,隔离外部空气,保护电弧和熔融金属免受氮、氧的进入,同时防止熔融金属的飞溅。
工程中使用的瓷环应保持干燥及完整,在瓷环的储运过程中的注意点如下:1、施工工艺流程栓钉焊接流程图2、栓钉施工方法自承式钢筋桁架楼承板栓钉焊接完成图3、注意事项序号具体内容1栓钉必须符合规范和设计的要求。
如有锈蚀,需经除锈后方可使用(尤其是栓钉头和大头部不可有锈蚀和污物),严禁使用锈蚀的栓钉。
2施焊点不得有水分、油污及其它杂质。
3在有风天气施工时,焊工应站在上风头,以防止火花伤害。
4注意焊工的安全防护,尤其焊外围梁时,更应小心谨慎。
5焊工要熟练掌握焊机、焊枪的性能,搞好设备的维护保养。
当焊枪卡具上出现焊瘤、烧蚀或溅上熔渣时,及时清理或更换配件,以确保施工顺利并保证熔焊质量。
(4)施工质量检查(5)焊接栓钉质量保证措施序号栓钉焊接质量检查1焊后检查栓钉底部的焊脚应完整并分布均匀。
2外观检查合格的栓钉还应按照规范要求用铁锤进行锤击,使其弯曲30 °,并检查焊接部位是否出现裂纹。
示意图栓钉检查示意图1.1.2栓钉施工(1)概况栓钉焊接分两种:栓钉直接焊在工作件上的为普通栓钉焊;栓钉在引弧后先熔穿具有一定厚度的压型钢板,然后再与构件熔成一体的为穿透栓钉焊。
穿透焊对瓷环强度及热冲击性能要求较高,禁止使用受潮瓷环,当受潮后在250℃温度下焙烘1h后使用,二是瓷环中心钉孔的直径和圆度。
1目的和适用范围:为了规范焊接管理,指导生产提高焊接质量制定本作业指导书本作业指导书适用于黄石电厂“大代小”技改工程钢梁制作中的栓钉焊接2相关文件及标准:中南电力设计院设计的黄石电厂有关栓钉的施工图《钢结构工程施工及验收规范》(GB50205-2001);《质量保证手册》(Q/15Y.09.01-98);《质量管理程序文件》3施工责任人及职责:钢梁栓钉焊接施工由安装队结构厂负责实施,归口安装队工程部管理,质安部,物资部预以配合;工程部负责编制作业指导书及技术交底,确定具体的焊接工艺,做好相关的施工记录;安质部负责栓钉焊接各道工序的质量监督管理,并对班组进行安全交底物资部负责提供焊接过程中所需合格的材料机具。
4施工机具设备RZN-2000B栓钉螺栓专用焊机3台,及配套的栓钉焊枪,手锤2把,角磨机2台。
5材料要求检查栓钉尺寸检查瓷环禁止使用不干燥的焊接瓷环;禁止使用已经破裂或有缺损的焊接瓷环;如施工过程中瓷环受潮必须在高于150℃的烘箱中进行1小时以上的烘焙方可使用。
6焊接工艺(1)焊接顺序①将焊枪与焊接电源连接起来,把栓钉和瓷环套在焊枪上,按在被焊母材上;②按动焊枪开关,电流就熔断焊接瓷环上的药座帽并开始发生弧光;③将定时器定在适当的时间上,经过一定的时间的弧光后,栓钉以预定的速度顶紧母材,开始使电流短路。
放掉焊枪开关,栓钉的焊接操作就全部完成。
(2)工艺参数(3)焊接方法①如在同一电源上接出二个或更多的焊枪使用时,必须将导线连接起来,以保证同一时间内只能有一个焊枪在工作,并须保证焊接电源在完成每次焊接后,能恢复到准备状态,再开始另一次焊接;②当焊枪在焊接时应保持其正确的姿势不动,直至焊接金属凝固;③栓钉应保持无锈,无油或其他材料上的损坏,否则将对焊接操作带来有害影响;④在焊接前,不应在栓钉底脚油漆或电渡;⑤构件上需焊接栓钉处,要用砂轮处理,做到无杂屑、无锈蚀或其他材料损坏,以保证焊接取得满意的效果;⑥当作为焊接基础的金属受雨雪淋湿时,均不得进行焊接。
8 钢结构焊钉焊接施工工艺8.1 一般规定8.1.1 实用范围本标准适用于各类钢结构工程中,公称直径为10~25mm 的焊钉(圆柱头焊钉、熔焊栓钉、剪力钉等)的焊接施工。
8.1.2 参考标准与规范冷镦和挤压用钢 GB/T6478—2001 电弧螺柱焊用圆柱头焊钉 GB/T10433—2002 建筑工程施工质量验收统一标准 GB50300—2001 钢结构工程施工质量验收规范 GB50205—2001 建筑钢结构焊接技术规程 JGJ81—2002 8.1.3材料1 焊钉1) 焊钉材料的机械性能应符合表8.1.3-1规定。
表8.1.3-1 焊钉材料及机械相性能2) 焊钉的形状尺寸应符合图8.1.3-1及表8.1.3-2的规定图8.1.3-1 焊钉的形状尺寸注:图中1)表示由制造者选择可制成凹穴形式。
表8.1.3-2 焊钉的形状尺寸(mm)3) 焊钉表面质量 焊钉必不经表面处理。
其表面应平滑、洁净,不得有锈蚀、氧化皮、油脂和毛刺等;其杆部表面不允许有影响使用的裂缝,但头部裂缝的深度(径向)不得超过0.25(d k -d)mm 。
2 瓷环1) 焊接瓷环型式尺寸 焊接瓷环型式和尺寸应符合图8.1.3-2和表8.1.3-3的规定。
其中,B1型适用于普通平焊,也适用于13mm 和16mm 焊钉的穿透平焊;B2型仅适用于19mm 焊钉的穿透平焊。
图8.1.3-2 焊接瓷环型式和尺寸表8.1.3-3 焊接瓷环尺寸(mm)2) 表面质量 焊接瓷环不得有露水和雨水痕迹。
8.2 施工准备8.2.1 技术准备1 施工单位应按JGJ81规定进行焊接工艺评定,其结果应符合设计要求和GB50205标准规定。
2 根据工艺评定、设计和图纸深化的结果,编制施工作业指导书,做好施工技术交底。
8.2.2 材料准备根据设计要求,选用合格的焊钉。
根据焊钉的安装位置按下述要求使用配套瓷环:1 若直接在压型钢板上安装焊钉,应使用穿透型(B2型)的配套瓷环。
栓钉焊接⼯艺栓钉焊接⼯艺⼀、栓钉焊的基本原理和技术条件将⾦属螺柱焊到⼯件平⾯上去的⽅法叫做螺柱焊。
在建筑⼯程中称栓钉焊。
它属于熔态压⼒焊范畴。
栓钉焊⼜有2种:普通栓钉焊和穿透栓钉焊,普通栓钉焊亦称⾮穿透栓钉焊。
穿透栓钉焊⽤于组合楼板和组合梁,焊接时,将压型钢板焊透。
使栓钉、压型板、和钢构件三者焊接在⼀起。
压型钢板厚0.5、0.8、1.0、1.2、1.6mm,镀锌。
施⼯中,压型钢板起到底模的作⽤。
栓钉焊机有两种,电弧栓焊机和储能栓钉焊机,储能焊机适⽤于直径较⼩的栓钉焊(?8mm以下),在建筑⼯程中栓钉直径较⼤(?25mm)以下。
因此栓钉焊时均采⽤电弧栓钉焊机。
⼆、栓钉1)栓钉材料的机械性能及化学张性能:⼒学性能见表:栓钉⽤钢牌号及⼒学性能⼒学性能牌号抗拉强酸度бbN/mm2屈服强度бsN/mm2伸长率δ5% ML15A≥400 ≥320 ≥14 ML15化学成份见表:栓钉⽤钢牌号及化学成份牌号化学成份%C Si Mn P S Ah ML15A 0.13~0.18 ≤0.10 0.3~0.6 ≤0.35 ≤0.035 ≥0.020 ML15 0.13~0.180.15~0.350.3~0.6≤0.35≤0.035--------2) 栓钉的形状尺⼨见图:焊钉的形状尺⼨D------栓钉直径 Dk-------栓钉头直径 k-------栓钉头⾼度 r-------倒⾓半径WA------熔化长度 1)------由制造者选择制成凹⽳型式 2)-----引弧结由制造者确定栓钉的尺⼨3) 栓钉表⾯质量栓钉不必经表⾯处理。
其表⾯应平滑、洁净,不得有锈蚀、氧化⽪、油脂和⽑刺等;其杆部表⾯不允许有影响使⽤的裂缝,但头部裂缝的深度(径向)不得超过0.25(d k -d)mm 。
2 瓷环1) 焊接瓷环型式尺⼨焊接瓷环型式和尺⼨应符合图和表的规定。
其中,B1型适⽤于普通平焊,也适⽤于13mm 和16mm 栓钉的穿透平焊;B2型仅适⽤于19mm 栓钉的穿透平焊。
钢结构工程栓钉施工栓钉属于一种高强度刚度连接的紧固件,用于各种钢结构工程中,在不同连接件中起刚性组合连接作用。
栓钉是电弧螺柱焊用圆柱头焊钉的简称栓钉的规格为公称直径10~Φ25mm焊接前总长度40~300mm。
栓钉是楼面梁同钢筋混凝土楼板起组合连接作用的连接件,采用拉弧型栓钉焊机W焊枪,并使用去氧弧耐热陶瓷座圈。
焊接方法栓钉施工:栓钉施焊使用专用栓钉焊机,配备栓钉焊枪。
栓钉焊接施工时,将栓钉机同相应的焊枪电源接通,把瓷环座圈放在已放好线的栓钉位置上,用焊枪将栓钉对准瓷环座圈顶紧,打开焊枪电源,栓钉引弧点拉弧产生高温融化栓钉头部和母材形成高温融化的焊接焊池,经短时间(0.8~L2s)后栓钉焊接在母材上,然后清除瓷环和检查四周焊缝。
焊接过程时序电弧栓钉焊接过程时序为:短路-提升引弧焊接-落钉-有电顶锻-焊接结束注意事项国标规定栓钉表面应无锈蚀、氧化皮、油脂和毛刺等。
栓钉的杆部不允许有影响使用的裂缝,但头部裂缝的深度(径向)不得超过0.25(dk-d)mm o栓钉施焊前,应依照工程施工设计图纸上规定的间距和行距以及位置要求放出栓钉施工位置线。
栓钉焊接质量检查:外观检查,检查栓钉是否垂直和焊缝是否均匀,看焊肉是否饱满均匀,有无偏焊,如焊层全熔化且均匀判为合格;弯曲检查,以锤击检查为主,检查外观有缺陷的栓钉,在缺陷部位的相反方向锤击弯曲15o z焊缝处无开裂、焊肉无异常现象可判为合格;如焊缝出现裂缝,视为报废,不合格则需要在原位稍偏处补焊一个栓钉补充,打弯的栓钉不必再扶正。
检验测试栓钉焊接检查:柱状栓钉的质量以锤击为主,外观表面检查为辅,按每天产量取其中的1/500进行弯曲检查,焊缝处无断裂视为合格,如焊缝出现裂缝,该栓钉判为报废,需在附近重焊一只柱状钉作为补充。
栓钉安装施工方案本工程楼面部分的的栓钉设计要求应符合《圆柱头焊钉》(GB10433)的规定。
栓钉规格为φ16。
栓钉施工在压型钢板铺设完毕之后,按照2φ16-230等设计规定布置于钢梁上翼缘。
1.1栓钉进场检验1.1.1焊钉和瓷环出厂合格证明、焊钉用钢的材质证明书等资料齐全。
1.1.2栓钉表面不得进行表面处理,表面无皱纹、毛刺、裂纹、条痕、凹痕、扭曲、弯曲等缺陷,并保证无锈蚀、氧化皮、油脂、受潮或其它会对焊接质量造成影响的缺陷。
1.1.3栓钉的规格、型号符合设计要求,焊接用瓷环的型式、尺寸应与所用栓钉相匹配。
1.2施工准备1.2.1在正式施焊前,选用与实际工程设计要求相同规格的焊钉、瓷环及相同批号、规格的母材。
1.2.2栓钉施工前应标出栓钉焊接的准确位置。
若钢梁或压型钢板在栓钉位置有锈污或镀锌层,应采用角向砂轮打磨干净。
栓钉焊接时应按位置线排列整齐。
1.3施工工艺1.3.1栓钉焊接工艺流程(见页图)1.3.2施焊操作1)依据设计要求先放线定出栓钉的准确位置,两人一组配合施工,一人定位并将该位置的栓钉放在点位上,另一人随后进行焊接(本工程为穿透压型钢板焊接)。
2)焊枪的夹头与焊钉要配套,以便焊钉既能顺利插入,又能保证良好的导电性能。
3)焊钉、焊枪的轴线要尽量与工件表面保持垂直,同时用手轻压焊枪,使焊枪、焊钉及瓷环保持静止状态。
4)在焊枪完成引弧、提升、下压的过程中要保持焊枪静止,待焊接完成(焊缝冷却)后,再轻提焊枪。
栓钉焊接工艺流程5)在焊缝完全未冷却前,不要打碎瓷环。
打碎瓷环后,若焊缝质量不合格,应用手弧焊机补焊。
6)在施工工艺参数不变的情况下,每班前取2个焊好的栓钉进行外观和锤击检查,合格后方可大范围施工。
7)在施工工艺参数有可能变化的情况下(焊枪、总引线、电源有所变化时),应重新进行外观和锤击检查,合格后方可施工。
1.4质量保证措施1.4.1未熔合:栓钉与压型钢板金属部分未熔合,应加大电流增加焊接时间。
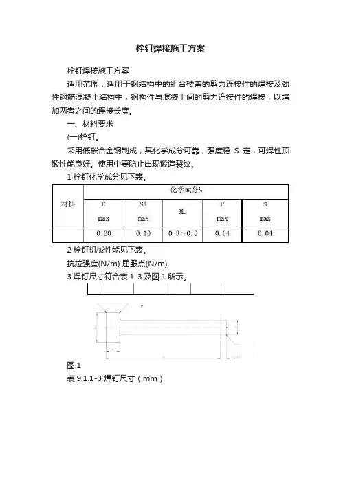
栓钉焊接施工方案栓钉焊接施工方案适用范围:适用于钢结构中的组合楼盖的剪力连接件的焊接及劲性钢筋混凝土结构中,钢构件与混凝土间的剪力连接件的焊接,以增加两者之间的连接长度。
一、材料要求(一)栓钉。
采用低碳合金钢制成,其化学成分可靠,强度稳S定,可焊性顶锻性能良好。
使用中要防止出现锻造裂纹。
1栓钉化学成分见下表。
2栓钉机械性能见下表。
抗拉强度(N/m) 屈服点(N/m)3焊钉尺寸符合表1-3及图1所示。
图1表9.1.1-3 焊钉尺寸(mm)(二)焊接瓷环。
焊接瓷环是服务于栓钉焊的一次性辅助焊接材料,其主要作用有以下几点:1使融化金属成型,不外溢,起到铸膜的作用。
2使融化金属与空气隔绝,防止融化金属被氧化。
3集中电弧热量,并使成型焊缝缓慢冷却。
4释放焊接过程中的有害气体。
5屏蔽电弧光与飞溅物。
6充当临时支架。
构成焊枪操作系统的一部分。
采用栓钉直接焊在工件上的普通栓钉焊,使用普通瓷环。
栓钉在引弧后先要熔穿具有一定厚度的薄钢板(一般厚度在0.8~1.6mm),然后再与工件熔成一体,穿透焊需要的瓷环壁厚要大于普通瓷环,下部排气孔总面积亦是普通瓷环的1.3倍。
瓷环的尺寸关键是控制支撑焊枪平台的高度和瓷环中心栓钉孔的直径。
由于瓷环生产工艺的差异,其产品尺寸的精确程度和稳定性将直接影响栓钉焊的质量。
瓷环检查内容如下:(1)中心孔的内外直径、椭圆度、薄壁均匀。
(2)禁止使用已经破裂和有缺损的瓷环。
(3)受潮瓷环要经过250℃,1h的烘焙,中间放潮气5min,瓷环见下图。
图9.1.2 瓷环二、主要机具1栓钉焊机。
直流电源,国产有QZL-2000A。
日本大坂栓焊机为降压供电式电源:FRNK-2000电源+制卸装置NC21。
MRN-2000+焊枪GS201或NS101松下栓焊机:YD-2000LS-2型栓焊机+焊枪YS-223G。
其暂载率为15%。
根据现场条件、供电要求、施焊数量确定台数、一次线长度、稳压电源、把线长度。
8 钢结构焊钉焊接施工工艺8.1 一般规定8.1.1 实用范围本标准适用于各类钢结构工程中,公称直径为10~25mm的焊钉(圆柱头焊钉、熔焊栓钉、剪力钉等)的焊接施工。
8.1.2参考标准与规范冷镦和挤压用钢 GB/T6478—2001电弧螺柱焊用圆柱头焊钉 GB/T10433—2002建筑工程施工质量验收统一标准 GB50300—2001钢结构工程施工质量验收规范 GB50205—2001建筑钢结构焊接技术规程 JGJ81—20028.1.3材料1 焊钉1) 焊钉材料的机械性能应符合表8.1.3-1规定。
表8.1.3-1 焊钉材料及机械相性能2) 焊钉的形状尺寸应符合图8.1.3-1及表8.1.3-2的规定图8.1.3-1 焊钉的形状尺寸注:图中1)表示由制造者选择可制成凹穴形式。
表8.1.3-2 焊钉的形状尺寸(mm)3) 焊钉表面质量焊钉必不经表面处理。
其表面应平滑、洁净,不得有锈蚀、氧化皮、油脂和毛刺等;其杆部表面不允许有影响使用的裂缝,但头部裂缝的深度(径向)不得超过0.25(d k-d)mm。
2 瓷环1) 焊接瓷环型式尺寸焊接瓷环型式和尺寸应符合图8.1.3-2和表8.1.3-3的规定。
其中,B1型适用于普通平焊,也适用于13mm和16mm焊钉的穿透平焊;B2型仅适用于19mm焊钉的穿透平焊。
图8.1.3-2 焊接瓷环型式和尺寸表8.1.3-3 焊接瓷环尺寸(mm)2) 表面质量焊接瓷环不得有露水和雨水痕迹。
8.2 施工准备8.2.1 技术准备1 施工单位应按JGJ81规定进行焊接工艺评定,其结果应符合设计要求和GB50205标准规定。
2 根据工艺评定、设计和图纸深化的结果,编制施工作业指导书,做好施工技术交底。
8.2.2 材料准备根据设计要求,选用合格的焊钉。
根据焊钉的安装位置按下述要求使用配套瓷环:1 若直接在压型钢板上安装焊钉,应使用穿透型(B2型)的配套瓷环。
2 若直接在钢梁钢柱上安装焊钉,应使用普通型(B1型)的配套瓷环。
技术交底记录钢筋桁架楼承板施工典型节点钢筋桁架楼承板其他节点1 钢筋桁架楼承板其他节点2东塔钢筋桁架楼承板铺设顺序第一步:钢筋桁架楼承板成品检验合格后运到第三步:支座竖筋焊接。
第四步:栓钉焊接。
第五步:临边封板。
栓钉焊接流程如下图注意事项序号具体内容1 栓钉必须符合规范和设计的要求。
如有锈蚀,需经除锈后方可使用(尤其是栓钉头和大头部不可有锈蚀和污物),严重锈蚀的栓钉不能使用。
2 施焊点不得有水分、油污及其它杂质。
3 在有风天气施工时,焊工应站在上风头,以防止火花伤害。
4 注意焊工的安全保护,尤其焊外围梁时,要进行安全防护,并应更小心谨慎。
5 焊工要熟练掌握焊机、焊枪的性能,搞好设备的维护保养。
当焊枪卡具上出现焊瘤、烧蚀或溅上熔渣时,及时清理或更换配件,以确保施工顺利和熔焊质量。
栓钉焊接施工质量标准序号类别具体内容1 外观检验焊接完毕,用尖头手锤敲击每个栓钉,脱掉瓷环进行外观检查。
不应有未熔透、咬边及磁偏吹2 弯曲试验对焊层不完善的栓钉,用手锤敲击时发出空鼓声的栓钉,对焊接后超过 1.6mm 规定值的栓钉进行打弯 15°试验,将缺陷露出,如被弯栓钉未出裂纹,则认为此栓钉合格。
3 施焊记录每层段施焊完做一次验收,以便下一工序开始。
栓钉焊接缺陷及处理方法56救援路线:发生事故后,以抢救伤员为首要任务,及时将伤员送到医院救治:救援路线如下:目的地路线郑州人民医院郑东医院项目现场→郑开大道→永顺路→阜外路→郑州人民医院郑东医院;路程2.2公里,时间大约5分钟。
未尽事项,详国家规范、图集及本工程图纸要求。
压型钢楼承板与栓钉施工方案
(1)压型钢楼承板概述
本工程主厂房夹层与楼面为压型钢板组合楼板,压型钢板的型号为型号为钢筋桁架楼承板,板厚为0.6mm,钢筋桁架楼承板结构与板型示意图如下所示:
(2)压型钢板铺设流程
(3)压型钢板铺设方法
(4)压型钢板细部节点处理
1)封边挡板的做法
根据压型钢板悬挑长度,选择包边板的厚度,制作L型钢板包边。
包边板焊接于钢梁上翼缘,焊接最小长度为50mm。
2)楼板开洞部位的做法
利用L75×5mm的角钢进行加固焊接,洞口小于300mm者可不加强;焊口必须采用满焊。
压型钢板采用栓钉焊接于角钢上,利用等离子切割形成洞口后,在边缘设置木板围模。
压型钢板开洞部位加固措施如下图:
(5)压型钢板铺设注意事项
(6)栓钉施工
1)栓钉概述
本工程中所用栓钉的尺寸、性能和强度应符合《电弧螺栓柱焊用圆柱头栓钉》(GB/T 10433-2002)中的规定。
2)工艺简介
栓钉焊接时采用带有自动控制焊接时间的专用焊接设备—栓焊机;能在极短的时间(0.3~1.2s)内,通过大电流(200~2000A)直接将栓钉的全面积焊道工件上,其栓钉全面积焊接,接头效率高,焊接质量可靠,应力分布合理,施工技术简单。
栓钉焊接时,每个栓钉应配备一个相应的热稳弧陶瓷环,以便膨径成型和蓄热。
3)栓钉焊接工艺
4)焊接流程
5)施工质量控制要点及保证措施○1栓钉施工注意事项
○2焊接栓钉施工质量标准
○3栓钉焊接质量图示
○4穿透焊栓钉焊接缺陷及处理方法。
焊钉(栓钉)焊接工程作业指导规范
1、适用范围
本规范运用于钢结构制作中焊钉(栓钉)焊接加工工序的控制。
2、控制
2.1 主控项目(注1):
2.1.1施工单位对其采用的焊钉和钢材焊接应进行焊接工艺评定,其结果应符合设计要
求和国家现行有关标准的规定。
瓷环应按其产品说明书进行烘焙。
检查数量:全数检查。
检验方法:检查焊接工艺评定报告和烘焙记录。
2.1.2焊钉焊接后应进行弯曲试验检查,其焊缝和热影响区不应有肉眼可见的裂纹。
检查数量:每批同类构件抽查 10%,且不应少于 10 件;被抽查构件中,每件检
查焊钉数量的 1%,但不应少于 1 个。
检验方法:焊钉弯曲 30°后用角尺检查和观察检查。
2.2 一般项目(注2):焊钉根部焊脚应均匀,焊脚立面的局部未熔合或不足 360°的焊
脚应进行修补。
检查数量:按总焊钉数量抽查 1%,且不应少于 10 个。
检验方法:观察检查。
注1:主控项目为必须符合本规范合格质量标准的要求,如无特别说明检查数量为全数检验。
注2:一般项目其检验结果应有80%及以上的检查点符合本规范合格质量标准的要求,且最大值不应超过其允许偏差值的1.2倍。
注3:每道工序完成后,操作者应在登记卡上签字,并经检验员签字确认合格。
各道工序操作者对上道工序的材料标记和检验员签字进行检查,确认无误后方可接收。
第1 页共1 页。
4钢结构焊钉焊接施工工艺标准4.1. 适用范围本标准规定了钢结构焊钉焊接的施工要求、方法和质量标准,适用于各类钢结构工程中的抗剪件、预埋件及锚固件,公称直径为6~22mm 的焊钉(圆柱头焊钉、熔栓焊钉、剪力钉)的焊接。
4.2编制依据的标准、规范GBl0433 圆柱头焊钉JGJ81 建筑钢结构焊接技术规程GB50205 钢结构工程施工质量验收规范4.3 术语和符号4.3.1 术语1 母材被焊接的材料统称。
2 焊缝金属构成焊缝的金属,一般是熔化的母材和填充金属凝固形成的那部分金属。
3 焊钉(栓钉)焊接将焊钉(栓钉)一端与板件(或管件)表面接触通电引弧,待接触面熔化后,给焊钉(栓钉)一定压力完成焊接的方法。
4.3.2 符号I—电流4.4施工准备4.4.1技术准备施工单位应进行焊接工艺评定,结果应符合设计要求和国家现行的有关标准的规定。
根据工艺评定、设计和图纸深化的结果编制施工作业指导书,做好施工技术交流。
4.4.2材料准备根据栓钉的安装位置,熔焊栓钉适用的瓷环可分为穿透型的瓷环和普通型的瓷环。
直接在压型钢板上安装的栓钉应使用穿透型的瓷环,在钢梁上安装的栓钉应使用普通型的瓷环。
根据作业条件施工应进行烘烤除湿。
4.4.3施工机具栓钉施工主要的专用设备为熔焊栓钉机。
表 4.4.3.1列出了日产JSS-2500型熔焊栓钉机的主要参数。
表4.4.3.1 JSS-2500型熔焊栓钉机的主要参数表其他最常用配合施工的工具为角向磨光机,用于安装栓钉时去除钢梁上的非导电型油漆。
熔焊栓钉施工时还必须配套安排焊接工艺特性较好的中型焊机(交直流均可)用于栓钉的补焊。
4.4.4 作业条件准备1钢结构构件表面的油漆应清除,没有露水、雨水、油及其他影响焊缝质量的污渍。
空气相对湿度不大于85%。
2根据作业条件,施工所使用的栓钉和配套使用的瓷环应烘烤除湿。
4.5施工工艺4.5.1施工工艺流程图4.5.1 施工工艺流程图4.5.2操作工艺1 正式焊接前试焊1个焊钉,用榔头敲击使剪力钉弯曲大约30°,无肉眼可见裂纹方可开始正式焊接,否则应修改施工工艺。
栓钉焊接工艺栓钉焊接工艺流程现场栓钉、瓷环检查、栓钉焊接施工工艺工艺1.把栓钉放在焊枪的加持装置中,把相应直径的保护瓷环置于母材上,把栓钉插入瓷环内并与母材接触。
2.按动电源开关,栓钉自动提升,激发电弧3.焊接电流增大,使栓钉端部和母材熔化4.设定电弧燃烧时间达到后,将栓钉自动压入母材5.切断电流,融化金属凝固,并使焊枪保持不动。
6.冷却后,栓钉端部表面形成均匀的环状焊缝余高,敲碎并清除保护瓷环。
高强螺栓连接施工磨擦面处理1.采用高强螺栓连接需在工地处理摩擦面时,其摩擦系数必须符合设计要求。
采用抛丸处理,每两节柱作一次摩擦系数、轴力试验。
2.经工厂处理的摩擦面上,如有氧化铁皮、毛刺、焊疤、泥土或油脂,应进行清理,至略呈赤锈时为宜。
3.处理后的摩擦面应保持干燥,不得受潮或雨淋。
摩擦面如有锈蚀,安装前应以细钢丝刷刷去摩擦面上的浮锈。
摩擦面不应涂装油漆。
高强度螺栓安装工艺流程高强度螺栓安装工艺流程如下图所示。
安装方法高强螺栓分两次拧紧,第一次初拧到标准预应力的50%,第二次终拧到标准预应力的100%,其时间间隔不得超过一天。
1.初拧当构件吊装到位后,将螺栓穿入孔中(注意不要使杂物进入连接面),然后用手动力矩扳手拧紧螺栓,使连接面结合紧密。
初拧力按终拧力矩的50%。
2.终拧螺栓的终拧由电动剪力扳手完成,其终拧强度由力矩控制设备来控制,确保达到要求的最小力矩。
安装要求1. 高强螺栓连接后应在同一包装箱中配套使用,不得互换。
2. 安装高强螺栓时,应用尖头撬棒及冲钉对正上下或前后连接板的螺孔,将螺栓自由投入。
3.对连接构件不重合的孔,应用铰刀扩孔或修孔,使符合要求时,方可进行安装;一个节点中的扩孔数不多于该节点孔数的1/3,修整后孔的最大直径小于1.2倍螺栓直径,修孔时铁屑不能落入板迭缝中;严禁用气割扩孔;绞刀扩孔应得原设计签字盖章认可。
4. 高强螺栓应顺畅穿入孔内,不得强行敲打,在同一连接面上穿入方向宜一致,以便于操作。
钢结构压型钢板、栓钉及防火涂料施工方案第 16 章钢结构压型钢板、栓钉及防火涂料施工方案第 1 节压型钢板施工1.平面施工顺序压型钢板排版以核心筒为中心,沿钢梁长度方向顺序铺板,在梁间距大于3m无支撑跨距时,在压型钢板正下方设临时支撑脚手架,避免压型钢板在铺装和混凝土浇注过程中产生下挠。
压型钢板铺设平面分A、B、C、D、E、F、G、H八个施工区域,按钢梁安装顺序进行铺设。
压型钢板铺设方向在中部A、B、C、D区域为从核心筒向外框筒方向,角部压型钢板铺设方向为从斜向钢梁向两侧对称进行。
核心筒内压型钢板铺设面积较少,铺设方向为从一侧向另一侧即可。
压型钢板布板示意图16-1-14662.压型钢板施工工艺流程压型钢板施工工艺流程图16-1-23.施工方法3.1板料吊运压型钢板在工厂打包时即按照现场分区图组合,到现场后分别吊入指定的施工层。
为保护压型钢板在吊运时不变形,可使用软吊索,打包时钢板下垫木板条。
每次使用前要严格检查吊索,以确保安全。
如下图:压型钢板吊运示意图16-1-34673.2散板和位置调整严格按照排版图指定位置散板和定位,板的直线度为单跨最大偏差10mm,板的错口要求<5mm,检验合格后方可与主梁焊接。
3.3压型钢板与钢梁的固定压型钢板与钢梁连接为焊接。
焊接采用手工电弧焊,焊条为E4303,直径3.2mm。
根据设计图纸要求,焊接点应为直径16mm点熔合焊,焊点间距305mm。
每块压型钢板间固定采用专用的自攻螺钉,螺钉间距按设计要求。
3.4洞口制作洞口尺寸1m以下的采用后开洞形式。
首先依据留洞图要求在压型钢板上放出定位线,在洞口四周焊接边模,边模的外沿尺寸为洞口尺寸。
待混凝土楼板达到设计强度后,由压型钢板施工人员进行洞口压型钢板切割,切割后应按要求进行洞口的防护。
3.5-板边缘切割采用氧乙炔割枪切割或等离子切割机。
对核心筒周围一些不规则面的切割应根据实际先在板面上放出定位线后进行切割。
4.压型钢板临时支撑按照压型钢板无支撑跨距要求,对钢梁连续两跨的跨度大于3m的部位,在混凝土施工前在下一层楼板上做可调节脚手架支撑。
8钢构造焊钉焊接施工工艺一般规定适用范围本标准合用于各种钢构造工程中,公称直径为10 ~25mm 的焊钉(圆柱头焊钉、熔焊栓钉、剪力钉等)的焊接施工。
参照标准与规范冷镦和挤压用钢GB/T6478 — 2001电弧螺柱焊用圆柱头焊钉GB/T10433 —2002建筑工程施工质量查收一致标准GB50300 — 2001钢构造工程施工质量查收规范GB50205 — 2001建筑钢构造焊接技术规程JGJ81 — 2002资料1焊钉1)焊钉资料的机械性能应切合表8.1.3-1 规定。
表焊钉资料及机械相性能材料标准机械性能σb≥400N/㎜2 ML15 、 ML15Al GB/T6478σ或σ≥320N/ ㎜s2δ≥14%2)焊钉的形状尺寸应切合图 8.1.3-1 及表 8.1.3-2 的规定l1l图 8.1.3-1 焊钉的形状尺寸注:图中 1 )表示由制造者选择可制成凹穴形式。
表焊钉的形状尺寸(mm)2公称101316192225d MinMax101316192225Mind kMaxh*3667MinkMaxr Min222233WA 参照45566640 ~40 ~50~60~80 ~公称长度 L180 ~300180200250300300注: 1、h* 为指导值,在特别场合,如穿透平焊,该尺寸可能不一样。
2、L1焊后长度设计值。
3)焊钉表面质量焊钉必不经表面办理。
其表面应光滑、干净,不得有锈蚀、氧化皮、油脂和毛刺等;其杆部表面不一样意有影响使用的裂痕,但头部裂痕的深度(径向)不得超出0.25(d k-d)mm 。
2瓷环1)焊接瓷环型式尺寸型合用于一般平焊,也合用于焊接瓷环型式和尺寸应切合图13mm 和 16mm 焊钉的穿透平焊;B2和表 8.1.3-3 的规定。
此中,B1型仅合用于19mm 焊钉的穿透平焊。
图焊接瓷环型式和尺寸表焊接瓷环尺寸 (mm)焊钉公称直径DD1D2Hd Min Max10141811131823121617271719202718222330252638222)表面质量焊接瓷环不得有露珠和雨水印迹。
栓焊钉施工
1 工艺流程
焊钉、瓷环检查→现场清理放线→现场焊接试验合格→焊钉焊接→焊接检查.2 施工要点
1)栓焊简介
栓焊也叫螺柱焊,分为电弧栓焊和储能栓焊两类。
在建筑工程中应用的大多是电弧栓焊。
电弧栓焊是将栓钉端头置于陶瓷保护罩内与母材接触并通以直流电,以使栓钉与母材之间激发电弧,电弧产生的热量使栓钉和母材熔化,维持一定的电弧燃烧时间后将栓钉压入母材局部熔化区内。
电弧栓焊可分为直接接触方式与引弧结(帽)方式两种。
直接接触方式是在通电激发电弧同时向上提升栓钉,使电流由小到大,完成加热过程。
引弧结(帽)方式是在栓钉端头镶嵌铝制帽,通电以后不需要提升或略微提升栓钉后再压入母材。
陶瓷保护罩的作用是集中电弧热量,隔离外部空气,保护电弧和熔化金属免受氮、氧的侵入,并防止熔融金属的飞溅。
2)栓焊过程
栓焊过程如图5.3.3.2-1所示。
(e)冷却 (焊接完成)
(e)断电 (熔化金属凝固) (d)加压
(固定一段时间后
栓钉压入到母材中)
(强电流使栓钉端与一 部分母材加热熔化)(按动开关,上提栓
钉产生引导电弧)(栓钉端部与母材接触)
栓焊过程示意图
(1) 把栓钉放在焊枪的夹持装置中,把相应直径的保护瓷环置于母材上,把栓钉插入瓷环内并与母材接触;
(2) 按动电源开关,栓钉自动提升,激发电弧;
(3) 焊接电流增大,使栓钉端部和母材表面局部熔化;
(4) 设定的电流燃烧时间到达后,将栓钉自动压入母材;
(5) 切断电流,熔化金属凝固,并使焊枪保持不动;
(6) 冷却后,栓钉端部表面形成均匀的环状焊缝余高,敲碎并清除保护环。
3 操作要点
1) 栓焊工艺参数:包括焊接电流、通电时间、焊钉伸出长度及高度。
根据栓钉的直径不同以及被焊钢材的表面情况、镀层材料选定相应的工艺参数,一般栓钉的直径增大或母材上有镀锌层时,所需的电流、时间等各项工艺参数相应增大。
被焊钢构件上铺有镀锌钢板时(如钢/混凝土组合楼板中钢梁上的压型钢板),要求栓钉穿透镀锌板与母材牢固焊接,由于压型钢板厚度和镀锌层导电分流的影响,电流值必须相应提高。
为确保接头强度,电弧高温下形成的氧化锌必须从焊
接熔池中充分挤出,其他各项焊接参数也需相应提高。
2)应进行焊钉质量检查。
焊钉应无裂纹、皱纹、扭歪、弯曲等缺陷。
受潮的焊接瓷环使用前应经120℃烘焙1~2h(或按其说明书进行)。
3)在焊前应清除母材和焊钉上的水份、油污和过量的铁锈。
对穿透栓钉焊,焊接区更要严格清理焊接区,焊接电流要大于一般栓钉焊,焊接时间也要适当延长。
当压型钢板采用镀锌钢板时,应采取相应的除锌措施后施焊。
4)采用栓钉进行焊接时,一般应使工件处于水平位置。
5)如遇压型板有翘起造成与线材间隙过大时,可用手持式卡具(图5.3.3.2-2)对压型钢板邻近施焊处局部加压,使之与母材贴合。
一般要求间隙不应超过1mm。
图5.3.3.2-2 栓焊卡具示意图
6)采用栓钉进行焊接时,如挤出焊脚不足360°,可用合适的焊条用手工电弧焊修补,并作30°弯曲试验;由于某种原因需将焊好的栓钉拆除后重焊时,应将拆除焊钉的区域靡平,如发现有被拉去母材的凹坑,则需将凹坑焊满磨平再进行补焊。
7)在每班作业前应先作样焊。
应根据现场电缆线长度、施工季节、风力等因素调节焊接工艺参数。
8)栓钉焊后,应进行随机弯曲试验抽查,试验时用锤击栓钉头部,使栓钉弯曲30°,观察挤出焊脚和热影响区,无肉眼可见的裂纹即为合格。