静力水准仪参数标定表表
- 格式:pdf
- 大小:45.96 KB
- 文档页数:1
项目名称四等水准测量水准仪、标尺检定资料单位名称二○一○年十月目录水准仪的检视水准仪:№:水准仪上概略水准器的检校水准仪:№:水准标尺的检视标尺类型:№1:№2:标尺上圆水准器的检校标尺类型:№1:№2:水准标尺分划面弯曲差的测定测前测中测后标尺:黑红面标尺№: №: 日期年月日标尺:黑红面标尺№: №: 日期年月日仪器:№:方法:观测者:日期:年月日标尺:记录者:仪器:№:方法:观测者:日期:年月日标尺:记录者:水准标尺分划面每米分划间隔真长的测定测前测前测后测后标尺:黑红面标尺观测者:检查尺:三等标准金属线纹米尺№.1962-016 记录者:分划面:基本分划(黑面)日期:检查者:标尺:黑红面标尺观测者:检查尺:三等标准金属线纹米尺№.1962-016 记录者:分划面:辅助分划(红面)日期:检查者:标尺:黑红面标尺观测者:检查尺:三等标准金属线纹米尺№.1962-016 记录者:分划面:基本分划(黑面)日期:检查者:标尺:黑红面标尺观测者:检查尺:三等标准金属线纹米尺№.1962-016 记录者:分划面:辅助分划(红面)日期:检查者:标尺:黑红面标尺观测者:检查尺:三等标准金属线纹米尺№.1962-016 记录者:分划面:基本分划(黑面)日期:检查者:标尺:黑红面标尺观测者:检查尺:三等标准金属线纹米尺№.1962-016 记录者:分划面:辅助分划(红面)日期:检查者:标尺:黑红面标尺观测者:检查尺:三等标准金属线纹米尺№.1962-016 记录者:分划面:基本分划(黑面)日期:检查者:水准标尺分米分划误差的测定标尺:黑红面标尺观测者:检查尺:三等标准金属线纹米尺№.1962-016 记录者:分划面:辅助分划(红面)日期:检查者:2021。
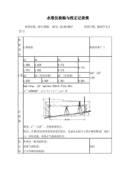
水准仪检验与校正记录表
检查仪器:索佳C320 编号:CL-02-S017 检查日期:2015年3月27日
观测:鲁敬卫记录:李海清复核:冯仲河
水准仪检验与校正记录表
检查仪器:索佳C320 编号:CL-02-S018 检查日期:2015年3月27日
观测:鲁敬卫记录:李海清复核:冯仲河
水准仪检验与校正记录表
检查仪器:索佳C320 编号:CL-02-S018 检查日期:2015年4月15日
观测:鲁敬卫记录:李海清复核:冯仲河
水准仪检验与校正记录表
检查仪器:索佳C320 编号:CL-02-S017 检查日期:2015年4月15日
观测:鲁敬卫记录:李海清复核:冯仲河
水准仪检验与校正记录表
检查仪器:索佳C320 编号:CL-02-S017 检查日期:2015年5月3日
观测:鲁敬卫记录:李海清复核:冯仲河水准仪检验与校正记录表
检查仪器:索佳C320 编号:CL-02-S018 检查日期:2015年5月3日
观测:鲁敬卫记录:李海清复核:冯仲河
水准仪检验与校正记录表
检查仪器:索佳C320 编号:CL-02-S018 检查日期:2015年5月20日
观测:鲁敬卫记录:李海清复核:冯仲河
水准仪检验与校正记录表
检查仪器:索佳C320 编号:CL-02-S017 检查日期:2015年5月20日
观测:鲁敬卫记录:李海清复核:冯仲河。
压差式(硅晶式)静力水准仪压差式(晶硅式)静力水准仪实物图一、压差式(硅晶式)静力水准仪的应用压差式(晶硅式)静力水准仪是由储液器、高精度感应器、处理模块、保护罩、联通管等部件组成。
适用于测量地铁隧道、建筑物、大坝、城市管道、路面等结构体的垂直位移差异变形。
我公司生产的压差式(硅晶式)静力水准仪具有兼容其他生产厂家的设备,安装简单、测量精度高、多重温度补偿、功耗低、抗干扰能力强、可靠性高等优点。
二、压差式(硅晶式)静力水准仪技术参数1、型号:CS-JL0202、精度:±0.1mm3、量程:0.2~3000mm4、工作温度:-40℃~+80℃5、信号输出:R485输出6、工作电压:DC12V~DC24V7、防护等级:IP688、连接方式:采用串联方式一根主线三、安装步骤1、安装前对基点选择的要求,要求基点原理测点距离尽可能的>15m 相对稳定无振源干扰。
落差不大于2m。
测点之间的间距根据设计要求进行布置。
2.安装前对传感器进行ID地址确认,并且记录在PC机软件内,将所所有要安装的传感器联机测试10分钟,安装时按照ID编号的顺序和测点位置确定传感器。
3、测点传感器采用膨胀螺栓固定安装并且要求固定牢固,然后将液体连通管串联至每个测点传感器,基点、储液罐相连接闭合,液体接口处螺丝锁死固定要求无漏液。
4、气压平衡管采用液体联通管同样连接方式串联,然后和基点、储液罐联通5、通信电缆的连接,线缆采用双绞屏蔽PU4*0.4防滑电缆,颜色分白色信号R485A绿色信号R485B黑色12v-红色12v+采用接线盒按照线缆的颜色对应连接至接线盒,连接方式采用穿蓝测点基地串联方式通信、然后与采集仪相连。
6、液体的添加不同的监测环境所对液体的要求也不一样,推荐两种液体,第一种为自来水,蒸馏水、一般采用该类液体首先要确定环境温度变换不大于10度,液体的膨胀系数子啊控制范围之内不会结冰上冻。
7、防冻液+自来水、比例1:1该液体一般用在北方寒冷地区温度范围-20°-30°使用。
液位压差式静力水准仪产品说明书(V1.0)湖南菲尔斯特传感器有限公司Hunan Firstrate Sensor Co.,Ltd●重要声明非常感谢您购买菲尔斯特产品,我们为您真诚服务到永远。
菲尔斯特追求卓越的品质,更注重优良的售后服务,如有需要请拔打:400-607-8500(7×24h)。
操作错误会缩短产品的寿命,降低其性能,严重时可能引起意外事故。
请您将本说明书交到最终用户手中,在产品使用前务必仔细熟读。
并请妥善保管好,以备需要时查阅。
本说明书仅供参考所用,具体产品外形以实物为准。
●产品概述FST800-101S液压式静力水准仪,也叫沉降监测静力水准仪,是一种高精密液位测量仪器,用于测量基础和建筑物各个测点的相对沉降。
由储液器、高精度芯体和特殊定制电路模块、保护罩等部件组成。
主要应用于综合管廊沉降监测。
广泛应用于大型建筑物、高层建筑物、大坝、水电站、核电站、水利枢纽工程、铁路、地铁、高铁、综合管廊等各测点不均匀沉降的测量。
●工作原理地基沉降是一个缓慢过程,在任何较短时期,反映到储液罐液面的变化都会非常细微,能否实时、精确地检测到这个微小变化,反映出地基的微小沉降,做到防微杜渐,是衡量一个静力水准仪产品好坏的关键,这对系统所集成液位传感器的实时性、精密性提出了极高要求。
由于是户外安装,液位传感器的温度系数、防水性、防雷击都是关键技术。
另外,静力水准仪整机的安装尺寸和易更换性也是重要的技术指标,加上储液罐、保护罩、调平支架、通联气、水管等部件组成。
液压式静力水准仪是基于连通器原理,通过测量若干个相互联通的安装于被测量点储液罐液位压力与测量基点(不动点)液罐液位压力的相对变化,反推出各个储液罐安装位置相对位置沉降变化量的一种精密仪器。
●应用领域3、隧道上部山体及建筑物;4、高速公路路基、边坡沉降检测;5、桥墩、基坑沉降检测;6、大坝及水利枢纽、高层建筑的基础;7、核电站、大型水电站;8、综合管廊沉降监测。
LN2031-Ⅱ型光电式(CCD) 静力水准遥测坐标仪使用说明书西安联能自动化工程有限责任公司目录一、概述 (1)二、产品规格 (1)三、技术指标 (1)四、技术特点 (2)五、基本原理 (2)六、仪器结构 (4)七、安装方法 (6)八、采集设备及测试软件(选购件) (8)九、程控命令: (8)十、测量结果计算: (9)十一、人工标定 (9)十二、自动化标定 (12)十三、注意事项: (13)十四、装箱单: (13)十五、选购件 (14)一、概述LN2031-Ⅱ型光电式(CCD)静力水准遥测坐标仪是基础与建筑物垂直变形观测的新型专用测量仪器,可用于观测大坝、桥梁、码头、滑坡、地面沉降、地裂缝、断层、软弱夹层等的垂直变形。
LN2031-Ⅱ型光电式(CCD)静力水准遥测坐标仪应用连通管原理多点连通,通过连通容器中的浮子跟踪液位,将被测参考点的微小高差变化转换为标志杆的垂直位移,由CCD智能传感器检测垂直位移,用单片机实现CCD 器件的程控驱动、信号处理和识别、数据采集、计算机和通讯等功能。
该仪器将传感器和外围电路集成,并设计专用模具制造,仪器的整体性和密封性能好,便于安装。
本仪器具有结构简单、安装方便、防潮性能好、可靠性强、技术配套性好等特点。
二、产品规格LN2031 硬件设置地址。
LN2031-Ⅱ数据存储功能(3500条),程序设置地址,扶正系统。
三、技术指标标称测量范围:50mm分辨率:0.01mm精度:0.1mm电学漂移:无遥测接口:RS485工作环境:温度-10℃~+40℃湿度≤95%RH供电电压:AC85V~265V50Hz功耗:5W储存数据:3500条数据设备地址:程序设置体积:Φ200×340(高)重量:2.6Kg四、技术特点⒈本仪器为智能型数字化自动测量仪器,具有目标自动判断识别功能和故障自动诊断功能。
⒉应用以CCD器件为基础的光电一体化智能型位移传感器作为检测单元,无电学漂移问题,可靠性强。
静力水准仪静力水准仪(超高精度液位变送器)型号:PT124B-226(标准型)产品描述PT124B-226型晶硅式液位变送器是由储液器、进口高精度芯体和特殊定制电路模块、保护罩等部件组成。
适用于测量地量程小精度高的液位测量。
主要应用于地铁隧道,楼房地基沉降,大坝的测量 .应用领域地铁隧道、楼房沉降 冶金,机械,环◆技术性能医疗,真空设备◆石化管道位◆油罐场合的液位测量特点◆超度。
高稳定性 多种标准信号输出,用户调试方便 高精度大量程外形结构ZHYQ传感与控制Page 1 of 1高精度液位传感器技术规格量程:0~10mmH2O~3500mmH2O 综合精0.03%.0.01%度:非线性:满量程的0.02%稳定性:0.03%FS/年输出信RS485.4-20Ma .0.5-4.5V 号:(9-14)VDC供电电压:工作温-10~80℃度范围:补偿温0~70℃度范围:过载压150%FS力:电气接线方式 电气接头输出信号:4-20mA 输出信号:0-10V, 0-5V 功 能 颜 色 功 能 颜 色 电源+ 红色 电源+ 红 色 信号+ 黑色 电源- 黄 色 --- --- 信号+ 蓝 色 ------信号-白 色订购指南料:电气连接:通气电缆线, 防护等级:IP68(mmH2O)信号接口连接PT124B-226 100RS485------ --- ---订货举例:地址:上海市松江区南乐路1276弄115号8号楼5-6FZHYQ传感与控制Page 1 of 2。
BGK4676 CCD静力水准仪 使 用 说 明 书基康仪器(北京)有限公司2008 年4 月目 录一.概述.......................................................... .1 二.技术指标...................................................... .1 三.仪器原理及结构.. (1)(一).基本原理 ................................................... .1 (二).仪器结构.. (2)1.底筒 (2)2.浮子部件 (2)3.C C D部件 (2)4.上盖 (2)四.安装方法 (3)1.安装予埋底板组件或仪器支架 (3)2.安装仪器 (4)3.仪器精确调整 (4)五.使用方法 (4)1.连接方法 (4)2.观测数据处理方法 (5)六.数据收集仪的使用说明 (6)七.常见故障与排除方法 (9)一.概 述BGK4676 CCD 静力水准仪是应用于基础与建筑物垂直变形观测的仪器。
仪器利用连通管原理多点连通,通过连通容器中的浮子跟踪液位,将被测参点的垂直位移转换为标志杆的位移,通过对线阵CCD扫描图象的识别检测被测点的垂直位移。
本仪器为智能型数字化自动测量仪器,具有目标自动判断识别功能和故障自动诊断功能,本仪器以CCD 器件构成智能型位移传感器作位移检测单元,无电学漂移问题,可靠性高。
二.技术指标测量范围:10mm分 辨 率:0.001mm测量精度:0.01mm电学漂移:无信号输出: RS485供电电源:交流220V±20%,50Hz功 耗:3W体 积:Φ150×250(高)重 量:5kg环境温度:-10℃ ~ + 50℃环境湿度:95%RH, 无凝结三.仪器原理及结构(一).仪器原理本仪器选择光电图像传感方法,采用CCD器件构成位移检测单元,传感器单元由平行光光源和CCD 光接收器等部分组成。
第 8 页
各等级水准测量的技术要求
注:n 为水准路线单程测站数,每千米多于16站时按山地计算闭合差限差,L 为往返侧段
附合或环线的水准路线长度(km ) 仪器你、标称精度为嘛每千米水准测量高差平均 值的偶然中误差
等级 二等 三等 四等 偶然中误差M(mm/km) ±1 ±3 ±5 中误差M(mm/km) ±2 ±6 ±10 仪器标称精度(mm/km) ±0.5 ±1 ±1 ±3 ±3 水准尺类型 铟瓦条码尺 铟瓦尺或红黑面尺 红黑面尺 观测方法
数字水准发 中光学测微法 丝读书法
中丝读书法
观测顺序
光学经纬仪
往测
奇数站:后前前后 偶数站:前后后前
返测
奇数站:前后后前
偶数站:后前前后 后前前后 后后前前
数字经纬仪
奇数站:后前前后 偶数站:前后后前
观测次数
与已知点联测 往返各一次 往返各一下次 往返各一下次 环线或附合
往返各一下次
往返各一下次 往一次 往返较差 环线或附合线路闭合差(mm )
平丘地
±4√ L
±12√ L
±20√ L
山地 ±0.6√ L ±3√ L ±5√ L。
矿山静力水准仪说明书矿山静力水准仪是一种用于测量地面高程和确定水准线的仪器。
它在矿山工程、工程测量和地质勘探等领域起着重要作用。
本说明书将为您详细介绍矿山静力水准仪的使用方法、注意事项和技术规范,以确保您正确、安全地使用该仪器。
1. 仪器概述:矿山静力水准仪是一种精确测量地面高程的仪器。
它由水平仪、望远镜、直升机支架等组成。
其主要原理是利用秤盘测力的方式来测量仪器在不同位置的高度差,并通过望远镜观测物体的高度差,从而推导出地面的高程。
2. 使用方法:(1)安装仪器:将矿山静力水准仪稳固地安装在合适的支架上,确保仪器水平稳定。
(2)调整仪器:通过调整仪器的水平仪和望远镜,使其垂直于地面。
使用调平螺丝细致地调整仪器水平度,确保测量结果的精确性。
(3)观测测量:通过望远镜观测测量点的高度差,并记录下测量数值。
根据观测结果可以推导出地面的高程变化。
3. 注意事项:(1)在使用前,请确保仪器的各个零部件完好无损,如有损坏应及时修复或更换。
(2)使用过程中要避开干扰物,如树木、建筑物等,以免影响测量结果。
(3)在测量前后应及时检查并校准仪器,以保证测量的准确性。
(4)在潮湿、多风或恶劣天气条件下,应谨慎使用仪器,避免对仪器产生损坏。
4. 技术规范:根据国家标准,矿山静力水准仪的技术规范应满足以下要求:(1)仪器测量精度应在±0.5mm以内。
(2)仪器的工作温度应在-20℃至50℃之间。
(3)仪器的防护等级应达到IP67,以防止灰尘和水分进入仪器内部。
(4)仪器的重量应适中,便于携带和操作。
通过本说明书,您可以准确了解并顺利操作矿山静力水准仪。
在使用过程中,请遵循仪器操作要求和注意事项,确保测量结果的准确性和安全性。
如有疑问或需要进一步的技术支持,请及时联系相关专业人员。
祝您工作顺利!。
隧道静力水准仪技术参数
隧道静力水准仪是用于测量隧道内水平面高程的一种仪器。
它的
技术参数包括以下内容:
1. 测量范围:通常情况下,隧道静力水准仪的测量范围为±5mm。
2. 精度:测量精度是衡量仪器好坏的一个重要指标。
一般情况下,隧道静力水准仪的测量精度为±0.2mm。
3. 自动化程度:隧道静力水准仪具有一定的自动化程度,可以实
现数据记录、计算、处理和输出。
它还可以通过蓝牙或WiFi无线传输
测量数据。
4. 显示方式:隧道静力水准仪的数据显示方式有两种,第一种是
数字显示屏,第二种是连接电脑软件实现数据显示。
5. 耗能:隧道静力水准仪的工作需要用到电池,耗能量为5W。
综上所述,隧道静力水准仪可以提供准确、稳定的隧道内水平面
高程数据,具有精度高、自动化程度高等优点。
经纬仪、全站仪、水准仪及其配套设施除按规定对新仪器及定期进行全面送检外,还必须按表A.1~A.6进行定期自检或送检。
如检查发现有外观变形、连接部位松动等情况,不得用于观测,需经过维修并检验合格后,才能投入使用。
对检验后的仪器常数、水准标尺每米真长等改正数,应确认其为显著后,方可对测值进行改正。
表中“作业前”是指该监测项目首次观测前、更换仪器观测前、长途运输或剧烈震动或碰撞后观测前、仪器送检或外借后观测前、距上次检验间隔较长时间观测前。
表A.1 光学经纬仪定期检验项目及频次要求表注1:经纬仪配套活动觇牌应在每年进行一次检验(自检),首先应对觇牌的水准管轴与竖轴的垂直性、圆水准轴与竖轴的平行性等进行检校;活动觇牌零位、固定觇牌的图案中心轴与竖轴的重合性进行检验。
注2:测量仪器使用过程与该检验项目无关,则可不进行该项目检验,如不使用光学对中器则可不检验光学对中器对中误差、不进行距离观测则可不检验测距部分检验项目。
表A.2 光学经纬仪检验项目技术指标表表A.3 全站仪(测角部分)检验项目及频次要求表注1:测距时所用气象仪表包括通风温度表和空盒气压表应定期送有关气象部门检验,其中温度表每三年检验一次,气压表每年检验一次。
空盒气压表检定的项目:(1)补充订正值的检定;(2)温度改正系数的检定;(3)刻度改正值的检定。
通风温度表检定的项目:(1)通风器的检定;(2)温度表刻划的检定。
注2:全站仪配套目标棱镜应在每年进行一次检验(自检),首先应对目标棱镜的圆水准轴与竖轴的平行性进行检校;目标棱镜纵横向偏心,用于高程观测的目标棱镜还包括高程向偏心进行检验。
表A.4 全站仪(测角部分)检验项目技术指标表表A.5 水准仪及其配套设施检验项目及频次要求表表A.6 水准仪及其配套设施检验项目技术指标表(1)全站仪检验1)外观及一般功能检验(A )全站仪表面不应有碰伤、划痕、脱漆和锈蚀;盖板及部件应接合整齐,密封性好。
(B )光学部件表面无擦痕、霉斑、麻点及脱漆现象,镀膜面应无脱膜腐蚀现象;望远镜十字丝成像清晰,视场明亮,亮度均匀;目镜调焦及物镜调焦转动平稳,不应有分划影像晃动或自行滑动的现象。