建筑物垂直度,标高观测测量文本记录
- 格式:doc
- 大小:196.02 KB
- 文档页数:8
大垂直偏差、垂直度等观测测量,应及时在每层结构层完工时进行;全高顶面标高、垂直度观测测量,应及时在主体完工时进行。
④施工单位应根据建筑测量定位放线的规定要求另附详细平面布置图及其观测测量手薄。
建筑物垂直度、标高观测测量记录湘质监统编施2002—22分)。
②层高指结构层上下楼板的板顶至板底的距离,总高指室外地坪面至结构施工层楼板板顶的高度。
③层高、总高的高度及最大垂直偏差、垂直度等观测测量,应及时在每层结构层完工时进行;全高顶面标高、垂直度观测测量,应及时在主体完工时进行。
④施工单位应根据建筑测量定位放线的规定要求另附详细平面布置图及其观测测量手薄。
建筑物垂直度、标高观测测量记录湘质监统编施2002—22分)。
②层高指结构层上下楼板的板顶至板底的距离,总高指室外地坪面至结构施工层楼板板顶的高度。
③层高、总高的高度及最大垂直偏差、垂直度等观测测量,应及时在每层结构层完工时进行;全高顶面标高、垂直度观测测量,应及时在主体完工时进行。
④施工单位应根据建筑测量定位放线的规定要求另附详细平面布置图及其观测测量手薄。
建筑物垂直度、标高观测测量记录湘质监统编施2002—22分)。
②层高指结构层上下楼板的板顶至板底的距离,总高指室外地坪面至结构施工层楼板板顶的高度。
③层高、总高的高度及最大垂直偏差、垂直度等观测测量,应及时在每层结构层完工时进行;全高顶面标高、垂直度观测测量,应及时在主体完工时进行。
④施工单位应根据建筑测量定位放线的规定要求另附详细平面布置图及其观测测量手薄。
建筑物垂直度、标高观测测量记录湘质监统编施2002—22分)。
②层高指结构层上下楼板的板顶至板底的距离,总高指室外地坪面至结构施工层楼板板顶的高度。
③层高、总高的高度及最大垂直偏差、垂直度等观测测量,应及时在每层结构层完工时进行;全高顶面标高、垂直度观测测量,应及时在主体完工时进行。
④施工单位应根据建筑测量定位放线的规定要求另附详细平面布置图及其观测测量手薄。
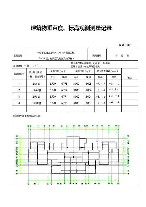
建筑物垂直度、标高观测测量记录编号:002工程名称市点军区塘上龙悦(二期)安置房工程(2#-10#楼、村民活动礼堂及地下室)观测日期年月日观测层数:三层←↑→↓施工单位专职测量员、记录员:倪小军监理(建设)单位旁站监督人:观测点编号观测部位(柱、墙轴线等)全高检测(m)层高检测(m)最大垂直偏差(mm)备注设计实测设计实测层高总高1 1/A轴 6.770 6.775 3.000 3.005 ←3、↓5←3、↓52 33/A轴 6.770 6.774 3.000 3.004 ↑3、→4←2、↓43 1/U轴 6.770 6.774 3.000 3.004 ←1、↓6↓3、←44 33/U轴 6.770 6.773 3.000 3.007 ↓2、←5→4、↓6观测点平面布置简图及说明:顶部分)。
②层高指结构层上下楼板的板顶至板底的距离,总高指室外地坪面至结构施工层楼板板顶的高度。
建筑物垂直度、标高观测测量记录编号:001观测点平面布置简图及说明:施工单位观测结果:施工单位项目专业技术负责人:年月日监理(建设)单位核查结论:项目专业监理工程师监理项目部(章) (建设单位项目技术负责人):年月日顶部分)。
②层高指结构层上下楼板的板顶至板底的距离,总高指室外地坪面至结构施工层楼板板顶的高度。
建筑物垂直度、标高观测测量记录编号:001工程名称市点军区塘上龙悦(二期)安置房工程(2#-10#楼、村民活动礼堂及地下室)观测日期年月日观测层数:一层←↑→↓施工单位专职测量员、记录员:倪小军监理(建设)单位旁站监督人:观测点编号观测部位(柱、墙轴线等)全高检测(m)层高检测(m)最大垂直偏差(mm)备注设计实测设计实测层高总高1 1/A轴 5.100 5.106 5.100 5.104 ←4、↓4←4、↓32 33/A轴 5.100 5.106 5.100 5.106 ↑5、→4←7、↓53 1/U轴 5.100 5.105 5.100 5.105 ←3、↓4↓5、←54 33/U轴 5.100 5.105 5.100 5.104 ↓4、←4→5、↓7观测点平面布置简图及说明:施工单位观测结果:施工单位项目专业技术负责人:年月日监理(建设)单位核查结论:项目专业监理工程师监理项目部(章)(建设单位项目技术负责人):年月日顶部分)。
下面是赠送的保安部制度范本,不需要的可以编辑删除!!!!谢谢!保安部工作制度一、认真贯彻党的路线、方针政策和国家的法津法规,按照####年度目标的要求,做好####的安全保卫工作,保护全体人员和公私财物的安全,保持####正常的经营秩序和工作秩序。
二、做好消防安全工作,认真贯彻“预防为主”的方针,教育提高全体人员的消防意识和防火知识,配备、配齐####各个楼层的消防器材,管好用好各种电器设备,确保####各通道畅通,严防各种灾害事故的发生。
三、严格贯彻值班、巡检制度,按时上岗、到岗,加经对重要设备和重点部位的管理,防止和打击盗窃等各种犯罪活动,确保####内外安全。
四、、加强保安队部建设,努力学习业务知识,认真贯彻法律法规,不断提高全体保安人员的思想素质和业务水平,勤奋工作,秉公执法,建设一支思想作风过硬和业务素质精良的保安队伍。
11、保持监控室和值班室的清洁干净,天天打扫,窗明地净。
12、服从领导安排,完成领导交办任务。
5、积极扑救。
火警初起阶段,要全力自救。
防止蔓延,尽快扑灭,要正确使用灭火器,电器,应先切断电源。
6、一旦发生火灾,应积极维护火场秩序,保证进出道路畅通。
看管抢救重要物资,疏散危险区域人员。
九、协同本部门或其他部门所进行的各项工作进行记录。
保安员值班操作及要求一、交接岗1、每日上午9时和下午19时为交接岗。
2、交接岗时将当班所接纳物品清点清楚,以及夜班所发生的情况未得到解决的需>面汇报。
检查值班室内外的卫生状况,地面无纸屑,桌面无杂物,整齐清洁。
二、执勤1、7:50 —8:10、13:50 —14:10立岗迎接上班人员;12:00 —12:20 、18:00 —18:20立岗送下班人员。
3、门卫室值勤时,应做到坐姿端正,注视监视器的动态,做好接待工作,值勤期间不看书报电视,听收音机。
不与无关人员聊天,劝阻无关人员不要在门卫室寄存物品或打电话,禁止打瞌睡。
4、维持门口秩序,使之保持畅通。
建筑物垂直度、标高、全高测量记录该文章没有明显的格式错误和有问题的段落,但可以进行小幅度的改写,如下:记录建筑物垂直度、标高和全高的测量结果:单位工程名称:___-18#楼施工单位:___测量部位:东立面、南立面、西立面、北立面、一层、二层、三层、四层、五层、六层和2跃层的外墙垂直度和全高施工单位检查评定结果:垂直度为±30mm,全高为20mm设计和规定值:垂直度为H/1000且≤30mm,全高为H/1000且≤30mm项目经理:___测量记录:东立面:18mm 南立面:20mm 西立面:17mm 北立面:16mm 一层:16mm 二层:7mm三层:5mm四层:6mm五层:8mm六层:9mm2跃层:5mm监理单位验收意见:垂直度为±10mm,全高为±30mm结论:该项目的测量结果符合要求。
单位工程名称:芜湖县清水镇二路一桥拆迁安置房E标30#楼施工单位:___测量部位:东立面、南立面、西立面、北立面、一层、二层的外墙垂直度和全高施工单位检查评定结果:垂直度为≤30mm,全高为30mm设计和规定值:垂直度≤10m时为10mm,≥10m时为20mm,全高为≤10m时为10mm,≥10m时为20mm项目经理:___测量记录:东立面:4mm南立面:5mm西立面:8mm北立面:7mm一层:6mm二层:8mm监理单位验收意见:垂直度为≤10m时为10mm,≥10m时为20mm,全高为≤10m时为10mm,≥10m时为20mm结论:该项目的测量结果合格。
单位工程名称:芜湖县清水镇二路一桥拆迁安置房E标31#楼施工单位:___测量部位:东立面、南立面、西立面、北立面、一层、二层的外墙垂直度和全高施工单位检查评定结果:垂直度为≤30mm,全高为20mm设计和规定值:垂直度为H/1000且≤30mm,全高为H/1000且≤30mm结论:该项目的测量结果符合要求。
建筑物垂直度、标高、全高测量记录单位工程名称:芜湖县清水镇二路一桥拆迁安置房E标32#楼、33#楼施工单位:___测量项目:建筑物垂直度、标高、全高测量部位:东立面外墙、南立面、西立面、北立面层数:一层、二层层高:2m设计、规定值:≤10m时10mm,≥10m时20m施工单位检查评定结果:32#楼:东立面垂直度:8mm;南立面垂直度:8mm;西立面垂直度:5mm;北立面垂直度:6mm;全高:4mm、7mm、24mm、18mm、18mm。
精心整理建筑物垂直度、标高观测测量记录共页第页楼板的板顶至板底的距离,总高指室外地坪面至结构施工层楼板板顶的高度。
③层高、总高的高度及最大垂直偏差、垂直度等观测测量,应及时在每层结层完工时进行;全高顶面标高、垂直度观测测量,应及时在主体完工时进行。
④施工单位应根据建筑测量定位放线的规定要求另附详细平面布置图及其观测量手薄。
建筑物垂直度、标高观测测量记录共页第页湘质监统编施2002—22湘质监统编施2002—22楼板的板顶至板底的距离,总高指室外地坪面至结构施工层楼板板顶的高度。
③层高、总高的高度及最大垂直偏差、垂直度等观测测量,应及时在每层结层完工时进行;全高顶面标高、垂直度观测测量,应及时在主体完工时进行。
④施工单位应根据建筑测量定位放线的规定要求另附详细平面布置图及其观测量手薄。
建筑物垂直度、标高观测测量记录共页第页楼板的板顶至板底的距离,总高指室外地坪面至结构施工层楼板板顶的高度。
③层高、总高的高度及最大垂直偏差、垂直度等观测测量,应及时在每层结层完工时进行;全高顶面标高、垂直度观测测量,应及时在主体完工时进行。
④施工单位应根据建筑测量定位放线的规定要求另附详细平面布置图及其观测量手薄。
建筑物垂直度、标高观测测量记录共页第页湘质监统编施2002—22湘质监统编施2002—22共页第页楼板的板顶至板底的距离,总高指室外地坪面至结构施工层楼板板顶的高度。
③层高、总高的高度及最大垂直偏差、垂直度等观测测量,应及时在每层结注:①房屋结构层及全高顶面标高,指室外地坪面到每层结构层的楼板板顶和到主要屋面板板顶的标高(不考虑局部突出屋顶部分)。
②层高指结构层上楼板的板顶至板底的距离,总高指室外地坪面至结构施工层楼板板顶的高度。
③层高、总高的高度及最大垂直偏差、垂直度等观测测量,应及时在每层结层完工时进行;全高顶面标高、垂直度观测测量,应及时在主体完工时进行。
④施工单位应根据建筑测量定位放线的规定要求另附详细平面布置图及其观测量手薄。
工程名称宜昌市点军区塘上龙悦(二期)安置房工程(2#-10#楼、村民活动礼堂及地下室)观测日期年月日观测层数:三层←↑→↓施工单位专职测量员、记录员:倪小军监理(建设)单位旁站监督人:观测点编号观测部位(柱、墙轴线等)全高检测(m)层高检测(m)最大垂直偏差(mm)备注设计实测设计实测层高总高1 1/A轴 6.770 6.775 3.000 3.005 ←3、↓5←3、↓52 33/A轴 6.770 6.774 3.000 3.004 ↑3、→4←2、↓43 1/U轴 6.770 6.774 3.000 3.004 ←1、↓6↓3、←44 33/U轴 6.770 6.773 3.000 3.007 ↓2、←5→4、↓6观测点平面布置简图及说明:施工单位观测结果:施工单位项目专业技术负责人:年月日监理(建设)单位核查结论:项目专业监理工程师监理项目部(章) (建设单位项目技术负责人):年月日工程名称宜昌市点军区塘上龙悦(二期)安置房工程(2#-10#楼、村民活动礼堂及地下室)观测日期年月日观测层数:二层←↑→↓施工单位专职测量员、记录员:倪小军监理(建设)单位旁站监督人:观测点编号观测部位(柱、墙轴线等)全高检测(m)层高检测(m)最大垂直偏差(mm)备注设计实测设计实测层高总高1 1/A轴 3.770 3.775 3.770 3.776 ←4、↓6←4、↓62 33/A轴 3.770 3.774 3.770 3.775 ↑3、→6←4、↓43 1/U轴 3.770 3.773 3.770 3.777 ←4、↓4↓5、←64 33/U轴 3.770 3.775 3.770 3.776 ↓3、←5→6、↓4观测点平面布置简图及说明:施工单位观测结果:施工单位项目专业技术负责人:年月日监理(建设)单位核查结论:项目专业监理工程师监理项目部(章) (建设单位项目技术负责人):年月日工程名称宜昌市点军区塘上龙悦(二期)安置房工程(2#-10#楼、村民活动礼堂及地下室)观测日期年月日观测层数:一层←↑→↓施工单位专职测量员、记录员:倪小军监理(建设)单位旁站监督人:观测点编号观测部位(柱、墙轴线等)全高检测(m)层高检测(m)最大垂直偏差(mm)备注设计实测设计实测层高总高1 1/A轴 5.100 5.106 5.100 5.104 ←4、↓4←4、↓32 33/A轴 5.100 5.106 5.100 5.106 ↑5、→4←7、↓53 1/U轴 5.100 5.105 5.100 5.105 ←3、↓4↓5、←54 33/U轴 5.100 5.105 5.100 5.104 ↓4、←4→5、↓7观测点平面布置简图及说明:施工单位观测结果:施工单位项目专业技术负责人:年月日监理(建设)单位核查结论:项目专业监理工程师监理项目部(章) (建设单位项目技术负责人):年月日建筑物垂直度、标高观测测量记录工程名称宜昌市巨正机动车检测中心(综合楼)观测日期年月日观测层数:一层←↑→↓施工单位专职测量员、记录员:汪宏全监理(建设)单位旁站监督人:观测点编号观测部位(柱、墙轴线等)全高检测(m)层高检测(m)最大垂直偏差(mm)备注设计实测设计实测层高总高1 1/C轴 3.870 3.872 3.900 3.902 ←2、↓2←3、↓22 5/C轴 3.870 3.868 3.900 3.899 ↑3、→1←2、↓13 1/A轴 3.870 3.868 3.900 3.902 ←3、↓2↓3、←24 5/A轴 3.870 3.872 3.900 3.898 ↓2、←1→2、↓2观测点平面布置简图及说明:施工单位观测结果:监理(建设)单位核查结论:专业技术负责人:年月日(建设单位项目技术负责人):年月日注:①房屋结构层及全高顶面标高,指室外地坪面到每层结构层的楼板板顶和到主要屋面板板顶的标高(不考虑局部突出屋顶部分)。
建筑物垂直度标高全高测量记录范本一、背景介绍建筑物的垂直度标高全高测量记录是建筑工程中非常重要的一项工作。
建筑物的垂直度标高全高测量记录可以有效地检验建筑物的垂直度和高度是否符合设计要求,为建筑工程的施工质量和验收提供重要依据。
合理、准确地进行建筑物的垂直度标高全高测量记录,对于保障建筑工程的质量和安全具有非常重要的意义。
二、建筑物垂直度标高全高测量记录范本建筑物垂直度标高全高测量记录范本如下:1. 项目名称:XXX建筑工程2. 项目位置区域:XXX市XXX区XXX街道XXX号3. 建筑物名称:XXX大厦4. 施工单位:XXX建筑工程有限公司5. 监理单位:XXX监理工程有限公司6. 检测单位:XXX建筑质量检测有限公司7. 垂直度测量记录:日期测量点位测量数值(mm)允许偏差范围(mm)备注2023/05/12 1层楼梯口+2 ±5 符合要求 2023/05/12 2层楼梯口 -3 ±5 符合要求 2023/05/13 3层楼梯口+4 ±5 符合要求 2023/05/13 4层楼梯口+6 ±5 不符合要求8. 标高测量记录:日期测量点位测量数值(m)设计标高(m)备注2023/05/12 A栋主入口 10.05 10.00 符合要求2023/05/12 A栋顶楼 40.00 39.80 符合要求 2023/05/13 B栋主入口 9.95 10.00 符合要求 2023/05/13 B栋顶楼 39.90 39.80 符合要求9. 全高测量记录:日期测量点位测量数值(m)设计全高(m)备注2023/05/12 A栋主入口 30.00 30.00 符合要求2023/05/12 A栋顶楼 80.00 80.20 符合要求 2023/05/13 B栋主入口 29.80 30.00 符合要求 2023/05/13 B栋顶楼 79.90 80.20 符合要求10. 签名确认:施工单位负责人(签名):__________监理单位负责人(签名):__________检测单位负责人(签名):__________三、结语建筑物垂直度标高全高测量记录范本的编写非常重要,在实际的建筑工程中,可以根据具体的工程情况进行必要的调整和补充。
湘质监统编施2015-63 建筑物垂直度、标高观测测量记录监理(建设)单位核查结论:项目专业监理工程师(建设单位项目技术负责人): 监理(建设注:①房屋结构层及全高顶面标高,指室外地坪面到每层结构层的楼板板顶和到主要屋面板板顶的标高(不考虑局部突出屋顶部分)。
②层高指结构层上下楼板的板顶至板底的距离,总高指室外地坪面至结构施工层楼板板顶的高度。
③层高、总高的高度及最大垂直偏差、垂直度等观测测量,应及时在每层结构层完工时进行;全高顶面标高、垂直度观测测量,应及时在主体完工时进行。
④施工单位应根据建筑测量定位放线的规定要建筑物垂直度、标高观测测量记录监理(建设)单位核查结论:项目专业监理工程师(建设单位项目技术负责人): 监理(建设注:①房屋结构层及全高顶面标高,指室外地坪面到每层结构层的楼板板顶和到主要屋面板板顶的标高(不考虑局部突出屋顶部分)。
②层高指结构层上下楼板的板顶至板底的距离,总高指室外地坪面至结构施工层楼板板顶的高度。
③层高、总高的高度及最大垂直偏差、垂直度等观测测量,应及时在每层结构层完工时进行;全高顶面标高、垂直度观测测量,应及时在主体完工时进行。
④施工单位应根据建筑测量定位放线的规定要建筑物垂直度、标高观测测量记录监理(建设)单位核查结论:项目专业监理工程师(建设单位项目技术负责人): 监理(建设注:①房屋结构层及全高顶面标高,指室外地坪面到每层结构层的楼板板顶和到主要屋面板板顶的标高(不考虑局部突出屋顶部分)。
②层高指结构层上下楼板的板顶至板底的距离,总高指室外地坪面至结构施工层楼板板顶的高度。
③层高、总高的高度及最大垂直偏差、垂直度等观测测量,应及时在每层结构层完工时进行;全高顶面标高、垂直度观测测量,应及时在主体完工时进行。
④施工单位应根据建筑测量定位放线的规定要建筑物垂直度、标高观测测量记录监理(建设)单位核查结论:项目专业监理工程师(建设单位项目技术负责人): 监理(建设注:①房屋结构层及全高顶面标高,指室外地坪面到每层结构层的楼板板顶和到主要屋面板板顶的标高(不考虑局部突出屋顶部分)。
14建筑物垂直度标高全高测量记录文本建筑物垂直度、标高、全高是建筑物测量中非常重要的参数,用于评估建筑物的竖直度和高度。
正确测量和记录建筑物的垂直度、标高、全高可以有效地保证建筑物的结构安全和施工质量。
下面是一份建筑物垂直度、标高、全高测量记录文本,详细介绍了测量过程和结果。
测量目的:测量建筑物的垂直度、标高和全高,以评估建筑物的结构安全和施工质量。
测量时间:2024年9月1日测量对象:建筑物A测量工具:水平仪、测量尺、测量刷、激光测距仪等测量步骤:1.准备工作a.确定测量起点和终点,起点为建筑物A的地面,终点为建筑物顶部。
b.携带所需的测量工具,确保工具准确和完好。
2.垂直度测量a.在起点处使用水平仪测量建筑物A的垂直度。
记录垂直度测量结果为0°。
b.沿着建筑物A的高度方向,每隔10米进行一次垂直度测量,直至到达终点。
记录每次测量的垂直度。
3.标高测量a.在起点处使用激光测距仪测量建筑物A的地面标高。
记录地面标高为0米。
b.沿着建筑物A的高度方向,每隔10米进行一次地面标高测量,直至到达终点。
记录每次测量的地面标高。
4.全高测量a.在起点处使用激光测距仪测量建筑物A的全高。
记录全高测量结果为X米。
b.沿着建筑物A的高度方向,每隔10米进行一次全高测量,直至到达终点。
记录每次测量的全高。
测量记录:测量结果表格如下:测量点,垂直度(°),标高(米),全高(米)-------------,--------------,------------,------------起点,0,0,X10米处,0.01,9.89,X-0.1120米处,0.02,19.78,X-0.2230米处,0.03,29.67,X-0.3340米处,0.04,39.56,X-0.4450米处,0.05,49.45,X-0.5560米处,0.06,59.34,X-0.6670米处,0.07,69.23,X-0.7780米处,0.08,79.12,X-0.8890米处,0.09,89.01,X-0.99终点,0.1,98.9,X-1.1备注:测量数据仅为示例数据,实际测量结果需要根据具体测量情况填写。
建筑物垂直度、标高观测测量记录
工程名称
宜昌市点军区塘上龙悦(二期)安置房工程
(2#-10#楼、村民活动礼堂及地下室)
观测日期年月日
观测层数:三层←↑→↓
施工单位专职测量员、记录员:倪小军
监理(建设)单位旁站监督人:
观测点编号
观测部位
(柱、墙轴线等)
全高检测(m)层高检测(m)最大垂直偏差(mm)
备注
设计实测设计实测层高总高
1 1/A轴 6.770 6.775 3.000 3.005 ←3、↓5←3、↓5
2 33/A轴 6.770 6.774 3.000 3.004 ↑3、→4←2、↓4
3 1/U轴 6.770 6.77
4 3.000 3.004 ←1、↓6↓3、←4
4 33/U轴 6.770 6.773 3.000 3.007 ↓2、←5→4、↓6
观测点平面布置简图及说明:
施工单位观测结果:
施工单位项目
专业技术负责人:年月日
监理(建设)单位核查结论:
项目专业监理工程师监理项目部(章)
(建设单位项目技术负责人):年月日注:①房屋结构层及全高顶面标高,指室外地坪面到每层结构层的楼板板顶和到主要屋面板板顶的标高(不考虑局部突出屋顶部分)。
②层高指结构层上下楼板的板顶至板底的距离,总高指室外地坪面至结构施工层楼板板顶的高度。
建筑物垂直度、标高观测测量记录
工程名称
宜昌市点军区塘上龙悦(二期)安置房工程
(2#-10#楼、村民活动礼堂及地下室)
观测日期年月日
观测层数:二层←↑→↓
施工单位专职测量员、记录员:倪小军
监理(建设)单位旁站监督人:
观测点编号
观测部位
(柱、墙轴线等)
全高检测(m)层高检测(m)最大垂直偏差(mm)
备注
设计实测设计实测层高总高
1 1/A轴 3.770 3.775 3.770 3.776 ←4、↓6←4、↓6
2 33/A轴 3.770 3.774 3.770 3.775 ↑3、→6←4、↓4
3 1/U轴 3.770 3.773 3.770 3.777 ←4、↓4↓5、←6
4 33/U轴 3.770 3.77
5 3.770 3.77
6 ↓3、←5→6、↓4
观测点平面布置简图及说明:
施工单位观测结果:
施工单位项目
专业技术负责人:年月日
监理(建设)单位核查结论:
项目专业监理工程师监理项目部(章)
(建设单位项目技术负责人):年月日注:①房屋结构层及全高顶面标高,指室外地坪面到每层结构层的楼板板顶和到主要屋面板板顶的标高(不考虑局部突出屋
顶部分)。
②层高指结构层上下楼板的板顶至板底的距离,总高指室外地坪面至结构施工层楼板板顶的高度。
建筑物垂直度、标高观测测量记录
工程名称
宜昌市点军区塘上龙悦(二期)安置房工程
(2#-10#楼、村民活动礼堂及地下室)
观测日期年月日
观测层数:一层←↑→↓
施工单位专职测量员、记录员:倪小军
监理(建设)单位旁站监督人:
观测点编号
观测部位
(柱、墙轴线等)
全高检测(m)层高检测(m)最大垂直偏差(mm)
备注
设计实测设计实测层高总高
1 1/A轴 5.100 5.106 5.100 5.104 ←4、↓4←4、↓3
2 33/A轴 5.100 5.106 5.100 5.106 ↑5、→4←7、↓5
3 1/U轴 5.100 5.105 5.100 5.105 ←3、↓4↓5、←5
4 33/U轴 5.100 5.10
5 5.100 5.104 ↓4、←4→5、↓7
观测点平面布置简图及说明:
施工单位观测结果:
施工单位项目
专业技术负责人:年月日
监理(建设)单位核查结论:
项目专业监理工程师监理项目部(章)
(建设单位项目技术负责人):年月日
建筑物垂直度、标高观测测量记录
工程名称宜昌市巨正机动车检测中心(办证大厅)观测日期年月日观测层数:二层←↑→↓
施工单位专职测量员、记录员:汪宏全
监理(建设)单位旁站监督人:
观测点编号
观测部位
(柱、墙轴线等)
全高检测(m)层高检测(m)最大垂直偏差(mm)
备注
设计实测设计实测层高总高
1 1/D轴8.370 8.37
2 3.600 3.598 ←2、↓2←3、↓2
2 6/D轴8.370 8.367 3.600 3.602 ↑3、→1←2、↓1
3 1/A轴8.370 8.372 3.600 3.602 ←3、↓2↓3、←2
4 6/A轴8.370 8.368 3.600 3.597 ↓2、←1→2、↓2
观测点平面布置简图及说明:
施工单位观测结果:
施工单位项目
专业技术负责人:年月日
监理(建设)单位核查结论:
项目专业监理工程师监理项目部(章)
(建设单位项目技术负责人):年月日
建筑物垂直度、标高观测测量记录
工程名称宜昌市巨正机动车检测中心(综合楼)观测日期年月日
观测层数:一层←↑→↓施工单位专职测量员、记录员:汪宏全监理(建设)单位旁站监督人:
观测点编号
观测部位
(柱、墙轴线等)全高检测(m)层高检测(m)最大垂直偏差(mm)
备注设计实测设计实测层高总高
1 1/C轴 3.870 3.87
2 3.900 3.902 ←2、↓2←3、↓2
2 5/C轴 3.870 3.868 3.900 3.899 ↑3、→1←2、↓1
3 1/A轴 3.870 3.868 3.900 3.902 ←3、↓2↓3、←2
4 5/A轴 3.870 3.872 3.900 3.898 ↓2、←1→2、↓2观测点平面布置简图及说明:
注:①房屋结构层及全高顶面标高,指室外地坪面到每层结构层的楼板板顶和到主要屋面板板顶的标高(不考虑局部突出屋顶部分)。
②层高指结构层上下楼板的板顶至板底的距离,总高指室外地坪面至结构施工层楼板板顶的高度。
建筑物垂直度、标高观测测量记录
施工单位观测结果:
施工单位项目
专业技术负责人:年月日监理(建设)单位核查结论:
项目专业监理工程师监理项目部(章) (建设单位项目技术负责人):年月日
注:①房屋结构层及全高顶面标高,指室外地坪面到每层结构层的楼板板顶和到主要屋面板板顶的标高(不考虑局部突出屋顶部分)。
②层高指结构层上下楼板的板顶至板底的距离,总高指室外地坪面至结构施工层楼板板顶的高度。
建筑物垂直度、标高观测测量记录
工程名称宜昌市巨正机动车检测中心(综合楼)观测日期年月日
观测层数:三层←↑→↓施工单位专职测量员、记录员:汪宏全监理(建设)单位旁站监督人:
观测点编号
观测部位
(柱、墙轴线等)全高检测(m)层高检测(m)最大垂直偏差(mm)
备注设计实测设计实测层高总高
1 1/D轴10.470 10.47
2 3.300 3.302 ←2、↓2←3、↓2
2 6/D轴10.470 10.468 3.300 3.298 ↑3、→1←2、↓2
3 1/A轴10.470 10.471 3.300 3.298 ←3、↓2↓1、←2
4 6/A轴10.470 10.469 3.300 3.302 ↓2、←1→2、↓2
观测点平面布置简图及说明:
施工单位观测结果:
施工单位项目
专业技术负责人:年月日监理(建设)单位核查结论:
项目专业监理工程师监理项目部(章) (建设单位项目技术负责人):年月日
注:①房屋结构层及全高顶面标高,指室外地坪面到每层结构层的楼板板顶和到主要屋面板板顶的标高(不考虑局部突出屋顶部分)。
②层高指结构层上下楼板的板顶至板底的距离,总高指室外地坪面至结构施工层楼板板顶的高度。