新干混砂浆交货检验记录表(ZJ-04)
- 格式:doc
- 大小:92.00 KB
- 文档页数:5
砂浆出厂取样检验记录一、检验目的:为确保砂浆生产质量的达标,保证砂浆的使用性能和稳定性,以及满足相关标准和要求,进行砂浆的出厂取样检验。
二、检验依据:1.《砂浆及其制品通用技术要求》(GB/T2419-2024)三、检验内容:1.外观检查:检查砂浆的外观是否干净整洁,无结块、结疤、开裂等现象。
2.细度模数:使用筛分仪将砂浆样品进行筛分,测量砂浆的细度模数。
3.泌水比:采用压汞法测量砂浆中的泌水比。
4.塑性度:用塑度仪测量砂浆的塑性度。
5.抗压强度:采用压力机对砂浆样品进行抗压强度测试。
6.柔性模量:采用弹性体加货物垫板法测定砂浆的柔性模量。
7.粘结强度:按照相关标准进行粘结强度的测定。
四、检验过程:1.取样:从生产线中随机取样,注明生产时间、产品批号等相关信息。
2.外观检查:检查砂浆的外观是否符合要求。
3.筛分:使用筛分仪对砂浆样品进行筛分,并测量细度模数。
4.泌水比测定:将砂浆样品放入容器中,采用压汞法测量泌水比。
5.塑性度测定:将砂浆样品放入塑度仪中,测量塑性度。
6.抗压强度测试:将砂浆样品放入压力机中,进行抗压强度的测试。
7.柔性模量测定:采用弹性体加货物垫板法测定砂浆的柔性模量。
8.粘结强度测定:按照相关标准对砂浆的粘结强度进行测定。
五、检验结果与评定:根据以上检验内容得出砂浆的相关参数,并与相关标准进行对比,判断砂浆是否符合要求。
根据不同的参数和标准进行评定,判断砂浆的质量是否合格。
六、检验结论:根据砂浆的检验结果和评定,得出砂浆的检验结论,判断砂浆的质量是否达标。
七、备注:在检验记录中,可以根据需要添加一些备注,比如砂浆生产过程中的特殊情况、仪器设备的校准情况等。
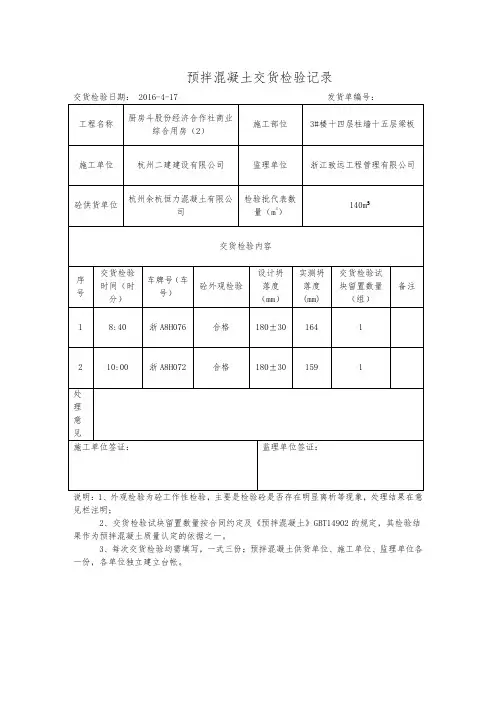
预拌混凝土交货检验记录
说明:1、外观检验为砼工作性检验,主要是检验砼是否存在明显离析等现象,处理结果在意见栏注明;
2、交货检验试块留置数量按合同约定及《预拌混凝土》GBT14902的规定,其检验结果作为预拌混凝土质量认定的依据之一。
3、每次交货检验均需填写,一式三份;预拌混凝土供货单位、施工单位、监理单位各一份,各单位独立建立台帐。
预拌混凝土交货检验记录
说明:1、外观检验为砼工作性检验,主要是检验砼是否存在明显离析等现象,处理结果在意见栏注明;
2、交货检验试块留置数量按合同约定及《预拌混凝土》GBT14902的规定,其检验结果作为预拌混凝土质量认定的依据之一。
3、每次交货检验均需填写,一式三份;预拌混凝土供货单位、施工单位、监理单位各一份,各单位独立建立台帐。
干混砂浆交货检验记录表
ZJ-04 买方:卖方:
建设单位:监理单位:
工程名称:交货地点:
砂浆类别:技术要求:
强度等级:包装形式:
砂浆标记:产品批号:
运送车号:数量(T):
代表数量(T):外观检验:
送货日期:年月日送(取)样人:
承担检验单位:取样日期:年月日
委托编号:执行标准:JGJ/T223.GB/T25181.JGJ/T70
保水率(%):抗压强度(MPa):
拉伸粘结强度(MPa):抗渗压力(MPa):
结论:
注:1、交货检验的取样试验工作应由买方承担,当买方不具备试验条件时,委托买卖双方认可的有试验资质的试验单位。
2、砂浆各项指标应以交货检验结果为依据。
3、交货检验的试验结果应在试验结束后15天内通知卖方。
4、进行干混砂浆取样及试验的人员必须具有相应的资质。
5、此表与干混砂浆检测报告一式三份,即:买卖双方和检测单位各一份。
买方签章:卖方签章:监理(建设)签章:
填表说明
此表为:干混砂浆交货检验记录表
1、所有信息准确无误
2、与出厂合格证、交货检验报告和备案合同信息一致。
商品混凝土交货检验记录编号:
说明:1、目测检验项目为砼流动度、是否明显离析等表面现象,处理结果在备注栏说明;加水责任方指现场加水行为是施工单位还是供砼单位。
2、本记录一式三份,施工单位、监理单位、生产单位各一份,各单位独立建立台账。
说明:1、目测检验项目为砼流动度、是否明显离析等表面现象,处理结果在备注栏说明;加水责任方指现场加水行为是施工单位还是供砼单位。
2、本记录一式三份,施工单位、监理单位、生产单位各一份,各单位独立建立台账。
说明:1、目测检验项目为砼流动度、是否明显离析等表面现象,处理结果在备注栏说明;加水责任方指现场加水行为是施工单位还是供砼单位。
2、本记录一式三份,施工单位、监理单位、生产单位各一份,各单位独立建立台账。
说明:1、目测检验项目为砼流动度、是否明显离析等表面现象,处理结果在备注栏说明;加水责任方指现场加水行为是施工单位还是供砼单位。
2、本记录一式三份,施工单位、监理单位、生产单位各一份,各单位独立建立台账。
说明:1、目测检验项目为砼流动度、是否明显离析等表面现象,处理结果在备注栏说明;加水责任方指现场加水行为是施工单位还是供砼单位。
2、本记录一式三份,施工单位、监理单位、生产单位各一份,各单位独立建立台账。
干混砂浆交货检验记录表
ZJ-04
买方:山东三箭建设工程股份有限公司卖方:山东潜能建材有限公司
建设单位:山东外海置业投资有限公司监理单位:北京中联环建设工程管理有限公司工程名称:外海中央花园一期3-3#楼交货地点:施工现场
砂浆类别:干混砂浆技术要求:GB/T25181-2010
强度等级:DP M5 包装形式:散装
砂浆标记:DP M5−GB/T25181-2010 产品批号:
运送车号:鲁AL0357 数量(T):400T
代表数量(T):400T 外观检验:无受潮、结块现象
取样日期:2014年3月4日送(取)样人:王蕾
承担检验单位:济南泉景建设工程检测有限公司送货日期:2014年3月4日
委托编号:2014-YS-047 执行标准:JGJ/T223.GB/T25181.JGJ/T70
保水率(%):93.2 抗压强度(MPa):7.2
拉伸粘结强度(MPa):0.21 抗渗压力(MPa):----
结论:
合格
注:1、交货检验的取样试验工作应由买方承担,当买方不具备试验条件时,委托买卖双方认可的有试验资质的试验单位。
2、砂浆各项指标应以交货检验结果为依据。
3、交货检验的试验结果应在试验结束后15天内通知卖方。
4、进行干混砂浆取样及试验的人员必须具有相应的资质。
5、此表与干混砂浆检测报告一式三份,即:买卖双方和检测单位各一份。
买方签章:卖方签章:监理(建设)签章:
干混砂浆交货检验记录表
ZJ-04
买方:山东三箭建设工程股份有限公司卖方:山东潜能建材有限公司
建设单位:山东外海置业投资有限公司监理单位:北京中联环建设工程管理有限公司工程名称:外海中央花园一期3-5#楼交货地点:施工现场
砂浆类别:干混砂浆技术要求:GB/T25181-2010
强度等级:DP M5 包装形式:散装
砂浆标记:DP M5−GB/T25181-2010 产品批号:CM1059
运送车号:鲁A52V27 数量(T):400T
代表数量(T):400T 外观检验:无受潮、结块现象
取样日期:2014年3月4日送(取)样人:王蕾
承担检验单位:济南泉景建设工程检测有限公司送货日期:2014年3月4日
委托编号:2014-YS-046 执行标准:JGJ/T223.GB/T25181.JGJ/T70
保水率(%):93.7 抗压强度(MPa):7.2
拉伸粘结强度(MPa):0.22 抗渗压力(MPa):----
结论:
合格
注:1、交货检验的取样试验工作应由买方承担,当买方不具备试验条件时,委托买卖双方认可的有试验资质的试验单位。
2、砂浆各项指标应以交货检验结果为依据。
3、交货检验的试验结果应在试验结束后15天内通知卖方。
4、进行干混砂浆取样及试验的人员必须具有相应的资质。
5、此表与干混砂浆检测报告一式三份,即:买卖双方和检测单位各一份。
买方签章:卖方签章:监理(建设)签章:
ZJ-04
买方:山东三箭建设工程股份有限公司卖方:山东潜能建材有限公司
建设单位:山东外海置业投资有限公司监理单位:北京中联环建设工程管理有限公司工程名称:外海中央花园一期3-6#楼交货地点:施工现场
砂浆类别:干混砂浆技术要求:GB/T25181-2010
强度等级:DP M5 包装形式:散装
砂浆标记:DP M5−GB/T25181-2010 产品批号:CM1060
运送车号:鲁A30121 数量(T):400T
代表数量(T):400T 外观检验:无受潮、结块现象
取样日期:2014年3月4日送(取)样人:王蕾
承担检验单位:济南泉景建设工程检测有限公司送货日期:2014年3月4日
委托编号:2014-YS-050 执行标准:JGJ/T223.GB/T25181.JGJ/T70
保水率(%):93.2 抗压强度(MPa):6.7
拉伸粘结强度(MPa):0.21 抗渗压力(MPa):----
结论:
合格
注:1、交货检验的取样试验工作应由买方承担,当买方不具备试验条件时,委托买卖双方认可的有试验资质的试验单位。
2、砂浆各项指标应以交货检验结果为依据。
3、交货检验的试验结果应在试验结束后15天内通知卖方。
4、进行干混砂浆取样及试验的人员必须具有相应的资质。
5、此表与干混砂浆检测报告一式三份,即:买卖双方和检测单位各一份。
买方签章:卖方签章:监理(建设)签章:
ZJ-04
买方:山东三箭建设工程股份有限公司卖方:山东潜能建材有限公司
建设单位:山东外海置业投资有限公司监理单位:北京中联环建设工程管理有限公司工程名称:外海中央花园一期28及30轴以西地下车库交货地点:施工现场
砂浆类别:干混砂浆技术要求:GB/T25181-2010
强度等级:DP M5 包装形式:散装
砂浆标记:DP M5−GB/T25181-2010 产品批号:CM1060
运送车号:鲁A30121 数量(T):400T
代表数量(T):400T 外观检验:无受潮、结块现象
取样日期:2014年3月4日送(取)样人:王蕾
承担检验单位:济南泉景建设工程检测有限公司送货日期:2014年3月4日
委托编号:2014-YS-049 执行标准:JGJ/T223.GB/T25181.JGJ/T70
保水率(%):93.2 抗压强度(MPa):7.3
拉伸粘结强度(MPa):0.21 抗渗压力(MPa):----
结论:
合格
注:1、交货检验的取样试验工作应由买方承担,当买方不具备试验条件时,委托买卖双方认可的有试验资质的试验单位。
2、砂浆各项指标应以交货检验结果为依据。
3、交货检验的试验结果应在试验结束后15天内通知卖方。
4、进行干混砂浆取样及试验的人员必须具有相应的资质。
5、此表与干混砂浆检测报告一式三份,即:买卖双方和检测单位各一份。
买方签章:卖方签章:监理(建设)签章:
ZJ-04
买方:山东三箭建设工程股份有限公司卖方:山东潜能建材有限公司
建设单位:山东外海置业投资有限公司监理单位:北京中联环建设工程管理有限公司工程名称:外海中央花园一期S1工程交货地点:施工现场
砂浆类别:干混砂浆技术要求:GB/T25181-2010
强度等级:DP M5 包装形式:散装
砂浆标记:DP M5−GB/T25181-2010 产品批号:CM1060
运送车号:鲁A2015 数量(T):400T
代表数量(T):400T 外观检验:无受潮、结块现象
取样日期:2014年3月4日送(取)样人:王蕾
承担检验单位:济南泉景建设工程检测有限公司送货日期:2014年3月4日
委托编号:2014-YS-049 执行标准:JGJ/T223.GB/T25181.JGJ/T70
保水率(%):93.1 抗压强度(MPa):7.2
拉伸粘结强度(MPa):0.21 抗渗压力(MPa):----
结论:
合格
注:1、交货检验的取样试验工作应由买方承担,当买方不具备试验条件时,委托买卖双方认可的有试验资质的试验单位。
2、砂浆各项指标应以交货检验结果为依据。
3、交货检验的试验结果应在试验结束后15天内通知卖方。
4、进行干混砂浆取样及试验的人员必须具有相应的资质。
5、此表与干混砂浆检测报告一式三份,即:买卖双方和检测单位各一份。
买方签章:卖方签章:监理(建设)签章:。