测量电阻练习题
- 格式:doc
- 大小:883.00 KB
- 文档页数:27
测量电阻练习题一、选择题(每题2分,共10分)1. 欧姆定律的基本表达式是:A. V = IRB. V = R/IC. I = V/RD. R = V/I2. 测量电阻时,如果电流表的读数为0.5A,电压表的读数为10V,那么电阻的值是多少欧姆?A. 20ΩB. 10ΩC. 5ΩD. 2Ω3. 以下哪种情况下,电阻的测量值会偏大?A. 电流表内阻过大B. 电压表内阻过小C. 电压表内阻过大D. 电流表内阻过小4. 测量电阻时,如果电路中的电流为1A,电阻为5Ω,那么通过电阻的电压是多少伏特?A. 1VB. 5VC. 10VD. 15V5. 串联电路中,总电阻与各部分电阻的关系是:A. 总电阻等于各部分电阻之和B. 总电阻等于各部分电阻之积C. 总电阻等于各部分电阻之差D. 总电阻等于各部分电阻之比二、填空题(每空2分,共10分)6. 当电阻两端的电压为6V,通过电阻的电流为0.5A时,该电阻的阻值为_______Ω。
7. 根据欧姆定律,如果电阻保持不变,电压与电流之间的比值是一个_______的值。
8. 在并联电路中,总电阻的倒数等于各分电阻倒数之_______。
9. 一个电阻为10Ω的电阻器与一个电阻为20Ω的电阻器串联,总电阻为_______Ω。
10. 如果一个电阻器的阻值为50Ω,通过它的电流为0.2A,则该电阻器两端的电压为_______V。
三、计算题(每题5分,共15分)11. 一个电阻器的阻值为30Ω,通过它的电流为0.1A,请计算该电阻器两端的电压。
12. 假设有两个电阻器,一个为40Ω,另一个为60Ω,它们并联在一起。
计算并联后的总电阻。
13. 一个电路由三个电阻器串联组成,电阻值分别为5Ω、10Ω和15Ω。
如果电路两端的电压为12V,求通过这三个电阻器的电流。
四、简答题(每题5分,共10分)14. 简述测量电阻时,电流表和电压表的内阻对测量结果的影响。
15. 描述串联电路和并联电路中电阻的计算方法,并给出一个例子说明。
多种方法测电阻系列二(电流表)练习题
例1、 写出未知电阻Rx 的表达式: (R0为已知电阻。
)
例2、写出未知电阻Rx 的表达式: (R0为已知电阻。
)
练习1. 现在手边有两块电流表、一个满足要求的恒定电源、开关一个、定值电阻R 0一个、被测电阻RX 一个.请你利用上面的器材,设计一个实验,测量出RX 的阻值. (1)电路图
(2)按照你所画的电路图连接实物图 (3)实验的步骤
(4)被测电阻Rx 的表达式
练习2.小乐想用两块电流表和阻值己知的电阻R0测量电阻Rx 的阻值。
小乐选择了满足实验要求的电源、电流表A1和A2,并连接了
部分实验电路,如图所示。
(1)请你帮助小乐完成图所示的实验电路的连接。
(2)电流表A1的示数用I1表示,电流表A2
的示数用I2表示,R x
S 2 R
x
R x
请用I1、I2和R0表示Rx。
Rx=。
练习3.小乐想用两块电流表和阻值己知的电阻R0测量电阻Rx的阻值。
小乐选择了满足实验要求的电源、电流表A,并连接了部分实验电路,如图所示。
(1)请你帮助小乐完成图所示的实验电路的连接。
(2)实验的步骤
(3)Rx=。
练习4.小乐想用两块电流表和阻值己知的电阻R0测量电阻Rx的阻值。
小乐选择了满足实验要求的电源、电流表A,并连接了部分实验电路,如图所示。
(1)请你帮助小乐完成图所示的实验电路的连接。
(2)实验的步骤
(3)Rx=。
2022-2023学年九年级物理:电阻的测量一.选择题(共6小题)1.某同学指出:在用伏安法测量电阻的实验中,连接电路时,必须注意下列几点,你认为其中不必要的一条是()A.向电路中连接滑动变阻器时,应该使滑片位于滑动变阻器阻值最大的位置B.向电路中连接开关时,应该将开关断开C.电压表应与待测电阻并联,电流表应与待测电阻串联D.开关应该接在靠近电源电流流出的一端2.“伏安法测电阻”是电学中非常重要的一个实验,小聪同学分别对伏安法测“定值电阻”和测“小灯泡的电阻”两个实验进行了梳理和对比,下列说法正确的是()A.两个实验的实验原理都是I=U RB.滑动变阻器在两个实验的作用仅是保护电路C.两个实验进行多次测量的目的不同D.两个实验都采用了控制变量法3.在用“伏安法测电阻”的实验中,有两位同学分别选用定值电阻和小灯泡为测量对象,在处理实验数据时,画出定值电阻和小灯泡的U﹣I图象,分别如图甲、乙所示,则对于图象的分析,以下说法错误的是()A.由甲图可知,定值电阻的阻值为1ΩB.由甲图可知,定值电阻它不随导体两端的电压和导体中的电流改变而改变C.由乙图可知,小灯泡的电阻跟灯丝的温度有关D.为了减小误差,应该用多次测量取平均值的方法测定小灯泡的电阻4.某同学用两节干电池串联起来作电源,做伏安法测电阻的实验,因不慎将电流表和电压表相互接错了,如图所示,则开关闭合后,各仪表将()A.电流表、电压表均被烧坯B.电流表、电压表不会被烧坏C.只有电流表被烧坏D.只有电压表被烧坏5.小明同学练习用伏安法测电阻,他所测电阻的阻值约为2Ω,电压表的量程为0﹣3V,电流表的量程为0﹣3A.测量结束后,他得到的结论是待测电阻的阻值为10Ω,则他在测量中所出现的错误可能是()A.电压表和电流表的位置接反了B.他没有多次测量取平均值,致使误差过大C.电压表按0﹣15V量程读数,电流表按0﹣0.6A量程读数D.电压表按0﹣15V量程读数,电流表按0﹣3A量程读数6.某同学利用如图所示的电路测量小灯泡的电阻。
高中伏安法测电阻练习题及讲解伏安法是高中物理中常用的一种测量电阻的方法,它通过测量电阻两端的电压和通过电阻的电流来计算电阻值。
以下是一些练习题,以及相应的讲解。
练习题一:某电阻器的额定电压为12V,额定电流为0.5A,求该电阻器的电阻值。
解答:根据欧姆定律,电阻R等于电压U除以电流I,即R = U/I。
将题目中的数据代入公式,得到R = 12V / 0.5A = 24Ω。
因此,该电阻器的电阻值为24欧姆。
练习题二:在实验中,测量一个未知电阻的电压为3V,电流为0.2A,求该电阻的阻值。
解答:同样使用欧姆定律,R = U/I。
将实验数据代入公式,得到R = 3V / 0.2A = 15Ω。
所以,该未知电阻的阻值为15欧姆。
练习题三:若要测量一个电阻的阻值,但手头只有电压表,没有电流表,应该如何操作?解答:在这种情况下,可以采用串联一个已知阻值的电阻和一个电流表来间接测量。
首先,将待测电阻与已知电阻串联,然后测量两端的电压。
通过已知电阻的阻值和电流表读数,可以计算出待测电阻两端的电压,再利用欧姆定律计算出待测电阻的阻值。
练习题四:在测量电阻时,如果电流表和电压表的内阻对测量结果有影响,应该如何减小这种影响?解答:为了减小电流表和电压表内阻对测量结果的影响,可以采用以下方法:1. 选择内阻较高的电流表和内阻较低的电压表。
2. 在测量时,尽量使电流表与待测电阻并联,电压表与待测电阻串联,这样可以减少电流表内阻对测量电流的影响,以及电压表内阻对测量电压的影响。
3. 多次测量取平均值,以减小误差。
练习题五:在实验中,如果发现测量的电阻值与标称值有较大偏差,可能是什么原因?解答:电阻值测量出现较大偏差可能由以下原因造成:1. 接触不良,导致接触电阻增大。
2. 电阻器受温度影响,导致阻值变化。
3. 测量仪器精度不够,导致读数误差。
4. 实验操作不当,如电流表和电压表的连接方式不正确。
通过这些练习题和讲解,希望能帮助同学们更好地理解和掌握伏安法测量电阻的方法。
17.3电阻的测量一.选择题(共8小题)1.在测量电阻的实验中,下列说法中错误的是()A.实验原理是欧姆定律B.将变阻器连入电路时,滑片应移动到使电路中的电流最小的位置C.在无法估计被测电压、电流的大小时,应采用试触法选取合适的量程D.测量时只要测量一组数据即可2.如图的电路中,R为待测电阻,阻值约为5Ω.实验器材有:滑动变阻器,规格为“10Ω2A”;电压表(量程分别为0~3V、0~15V);电流表(量程分别为0~0.6A、0~3A);电池组为新干电池3节串联。
两只电表的量程可采用以下4种选法,为使测量时能较准确地读数(指针最好在中间刻度线附近),两只电表的量程应采用()A.0~0.6A和0~15V B.0~0.6A和0~3VC.0~3A和0~15V D.0~3A和0~3V3.如图所示是利用伏安法测电阻的部分电路,若考虑电表内阻对电路的影响,则关于测量误差和产生原因,下列说法正确的是()A.测量值偏小,是由于电流表所测通过R x电流偏小B.测量值偏小,是由于电压表所测R x两端电压偏小C.测量值偏大,是由于电流表所测通过R x电流偏大D.测量值偏大,是由于电压表所测R x两端电压偏大4.“伏安法”测电阻R的部分电路如图所示,关于测得的电阻值大小和误差原因分析正确的是()A.R偏小,因为电流表测量值比通过电阻R的实际电流大一点B.R偏大,因为电流表测量值比通过电阻R的实际电流小一点C.R偏大,因为电压表测量值比电阻两端的实际电压大一点D.R偏小,因为电压表测量值比电阻两端的实际电压小一点5.用“伏安法测电阻”的实验中,小雪和晓彤分别选用定值电阻和小灯泡为测量对象,在处理实验数据时,分别画出了U﹣I的图象,如图甲、乙所示。
对于图象的分析,以下说法错误的是()A.由甲图可知,定值电阻的阻值为1ΩB.由甲图可知,电阻不随其两端的电压和导体中的电流而改变C.为了减小误差,应该用多次测量的方法,计算小灯泡的电阻D.由乙图及实验现象可知:小灯泡的电阻随灯丝温度的增加而增大6.小明同学练习用伏安法测电阻,他所测电阻的阻值约为2Ω.电压表的量程为0~3V,电流表的量程为0~3A.测量结束后,他得到的结论是待测电阻的阻值为10Ω,则他在测量中所出现的错误可能是()A.电压表和电流表的位置接反了B.他没有多次测量取平均值,致使误差过大C.电压表按15V量程读数,电流表按3A量程读数D.电压表按15V量程读数,电流表按0.6A量程读数7.某同学利用如图所示的电路测量小灯泡的电阻。
测电阻实验题练习测电阻实验题练习1.小阳想利用两块电流表和阻值已知的电阻R0测量电阻Rx的阻值。
他选择了满足实验要求的器材,并连接了部分实验电路,如图18所示。
闭合开关S1、S2时,电流表A1和电流表A2的示数分别为I1、I2;(1)请你添加一根导线完成图18所示的实验电路的连接;(2)请你用I1、I2和R0表示出Rx,Rx= 。
(2分)2.小东同学做“测量小灯泡电阻”的实验:(1) 请完成如图17所示实验电路的连接。
(2) 小东正确连接电路后闭合开关,发现灯不亮,但是电压表有读数,则故障原因可能是灯泡(填“短路”或“断路”)。
(3) 排除故障后,小东调节滑动变阻器使电压表的示数为图18(甲)所示,此时电流表的示数如图18(乙)所示,小灯泡的电阻是Ω。
3.请你利用如图19所示的实验器材,电阻R的阻值已知,满足实验要求的电源,测量电阻R X 的阻值。
S2S1R xR0A2A1图18甲图18乙图17Sa bc d(1)请你用笔画线表示导线,完成如图所示的实验电路的连接。
(导线不得交叉)(1分) (2)两只开关都闭合时电压表的示数为U 1,只有开关S 闭合时电压表的示数为U 2请用U 1、U 2和R 0表示R X 。
R X = 。
(2分)4、小龙想利用一块电流表和阻值已知的电阻R 0测量电阻R x 的阻值。
小龙选择了满足实验要求的器材,并连接了部分实验电路,如图20所示。
小龙设计的实验电路的要求是:闭合开关S 1断开开关S 2,电流表测量R X 的电流为I 1;闭合开关S 1、 S 2,电流表测量R 0和R X 的电流为I 2。
(1)请你根据小龙的设计要求完成图20所示的实验电路的连接;(2)请你用I 1、I 2和R 0表示出R x ,R x = 。
5.用电压表和电流表测2.5V 小灯泡正常发光时的电阻(4分)闭合开关之前,滑动变阻器的滑片应滑到 端(选填“左”或“右”)。
在这个实验中,闭合开关,移动滑动变阻器的滑片,应使电压表的示数为 V 。
15・3“‘伏安法'测电阻”知识归纳练习题一、单选题1.在用伏安法测电阻的实验中,有关滑动变阻器的说法不正确的是()A. 改变待测电阻两端的电压B. 改变待测电阻中的电流C. 为了使电流表能选用小量程而使测量结果更准确D. 保护电路中的电路元件2•在用伏安法测电阻的实验中,某实验小组的同学在操作时,电表量程选择正确,其中一组同学不慎将两表的位置接错,连成如图所示情况,那么当开关闭合后可能出现的情况是()A. 电流表和电压表都被损坏C.电流表示数为零,电压表有示数B. 电流表和电源损坏,电压表示数为零 D.电流表损坏,电压表有示数3•在用伏安法测电阻实验中,王力同学不小心将、关后,会发生的现象是()A. 电流表烧坏B. 电压表烧坏C. 电源烧坏D. 电压表示数等于电源电压两表位置接反,如图所示,已知两表量程合适,则闭合开 4•如图所示的四个电路中,电源电压保持不变,R 。
为已知阻值的定值电阻,不能测出未知电阻Rx 阻值的电路是()5•如图所示是某同学测电阻的实验电路。
闭合开关,观察到电流表、电压表指针均稍有偏转,产生这一现象的原因可能是()A. 滑动变阻器短路B. 滑动变阻器连入电路中的阻值较大C. 定值电阻开路D. 定值电阻的阻值较大6•要测量一个阻值约为600Q 的电阻R x ,提供的器材有:干电池两节、学生用电压表(量程为0-3V 、0-15V )、学生用电流表(量程为0-0.6A 、0-3A )、滑动变阻器(10Q2A )和电阻箱R 0(0-999905A )各一个,开关、导线若干•下列四个设计方案中,能测出R x阻值的最合理的方案是(),要测这个电阻中的电流和两端的电压,电流表、电 A. 0〜0.6A,0〜B. 0〜0.6A,0〜小红所U/V 0.6 0.7 0.8 0.9 1.0 1.1 I/A 0.18 0.210.250.270.300.33压表选择的量程应为()C. 0〜3A,0〜3VD.0〜3A,0〜15V8•王丽同学在做“测量小灯泡的电阻"的实验中时,所连接的电路图如图所示,当闭合开关后()——'I IA.电压表烧坏B.电流表烧坏 C.电压表有读数,电流表读数为零D.电流表有读数,电压表读数为零 9•小红设计了测量某定值电阻的阻值实验,通过改变滑动变阻器的电阻大小,测量并记录了多组电压表和10. 如图,某同学用伏安法测小灯泡电阻时,将电流表与小灯泡并联,电压表与小灯泡串联,下列说法中正确的是()@|NT V TA.电流表烧坏B.电压表烧坏C.两表都烧坏D.灯泡不亮7.一个20Q 的电阻,接在由4节电流表的读数,根据表格中记录的数据分析,A.测量值等于电阻的实际阻值C.测量值大于电阻的实际阻值二、填空题B. 测量值小于电阻的实际阻值 D. 以上三种情况都有可能11. 下图是小松同学实验时所画电路图中的一部分,根据此电路图,下列四个选项不能直接研究的问题是()2甘IA.电阻跟温度的关系B.小灯泡的电功率C.电流跟电压的关系D.小灯泡的电阻12. 某同学在没有电流表的情况下(电源电压未知但不变),利用电压表和已知阻值的定值电阻R0,测量 13. 在“测量小灯泡电阻"实验中,小明同学用一只标有“3.8V"字样的小灯泡做实验,正确连接电路后,闭合 开关,发现无论怎样调节滑动变阻器,小灯泡两端电压总不能达到3.8V ,原因可能是()A.小灯泡出现了短路B.小灯泡出现了断路C.选取的滑动变阻器阻值太小D.电源电压太低14. 用"伏安法测电阻"实验电路图如图所示,初步知道未知电阻的阻值在十几欧左右,如果考虑电流表及电压表的电阻,则下列判断正确的是()15. 在测量小灯泡电阻试验中,(能/不能)求平均值,因为,测量定值电阻试验中(能/不能)求平均值,原因。
物理电阻的测量练习题在物理学中,电阻是电流通过导体时的阻碍程度。
它是电气元件的关键参数之一,广泛应用于各种电路中。
为了有效地使用电阻,我们需要掌握如何测量电阻的方法。
下面是一些关于电阻测量的练习题,帮助我们加强对电阻的理解和应用。
1. 当电流为2安时,一根导线上的电压降为10伏。
计算导线的电阻。
2. 如果一个电阻器被连接到电压为12伏、电流为3安的电路中,求该电阻器的电阻值。
3. 通过一个电灯泡的电流为0.5安,电压为120伏。
求电灯泡的电阻。
4. 当电阻为20欧时,通过它的电流为5安。
求通过一个电压为200伏的电阻的电流是多少?5. 当电路中的电流为0.5安,通过一个电阻的电压是3伏。
求该电阻的电阻值。
6. 如果一个电阻器的电阻值为30欧,电压为20伏,求通过该电阻器的电流。
7. 一根电线的电阻为4欧,当通过它的电流为2安时,求该电线两端的电压。
8. 如果一个电阻为10欧的电阻器连接到一个电路中,通过它的电压为30伏。
求通过该电阻器的电流。
9. 当电流为1安时,通过一个电阻器的电压为6伏。
求该电阻器的电阻值。
10. 在一个电路中,通过一个电阻的电压为15伏,电阻为3欧。
求通过该电阻的电流。
以上练习题涵盖了不同类型的电阻测量问题,从基本的欧姆定律开始,逐步扩展到更复杂的电路模型。
通过这些题目的解答,我们可以熟悉不同电路条件下电阻的计算方法,并找到每个问题的最优解。
在实际使用中,掌握这些测量方法可以帮助我们更好地了解电子设备的性能和工作状态。
在解答这些问题时,我们需要运用欧姆定律,它表明电阻是电压和电流的比值。
根据欧姆定律,电阻(R)等于电压(V)除以电流(I)。
这个公式可以应用到每个练习题中,我们只需根据所给的已知条件代入公式,计算出所求的未知量即可。
当然,除了使用欧姆定律外,我们还可以使用其他的电阻测量方法。
例如,可以使用电阻计测量电阻的值,或者使用电桥测量电阻的精确值。
这些高级测量方法超出了这些练习题的范围,但对于深入了解电阻测量的原理和技术是非常有用的。
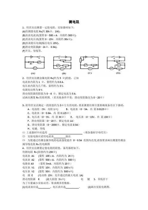
测电阻1、用伏安法测量一定值电阻,实验器材如下:(A)待测量电阻Rx(约30kΩ,1W);(B)直流电流表(量程0~500μA,内阻约300Ω);(C)直流电压表(量程0~15V,内阻约30kΩ);(D)直流稳压电源(输出电压20V);(E)滑动变阻器(0~2kΩ,0.3A);(F)开关、导线等。
2.用伏安法测金属电阻Rx(约为5 Ω)的值,已知电流表内阻为1 Ω,量程约为0.6 A,电压表内阻为几千欧,量程约为3 V,电源电动势为9 V,滑动变阻器的阻值为0~6 Ω,额定电流为5 A,试画出测量Rx的原理图.(若其他条件不变,滑动变阻器改为0~20Ω)3:欲用伏安法测定一段阻值约为5Ω左右的电阻,要求测量结果尽量准确现备有以下器材:A、电池组(3V,内阻1Ω)B、电流表(0—3A,内阻0.0125Ω)C、电流表(0—0.6A,内阻0.125Ω)D、电压表(0—3V,内阻3KΩ)E、电压表(0—15V,内阻15KΩ)F、滑动变阻器(0—20Ω,额定电流1A)G、滑动变阻器(0—2000Ω,额定电流0.3A)H、电键、导线⑴上述器材中应选用(填各器材字母代号)⑵实验电路应采用电流表接法⑶为使通过待测金属导线的电流强度能在0—0.5A范围内改变,请按要求画出测量待测金属导线电阻Rx的电路图4、用伏安法测量定值电阻的阻值,备用器材如下:待测电阻Rx (阻值约为25KΩ)电流表A1 (量程100μA,内阻约为2KΩ)电流表A2 (量程500μA,内阻约为300Ω)电路表A3 (量程3mA,内阻约为20Ω)电压表V1 (量程10V,内阻约为100 kΩ)电压表V2 (量程50V,内阻约为500 kΩ)电源E (电动势15V,允许通过的最大电流1A)滑动变阻器R (最大阻值3 kΩ)电键S,导线若干为了尽量减小实验误差,要求测多组数据。
(1)电流表应选_________,电压表应选__________。
(2)画出实验电路图。
电阻的测量专题1.基本方法:伏安法1.(山东高考)检测一个称值为5Ω的滑动变阻器。
可供便用的器材如下:A .待测滑动变阻器Rx ;全电阻约5ΩB .电流表A 1;量程0.6A ;内阻0.6ΩC .电流表A 2;量程3A ;内阻约0.12ΩD .电压表V 1;量程15V ;内阻约15kΩE .电压表V 2;量程3V ;内阻约为3kΩF .滑动变阻器R ;全电阻约20ΩG .直流电源E ;电动势3V ;内阻不计H .游标卡尺 I .毫米刻尺J .电键S 、导线若干(1)用伏安法测定Rx 的全电阻值;所选电流表为________(填“A 1或A 2”);所选电压表为____________(填“V 1”或“V 2”)。
(2)画出测量电路的原理图。
2.某电压表的内阻在20 kΩ~50 kΩ之间;现要测量其内阻;实验室提供下列可选用器材:图20-25 ①所提供的电流表中;应选用 (填写字母代号).②为了尽量减小误差;要求测量多组数据;试在图20-25中画出符合要求的实验电路图(其中电源和电键及其连线已画出).3.(2000全国高考)从下表中选出适当的实验器材;设计一电路来测量电流表A 1的内阻r 1;要求方法简捷;有尽可能高的测量精;并能测得多组数据.(1)在虚线方框中画出电路图;标明所用器材的代号.(2)若选测量数据中的一组来计算r 1;则所用的表达式为r 1=________;式中各符号的器材和器材代号 规格 待测电压表V 量程3V 电流表A 1 量程200μA 电流表A 2 量程5 mA 电流表A 3 量程0.6 A 滑动变阻器R 最大阻值1 kΩ 电源E 电动势4V 电键K器材(代号) 规 格 电流表(A 1) 电流表(A 2) 电压表(V ) 电阻(R 1) 滑动变阻器(R 2) 电池(E ) 电键(K ) 导线若干 量程10mA 内阻r 1待测(约40 ) 量程500μA 内阻r 2=750 量程10V ;内阻r 3=10 k 阻值约100 ;作保护电阻用 总阻值约50 电动势1.5 V ;内阻很小图10 甲 乙 意义是:_______________________.4.有一内阻未知(约25kΩ ~ 35kΩ)、量程未知(约25V ~ 35V );共有30个均匀小格的直流电压表V .(1)用多用表的欧姆档测量其内阻;多用表刻盘上电阻刻中间值为20.实验时应将选择开关拨至倍率“×_______”;多用表的红表笔与电压表V 的 (“正”或“负”)的接线柱相连。
半偏法测电阻练习题一、选择题1. 在半偏法测量电阻的过程中,下列哪种仪器是必需的?A. 电阻箱B. 电压表C. 电流表D. 正确答案是ABC2. 在半偏法测量电阻时,下列哪个选项描述了正确的连接方式?A. 将电压表并联在待测电阻两端,电流表串联在待测电阻的一端B. 将电流表并联在待测电阻两端,电压表串联在待测电阻的一端C. 将电阻箱并联在待测电阻两端,电流表串联在待测电阻的一端D. 将电阻箱串联在待测电阻两端,电流表并联在待测电阻的一端正确答案是A3. 在使用半偏法测量电阻时,电阻箱的内阻对测量结果有什么影响?A. 内阻越大,测量误差越小B. 内阻越大,测量误差越大C. 内阻不影响测量结果D. 正确答案不包含在选项中4. 在半偏法测量电阻时,下列哪个选项描述了正确的步骤?A. 先调节电流表,再调节电压表,最后调节电阻箱B. 先调节电压表,再调节电流表,最后调节电阻箱C. 先调节电阻箱,再调节电流表,最后调节电压表D. 先调节电阻箱,再调节电压表,最后调节电流表正确答案是C1. 在半偏法测量电阻时,电流表的量程应大于待测电阻的额定电流。
正确错误2. 半偏法测量电阻的原理是通过测量电路中的电压和电流来计算电阻值。
正确错误3. 在半偏法测量电阻时,电压表应并联在待测电阻的两端。
正确错误4. 在半偏法测量电阻时,电阻箱的内阻越大,测量结果越准确。
正确错误1. 请解释半偏法测量电阻的原理,并列举实际应用场景。
半偏法测量电阻的原理是通过沿待测电阻流过一个恒定电流,测量其两端的电压来计算电阻值。
通过施加一定大小的电流,并测量电阻两端的电压,可以通过欧姆定律计算出电阻值。
半偏法测量电阻适用于各种电子电路中对电阻进行测量的场景,如电子元器件的质量检测、电路分析等。
2. 在半偏法测量电阻时,为什么电压表应并联在待测电阻的两端?电压表并联在待测电阻的两端可以直接测量电阻两端的电压,从而计算出电阻值。
并联连接方式使得电压表的内部阻抗很大,不会对电阻测量产生较大的影响。
测电阻高中练习题及讲解电阻的基本概念电阻是电路中阻碍电流流动的物理量,通常用符号R表示,单位是欧姆(Ω)。
电阻的大小与导体的材料、长度、截面积以及温度有关。
在电路分析中,理解电阻的计算和测量是基础且重要的。
练习题一:电阻的串并联1. 已知两个电阻R1=10Ω和R2=20Ω,求它们串联后的总电阻。
2. 已知两个电阻R1=10Ω和R2=20Ω,求它们并联后的总电阻。
练习题二:欧姆定律的应用一个电阻器R与一个电源串联,电源电压为12V,通过电阻器的电流为0.5A,求电阻器的阻值。
练习题三:电阻的测量使用万用表测量一个电阻器的阻值,万用表的电阻档位设置为200Ω,测量结果显示为1.85。
求该电阻器的实际阻值。
练习题四:电路的功率计算在一个电路中,已知电源电压为9V,通过一个电阻器的电流为0.3A,求该电阻器消耗的功率。
练习题五:电阻的温漂一个电阻器在20°C时的阻值为100Ω,其温度系数为0.004/°C。
求该电阻器在50°C时的阻值。
练习题六:电阻的色环识别一个电阻器上有四色环,颜色依次为棕色、黑色、橙色、金色。
求该电阻器的阻值和容差。
答案解析练习题一:1. 串联电阻的总电阻等于各电阻之和,所以R总= R1 + R2 = 10Ω + 20Ω = 30Ω。
2. 并联电阻的总电阻等于各电阻的倒数之和的倒数,所以1/R总 = 1/R1 + 1/R2,R总= (R1 * R2) / (R1 + R2) = (10Ω * 20Ω) / (10Ω + 20Ω) = 20/3Ω。
练习题二:根据欧姆定律,电阻R = U / I,其中U是电压,I是电流。
所以R = 12V / 0.5A = 24Ω。
练习题三:万用表的电阻档位设置为200Ω,显示1.85,实际阻值即为1.85 * 200Ω = 370Ω。
练习题四:功率P = U * I,所以P = 9V * 0.3A = 2.7W。
练习题五:电阻的温漂计算公式为Rt = R0 * (1 + α * (t - t0)),其中R0是初始温度下的电阻值,α是温度系数,t0是初始温度,t是目标温度。
初三物理电阻的测量练习题1. 导言电阻是物理学中的重要概念,用于描述物质对电流流动的阻碍程度。
在物理实验中,我们经常需要精确地测量电阻值。
以下是一些初三物理电阻的测量练习题,帮助学生更好地理解和应用电阻测量的原理与方法。
2. 练习题1) 一根导体的电阻值为5欧姆,通过该导体的电流为2安培。
求该导体两端的电压差。
2) 一只灯泡在两个相邻笔触之间的电压差为4伏特,通过灯泡的电流为0.5安培。
求该灯泡的电阻值。
3) 在实验室中,电阻计测量一根导线的电阻值为10欧姆,将该导线连接到一电压为6伏特的电池,求通过导线的电流强度。
4) 一台电风扇的电流为0.8安培,通过电风扇的电压为240伏特。
求该电风扇的电阻值。
5) 一台电视机的电阻值为20欧姆,将电视机连接到电压为220伏特的电源上,求通过电视机的电流强度。
3. 解析与计算解析如下所示:1) 电压差 = 电流 ×电阻= 2 A × 5 Ω = 10 V2) 电阻值 = 电压差 / 电流 = 4 V / 0.5 A = 8 Ω3) 电流强度 = 电压 / 电阻= 6 V / 10 Ω = 0.6 A4) 电阻值 = 电压 / 电流= 240 V / 0.8 A = 300 Ω5) 电流强度 = 电压 / 电阻= 220 V / 20 Ω = 11 A4. 总结通过以上练习题的解析与计算,我们可以应用欧姆定律和相关公式来求解电阻、电流和电压之间的关系。
了解和掌握电阻测量的原理与方法对理解电路和电子设备的工作原理具有重要意义。
在实际应用中,我们通常使用万用表等测量工具来测量电阻值,进一步验证理论计算结果的准确性。
5. 结束语通过这些测量练习题,希望能够帮助学生巩固对电阻测量的理解,并提高解决实际问题的能力。
电阻的测量是物理实验中的基础内容,也是我们理解电路原理的关键所在。
希望同学们能够认真学习和掌握这些知识,为今后深入学习电学打下坚实的基础。
特殊方法测电阻例1:有一个阻值未知的电阻R,我们要测出它的阻值.但手边只有一个电池组、一个开关、一个电压表、一个已知阻值为L的电阻和若干条导线。
请你想办法测出R的阻值,写出你设计的实验方案。
解析:[1]电路如图:[2]实验步骤:(D按照电路图连接好电路。
(2)闭合开关,用电压表分别测出Rn两端电压UO和R两端电压口。
(3)整理实验器材。
[3]待测电阻R的表达式:R x=。
变式1:(沈阳市沈河区模拟)某班级同学在用伏安法测量一未知电阻的阻值之后。
在没有电流表的情况下,某小组同学又设计了如图所示的测量电路,通过闭合或断开开关同样可以测量未知电阻R的阻值,其中R是已知阻值的定值电阻,请把下面的实验步骤补充完整:①,用电压表测出电源的电压U;②,用电压表测出待测电阻R两端的电压为5;③请用测量值U、Ul和已知量R来表达R x=o拓展演练1:(2022∙南充)28.(5)小李用一个已知阻值为R。
的定值电阻,和一个单刀双掷开关So,设计了如图所示的电路图。
闭合开关S后,当S。
接通触头1时,电压表示数为U"当s。
接通触头2时,电压表不数为1)2,则RX=(用R。
、Uι..U2表小)。
例2:将电源、开关、己知最大阻值为比的滑动变阻器、待测电阻R、导线若干连成如图所示的电路,滑片置于A端,闭合开关,记下电压表示数口;滑片置于B端,记下电压表示数U2。
用上述物理量表示出未知电阻R=拓展演练2:(2022.沈阳24.)(3)小雨的电流表坏了,老师给他一个己知最大阻值为R"的滑动变阻器、一个阻值未知的定值电阻R1χ电压保持不变的电源、若干开关和导线,小雨重新设计了如图所示的电路图,按电路图连接电路,并正确测出小灯泡的额定功率P.具体实验步骤如下:①断开开关,,闭合开关Sl和S3,调节滑动变阻器的滑片P至a端,电压表的示数为山;再将滑片P调至b端,电压表不数为U"则Rl=;(用IL、UZ和RO表示)拓展演练3:(2015沈阳24.)(2)实验时某小组同学想利用一只电流表和最大阻值为R “的滑动变阻器完成对未知电阻R 的测量。
电阻的测量练习题导言:在电路中,电阻是一种常见的元件,用来限制电流的流动。
正确地测量电阻对于电路的设计和故障排查至关重要。
为了提高对电阻测量的理解和应用能力,本文将提供一系列电阻的测量练习题,涵盖不同情境下的测量方法和技巧。
1. 直流电阻的测量1.1. 使用电表测量电阻在直流电路中,最常见的测量电阻的方法是使用电表。
电表通常有两个档位:20欧姆和200欧姆。
以下是几个实际测量电阻的练习题:问题1:将一个未知电阻和一个20欧姆的电阻相连接,选择合适的档位,测量电路中的总电阻。
问题2:使用200欧姆的电阻将一个未知电阻串联,选择合适的档位,测量整个电路中的总电阻。
问题3:并联连接一个未知电阻和一个20欧姆的电阻,选择合适的档位,测量电路中的总电阻。
1.2. 使用电桥测量电阻电桥是一种更为精确的测量电阻的仪器,常用于对较小电阻进行测量。
以下是几个使用电桥测量电阻的练习题:问题4:使用维尔斯通电桥测量一个未知电阻,根据测量结果计算出该电阻的准确值。
问题5:将一个未知电阻与一个已知电阻串联,使用维尔斯通电桥测量电路中的总电阻。
2. 交流电阻的测量2.1. 使用RMS电压值测量电阻在交流电路中,电阻的测量需要考虑电流的频率和波形。
以下练习题将涉及使用RMS电压值来测量电阻:问题6:在50Hz的正弦波电路中,使用多用表测量一个2欧姆的电阻。
问题7:在100Hz的方波电路中,使用示波器和测量电流的方法测量一个未知电阻。
2.2. 使用频率扫描测量电阻值频率扫描是一种使用信号发生器和示波器的测量方法,可用于测量复杂电路中的电阻。
以下是几个频率扫描测量电阻的练习题:问题8:使用频率扫描方法测量一个未知电阻,并绘制其阻抗频率相应曲线。
问题9:在一个带有并联电容和电感的电路中,使用频率扫描方法测量电路中的总电阻。
结论:电阻的准确测量对于电路的设计和故障排查非常重要。
本文提供了一系列电阻测量练习题,包括直流电阻和交流电阻的测量方法。
测量电阻专项练习1、某同学测量一个圆柱体的电阻率,需要测量圆柱体的尺寸和电阻。
①分别使用游标卡尺和螺旋测微器测量圆柱体的长度和直径,某次测量的示数如图15(a)和图15(b)所示,长度为_____cm,直径为_____m m。
②按图15(c)连接电路后,实验操作如下:(a)将滑动变阻器R1的阻值置于最_____处(填“大”或“小”);将S2拨向接点1,闭合S1,调节R1,使电流表示数为I0;(b)将电阻箱R2的阻值调至最______(填“大”或“小”);将S2拨向接点2;保持R1不变,调节R2,使电流表示数仍为I0,此时R2阻值为1280Ω;③由此可知,圆柱体的电阻为_____Ω。
2.在“测定金属的电阻率”实验中,所用测量仪器均已校准.待测金属丝接入电路部分的长度约为50cm.(1)用螺旋测微器测量金属丝的直径,其中某一次测量结果如图1所示,其读数应为___________mm(该值接近多次测量的平均值)(2)用伏安法测金属丝的电阻Rx.实验所用器材为:电池组(电动势为3V,内阻约1Ω)、电流表(内阻约Ω)、电压表(内阻约3kΩ)、滑动变阻器R(0~20Ω,额定电流2A)、开关、导线若干.某小组同学利用以上器材正确连接好电路,进行实验测量,记录数据如下:由以上数据可知,他们测量Rx是采用图2中的_________图(选填“甲”或“乙”).(3)图3是测量Rx的实验器材实物图,图中已连接了部分导线,滑动变阻器的滑片P置于变阻器的一端.请根据图(2)所选的电路图,补充完成图3中实物间的连线,并使闭合开关的瞬间,电压表或电流表不至于被烧坏.(4)这个小组的同学在坐标纸上建立U、I坐标系,如图4所示,图中已标出了测量数据对应的4个坐标点.请在图4中标出第2、4、6次测量数据坐标点,并描绘出U─I图线.由图线得到金属丝的阻值R x=___________Ω(保留两位有效数字).(5)根据以上数据可以估算出金属丝的电阻率约为___________(填选项前的符号).A.1×10-2ΩmB.1×10-3Ωm C.1×10-6Ωm D.1×10-8Ωm(6)任何实验测量都存在误差.本实验所用测量仪器均已校准,下列关于误差的说法中正确的选项是___________(有多个正确选项).A.用螺旋测微器测量金属丝直径时,由于读数引起的误差属于系统误差B.由于电流表和电压表内阻引起的误差属于偶然误差C.若将电流表和电压表内阻计算在内,可以消除由测量仪表引起的系统误差D.用U─I图像处理数据求金属丝电阻可以减小偶然误差3.在做“描绘小灯泡的伏安特性曲线”的实验时,所用电流表内阻约为几欧,电压表内阻约为十几千欧。
实验中得到了多组数据,通过描点连线在I-U坐标系中得到了小灯泡的伏安特性曲线如图甲所示。
(1)在虚线框中画出实验电路原理图,并在图乙中用笔画线代替导线连接电路。
(2)根据图甲,可确定小灯泡的功率P与U2和P与I2的关系,下列示意图中合理的是________。
(3)将被测小灯泡、定值电阻R和电源串联成如图丙所示的电路,电源电动势为 V,内阻为Ω。
若电路中的电流为 A,则定值电阻R所消耗的电功率为________W。
4.某学习小组的同学拟探究小灯泡L的伏安特性曲线,可供选用的器材如下:小灯泡L,规格“.”;电流表A1,量程3A,内阻约为Ω;电流表A2,量程,内阻r2=Ω;电压表V,量程3V,内阻rV=9kΩ;标准电阻R1,阻值1Ω;标准电阻R2,阻值3kΩ;滑动变阻器R,阻值范围O~ 10Ω,;学生电源E,电动势6V,内阻不计;开关S及导线若干。
①甲同学设计了如图1所示的电路来进行测量,当通过L的电流为时,电压表的示数如图2所示,请问读数________V,此时L的电阻为__________Ω。
②乙同学又设计了如图3所示的电路来进行测量,电压表指针指在最大刻度时,加在L上的电压值是____________V。
③学习小组认为要想更准确地描绘出L完整的伏安特性曲线,需要重新设计电路。
请你在乙同学的基础上利用所供器材,在图4所示的虚线框内补画出实验电路图,并在图上标明所选器材代号。
5、小明对2B铅笔芯的导电性能感兴趣,于是用伏安法测量其电阻值。
(1)图1是部分连接好的实物电路图,请用电流表外接法完成接线并在图1中画出。
(2)小明用电流表内接法和外接法分别测量了一段2B铅笔芯的伏安特性,并将得到的电流、电压数据描到U-I图上,如图2所示。
在图中,由电流表外接法得到的数据点是用_______(填“О”或“×”)表示的。
(3)请你选择一组数据点,在图2上用作图法作图,并求出这段铅笔芯的电阻为______Ω。
6、硅光电池是一种可将光能转换为电能的器件。
某同学用题22图2所示电路探究硅光电池的路端电压U与总电流I的关系。
图中R0为已知定值电阻,电压表视为理想电压表。
①请根据题22图2,用笔画线代替导线将题22图3中的实验器材连接成实验电路。
②若电压表V2的读数为U0,则I= V。
③实验一:用一定强度的光照射硅光电池,调节滑动变阻器,通过测量得到该电池的U-I 曲线a。
见题22图4,由此可知电池内阻(填“是”或“不是”)常数,短路电流为 mA ,电动势为 V。
④实验二:减小实验一中光的强度,重复实验,测得U-I曲线b,见题22图4。
当滑动变阻器的电阻为某值时,若实验一中的路端电压为。
则实验二中外电路消耗的电功率为mW(计算结果保留两位有效数字)。
7、某同学测量阻值约为25kΩ的电阻R x,现备有下列器材:A.电流表(量程100 μA,内阻约为2 kΩ);B.电流表(量程500 μA,内阻约为300 Ω);C.电压表(量程15 V,内阻约为100 kΩ);D.电压表(量程50 V,内阻约为500 kΩ);E.直流电源(20 V,允许最大电流1 A);F.滑动变阻器(最大阻值1 kΩ,额定功率1 W);G.电键和导线若干。
电流表应选,电压表应选。
(填字母代号)该同学正确选择仪器后连接了以下电路,为保证实验顺利进行,并使测量误差尽量减小,实验前请你检查该电路,指出电路在接线上存在的问题:①_______________________________②_______________________________8、(2013北京卷)某同学通过实验测定一个阻值约为5Ω的电阻Rx的阻值。
(1)现有电源(4V,内阻可不计),滑动变阻器(0~50Ω,额定电流2A),开关和导线若干,以及下列电表A.电流表(0~3A,内阻约Ω)B.电流表(0~,内阻约Ω)C.电压表(0~3V,内阻约3kΩ)D.电压表(0~15V,内阻约15kΩ)为减小测量误差,在实验中,电流表应选用,电压表应选用 _(选填器材前的字母);实验电路应采用图1中的(选填“甲”或“乙”)(2)图2是测最Rx的实验器材实物图,图中已连接了部分导线.请请根据在(1)问中所选的电路图,补充完成图2中实物间的连线.(3)接通开关,改变滑动变阻器画片P的位置,并记录对应的电流表示数I、电压表示数U。
某次电表示数如图3所示,可得该电阻的测量值=Ω(保留两位有效数字)。
(4)若在(1)问中选用甲电路,产生误差的主要原因是;若在(1)问中选用乙电路产生误差的主要原因是。
(选填选项前的字母)A. 电流表测量值小于流经R x的电流值B. 电流表测量值大于流经R x的电流值C. 电压表测量值小于R x两端的电压值D. 电压表测量值大于R x两端的电压值(5)在不损坏电表的前提下,将滑动变阻器滑片P从一端滑向另一端,随滑片P移动距离x的增加,被测电阻R x两端的电压U也随之增加,下列反映U-x关系的示意图中正确的是。
9、【2014·天津卷】现要测量一个未知电阻R x的阻值,除R x外可用的器材有:多用电表(仅可使用欧姆挡);一个电池组E(电动势6V):一个滑动变阻器R(0~20Ω,额定电流1A):两个相同的电流表G(内阻R g=1000Ω,满偏电流I g=100μA):两个标准电阻(R1=29000Ω,R2=Ω):一个电键S、导线若干。
①为了设计电路,先用多用电表的欧姆挡粗测未知电阻,采用“×10”挡,调零后测量该电阻,发现指针偏转非常大,最后几乎紧挨满偏刻度停下来,下列判断和做法正确的是(填字母代号)。
A.这个电阻阻值很小,估计只有几欧姆B.这个电阻阻值很大,估计有几千欧姆C.如需进一步测量可换“×1”挡,调零后测量D.如需进一步测量可换“×1k”挡,调零后测量②根据粗测的判断,设计一个测量电路,要求测量尽量准确并使电路能耗较小,画出实验电路图,并将各元件字母代码标在元件的符号旁。
10、为了测定电流表A1的内阻,某同学采用如图所示的实验电路。
其中:A1是待测电流表,量程为300μA,内阻约为50Ω~100Ω;A2是标准电流表,量程是200μA,内阻约为100Ω;R1是电阻箱,阻值范围是0~Ω;R2是滑动变阻器;R3是保护电阻;E是电池组,电动势为4 V,内阻不计;S1是单刀单掷开关,S2是单刀双掷开关。
(1)请将该同学的操作补充完整:①连接好电路,将滑动变阻器R2的滑片移到最;(填“左端”或“右端”)将开关S2扳到接点a处,接通开关S1;调整滑动变阻器R2,使电流表A2的读数是150μA。
②将开关S2扳到接点b处,,使电流表A2的读数仍是150μA。
③若此时电阻箱各旋钮的位置如右图所示,则待测电流表A1的内阻R g= Ω。
(2)上述实验中,无论怎样调整滑动变阻器R2的滑动位置,都要保证两只电流表的安全。
在下面提供的四个电阻中,保护电阻R3应选用(填写阻值前相应的字母)。
A.200 kΩ B.20 kΩ C.15 kΩ D.150 kΩ11.电压表满偏时通过该表的电流是半偏时通过该表电流的两倍。
某同学利用这一事实测量电压表的内阻(半偏法),实验室提供的器材如下:待测电压表(量程3 V,内阻约为3 000 Ω),电阻箱R0(最大阻值为99 Ω),滑动变阻器R1(最大阻值100 Ω,额定电流2 A),电源E(电动势6 V,内阻不计),开关2个,导线若干。
(1)虚线框内为该同学设计的测量电压表内阻的电路图的一部分,将电路图补充完整。
(2)根据设计的电路,写出实验步骤:________________________________________________________________________ ________________________________________________________________________。
(3)将这种方法测出的电压表内阻记为R V′,与电压表内阻的真实值R V相比,R V′________R V(填“>”、“=”或“<”),主要理由是_____________________________________________________。