通风与空调设备安装工程见证点检查表
- 格式:doc
- 大小:77.50 KB
- 文档页数:2
通风与空调工程施工质量验收用表格二0一二年十月三十日目录一、风管与配件制作检验批质量验收记录(金属风管)二、风管部件与消声器制作检验批质量验收记录三、风管系统安装检验批质量验收记录(送、排风,排烟系统)四、风管系统安装检验批质量验收记录(空调系统)五、风管系统安装检验批质量验收记录(净化空调系统)六、通风机安装检验批质量验收记录七、通风与空调设备安装检验批质量验收记录(通风系统)八、通风与空调设备安装检验批质量验收记录(空调系统)九、通风与空调设备安装检验批质量验收记录(净化空调系统)十、空调制冷系统安装检验批质量验收记录十一、空调水系统安装检验批质量验收记录(金属管道)十二、空调水系统安装检验批质量验收记录(非金属管道)十三、空调水系统安装检验批质量验收记录(设备)十四、防腐与绝热施工检验批质量验收记录(风管系统)十五、防腐与绝热施工检验批质量验收记录(管道系统)十六、工程系统调试检验批质量验收记录十七、通风与空调工程分项工程质量验收记录(分项工程)十八、通风与空调子分部工程质量验收记录十九、通风与空调子分部工程质量验收记录(除尘系统)二十、通风与空调子分部工程质量验收记录(空调系统)二十一、通风与空调子分部工程质量验收记录(净化空调系统)二十二、通风与空调子分部工程质量验收记录(制冷系统)二十三、通风与空调子分部工程质量验收记录(空调水系统)二十四、通风与空调分部工程质量验收记录一、风管与配件制作检验批质量验收记录(金属风管)二、风管部件与消声器制作检验批质量验收记录三、风管系统安装检验批质量验收记录(送、排风,排烟系统)四、风管系统安装检验批质量验收记录(空调系统)五、风管系统安装检验批质量验收记录六、通风机安装检验批质量验收记录七、通风与空调设备安装检验批质量验收记录(通风系统)八、通风与空调设备安装检验批质量验收记录(空调系统)九、通风与空调设备安装检验批质量验收记录(净化空调系统)十、空调制冷系统安装检验批质量验收记录十一、空调水系统安装检验批质量验收记录(金属管道)十二、空调水系统安装检验批质量验收记录(非金属管道)十三、空调水系统安装检验批质量验收记录(设备)十四、防腐与绝热施工检验批质量验收记录(风管系统)十五、防腐与绝热施工检验批质量验收记录(管道系统)十六、工程系统调试检验批质量验收记录十七、通风与空调工程分项工程质量验收记录(分项工程)十八、通风与空调子分部工程质量验收记录(防排、烟系统)十九、通风与空调子分部工程质量验收记录二十、通风与空调子分部工程质量验收记录(空调系统)二十一、通风与空调子分部工程质量验收记录二十二、通风与空调子分部工程质量验收记录二十三、通风与空调子分部工程质量验收记录二十四、通风与空调分部工程质量验收记录。
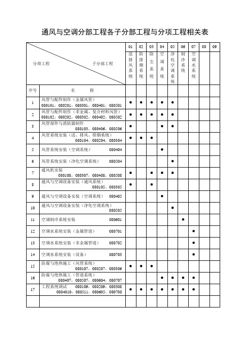
通风与空调分部工程各子分部工程与分项工程相关表注:有●号者为该子分部工程所含的分项工程风管与配件制作(金属风管)检验批质量验收记录(GB50243-2002)表C.2.1-1编号:080101/080201/080301/080401/080501风管与配件制作(非金属、复合材料风管)检验批质量验收记录(GB50243-2002)表C.2.1-2 编号:080102/080202/080302/080402/080502□□□(GB50243-2002)表C.2.1-2 接上表风管部件与消声器制作检验批质量验收记录(GB50243-2002)表C.2.2 编号:080103/080406/080506风管系统安装(送、排风、排烟系统)检验批质量验收记录(GB50243-2002)表C.2.3-1 编号:080104/080204/080304风管系统安装(空调系统)检验批质量验收记录(GB50243-2002)表C.2.3-2 编号:080404风管系统安装(净化空调系统)检验批质量验收记录(GB50243-2002)表C.2.3-3 编号:080504□□□通风机安装检验批质量验收记录(GB50243-2002)表C.2.4编号:080108/080307/080408/080508通风与空调设备安装(通风系统)检验批质量验收记录(GB50243-2002)表C.2.5-1 编号:080105/080305通风与空调设备安装(空调系统)检验批质量验收记录(GB50243-2002)表C.2.5-2 编号:080405□□□通风与空调设备安装(净化空调系统)检验批质量验收记录(GB50243-2002)表C.2.5-3 编号:080505空调制冷系统安装检验批质量验收记录(GB50243-2002)表C.2.6 编号:080601□□□空调水系统安装(金属管道)检验批质量验收记录(GB50243-2002)表C.2.7-1 编号:080701□□□空调水系统安装(非金属管道)检验批质量验收记录(GB50243-2002)表C.2.7 2 编号:080702□□□空调水系统安装(设备)检验批质量验收记录(GB50243-2002)表C.2.7-3 编号:080703□□□防腐与绝热施工(风管系统)检验批质量验收记录(GB50243-2002)表C.2.8-1 编号:080107/080207/080306□□□防腐与绝热施工(管道系统)检验批质量验收记录(GB50243-2002)表C.2.8-2编号:080407/080507/080604/080707□□□(GB50243-2002)表C.2.9 编号:080109/080209/080308/080410/080511/080605/080708X。
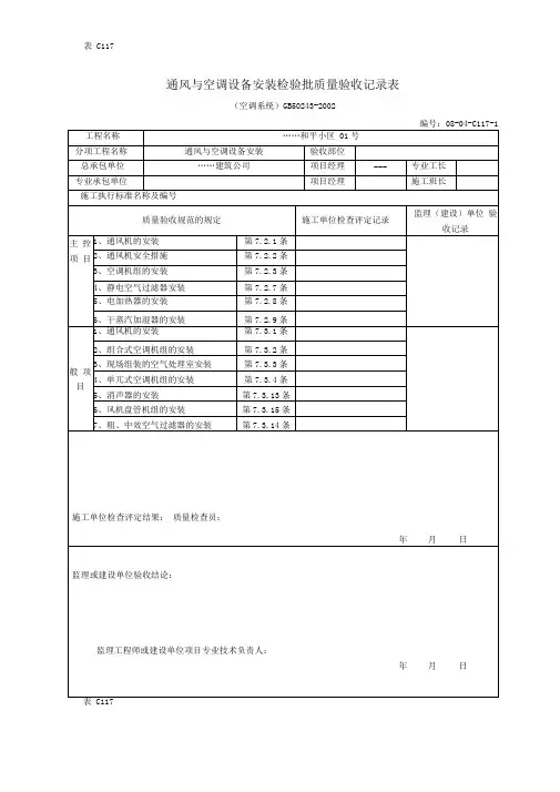
通风与空调设备安装检验批质量验收记录表(空调系统)GB50243-2002通风与空调设备安装检验批质量验收记录。
填表说明:一、该表由施工单位专业技术员填写,自检合格后报监理机构,监理工程师现场检验合格后签字确认。
相关签字人要求本人签字。
二、规范要点:7.2.1条:1 通风机型号、规格应符合设计规定其出口方向应正确;2 叶轮旋转应平稳,停转后不应每次停留在同一位置上;3 固定风机的地脚螺栓应拧紧,并有防松动措施。
检查数量:(全数检查)7.2.2条:通风机传动装置的外露部位以及直通大气的进出口,必须装防护罩(网)或其它安全措施。
检查数量:(全数检查)7.2.3条:1 型号、规格、方向和技术参数应符合设计要求;2 现场组装的组合空气调节机组做漏风量的检测,其漏风量必须符合现行国家标准《组合式空调机组》GB/T14294的规定。
检查数量:(抽检20%不少于1台,净化空调机组1~5级全数检查,6~9级抽检50%)7.2.7条:静电空气过滤器金属外壳接地必须良好。
检查数量:(抽检20%不少于1台)7.2.8条:1 电加热器与钢结构架间的绝热层必须为不燃材料;接线柱外露的应加设安全防护罩;2 电加热器的金属外壳接地必须良好;3 连接电加热器的风管的法兰垫片,应采用耐热不燃材料。
检查数量:(抽检20%不少于1台)7.2.9条:干蒸汽加湿器的安装蒸汽喷管不应朝下。
检查数量:(全数检查)检验方法:依据设计图核对、观察检查,核对材料、观察检查或电阻测定。
三、监督检查:1 同施工单位专业技术员共同检查2 通风机叶轮转子与机壳的组装位置应正确,叶轮进风口插入机壳进风口或密封圈的深度,应符合设备技术文件的规定,或为叶轮外径值的1﹪,检查通风机中心位移允许偏差10mm传动轴水平度纵向允许偏差0.2‰、横向允许偏差0.3‰联轴器两轴芯径向位移不大于0.05mm,两轴线倾斜不大于0.02%检查方法:(用水平仪、百分表检查)3 风机的隔振钢支吊架,其结构和外形尺寸应符合设计或技术文件的规定,焊接应牢固焊缝饱满、均匀。
通风与空调设备安装(通风系统)检验批质量验收记录(GB50243-2002)表C.2.5-1 编号:WZCXJZ/QR080105/080305□□□防腐与绝热施工(风管系统)检验批质量验收记录防腐与绝热施工(管道系统)检验批质量验收记录风管部件与消声器制作检验批质量验收记录(GB50243-2002)表C.2.2编号:WZCXJZ/QR080103/080406/080506风管系统安装(净化空调系统)检验批质量验收记录(GB50243-2002)表C.2.3-3 编号:WZCXJZ/QR080504风管系统安装(空调系统)检验批质量验收记录(GB50243-2002)表C.2.3-2 编号:WZCXJZ/QR080404□□□风管系统安装(送、排风、排烟系统)检验批质量验收记录(GB50243-2002)表C.2.3-1 编号:WZCXJZ/QR080104/080204/080304□□□风管与配件制作(非金属、复合材料风管)检验批质量验收记录(GB50243-2002)表C.2.1-2 编号:WZCXJZ/QR080102/080202/080302/080402/080502续下表风管与配件制作(金属风管)检验批质量验收记录(GB50243-2002)表C.2.1-1编号:WZCXJZ/QR080101/080201/080301/080401/080501工程系统调试检验批质量验收记录(GB50243-2002)表C.2.9 编号:WZCXJZ/QR080109/080209/080308/080410/080511/080605/080708空调水系统安装(金属管道)检验批质量验收记录(GB50243-2002)表C.2.7-1 编号:WZCXJZ/QR080701空调水系统安装(非金属管道)检验批质量验收记录空调水系统安装(设备)检验批质量验收记录空调制冷系统安装检验批质量验收记录(GB50243-2002) 表C.2.6 编号:WZCXJZ/QR080601通风机安装检验批质量验收记录(GB50243-2002)表C.2.4 编号:WZCXJZ/QR080108/080307/080408/080508通风与空调分部工程各子分部工程与分项工程相关表注:本表有●符号者为该子分部工程所含的分项工程。
表 C117通风与空调设备安装检验批质量验收记录表(空调系统)GB50243-2002通风与空调设备安装检验批质量验收记录。
填表说明:一、该表由施工单位专业技术员填写,自检合格后报监理机构,监理工程师现场检验合格后签字确认。
相关签字人要求本人签字。
二、规范要点:7.2.1 条:1 通风机型号、规格应符合设计规定其出口方向应正确;2 叶轮旋转应平稳,停转后不应每次停留在同一位置上;3 固定风机的地脚螺栓应拧紧,并有防松动措施。
检查数量:(全数检查)7.2.2 条:通风机传动装置的外露部位以及直通大气的进出口,必须装防护罩(网)或其它安全措施。
检查数量:(全数检查)7.2.3 条:1 型号、规格、方向和技术参数应符合设计要求;2 现场组装的组合空气调节机组做漏风量的检测,其漏风量必须符合现行国家标准《组合式空调机组》GB/T14294 的规定。
检查数量:(抽检 20%不少于 1 台,净化空调机组 1~5 级全数检查, 6~9 级抽检 50%)7.2.7 条:静电空气过滤器金属外壳接地必须良好。
检查数量:(抽检 20%不少于 1 台)7.2.8 条:1 电加热器与钢结构架间的绝热层必须为不燃材料;接线柱外露的应加设安全防护罩;2 电加热器的金属外壳接地必须良好;3 连接电加热器的风管的法兰垫片,应采用耐热不燃材料。
检查数量:(抽检 20%不少于 1 台)7.2.9 条:干蒸汽加湿器的安装蒸汽喷管不应朝下。
检查数量:(全数检查)检验方法:依据设计图核对、观察检查,核对材料、观察检查或电阻测定。
三、监督检查:1 同施工单位专业技术员共同检查2 通风机叶轮转子与机壳的组装位置应正确,叶轮进风口插入机壳进风口或密封圈的深度,应符合设备技术文件的规定,或为叶轮外径值的1 %,检查通风机中心位移允许偏差10mm传动轴水平度纵向允许偏差0.2%。
、横向允许偏差0.3%。
联轴器两轴芯径向位移不大于0.05mm,两轴线倾斜不大于 0.02%检查方法:(用水平仪、百分表检查)3 风机的隔振钢支吊架, 其结构和外形尺寸应符合设计或技术文件的规定, 焊接应牢固焊缝饱满、均匀。
通风与空调分部工程各子分部工程与分项工程相关表注:有●号者为该子分部工程所含的分项工程风管与配件制作(金属风管)检验批质量验收记录(GB50243-2002)表C.2.1-1 编号:080101/080201/080301/080401/080501□□□080101/080201/080301/080401/080501□□□说明4.2 主控项目4.2.1 金属风管的材料品种、规格、性能与厚度等应符合设计和现行国家产品标准的规定。
检查数量:按材料与风管加工批数量抽查10%,不得少于5件。
检查方法:查验材料质量合格证明文件、性能检测报告、尺量、观察检查。
4.2.3 防火风管的本体、框架与固定材料、密封垫料必须为不燃材料,其耐火等级应符合设计的规定。
检查数量:按材料与风管加工批数量抽查10%,不应少于5件。
4.2.5 风管必须通过工艺性的检测或验证,其强度和严密性要求应符合设计或下列规定:1、风管的强度应能满足在1.5倍工作压力接缝处无开裂;2、矩形风管的允许漏风量应符合以下规定:低压系统风管 Q L≤0.1056P0.65中压系统风管 Q M≤0.0352P0.65高压系统风管 Q H≤0.0117P0.65式中Q L、Q M、Q H——系统风管在相应工作压力下,单位面积风管单位时间的允许漏风量[m3/(h·m2)];P——指风管系统的工作压力(Pa)。
3、低压、中压圆形金属风管、复合材料风管以及采用非法兰形式的非金属风管的允许漏风量,应为矩形风管规定值的50%;4、砖、混凝土风道的允许漏风量不应大于矩形低压系统风管规定值的1.5倍;5、排烟、除尘、低温送风系统按中压系统风管的规定,1~5级净化空调系统按高压系统风管的规定。
检查数量:按风管系统的类别和材质分别抽查,不得少于3件及15m2。
检查方法:检查产品合格证明文件和测试报告,或进行风管强度和漏风量测试(见本规附录A)。
4.2.6 金属风管的连接应符合下列规定:1、风管板材拼接的咬口缝应错开,不得有十字型拼接缝。
检查时间:2015年xx月xx日
通风与空调检查表
项目名称:
项目总监:
检查时间:2015年xx月xx日
通风与空调检查表
项目名称:
项目总监:
检查时间:2015年xx月xx日
通风与空调检查表
项目名称:
项目总监:
检查时间:2015年xx月xx日
通风与空调检查表
项目名称:
项目总监:
检查时间:2015年xx月xx日
通风与空调检查表
项目名称:
项目总监:
检查时间:2015年xx月xx日
通风与空调检查表
项目名称:
项目总监:
检查时间:2015年xx月xx日
通风与空调检查表
项目名称:
项目总监:
检查时间:2015年xx月xx日
通风与空调检查表
项目名称:
项目总监:
检查时间:2015年xx月xx日
通风与空调检查表
项目名称:
项目总监:
1400得分率:
合计。
通风与空调设备安装工程检验批质量验收记录表(净化空调系统)GB50243—2002(Ⅲ)080505□□说明----------------------------精品word文档值得下载值得拥有----------------------------------------------(Ⅲ)080505主控项目1、空调机组的型号、规格、方向和技术参数应符合设计要求。
现场组装的应做漏风量检测。
依据设计图核对,依据《组合式空调机组》GB/T14294规定检查漏风量。
2、净化空调设备与洁净室围护结构相连的接缝必须密封;风机过滤器单元不得有变形、锈蚀、漆膜脱落、拼接板破损等现象;在系统试运转时,必须在进风口处加装临时中效过滤器作为保护。
按设计图核对和观察检查。
3、高效过滤器应在洁净室及净化空调系统进行全面清扫和系统连续试车12h以上后,在现场拆开包装并进行安装;安装前需进行外观检查和仪器检漏。
不得有变形、脱落、断裂等破损现象;合格后立即安装,其方向必须正确,四周及接口,应严密不漏;在调试前应进行扫描检漏。
观察检查、按本规范附录B规定扫描检测或查看检测记录。
4、静电空气过滤器金属外壳接地必须良好。
观察检查或电阻测定。
5、电加热器与钢构架间的绝热层必须为不燃材料;接线柱外露的应加设安全防护罩;电加热器的金属外壳接地必须良好;连接电加热器的风管的法兰垫片,应采用耐热不燃材料。
核对材料,观察检查或进行电阻测定。
6、于蒸汽加湿器蒸汽喷管不应朝下。
一般项目:1、组合式空调机组各功能段组装,应符合设计规定顺序和要求,连接应严密,整体应平直,与供回水管连接应正确,冷凝水排放管的水封高度应符合设计要求,机组和内空气过滤器(网)及空气热交换器翅应清洁、完好。
2、带有通风机的气闸室、吹淋室与地面间应有隔振垫;机械式余压阀的阀体、阀板的转轴均应水平,允许偏差为2/1000。
位置应在室内气流下风侧,并不应在工作面高度范围内;传递窗的安装,应牢固、垂直,与墙体的连接处应密封。