公路波形护栏图例代号详解
- 格式:doc
- 大小:31.00 KB
- 文档页数:2
护栏板的代号分类
Gr-A-4E:路侧两波形梁钢护栏 Gr-A-2E:路侧两波形梁钢护栏Gr:波形梁护栏 Gr:波形梁护栏
A:防撞等级 A:防撞等级
4E:立柱打入土中,立柱间距4米 2E:立柱打入土中,立柱间距2米
Gr-A-4C:路侧两波形梁钢护栏 Gr-A-2C:路侧两波形梁钢护栏Gr:波形梁护栏Gr:波形梁护栏
A:防撞等级A:防撞等级
4C:立柱埋置在独立混凝土 2C:立柱埋置在独立混凝土
基础中,立柱间距4米基础中,立柱间距2米
Gr-Am-4E:中央分隔带两波形梁钢护栏 Gr-Am-2E:中央分隔带两波形梁钢护栏
Gr:波形梁护栏 Gr:波形梁护栏
A:防撞等级 A:防撞等级
4E:立柱打入土中,立柱间距4米2E:立柱打入土中,立柱间距2米
Gr-Am-4C:中央分隔带两波形梁钢护栏 Gr-Am-2C:中央分隔带两波形梁钢护栏
Gr:波形梁护栏 Gr:波形梁护栏
A:防撞等级 A:防撞等级
4C:立柱埋置在独立混凝土基础中,2C:立柱埋置在独立混凝土
立柱间距4米基础中,立柱间距2米
Gr-SB-2E:路侧三波形梁钢护栏 Gr-SB-1B1:路侧三波形梁钢护栏
Gr:波形梁护栏 Gr:波形梁护栏SB:防撞等级SB:防撞等级
2E:立柱打入土中,立柱间距2米 1B1:立柱埋置在预埋套筒中,立柱间距1米。
一、高速路波形防撞护栏规格、型号现行标准:示意:Gr-A-4EGr表示波形梁钢护栏A表示防撞级别。
常用有A,B,SA,SB等4表示立柱间距,常用有1米,2米,4米E表示立柱埋入方式,常用有打入式E,混凝土基础C等。
二、波形梁护栏介绍:1、常用路侧波形梁护栏按防撞等级可分为B、A、SB、SA、SS五级,高速公路防撞护栏是典型的冷弯型钢产品;二波护栏板常用规格是4320mm×310mm×85mm×3mm/4mm,立柱为114/140mm×4.5mm;三波护栏板常用规格是4320mm×506mm×85mm×3mm/4mm,立柱为130mm×6mm2、交通部行业标准JT/T281—2007《高速公路波形梁钢护栏》(一)、标准护栏板总长度4320毫米(安装完毕后净剩4米)立柱间距4米。
1、两波形梁护栏板的宽度310mm,波高85mm,板厚:3mm、4mm;理论重量:3mm 厚的为49.16kg,4mm厚的为65.44kg; 每公里3MM厚的重12.3吨,4MM厚的重16.388吨。
2、三波形梁护栏板的规格长4320毫米,波宽505毫米,波高85mm,板厚:4mm;理论重量:102kg,配合130*130的方管立柱。
(二)、立柱:规格Φ114、Φ140mm长度根据要求一般为1.85米、1.95米、2米、2.15米壁厚4.5MM;理论重量:Φ114的12.15kg/m、Φ140mm的15.04kg/m. (三)、标准段每公里用250块护栏板。
立柱间距4米,每公里用250根立柱,端头2个,柱帽250个,防阻块250个,连接螺栓250套,拼接螺栓2000套。
三、波形护栏系统原理:1、波形梁护栏是半钢性护栏的主要形式,它是一种以波纹状钢护栏板相互拼接并由立柱支撑的连续结构。
2、它利用土基、立柱、横梁的变形来吸收碰撞能量,并迫使失控车辆改变方向,回复到正常的行驶方向,防止车辆冲出路外,以保护车辆和乘客,减少事故造成的损失。
公路波形护栏图例代号详解Gr-B-4E路侧B级双波波形梁护栏,立柱间距4m,打入式Gr-B-2E路侧B级双波波形梁护栏,立柱间距2m,打入式Gr-B-4CGr-B-2CGr-A-4EGr-A-2EGr-A-4CGr-A-2CGr-SB-4EGr-SB-2EGr-A-2B1Gr-SB-1B1Gr-Am-4EGr-Am-2EGr-SBm-1B1Grd-Am-2EGrd-Am-1B1HDHLAT1-2AT2BT-1CTDT路侧B级双波波形梁护栏,立柱间距4m,混凝土基础路侧B级双波波形梁护栏,立柱间距2m,混凝土基础路侧A级双波波形梁护栏,立柱间距4m,打入式路侧A级双波波形梁护栏,立柱间距2m,打入式路侧A级双波波形梁护栏,立柱间距4m,混凝土基础路侧A级双波波形梁护栏,立柱间距2m,混凝土基础路侧SB级双波波形梁护栏,立柱间距4m,打入式路侧SB级双波波形梁护栏,立柱间距2m,打入式路侧A级双波波形梁护栏,立柱间距2m,预埋套筒式路侧SB级三波波形梁护栏,立柱间距1m,预埋套筒式中央分隔带分设型Am级双波波形梁护栏,立柱间距4m,打入式中央分隔带分设型Am级双波波形梁护栏,立柱间距2m,打入式中央分隔带分设型SBm级三波波形梁护栏,立柱间距1m,预埋套筒式中央分隔带组合型Am级双波波形梁护栏,立柱间距2m,打入式中央分隔带组合型Am级双波波形梁护栏,立柱间距1m,预埋套筒式中央分隔带插拔式活动护栏路侧上游端头,外展圆头式路侧下游圆形端头端部翼墙式波形梁护栏与混凝土护栏过渡结构段中央分隔带开口端部结构护栏三角端端部结构。
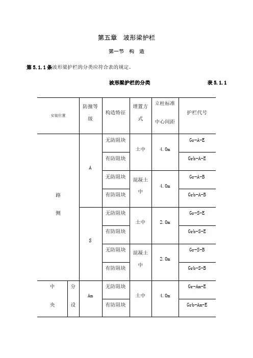
第五章波形梁护栏第一节构造第5.1.1条波形梁护栏的分类应符合表的规定。
波形梁护栏的分类表5.1.1注:Am级的横隔梁间距为2m;Sm级的横隔梁间距为1m。
图5.1.4-1圆头式端头结构图(无防阻块、圆形立柱)尺寸单位:cm图5.1.4-2圆头式端头结构图(有防阻块、圆形立柱)尺寸单位:cm图5.1.4-3圆头式端头结构图(无防阻块、槽形立柱)尺寸单位:cm图5.1.4-4圆头式端头结构图(有防阻块、槽形立柱)尺寸单位:cm图5.1.4-5地锚式端头结构图(无防阻块、槽形立柱)尺寸单位:cm图5.1.4-6地锚式端头结构图(有防阻块、槽形立柱)尺寸单位:cm图5.1.4-7地锚式端头结构图(无防阻块、槽形立柱)尺寸单位:cm图5.1.4-8地锚式端头结构图(有防阻块、槽形立柱)尺寸单位:cm第5.1.2条设置于路侧的波形梁护栏,按防撞等级可分为A级和S级。
S级护栏属于加强型,适合于路侧特别危险的路段使用。
S级护栏的立柱中心间距为2m。
第5.1.3条路侧波形梁护栏的横断布设,不应使护栏面侵入公路建筑限界以内,并不得使护栏立柱外侧的侧向土压力明显减小。
立柱外边缘到路肩边缘的最小距离规定为:当土路肩宽度为75cm时,不应小于25cm;当土路肩宽度为50cm时,不应小于14cm,见图图。
第5.1.4条路侧波形梁护栏的起、讫点应进行端头处理。
路侧护栏的端头可以设计成地锚式或圆头式。
逆行车方向的上游圆头式端头与护栏标准段之间应设渐变段,顺行车方向的下游端头可与标准段护栏成一直线布设。
路侧波形梁护栏圆头式端头结构处理见图图,地锚式端头结构见图图。
第5.1.5条路侧波形梁护栏的防阻块是波形梁与立柱之间的承力部件,适用于交通流中车种比较复杂,担心碰撞车辆可能会在护栏立柱处拌阻的路段;或为了减少路缘石对碰撞车辆运动轨迹产生不利影响的路段。
护栏防阻块分为A型、B型两种。
A型适用于圆形立柱,见图5.1.5-1;B型适用于槽形立柱,见图。
交通部行业标准JT/T281—2007高速公路波形梁钢护栏一、标准护栏板总长度4320毫米安装完毕后净剩4米立柱间距4米;
1、两波形梁护栏板的宽度310mm,波高85mm,板厚:3mm、4mm;理论重量:3mm厚的为,4mm厚的为;
每公里3MM厚的重吨,4MM厚的重吨;
2、三波形梁护栏板的规格长4320毫米,波宽505毫米,波高85mm,板厚:4mm;理论重量:102kg,配合130130的方管立柱;
二、立柱:规格Φ114、Φ140mm长度根据要求一般为米、米、2米、米壁厚;
理论重量:Φ114的m、Φ140mm的m.
三、标准段每公里用250块护栏板;立柱间距4米,每公里用250根立柱,端头2个,柱帽250个,防阻块250个,连接螺栓250套,拼接螺栓2000套
本实用新型护栏解决上述技术问题所采用的技术方案是:该护栏板其特征在于板体采用高分子量的PVC材料,在生产中无需防腐、喷涂等处理,真正实现绿色环保,同时由于PVC材料成本大大低于钢材,其综合成本低;该护栏板机械结构呈M形,在板体中设置有与板体沿展方向平行的加强孔,加强孔中热熔包覆玻璃纤维作为加强筋,同时在板
体上部为加强抗冲击强度,在凸起部位设置有两排加强孔和加强筋; PVC高速公路新型防撞护栏与现有技术相比,具有抗冲击性好、成本低、寿命长、安全性更高、绿色环保等优点栏板的宽度310MM,厚度:3MM、4MM;
1吨护栏板可铺:3MM厚的80米,4MM厚的61米 ;。
第五章波形梁护栏第一节构造第5.1.1条波形梁护栏的分类应符合表5.1.1的规定。
波形梁护栏的分类表5.1.1注:Am级的横隔梁间距为2m;Sm级的横隔梁间距为1m。
尺寸单位:cm图5.1.4-2圆头式端头结构图(有防阻块、圆形立柱)尺寸单位:cm图5.1.4-3圆头式端头结构图(无防阻块、槽形立柱)尺寸单位:cm图5.1.4-4圆头式端头结构图(有防阻块、槽形立柱)尺寸单位:cm图5.1.4-5地锚式端头结构图(无防阻块、槽形立柱)尺寸单位:cm图5.1.4-6地锚式端头结构图(有防阻块、槽形立柱)尺寸单位:cm尺寸单位:cm图5.1.4-8地锚式端头结构图(有防阻块、槽形立柱)尺寸单位:cm第5.1.2条设置于路侧的波形梁护栏,按防撞等级可分为A级和S级。
S级护栏属于加强型,适合于路侧特别危险的路段使用。
S级护栏的立柱中心间距为2m。
第5.1.3条路侧波形梁护栏的横断布设,不应使护栏面侵入公路建筑限界以内,并不得使护栏立柱外侧的侧向土压力明显减小。
立柱外边缘到路肩边缘的最小距离规定为:当土路肩宽度为75cm时,不应小于25cm;当土路肩宽度为50cm时,不应小于14cm,见图5.1.3-1~图5.1.3-4。
第5.1.4条路侧波形梁护栏的起、讫点应进行端头处理。
路侧护栏的端头可以设计成地锚式或圆头式。
逆行车方向的上游圆头式端头与护栏标准段之间应设渐变段,顺行车方向的下游端头可与标准段护栏成一直线布设。
路侧波形梁护栏圆头式端头结构处理见图5.1.4-1~图5.1.4-4,地锚式端头结构见图5.1.4-5~图5.1.4-8。
第5.1.5条路侧波形梁护栏的防阻块是波形梁与立柱之间的承力部件,适用于交通流中车种比较复杂,担心碰撞车辆可能会在护栏立柱处拌阻的路段;或为了减少路缘石对碰撞车辆运动轨迹产生不利影响的路段。
护栏防阻块分为A型、B型两种。
A型适用于圆形立柱,见图5.1.5-1;B型适用于槽形立柱,见图5.1.5-2。
高速公路交通安全设施术语、代号术语⒈ 刚性护栏是一种基本不变形的护栏结构。
混凝土护栏是刚性护栏的主要形式,它是一种以一定形状的混凝土块相互连接而组成的墙式结构,它利用失控车辆碰撞其后爬高并转向来吸收碰撞能量。
⒉ 半刚性护栏是一种连续的梁柱式护栏结构,具有一定的刚度和柔性。
波形梁护栏是半刚性护栏的主要代表形式,它是一种以波纹状钢护栏板相互拼接并由立柱支撑而组成的连续结构,它利用土基、立柱、波形梁的变形来吸收碰撞能量,并迫使失控车辆改变方向。
⒊ 柔性护栏是一种具有较大缓冲能力的韧性护栏结构。
缆索护栏是柔性护栏的主要代表形式,它是一种以数根施加初张力的缆索固定于立柱上而组成的结构,它主要依靠缆索的拉应力来抵抗车辆的碰撞,吸收碰撞能量。
端部——缆索护栏的起终点锚固装置。
包括端柱、斜撑、索端锚具和混凝土基础。
中间端部——连续设置缆索护栏超过一定长度时所设的中间锚固装置。
中间柱——设置于端部或中间端部之间的中间立柱。
托架——安装于立柱上支撑并固定缆索的装置。
索端锚具——固定于端部或中间端部上用来锚定缆索的装置。
⒋ 路侧护栏是指设置于公路路肩上的护栏。
目的是防止失控车辆越出路外,避免碰撞路边其它设施。
⒌ 中央分隔带护栏是指设置于公路中央分隔带内的护栏。
目的是防止失控车辆穿越中央分隔带闯入对向车道,并保护中央分隔带内的构造物。
活动护栏——是指设置于中央分隔带开口处的、能够移动的护栏,以便事故处理车辆、急救抢险车辆紧急通过。
中央分隔带护栏端头——是指中央分隔带护栏在开始端或结束端所设置的专门结构,也包括中央分隔带开口处的端头。
⒍ 桥梁护栏是指设置于桥梁上的护栏。
目的是防止失控车辆越出桥外。
纵向有效构件——是指桥梁护栏中能有效地阻挡失控车辆越出桥外的纵向构件。
根据其承受碰撞荷载的大小,可分为主要纵向有效构件(如主要横梁)和次要纵向有效构件(如次要横梁)。
纵向非有效构件——是指桥梁护栏中不考虑承受车辆的碰撞荷载的纵向构件。
波形护栏型号及规格波形护栏板是高速公路或省路建设中常用的防撞护栏产品,它是半钢性防撞护栏的主要代表形式。
根据防撞等级,波形护栏板可以分为A级、B级和SB级。
其中,SB级波形护栏产品是三波防撞护栏等级,而A级和B级都是两波护栏产品。
A级和B级护栏的主要区别在于它们采用的配件方面。
波形板A级采用4.0厚度,而B级采用3.0厚度。
立柱方面,A级护栏立柱采用140*4.5的规格,而B级为114*4.5的规格。
配件上基本无区别,尤其是螺栓、柱帽、端头这些都是通用的标准件,无等级分别。
波形护栏的价格根据不同规格和型号有所不同。
例如,波形护栏板厚3mm,立柱114mm,双波钢护栏,普通4米间隔,喷塑处理,价格为135-150元/米。
波形护栏板厚4mm,立柱140mm,双波钢护栏,普通4米间隔,喷塑处理,价格为160-180元/米。
波形护栏栏板宽度506MM,立柱140mm,厚度4MM,波纹梁钢护栏,普通4米间隔,喷塑处理,价格为200-260元/米。
具体型号如下:Gr-B-4E路侧B级双波波形梁护栏,立柱间距4m,打入式Gr-B-2E路侧B级双波波形梁护栏,立柱间距2m,打入式Gr-B-4C路侧B级双波波形梁护栏,立柱间距4m,混凝土基础Gr-B-2C路侧B级双波波形梁护栏,立柱间距2m,混凝土基础Gr-A-4E路侧A级双波波形梁护栏,立柱间距4m,打入式Gr-A-2E路侧A级双波波形梁护栏,立柱间距2m,打入式Gr-A-4C路侧A级双波波形梁护栏,立柱间距4m,混凝土基础Gr-A-2C路侧A级双波波形梁护栏,立柱间距2m,混凝土基础Gr-SB-4E路侧SB级三波波形梁护栏,立柱间距4m,打入式Gr-SB-2E路侧SB级三波波形梁护栏,立柱间距2m,打入式Gr-A-2B1路侧A级双波波形梁护栏,立柱间距2m,预埋套筒式Gr-SB-1B1路侧SB级三波波形梁护栏,立柱间距1m,预埋套筒式Gr-Am-4E中央分隔带分设型Am级双波波形梁护栏,立柱间距4m,打入式Gr-Am-2E中央分隔带分设型Am级双波波形梁护栏,立柱间距2m,打入式Gr-SBm-1B中央分隔带分设型SBm级三波波形梁护栏,立柱间距1m,预埋套筒式Grd-Am-2E中央分隔带组合型Am级双波波形梁护栏,立柱间距2m,打入式。
公路波形护栏规范篇一:交通部行业标准JTT281—2007《高速公路波形梁钢护栏》交通部行业标准JT/T281—2007《高速公路波形梁钢护栏》一、标准护栏板总长度4320毫米(安装完毕后净剩4米)立柱间距4米。
1、两波形梁护栏板的宽度310mm,波高85mm,板厚:3mm、4mm;理论重量:3mm厚的为49.16kg,4mm厚的为65.44kg; 每公里3MM厚的重12.3吨,4MM厚的重16.388吨。
2、三波形梁护栏板的规格长4320毫米,波宽505毫米,波高85mm,板厚:4mm;理论重量:102kg,配合130*130的方管立柱。
二、立柱:规格Φ114、Φ140mm长度根据要求一般为1.85米、1.95米、2米、2.15米壁厚4.5MM;理论重量:Φ114的12.15kg/m、Φ140mm的15.04kg/m. 三、标准段每公里用250块护栏板。
立柱间距4米,每公里用250根立柱,端头2个,柱帽250个,防阻块250个,连接螺栓250套,拼接螺栓2000套本实用新型护栏解决上述技术问题所采用的技术方案是:该护栏板其特征在于板体采用高分子量的PVC材料,在生产中无需防腐、喷涂等处理,真正实现绿色环保,同时由于PVC材料成本大大低于钢材,其综合成本低;该护栏板机械结构呈M形,在板体中设置有与板体沿展方向平行的加强孔,加强孔中热熔包覆玻璃纤维作为加强筋,同时在板体上部为加强抗冲击强度,在凸起部位设置有两排加强孔和加强筋。
PVC高速公路新型防撞护栏与现有技术相比,具有抗冲击性好、成本低、寿命长、安全性更高、绿色环保等优点栏板的宽度310MM,厚度:3MM、4MM。
1吨护栏板可铺:3MM厚的80米,4MM厚的61米。
篇二:护栏设置规范细则一,路侧波形梁防护栏的设置1、设置路侧的波形梁护栏,按防撞等级可分为A级和S级.S 级护栏属于加强型,适合于路侧特别危险的路段使用.S级护栏的立柱中心间距为2m。
公路波形护栏图例代号详解Gr—B—4E 路侧B级双波波形梁护栏,立柱间距4m,打入式Gr—B—2E 路侧B级双波波形梁护栏,立柱间距2m,打入式Gr-B-4C 路侧B级双波波形梁护栏, 立柱间距4m,混凝土基础Gr-B-2C 路侧B级双波波形梁护栏, 立柱间距2m,混凝土基础Gr—A—4E 路侧A级双波波形梁护栏,立柱间距4m,打入式Gr—A—2E 路侧A级双波波形梁护栏,立柱间距2m,打入式Gr—A—4C 路侧A级双波波形梁护栏,立柱间距4m,混凝土基础Gr-A—2C 路侧A级双波波形梁护栏,立柱间距2m,混凝土基础Gr—SB-4E 路侧SB级双波波形梁护栏,立柱间距4m,打入式Gr-SB—2E 路侧SB级双波波形梁护栏,立柱间距2m,打入式Gr—A—2B1 路侧A级双波波形梁护栏,立柱间距2m,预埋套筒式Gr-SB-1B1 路侧SB级三波波形梁护栏,立柱间距1m,预埋套筒式Gr—Am—4E 中央分隔带分设型Am级双波波形梁护栏,立柱间距4m,打入式Gr—Am-2E 中央分隔带分设型Am级双波波形梁护栏,立柱间距2m,打入式Gr—SBm-1B1 中央分隔带分设型SBm级三波波形梁护栏,立柱间距1m,预埋套筒式Grd—Am—2E 中央分隔带组合型Am级双波波形梁护栏,立柱间距2m,打入式Grd—Am-1B1 中央分隔带组合型Am级双波波形梁护栏,立柱间距1m,预埋套筒式HDHL 中央分隔带插拔式活动护栏AT1-2 路侧上游端头,外展圆头式AT2 路侧下游圆形端头BT-1 端部翼墙式波形梁护栏与混凝土护栏过渡结构段CT 中央分隔带开口端部结构DT 护栏三角端端部结构波形护栏规格及重量详解(1)护栏板:板长×板宽×波高×板厚A、双波护栏板:4320×310×85×3。
0理论重量49。
16 Kg4320×310×85×4.0 理论重量65。
公路波形护栏图例代号详解
Gr-B-4E 路侧B级双波波形梁护栏,立柱间距4m,打入式
Gr-B-2E 路侧B级双波波形梁护栏,立柱间距2m,打入式
Gr-B-4C 路侧B级双波波形梁护栏, 立柱间距4m,混凝土基础
Gr-B-2C 路侧B级双波波形梁护栏, 立柱间距2m,混凝土基础
Gr-A-4E 路侧A级双波波形梁护栏,立柱间距4m,打入式
Gr-A-2E 路侧A级双波波形梁护栏,立柱间距2m,打入式
Gr-A-4C 路侧A级双波波形梁护栏, 立柱间距4m,混凝土基础
Gr-A-2C 路侧A级双波波形梁护栏, 立柱间距2m,混凝土基础
Gr-SB-4E 路侧SB级双波波形梁护栏,立柱间距4m,打入式
Gr-SB-2E 路侧SB级双波波形梁护栏,立柱间距2m,打入式
Gr-A-2B1 路侧A级双波波形梁护栏,立柱间距2m,预埋套筒式
Gr-SB-1B1 路侧SB级三波波形梁护栏,立柱间距1m,预埋套筒式
Gr-Am-4E 中央分隔带分设型Am级双波波形梁护栏,立柱间距4m,打入式
Gr-Am-2E 中央分隔带分设型Am级双波波形梁护栏,立柱间距2m,打入式
Gr-SBm-1B1 中央分隔带分设型SBm级三波波形梁护栏,立柱间距1m,预埋套筒式Grd-Am-2E 中央分隔带组合型Am级双波波形梁护栏,立柱间距2m,打入式
Grd-Am-1B1 中央分隔带组合型Am级双波波形梁护栏,立柱间距1m,预埋套筒式HDHL 中央分隔带插拔式活动护栏
AT1-2 路侧上游端头,外展圆头式
AT2 路侧下游圆形端头
BT-1 端部翼墙式波形梁护栏与混凝土护栏过渡结构段
CT 中央分隔带开口端部结构
DT 护栏三角端端部结构
波形护栏规格及重量详解
(1)护栏板:板长×板宽×波高×板厚
A、双波护栏板:4320×310×85×3.0理论重量49.16 Kg
4320×310×85×4.0 理论重量65.55 Kg
B、三波护栏板:4320×506×85×4.0理论重量102 kg
(2)立柱:114/140×4.5 ×长度直径×壁厚×长度
长度:1m、1.2m、1.25m、1.55m、1.85m、1.95m、2m、2.15m等,理论重量(4.5mm厚度):114mm的12.16kg/m、 140mm的15.06kg/m
(3)防阻块:196×178×200×3.0/4.0 每个重 2.5kg左右,与九孔板配套使用。
(4)柱帽:114mmx100mm 每只重0.5㎏左右
140mmX150mm 每只重0.6㎏左右
(5)托架:300 ×70 ×4mm/4.5mm 注:与十孔板配套,每只重0.8㎏左右。
(6)端头:一般分路侧(R160),及中央带(R250)两种型号,常用厚度为3mm 。
可根据客户的要求可随时安排制做其他型号的特殊端头。
(7)横梁垫片(方垫片):材质:Q235,优质钢板。
规格:76×44×4 重约0.08kg 用于托架(防阻块)与护栏板、连接螺孔位垫衬之用。
(8)螺栓: M16×170(150) 立柱与防阻块、托架连接;
M16×42 (40) 防阻块、托架与板连接;
M16×35 (32.5) 板与板连接;。