消防泵控制柜接线图
- 格式:doc
- 大小:431.00 KB
- 文档页数:18
消防电气控制装置(消防泵两用一备控制器)产品说明书一、系统简介1、概述S716C型消防电气控制装置(消防泵控制器),是为了满足消防电气控制装置(消防泵两用一备控制设备),符合GB16806-2006标准设计的一款产品,用于消防泵控制设备中的逻辑运算、自动远程信号处理、接触器驱动、电压电流显示及负载故障保护切换,适用于7.5~160KW的水泵,直接启动、星三角降压启动、软启动控制柜、自耦降压启动柜中逻辑控制。
2、产品特点(1)、联动、故障报警控制器采用智能语音报警芯片,满足消防标准,在1.5m外声音可达65分贝及以上;(2)、操作方便、带密码电子锁a、需输入正确密码才可进行面板按键操作。
b、控制器面板上有“一泵故障切换”、“二泵故障切换”、“三泵故障切换”按键,方便用户调试柜子。
(3)、显示直观a、参数、代码多行数字显示,故障状态中文汉字显示,电流倍率条码档位显示,高档大气,高度集成。
b、Φ5指示灯指示系统工作模式和信号状态,可分辨颜色距离可达6m。
(4):结构简单可靠a、替代传统的所有二次回路元器件,简化结构,提高生产效率。
b、采用穿心式电流互感器,准确采集电机三相电流,及时可靠地监控电机运行状态。
3、操作面板A区:液晶屏显示区域B区:LED指示灯区域C区:按键操作区域D区:联动、故障声警区4、按键介绍按键名称按键图标按键功能1泵启动按【1泵启动】键启动1泵;1泵停止按【1泵停止】键停止1泵;2泵启动/△1、按【2泵启动】键启动2泵;2、在参数设置界面,按【2泵启动】键为参数值加1,长按按【2泵启动】键为参数值快速增加;2泵停止/▽1、按【2泵停止】键停止2泵;2、在参数设置界面,按【2泵启动】键为参数值减1,长按按【2泵启动】键为参数值快速减小;3泵启动1、按【3泵启动】键启动3泵;2、在参数设置界面,按【3泵停止】键为切换参数菜单后退;3泵停止1、按【3泵停止】键停止3泵;2、在参数设置界面,按【3泵停止】键为切换参数菜单前进;;自动/手动切换1、当前为自动模式时,按下切换为手动模式;2、当前为手动模式时,按下切换为自动模式;参数切换切换查询1泵、2泵、3泵工作电流值;1/2主3备自动模式下,按【1/2主3备】键切换模式为1泵、2泵为主泵,3泵为备用泵;1/3主2备自动模式下,按【1/3主2备】键切换模式为1泵、3泵为主泵,2泵为备用泵;2/3主1备自动模式下,按【2/3主1备】键切换模式为2泵、3泵为主泵,1泵为备用泵;1泵故障切换1泵正常运行时,按【1泵故障切换】模拟1泵故障;2泵故障切换2泵正常运行时,按【2泵故障切换】模拟2泵故障;3泵故障切换3泵正常运行时,按【3泵故障切换】模拟3泵故障;管理权限长按【管理权限】键7秒,并输入正确的3位密码,再按【管理权限】键解锁密码,才能进入系统操作面板;二、系统参数描述1、参数默认值对照表参数组参数代码默认值参数设置范围参数定义P0组应用宏P0*******~999系统解锁密码P02ON 0FF=关闭,ON=开启联动声警P03ON 0FF=关闭,ON=开启故障声警P04ON 0FF=关闭,ON=开启接触器反馈P05ON 0FF=关闭,ON=开启合闸监测P06ON 0FF=关闭,ON=开启缺水保护P0731~30s 缺水保护时间P1组系统控制P1100=手动,1=自动系统上电后默认模式P1231=直接启动,2=软启动,3=星三角,4=自耦启动方式P1371~60s 启动时间P1461~60s 启动避让时间P150.050.03~1.00s 转换延时时间P1631~30s 故障换泵时间P1700~120s 信号延时启动时间P1831~60s 第二台主泵延时启动时间P2组电流参数P21A 型:50B 型:100A 型:10~200AB 型:80~400A电流额定值P2250~6互感器变比(预留)P23130%OFF ~120~200%过流保护百分比P2451~120s 过流保护时间P2550%OFF ~1~99%三相电流不平衡百分比P26OFF OFF ~1~99%欠载电流百分比P3组电压参数P31OFF 420~460~OFF过压保护值P3231~30s 过压保护延时P33OFF OFF ~260~360欠压保护值P3451~30s欠压保护延时P4组P4100=常规,1=三水流信号模式选择2、管理权限密码设置:本产品设有专门的管理权限密码,需输入正确的权限密码后才能进行对设备操作控制,控制面板上设有专门的【管理权限】按键和密码显示窗口,当显示《---》时代表控制系统已锁住,通过按住【管理权限】键5s,窗口会闪烁显示《000》,代表可进行输入权限密码,通过【2泵启动/△】键【2泵停止/▽】输入正确密码后,按一下【管理权限】,显示《r u n》代表系统已解除权限,可进行对设备操作及控制。
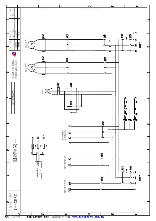
消防泵控制柜接线图、原理图及电路图产品概述1、产品用途:仅为只有一路电源的消防设施或一级负荷中的电动机提供一种可变频的三相应急电源系统,以解决电动机的应急供电及其启动过程中对供电设备的冲击。
如:水泵、风机的电动机或其它设备的电动机。
2、具体规格有:3.7、5.5、7.5、11、15、18.5、22、30、37、45、55、75、93、110、132、160、187、200、220、250、280、315、400KVA等。
3、安装形式:落地式(标准配电柜)4、备用时间:可按设计要求配置备用时间。
设计“五合一”规格、型号的标定示例:KM-YJS/P-15KVA,可变频三相应急电源,输出PWM波,额定适用电机容量15KVA。
KM-YJS/P-15KVA/SHL,互投装置,输出额定容量15KVA。
注:1、KM-YJS/P系列仅用于一对一的拖动电机,KM-YJS/P系列自带变频启动功能。
2、自动互投装置为选用件,KM-YJS/P系列自身带消防联动。
3、选用KM-YJS/P系列电源其具体规格的输出额定容量与电机负载为1:1即可。
例:负载50KVA( 电机负载 ) 采用本电源则选用KM-YJS/P-50KVA。
4、同等容量FEPS,KM-YJS/P系列价格一般不高于KM-YJS/S系列FEPS。
KM-YJS/P系列FEPS产品的原理图1、单逆变单台负载原理及接线图说明:当三相输入电正常时经整流给逆变器提供直流电,同时充电器对电池组充电;如果当三相输入电停电或者低于380V-15%时,KM1吸合由电池组给逆变器提供直流电。
当需要电机负载工作时,给予启动信号( 如运行信号、远程控制、消防联动信号 ),逆变器立即输出。
从OHZ-50HZ变频电能给电动机进行变频启动,当其频率达到50HZ后保持正常运行。
手动 /自动选择转换开关,在自动位置可进行远程控制和消防联动( DC24)操作,在手动位置可进行本机操作,此时远程控制和消防联动不能进行操作,运行信号和手动或者自动位置消防中心可监控。
消防泵组电气控制柜操作步骤步骤1:检查确认系统处于完好有效状态。
步骤2:操作控制柜面板实施手/自动切换和主/备泵切换。
如下图所示:转换开关处于中间挡位时,代表手动运行状态,消防水泵启/停通过控制柜面板启动按钮进行操作,自动控制失效。
转换开关旋至左挡位时,代表1#泵为主泵、2#泵为备用泵,简称为1主2备;转换开关旋至右挡位时,代表2#泵为主泵、1#泵为备用泵,简称为2主1备。
无论转换开关处于左挡位还是右挡位,均代表自动运行状态。
此时,系统能够实现主泵自动启动的功能,控制柜面板手动控制失效。
运行过程中,当主泵发生故障时,备用泵能够自动投入运行。
步骤3:实施主/备电切換操作。
以某型双电源转换开关(如下图)为例,其主/备电切换操作如下:1.检查确认当前为常用电源供电状态(N合R分),N电源(常用电源)指示灯点亮。
2.将运行模式切換按钮1置于手动模式。
3.旋转手柄2至备用电源供电状态(N分R合),观察N电源指示灯熄灭,R电源(备用电源)指示灯点亮。
4.旋转手柄2至常用电源供电状态,将运行模式开关切换为自动模式。
注:对于自投自复型转换开关,可在手动切换至备用电源供电后,直接将运行模式开关切换回自动模式,转换开关能自动恢复为常用电源供电。
步骤4:分别模拟主电和主泵故障,测试备电和备泵自动投入运行情况。
1.检查确认双电源转換开关处于自动运行模式,切断主电源,观察备用电源自投后恢复主电源供电。
2.确认控制柜处于自动运行模式,对自动喷淋系统,采用末端试水装置处放水等方式使压力开关动作。
主泵启动并运转平稳后模拟主泵故障(切断主泵开关或模拟主泵热继电器动作,热继电器见下图,观察备用泵应能自动投入运转,手动停泵后使系统恢复正常运行状态。
步骤5:实施手动启动、停止消防水泵操作。
1.确认控制柜处于手动运行模式。
2.按下任一消防水泵启动按钮,观察仪表、指示灯、电动机运转等情况。
3.按下对应的消防水泵停止按钮,观察仪表、指示灯、电动机运转等情况。
消防水泵一级箱上口接线的规定消防水泵控制柜接线和接地要求消防水泵控制柜接线要求(1)接线前先要确保导线的截面积可以承载正常的工作电流,也需要考虑到柜内元件的损耗发热,要保证柜内的温度比柜外的温度要高,需要留有一定的余量。
(2)配电板绝缘导线的较小截面积可以为1m㎡。
配电板面板等可以活动部分的过渡导线应该留有足够的可绕性。
(3)连接导线的绝缘应该是耐潮和耐霉以及阻燃的,绝缘电压等级:在线路工作电压小于或者等于100V时,绝缘电压等级应该大于或者等于250V。
线路工作电压大于100V小于或者等于450V时,绝缘电压等级应该大于或者等于500V。
(4)导线应该严格按照图纸正确地接到指定的接线柱上。
(5)接线时应该排列整齐、清晰、导线绝缘良好、美观、没有损伤。
(6)引入柜内的电缆应该排列整齐、编号整齐防止交叉、应该固定牢固,不可以使所接的端子排受到机械力。
(7)主电路导线头和尾端部以及中间可以适应彩色套管进行标记。
(8)导线绝缘应该使用专用剥线工具进行剥除,不可以损坏线芯,也不能损坏没有剥除的绝缘,切口应该平整。
(9)每个电器元件的接点只能允许接2根线。
(10)导线和电器元件采用螺栓进行连接、插接、压接或者焊接,应该牢固可靠。
(11)每个端子的接线点通常不宜接2根导线,特殊情况时假如必须接两根导线连接需要可靠。
(12)端子排等几种布置的元件的短接线不应该进入线槽,便于检查与洁身线槽排线空间。
(13)柜内电路导线较大允许载流量不能超过有关规定。
(14)母线和电气连接时,接触面应该符合现行国家标准的有关规定。
消防水泵控制柜接地要求(1)接地装置的接触面需要光洁平滑才能确保良好接触,有关有避免松动与生锈的措施。
(2)柜内元件的接地干线应该专门布置,假如使用并联的方法可能会存在由于某一并点短路的危险。
接地干线截面应该和主电源相线截面相同或者小一级,不要低于4mm。
(3)电压互感器与电流互感器的次极绕组应该单独可靠接地,接地处应该设有接地标记。
消防泵星三角控制柜接线图及一般故障问题关于星三角启动柜的好处:对于正常运行的定子线组为三角形接法的鼠笼异步电动机来说,在起动时将定子绕组接成星形,待启动完毕后再接成三角形可以达到降低起动电流减轻对电网冲击。
这样起动方式称为星三角降压起动(Y-△),大于15KW电机都可以采用星三角降压起动。
星三角启动设备(控制柜)一般采用一用一备控制,互为备用、故障自动投入。
1、选择大西洋泵业配备控制设备(控制柜)都于出厂调试、试验完好设备准予出厂。
2、三相鼠笼异步电动机的接线盒打开,拆掉(U1,V1,W1、U2,V2,W2如上图)接线柱的连接片形成6个接线柱与控制设备(星三角控制柜)预留的接线端(排)对应接法(U1,V1,W1、U2,V2,W2如上图)连接牢固。
3、在启动或操作前检查水泵和控制设备(星三角启动柜)线是否连接牢固,是否有松动,检查管路是否有水(把水泵的出水口排气孔打开是否有水流出)。
4、检查完毕后在安全的电压情况下操作或启动控制设备,看大西洋泵业生产的水泵电机是否正(反)转,如有反转应调换电机或控制柜连接电缆线(U1,W2)一相,(V1,U2)一相,(W1,V2)一相或调换进线电源线。
5、如果出水口管路压力表在0压力情况下应把出水口的阀门关闭或关闭2/3来避免启动时的电流过大,影响水泵正常运行,电流过大频繁起动易造成电机线圈短路,待星形电流平稳下降再把出水口的阀门打开2/3,控制操作所需要的扬程和压力就完成调试,出水口阀门开到2/3不用再操作。
6、电缆线的选择要与电机功率相匹配,各种导线的载流量(安全电流)在环境温度等因数有关情况计算也不一样,铝导线和铜导线承受电流也不一样,所以我们用于水泵上一般选择铜导线(例)16平方毫米铜导线在25℃,相同条件承受电流在(100A)。
7、以大西洋泵业生产的星三角启动电机(22KW)电流(44A)为例实际运行必须是三角运行才能达到额定值,而流过电机各项线组的相电流等于线电流(44A)÷1.732=25.4A。
电动消防泵控制器使用说明书一、概述:电动消防泵控制器是依据国标GB21208—2007、针对国内消防泵使用的实际情况开发的一种专用、智能型控制器。
二、功能特点:1.功能描述1.1 系统状态的实时显示:当前使用的电源类型、泵状态、电压状态、电流状态以及后备电源类型;1。
2 参数可设置:过压、欠压、系统密码、消防泵参数、ATSE自复延时时间、消防泵自动停止时间、消防泵类型、后备电源类型、时间日期、周测试时间等可以同过面板上的按键进行设置;1。
3 系统故障报警:当出现过压、欠压、断相、错相、堵转、A TS切换失败、通信失败、泵状态异常等故障时,通过显示屏界面实时提示、蜂鸣器鸣叫、声光报警器以及led灯点亮的方式进行报警;1。
4 周测试功能:设定好测试时间后,系统自动每周测试一次消防泵,并可自动判别消防泵能否正常启动;1.5 电源切换功能:当一路电源出现故障时,自动切换到另一路电源;1.6 实时采集、显示常用和备用电源的三相电压及干路电流;1.7 泵异常情况处理:能自动识别泵异常启动、异常停止;1.8 泵的紧急启动和紧急停止功能:出现紧急情况时,可对消防泵进行紧急启动和停止;1。
9 泵的启动互锁:泵手动启动或紧急启动时,系统在软件和硬件上采用了互锁控制,保证任何时候只有一个泵运行;1.10当发生过载、堵转或短路情况时,系统会按照标准要求进行保护;1.11日历功能:显示当前的时间,并可随时修改;1。
12 具有远程启动和远程报警功能。
1.13 具有软件复位功能;1.13 带有485通信接口,可通过该通信接口对各参数进行设定和修改,也可进行远程监测和控制(此功能有待完善)。
2.特点2.1通过高亮的LED灯显示故障,保证火灾发生时,人能在烟雾中清楚识别;2.2系统操作有A、B两种操作级别,手动和外部操作等A操作级别高于自动操作等B操作级别;2.3控制发电机的继电器与常用电源联锁,保证常用电源出现故障后,系统自动启动发电机;2.4控制器外部装有手柄和按钮,操作人员可以很方便的进行柜外操作;2.5自动定期检测消防泵和线路的好坏,可有效保证火灾发生时不出现泵不能启动的情况;2.6清晰迷离的人机界面,采用192*64大屏幕液晶中文显示,设置参数可以很方便的通过按键进行操作;2.7采用AC23级别的隔离开关,可在柜外进行带电操作;2.8各继电器的输出和开关的接线进行了互锁设计,保证不会同时启动两台消防泵;2.9控制器内采用特种电线进行接线,使控制柜具有体积小、结构紧凑、安装方便、电线使用寿命长等特点;2.10采用电机保护型的断路器,对泵出现的短路故障能进行实时保护;2.11时间日期的设置能自动判断是否越界;2.12柜外装有模拟开关,可方便地演示控制器的电源切换功能;2.13火灾发生时,自动退出测试模式,保证了“消防优先”的原则;2.14大功率消防泵可以采用降压启动的方式,减小泵启动时对电网的冲击;2.15只需简单地更换直接启动或降压启动装置,就可实现消防泵控制器两种启动方式的转换三、主要技术指标:1.符合标准GB16806-2006 消防联动控制系统GB21208—2007 低压开关设备和控制设备—固定式消防泵驱动器的控制器2.设定技术参数说明:ATSE切换延时时间:两路电源均正常时,从备用电源切换到常用电源的延时时间;泵自动停止时间:泵自动运行后,自动停止所需的延时时间;3.主要器件参数4.其他参数工作电源:三相四线制,相电压AC220V MCU控制部分电源功耗:〈1W工作温度/存储温度:—5℃~45℃液晶分辨率:192*64防护等级:IP31二次电流输入:5A/2mA四、安装接线:1、安装注意事项1.1电气环境■外部接线时,注意强电信号与弱电信号分开走线;■输入电源的电压波动范围必须小于仪表的容限,尤其是在用户定制电源的情况下;1.2气候环境■周围环境没有滴水,气温不超过-5℃~45℃,且24h内平均温度不超过+35℃;■安装地点海拔不超过2000米;■当水压驱动控制器用于户外时,管道中的水温不低于+4℃;■相对湿度〈90%;1.3运输与存储环境■本产品运输时,需在包装条件下进行,运输和拆封过程中不应收到剧烈震动和冲击。
调试-水泵-东方泵业水泵、控制柜的安装使用说明DFWQ/WQ/WAF安装注意事项 1、安装形式:a、潜水式使用:一般需配套:水泵、藕合装置(出水硬管接头、软管接头)、控制柜、地脚螺栓b、干式安装使用:专配进水弯管、泵座,相当于立式排污泵,带水冷电机;当用抽送介质冷却不能满足要求时,可采用外循环冷却水冷却2、安装调试过程的注意事项:1)、运输、安装、试运行过程中,尽量保持泵处于立式状态,以保证浮球处于正常状态;(2)注意:严禁用力拽拉电缆,更不得将电缆作为起吊绳用; 3)、泵安装前,应作以下检查:a、检查水泵上连接螺栓有无松动现象;b、检查电缆有无破损;c、用手盘叶轮,是否有磨檫或卡死现象;d、电机的检查:相/相、相/地绝缘电阻检查; e 、接地检查:接地应可靠;f、保护(信号)线的检查;g、水泵电缆与端子箱、控制柜的连接是否正确,连接是否牢固;h、检查三相电源的电压是否符合要求是否一致,电压是否一致;(4)、空载运转,试转向:水泵在下水前,点动试车,观察三相电流是否平衡,空载电流是否正常,泵是否有异常振动、或异常响声,观察叶轮旋转方向,从电机端看叶轮应为顺时针方向旋转。
注意:每次空载运转不得超过1分钟(5)、耦合装置的安装:对于固定式耦合安装的泵:a、将耦合底座就位,地脚螺栓穿过底座的相应孔内;b、安上轨道和固定架;c、校调轨道的垂直度和耦合底座的水平度,必要时调整耦合底座、固定架的位置或在基础上垫调整垫铁; d、位置合适后,作相应固定,以防位置变动; e、将耦合底座的地脚螺栓孔进行二次灌浆,注意:不得破坏底座和固定架的相对位置;f、待水泥凝固符合要求后,再进一步复查轨道的垂直度和耦合底座的水平度,满足要求后,拧紧地脚螺栓。
6)、安装水泵: (将水泵沿作导轨慢慢滑下,泵出水口的连接架将会和耦合底座的耦合斜面结合。
至此泵安装基本结束。
注意:多余的电缆线不要放在水池内,电缆线在池顶作适当固定,以防电缆被叶轮吸入而绞坏。
电动消防泵控制器使用说明书一、概述:电动消防泵控制器是依据国标GB21208-2007、针对国消防泵使用的实际情况开发的一种专用、智能型控制器。
二、功能特点:1.功能描述1.1 系统状态的实时显示:当前使用的电源类型、泵状态、电压状态、电流状态以及后备电源类型;1.2 参数可设置:过压、欠压、系统密码、消防泵参数、ATSE自复延时时间、消防泵自动停止时间、消防泵类型、后备电源类型、时间日期、周测试时间等可以同过面板上的按键进行设置;1.3 系统故障报警:当出现过压、欠压、断相、错相、堵转、ATS切换失败、通信失败、泵状态异常等故障时,通过显示屏界面实时提示、蜂鸣器鸣叫、声光报警器以及led灯点亮的方式进行报警;1.4 周测试功能:设定好测试时间后,系统自动每周测试一次消防泵,并可自动判别消防泵能否正常启动;1.5 电源切换功能:当一路电源出现故障时,自动切换到另一路电源;1.6 实时采集、显示常用和备用电源的三相电压及干路电流;1.7 泵异常情况处理:能自动识别泵异常启动、异常停止;1.8 泵的紧急启动和紧急停止功能:出现紧急情况时,可对消防泵进行紧急启动和停止;1.9 泵的启动互锁:泵手动启动或紧急启动时,系统在软件和硬件上采用了互锁控制,保证任何时候只有一个泵运行;1.10当发生过载、堵转或短路情况时,系统会按照标准要求进行保护;1.11日历功能:显示当前的时间,并可随时修改;1.12 具有远程启动和远程报警功能。
1.13 具有软件复位功能;1.13 带有485通信接口,可通过该通信接口对各参数进行设定和修改,也可进行远程监测和控制(此功能有待完善)。
2.特点2.1通过高亮的LED灯显示故障,保证火灾发生时,人能在烟雾中清楚识别;2.2系统操作有A、B两种操作级别,手动和外部操作等A操作级别高于自动操作等B操作级别;2.3控制发电机的继电器与常用电源联锁,保证常用电源出现故障后,系统自动启动发电机;2.4控制器外部装有手柄和按钮,操作人员可以很方便的进行柜外操作;2.5自动定期检测消防泵和线路的好坏,可有效保证火灾发生时不出现泵不能启动的情况;2.6清晰迷离的人机界面,采用192*64大屏幕液晶中文显示,设置参数可以很方便的通过按键进行操作;2.7采用AC23级别的隔离开关,可在柜外进行带电操作;2.8各继电器的输出和开关的接线进行了互锁设计,保证不会同时启动两台消防泵;2.9控制器采用特种电线进行接线,使控制柜具有体积小、结构紧凑、安装方便、电线使用寿命长等特点;2.10采用电机保护型的断路器,对泵出现的短路故障能进行实时保护;2.11时间日期的设置能自动判断是否越界;2.12柜外装有模拟开关,可方便地演示控制器的电源切换功能;2.13火灾发生时,自动退出测试模式,保证了“消防优先”的原则;2.14大功率消防泵可以采用降压启动的方式,减小泵启动时对电网的冲击;2.15只需简单地更换直接启动或降压启动装置,就可实现消防泵控制器两种启动方式的转换三、主要技术指标:1.符合标准GB16806-2006 消防联动控制系统GB21208-2007 低压开关设备和控制设备-固定式消防泵驱动器的控制器2.设定技术参数说明:ATSE切换延时时间:两路电源均正常时,从备用电源切换到常用电源的延时时间;泵自动停止时间:泵自动运行后,自动停止所需的延时时间;3.主要器件参数4.其他参数工作电源:三相四线制,相电压AC220V MCU控制部分电源功耗:<1W工作温度/存储温度:-5℃~45℃液晶分辨率:192*64防护等级:IP31二次电流输入:5A/2mA四、安装接线:1、安装注意事项1.1电气环境■外部接线时,注意强电信号与弱电信号分开走线;■输入电源的电压波动围必须小于仪表的容限,尤其是在用户定制电源的情况下;1.2气候环境■周围环境没有滴水,气温不超过-5℃~45℃,且24h平均温度不超过+35℃;■安装地点海拔不超过2000米;■当水压驱动控制器用于户外时,管道中的水温不低于+4℃;■相对湿度<90%;1.3运输与存储环境■本产品运输时,需在包装条件下进行,运输和拆封过程中不应收到剧烈震动和冲击。
消防泵控制柜启动方式————————————————————————————————作者:————————————————————————————————日期:消防泵控制柜启动方式消防控制室与消火栓动作按钮启动关系与消防泵的启动形式有关。
消火栓泵的启动方式一般分为两种,第一种启动方式是在总线制联控方式下,消火栓动作按钮的起动可通过设在消火栓旁的联动接口模块将其要求的启动信号送至消防控制室控制台,再从此处输出使消火栓启动的开关量触点。
第二种起动方式,是直接将消火栓动作按钮的开关量触点输出到消火栓泵启动箱。
一、有三种,泵柜打手动,手动启动,手动停动。
二、消火泵启动方式和消停具体讲解:消火泵应急启动(泵柜打手动,手动启动,手动停动),消火栓按钮强制启泵(消火栓按钮复位后即可停动),消防报警主机远程手启手停,报警主机联动启动(消报复位主机复位后按停动按钮,看什么主机和泵柜,如果泵柜不是自锁方式,部分主机复位后会直停);2.喷淋泵:应急启动,压力开关强制启泵停泵,远程启停,报警主机联动控制(压力开关联动启动,管网稳压压力开关复位后,主机复位,方式同消防泵)这两种启动方式在实际设计中都可以运用,前一种方式接线省,但需在总线制下,对消火栓联动模块进行地址编码编程来达到监测大量消火栓的目的。
后一种启动方式简单可靠,但还需要把消火栓动作信号返给消防控制室。
设计者在具体设计中可根据实际工程规模大小来选用,工程规模大、建筑形式复杂可采用前一种启动方式,规模小可采用后一种启动方式。
喷淋泵的自启动是通过各保护区的管网喷嘴玻璃球高温下爆碎,引起管网水流流动,从而联动报警阀压力开关动作,达到自启动喷淋泵的目的。
通过水流指示器联动模块或报警阀压力开关引线至控制室,消防控制室能准确反映其动作信号,同时控制室应能直接控制喷淋泵启停。
电动消防泵控制器使用说明书一、概述:电动消防泵控制器是依据国标GB21208-2007、针对国消防泵使用的实际情况开发的一种专用、智能型控制器。
二、功能特点:1.功能描述1.1 系统状态的实时显示:当前使用的电源类型、泵状态、电压状态、电流状态以及后备电源类型;1.2 参数可设置:过压、欠压、系统密码、消防泵参数、ATSE自复延时时间、消防泵自动停顿时间、消防泵类型、后备电源类型、时间日期、周测试时间等可以同过面板上的按键进展设置;1.3 系统故障报警:当出现过压、欠压、断相、错相、堵转、ATS切换失败、通信失败、泵状态异常等故障时,通过显示屏界面实时提示、蜂鸣器鸣叫、声光报警器以及led灯点亮的方式进展报警;1.4 周测试功能:设定好测试时间后,系统自动每周测试一次消防泵,并可自动判别消防泵能否正常启动;1.5 电源切换功能:当一路电源出现故障时,自动切换到另一路电源;1.6实时采集、显示常用和备用电源的三相电压及干路电流;1.7 泵异常情况处理:能自动识别泵异常启动、异常停顿;1.8 泵的紧急启动和紧急停顿功能:出现紧急情况时,可对消防泵进展紧急启动和停顿;1.9 泵的启动互锁:泵手动启动或紧急启动时,系统在软件和硬件上采用了互锁控制,保证任何时候只有一个泵运行;1.10当发生过载、堵转或短路情况时,系统会按照标准要求进展保护;1.11日历功能:显示当前的时间,并可随时修改;1.12 具有远程启动和远程报警功能。
1.13 具有软件复位功能;1.13 带有485通信接口,可通过该通信接口对各参数进展设定和修改,也可进展远程监测和控制〔此功能有待完善〕。
2.特点通过高亮的LED灯显示故障,保证火灾发生时,人能在烟雾中清楚识别;系统操作有A、B两种操作级别,手动和外部操作等A操作级别高于自动操作等B操作级别;控制发电机的继电器与常用电源联锁,保证常用电源出现故障后,系统自动启动发电机;控制器外部装有手柄和按钮,操作人员可以很方便的进展柜外操作;自动定期检测消防泵和线路的好坏,可有效保证火灾发生时不出现泵不能启动的情况;清晰迷离的人机界面,采用192*64大屏幕液晶中文显示,设置参数可以很方便的通过按键进展操作;采用AC23级别的隔离开关,可在柜外进展带电操作;各继电器的输出和开关的接线进展了互锁设计,保证不会同时启动两台消防泵;控制器采用特种电线进展接线,使控制柜具有体积小、构造紧凑、安装方便、电线使用寿命长等特点;采用电机保护型的断路器,对泵出现的短路故障能进展实时保护;时间日期的设置能自动判断是否越界;柜外装有模拟开关,可方便地演示控制器的电源切换功能;火灾发生时,自动退出测试模式,保证了“消防优先〞的原那么;大功率消防泵可以采用降压启动的方式,减小泵启动时对电网的冲击;只需简单地更换直接启动或降压启动装置,就可实现消防泵控制器两种启动方式的转换三、主要技术指标:1.符合标准GB16806-2006 消防联动控制系统GB21208-2007 低压开关设备和控制设备-固定式消防泵驱动器的控制器2.设定技术参数说明:ATSE切换延时时间:两路电源均正常时,从备用电源切换到常用电源的延时时间;泵自动停顿时间:泵自动运行后,自动停顿所需的延时时间;3.主要器件参数4.其他参数工作电源:三相四线制,相电压AC220V MCU控制局部电源功耗:<1W工作温度/存储温度:-5℃~45℃液晶分辨率:192*64防护等级:IP31二次电流输入:5A/2mA四、安装接线:1、安装考前须知1.1电气环境■外部接线时,注意强电信号与弱电信号分开走线;■输入电源的电压波动围必须小于仪表的容限,尤其是在用户定制电源的情况下;1.2气候环境■周围环境没有滴水,气温不超过-5℃~45℃,且24h平均温度不超过+35℃;■安装地点海拔不超过2000米;■当水压驱动控制器用于户外时,管道中的水温不低于+4℃;■相对湿度<90%;1.3运输与存储环境■本产品运输时,需在包装条件下进展,运输和拆封过程中不应收到剧烈震动和冲击。
消防泵控制柜接线图、原理图及电路图产品概述1、产品用途:仅为只有一路电源的消防设施或一级负荷中的电动机提供一种可变频的三相应急电源系统,以解决电动机的应急供电及其启动过程中对供电设备的冲击。
如:水泵、风机的电动机或其它设备的电动机。
2、具体规格有:3.7、5.5、7.5、11、15、18.5、22、30、37、45、55、75、93、110、132、160、187、200、220、250、280、315、400KVA等。
3、安装形式:落地式(标准配电柜)4、备用时间:可按设计要求配置备用时间。
设计“五合一”规格、型号的标定示例:KM-YJS/P-15KVA,可变频三相应急电源,输出PWM波,额定适用电机容量15KVA。
KM-YJS/P-15KVA/SHL,互投装置,输出额定容量15KVA。
注:1、KM-YJS/P系列仅用于一对一的拖动电机,KM-YJS/P系列自带变频启动功能。
2、自动互投装置为选用件,KM-YJS/P系列自身带消防联动。
3、选用KM-YJS/P系列电源其具体规格的输出额定容量与电机负载为1:1即可。
例:负载50KVA( 电机负载 ) 采用本电源则选用KM-YJS/P-50KVA。
4、同等容量FEPS,KM-YJS/P系列价格一般不高于KM-YJS/S系列FEPS。
KM-YJS/P系列FEPS产品的原理图1、单逆变单台负载原理及接线图说明:当三相输入电正常时经整流给逆变器提供直流电,同时充电器对电池组充电;如果当三相输入电停电或者低于380V-15%时,KM1吸合由电池组给逆变器提供直流电。
当需要电机负载工作时,给予启动信号( 如运行信号、远程控制、消防联动信号 ),逆变器立即输出。
从OHZ-50HZ变频电能给电动机进行变频启动,当其频率达到50HZ后保持正常运行。
手动 /自动选择转换开关,在自动位置可进行远程控制和消防联动( DC24)操作,在手动位置可进行本机操作,此时远程控制和消防联动不能进行操作,运行信号和手动或者自动位置消防中心可监控。
2、单逆变单台负载一用一备原理图及接线图说明:对于单逆变单台负载一用一备原理图及接线图同1图,单逆变单台负载原理图及接线图基本一致,只是多了一个主备转换控制,通过KM1或KM2直流接触器自动实现一用一备即可。
注:应用RMS/P FEPS时,一用一备控制箱在本FEPS内,不需要外接控制箱。
3、双逆变单台负载一用一备原理图及接线图说明:当消防设施要求一用一备时,也可采用双逆变器形式,FEPS在1图的基础上增设一个逆变器和一个主备转换开关。
亦可实现双保险的一用一备功能,其它原理说明同2图一用一备接线图一致。
注:应用KM-YJS/P FEPS时,一用一备控制箱在本FEPS 内,不需要外接控制箱。
KM-YJS/P系列FEPS产品接线应用图1、单逆变单负载接线应用图说明:a) 负载可为风机、水泵等消防设施或一级负荷。
b) 负载的容量与FEPS的容量为1:1,不需要有余量,且不需增加降压启动,因本FEPS中已有变频启动功能。
c) 负载的启动与运行亦与FEPS相连的启动信号控制。
d) FEPS的输出必须直接与负载的电机相连,负载原控制柜应去掉不用,原控制柜的功能在FEPS中已有。
e)负载通常应为单台电机,但需要时也可多台,当多台时必须是同时启动或同时停止运行方可。
2、单逆变一用一备接线应用图说明:a) 负载可为风机、水泵等。
b) 负载的单机容量为1:1,不需要有余量,且不需要增加启动措施。
因本FEPS中已有变频启动。
c) 负载的启动与运行靠FEPS相连的启动信号控制。
d) 负载的1号机与2号机自动切换。
e) FEPS的输出必须直接与负载的电机相连,负载原控制柜应去掉不用,原控制柜的功能在FEPS中已有。
f) 当负载需要二有一备时建议采用双逆变器型式。
3、双逆变二用一备接线应用图说明:a) 负载可为风机、水泵等。
b) 负载的同时工作的容量与FEPS容量为1:1,不需要有余量,且不需要增加启动措施。
因本FEPS中已有变频启动。
c) 负载的启动与运行靠FEPS相连的启动信号控制。
d) 负载的1号、2号、3号机自动切换。
e)EPS的输出必须直接与负载的电机相连,负载的原控制柜去掉不用,原控制柜的功能在FEPS中已有。
f)对于一用一备的水泵使用场合也可采用双逆变器的方式实现,但比单逆变器造价要高约30%。
4、混合接线应用图一说明:对高层建筑中的消防水泵,因其功率较大,采用KM-YJS/P系列FEPS产品,而对其它小功率设施采用KM-YJS/S系列的FEPS产品,以降低造价,节省水泵控制箱和降压启动措施。
5、混合接线应用图二说明:对高层建筑中的消防水泵、喷淋泵,因其功率较大,采用RMS/ P 系列FEPS 产品,而对其它小功率设施采用RMS系列FEPS产品,以降低造价,节省水泵控制箱和降压启动措施。
RMS/P系列FEPS产品主要技术参数注:以上技术参数仅供参考,以实际情况和最新数据为准。
柜体尺寸及重量一览表注:以上技术参数仅供参考,以实际情况和最新数据为准。
KM-YJS/S系列和KM-YJS/P系列通用说明1、机柜尺寸可根据要求另行加工定做。
2、本电源也可根据要求制作成方仓外形。
3、多个机柜时,其中一个是主机柜,其它为电池柜,电池柜尺寸一般均为:800×600×2200mm(深×宽×高),机柜尺寸均指机柜框架尺寸,总宽、总深须在框架尺寸的基础上加30mm。
4、机柜颜色:普灰色,另可根据用户要求定制颜色。
FEPS订货须知因本产品是随设计的不同需求而变化的产品,所以在定货时对每个规格品种应做如下说明:1、输入路数(是双路进电还是单路进电);2、输入相数(是单相还是三相);3、负载总容量(指一台EPS的负载总容量);4、负载种类(指做照明用,做动力用,带什么负载);5、应急备用时间(要求EPS应急供电时间);6、输出支路数(指要求输出多少回路);7、是否要求有消防联动及支路数;8、进出线位置与方式及进出线孔尺寸(指进出线是否有特殊要求);9、机箱颜色:(指是选驼色或灰白色之间选择);10、其他要求:(指上述要求之外还有何要求);以上须知填写之后随定货合同交于厂家以便制作。
FEPS与UPS的区别原理:应急时直-交逆变供电不间断地交-直-交逆变变供电结构:FEPS逆变器冗余量大,在120%负载下正常运行60秒。
进线柜和出线柜在FEPS内部电机负荷有变频启动要求与消防联动机壳和导线有阻燃措施,有多路互投功能有去湿、防霉、防鼠特殊措施。
UPS逆变器冗余量小,120%负载下1分钟关机。
机内无进线柜和出线柜不需要变频启动与消防无关,无须阻燃措施无互投功能无须特殊措施。
其它FEPS目标负载:电感、阻性负载;服务对象:电机、水泵、风机照明;主要特征:适应负载能力强;工作目的:确保应急供电万无一失;使用地点:放在建筑竖井或配电室内;FEPS为消防产品,是集中应急供电的专用消防设备应急电源。
UPS目标负载:电容性负载;服务对象:计算机类;主要特征:适应负载单一;工作目的:确保供电不间断和稳压;使用地点:放在计算机或空调房间;UPS为非消防产品,用于消防应急照明时消防验收不能通过。
FEPS与UPS相比的优势FEPS与传统备用发电机组相比的优势选择FEPS容量计算方法1、KM-YJ/D系列或KM-YJS/S系列用于带应急负载时:①当负载为电子镇流器日光灯,FEPS容量计算方法:FEPS容量=电子镇流器日光灯功率和×1.3倍;②当负载为电感镇流器日光灯,FEPS容量计算方法:FEPS容量=电感镇流器日光灯功率和×1.5倍;③当负载为金属卤化物灯或金属钠灯,FEPS容量计算方法:EPS容量=金属卤化物灯或金属钠灯功率总和×1.7倍。
注:因为KM-YJ/D系列FEPS应急供电时是单相输出回路,不存在偏相,而KM-YJS系列FEPS是三相输出,虽然缺相可运行,但每一相的输出功率仅为FEPS标称容量的1/3,不可偏差太多。
2、当用KM-YJS/S系列FEPS带混合负载时,FEPS容量的计算方法:①当FEPS带多台电动机且都同时启动时,则FEPS 的容量应遵循如下原则:FEPS容量=带变频启动电动机功率之和+带软启动电动机功率之和×3倍+带星三角启动电动机之和×4倍数+直接启动电动机之和×7倍。
②当FEPS带多台电动机且都分别单台启动时 ( 不是同时启动 ) ,则FEPS的容量应遵循如下原则:FEPS容量=各个电动机功率之和,但必须满足以下条件:★上述电动机中直接启动的量大的单台电动机功率是FEPS容量的1/7;★星三角启动的最大的单台电动机功率是FEPS的1/4;★软启动的最大的单台电动机功率是FEPS 的1/3;★变频启动的最大的单台电动机功率不大于FEPS容量;★如果不满足上述条件,则应按上述条件中的最大数调整FEPS的容量,电动机启动时的顺序应为直接启动的在先,其次是星三角的启动,然后软启动的启动,最后是带变频启动的启动。
③当用RMS系列FEPS带混合负载时,FEPS的容量应遵循如下原则:★ FEPS容量=所有负载总功率之和,但必须满足以下六条件,若不满足,则按其中最大的容量来确定FEPS容量。
★负载中直接同时启动的电动机功率之和是FEPS容量的1/7;★负载中星三角同时启动的电动机功率之和是FEPS容量的1/4;★负载中有软启动同时启动的电动机功率之和是FEPS容量的1/3;★负载中有变频器启动同时启动的电动机功率之和不大于FEPS容量;★同时启动的电动机当量功率之和不大于FEPS容量;★电动机功率当量=直接且同时启动电动机总功率之和×7倍+星三角且同时启动电动机总功率之和×4 倍+软启动且同时启动电动机功率之和×3倍+变频且同时启动电动机功率之和。
若电动机前后启动时间机差大于1分钟均不视为同时启动。
★同时启动的所有负载( 含非电动机负载 )的当量功率之和不大于FEPS容量。
同时启动的所有负载的功率之和=同时启动的非电动机负载总功率×功率因数+电动机当量功率。
3、用KM-YJS/P系列带负载时,FEPS容量计算方法:FEPS容量=所带电动机功率容量。
以上所讲FEPS容量均指FEPS的标称额定容量(KVA)。
【下载本文档,可以自由复制内容或自由编辑修改内容,更多精彩文章,期待你的好评和关注,我将一如既往为您服务】。