消防泵控制柜接线图26954
- 格式:doc
- 大小:836.50 KB
- 文档页数:25
消防泵控制柜接线图、原理图及电路图产品概述1、产品用途:仅为只有一路电源的消防设施或一级负荷中的电动机提供一种可变频的三相应急电源系统,以解决电动机的应急供电及其启动过程中对供电设备的冲击。
如:水泵、风机的电动机或其它设备的电动机。
2、具体规格有:3.7、5.5、7.5、11、15、18.5、22、30、37、45、55、75、93、110、132、160、187、200、220、250、280、315、400KV A等。
3、安装形式:落地式(标准配电柜)4、备用时间:可按设计要求配置备用时间。
设计“五合一”规格、型号的标定示例:KM-YJS/P-15KV A,可变频三相应急电源,输出PWM波,额定适用电机容量15KV A。
KM-YJS/P-15KV A/SHL,互投装置,输出额定容量15KVA。
注:1、KM-YJS/P系列仅用于一对一的拖动电机,KM-YJS/P系列自带变频启动功能。
2、自动互投装置为选用件,KM-YJS/P系列自身带消防联动。
3、选用KM-YJS/P系列电源其具体规格的输出额定容量与电机负载为1:1即可。
例:负载50KV A( 电机负载) 采用本电源则选用KM-YJS/P-50KVA。
4、同等容量FEPS,KM-YJS/P系列价格一般不高于KM-YJS/S系列FEPS。
KM-YJS/P系列FEPS产品的原理图1、单逆变单台负载原理及接线图说明:当三相输入电正常时经整流给逆变器提供直流电,同时充电器对电池组充电;如果当三相输入电停电或者低于380V-15%时,KM1吸合由电池组给逆变器提供直流电。
当需要电机负载工作时,给予启动信号( 如运行信号、远程控制、消防联动信号),逆变器立即输出。
从OHZ-50HZ变频电能给电动机进行变频启动,当其频率达到50HZ后保持正常运行。
手动/自动选择转换开关,在自动位置可进行远程控制和消防联动( DC24)操作,在手动位置可进行本机操作,此时远程控制和消防联动不能进行操作,运行信号和手动或者自动位置消防中心可监控。
消防泵星三角控制柜接线图及一般故障问题关于星三角启动柜的好处:对于正常运行的定子线组为三角形接法的鼠笼异步电动机来说,在起动时将定子绕组接成星形,待启动完毕后再接成三角形可以达到降低起动电流减轻对电网冲击。
这样起动方式称为星三角降压起动(Y-△),大于15KW电机都可以采用星三角降压起动。
星三角启动设备(控制柜)一般采用一用一备控制,互为备用、故障自动投入。
1、选择大西洋泵业配备控制设备(控制柜)都于出厂调试、试验完好设备准予出厂。
2、三相鼠笼异步电动机的接线盒打开,拆掉(U1,V1,W1、U2,V2,W2如上图)接线柱的连接片形成6个接线柱与控制设备(星三角控制柜)预留的接线端(排)对应接法(U1,V1,W1、U2,V2,W2如上图)连接牢固。
3、在启动或操作前检查水泵和控制设备(星三角启动柜)线是否连接牢固,是否有松动,检查管路是否有水(把水泵的出水口排气孔打开是否有水流出)。
4、检查完毕后在安全的电压情况下操作或启动控制设备,看大西洋泵业生产的水泵电机是否正(反)转,如有反转应调换电机或控制柜连接电缆线(U1,W2)一相,(V1,U2)一相,(W1,V2)一相或调换进线电源线。
5、如果出水口管路压力表在0压力情况下应把出水口的阀门关闭或关闭2/3来避免启动时的电流过大,影响水泵正常运行,电流过大频繁起动易造成电机线圈短路,待星形电流平稳下降再把出水口的阀门打开2/3,控制操作所需要的扬程和压力就完成调试,出水口阀门开到2/3不用再操作。
6、电缆线的选择要与电机功率相匹配,各种导线的载流量(安全电流)在环境温度等因数有关情况计算也不一样,铝导线和铜导线承受电流也不一样,所以我们用于水泵上一般选择铜导线(例)16平方毫米铜导线在25℃,相同条件承受电流在(100A)。
7、以大西洋泵业生产的星三角启动电机(22KW)电流(44A)为例实际运行必须是三角运行才能达到额定值,而流过电机各项线组的相电流等于线电流(44A)÷1.732=25.4A。
消防泵控制柜接线图、原理图及电路图产品概述1、产品用途:仅为只有一路电源的消防设施或一级负荷中的电动机提供一种可变频的三相应急电源系统,以解决电动机的应急供电及其启动过程中对供电设备的冲击。
如:水泵、风机的电动机或其它设备的电动机。
2、具体规格有:3.7、5.5、7.5、11、15、18.5、22、30、37、45、55、75、93、110、132、160、187、200、220、250、280、315、400KVA等。
3、安装形式:落地式(标准配电柜)4、备用时间:可按设计要求配置备用时间。
设计“五合一”规格、型号的标定示例:KM-YJS/P-15KVA,可变频三相应急电源,输出PWM波,额定适用电机容量15KVA。
KM-YJS/P-15KVA/SHL,互投装置,输出额定容量15KVA。
注:1、KM-YJS/P系列仅用于一对一的拖动电机,KM-YJS/P系列自带变频启动功能。
2、自动互投装置为选用件,KM-YJS/P系列自身带消防联动。
3、选用KM-YJS/P系列电源其具体规格的输出额定容量与电机负载为1:1即可。
例:负载50KVA( 电机负载 ) 采用本电源则选用KM-YJS/P-50KVA。
4、同等容量FEPS,KM-YJS/P系列价格一般不高于KM-YJS/S系列FEPS。
KM-YJS/P系列FEPS产品的原理图1、单逆变单台负载原理及接线图说明:当三相输入电正常时经整流给逆变器提供直流电,同时充电器对电池组充电;如果当三相输入电停电或者低于380V-15%时,KM1吸合由电池组给逆变器提供直流电。
当需要电机负载工作时,给予启动信号( 如运行信号、远程控制、消防联动信号 ),逆变器立即输出。
从OHZ-50HZ变频电能给电动机进行变频启动,当其频率达到50HZ后保持正常运行。
手动 /自动选择转换开关,在自动位置可进行远程控制和消防联动( DC24)操作,在手动位置可进行本机操作,此时远程控制和消防联动不能进行操作,运行信号和手动或者自动位置消防中心可监控。
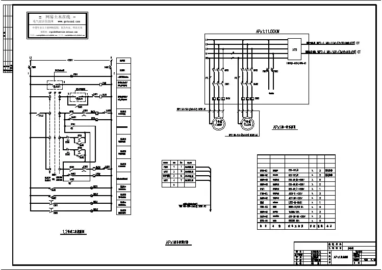
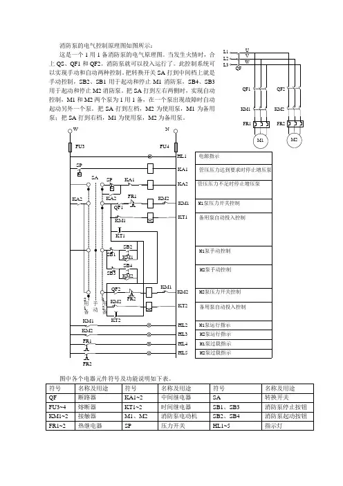
消防泵的电气控制原理图如图所示:
这是一个1用1备消防泵的电气原理图。
当发生火情时,合上QS 、QF1和QF2。
消防泵就可以投入运行了。
此控制系统可以实现手动和自动两种控制。
把转换开关SA 打到中间档上就是手动控制,SB2、SB1用于起动和停止M1消防泵,SB4、SB3
用于起动和停止M2消防泵。
把SA 打到左右两侧时,实现自动控制,M1和M2两个泵为1用1备,在一个泵出现故障时自动
起动另外一个泵。
把SA 打到左档,M2为使用泵,M1为备用
泵;把SA 打到右档,M1为使用泵,M2为备用泵。
FR2
电源指示管压压力达到要求时停止增压泵管压压力不足时停止增压泵
M1泵压力开关控制
备用泵自动投入控制
M1泵手动控制
M2泵手动控制M2泵压力开关控制
备用泵自动投入控制M1泵运行指示M2泵运行指示M1泵过载指示M2泵过载指示。
消防泵控制柜接线图、原理图及电路图产品概述1、产品用途:仅为只有一路电源的消防设施或一级负荷中的电动机提供一种可变频的三相应急电源系统,以解决电动机的应急供电及其启动过程中对供电设备的冲击。
如:水泵、风机的电动机或其它设备的电动机。
2、具体规格有:3.7、5.5、7.5、11、15、18.5、22、30、37、45、55、75、93、110、132、160、187、200、220、250、280、315、400KV A等。
3、安装形式:落地式(标准配电柜)4、备用时间:可按设计要求配置备用时间。
设计“五合一”规格、型号的标定示例:KM-YJS/P-15KV A,可变频三相应急电源,输出PWM波,额定适用电机容量15KV A。
KM-YJS/P-15KV A/SHL,互投装置,输出额定容量15KV A。
注:1、KM-YJS/P系列仅用于一对一的拖动电机,KM-YJS/P系列自带变频启动功能。
2、自动互投装置为选用件,KM-YJS/P系列自身带消防联动。
3、选用KM-YJS/P系列电源其具体规格的输出额定容量与电机负载为1:1即可。
例:负载50KV A( 电机负载) 采用本电源则选用KM-YJS/P-50KVA。
4、同等容量FEPS,KM-YJS/P系列价格一般不高于KM-YJS/S系列FEPS。
KM-YJS/P系列FEPS产品的原理图1、单逆变单台负载原理及接线图说明:当三相输入电正常时经整流给逆变器提供直流电,同时充电器对电池组充电;如果当三相输入电停电或者低于380V-15%时,KM1吸合由电池组给逆变器提供直流电。
当需要电机负载工作时,给予启动信号 ( 如运行信号、远程控制、消防联动信号),逆变器立即输出。
从OHZ-50HZ变频电能给电动机进行变频启动,当其频率达到50HZ后保持正常运行。
手动/自动选择转换开关,在自动位置可进行远程控制和消防联动( DC24)操作,在手动位置可进行本机操作,此时远程控制和消防联动不能进行操作,运行信号和手动或者自动位置消防中心可监控。
消防泵控制柜接线图、原理图及电路图欧阳引擎(2021.01.01)产品概述1、产品用途:仅为只有一路电源的消防设施或一级负荷中的电动机提供一种可变频的三相应急电源系统,以解决电动机的应急供电及其启动过程中对供电设备的冲击。
如:水泵、风机的电动机或其它设备的电动机。
2、具体规格有:3.7、5.5、7.5、11、15、18.5、22、30、37、45、55、75、93、110、132、160、187、200、220、250、280、315、400KVA等。
3、安装形式:落地式(标准配电柜)4、备用时间:可按设计要求配置备用时间。
设计“五合一”规格、型号的标定示例:KM-YJS/P-15KVA,可变频三相应急电源,输出PWM波,额定适用电机容量15KVA。
KM-YJS/P-15KVA/SHL,互投装置,输出额定容量15KVA。
注:1、KM-YJS/P系列仅用于一对一的拖动电机,KM-YJS/P 系列自带变频启动功能。
2、自动互投装置为选用件,KM-YJS/P系列自身带消防联动。
3、选用KM-YJS/P系列电源其具体规格的输出额定容量与电机负载为1:1即可。
例:负载50KVA( 电机负载) 采用本电源则选用KM-YJS/P-50KVA。
4、同等容量FEPS,KM-YJS/P系列价格一般不高于KM-YJS/S系列FEPS。
KM-YJS/P系列FEPS产品的原理图1、单逆变单台负载原理及接线图说明:当三相输入电正常时经整流给逆变器提供直流电,同时充电器对电池组充电;如果当三相输入电停电或者低于380V-15%时,KM1吸合由电池组给逆变器提供直流电。
当需要电机负载工作时,给予启动信号 ( 如运行信号、远程控制、消防联动信号),逆变器立即输出。
从OHZ-50HZ变频电能给电动机进行变频启动,当其频率达到50HZ后保持正常运行。
手动/自动选择转换开关,在自动位置可进行远程控制和消防联动( DC24)操作,在手动位置可进行本机操作,此时远程控制和消防联动不能进行操作,运行信号和手动或者自动位置消防中心可监控。
必看!消防产品电气接线原理图一、探测器类接线图
二、报警按钮类接线图手动火灾报警按钮
消火栓按钮
三、声光警报器类接线图
火灾报警器
火灾报警器(智能型)
四、火灾显示盘类接线图
五、现场模块类接线
1、输入模块
2、输入模块
3、输出模块
4、输入/出模块(电磁阀类)
输入/出模块(卷门类)
输入/出模块(消防电梯)
输入/出模块(切非消防电)
5、短路隔离器
6、多线联动控制单元(风机水泵设备多线控制)
自动报警系统连接示意图
消防联动设备无源启动的接法
消防联动设备有源启动接法
多线控制泵或风机的无源启动接法
多线控制泵或风机的220V交流启动接法
多线控制泵或风机的DC24V启动接法
中继模块接防爆烟感接法
中继模块接线型光束烟感接法
广播模块接线
手动报警按钮接线。
消防水泵柜消防控制接线方法嘿,朋友们!今天咱就来讲讲消防水泵柜消防控制接线方法,这可真是个重要的事儿啊!想象一下,要是发生火灾了,这消防水泵不就像是我们的救命英雄嘛!而让这个英雄发挥作用的关键,就是那一根根看似普通却极其重要的接线啦!首先呢,咱得搞清楚各种线的作用,就像给它们贴上不同的标签一样。
火线、零线、控制线,每一根都有它的任务呢!可别小瞧它们,接错了那可就麻烦大啦!就好比你本来要去东边找宝藏,结果却跑西边去了,能找到才怪呢!然后呢,就是要小心翼翼地把这些线接好。
这可不是随随便便就能搞定的事儿哦!得像对待宝贝一样,轻拿轻放,仔细连接。
就好像你在拼一个超级复杂的拼图,每一块都要放对位置才行。
在接线的时候,一定要注意安全啊!这可不是闹着玩的。
电可是很厉害的家伙,不小心被它“咬”一口可不好受。
所以啊,一定要先把电源关掉,这就像是给老虎先戴上嘴套,咱再去招惹它,这样才安全嘛!还有哦,接线的过程中要保证接触良好。
就像两个人握手,得紧紧地握在一起,不能松松垮垮的。
要是接触不好,那消防水泵可能就没法好好工作啦,到时候火灾可不会等你重新接好线再烧起来呀!而且啊,咱还得定期检查这些接线。
你想想,时间长了,线会不会松动呀?会不会有什么问题呀?就像你隔一段时间就要检查一下自己的车子一样,确保它能正常行驶。
消防水泵也需要这样的“体检”呢!咱可别觉得这是小事一桩,这可是关乎生命安全的大事呀!要是因为接线的问题导致消防水泵不能正常工作,那后果真是不堪设想。
所以呀,大家一定要重视起来,认真对待每一个细节。
总的来说,消防水泵柜消防控制接线方法虽然看起来有点复杂,但只要我们用心去做,仔细去研究,就一定能做好。
这就像是走一条有点崎岖的路,只要我们一步一个脚印,小心翼翼地走,就一定能走到终点。
让我们一起为了消防安全,把这个工作做好,让消防水泵在关键时刻能成为我们的坚实后盾!。
消防泵控制柜的接线图及技术要求消防泵控制柜具备单泵、多泵及多种主备泵切换的控制模式,水泵电机的启动方式可根据水泵的功率和用户要求采样直接启动、星三角启动、等多种形式配置。
今天我们来了解消防泵控制柜的接线图及技术要求。
一般作用和规定:水泵控制柜应由水泵生产厂家出示,控制柜应包含但不限于下列作用和规定:1.控制柜防水等级为IP54,为室内立柱式2.各种电气元器件符合标准规范。
3. 控制柜运用汉语和英文显示信息各项任务主要参数。
4.控制柜应考虑系统软件的作用及操纵规定。
柜里驱动力线相色要求:1.相线 L3(C相)鲜红色2.相线 L2(B相)翠绿色3.相线 L1(A相)淡黄色4.零线淡蓝色5.电线接头黄绿色两色6.柜里驱动力线排序顺序:从柜前看,从上向下,从左往右,由内而外,相线均按L1、L2、L3的顺序排序。
7.每台控制柜应出示下列无源触点数据信号及插口接线端子,并具备将每台水泵的运作和常见故障的无源触点无线传输数据到消防安全报警设备的作用。
8.控制柜能清楚地显示信息水泵运作和常见故障状况,并传出声光报警器数据信号。
可用LCD显示系统相关主要参数。
消防水泵控制柜接线图及技术标准:接线规定:接线先便是要确保导线的横截面可以安装一切正常的工作中电流量,另外要充分考虑因为柜里元器件的耗损发烫,促使溫度要比柜外高的特性留够容量。
1.每一个端子排的接线点一般不适合接二根导线,特殊情况时假如务必接二根导线,则联接务必靠谱。
2.配电设备板绝缘导线的少截面应是1.0M㎡。
配电设备板控制面板等主题活动一部分的衔接导线,需有充足的可以环绕性。
3.导线应严格依照工程图纸,恰当地收到特定的接线柱上。
4.联接导线的绝缘应是耐水、耐霉及阻燃性的,其绝缘额定电压为:路线工作标准电压小于或等于100V时,绝缘额定电压应大于或等于250V;路线工作标准电压超过100V小于或等于450V时,绝缘额定电压应大于或等于500V。
5.柜里电源电路导线较大容许电缆载流量见表A。
消防泵控制柜接线图、原理图及电路图产品概述1、产品用途:仅为只有一路电源的消防设施或一级负荷中的电动机提供一种可变频的三相应急电源系统,以解决电动机的应急供电及其启动过程中对供电设备的冲击。
如:水泵、风机的电动机或其它设备的电动机。
2、具体规格有:3.7、5.5、7.5、11、15、18.5、22、30、37、45、55、75、93、110、132、160、187、200、220、250、280、315、400KV A等。
3、安装形式:落地式(标准配电柜)4、备用时间:可按设计要求配置备用时间。
设计“五合一”规格、型号的标定示例:KM-YJS/P-15KV A,可变频三相应急电源,输出PWM波,额定适用电机容量15KV A。
KM-YJS/P-15KV A/SHL,互投装置,输出额定容量15KV A。
注:1、KM-YJS/P系列仅用于一对一的拖动电机,KM-YJS/P系列自带变频启动功能。
2、自动互投装置为选用件,KM-YJS/P系列自身带消防联动。
3、选用KM-YJS/P系列电源其具体规格的输出额定容量与电机负载为1:1即可。
例:负载50KV A( 电机负载) 采用本电源则选用KM-YJS/P-50KVA。
4、同等容量FEPS,KM-YJS/P系列价格一般不高于KM-YJS/S系列FEPS。
KM-YJS/P系列FEPS产品的原理图1、单逆变单台负载原理及接线图说明:当三相输入电正常时经整流给逆变器提供直流电,同时充电器对电池组充电;如果当三相输入电停电或者低于380V-15%时,KM1吸合由电池组给逆变器提供直流电。
当需要电机负载工作时,给予启动信号 ( 如运行信号、远程控制、消防联动信号),逆变器立即输出。
从OHZ-50HZ变频电能给电动机进行变频启动,当其频率达到50HZ后保持正常运行。
手动/自动选择转换开关,在自动位置可进行远程控制和消防联动( DC24)操作,在手动位置可进行本机操作,此时远程控制和消防联动不能进行操作,运行信号和手动或者自动位置消防中心可监控。
2、单逆变单台负载一用一备原理图及接线图说明:对于单逆变单台负载一用一备原理图及接线图同1图,单逆变单台负载原理图及接线图基本一致,只是多了一个主备转换控制,通过KM1或KM2直流接触器自动实现一用一备即可。
注:应用RMS/P FEPS时,一用一备控制箱在本FEPS内,不需要外接控制箱。
3、双逆变单台负载一用一备原理图及接线图说明:当消防设施要求一用一备时,也可采用双逆变器形式,FEPS在1图的基础上增设一个逆变器和一个主备转换开关。
亦可实现双保险的一用一备功能,其它原理说明同2图一用一备接线图一致。
注:应用KM-YJS/P FEPS时,一用一备控制箱在本FEPS内,不需要外接控制箱。
KM-YJS/P系列FEPS产品接线应用图1、单逆变单负载接线应用图说明:a) 负载可为风机、水泵等消防设施或一级负荷。
b) 负载的容量与FEPS的容量为1:1,不需要有余量,且不需增加降压启动,因本FEPS 中已有变频启动功能。
c) 负载的启动与运行亦与FEPS相连的启动信号控制。
d) FEPS的输出必须直接与负载的电机相连,负载原控制柜应去掉不用,原控制柜的功能在FEPS中已有。
e)负载通常应为单台电机,但需要时也可多台,当多台时必须是同时启动或同时停止运行方可。
2、单逆变一用一备接线应用图说明:a) 负载可为风机、水泵等。
b) 负载的单机容量为1:1,不需要有余量,且不需要增加启动措施。
因本FEPS中已有变频启动。
c) 负载的启动与运行靠FEPS相连的启动信号控制。
d) 负载的1号机与2号机自动切换。
e) FEPS的输出必须直接与负载的电机相连,负载原控制柜应去掉不用,原控制柜的功能在FEPS中已有。
f) 当负载需要二有一备时建议采用双逆变器型式。
3、双逆变二用一备接线应用图说明:a) 负载可为风机、水泵等。
b) 负载的同时工作的容量与FEPS容量为1:1,不需要有余量,且不需要增加启动措施。
因本FEPS中已有变频启动。
c) 负载的启动与运行靠FEPS相连的启动信号控制。
d) 负载的1号、2号、3号机自动切换。
e)EPS的输出必须直接与负载的电机相连,负载的原控制柜去掉不用,原控制柜的功能在FEPS中已有。
f)对于一用一备的水泵使用场合也可采用双逆变器的方式实现,但比单逆变器造价要高约30%。
4、混合接线应用图一说明:对高层建筑中的消防水泵,因其功率较大,采用KM-YJS/P系列FEPS产品,而对其它小功率设施采用KM-YJS/S系列的FEPS产品,以降低造价,节省水泵控制箱和降压启动措施。
5、混合接线应用图二说明:对高层建筑中的消防水泵、喷淋泵,因其功率较大,采用RMS/ P 系列FEPS 产品,而对其它小功率设施采用RMS系列FEPS产品,以降低造价,节省水泵控制箱和降压启动措施。
RMS/P系列FEPS产品主要技术参数注:以上技术参数仅供参考,以实际情况和最新数据为准。
柜体尺寸及重量一览表注:以上技术参数仅供参考,以实际情况和最新数据为准。
KM-YJS/S系列和KM-YJS/P系列通用说明1、机柜尺寸可根据要求另行加工定做。
2、本电源也可根据要求制作成方仓外形。
3、多个机柜时,其中一个是主机柜,其它为电池柜,电池柜尺寸一般均为:800×600×2200mm(深×宽×高),机柜尺寸均指机柜框架尺寸,总宽、总深须在框架尺寸的基础上加30mm。
4、机柜颜色:普灰色,另可根据用户要求定制颜色。
FEPS订货须知因本产品是随设计的不同需求而变化的产品,所以在定货时对每个规格品种应做如下说明:1、输入路数(是双路进电还是单路进电);2、输入相数(是单相还是三相);3、负载总容量(指一台EPS的负载总容量);4、负载种类(指做照明用,做动力用,带什么负载);5、应急备用时间(要求EPS应急供电时间);6、输出支路数(指要求输出多少回路);7、是否要求有消防联动及支路数;8、进出线位置与方式及进出线孔尺寸(指进出线是否有特殊要求);9、机箱颜色:(指是选驼色或灰白色之间选择);10、其他要求:(指上述要求之外还有何要求);以上须知填写之后随定货合同交于厂家以便制作。
FEPS与UPS的区别原理:应急时直-交逆变供电不间断地交-直-交逆变变供电结构:FEPS逆变器冗余量大,在120%负载下正常运行60秒。
进线柜和出线柜在FEPS内部电机负荷有变频启动要求与消防联动机壳和导线有阻燃措施,有多路互投功能有去湿、防霉、防鼠特殊措施。
UPS逆变器冗余量小,120%负载下1分钟关机。
机内无进线柜和出线柜不需要变频启动与消防无关,无须阻燃措施无互投功能无须特殊措施。
其它FEPS目标负载:电感、阻性负载;服务对象:电机、水泵、风机照明;主要特征:适应负载能力强;工作目的:确保应急供电万无一失;使用地点:放在建筑竖井或配电室内;FEPS为消防产品,是集中应急供电的专用消防设备应急电源。
UPS目标负载:电容性负载;服务对象:计算机类;主要特征:适应负载单一;工作目的:确保供电不间断和稳压;使用地点:放在计算机或空调房间;UPS为非消防产品,用于消防应急照明时消防验收不能通过。
FEPS与UPS相比的优势FEPS与传统备用发电机组相比的优势选择FEPS容量计算方法1、KM-YJ/D系列或KM-YJS/S系列用于带应急负载时:①当负载为电子镇流器日光灯,FEPS容量计算方法:FEPS容量=电子镇流器日光灯功率和×1.3倍;②当负载为电感镇流器日光灯,FEPS容量计算方法:FEPS容量=电感镇流器日光灯功率和×1.5倍;③当负载为金属卤化物灯或金属钠灯,FEPS容量计算方法:EPS容量=金属卤化物灯或金属钠灯功率总和×1.7倍。
注:因为KM-YJ/D系列FEPS应急供电时是单相输出回路,不存在偏相,而KM-YJS系列FEPS是三相输出,虽然缺相可运行,但每一相的输出功率仅为FEPS标称容量的1/3,不可偏差太多。
2、当用KM-YJS/S系列FEPS带混合负载时,FEPS容量的计算方法:①当FEPS带多台电动机且都同时启动时,则FEPS的容量应遵循如下原则:FEPS容量=带变频启动电动机功率之和+带软启动电动机功率之和×3倍+带星三角启动电动机之和×4倍数+直接启动电动机之和×7倍。
②当FEPS带多台电动机且都分别单台启动时( 不是同时启动) ,则FEPS的容量应遵循如下原则:FEPS容量=各个电动机功率之和,但必须满足以下条件:★上述电动机中直接启动的量大的单台电动机功率是FEPS容量的1/7;★星三角启动的最大的单台电动机功率是FEPS的1/4;★软启动的最大的单台电动机功率是FEPS的1/3;★变频启动的最大的单台电动机功率不大于FEPS容量;★如果不满足上述条件,则应按上述条件中的最大数调整FEPS的容量,电动机启动时的顺序应为直接启动的在先,其次是星三角的启动,然后软启动的启动,最后是带变频启动的启动。
③当用RMS系列FEPS带混合负载时,FEPS的容量应遵循如下原则:★FEPS容量=所有负载总功率之和,但必须满足以下六条件,若不满足,则按其中最大的容量来确定FEPS容量。
★负载中直接同时启动的电动机功率之和是FEPS容量的1/7;★负载中星三角同时启动的电动机功率之和是FEPS容量的1/4;★负载中有软启动同时启动的电动机功率之和是FEPS容量的1/3;★负载中有变频器启动同时启动的电动机功率之和不大于FEPS容量;★同时启动的电动机当量功率之和不大于FEPS容量;★电动机功率当量=直接且同时启动电动机总功率之和×7倍+星三角且同时启动电动机总功率之和×4 倍+软启动且同时启动电动机功率之和×3倍+变频且同时启动电动机功率之和。
若电动机前后启动时间机差大于1分钟均不视为同时启动。
★同时启动的所有负载( 含非电动机负载)的当量功率之和不大于FEPS容量。
同时启动的所有负载的功率之和=同时启动的非电动机负载总功率×功率因数+电动机当量功率。
3、用KM-YJS/P系列带负载时,FEPS容量计算方法:FEPS容量=所带电动机功率容量。
以上所讲FEPS容量均指FEPS的标称额定容量(KVA)。
红了么,网红http://hongle.me/c1m1mX5iUCa7。