房屋建筑物成新率现场勘察表简化版
- 格式:doc
- 大小:94.00 KB
- 文档页数:5
房屋建筑物成新率现场勘察表序号:估价时点:年月日建筑物名称座落维护保养及时较及时一般较不及时不及时可使用年限已使用年尚可使用年房屋结构构造现状评定分结构部分G1.地基基础□有足够承载能力,无超过允许范围的不均匀沉降;□有承载能力,稍有超过允许范围的不均匀沉降,但已稳定;□局部承载能力不足,有超过允许范围的不均匀沉降,对上部结构稍有影响;□承载能力不足,有明显不均匀沉降或明显滑动、压碎、折断、冻酥、腐蚀等损坏,并且仍在继续发展,对上部结构有明显影响。
2.承重构件□足够承载力;□梁身弯曲变形;□梁身遭损;□梁身锈蚀;□梁身有裂纹;□连接牢固;□其他:□足够承载力;□板身弯曲变形;□板身锈蚀;□板身有裂纹;□连接牢固;□其他:□足够承载力;□柱身弯曲变形;□柱身锈蚀;□柱身有裂纹;□连接牢固;□柱身有剥落;□其他:□足够承载力;□墙体变形;□墙体有裂纹;□连接牢固;□墙体有剥落;□其他:3.非承重墙□节点坚固严实;□少量轻度裂缝;□轻微裂缝空鼓;□严重裂缝酥松;4.屋面□不渗漏,保温隔热层完好;□局部渗漏,保温隔热局部损坏;□局部开裂,局部渗漏;□严重漏雨严重损坏;5.楼地面□平整坚固完好;□轻度磨损剥落;□局部磨损断裂;□沉陷不平残破;结构部分权重结构得分(1+2+3+4+5)评定分:(1+2+3+4+5)*权重装修部分S 6.门窗□完整无损,开关灵活,玻璃、五金齐全,纱窗完整,油漆完好(允许有个别钢门、窗轻度锈蚀,其他结构房屋无油漆要求);□少量变形、开关不灵,玻璃、五金、纱窗少量残缺,油漆失光;□有翘裂,松动,腐朽现象,开关不灵;或有变形、锈蚀现象;玻璃、五金、纱窗部分残缺,油漆老化翘皮、剥落□腐朽,开关普遍不灵,松动、翘裂,或严重变形锈蚀;玻璃、五金、纱窗残缺,油漆剥落见底7.外墙□完整牢固,无空鼓、剥落、破损和裂缝(风裂除外),勾缝砂浆密实;□稍有空鼓、裂缝、风化、剥落,勾缝砂浆少量酥松脱落;□部分有空鼓、裂缝、风化、剥落,勾缝砂浆部分松酥脱落;□严重空鼓、裂缝、剥落,墙面渗水,勾缝砂浆严重松酥脱落。
房地产估价现场勘察表正式版住宅房地产实地查看记录表案内。
产权人(签字):领看人(签字):第三方证人(签字):查看人(签字):估价师(签字):产权人地址及联系方式:查看日期:案内。
产权人(签字):领看人(签字):第三方证人(签字):查看人(签字):估价师(签字):产权人地址及联系方式:查看日期:案内。
产权人(签字):领看人(签字):第三方证人(签字):查看人(签字):估价师(签字):产权人地址及联系方式:查看日期:在查看表背面绘制现场平面草图及记载市场案例调查情况,表内未涉及到的内容可在表的背面加以详细记录。
此表必须归入报告档案内。
产权人(签字):领看人(签字):第三方证人(签字):查看人(签字):估价师(签字):产权人地址及联系方式:查看日期:房地产工程可研报告范文模板1总论11.1项目背景11.2项目概况11.3结论12项目建设的背景和意义12.1项目提出的理由和过程12.2项目建设的规划相关性12.3项目建设的意义13项目建设地点与建设条件13.1项目建设地点现状13.2建设条件14建设方案14.1项目设计原则14.2项目总体规划14.3工程设计14.4配套设施15环境保护与节能15.1项目地块环境现状15.2采用的环境保护标准15.3项目建设与运营对环境的影响1 5.4环境保护措施15.5节能16组织机构16.1组织机构16.2管理模式17项目实施进度17.1实施工期17.2实施进度安排18工程招投标18.1概述18.2招标组织形式18.3招标方式19投资估算和资金筹措19.1投资估算依据19.2投资估算19.3资金来源与筹措110财务评价110.1评价依据110.2项目财务估算110.3财务生存能力分析110.3财务评价结论111社会效益评价111.1 项目对社会的影响分析111.2 互适性分析111.3风险分析111.4社会评价结论112结论和建议112.1结论112.2建议11总论1.1项目背景1.1.1项目名称象山松兰山企业家俱乐部建设。
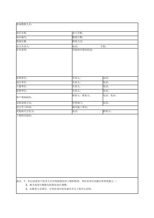
现场勘察记录表(范例)
建设人:
建设位置:
一、位置及示意图(单位:米)
二、四至具体情况
1.项目(工程)□已建□部分已建□未建□旧房改造
2.四周道路情况
3.□该项目(工程)临面的河(涌),离河(涌)边米,河(涌)宽米,防洪堤不准建筑控制区米,水利部门□同意□不同意;
4.□该项目(工程)临面的高压线伏,距离高压边线米,供电部门□同意□不同意;
5.□该项目(工程)临面的古树名木木冠边缘米;
6.□该项目(工程)临面的文物或历史建筑米;
7.□四至与土地证不符;□用地类型不符;□土地证登记时错漏;
三、四至建筑物情况
现场勘察人:
日期:年月日。
住宅房地产实地查看记录表房屋坐落土地证号使用权类型土地形状房屋登记用途标的所在楼层 /总楼层:/层使用状况现状用途住宅办公商铺户型结构使用状况完好基本完好一般损坏严重损坏维修保养良好一般较差通风采光四至:东:西:公交线路有无共条线路步行分钟景观公园小区园景望江人工湖山球场电部客梯货梯每层户无梯完好基本完好一般损坏严重损坏物业设施及水明敷暗敷无管理电完好基本完好一般损坏严重损坏消消防栓自动喷淋烟感报警无防完好基本完好一般损坏严重损坏房屋所有权人房屋所有权证号土地面积㎡土地使用权终止日期建筑面积㎡建筑结构:自用空置出租层高 (米 ):成新率:房厅厨卫阳建成时间:朝向:危房评估目的:良好一般较差物管类型:小区大院单体楼封闭半封闭开放南:北:地铁站有无步行至该地铁站口约分钟步行至汽车站分钟泳池无小区配套:房屋间距车位比重临街状况使用状况通讯电话有线电视网络完好管道煤气有无防盗门自动对讲系统可视对讲系统物业管理小区监视系统24 小时保安无保安物业收费:每平方元周边配套商场幼儿园学校医院邮局银行菜市场超市公园体育设施酒店娱乐休闲物业外墙装修档次毛坯简装精装楼梯间、门地面:墙面:顶棚:其他:厅、大堂公共通道地面:墙面:顶棚:其他:内部装修基本状况使用现状地面□完好□基本完好□一般损坏□严重损坏客墙面□完好□基本完好□一般损坏□严重损坏顶棚□完好□基本完好□一般损坏□严重损坏餐门□完好□基本完好□一般损坏□严重损坏厅窗□完好□基本完好□一般损坏□严重损坏柜体□完好□基本完好□一般损坏□严重损坏地面□完好□基本完好□一般损坏□严重损坏墙面□完好□基本完好□一般损坏□严重损坏房顶棚□完好□基本完好□一般损坏□严重损坏间门□完好□基本完好□一般损坏□严重损坏窗□完好□基本完好□一般损坏□严重损坏地面□完好□基本完好□一般损坏□严重损坏厨墙面□完好□基本完好□一般损坏□严重损坏房顶棚□完好□基本完好□一般损坏□严重损坏其他□完好□基本完好□一般损坏□严重损坏主地面□完好□基本完好□一般损坏□严重损坏次墙面□完好□基本完好□一般损坏□严重损坏卫生顶棚□完好□基本完好□一般损坏□严重损坏间其他□外阳台个□内阳台个附属物:□完好□基本完好□一般损坏□严重损坏法定优先受拖欠建设工程款元拖欠土地出让金元拖欠报建费元偿款拖欠税费元已抵押担保的债权数额元其它法定优先受偿款元备注在查看表背面绘制现场平面草图及记载市场案例调查情况,表内未涉及到的内容可在表的背面加以详细记录。
现场勘探初验表1.看楼栋外道路是否通畅;栋外立面是否完好,有无水渍,瓷砖是否牢固;另外,还要注意楼栋是否存在倾斜或者下沉的情况。
注意看楼栋的单元门是否完好,门禁设施是否能正常使用;楼道楼梯安全性和消防设施、水表间、电表间等公用设备是否完好;水电是否通;分户配电箱是否安好;看是否具备进场条件。
2.拆除门洞口高度是否到圈梁。
3.确定新增用水地区的就近排水点。
4.复合大的开间尺寸、层高确保吊顶能否完成。
5.规划现场办公区。
6.看房屋的上下排水效果是否完好,可以打开水龙头看看水流是否通畅、流水速度是否正常。
7.注意,一般是3米。
在签订购房合同的时候,上面会注明,看是否符合购房合同上面的要求。
8.检查门窗①看防盗门是否结实,门与框的密封是否严密,有无变形等,还要注意开关门是否灵活②门的开启关闭是否顺畅,是否存在门与门打架的情况,或者门的开门方向设计不合理,影响空间的使用等。
③门四边是否紧贴门框,门开关时有无的声音。
④窗边与混凝土接口是否已做到没有缝隙。
⑤窗户玻璃是否完好,是否存在松动可能掉落的情况。
窗户是否为内开的,因为如果是外开的,一旦门窗掉落,很容易砸到人。
9.检查墙面①检查墙面是否平整,是否存在开裂和渗水现象。
②检查墙面是否有空鼓,用小木锤或其他东西敲墙,敲到空鼓时发出的声音不实,很容易就可以听出来。
大面积空鼓可要求物业整改,小范围空鼓以后装修的时候可以自己填平。
③检查墙面的腻子,是否是防水腻子,可以带瓶矿泉水,往墙上泼水,用手去摸,看手上是否有泥浆,没有的话证明墙面的耐水腻子合格。
10.检查地面①检查地面是否平整。
②检查是否有裂缝和起沙:地面用脚搓地面时是否出现沙粒。
砂浆的比例或水泥质量不合格、搅拌不均匀都会出现此问题。
11.检查渗水漏水①在卫生间地面上放水,然后约好楼下的业主在24 小时后查看卫生间的天花板,并检查自己家的天花板是否有渗水。
②把家里的水龙头关掉,过一段时间后,再打开水表,看清楚水表数字有无变化,以检测水管是否漏水。
房地产估价现场勘察表正式版住宅房地产实地查看记录表案内。
产权人(签字):领看人(签字):第三方证人(签字):查看人(签字):估价师(签字):产权人地址及联系方式:查看日期:案内。
产权人(签字):领看人(签字):第三方证人(签字):查看人(签字):估价师(签字):产权人地址及联系方式:查看日期:案内。
产权人(签字):领看人(签字):第三方证人(签字):查看人(签字):估价师(签字):产权人地址及联系方式:查看日期:在查看表背面绘制现场平面草图及记载市场案例调查情况,表内未涉及到的内容可在表的背面加以详细记录。
此表必须归入报告档案内。
产权人(签字):领看人(签字):第三方证人(签字):查看人(签字):估价师(签字):产权人地址及联系方式:查看日期:房地产工程可研报告范文模板1总论11.1项目背景11.2项目概况11.3结论12项目建设的背景和意义12.1项目提出的理由和过程12.2项目建设的规划相关性12.3项目建设的意义13项目建设地点与建设条件13.1项目建设地点现状13.2建设条件14建设方案14.1项目设计原则14.2项目总体规划14.3工程设计14.4配套设施15环境保护与节能15.1项目地块环境现状15.2采用的环境保护标准15.3项目建设与运营对环境的影响1 5.4环境保护措施15.5节能16组织机构16.1组织机构16.2管理模式17项目实施进度17.1实施工期17.2实施进度安排18工程招投标18.1概述18.2招标组织形式18.3招标方式19投资估算和资金筹措19.1投资估算依据19.2投资估算19.3资金来源与筹措110财务评价110.1评价依据110.2项目财务估算110.3财务生存能力分析110.3财务评价结论111社会效益评价111.1 项目对社会的影响分析111.2 互适性分析111.3风险分析111.4社会评价结论112结论和建议112.1结论112.2建议11总论1.1项目背景1.1.1项目名称象山松兰山企业家俱乐部建设。
住宅房地产实地查看记录表房屋坐落土地证号土地形状房屋所有人标的所在楼层/总楼层: 现状用途使用状况维修保养层住宅办公商铺完好基本完好使用权类型房屋登记用途使用状况户型结构土地面积建筑面积自用空置出租厨__卫__阳般损坏严重损坏危房——良好一般较差通风米光良好般较差m2m2房屋所有权证号土地使用权终止日期建筑结构:层咼(米): 建成时间评估目的物管类型成新率:朝向:小区大院单体楼封闭半封闭开放北:南: 四至:东: 西:备注在查看表背面绘制现场平面草图及记载市场案例调查情况,表内未涉及到的内容可在表的背面加以详细记录。
此表必须归入报告档 案内。
产权人(签字):查看人(签字):领看人(签字):估价师(签字):第三方证人(签字):产权人地址及联系方式:查看日期: 工业性房地产实地查看记录表备 注在查看表背面绘制现场平面草图及记载市场案例调查情况,表内未涉及到的内容可在表的背面加以详细记录。
此表必须归入报告档 案内。
产权人(签字): 查看人(签字): 产权人地址及联系方式:查看日期:经营性房地产实地查看记录表领看人(签字): 第三方证人(签字): 估价师(签字):在查看表背面绘制现场平面草图及记载市场案例调查情况,表内未涉及到的内容可在表的背面加以详细记录。
此表必须归入报告档案内。
产权人(签字): 领看人(签字): 第三方证人(签字)查看人(签字): 估价师(签字):产权人地址及联系方式:查看日期:在建工程实地查看记录表在查看表背面绘制现场平面草图及记载市场案例调查情况,表内未涉及到的内容可在表的背面加以详细记录。
此表必须归入报告档案内。
产权人(签字): 领看人(签字): 第二方证人(签字):查看人(签字): 估价师(签字):产权人地址及联系方式:查看日期:。
第1篇一、基本信息1. 勘察单位:(单位名称)2. 勘察日期:(年/月/日)3. 勘察人员:(姓名)4. 勘察地点:(具体地址)5. 勘察项目:(项目名称)6. 勘察目的:(简要说明)二、现场环境描述1. 地形地貌:- 地形类型:(平原、丘陵、山地等) - 地形坡度:(°)- 地形起伏:(高、低)2. 气候条件:- 气候类型:(温带、热带、寒带等) - 平均气温:(℃)- 降水量:(mm/年)3. 水文地质:- 地下水类型:(潜水、承压水等)- 地下水埋深:(m)- 地下水水质:(良好、较差、差)4. 周边环境:- 周边建筑物:(距离、高度、用途等)- 周边道路:(名称、等级、宽度等)- 周边设施:(供电、供水、排水、通讯等)三、现场设施设备情况1. 建筑物:- 结构形式:(砖混、框架、钢结构等)- 使用年限:(年)- 建筑面积:(m²)- 主体材料:(砖、混凝土、木材等)2. 供电设施:- 供电方式:(高压、低压)- 供电电压:(V)- 供电容量:(kW)- 供电线路:(电缆、架空等)3. 供水设施:- 供水方式:(自来水、地下水等)- 供水压力:(MPa)- 供水流量:(m³/h)4. 排水设施:- 排水方式:(暗管、明沟等)- 排水管道:(材质、直径、长度等)5. 通讯设施:- 通讯方式:(有线、无线)- 通讯线路:(光缆、电缆等)四、现场安全隐患及整改措施1. 安全隐患:- 建筑物安全隐患:(墙体裂缝、地基沉降等)- 供电设施安全隐患:(线路老化、漏电等)- 供水设施安全隐患:(管道漏水、水质不合格等)- 排水设施安全隐患:(排水不畅、堵塞等)- 通讯设施安全隐患:(线路损坏、信号不稳定等)2. 整改措施:- 针对建筑物安全隐患:加固、维修、拆除等- 针对供电设施安全隐患:更换线路、安装漏电保护器等 - 针对供水设施安全隐患:维修管道、更换设备等- 针对排水设施安全隐患:疏通管道、更换设备等- 针对通讯设施安全隐患:维修线路、更换设备等五、现场勘察结论1. 现场勘察总体评价:(良好、一般、较差)2. 存在的主要问题:(简要描述)3. 建议整改措施:(简要描述)4. 勘察人员签名:(姓名)5. 勘察单位盖章:(单位名称)六、附件1. 现场勘察照片2. 相关检测报告3. 其他相关资料注:本模板仅供参考,具体内容可根据实际情况进行调整。