无机保温砂浆外墙抹灰技术交底
- 格式:docx
- 大小:768.52 KB
- 文档页数:32
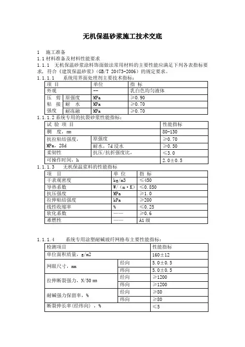
无机保温砂浆施工技术交底1 施工准备1.1 材料准备及材料性能要求1.1.1 无机保温砂浆涂料饰面做法常用材料的主要性能应满足下列各表指标要求, 符合《建筑保温砂浆》(GB/T 20473-2006)的规定要求。
1.1.2根据实际施工工程量、进场开工时间、工期要求,安排适当的储存场地、搅拌场地。
组织好材料进场时间,控制好材料进场数量做好进场记录,数量报总包方确认。
做好材料发放记录.收集好每批材料的出厂合格证报总包方验证.1.2 机具准备1.2.1 机械准备1.2.1.1在进行保温施工前,按工程量的大小,进场工人的数量安装好容积约300L砂浆搅拌机,按现场平面布置搭设搅拌机棚,接通水电调试正常。
搅拌棚的地点应选择背风向。
靠近垂直运输机械。
搅拌棚三侧封闭,一侧作为进出料通道,应有顶棚,地面应平整坚实。
1.2.1.2 手提电动搅拌器1.2.2 常用工具准备1.2.2.1铁抹子:`保温浆料施工宜使用抹子面积较大的矩形抹子。
1.2.2.2阳角抹子,阴角抹子:保温浆料施工宜用塑料材质,抗裂砂浆宜用钢材质。
1.2.2.3 托灰板1.2.2.4 杠尺:铝合金杠尺长度2-2.5m和长度1.5m两种。
1.2.2.5 靠尺:木靠尺2-3m没单面为八字尺。
1.2.2.6 猪鬃刷:2寸1.2.2.7 方头铁锹1.2.2.8 筛子:孔径2.5-3.0㎜。
1.2.2.9 手推车1.2.2.10木方尺:单边长不小于15㎝。
1.2.2.11 常用的检测工具:经纬仪及放线工具、2m托线板/杠尺、方尺、探针、钢尺等。
1.3 基层准备1.3.1保温施工前应会同相关部门做好结构验收的确认. 外墙面基层的垂直度和平整度应符合现行国家施工及验收规范要求.进行隐蔽施工前应做如下的检查工作.总包方将各大角的控制钢垂线安装完毕.高层建筑钢垂线用经纬仪检验合格. 1.3.2外墙面的阳台栏杆,雨漏管托架,外挂消防梯等安装完毕. 墙面的暗埋管线、线盒、预埋件应提前安装完毕,并应考虑到保温层的厚度影响。
施工技术交底
抗裂砂浆切忌不停揉搓,以免形成空鼓。
抗裂砂浆面层不能用水擀光。
砂浆抹灰施工间歇应在自然断开处,方便后续施工的搭接,如伸缩缝、阴阳角、挑台等部位。
在连续墙面上如需停顿,面层砂浆不应完全覆盖已铺好的热镀锌钢丝网,需与热镀锌钢丝网、底层砂浆呈台阶形可设为留茬,留茬间距不小于150mm,以免热镀锌钢丝网搭接处平整度超出偏差。
(7)阴阳角处理:面层抗裂砂浆抹完后,阴角和阳角统一挂通线处理,保证阴角、阳角垂直方正。
(8)门窗洞口处包边处理方法如下:
其他外墙外保温构造各结点做法未尽之处参见国标《墙体节能建筑构造》06J123标准做法。
六、质量要求
1 主控项目:
(1)无机保温材料外保温系统的性能指标必须符合要求
(2)本系统使用的所有材料品种、质量和技术性能均应满足国家有关标准、行业标准及本图集的要求,应检查出厂合格证及进行复检。
(3)保温的厚度及构造做法应符合建筑节能设计要求,保温层厚度应均匀,主体部位平均厚度不允许有负偏差。
(4)保温层与基层墙体以及各构造层之间必须粘结牢固,无脱层、空鼓、裂缝。
2 一般项目:
(1)表面平整、洁净、接茬平整,无明显抹纹,线脚应顺直、清晰,面层无粉化、起皮、爆灰等现象。
(2)首层外墙阳角需要安装专用金属护角,其余各层阴阳角及窗户洞口四角等部位均需用镀锌钢丝网包裹。
(3)墙面埋设暗线、管道后,墙面用钢丝网和抗裂砂浆加强,表面抹灰平整。
(4)分格缝宽度与深度均匀一致,平整光滑,棱角整齐顺直。
(5)滴水线(槽)流水坡向正确,且顺直。
3 允许偏差项目:
外墙外保温系统允许偏差应符合下表的规定:。
外墙无机保温砂浆施工技术交底中空玻化微珠外墙保温体系是由中空玻化微珠保温隔热干粉、抗裂防渗砂浆、耐碱玻纤网格布及其配套的施工技术组成,具体做法如下(由内至外):1、墙体+20㎜基层抹灰2、界面剂3、中空玻化微珠保温砂浆4、抗裂砂浆5、饰面施工。
一、施工工艺和技术要求施工工艺:基层处理、配涂界面砂浆→打耙冲筋→分层抹水泥砂浆和保温层→配置抗裂砂浆、裁剪网格布→抹抗裂砂浆→外墙饰面装饰施工。
技术要求:1、基层表面处理合格后,应涂刷界面砂浆。
2、保温浆料宜分层抹灰,每层抹灰厚度不宜超过15㎜,间隔时间应在24小时以上,第一遍抹灰应压实,最后一遍应找平,并用大杠搓平。
3、保温浆料抹灰完硬化后,应现场检验厚度,并取样检验保温浆料的干密度,保温浆料厚度应符合设计要求,不得有负偏差。
4、抗裂砂浆层应在保温浆料充分干燥固化后才能施工。
5、墙面分格缝按立面要求设置。
6、保温节能施工范围详建筑节能施工图。
二、施工方法(一)施工前的准备工作1、对墙面的平整度大于15毫米的墙体应剔除或者用1:3的水泥砂浆找平,墙面跳眼洞口用细石砼填塞,墙面清洗干净,无油污、无尘、污垢、涂膜剂、涂料、防水及、泥土妨碍粘接的污物,无裂纹、整体坚实,以确保外保温的质量。
2、门窗框四周应用保温砂浆分层填塞密实。
3、施工机具:强制式砂浆搅拌机、水平运输手推车、手提式搅拌器、水桶、剪刀、滚刷、铁锹、手锤等4、常用的检测工具:卷尺、靠尺、拖线板、角尺、探针、钢尺等。
(二)界面拉毛1、界面砂浆的配置:按中砂:水泥:界面剂=1:1:1的比例配置,先加入一份界面剂,再加入一份中砂和水泥,搅拌成均匀的砂浆状态。
若使用成品界面砂浆时,按干粉料:水=4:1,用搅拌机搅拌均匀成浆状。
为保证界面砂浆的施工适宜性,合理调整界面剂用量,以达到适宜的稀释度。
拉毛不宜太厚,但必须保证所有的砼墙面都做到毛面处理。
用滚刷或扫帚蘸取界面砂浆均匀涂刷于墙面上,不得漏刮,拉毛不宜太厚,约为1-2毫米。
无机保温砂浆技术交底无机保温砂浆这玩意儿,在建筑保温领域那可是相当重要!今天就来跟大家好好唠唠无机保温砂浆的技术交底。
我先给大家讲讲啥是无机保温砂浆。
这东西啊,简单说就是一种能给咱房子保温的材料。
就像冬天咱穿厚棉袄一样,它能让房子在冬天不那么冷,夏天不那么热,住着舒服又节能。
要说这无机保温砂浆的施工,那可得讲究不少。
首先得把基层处理好,这就好比咱要化妆,得先把脸洗干净了不是?基层表面不能有灰尘、油污、脱模剂这些乱七八糟的东西。
我之前就碰到过一个工地,基层处理得不干净,结果砂浆抹上去没多久就掉下来了,那叫一个糟心!材料搅拌也有门道。
水和砂浆的比例得拿捏准了,水多了,砂浆稀得跟粥似的,没强度;水少了,又干得跟石头似的,没法施工。
有一次我在工地看到一个新手搅拌,那场面,简直是手忙脚乱,水一会儿多一会儿少,最后整出来的砂浆根本没法用。
抹无机保温砂浆的时候,厚度要均匀。
不能有的地方厚,有的地方薄,不然保温效果可就大打折扣了。
我记得有一回,一个师傅为了赶进度,抹得那叫一个随心所欲,结果验收的时候不合格,又得返工,费时又费力。
还有啊,施工环境也很重要。
不能在下雨天或者温度太低的时候施工。
有一回,一个工地非要在下雨天硬干,结果砂浆被雨水一冲,全白费了。
施工完成后,养护也不能马虎。
得像照顾小宝宝一样精心,保持适当的湿度和温度。
不然砂浆容易开裂,这保温效果可就没法保证啦。
总之,无机保温砂浆的施工,每一个环节都得认真对待,不能有半点马虎。
只有这样,才能保证咱们的房子真正做到冬暖夏凉,节能环保。
希望大家都能记住这些要点,把工作干得漂漂亮亮的!。
JZ-C无机保温砂浆外墙技术交底一、施工要求1、基层处理墙面结或构面应清理干净、无污垢、无油渍、灰尘等,表面应平整坚实。
2、钢筋混泥土墙体,加气混泥土砌块墙体应涂抹界面砂浆,或用建筑素水泥甩毛。
3、吊垂直,套方,找规矩,拉水平通线,按厚度控制线用JZ-C墙体保温砂浆贴灰饼,冲筋。
二、施工要点1、JZ-C保温砂浆施工a、保温砂浆施工应自上而下进行。
b、保温层第一遍注意压实,厚度不得超过10mm,第二,三遍注意平整,每遍厚度不大于20mm,面层压实收光即可,面砖饰面则不用收光,应报仇毛面。
c、保温层固化干燥,并经验收合格后,方可进行下一道工序。
d、做好外保温系统在檐口,勒脚处,装饰缝,门窗四周和阴,阳角等处的细部处理,变形缝处做好防水和构造处理。
2、FS-2反毛孔防水剂施工a、FS-2反毛孔防水剂洗释比例:FS-2反毛孔防水剂:水=1:6b、养护期结束待保温层干结后,将配制好的防水剂用喷雾器均匀连续喷洒三次。
3、外墙饰面为涂料时,采用耐碱玻纤网格布作加强层,对建筑首层及抗冲击,抗裂要求较高部位,应采取加强,抗裂措施。
4、外墙保温表面设置分格缝a、保温层表面设置分格缝,分格缝宽度不应大于20mm,分格缝按照立面分层设置,分块面积不应小于36㎡b、按单项工程设计要求在保温层上弹出分格线的位置。
c、用壁纸刀沿弹好的分格线开出宽度为设定尺寸,深度为3-5mm的凹槽,凹槽应顺直,平整。
三、分项验收、检验a、JZ-C无机保温砂浆工程的验收应符合《建筑节能工程施工质量验收规范》GB50411-2007、《居住建筑节能工程施工质量验收规程》DBJ50-069-2007和《公共建筑节能工程施工质量验收规程》DBJ50-070-2007》的有关规定。
b、保温层厚度及构造做法应符合节能设计要求,保温厚度均,不允许有负误差。
c、保温砂浆应分层施工,各抹灰层之间,以及抹灰层与基层之间必须粘结牢固,无脱层,空鼓,裂缝,面层无粉化,起皮,爆灰等现象。
一、本技术交底对本工程的总概述:(一)工程概况本工程为高层住宅建筑。
各高层均为框架结构与短肢剪力墙框架结构;本工程无机保温砂浆外墙保温体系是由中空玻化微珠保温隔热干粉、抗裂防渗砂浆、耐碱玻纤网格布及其相配套的施工技术组成的墙体保温体系。
(二)编制依据1、《建筑节能设计说明专篇 (住宅节能50%标准)》、设计施工图纸、设计变更、设计交底等有效文件2、《中华人民共和国建筑法》、《重庆市建筑管理条例》、《建设工程质量管理条例》、《建设工程安全管理条例》。
3、国家及地方现行施工规范、操作规程、质量验收统一标准和安全检查标准。
4、2002年国家颁布的《工程建设标准强制性条文——房屋建筑部分》。
5、本公司具有承建类似工程的经验资料、施工项目管理办法、成熟的企业质量管理体系运行模式的相关资料。
6、劳务承包合同。
(三)本工程执行主要现行规范、规程和标准《居住建筑节能50%%%设计标准》(DBJ50-102-2010)《建筑外窗气密、水密、抗风压性能分级及检测方法》(GB/T 7106-2008)《TF无机保温砂浆外墙外保温建筑构造》(11CJ31)《无机保温砂浆建筑保温系统应用技术规程》(DBJ50-103-2010)《外墙外保温建筑构造》(10J121)《屋面节能建筑构造》(06J204)《建筑节能门窗(一)》(06J607-1)《重庆市居住建筑节能工程施工质量验收规范》(修订)DBJ50-069-2007无机保温砂浆建筑保温系统应用技术规程》DBJ50-103-2010《民用建筑外保温系统及外墙装饰防火暂行规定》(公通字[2009]46号)《关于进一步明确民用建筑外保温材料消防监督管理有关要求的通知》公消[2011]65号《关于禁止使用可燃建筑墙体保温材料的通知》渝建发〔2011〕22号国家、省市现行的相关建筑节能法律、法规建筑工程施工质量验收统一标准(GB50300-2001)建筑施工扣件式钢筋脚手架安全技术规程 (JGJ130-2001)建筑机械使用安全技术规程 (JGJ 33-2001)施工现场临时用电安全技术规范(JGJ 46-88)塔式起重机操作使用规程(ZBJ 80012-89)建安工人安全技术操作规程(DG/TJ08-402-2000)建筑施工安全检查标准 (JGJ 59-99)建筑施工高处作业安全技术规范 (JGJ 80-91)建设工程项目管理规范(GB50326-2006)建设工程文件归档整理规范(GB50328-2001)《工程建设标准强制性条文——房屋建设部分》2002版重庆市的安全生产、文明施工、环保及消防等有关最新规定重庆市建设工程档案进馆(室)范围、归档内容及重庆市建设工程档案专项验收办法。
一、交底目的为确保无机保温砂浆施工过程中的安全,降低施工风险,提高施工质量,特制定本安全技术交底。
二、交底对象本交底适用于所有参与无机保温砂浆施工的作业人员。
三、交底内容1. 施工前的准备工作(1)施工前,应充分了解施工现场环境,确保施工区域安全。
(2)检查施工工具、设备是否完好,并确保其符合安全要求。
(3)对参与施工人员进行安全教育,提高安全意识。
2. 施工过程中的安全措施(1)施工人员必须穿戴好个人防护用品,如安全帽、防护眼镜、防尘口罩、防滑鞋等。
(2)施工人员应遵守操作规程,严禁违章作业。
(3)施工过程中,注意高空作业安全,确保作业人员安全。
(4)施工现场应设置警示标志,提醒作业人员注意安全。
(5)施工区域应保持通风良好,避免因材料挥发造成中毒。
3. 施工材料的安全使用(1)无机保温砂浆材料应存放于干燥、通风、阴凉处,避免阳光直射。
(2)使用材料时,应按照产品说明进行操作,不得随意更改配比。
(3)施工过程中,应避免材料接触皮肤,如不慎接触,应及时清洗。
4. 施工现场管理(1)施工现场应保持整洁,施工材料、工具等有序摆放。
(2)施工过程中,不得随意堆放材料,避免造成安全事故。
(3)施工区域应设置专人负责,确保施工安全。
5. 施工结束后的注意事项(1)施工结束后,应及时清理施工现场,消除安全隐患。
(2)对施工区域进行安全检查,确保无安全隐患。
(3)对施工人员进行安全培训,提高安全意识。
四、交底要求1. 施工人员应认真学习本交底内容,了解施工过程中的安全要求。
2. 施工人员应严格按照操作规程进行施工,确保施工安全。
3. 施工单位应定期对施工人员进行安全教育培训,提高安全意识。
五、附件1. 无机保温砂浆施工安全操作规程2. 施工现场安全管理制度六、交底人:XXX七、交底日期:XXXX年XX月XX日八、接受人:XXX九、签字确认:(施工单位代表)(施工班组负责人)(施工人员代表)注:本模板仅供参考,具体交底内容可根据实际情况进行调整。
外墙抹灰技术交底施工单位沈阳双兴建设集团有限公司工程名称无为碧桂园二期·芷兰湾施工部位外墙交底项目无机保温砂浆外墙抹灰交底日期2015-11-08交底内容:一、一般规定:1 无机保温砂浆墙体保温系统工程施工期间以及完工后24h内,基层及环境空气温度不应低于5℃。
夏季应避免阳光曝晒。
在5级以上大风天气和雨雪天气不得进行外墙外保温系统的施工。
2 施工前,施工单位应编制墙体节能工程专项施工方案,并经监理(建设)单位审查批准后方可实施;施工单位应对施工作业人员进行技术交底和必要的实际操作培训,作业人员应经过培训并考核合格后方可上岗,并做好技术交底和培训记录。
3 墙体保温系统工程必须严格按照经审查合格的设计文件和审查批准的施工方案及节能施工技术标准、规范施工。
严禁擅自变更外墙外保温系统的构造以及保温层的厚度。
4 对既有建筑采用无机保温砂浆墙体保温系统进行改造的工程,施工前应按照设计文件和相关标准的规定对原墙面进行专门处理,经建设(业主)、设计、监理和施工等单位的项目负责人验收合格后方可进行墙体保温工程的施工。
5 墙体保温工程完工后应做好成品保护。
6无机保温砂浆墙体保温系统施工前,对于采用相同建筑节能设计的构造做法,应在施工现场采用相同材料和工艺制作样板件,样板间经建设(业主)、设计、监理和施工等单位的项目负责人验收确认后,方可进行大面积施工。
样板间的检测结果应符合设计文件和本导则及相关标准的要求。
7无机保温砂浆墙体保温系统的工程质量检测应由具备资质的检测机构承担。
8外墙外保温施工的基层墙体找平层允许偏差值应符合表6.1.8的规定。
二、施工准备:2.1 基层墙体应经过验收并合格。
施工前应将基层墙面的灰尘、污垢、油渍及残留灰块等清理干净。
基层表面高凸处应剔平,对蜂窝、麻面、露筋、疏松等部位应清理至坚固处,用1∶3水泥砂浆或细石混凝土分层补平,清除外露钢筋头和铅丝头等。
低凹处用水泥砂浆分层补平。
施工孔洞、脚手架眼应封堵修补完毕。
外墙内保温施工质量技术交底外墙内保温技术交底工程名称:一、材料1、水泥:采用32.5级矿渣硅酸盐水泥,使用有效期为生产即日起3个月内使用,期间如有结块现象应停止使用。
2、砂:含泥量不得超过3%,并过筛除去杂质。
3、保温材料:玻化微珠保温砂浆,干密度≤300kg/m³,抗压强度≥0.3Mpa,导热系数≤0.065W/m.k,燃烧性能:A级。
4、玻纤网格布5、面层材料:成品抗裂砂浆。
6、界面处理剂。
7、主要机具:剪刀、扫帚、钢丝刷、抹子、压子、阴阳角抿子、斗车、托线板、2m 靠尺等。
二、作业条件1、主体结构已验收合格。
2、将混凝土构件、门窗过梁、构造柱表面凸出部分凿平,有蜂窝、麻面、疏松部分的混凝土表面凿到实处,并涂刷混凝土界面处理剂,用水泥砂浆补平。
对混凝土构件中使用的顶模棍、铅丝等金属表面应涂刷防锈漆。
3、讲混凝土表面的油渍、坠灰等清除保证施工作业面干净,对砌体结构应提前两天浇水湿润(每天不得少于2遍)。
4、遇到空调孔洞要用塑料管塞在孔内,粉好后,取出管子,把口收头收好。
5、水电或其它各种管线必须安装完毕,并用细石混凝土将墙面管洞填充密实(包括脚手架孔洞)。
6、抹灰所用的操作平台已搭设完成并验收合格。
三、操作工艺工艺流程:基层处理→打点、冲筋→窗口护角→抹保温砂浆→铺压玻璃纤维网→抹抗裂砂浆→特殊部位处理→验收1、基层墙体处理:基层墙体表面不得有油污、脱模剂、浮尘、孔洞(用泡沫膨胀剂堵)等,墙面不平整处可用角磨机打磨,松动或风化的部分可用水泥砂浆填实后找平。
基层墙面若太干燥,应适当洒水润湿。
2、根据保温层厚度(25MM)在处理完毕的基层墙面上采用保温浆进行打巴。
3、无机保温砂浆施工应按下列规定进行:1)涂抹保温层应采用分层施工,每遍施工厚度不宜超过15mm,并应压实赶平分两遍完成。
两遍施工间隔时间不应少于24h。
2) 最后一遍操作时应达到设计要求厚度,并用刮杠压实、搓平。
墙、门窗口平整度应符合相关标准的规定。
无机保温砂浆(外墙外保温)抹灰技术交底一、材料要求:1、外墙采用35mm厚聚合物改性无机保温砂浆 B型 + 5mm厚防水抗裂砂浆 + 160g耐碱纤维网格布。
2、材料检验:保温工程所用材料和半成品、成品的品种、性能必须符合设计和有关标准的要求,外观和包装应完整、无破损。
进场后,按GB 50411的规定进行质量检查和验收。
1)检查产品合格证、出厂检测报告和有效期内的型式检验报告。
2)现场抽样复验,复验应为见证取样送检,随机抽样,检查复验报告。
复验材料:无机轻集料保温砂浆、抗裂砂浆、界面砂浆、耐碱网布。
复验项目见表 5.2.1,其它材料按相关规定执行。
表5.2.1保温系统主要组成材料复验项目3)无机轻集料保温砂浆、抗裂砂浆、界面砂浆、耐碱网布的抽样复验应符合下列规定:A、检查方法:随机抽样送检,核查复验报告。
B、检查数量:墙体节能工程中,同一厂家同一品种的产品,当单位工程保温墙体面积在5000㎡以下时各抽查不少于1次;当单位工程保温墙体面积在5000~10000㎡时各抽查不少于2次;当单位工程保温墙体面积在10000~20000㎡时各抽查不少于3次;当单位工程保温墙体面积在20000㎡以上时各抽查不少于6次。
二、施工部位、施工流程、系统构造、施工做法及施工工具:1、按设计图纸及变更要求的所有部位,包括外廊,露台,阳台,GRC下部,门窗洞口四侧面,悬挑板的上下、端部等。
外墙除小于10cm线条面及门窗框周边外其他部位不得采用水泥砂浆抹灰。
(外廊、露台等位置如有取消,另行通知)2、施工流程(详见:图二):外墙灰饼、护角及基层处理→基层界面砂浆→30mm厚无机保温砂浆→5mm厚抗裂砂浆复合耐碱玻纤网格布一层1)基层处理:施工灰饼、护角,并对墙面清理和补平,砼面与砖墙衔接部位用耐碱纤维网加强;砼面喷界面剂,砖墙面喷水泥浆一道。
2)界面砂浆:外墙基底先用1;2水泥砂浆(内渗901胶)处理一道,厚2~3mm;3)保温砂浆分两遍成活,第一遍厚度15~20mm,24小时后抹第二遍保温砂浆达到设计厚度。
无机活性保温砂浆技术交底一、施工准备无机保温砂浆外墙保温系统,由界面层、聚合物无机保温砂浆保温层、抗裂防护层和饰面层构成,起保温隔热、防护和装饰作用的构造系统。
1、墙面应清理干净、无污染、无油脂、灰尘,墙表面≥10mm的鼓出部分应铲平,并浇水润湿。
吊垂直、套方、找规矩,按厚度要求用无机活性保温砂浆设置灰饼(冲筋);喷涂界面剂一遍,并抹第一遍保温砂浆。
干燥度检查:基层面/找平层砂浆干燥程度、潮湿程度、固化强度。
干净度检查:基层面的油污、灰尘、疏松物等影响粘结效果的异物。
表面强度检查:基层面砂浆的表面强度、裂缝、砂眼、空鼓等检查,钻机钻孔检查强度和起砂情况。
平整度和垂直度检查:外找平抹灰由总包单位完成,并应符合国家标准GB50210-2001《建筑装饰装修工程质量验收规范》,平整度和垂直度达到一般抹灰工程的具体要求。
3.1.2基层面处理 驱除灰尘、疏松物; 钢刷轻打磨:驱除油污;墙面修整处理:修补提高平整和垂直度,提高表面强度;基墙为混凝土,空心砌块、粘土砖等,基材无油污、无灰尘及其它松软附着物,对于基材表面过于干燥或表面温度超过35℃,应在施工前一天用水冲拭表面;如果基面过度凹凸,应用水泥砂浆/硅宇商品砂浆提前补平,以保证保温浆料层厚度均匀; 外墙致密基材及松软墙体,必须用界面剂糙化处理。
二、作业条件1、结构工程应验收合格,门窗安装后,框与墙体之间的缝隙应按规定要求进行处理,并经有关部门检查验收合格。
墙面上的雨水管卡、预埋件、设备穿墙管道等应提前安装完毕,并预留出保温层的厚度。
2、作业时环境温度不应低于5ºC,风力不应大于10m/s。
严禁雨天时露天施工;雨季施工时应做好防雨措施,当气温低于5ºC施工时,应采取相应的措施。
三、施工程序1、施工顺序:基层清理吊垂直、套方设置找平层灰饼抹水泥砂浆设置保温层灰饼配制B型保温砂浆抹第一遍保温砂浆抹第二遍保温砂浆有要求时抹第三遍配制A型保温砂浆随抹随用铁抹子收光保温验收饰面施工。
2.3.材料配备:A.干混抹灰砂浆:品种强度:DPMl0,进场必须有出厂产品质量合格证。
进场应有检验报告和有关说明资料。
B.HZT-III无机轻集料保温砂浆:进场必须有出厂产品质量合格证。
进场应有检验报告和有关说明资料。
C.水:要用洁净干净的饮用水。
三•施工方法1.工艺流程:基层处理—基层浇水一挂网T喷浆一上下挂垂线一做灰饼(吊直、套方、找规矩)一墙体洒水湿润一加防水粉水泥砂浆做找平层一洒水养护一40厚HZT-In无极保温砂浆分两层施工一在第二层保温砂浆预留分割缝一缝内嵌高弹性耐候胶。
工程名称交底部位外墙分项部位一般抹灰日期20**年6月24日7.找平抹灰:砂浆用DPMlo干混抹灰砂浆,找平层厚度IOmm。
要用力抹灰,使砂浆挤入细小缝隙内,压实抹平,用刮杠垂直水平刮平,不得漏抹,并用木抹子搓毛。
然后全面进行质量检查,检查底子灰是否抹平整,阴阳角是否规方整洁,管道后与阴角交接处、墙顶板交接处是否光滑平整,并用2m标尺板检查墙面垂直和平整情况。
落地灰必须及时清理。
8.保温砂浆应分两层抹灰,每层抹灰间隔时间应在24h以上,每遍厚度宜为10T5mm厚,每遍抹灰均应压实,最后一遍抹灰时预留分隔缝(缝宽10-15mm,间距不大于3r∏x3m)面层应达到灰饼厚度,且应找平,使墙面平整度达到要求,严禁一遍成活,否则按照质量管理奖罚制度进行处罚。
9.抹滴水线。
在抹檐口、窗台、窗眉、阳台、雨蓬、压顶和突出墙面的腰线以及装饰凸线时,应将其上面作成向外的流水坡度,严禁出现倒坡。
下面做滴水线(槽)。
窗台上面的抹灰层应深入窗框下坎裁口内,堵塞密实,流水坡度及滴水线(槽)距外表面不小于4cm,滴水线深度和宽度一般不小于10mm,并应保证其流水坡度方向正确。
抹滴水线(槽)应先抹立面, 后抹顶面,再抹底面;10.空调板和飘窗板顶找坡不小于40≡,女儿墙顶找坡不小于6%o11.洒水养护:水泥砂浆抹灰24h后应喷水养护,养护时间不少于7d o1.修抹预留孔洞、配电箱、槽、盒、堵缝工作要作为一道工序安排专人负责,要把预留孔洞、配电箱、槽、盒周边的洞内杂物、灰尘等清理干净,浇水湿润,然后用砖将其补齐砌严,用水泥砂浆将缝隙塞严、压抹平整、光滑。
无机保温砂浆外墙抹灰技术交底外墙抹灰技术交底交底内容:5墙体保温工程完工后应做好成品保护。
6无机保温砂浆墙体保温系统施工前,对于采用相同建筑节能设计的构造做法,应在施工现场采用相同材料和工艺制作样板件,样板间经建设(业主)、设计、监理和施工等单位的项目负责人验收确认后,方可进行大面积施工。
样板间的检测结果应符合设计文件和本导则及相关标准的要求。
7无机保温砂浆墙体保温系统的工程质量检测应由具备资质的检测机构承担。
8外墙外保温施工的基层墙体找平层允许偏差值应符合表6.1.8的规定。
注;为塢身高度.施工准备:2.1基层墙体应经过验收并合格。
施工前应将基层墙面的灰尘、污垢、油渍及残留灰块等清理干净。
基层表面高凸处应剔平,对蜂窝、麻面、露筋、疏松等部位应清理至坚固处,用1 : 3水泥砂浆或细石混凝土分层补平,清除外露钢筋头和铅丝头等。
低凹处用水泥砂浆分层补钿_______________________#耐輕___________________⑴駅2.5辭蘇揮____________W:25Wl\I5WI)榊斛其中无机保温砂浆厚度除商业一、二、三及幼儿园为30厚无机保温砂浆I型,其他楼栋均为25厚无机保温砂浆I型。
4.2涂料饰面外墙外保温工程施工工艺流程按图示的工序进行1用1:2.贈梱t 龄层 中腰隸翳耕腿闻10肚23楓默帽15蹟轴)(觑尉圃 外培砖外堵面W-1 、h 匕'〉: |1;.- G 二' /~2 2 fJ/ .-f A ■ ” * / / • • //8團:2.5黔财輙紗腰蝴解•轉趙何{娜號)涂料饰面无机保温砂浆外墙外保温系统施工工艺流程示意图4.3外墙砖外墙面保温节点做法详图:施工面星妆裂砂浆面砖饰面无机保温砂浆外墙外保温系统工程施工工艺流程示意图五、施工技术要求:5.1基层处理和验收检查基层是否满足设计和施工方案要求。
基层应坚实、平整。
对于既有建筑物墙面,其表面处理应符合设计要求和2.1条的规定。
度便于施工,并应在1.5h内用完。
5.6保温砂浆施工保温砂浆应在界面砂浆干燥固化后施工,且应分层施工,每遍施工厚度不宜超过15mm,并应压实赶平,两遍施工间隔时间不应少于24h,最后一遍应稍高于冲筋厚度并用刮杠压实、搓平。
保温层与界面层之间及保温层各层之间粘结必须牢固,不应有脱层、空鼓和开裂。
5.7保温砂浆养护及验收施工后24h内应做好保温层的防护,养护时间不少于7d。
养护期间,严禁水冲、撞击和振动。
抗裂防护层施工前,应对保温层进行检查验收。
凡保温层出现空鼓、开裂、表面疏松及垂直度、平整度、阴阳角方正、顺直等不符合现行相关标准和规程要求的,应进行修整。
5.8抗裂砂浆施工抗裂砂浆应均匀涂抹在保温层上,耐碱网格布(或热镀锌电焊网)需压入抗裂砂浆层中,严禁耐碱网格布(或热镀锌电焊网)直接铺在保温层表面再用砂浆涂抹。
搅拌好的砂浆应在(1.5〜4)h内用完,过时不得加水搅拌再用。
5.9耐碱网格布或热镀锌电焊网施工:1、涂料饰面时,应先将门、窗洞口的耐碱网格布翻包边做好,同时在门窗洞口四角应各做一块200mm< 300mm附加普通型耐碱网格布,铺贴方向为45 ° 完成上述工序后方可粘贴大面上的耐碱网格布。
大面积耐碱网格布粘贴:在抗裂砂浆可操作时间内,将裁剪好的耐碱网格布铺贴在第一层抗裂砂浆上,并将弯曲的一面朝里,沿水平方向绷直铺平,用抹刀边缘抹压铺展固定,将耐碱网格布压入底层抗裂砂浆中。
然后由中间向上下、左右方向将面层抗裂砂浆抹平整,确保网格布粘结牢固、表面平整,砂浆涂抹均匀。
耐碱网格布搭接宽度不小于100mm。
耐碱网格布不得皱褶、空鼓、翘边,严禁干茬搭接。
耐碱网格布铺贴完毕、经检查合格后方可抹第二遍抗裂砂浆,并将耐碱网格布包覆于抗裂砂浆之中,抗裂砂浆面层的平整度和垂直度应符合要求。
首层墙面应在抗裂砂浆中布置双道耐碱网格布,应先铺贴加强型耐碱网格布,加强型耐碱网格布铺贴应采用对接,抹砂浆后进行普通型耐碱网格布铺贴,普通型耐碱网格布铺贴应采用搭接,并禁止干搭接。
两层网格布之间抗裂砂浆应饱满,严禁干贴。
2、面砖饰面时,应先在门窗洞口四角各加贴一块300mr< 400mm的附加普通型耐碱网格布,铺贴方向为45 °然后进行大面积的抹第一遍抗裂砂浆,厚度控制在2mm〜4mm。
根据基层尺寸裁剪热镀锌电焊网分段进行铺贴。
热镀锌电焊网的长度最长不应超过3m,施工前将边角处的热镀锌电焊网预先折成直角。
铺贴过程中不应形成网兜,网张开后应顺方向依次平整铺贴,并用塑料锚栓将其锚固于基层墙体上;不平整处应采取措施确保达到铺设要求,搭接宽度不应小于80mm。
在门窗洞口内侧面、女儿墙、沉降缝等热镀锌电焊网收头处,应用锚固件将热镀锌电焊网固定在结构基层上,锚固件间距不大于300mm。
六、七、八、九、检查数量:每个检验批抽查5%,并不少于5个门窗洞口。
9.10凡外墙热桥部位应按设计要求米取隔断热桥措施。
检验方法:对照设计和施工方案观察检查;核查隐蔽工程验收记录。
检查数量:按不同热桥种类,每种抽查10%,并不少于5处。
9.11系统变形缝和防腐专用托架的设置、施工质量应满足设计文件和专项施工方案要求及规程中的规定。
检验方法:对照设计和施工方案观察检查;核查隐蔽工程验收记录。
检查数量:全数检查。
无机保温砂浆保温层、抗裂防护层的允许偏差和检验方 法应符合表中的规定:无机保温砂浆保温层、抗裂防护层的允许偏差和检验方法枪塞项耳栓奁方法14 用£■重直檯■尺尬直 稈严屛將fit 抽训10V 井不少十5社*24用2■拿尺和塞尺拾書 3阴阳博方証4用宜谢栓碍尺检査特殊部位保温构造参考详图:区・'J翅虫耐诫幅格布耐砸网幡布瞄水耐愫密對胶保温层水平系统变形缝保温层垂直系统变形缱系统变形缝保温构造觎包耐破网帖布耐讎网格甜窗上口抹平砂浆耐碱网榕布睦胀卓栓固定女儿墙保温构造穿墙管道保温构造U$u1 1成晶栏杆一\]空调机隔板保温构造背衬1防条耐唉窿蚓胶-一讎包耐隨网格冇u耐施网格布負宀:^空專專:;-■«+«H■TTu-~a-x-«*--■+«VA4*■-■fab■-■faIB■Hbp・・fa■-F■h■F・■■:■■:m%Ba・-:B-A!w:--*Tt¥*■¥■-***占・割包耐诫网榕布「耐娥网喀布变形缝一变形第二变形缝保温构造挑檐、凸窗保温构造挑窗Mt)< UHCO0窗口耐碱网格布加强图门窗洞口排版及网格布加强示意图画戰門格布无机保1■如KCD执行情况质检员:注:本交底一式两份,一份留底保存,一份交各专业班组!GB50411-2007 4-1施工执行标准名称及编号保温材料的厚度应符合设计要求;保温板与基层及各 构造层之间的粘结或连接必须牢固。
粘结强度和连接 方式应符合设计要求和相关标准的规定;不应脱层、 空鼓和开裂。
浆料保温层应分层施工。
当采用预埋或 后置锚固件时,其数量、位置、锚固深度和拉拔力应 符合设计要求,后置锚固件应进行锚固力现场拉拔试 验。
外墙采用预置保温板现场浇筑混凝土墙体时,保温材 料的验收应执行 GB50411第422条的规定;保温板 的安装应位置正确、接缝严密,保温板在浇筑混凝土 过程中不得移位、变形,保温板表面应采取界面处理 措施,与混凝土应粘结牢固。
混凝土和模板的验收应 执行GB50204的相关规定。
当外墙采用保温浆料做保温层时,应在施工中制作同 条件试件,检测其导热系数、干密度、压缩强度。
试 件见证取样送检。
墙体节能工程各类饰面层的基层及面层施工,—应符合 设计要求和GB50210的规定。
外墙外保温工程不宜 采用粘贴饰面砖做饰面层。
当采用时,必须保证保温 层与饰面砖的安全性。
外墙外保温工程的饰面层不应 渗漏。
当外墙外保温工程的饰面层采用饰面板开缝安 装时,保温层表面应具有防水功能。
外墙外保温层及 饰面层与其他部位交接的收口处,应采取密封措施。
保温砌块砌筑的墙体,应采用具有保温功能的砂浆砌 筑。
砌筑砂浆的强度等级应符合设计要求。
砌体的水平灰缝饱满度不应低于 90%,竖直灰缝饱满度不应 低于80%。
墙体节能分项工程检验批质量验收记录GB50411-2007 4-2墙体节能分项工程检验批质量验收记录(续)记录9 1 01 1验收规范规定查评定记录说明本表适用于采用板材、浆料、块材及预制复合墙板等墙体保温材料或构件的建筑墙体节能工程质量验收。
一、主控项目1. 检验方法:观察尺量检查;核查质量证明文件。
检查数量:按进场批次,每批随机抽取3个试样进行检查;质量证明文件应按照其岀厂检验批进行核查。
2. 检验方法:核查质量证明文件及复验报告。
检查数量:全数检查。
3. 检验方法:随机抽样送检,核查复验报告。
检查数量:同一厂家同一种产品,当单位工程建筑面积在20000m2以下时各抽查不少于3次;当单位工程建筑面积在20000m2以上时各抽查不少于6次。
4. 检验方法:核查质量证明文件。
检查数量:全数检查。
5. 检验方法:对照设计和施工方案观察检查;核查隐蔽工程验收记录。
检查数量:全数检查。
6. 检验方法:对照设计和施工方案观察检查;核查隐蔽工程验收记录。
检查数量:全数检查。
7. 检验方法:观察;手扳检查;保温材料厚度采取针插法或剖开法尺量检查;粘结强度和锚固力核查试验报告;核查隐蔽工程验收记录。
检查数量:每个检验批抽查不少于3处。
8. 检验方法:观察检查;核查隐蔽工程验收记录。
检查数量:全数检查。
9. 检验方法:核查试验报告。
检查数量:每个检验批应抽样制作同条件养护试块不少于3组。
10. 检验方法:观察检查;核查试验报告和隐蔽工程验收记录。
检查数量:全数检查。
11. 检验方法:对照设计核查施工方案和砌筑砂浆强度报告,用百格网检查灰缝砂浆饱满度。
检查数量:每楼层的每个施工段至少抽查一次,每次抽查5处,每处不少于3个砌块。
12. 检验方法:检查型式检验报告、岀厂检验报告、对照设计观察和淋水试验检查;核查隐蔽工程验收记录。
检查数量:型式检验报告、岀厂检验报告全数核查;其他项目每个检验批抽查5%,并不少于3处13. 检验方法:对照设计观察检查;核查质量证明文件和隐蔽工程验收记录。
检查数量:每个检验批抽查5%,不少于3处。
14. 检验方法:对照设计观察检查;必要时抽样剖开检查;核查隐蔽工程验收记录。
检查数量:每个检验批抽查5%,不少于5个洞口。
15. 检验方法:对照设计和施工方案观察检查;核查隐蔽工程验收记录。
检查数量:按不同热桥种类,每种抽查20%,并不少于5处。
二、一般项目1. 检验方法:观察检查。
检查数量:全数检查。
2. 检验方法:观察检查;核查隐蔽工程验收记录。
检查数量:每个检验批抽查不少于5处,每处不少于2m2.。