光电编码器及接口电路调试
- 格式:pdf
- 大小:188.21 KB
- 文档页数:7
一:增量旋转编码器选型有哪些注意:1.械安装尺寸,包括定位止口,轴径,安装孔位;电缆出线方式;安装空间体积;工作环境防护等级是否满足要求。
2.分辨率,即编码器工作时每圈输出的脉冲数,是否满足设计使用精度要求。
3.电气接口,编码器输出方式常见有推拉输出(F型HTL格式),电压输出(E),集电极开路(C,常见C为NPN型管输出,C2为PNP型管输出),长线驱动器输出。
其输出方式应和其控制系统的接口电路相匹配。
二如何使用增量编码器?1,增量型旋转编码器有分辨率的差异,使用每圈产生的脉冲数来计量,数目从6到5400或更高,脉冲数越多,分辨率越高;这是选型的重要依据之一。
2,增量型编码器通常有三路信号输出(差分有六路信号):A,B和Z,一般采用TTL电平,A脉冲在前,B脉冲在后,A,B脉冲相差90度,每圈发出一个Z脉冲,可作为参考机械零位。
一般利用A超前B 或B超前A进行判向,我公司增量型编码器定义为轴端看编码器顺时针旋转为正转,A超前B为90°,反之逆时针旋转为反转B超前A为90°。
也有不相同的,要看产品说明。
3,使用PLC采集数据,可选用高速计数模块;使用工控机采集数据,可选用高速计数板卡;使用单片机采集数据,建议选用带光电耦合器的输入端口。
4,建议B脉冲做顺向(前向)脉冲,A脉冲做逆向(后向)脉冲,Z原点零位脉冲。
5,在电子装置中设立计数栈三:从接近开关、光电开关到旋转编码器:工业控制中的定位,接近开关、光电开关的应用已经相当成熟了,而且很好用。
可是,随着工控的不断发展,又有了新的要求,这样,选用旋转编码器的应用优点就突出了:信息化:除了定位,控制室还可知道其具体位置;柔性化:定位可以在控制室柔性调整;现场安装的方便和安全、长寿:拳头大小的一个旋转编码器,可以测量从几个µ到几十、几百米的距离,n个工位,只要解决一个旋转编码器的安全安装问题,可以避免诸多接近开关、光电开关在现场机械安装麻烦,容易被撞坏和遭高温、水气困扰等问题。
光电编码器精度分析作者:徐桂成来源:《电脑知识与技术》2018年第08期摘要:光电轴角编码器也叫做光电角位置传感器,它集光、机、电为一体,它是以高精度圆光栅为检测元件,通过码盘把机械圆周角度转换为电信号,通过差分放大、整形滤波、校正、细分、译码等处理后和计算机相连可实现输出精密角度值以及做伺服控制,它具有分辨率高、测量范围广、使用可靠、易于维护等优点被广泛应用于雷达、光电经纬仪、数控机床、指挥仪和高精度闭环调速系统等诸多领域。
随着科技的发展,军工、国防等领域对微型传感器的需求越来越急迫,要求编码器向高精度、高分辨率、小型化和智能化发展。
同时随着科技的发展,尤其是空间科学自动化和国防建设等领域对编码器的分辨率和精度提出了更高的要求。
因此,研制高精度、高分辨率的编码器是科学技术发展的关键一步。
关键词:光电编码器;经度;偏心中图分类号:TP3 文献标识码:A 文章编号:1009-3044(2018)08-0049-031码盘装调偏心量对精度的影响光电轴角编码器主轴的幌动和光栅码盘轴心与主轴系间的偏心都将引起测量误差,因此,采取措施尽量使码盘轴心与主轴轴心一致,是完成高精度编码器调试的必要条件。
调整轴向跳动和偏心量是码盘装调主要步骤,启动摩擦力矩和高速旋转主轴转动惯量等也是码盘装调的主要程序。
接下来只对码盘偏心量加以研究,并提出一种用光电信号调整码盘偏心量的方法,用光电信号调整码盘偏心的成功应用为高精度编码器码盘的调试成型奠定了基础。
码盘偏心量是指码盘轴心与支承主轴旋转中心的差值。
该差值量直接影响精粗码道之间的相位关系,同时该偏心量对读数也有显著影响,如图1所示:(3)式与(2)式结果相同,因此采用对经读数方式,不管码盘偏心量如何,不影响读数。
因此,偏心不限制对径读数。
但是光栅码盘轴心与主轴系间的偏心对粗码计圈数间的关系影响无法消除,不能补偿圈间关系,因为狭缝本身的圈间关系是一个定值,不随码盘的圈间相位变化容易导致错码。
光电编码器的原理及应用光电编码器是一种精密测量设备,常用于测量旋转角度或线性位置。
它通过光电传感器和编码盘之间的互动来实现测量。
本文将介绍光电编码器的原理、构造和应用。
一、原理光电编码器的工作原理基于光电传感器对编码盘上光学标记的检测。
编码盘通常由透明和不透明的区域组成。
当光线照射到编码盘上时,透明和不透明的区域将交替出现在光电传感器面前,从而导致光电传感器输出脉冲。
光电编码器的输出脉冲数与编码盘上的光学标记数目相关。
通常,编码盘上的光学标记数越多,输出脉冲数就越多,从而实现更精确的位置测量。
此外,光电编码器还可通过增量编码或绝对编码方式进行测量。
二、构造光电编码器通常由光学系统、编码盘、信号处理电路和接口电路组成。
光学系统包括光源和光电传感器,用于发射和接收光线。
编码盘作为测量对象,用于生成光学标记。
信号处理电路负责对光电传感器输出的脉冲信号进行处理和解码。
接口电路用于将处理后的信号输出给外部设备。
光电编码器的结构形式主要有旋转式和直线式两种。
旋转式编码器适用于旋转轴测量,常见的有光栅编码器和光学电子编码器。
直线式编码器适用于直线位移测量,常见的有线性光栅编码器和直线电子编码器。
三、应用光电编码器在工业控制、机械加工、自动化系统等领域中有广泛的应用。
1. 位置测量:光电编码器可用于测量机械设备的旋转角度或线性位移,例如机床的进给系统、机器人的关节角度等。
其高精度和稳定性使得测量结果可靠准确。
2. 运动控制:光电编码器可作为反馈装置用于闭环控制系统中,实现对机械设备运动的精确控制。
通过实时监测位置变化,可以对运动过程进行调整和优化,提高生产效率。
3. 位置校准:光电编码器可在传感器灵敏度高、分辨率高的情况下,对其他传感器的测量结果进行校准。
例如,在无人驾驶领域中,光电编码器可用于对雷达或摄像头的测量结果进行校准,提高车辆的定位准确性。
4. 导航系统:光电编码器可用于导航系统中船舶、飞行器等航行过程的航向或航行距离的测量。
光电编码器的工作原理和应用电路1 光电编码器的工作原理光电编码器(Optical Encoder)俗称“单键飞梭”,其外观好像一个电位器,因其外部有一个可以左右旋转同时又可按下的旋钮,很多设备(如显示器、示波器等)用它作为人机交互接口。
下面以美国Greyhill公司生产的光电编码器为例,介绍其工作原理及使用方法。
光电编码器的内部电路如图1所示,其内部有1个发光二极管和2个光敏三极管。
当左右旋转旋钮时,中间的遮光板会随旋钮一起转动,光敏三极管就会被遮光板有次序地遮挡,A、B相就会输出图2所示的波形;当按下旋钮时,2、3两脚接通,其用法同一般按键。
当顺时针旋转时,光电编码器的A相相位会比B相超前半个周期;反之,A相会比B相滞后半个周期。
通过检测A、B两相的相位就可以判断旋钮是顺时针还是逆时针旋转,通过记录A或B相变化的次数,就可以得出旋钮旋转的次数,通过检测2、3脚是否接通就可以判断旋钮是否按下。
其具体的鉴相规则如下:1.A为上升沿,B=0时,旋钮右旋;2.B为上升沿,A=l时,旋钮右旋;3.A为下降沿,B=1时,旋钮右旋;4.B为下降沿,A=O时,旋钮右旋;5.B为上升沿,A=0时,旋钮左旋;6.A为上升沿,B=1时,旋钮左旋;7.B为下降沿,A=l时,旋钮左旋;8.A为下降沿,B=0时,旋钮左旋。
通过上述方法,可以很简单地判断旋钮的旋转方向。
在判断时添加适当的延时程序,以消除抖动干扰。
2 WinCE提供的驱动模型WinCE操作系统支持两种类型的驱动程序。
一种为本地驱动程序,是把设备驱动程序作为独立的任务实现的,直接在顶层任务中实现硬件操作,因此都有明确和专一的目的。
本地设备驱动程序适合于那些集成到Windows CE平台的设备,诸如键盘、触摸屏、音频等设备。
另一种是具有定制接口的流接口驱动程序。
它是一般类型的设备驱动程序。
流接口驱动程序的形式为用户一级的动态链接库(DLL)文件,用来实现一组固定的函数称为“流接口函数”,这些流接口函数使得应用程序可以通过文件系统访问这些驱动程序。
目录一、旋转电机与GTHD (2)1、光电编码器 (2)2、旋转电机参数 (3)3、初始化配置流程 (5)4、驱动器调试流程 (11)一、模拟量(速度)控制模式 (11)二、脉冲(位置)模式控制 (16)二、直线电机与GTHD (20)1、光栅尺 (20)2、直线电机参数 (20)3、初始化配置流程 (23)4、驱动器调试流程 (24)一、模拟量(速度)控制模式 (24)二、脉冲(位置)模式控制 (29)备注 (32)一、旋转电机与GTHD1、光电编码器使用普通旋转伺服电机(交流永磁伺服旋转电机)需要用到光电编码器(一种反馈器件,提供位置、速度等信息),光电编码器有两种---增量式编码器和绝对式编码器。
两者的区别在于前者只能知道相对于上电位置的相对位置,后者可以知道当前的绝对位置(位置唯一)。
一般旋转伺服电机都会使用到增量式编码器,说到编码器就需要知道编码器的一项重要性能指标---分辨率(mencres,单位:LRP。
也叫刻线数),也可以用每转脉冲数表示。
电机光电编码器的分辨率有下列几种,10进制的有2000/5000/10000,二进制的有1024/2048/4096/8192。
编码器计数是通过A、B两项信号的信号沿得到的,一个周期内有四个沿,所以每转脉冲数等于分辨率乘以四,而A、B两项信号相差90度。
A64200.51 1.52 2.53 3.54B64200.51 1.52 2.53 3.542、旋转电机参数使用编码器时需要用到下面几个参数:名称GTHD内参数名称反馈类型feedbacktype分辨率mencres接线类型menctypefeedbacktype的值须与电机实际反馈类型(接线方式)相符,对于增量式光电编码器反馈,该值设为 2menctype的值跟接线有关,主要看有没有接I(index)向和Halls (霍尔:确定转子位置,从而知道输入电流状态)信号。
大多数旋转电机都是带有I向和Halls信号,所以menctype值设为0,而不带Halls 信号的menctype值设为2,这个时候就需要会用到一种代替Halls信号作用的寻找转子的软件方式phasefind(驱动器第一次上伺服时会自动寻找,不断电情况下一般不需要再次寻找,除非电机飞车)。
库伯勒编码器技术手册库伯勒编码器是数字电子设备中常用的一种传感器,用于将旋转或线性运动转换为数字信号。
本手册旨在介绍库伯勒编码器的原理、种类、应用以及安装和调试方法。
I. 原理及分类库伯勒编码器基于光电、电磁或霍尔效应等原理工作。
其中最常见的类型为光电编码器和磁性编码器。
1. 光电编码器光电编码器通过光电传感器和光栅来测量运动。
光栅通常由透明和不透明的标记组成,光电传感器则可以检测到光栅上光线的变化,进而转换为电信号。
光电编码器具有高分辨率、精确度高等优点。
2. 磁性编码器磁性编码器利用磁性材料和传感器来测量运动。
通常由精密的磁性标记和霍尔传感器组成。
磁性编码器具有较高的稳定性和耐用性,适用于恶劣环境条件下的应用。
II. 应用领域库伯勒编码器广泛应用于各个领域,例如:1. 机械加工库伯勒编码器用于CNC机床、车床和磨床等机械加工设备中,用于控制运动的精度和速度。
通过与数控系统的配合,可以实现高精度加工。
2. 机器人技术库伯勒编码器在机器人技术中发挥着重要作用。
它可以精确检测机器人的关节角度和位置,从而实现精确的运动和控制。
3. 自动化系统在自动化系统中,库伯勒编码器用于测量和控制各种设备的位置、速度和加速度。
例如,常用于电梯、输送带、自动门等系统中,确保安全和效率。
4. 医疗设备库伯勒编码器应用于医疗设备中,例如手术机器人、医学成像设备等。
它可以提供精确的位置和运动信息,帮助医生进行精细操作或诊断。
III. 安装与调试正确的安装和调试对于库伯勒编码器的正常运行至关重要。
以下是一些建议和步骤:1. 安装确保库伯勒编码器与被测量的运动装置正确连接,避免摩擦和松动。
根据具体类型选择合适的安装方式,例如夹紧安装、板式安装等。
2. 供电与信号连接库伯勒编码器通常需要外部供电,并通过信号线与控制系统连接。
确保供电电压和信号电平的匹配,并正确连接接线端子。
3. 调试在启动之前进行调试是必要的。
使用示波器或编码器测试设备,检查输出信号的稳定性和准确性。
编码器调试注意事项
在编码器送电之前查线时首先注意编码器电源线8、12端子的所接电源的正负,当电源极性接反后会造成编码器损坏,其次确保编码器1、3端子即A、B信号的输出接线不能与地线和PLC输出24V电源负端短接,如果出现A、B信号与电源负短接,会造成相应的通道损坏(编码器内部相应通道中的电阻烧坏),在之后进行FM350-1计数测试时会发现编码器只有在朝一个方向旋转时,FM350-1才能计数但计数不能累加,比如正向计数时计数值只能在0和1之间来回跳动,当编码器反转时FM350不能计数。
根据现场分析判断编码器通道结构大概为:
如图所示当B与24V-或GND短接时,在编码器旋转时FM350-1模块将不能接收到由B通道送出的高低电平信号,同时编码器内部B 通道的光敏二极管接通,造成B通道的限流电阻烧坏。
光电编码器的工作原理和应用电路1 光电编码器的工作原理光电编码器(Optical Encoder)俗称“单键飞梭”,其外观好像一个电位器,因其外部有一个可以左右旋转同时又可按下的旋钮,很多设备(如显示器、示波器等)用它作为人机交互接口。
下面以美国Greyhill公司生产的光电编码器为例,介绍其工作原理及使用方法。
光电编码器的内部电路如图1所示,其内部有1个发光二极管和2个光敏三极管。
当左右旋转旋钮时,中间的遮光板会随旋钮一起转动,光敏三极管就会被遮光板有次序地遮挡,A、B相就会输出图2所示的波形;当按下旋钮时,2、3两脚接通,其用法同一般按键。
当顺时针旋转时,光电编码器的A相相位会比B相超前半个周期;反之,A相会比B相滞后半个周期。
通过检测A、B两相的相位就可以判断旋钮是顺时针还是逆时针旋转,通过记录A或B相变化的次数,就可以得出旋钮旋转的次数,通过检测2、3脚是否接通就可以判断旋钮是否按下。
其具体的鉴相规则如下:1.A为上升沿,B=0时,旋钮右旋;2.B为上升沿,A=l时,旋钮右旋;3.A为下降沿,B=1时,旋钮右旋;4.B为下降沿,A=O时,旋钮右旋;5.B为上升沿,A=0时,旋钮左旋;6.A为上升沿,B=1时,旋钮左旋;7.B为下降沿,A=l时,旋钮左旋;8.A为下降沿,B=0时,旋钮左旋。
通过上述方法,可以很简单地判断旋钮的旋转方向。
在判断时添加适当的延时程序,以消除抖动干扰。
2 WinCE提供的驱动模型WinCE操作系统支持两种类型的驱动程序。
一种为本地驱动程序,是把设备驱动程序作为独立的任务实现的,直接在顶层任务中实现硬件操作,因此都有明确和专一的目的。
本地设备驱动程序适合于那些集成到Windows CE平台的设备,诸如键盘、触摸屏、音频等设备。
另一种是具有定制接口的流接口驱动程序。
它是一般类型的设备驱动程序。
流接口驱动程序的形式为用户一级的动态链接库(DLL)文件,用来实现一组固定的函数称为“流接口函数”,这些流接口函数使得应用程序可以通过文件系统访问这些驱动程序。
版次 1.0 XDR门机系统方法分类编号关连一、适用范围:安装调试阶段电梯,XDR门机系统,且采用安装调试用SANN小键盘(SANN使用说明详见附件)。
二、适用人员:安装调试人员。
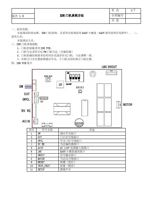
三、XDR门机系统搭配1、门机控制板采用XDR PCB。
2、门机马达采用吉亿PM门机马达(含编码器)3、门机机械结构基本沿用同步式或异步式门机,寸法调整一致。
4、在轿门门头位置新增感应开关,于门机关闭时修正门机位置。
四、XDR PCB简介LMC SWOUTMOTOR项次符号名称用途1 SW 感应开关接口2 CUT 门止信号线接口3 OPCL 开关门信号线接口4 5V RE 马达编码器接口5 ACIN AC 110V电源输入线接口6 LMC SANN小键盘通讯接口7 SWOUT 信号输出接口8 MOTOR 马达动力线接口9 RESET 按键(复位)10 TRIP_TEST 按键(测试)11 SETUP 拨键开关版次 1.0 小键盘调试PM马达门机系统方法分类编J=L号关连五、安装调试作业步骤1、确认以下接线已完成:(1)门机马达线接XDR PCB的MOTOR接口。
(2)感应开关线接XDR PCB的SW接口,棕、蓝、黑分别对应接SW的1、2、3脚。
(3)SANN小键盘数据线上的9 PIN绿色公头接口接XDR上编码器接线接口 5V RE。
(XDR PCB为B1版)(4)编码器线接SANN小键盘数据线上的9 PIN绿色母头接口。
(XDR PCB为B1版)若XDR PCB为B2版及以上时,步骤(3)、(4)免除,直接将编码器线接到5V RE上即可。
(5)SANN小键盘数据线上的黑色圆头接口接XDR的LMC接口。
2、拆除OPCL和CUT接口上的接线。
3、门机编码器规格设定确认:(1)采用光电编码器时,SETUP的PIN 4拨OFF。
(2)采用此编码器时,SETUP的PIN 4拨ON。
编码器规格门机马达外壳颜色SETUP的DIP 4设定光电编码器(2500线)蓝OFF磁编码器(1024线)黑八、、ON若改变DIP4之设置,需按RESET按键复归一次。
编码器原理、霍尔应⽤原理、调整步骤三个⽅⾯进⾏解读编码器调试电机中若具备电⼦铭牌功能,在应⽤中就可以直接使⽤,不需要需要调整编码器;如雷赛交流伺服电机具有电⼦铭牌功能,能⾃动识别电机型号,参数并对应匹配参数就能发挥伺服优异性能。
若不具备电⼦铭牌功能的电机,则需要调整编码器和电⾓度。
那么,这类伺服电机如何选择及调整编码器以适配⾼低压交流伺服驱动呢?下⾯我们以雷赛LD5系列伺服为例,通过编码器原理、霍尔应⽤原理、调整步骤三个⽅⾯进⾏解读:⼀、编码器原理编码器的种类有很多种,输出的信号形式也有很多种,⽬前主要使⽤的为光电编码器,输出信号形式为脉冲⽅式,其原理如下图1图1光电码盘安装在电机轴上,其上有环形通、暗的刻线。
通过LED发射光源,多组光耦器件矩阵排列提升信号稳定性,并通过接受光源的强弱,内部进⾏⽐较输出A、B两路信号。
A、B信号相差90度相位差。
另外每转输出⼀个Z相脉冲以代表零位参考位。
由于A、B两相相差90度,可通过⽐较A相在前还是B相在前,以判别编码器的正转与反转。
为增加编码器信号长线传输的稳定性,A、B、Z信号输出时经差分输出以增加信号稳定性。
光电编码器的霍尔信号U、V、W其产⽣原理与A、B信号基本⼀致。
⽆刷或低压伺服也有通过磁环及霍尔元件来产⽣霍尔信号。
⼆、霍尔应⽤原理2、运⾏演⽰(为⽅便理解,⽤⼀对极电机作图)第⼀:判断转⼦位置图2如图2,编码器读数头获得的霍尔U、V、W信号将转⼦位置划分为6个区域,霍尔信号如下表如图3所⽰,转⼦位于0-60°位置,则定⼦给出⼀与30°位置垂直的磁场使之旋转,如下图:图3此磁场⽅向初始⼀直保持不变,直⾄遇到第⼀个霍尔上升下降沿,便进⾏改变,如图4:图4从此以后便根据A、B信号判断转⼦位置,使定⼦磁场⼀直保持与转⼦磁场垂直。
三、调试步骤1、定义电机绕组U、V、W电机绕组U、V、W反电动势需满⾜U超前V超前W。
⽤⽰波器测量电机三相绕组的反电动势波形,得到如下波形图5:图5则可定义黄⾊波形所对应绕组为U,蓝⾊波形所对应绕组为V,红⾊波形所对应绕组为W。
解决PLC调试中的编码器反馈问题在工业自动化领域,PLC(可编程逻辑控制器)被广泛应用于控制系统中,以实现设备的自动化操作。
而编码器作为一种常用的位置反馈元件,为PLC系统提供准确的位置信息。
然而,在PLC调试过程中,编码器反馈问题可能会导致系统运行异常或者无法实现精准控制。
本文将探讨解决PLC调试中的编码器反馈问题的方法与技巧。
一、检查电气连接编码器与PLC之间的电气连接是影响反馈信号质量的关键因素之一。
首先,确保编码器的供电电源正常,检查电源线是否接触良好。
其次,检查编码器的信号线,确保编码器信号线与PLC的输入口正确连接。
同时,应使用屏蔽线或者编码器专用连接线,以减少干扰和噪声对反馈信号的影响。
二、正确配置PLC参数在PLC中,正确配置相关参数是解决编码器反馈问题的关键步骤。
首先,确认所使用的编码器类型,比如增量式编码器或者绝对式编码器,并在PLC中选择相应的编码器类型。
其次,设置PLC输入口的采样频率,确保能够满足编码器信号的采样要求。
另外,还需要根据编码器的分辨率设置PLC输入口的计数器范围,以保证编码器的反馈信号能够被准确识别和处理。
三、调试编码器信号在PLC调试过程中,经常需要对编码器信号进行调试和优化,以确保反馈信号的稳定性和准确性。
首先,可以通过示波器或者多功能仪表观测编码器信号的波形,检查是否存在噪声或者干扰。
如果存在干扰,可以通过增加滤波器或者减小编码器与干扰源的距离来减少干扰。
其次,可以通过调整编码器的反馈频率或者改变编码器的输出格式来进一步优化反馈信号。
此外,还可以在PLC中使用额外的编码器模块来实现信号的处理和滤波。
四、故障排除与维护在PLC调试过程中,如果仍然存在编码器反馈问题,应及时进行故障排除与维护。
首先,检查编码器本身是否存在故障,可以通过更换编码器或者使用替代的编码器进行测试和比较。
其次,检查PLC输入口是否正常工作,可以通过连接其他信号源进行测试。
此外,还可以考虑检查编码器的供电电源和信号线路是否存在故障,并及时修复或更换。
编码器(profibus-DP接口)与PLC连接与调试
连接:
1.编码器通过总线连接在Simens PLC的DP输入口。
总线的A(绿)、B (红)分别连接在编码器的两个DP入线端子上。
2.在任何时间均不能在编码器带电情况下,将编码器主体(编码器前端)与接线部分(编码器后端)分开和结合,也就是说编码器不支持热拔插,调试:
1.编码器后部端盖有8个DIP开关,第1位为改变编码器编码方向,第8到第2位是编码器地址位,8为高位2为低位且为标准2进制编码。
例如:上为ON,ON=1 ,黑色为1,白色为0,0010000即10000,
ON
地址位为16。
2.组态时Prifibus编码器共有四种工作方式,请选择class 2Multiturn 工作方式,存储编译,下传至PLC。
3.编码器后部有两个指示灯,绿灯为电源指示灯,编码器供电后保持常亮,红灯为Bus报警灯,在编码器故障、组态错误时亮起(在未组态和编码器准备运行时此灯也会亮),在编码器正常工作后,红灯会自动熄灭。
一、编码器专业术语1、线:编码器光电码盘的一周刻线。
①增量式编码器:10线、100线、2500线,主要码盘能刻下,可任意选数;②绝对式编码器:因格雷码的编排方式,决定其基本是2N线:256线、1024线、8192线,但也有特别的格雷余码输出的:360线、720线、3600线。
2、位:绝对式编码器通常是用2N线输出的,所以大部分绝对式编码器也用“位”表达,当然对格雷余码输出的360线、720线、3600线例外;增量式编码器也有用“位”表示的,如15位、17位,通过内部细分,将计算的线数倍增后,一般大于10000线,就用“位”表达。
3、分辨率:编码器可以分辨的最小角度。
一般计算360°/刻线数,目前大部分就用多少线来表达。
但对于增量式编码器,如用上A/B两相的四倍频,2500线实际分辨率为360°/10000。
如果内部细分计算的“线”可以更多,达到15位、17位。
所以通常增量式编码器用“线”表达,表示还没有倍频细分;用“位”来表达,表示已经细分过了。
高分辨率并不代表高精度。
对于实际的码盘刻线,绝对式编码器分辨率可以达到增量式编码器的两倍,但如果采用倍频技术,增量式编码器分辨率又可大于绝对式编码器。
细分倍频是电气模拟技术,并不改善精度,精度是由码盘刻线、轴的机械安装及电气的响应综合因素决定的。
分辨率,增量式可以做的更高,但是精度就是绝对式的高,因为它不受停电、干扰、速度、电气响应的影响的,尤其在高速高精的条件下,倍频细分是无法满足要求。
4、增量式VS绝对式增量式以转动时输出脉冲,通过计数设备来检测位置。
当编码器不动或停电时,依靠计数设备的内部记忆记住位置。
这样,当停电时,编码器不能有任何的移动;当来电工作时,编码器在输出脉冲的过程中,也不能有任何的干扰而丢失脉冲。
否则,计数设备记忆的零点就会发生偏移,而且这种偏移量是无从知道的,只有产生错误的结果后才知道。
解决的办法是增加参考点,编码器每经过参考点,将参考位置修正进计数设备的记忆位置。