PCS-921断路器保护
- 格式:ppt
- 大小:1.45 MB
- 文档页数:46
ZL_FZBH5111.0908PCS-921G断路器失灵保护及自动重合闸装置技术和使用说明书符合《线路保护及辅助装置标准化设计规范》标准要求南瑞继保电气有限公司版权所有R1.01本说明书和产品今后可能会有小的改动,请注意核对实际产品与说明书的版本是否相符。
更多产品信息,请访问互联网:版本升级说明:对保护信号的输入输出做了说明,相关定值做了标记。
目录1.概述 (1)1.1应用范围 (1)1.2保护配置 (1)1.3装置特点 (1)2.技术参数 (3)2.1机械及环境参数 (3)2.2额定电气参数 (3)2.3主要技术指标 (3)3.软件工作原理 (5)3.1保护程序结构 (5)3.2正常运行程序 (5)3.3启动元件 (6)3.4断路器失灵保护 (7)3.5死区保护回路 (7)3.6瞬时跟跳回路 (8)3.7断路器三相不一致保护 (8)3.8充电保护 (8)3.9自动重合闸 (8)3.10保护与重合闸逻辑方框图 (10)4.硬件构成 (17)4.1装置硬件框图和配置图 (17)4.2机械结构与安装 (19)4.3面板布置图 (21)4.4背板布置图 (21)4.5输入输出定义 (22)4.6各插件简要说明 (23)5.定值内容及整定说明 (32)5.1通讯参数及整定说明 (32)5.2设备参数定值 (33)5.3保护定值及整定说明 (33)5.4功能软压板定值 (35)5.5GOOSE软压板定值 (36)5.6描述定值 (36)6.使用说明 (38)6.1指示灯说明 (38)6.2液晶显示说明 (38)6.3命令菜单使用说明 (40)6.4装置的运行说明 (43)7.调试大纲 (45)7.1试验注意事项 (45)7.2交流回路校验 (45)7.3输入接点检查 (45)7.4整组试验 (45)7.5输出接点检查 (47)7.6GOOSE调试大纲 (48)11.概述1.1 应用范围本装置适用于220KV 及以上电压等级的211结线与角形结线的断路器,符合国家电网公司颁布的《线路保护及辅助装置标准化设计规范》要求。
RCS-921A断路器保护运行规程1 范围本规程规定了RCS-921A断路器保护装置基本技术要求、运行方式、设备运行的监视及检查与操作、设备故障及事故处理等内容。
2 装置配置、性能、技术参数、主要技术指标及面板说明2.1 保护配置RCS-921A 是由微机实现的数字式断路器保护与自动重合闸装置,装置功能包括断路器失灵保护、三相不一致保护、死区保护、充电保护和自动重合闸。
2.2 保护性能特征2.2.1 装置具有失灵保护功能,分为故障相失灵、非故障相失灵和发、变三跳起动失灵三种情况。
2.2.2 装置具有三相不一致保护功能,当断路器某相断开,线路上出现非全相时,可经三相不一致保护回路延时跳开三相,三相不一致保护功能可由控制字选择是否经零序或者负序电流开放。
2.2.3 装置具有死区保护功能,某些接线方式下(如断路器在TA 与线路之间)TA与断路器之间发生故障时,虽然故障线路保护能快速动作,但在本断路器跳开后,故障并不能切除。
此时死区保护将以较短时限动作。
死区保护出口回路与失灵保护一致,动作后跳相邻断路器。
2.2.4 装置具有充电保护功能,当向故障母线(线路)充电时,可及时跳开本断路器。
2.2.5 装置具有一次自动重合闸功能。
能实现综合重合闸方式、单相重合闸方式、三相重合闸方式及停用方式。
重合闸起动方式有两种,一是由线路保护跳闸起动重合闸;二是由跳闸位置起动重合闸。
结线线路同一侧的两台重合装置的重合顺序可切换,后合侧延迟时间可整定,先重合开关合于故障时,后2.2.6 合重合闸装置立即闭锁并发三跳命令。
当先合重合闸因故检修或者退出运行时,后合重合闸将以重合闸整定时限动作,而不经过后合侧延迟时间。
2.3 技术参数2.3.1 机械及环境参数机箱结构尺寸:482mm×177mm×291mm;嵌入式安装正常工作温度:0~40℃极限工作温度:-10~50℃贮存及运输: -25~70℃2.3.2 额定电气参数直流电源:220V,110V 允许偏差: +15%,-20%交流电压: 100/3(额定电压Un)交流电流:5A,1A (额定电流In)频率:50Hz/60Hz过载能力:电流回路:2倍额定电流,连续工作10倍额定电流,允许10S40 倍额定电流,允许1S电压回路:1.5 倍额定电压,连续工作功耗:交流电流:<1VA/相(In=5A)<0.5VA/相(In=1A)交流电压:<0.5VA/相直流:正常时<35W跳闸时<50W2.4 主要技术指标1)起动元件电流变化量起动元件,整定范围0.1In~0.5In零序过流起动元件,整定范围0.1In~0.5In2)过流元件整定范围: 0.1In ~20In定值误差: < 5%3)低功率因素辅助判据定值范围: 45°~90°定值误差: < ±304)失灵、死区、不一致保护动作时间: 0.01 ~ 10S5)检同期角度定值范围: 0°~ 90°定值误差: < ±3°2.5 装置面板说明:2.5.1 信号灯:面板设有“运行”绿灯,在装置正常运行时点亮,当装置故障时熄灭。
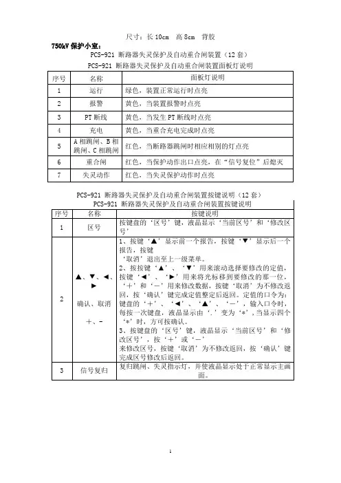
尺寸:长10cm 高8cm 背胶750kV保护小室:PCS-921 断路器失灵保护及自动重合闸装置(12套)PCS-921 断路器失灵保护及自动重合闸装置面板灯说明序号名称面板灯说明1 运行绿色,装置正常运行时点亮2 报警黄色,当装置报警时点亮3 PT断线黄色,当发生PT断线时点亮4 充电黄色,当重合充电完成时点亮5 A相跳闸、B相跳闸、C相跳闸红色,当断路器跳闸时相应相别的灯点亮6 重合闸红色,当保护动作出口点亮,在“信号复位”后熄灭7 失灵动作红色,当失灵保护动作时点亮PCS-921 断路器失灵保护及自动重合闸装置按键说明(12套)PCS-921 断路器失灵保护及自动重合闸装置按键说明序号名称按键说明1 区号按键盘的‘区号’键,液晶显示‘当前区号’和‘修改区号’2 ▲、▼、◄、►确认、取消+、-1、按键‘▲’显示前一个报告,按键‘▼’显示后一个报告,按键‘取消’退出至上一级菜单。
2、按按键‘▲’、‘▼’用来滚动选择要修改的定值,按键‘◄’、‘►’用来将光标移到要修改的那一位,‘+’和‘-’用来修改数据,按键‘取消’为不修改返回,按‘确认’键完成定值整定后返回。
定值的口令为:键盘的‘+’、‘◄’、‘▲’、‘-’,输入口令时,每按一次键盘,液晶显示由‘.’变为‘*’,当显示四个‘*’时,方可按确认。
3、按键盘的‘区号’键,液晶显示‘当前区号’和‘修改区号’,按‘+’或‘-’来修改区号,按键‘取消’为不修改返回,按‘确认’键完成区号修改后返回。
3 信号复归复归跳闸、失灵指示灯,并使液晶显示处于正常显示主画面。
CSC-121A数字式综合重合闸及断路器辅助保护装置面板灯说明(12套)CSC-121A数字式综合重合闸及断路器辅助保护装置面板灯说明序号名称面板灯说明1 运行绿色,装置正常运行时点亮2 重合闸红色,重合闸动作时点亮3 失灵红色,失灵保护动作时点亮4 非全相红色,当非全相保护动作时灯亮5 充电保护黄色,充电保护动作时亮6 充电满黄色,合闸充满电后亮7 告警红色,有装置故障告警时装置面板告警灯闪亮,有运行异常时装置面板告警灯常亮,不闭锁保护出口。
RCS-921A断路器失灵保护及⾃动重合闸装置整定说明RCS-921A断路器失灵保护及⾃动重合闸装置整定说明1、装置参数定值1.1 定值区号:整定:现场整定。
说明:保护定值有30套可供切换,装置参数不分区,只有⼀套定值。
1.2 通信地址整定:现场整定说明:指后台通信管理机与本装置通信的地址。
1.3 串⼝1波特率整定:现场整定说明:只可在所列波特率数值中选其⼀数值整定1.4 串⼝2波特率整定:现场整定说明:只可在所列波特率数值中选其⼀数值整定1.5 打印波特率整定:现场整定说明:只可在所列波特率数值中选其⼀数值整定1.6 调试波特率整定:现场整定说明:只可在所列波特率数值中选其⼀数值整定1.7 系统频率整定:50Hz说明:⼀次系统频率。
1.8 电压⼀次额定值或或kV=317.55kV整定:说明:(1)整定值为⼀次系统中电压互感器原边的额定电压值;(2)电压互感器原边电压⼀般有500kV、525kV和550kV等⼏类,因此要按实际情况整定。
装置级整定计算程序提供了保护安装处PT⼀次侧额定电压。
整定:57.73V说明:整定值为⼀次系统中电压互感器副边的额定电压值。
本装置固定为57.73V。
1.10 电流⼀次额定值整定:按实际整定说明:(1)整定值为⼀次系统中电流互感器原边的额定电流值;(2)根据实际情况整定。
装置级程序提供了保护安装处CT侧⼀次额定电流。
1.11 电流⼆次额定值整定:1A或5A说明:整定值为⼀次系统中电流互感器副边的额定电流值,具体值见保护说明书。
1.12 ⼚站名称整定:现场整定说明:可整定汉字区位码(12位),或ASCII码(后6位),装置将⾃动识别,此定值仅⽤于报⽂打印。
1.13 ⽹络打印⽅式整定:现场整定说明:需要使⽤共享打印机时置为“1”,否则置为“0”。
使⽤共享打印机指的是多套保护装置共⽤⼀台打印机打印输出,这时打印⼝应设置为RS-485⽅式(参见4.6.5通信插件说明),经专⽤的打印控制器接⼊打印机;⽽使⽤本地打印机时,应设置为RS-232⽅式,直接接⾄打印机的串⼝。
断路器保护装置及二次回路全部检验报告
第一部分:试验准备
1、试验性质:新安装
第二部分:保护装置试验
5.1保护开入接点检查
分别投退保护投入硬压板,按打印和信号复归按钮,并用+110V电源短接其它开
6、模数变换系统检验:
从端子排通入额定三相正序交流电压和三相正序交流电流,设定电压超前电流分°°
7、整组功能试验及定值检验
7.1 跟跳本开关功能
7.2.1 分相启动失灵
7.2.2 保护三跳失灵经零序
°
失灵保护相电流定值=0.24A,死区保护时间定值=0.1S,跳本断路器时间=0.13S,
7.5.1三相不一致保护经零序开放
8 信号回路检查
13 80%额定电压下操作传动试验
关,装置无异常。
结果:
15 投运前定值核对
结果: 核对人签名:
16 全面检查交流电流电压回路、保护压板、安全措施恢复情况结果: 检查人签名:
17 试验中更换备品备件及发现问题:
18 安评技术监控问题整改:
19 结论:
20 带负荷采样
21.2 交流电压、电流相序检查。
PCS-9621站用变保护测控装置应用概述PCS-9621适用于110kV以下电压等级的非直接接地系统或小电阻接地系统中的站用变或接地变的保护及测控装置。
可组屏安装,也可在开关柜就地安装。
该保护装置可实现对断路器、隔离刀闸的分/合操作;同时能够对保护对象间隔单元的电压、电流、功率等进行实时测量。
可以和监控系统进行通讯;通讯规约可选择IEC 60870-5-103 或IEC 61850。
WP:过潦速断保护51P;定时限过逬保护50G:零序过瀛速祈保护MG:定时限零序过就保沪5IQ:定时0乂负序迢流懈护B4HV:高质讷整地保护64LV:低圧仁接地滋护VCE宜压闭锁兀件UR 菲电:?保护FR:故隔玻波52:断路器分合控制数字化变电站功能IEC60044-8接口协议,借助多模光纤由合并单元引入电装置提供电子式互感器接口,支持压量和电流量合并单元传入的电压电流量的采样速率为4k/s或者5k/s支持IEC-61850通讯规约保护功能三段复合电压闭锁过流保护高压侧正序反时限保护过负荷报警两段定时限负序过流保护:其中I段用作断相保护,n段用作不平衡保护高压侧接地保护:三段定时限零序过流保护(其中零序I段两时限,零序皿段可整定为报警或跳闸)、零序过压保护、支持网络小电流接地选线低压侧接地保护:三段定时限零序过流保护、零序反时限保护低电压保护非电量保护:重瓦斯跳闸、轻瓦斯报警、超温跳闸或报警、一路备用非电量跳闸、一路备用非电量跳闸或报警闭锁简易母差GOOSE输岀功能。
独立的操作回路及故障录波测控功能11路自定义遥信开入lam、Ibm、Icm、10、UA、UB、UC、UAB、UBC、UCA、U0、f、P、Q、CO邱共15 个遥测量一组断路器遥控分/合(选配方式至多可提供五组遥控)事件SOE记录等PCS-9600系列保护测控装置通用技术参数1电气参数1.1直流电源输入1.2交流电流输入1.3交流电压输入1.4开关量输入1.5开关量输出2环境条件参数3通信接口参数3.1.1 EIA-485接口3.1.2以太网接口3.1.3打印接口3・1・4对时接口4机械结构246 7410 10226 004-07.58r*安装开孔尺寸机械尺寸(宽X高X深)225 00mm x 177 00mm x 223 80mm (1/2 4U机箱)安装开孔尺寸(宽X高)226 00mm x 178 00mm , M厲丝(1/2 4U机箱)颜色银灰防护等级按IEC60529:前面板IP」0、箱体侧而IP30、后面板IP20 污染寺级二级机械尺寸和开孔尺寸如下图所示:5型式试验参数5.1大气环境试验5.2机械试验5.3电气绝缘性能5.4电磁兼容试验6管理功能参数6.1测量计量等级6.2控制性能参数6.3时钟性能参数64故障录波功能2003-09609N3 ^002 k0L0L9N3 %羽/£乙佗/令界fig咽寿融#["] 000SC9209N3 9耳耳9££,68令算關观逞粪袈申〔90】恶笊両韋羽谴羽H期知漑1 INNO [90] 想¥1连刺备具葛灘oo乙SLOOLOSi [roJ 亚Y1裂呂奋昌手岳碧珈IF舱666L LOO0LS\/SHO[£O]亚Y1银毀韶易鄭000乙LOOtnOSI(301 UYl報洱歪昌喜勿000乙L0060SI [to]。
编号:Q/×××变电站线RCS-921断路器保护全部检验作业指导书(试行)作业负责人:作业日期年月日时至年月日时华北电网有限公司前言为进一步加强京津唐电网继电保护校验工作的规范性、标准化,强化继电保护现场安全管理,决定编制本作业指导书。
通过作业指导书,把继电保护现场工作做实、做细并进行优化,使现场工作可控、在控,以减少现场工作发生失误的概率,从而有力地保证电网的稳定运行。
此次编写工作,由华北电力调度局统一组织,由华北电力科学研究院及京津唐电网各供电单位参加。
在编写格式和规则上以《电力企业标准编制规则》(DL/T800-2001)为基础,并参照国家电网公司下发的标准化作业指导书(范本)。
本作业指导书的附录A、附录B及附录C、分别为保护装置的主要技术参数、试验报告及现场工作安全技术措施,是本作业指导书不可分割的部分,具有与本指导书相同的效力。
本作业指导书由华北电网有限公司提出,由京津唐电网继电保护作业指导书编写工作组负责编写。
本作业指导书由华北电力调度局负责解释。
本作业指导书起草人:刘宇、郝建勋。
本作业指导书审核人:刘继平。
本作业指导书自发布之日起执行。
1范围1.1本作业指导书适用于RCS-921断路器保护装置的检验作业。
1.2作业目的是对RCS-921断路器保护装置运行过程中的周期性全部检验。
2引用文件下列标准及技术资料所包含的条文,通过在本作业指导书中的引用,而构成为本作业指导书的条文。
本作业指导书出版时,所有版本均为有效。
所有标准及技术资料都会被修订,使用本作业指导书的各方应探讨使用下列标准及技术资料最新版本的可能性。
2.1 DL 408-91《电业安全工作规程》(发电厂和变电所电气部分)2.2 GB 7261-2001《继电器及继电保护装置基本试验方法》2.3 GB 14285-93《继电保护和安全自动装置技术规程》2.4 GB/T 15145-2001《微机线路保护装置通用技术条件》2.5 DL 478-2001《静态继电保护及安全自动装置通用技术条件》2.6 DL/T 559-94 220--500kV《电网继电保护装置运行整定规程》2.7 DL/T 624-1997《继电保护微机型试验装置技术条件》3修前准备3.1准备工作安排3.2人员要求3.3备品备件3.4工器具3.5材料3.6危险点分析3.7安全措施3.8人员分工4RCS-921断路器保护全部校验流程图负责人签字:5作业程序和作业标准(试验记录见附录A) 5.1开工5.2检修电源的使用5.3检修内容和工艺标准5.4竣工6验收记录7作业指导书执行情况评估附录 A附录 B(资料性附录)附录 C设备主要技术参数附录 D附录 E(资料性附录)附录 F RCS-921断路器保护全部检验试验报告F.1所需仪器仪表F.2保护屏后接线、插件外观检查及压板线检查F.3绝缘测试F.4定值核对及键盘、面板检查F.5软件版本F.6模拟量输入检查F.6.1零漂检验电流:允许范围±0.1A(额定电流为1A)F.6.2电流精度测试F.7保护开入检查F.8开出量检查结合保护传动进行检查F.9整组试验直流电源额定电压下带断路器传动,交流电流必需从端子排上通入试验,整组试验应包括本保护的全部保护装置,以检验本保护所有保护装置的动作的正确性,同时按保护展开图的要求,对保护直流回路上的各分支回路(包括直流控制回路、保护回路、出口回路、信号回路及遥信回路)进行认真的传动,检查各直流回路接线的正确性(联跳回路压板必需全部取下)。
ZL_FZBH5111.0908PCS-921G断路器失灵保护及自动重合闸装置技术和使用说明书符合《线路保护及辅助装置标准化设计规范》标准要求南瑞继保电气有限公司版权所有R1.01本说明书和产品今后可能会有小的改动,请注意核对实际产品与说明书的版本是否相符。
更多产品信息,请访问互联网:版本升级说明:对保护信号的输入输出做了说明,相关定值做了标记。
目录1.概述 (1)1.1应用范围 (1)1.2保护配置 (1)1.3装置特点 (1)2.技术参数 (3)2.1机械及环境参数 (3)2.2额定电气参数 (3)2.3主要技术指标 (3)3.软件工作原理 (5)3.1保护程序结构 (5)3.2正常运行程序 (5)3.3启动元件 (6)3.4断路器失灵保护 (7)3.5死区保护回路 (7)3.6瞬时跟跳回路 (8)3.7断路器三相不一致保护 (8)3.8充电保护 (8)3.9自动重合闸 (8)3.10保护与重合闸逻辑方框图 (10)4.硬件构成 (17)4.1装置硬件框图和配置图 (17)4.2机械结构与安装 (19)4.3面板布置图 (21)4.4背板布置图 (21)4.5输入输出定义 (22)4.6各插件简要说明 (23)5.定值内容及整定说明 (32)5.1通讯参数及整定说明 (32)5.2设备参数定值 (33)5.3保护定值及整定说明 (33)5.4功能软压板定值 (35)5.5GOOSE软压板定值 (36)5.6描述定值 (36)6.使用说明 (38)6.1指示灯说明 (38)6.2液晶显示说明 (38)6.3命令菜单使用说明 (40)6.4装置的运行说明 (43)7.调试大纲 (45)7.1试验注意事项 (45)7.2交流回路校验 (45)7.3输入接点检查 (45)7.4整组试验 (45)7.5输出接点检查 (47)7.6GOOSE调试大纲 (48)11.概述1.1 应用范围本装置适用于220KV 及以上电压等级的211结线与角形结线的断路器,符合国家电网公司颁布的《线路保护及辅助装置标准化设计规范》要求。