柱塞泵泵体加工工艺规程设计
- 格式:doc
- 大小:359.50 KB
- 文档页数:33
一、机械加工工艺规程制订任务书任务要求:考虑毛坯选择、工艺路线、采用的设备、达到精度所采用的工装和定位方法。
1. 上述制定指定零件(或零件组)的机械加工工艺规程,编制机械加工工艺卡片,选择所用机床、夹具、刀具、量具、辅具;2. 对所制定的工艺进行必要的分析论证和计算;3. 确定毛坯制造方法及主要表面的总余量;4. 确定主要工序的加工余量、工序尺寸、公差和技术要求;5. 对主要工序进行工序设计,编制合理的机械加工工艺规程卡,画出的工序简图,选择切削用量;6. 定位基准的选择,设计某一工序的夹具,绘制夹具装配图和主要零件图;7. 编写设计说明书。
二、生产纲领和生产类型(《机械制造技术基础》P253 表5-5)生产类型纲领 单件生产成批生产 大量生产小批中批大批产品类型 重型机械 <5 5~100 100~300 300~1000 >1000 中型机械 <20 20~200 200~500 500~5000 >5000 轻型机械 <100 100~500500~50005000~5000>50000计算公式N=Q*n*(1+α%)*(1+b %),零件在每台产品中的数量n=1(件/台),年产量Q=40000(件/年),废品率α%=2%,备品率β%=2%,所以N=40000×1×(1+2%)×(1+2%)=41616(件),由于精密传动柱塞属于小型零件,根据N=41616可知此柱塞的生产为大批量生产。
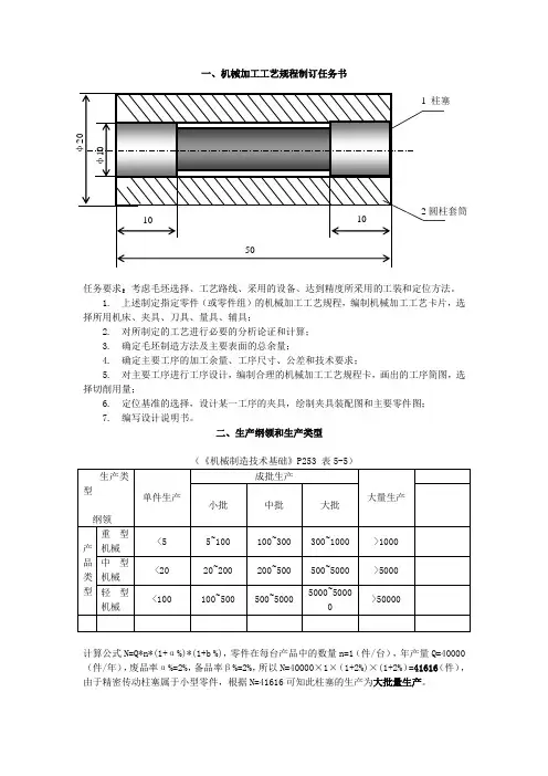
1 柱塞105010 φ20φ102圆柱套筒三、主要功用和技术要求主要功用:精密传动柱塞是应用于油泵传动的重要零部件,柱塞和柱塞套的精密程度和质量决定了该油泵的质量,因此,做好精密传动柱塞的质量是柱塞泵的质量的关键环节。
柱塞和柱塞套是一对精密偶件,经配对研磨后不能互换,要求有高的精度和光洁度和好的耐磨性,其径向间隙2~3um。
柱塞头部圆柱面上切有斜槽,并通过径向孔、轴向孔与顶部相通,其目的是改变循环供油量;柱塞套上制有进、回油孔,均与泵上体内低压油腔相通,柱塞套装入泵上体后,应用定位螺钉定位。
专业课程设计说明书(智能制造专业)(工艺/夹具部分)设计题目:泵体设计者:学号:指导教师:山东大学机械工程学院二零二一年十二月二十九日目录第1章零件分析............................................................................................ 错误!未定义书签。
1.1零件作用 ........................................................................................... 错误!未定义书签。
1.2零件的工艺分析 ............................................................................... 错误!未定义书签。
第2章确定毛坯............................................................................................ 错误!未定义书签。
2.1确定毛坯种类 ................................................................................... 错误!未定义书签。
2.2确定毛坯加工余量 ........................................................................... 错误!未定义书签。
2.3绘制毛坯图 ....................................................................................... 错误!未定义书签。
第3章工艺规程的确定................................................................................ 错误!未定义书签。
斜盘式轴向柱塞泵加工工艺流程
斜盘式轴向柱塞泵加工工艺流程包括以下步骤:
1. 材料准备:准备所需的材料,包括轴向柱塞泵的主体部件材料、轴承材料、密封材料等。
2. 零件加工:根据设计要求,对轴向柱塞泵的主体部件进行加工,包括轴承座的铣削、外筒的铣削、柱塞的车削、圆盘的车削等。
3. 零件装配:将加工好的零件进行装配,包括将柱塞安装到柱塞座上,将圆盘安装到外筒上等。
4. 密封件安装:将密封件安装到轴向柱塞泵的密封槽中,确保轴向柱塞泵能够正常密封。
5. 清洗和调试:对加工好的轴向柱塞泵进行清洗,确保零件表面的油污和杂质清除干净。
然后对轴向柱塞泵进行调试,确保其运转正常。
6. 质量检验:对加工好的轴向柱塞泵进行质量检验,检查其各项指标是否符合设计要求。
7. 包装和出厂:将加工好的轴向柱塞泵进行包装,确保其在运输过程中不受损。
然后进行出厂,准备交付给客户使用。
毕业设计说明书柱塞泵体的工艺规程及夹具设计系名:专业班级:学生姓名:学号:指导教师姓名:指导教师职称:20**年 7月 10日目录摘要、关键词......................................................1 引言...............................................................2 第一章零件的分析........................................31.1 零件的作用................................................31.2 零件的工艺分析...........................................4第二章确定毛坯、画毛坯图......................................52.1 确定毛坯种类..............................................52.2 确定铸件加工余量及形状....................................5第三章工艺规程设计............................................73.1 选择定位基准..............................................73.1.1 精基准的选择............................................73.1.2 粗基准的选择............................................83.2 制定工艺路线..............................................83.3 选择加工设备及刀、夹、量具..................................93.4 加工工序设计..............................................9第四章夹具设计................................................124.1铣夹具设计..............................................124.1铣夹具设计..............................................12结论..............................................................15致谢..............................................................16参考文献.........................................................17摘要: 在生产过程中,使生产对象(原材料,毛坯,零件或总成等)的质和量的状态发生直接变化的过程叫工艺过程,如毛坯制造,机械加工,热处理,装配等都称之为工艺过程。
1零件的工艺分析1.1 了解零件的用途柱塞泵是液压系统的一个重要装置。
它依靠柱塞在缸中往复运动,使密封工作腔的容积发生变化来实现吸油、压油。
柱塞泵具有额定压力高、结构紧凑、效率高和流量调节方便等优点,它的主要作用是运输液体、或者某些固体介质,在工业和人们日常生活中起到了很大的作用,被广泛应用于高压、大流量和流量需要调节的场合,诸如液压机、工程机械和船舶中。
1.2 零件的尺寸及技术要求分析题目所给的零件是泵体,属于箱体类零件,具有箱体类零件的结构特点,如有空腔、轴孔、凸缘、底座、肋等结构,材料为灰铸铁,可知零件为铸造毛坯通过一定的切削加工成型。
柱塞泵主要靠凸轮的旋转来推动柱塞往复运动,所以凸轮的安装正确与否,直接影响该泵的性能。
因此,安装凸轮的轴承孔中心线是泵体长度方向的主要基准,注出尺寸106、55,安装板底面作为高度方向的主要基准,注出尺寸32.、62,泵体前后基本对称,因此,前后对称中心面就是宽度方向的主要基准,注出尺寸75。
泵体上的定形、定位尺寸很多,如左端长方体的定形尺寸为54、62、Φ30H7、3,定位尺寸为106。
泵体的结构有支承、包容、联接、安装、定位和密封等功用,所以泵体上有很多接触面和配合面,从而有许多技术要求。
如Φ30H7、Φ50H7、Φ42H7孔表面粗糙度为1.6μm,其他加工面为3.2μm、6.3μm等,其余为不加工面;尺寸公差有Φ30H7、Φ50H7、Φ42H7,形位公差有垂直度公差,从这些技术要求可知Φ30H7孔以及Φ50H7、Φ42H7轴承孔加工要求较高。
另外在切削加工前需进行人工时效处理。
零件技术要求表:加工表面尺寸偏差/mm 公差/mm及精度等级表面粗糙度/μm形位公差/mmA面 3.2垂直度偏差0.015基CB面 3.2C面 3.2Φ50H70.025IT7 1.6垂直度偏差0.02基CΦ42H70.025IT7 1.6垂直度偏差0.02基CΦ30H70.021IT7 1.6圆度偏差0.01 4×Φ9孔IT112×M14螺纹孔IT7 6.33×M6螺纹孔IT74×M6螺纹孔IT7M6螺纹孔IT7经分析,该零件视图、尺寸公差和技术要求正确,完整统一。
目录一、柱塞机械加工工艺规程制订任务书二、计算生产纲领,确定生产类型三、零件主要功用与技术要求四、选择毛坯五、工艺分析六、工艺规程设计七、机械加工工艺过程卡八、机械加工工序卡片九、总结十、参考文献柱塞机械加工工艺规程制订任务书计算生产纲领,确定生产类型年产量4000个,备品率8%,机械加工废品率1%,年生产纲领N=Qn(1+a%)(1+b%)=4000×1×(1+8%+1%)=4360(件/年)呈现中批生产特点零件主要功用与技术要求1柱塞与圆柱套的配合属于小动力传输的一般传动配合,例如小电动机、泵一类传动与滑动配合。
2要求有经济性(普通润滑油或者滑脂润滑、温度影响较小)3有一定的精度4所设计的“精密传动柱塞”工作,是通过圆柱套外壁定位并固定于装置,因此对圆柱套外壁有精度要求,以确保柱塞轴的位置和运动正确性。
选择毛坯本零件的主要功用是传递动力,其工作时需承受较大冲击载荷,要求较高的强度和韧性,故毛坯应选择轧件。
工艺分析本零件为回转体零件,其主要加工面在柱塞的两个Φ=10的曲面,两者有较高的同轴度要求,,是加工工艺的重点。
工艺规程设计本零件结构简单,属于轴类零件范畴,可以采用粗车——精车——精磨加工。
加工工艺路线:柱塞:粗车端面-粗车外圆-切断掉头夹紧-粗车端面-粗车外圆-钻两端中心孔-精车一端配合面,及端面-调头,精车另一端配合面-修研中心孔-外圆磨套筒:粗车端面和外圆-精车端面和外圆-切断-粗车和精车端面-钻两端中心孔-扩孔-铰孔-内圆磨机械加工工艺过程卡柱塞机械加工工艺过程百分表000-5 机械加工工序卡片柱塞加工工序卡片机械加工工序卡片产品名称精密传动柱塞零件图号 1 共2页零件名称柱塞第1页材料牌号45钢毛坯种类轧制毛坯外形尺寸Ф25*100每毛坯件数 1每台件数1 备注工序号工序名称工步号工步内容工艺装备主轴转速/(r/min)切削速度/(m/min)进给量/(mm/r)切削深度/mm进给次数工时定额机动辅助夹紧 1三角卡盘夹紧长度30mm1粗车端面1 粗车圆柱端面1200 100 0.42 12粗车外圆1粗车圆柱外圆表面至Ф13,长601200 100 0.4 3 23 车断 1 车断,从未夹紧一450 ————————机械加工工序卡片产品名称精密传动柱塞零件图号 1 共2页零件名称套筒第2页材料牌号45钢毛坯种类轧制毛坯外形尺寸Ф25*100每毛坯件数 1每台件数1 备注工序号工序名称工步号工步内容工艺装备主轴转速/(r/min)切削速度/(m/min)进给量/(mm/r)切削深度/mm进给次数工时定额机动辅助夹紧 1三角卡盘夹紧长度30mm1 粗车端面1 粗车圆柱端面3600 150 0.32 12 粗车外圆1粗车圆柱外圆表面至Ф21长603600 150 0.3 2 13 精车端面1 精车外圆端面4600 150 0.3 0.5 14 精车外圆表面1精车外圆表面至夹紧处Ф10长604600 150 0.3 0.5 1总结这个任务是对于制造工程的知识的一次应用的。
液压泵柱塞缸体加工工艺流程The process of manufacturing hydraulic pump plunger cylinder bodies is a crucial step in the production of hydraulic pumps. 液压泵柱塞缸体加工工艺是液压泵生产中至关重要的一个环节。
It involves a series of intricate steps that require precision, accuracy, and attention to detail to ensure the final product meets the required quality standards. 这涉及一系列复杂的步骤,需要精密度高、准确及专注于细节,以确保最终产品符合所需的质量标准。
The first step in the process is to select high-quality materials for the cylinder body. 过程的第一步是为缸体选择高质量的材料。
The material must be able to withstand high pressure and wear and tear, as the cylinder body will be subjected to significant forces during operation.这种材料必须能够承受高压和磨损,因为缸体在运行过程中将受到重大力量的影响。
Common materials used for hydraulic pump plunger cylinder bodies include steel and iron alloys, which have the necessary strength and durability to withstand the demands of hydraulic pump applications. 液压泵柱塞缸体常用的材料包括钢和铁合金,这些材料具有必要的强度和耐久性,可以承受液压泵应用的要求。
摘要:本次毕业设计的主要内容是复杂零件的数控加工工艺的设计和编程。
目标是制作出一套数控加工工艺规程,包括编程;同时利用Pro/e绘制出零件的三维图。
介绍了零件结构的工艺分析,毛坯的种类及选择,数控加工的特点,基于我研究的课题,详细介绍了数控铣床的加工特点。
以及关于复杂零件的工艺分析,数控编程的一般步骤。
并通过定的实例详细的介绍了数控加工工艺的分析方法。
在工艺规程的制定中,确定了零件的生产类型及工艺特征,还有零件材料的选用。
另外,参考《切削加工简明实用手册》确定切削用量的选择;而且说明了铣削功率的校验方法,根据零件的实际情况可以方便的校验出切削用量是否符合机床功率要求。
我用Pro/e建立好三维图形,参考文件来完成零件毛坯的选择,零件图形的分析,基准的选择,装夹方案的确定,刀具的选择,切削用量的选择,走刀路线,零件的加工顺序。
最后编制好工艺工序卡片,以及编好该零件的程序。
关键字:柱塞泵泵体零件,工艺分析,编程,零件分析AbstractThe graduation design is the main content of nc machining process complex parts of the design and programming. Goal is to create a set of nc machining process procedures, including programming, While using Pro/e drawing out the 3d figure. PartsThe main contents of the design process is introduced, and the analysis of structural parts of blank types and characteristics of choice, CNC machining, based on the research of nc milling machine was introduced in detail processing features. And on the analysis of the technology of complex components, CNC programming general steps. And through the example of detailed introduced nc machining process analysis method. In the procedure of the parts, the production process, types and characteristics of parts and material selection. In addition, the machining simple practical manual cutting dosages determine the choice, And illustrates the calibration method, milling power according to the actual situation of parts can be convenient check out machning meets machine power requirements.I use Pro/e establish good 3d graphics, reference documents to complete blank, parts of the graphic analysis, the benchmark, clamping schemes, the choice of tools, cutting dosages of the sword, go, parts processing order. Finally prepared process card, and so this part of the program.目录摘要Abstract前言 (1)第一章零件的分析 (2)1.1柱塞泵泵体分析 (2)1.2零件的结构特点 (2)1.3零件的技术要求 (2)1.4零件加工要求 (2)第二章毛坯的设计与材料的选择 (4)2.1定位基准的选择 (5)2.2工艺路线的拟定 (5)第三章刀具、夹具的选择 (6)3.1 刀具选择 (6)3.2 夹具选择 (6)第四章选择切削用量及原则 (8)第五章坐标系建立及铣削功率校验 (10)5.1坐标系建立 (10)5.2铣削功率校验 (11)第六章工步划分 (12)第七章程序编辑 (13)结束语 (16)参考文献 (17)致谢 (18)附件: (19)前言毕业设计是高等职业教育教学计划的重要组成部分,是加强理论与实际相结合的实践性教学环节,是各专业的必修课程,在学生完成所有专业课程学习、结合毕业实习进行。
偏心柱塞泵泵体机械加工工艺与夹具设计
偏心柱塞泵是一种具有很高流量和压力的泵,主要用于输送高黏度介质和高温介质。
其泵体的机械加工工艺和夹具设计对泵的性能和质量有着重要的影响。
1.泵体机械加工工艺
偏心柱塞泵泵体的机械加工工艺主要包括以下几个方面:
(1)材料准备:选取合适的泵体材料,如不锈钢、铸铁等,并按照要求进行加工前的热处理。
(2)切削加工:采用数控机床等先进设备进行切削加工,包括车削、铣削、钻孔、切割等工艺,保证泵体的尺寸、形状和表面粗糙度满足要求。
(3)砂轮抛光:采用砂轮进行表面打磨和抛光处理,使泵体表面平整光滑。
(4)装配检验:对泵体进行检验,包括检查泵体连接面、内孔加工精度、密封性能等,确保泵体质量达到要求。
2.夹具设计
夹具是完成泵体机械加工的关键设备,其设计合理与否直接影响到泵体的尺寸精度和加工质量。
夹具设计应考虑以下几个方面:(1)设计夹紧力:夹具应具有足够的夹紧力,以确保工件不会产生变形或位移,从而影响泵体的加工精度。
(2)确定夹紧点:在确定夹紧点时,应考虑到夹紧点与工件的接触面积,以确保稳定性和加工精度。
(3)最佳布局:夹具应在保证加工效率的前提下,最大限度地减少对工件的干扰。
(4)易于操作:夹具的设计应考虑到操作人员的安全和便利,方便加工和检查。
综上所述,偏心柱塞泵泵体的机械加工工艺和夹具设计对泵的性
能和质量有着重要的影响,需要在生产过程中高度重视,并根据实际情况进行调整和优化。
轴向柱塞泵泵体加工工艺规程设计及工装夹具设计
包含设计思想、规程设计、可行性分析等
一、简介
轴向柱塞泵泵体加工工艺规程设计和工装夹具设计是由轴向柱塞泵泵体生产系列设计研制的重要工艺规程,是机械零件加工过程中质量控制的重要环节,直接关系到产品质量的好坏,为保证最终产品质量,工艺规程设计和工装夹具设计必须精心进行。
二、设计思想
轴向柱塞泵泵体加工规程设计要充分考虑到充分利用机械设备、节约劳动力、确保质量以及维护有机组织等因素,从而达到规程设计的高效性和可行性。
工装夹具设计要求能够有效帮助加工工艺,有效确保泵体的批量生产,降低加工成本,提高效率,确保质量。
三、工艺规程设计
1.热处理工艺:采用热处理工艺,能有效的提高泵体的抗震性能,提高其使用寿命,减少废料的产生,提高加工的效率。
2.冲压工艺:采用冲压工艺,能精确的完成外形尺寸的加工,减少加工废料,提高加工效率。
3.激光加工:采用激光加工,能够自动完成上部内部的复杂形状的加工,完成精密孔的加工,提高产品质量。
4.上色工艺:采用上色工艺,能够将泵体外壳上色,以达到图纸要求的质量,保证外观质量。
液压泵柱塞缸体加工工艺流程Processing Procedure for the Cylinder Block of Hydraulic Pump PlungerThe processing procedure for the cylinder block of a hydraulic pump plunger typically involves several key steps to ensure precision and durability. Here is a general outline of the processing procedure:Material Selection and Preparation: The first step involves selecting the appropriate material for the cylinder block, usually a high-strength alloy steel. The material is then cut to the required size and prepared for machining.Rough Machining: Rough machining is performed to remove excess material and bring the cylinder block close to its final shape. This typically involves milling, drilling, and turning operations.Precision Boring: The cylinder bore is then bored to precise dimensions using a boring machine. This ensures a smooth and accurate inner surface for the plunger to move within.Surface Finishing: The surface of the cylinder block is finished to improve its wear resistance and sealing performance. This may involve grinding, honing, or polishing operations.Hole Drilling and Threading: Any necessary holes for oil passages or other components are drilled, and threads are cut for fasteners or fittings.Inspection and Quality Control: The cylinder block is thoroughly inspected for dimensional accuracy, surface finish, and any defects. Quality control checks are performed to ensure compliance with specifications.Cleaning and Packaging: Finally, the cylinder block is cleaned to remove any machining residue or contaminants, and it is packaged for shipment or further assembly.液压泵柱塞缸体加工工艺流程液压泵柱塞缸体的加工工艺流程涉及多个关键步骤,以确保其精度和耐用性。
设计说明书题目:柱塞泵泵的工艺规程和铢2-①20凸台面及钻、攻2-M10螺纹的工装夹具设计学生:学号:专业:班级:指导老师:摘要本次设计内容涉及了机械制造工艺及机床夹具设计、金属切削机床、公差配合与测量等多方面的知识。
柱塞泵泵体的工艺规程和铢2-①20凸台面及钻、攻2-M10螺纹的工装夹具设计是包括零件加工的工艺设计、工序设计以及专用夹具的设计三部分。
在工艺设计中要首先对零件进行分析,了解零件的工艺再设计出毛坯的结构,并选择好零件的加工基准,设计出零件的工艺路线;接着对零件各个工步的工序进行尺寸计算,关键是决定出各个工序的工艺装备及切削用量;然后进行专用夹具的设计,选择设计出夹具的各个组成部件,如定位元件、夹紧元件、引导元件、夹具体与机床的连接部件以及其它部件;计算出夹具定位时产生的定位误差,分析夹具结构的合理性与不足之处,并在以后设计中注意改进。
关键词:工艺、工序、切削用量、夹紧、定位、误差。
ABSTRCTThe design of the content relates to the machinery manufacturing technology and machine tool fixture design,metal cutting machine tool, tolerance and measuring and other aspects of knowledge.Plunger pump body process and milling of2-①20convex table and drilling,tapping thread of2-M10fixture design including machining process design,process design and fixture design in three parts.In the design process should first of all parts for analysis,to understand the parts of the process to design the structure of the blank,and select good parts processing base,design parts of the process route;and then the various parts of process dimension calculation,is the key to decide all processes equipment and cutting parameters;then special fixture design,selection and design of a jig for the various components,such as positioning devices, clamping elements,the guide element,clamp and the machine tool connecting parts and other components;calculate fixture is produced when the positioning error of fixture structure,rationality and deficiency,and later in the design of improved.Keywords:The craft,the working procedure,the cutting specifications,clamp,the localization,the error目录序言 (1)零件分析 (2)二.工艺规程设计 (3)2.1确定毛坯的制造形式 (3)2.2基面的选择传 (4)2.3制定工艺路线 (5)2.4确定切削用量及基本工时 (5)三夹具设计 (15)3.1铢2-①20凸台面的工装夹具 (15)3.1.1问题的提出 (15)3.1.2定位基准的选择 (15)3.1.3定位元件的设计 (15)3.1.4切削力及夹紧力计算 (15)3.1.5定位误差分析 (17)3.2钻、攻2-M10的工装夹具 (17)3.2.1问题的提出 (18)3.2.2定位基准的选择 (18)3.2.3定位元件的设计 (18)3.2.4切削力及夹紧力计算 (18)3.2.5定位误差分析 (18)总结 (20)致谢 (21)参考文献 (22)序言机械制造业是制造具有一定形状位置和尺寸的零件和产品,并把它们装备成机械装备的行业。
柱塞套机械加⼯⼯艺设计柱塞套机械加⼯⼯艺设计摘要:⽂中通过分析柴油机燃油系统直列式喷油泵柱塞偶件中柱塞套的结构特点、各项技术要求和结构⼯艺性,根据具体的⽣产条件和⼯件加⼯要求,在合理选择材料和⽑坯的基础上,设计了该零件的机械加⼯⼯艺规程。
关键词:柱塞套;机械加⼯;⼯艺设计1引⾔直列式喷油泵由柱塞偶件、柱塞弹簧、弹簧下座、弹簧上座、油量控制套和齿圈、出油阀偶件、出油阀弹簧、减容体、出油阀紧座组成。
喷油泵柱塞偶件是指配对的柱塞与柱塞套,是柴油机燃油系统3⼤精密偶件之⼀,柱塞在油泵凸轮作⽤下在柱塞套内⾼速往复运动,将燃油增压,P型泵可达110MPa,并在规定的时间内开始压油或泄油。
2零件分析2.1零件的结构及其材料柱塞偶件承受⾼的机械负荷,由凸轮驱动,将燃油增压,回程靠弹簧⼒;⾼速往复运动之间的摩擦⼒,产⽣热量使柱塞温度较⾼。
对材料的要求:材料应具有⾼的机械强度、⾜够的刚性和良好的韧性;应具有⾼的耐磨性、耐蚀性和⼩的热膨胀系数,⾦相组织稳定及可加⼯性好。
常⽤材料:⼯具钢CrWMn;滚动轴承钢GCr15,硬度要求HRC62~65。
⽑坯:棒料或模锻件。
2.2零件的⼯艺分析柱塞偶件的加⼯精度要求⾼,对密封性、滑动性、可靠性及寿命等性能有严格规定,从⽽使其加⼯⼯艺复杂,⼯艺装备精度要求⾼,夹具要求精密。
对中、⼩型喷油泵,柱塞偶件的径向配合间隙要求为1.5~4µm。
这样⾼的配合精度,很难达到完全互换的要求,因此,在实际⽣产中,是⽤放⼤偶件各⾃的制造公差,然后根据⽣产批量的⼤⼩,选⽤单位选配法或分组选配法来保证偶件的装配要求。
柱塞套的技术要求如图1所⽰,柱塞套内圆表⾯要求圆度和圆柱度公差⼩于0.0015mm,直线度⼩于0.001mm。
柱塞套与泵体配合的外圆表⾯对内圆表⾯轴线的径向圆跳动公差为0.03mm。
柱塞套内圆表⾯粗糙度为Ra0.2~Ra0.4。
3⼯艺规程设计3.1确定⽑坯的制造形式⽑坯选择的合理性对零件⼯艺过程的经济性有着很⼤影响。
柱塞高压泵的生产工艺涉及多个环节,包括精密零件加工、热处理工艺以及组装和测试等。
具体如下:1. 精密零件加工:柱塞泵的主要零件包括配油盘、缸套、柱塞、回程盘、斜盘及传动轴等。
这些零件需要通过精密加工来保证泵的高效运行和耐久性。
2. 热处理工艺:为了提高零件的耐磨性和强度,柱塞泵的零件通常需要进行热处理。
这包括淬火、回火等过程,以确保零件在长期使用中保持良好的性能。
3. 材料选择:柱塞泵原则上可以输送任何介质,因此液力端的材料选择非常重要。
材料需要能够适应不同物理和化学性质的介质,同时配合适当的密封技术,以防止泄漏。
4. 组装和测试:所有零件在加工和热处理完成后,需要按照严格的标准进行组装。
组装后的泵需要进行压力测试和性能测试,以确保其达到设计要求的性能指标。
5. 结构形式:柱塞泵有轴向柱塞泵和径向柱塞泵两种代表性的结构形式。
每种结构形式都有其特定的设计和制造要求,以满足不同的应用需求。
6. 附加组件:除了主要部件外,柱塞泵还可能包括皮带轮、止回阀、安全阀、稳压器、润滑系统等附加组件,这些组件的设计和制造也是生产工艺的一部分。
7. 质量控制:在整个生产过程中,质量控制是至关重要的。
这包括对原材料、加工过程、最终产品进行全面的检查和测试,以确保每一台高压泵都能达到预期的性能和可靠性。
8. 技术创新:随着技术的发展,新型的柱塞泵也在不断涌现。
例如,Hauhinco生产的三柱塞及五柱塞高压泵就具有能源利用率高、部件设计强劲等优点,能够长时间持续运转。
综上所述,柱塞高压泵的生产工艺是一个复杂的过程,涉及到机械设计、材料科学、热处理技术、精密制造和质量控制等多个领域。
每个环节都需要专业的技术和严格的管理,以确保生产出高质量、高性能的柱塞高压泵。
目录内容摘要 (1)关键词 (1)Abstract (1)Key words (1)1.零件的分析 (2)1.1零件的作用 (2)1.2零件的工艺分析 (2)2.确定毛坯的制造形式 (4)2.1生产纲领 (4)2.2生产类型及工艺特征 (4)2.3确定毛坯类型及其制造方法 (5)2.4估算毛坯的机械加工余量 (5)3.基准的选择 (6)4.拟定工艺路线 (7)4.1选择加工方法 (7)4.2拟定机械加工工艺路线 (8)5.工序10加工工艺 (10)5.1机床的选择 (11)5.2计算切削用量及基本工时 (12)5.3数控编程 (27)6.夹具设计 (30)6.1问题的提出 (32)6.2定位基准的选择 (32)6.3夹紧力的计算 (32)6.4定位误差的分析与计算 (33)6.5主要零件设计的说明 (34)6.6工装夹具的使用说明 (35)参考文献 (36)致谢 (37)内容摘要:机械产品在生产过程中,把产品的毛坯制造,机械加工,热处理,装配等都称之为工艺过程。
本设计是针对柱塞式输油泵外壳的生产工艺安排及其夹具设计。
它集中了机械生产的一系列过程,包括了机械产品的材料选择,加工方法选择,工序安排,机床的选择,刀具的选择,也包括机械生产过程中的装夹定位的分析及夹具的设计。
关键词:输油泵外壳工序安排加工方法夹具设计Abstract: In the production process of the machinery products , we call that the blank manufacturing, machining, heat treatment, assemble are Production crafts. This design is directed against the outer covering of plunger type oil pump's production process arrangement and fixture design. It concentrate on a series of procession of the mechanical production , including material selection, Processing method selection, process arrangement, the choice of machine tools, tool selection of mechanical product ,also includes the production process of the clamping and positioning analysis and fixture design.Key words:Oil pump housing process arrangement Processing method selection Fixture design1.零件的分析1.1、零件的作用柱塞式输油泵是依靠柱塞在其缸体内往复运动时密封工作腔的容积变化来实现吸油和压油。
毕业设计报告(论文)报告(论文)题目:卧式柱塞泵加工工艺及夹具设计作者所在系部:机械工程系作者所在专业:机械设计制造及其自动化作者所在班级:B07112班作者姓名:作者学号:指导教师姓名:完成时间:2011年6月北华航天工业学院教务处制北华航天工业学院本科生毕业设计(论文)原创性及知识产权声明本人郑重声明:所呈交的毕业设计(论文)助学型“数控技术”多媒体课件系统开发是本人在指导教师的指导下,独立进行研究工作取得的成果。
除文中已经注明引用的内容外,本设计(论文)不含任何其他个人或集体已经发表或撰写过的作品或成果。
对本设计(论文)的研究做出重要贡献的个人和集体,均已在文中以明确方式标明。
因本毕业设计(论文)引起的法律结果完全由本人承担。
本毕业设计(论文)成果归北华航天工业学院所有。
本人遵循北华航天工业学院有关毕业设计(论文)的相关规定,提交毕业设计(论文)的印刷本和电子版本。
本人同意北华航天工业学院有权保存毕业设计(论文)的印刷本和电子版,并提供目录检索与阅览服务;可以采用影印、缩印、数字化或其它复制手段保存论文;在不以营利为目的的前提下,可以公布非涉密毕业设计(论文)的部分或全部内容。
特此声明毕业设计(论文)作者:指导教师:2011年06 月15日2011年06 月15 日目录摘要 (I)Abstyact .......................................................... I I第1章绪论 (1)1.1 课题背景 (1)1.2 发展概况 (1)1.3 本文研究内容 (2)第2章制订机械加工工艺规程 (3)2.1卧式柱塞泵的工艺分析 (3)2.2审查零件图样的工艺性 (3)2.4 加工工艺过程 (4)2.6 在选择各表面及孔的加工方法时,要综合考虑以下因素 (4)2.6.1 平面的加工 (5)2.6.2孔的加工方案 (5)2.7 确定定位基准 (5)2.7.1粗基准的选择 (5)2.7.2 精基准选择的原则 (6)2.8工序的合理组合 (7)2.8.1 工序的集中与分散 (7)2.8.2 加工阶段的划分 (8)2.9 加工工艺路线方案的比较 (9)第3章计算 (12)3.1确定切削余量及基本工时(机动时间) (12)第4章夹具设计 (26)4.1.1 定位基准的选择 (26)4.1.2计算切削力 (26)4.1.3 计算夹紧力 (27)4.1.4 定位误差分析 (27)4.1.5 夹具精度分析 (27)4.2.1 定位基准的选择 (29)4.2.2 计算切削力 (29)4.2.3 计算夹紧力 (29)4.2.4 定位误差分析 (30)第5章总结 (31)致谢 (32)参考文献 (33)附录一 (34)摘要毕业设计是对学生整个大学阶段学习内容的概括和总结,是学生对知识的掌握和提炼程度的一个检验,它是进一步提高学生进入工作岗位之前岗位能力的有效措施,学生通过毕业设计更能贴近就业后岗位的实际。
液压轴向柱塞泵马达工艺设计及生产线规划概述引言液压轴向柱塞泵马达是一种重要的液压传动装置,广泛应用于各种机械设备中。
本文将概述液压轴向柱塞泵马达的工艺设计及生产线规划,帮助读者了解液压轴向柱塞泵马达的制造过程,以及如何规划生产线提高生产效率。
工艺设计概述液压轴向柱塞泵马达的工艺设计过程主要包括以下几个方面:1.零部件设计:液压轴向柱塞泵马达由多个零部件组成,包括外壳、泵体、柱塞及阀门等。
设计师需要根据产品要求和功能需求,合理设计各个零部件的形状、尺寸和材料,以确保产品性能和可靠性。
2.工艺路线设计:在液压轴向柱塞泵马达的制造过程中,需要经过多个工序,例如铸造、机加工、装配等。
设计师需要根据产品特点和生产工艺,合理安排各个工序的顺序、加工方法和设备选择,以最大程度地提高生产效率和产品质量。
3.检测设备设计:为了确保液压轴向柱塞泵马达的性能和质量,需要在制造过程中进行严格的检测和测试。
设计师需要设计并选择合适的检测设备,包括流量计、压力计、温度计等,以检测产品的工作性能和各项指标是否符合要求。
生产线规划概述液压轴向柱塞泵马达的生产线规划是指如何合理布局和组织液压轴向柱塞泵马达的生产线,以提高生产效率和降低生产成本。
生产线规划主要涉及以下几个方面:1.生产线布局:合理的生产线布局可以减少物料运输和人员移动距离,提高生产效率。
设计师需要考虑生产线上各个工序的顺序、间距和生产设备的摆放位置,以最大程度地减少生产线的拥堵和瓶颈现象。
2.自动化技术应用:在液压轴向柱塞泵马达的生产过程中,可以采用自动化技术来替代传统的人工操作,提高生产效率和产品质量。
例如,可以使用机器人来完成装配工序,使用自动化输送带来优化物料流动等。
3.质量管理系统:为了确保液压轴向柱塞泵马达的质量,需要建立完善的质量管理系统。
设计师需要规划质量检测点的位置和检测方法,建立质量记录和跟踪系统,以及制定相应的质量管理标准和流程。
结论液压轴向柱塞泵马达的工艺设计和生产线规划对于产品的性能和质量有着重要影响。
摘要:本次毕业设计的主要内容是复杂零件的数控加工工艺的设计和编程。
目标是制作出一套数控加工工艺规程,包括编程;同时利用Pro/e绘制出零件的三维图。
介绍了零件结构的工艺分析,毛坯的种类及选择,数控加工的特点,基于我研究的课题,详细介绍了数控铣床的加工特点。
以及关于复杂零件的工艺分析,数控编程的一般步骤。
并通过定的实例详细的介绍了数控加工工艺的分析方法。
在工艺规程的制定中,确定了零件的生产类型及工艺特征,还有零件材料的选用。
另外,参考《切削加工简明实用手册》确定切削用量的选择;而且说明了铣削功率的校验方法,根据零件的实际情况可以方便的校验出切削用量是否符合机床功率要求。
我用Pro/e建立好三维图形,参考文件来完成零件毛坯的选择,零件图形的分析,基准的选择,装夹方案的确定,刀具的选择,切削用量的选择,走刀路线,零件的加工顺序。
最后编制好工艺工序卡片,以及编好该零件的程序。
关键字:柱塞泵泵体零件,工艺分析,编程,零件分析AbstractThe graduation design is the main content of nc machining process complex parts of the design and programming. Goal is to create a set of nc machining process procedures, including programming, While using Pro/e drawing out the 3d figure. PartsThe main contents of the design process is introduced, and the analysis of structural parts of blank types and characteristics of choice, CNC machining, based on the research of nc milling machine was introduced in detail processing features. And on the analysis of the technology of complex components, CNC programming general steps. And through the example of detailed introduced nc machining process analysis method. In the procedure of the parts, the production process, types and characteristics of parts and material selection. In addition, the machining simple practical manual cutting dosages determine the choice, And illustrates the calibration method, milling power according to the actual situation of parts can be convenient check out machning meets machine power requirements.I use Pro/e establish good 3d graphics, reference documents to complete blank, parts of the graphic analysis, the benchmark, clamping schemes, the choice of tools, cutting dosages of the sword, go, partsprocessing order. Finally prepared process card, and so this part of the program.目录摘要Abstract前言 (1)第一章零件的分析 (2)1.1柱塞泵泵体分析 (2)1.2零件的结构特点 (2)1.3零件的技术要求 (2)1.4零件加工要求 (2)第二章毛坯的设计与材料的选择 (4)2.1定位基准的选择 (5)2.2工艺路线的拟定 (5)第三章刀具、夹具的选择 (6)3.1 刀具选择 (6)3.2 夹具选择 (6)第四章选择切削用量及原则 (8)第五章坐标系建立及铣削功率校验 (10)5.1坐标系建立 (10)5.2铣削功率校验 (11)第六章工步划分 (12)第七章程序编辑 (13)结束语 (16)参考文献 (17)致谢 (18)附件: (19)前言毕业设计是高等职业教育教学计划的重要组成部分,是加强理论与实际相结合的实践性教学环节,是各专业的必修课程,在学生完成所有专业课程学习、结合毕业实习进行。
大学生活即将结束,我们也将迎接的最后一次考验和竞争就是毕业设计这次毕业设计中,我的设计题目是:柱塞泵泵体加工工艺规程设计。
由于设计的需要,我仔细研究了零件图,但在设计过程中,因自己经验不足,遇到了很多实际问题,使我体会到了在现场实习调研仅证明可不可以实干,而不能代表能不能干好。
所以我积极与设计指导老师、操作指导老师沟通,在各位老师的全力帮助、指导下问题得到了全面解决,同时受到各位老师优良工作品质的影响,培养出了我缓中求稳、虚心求教、实事求是、一丝不苟的工作作风,并树立了明确的生产观、经济观和全局观。
论知识和实际操作知识去理性的分析问题和解决实际工作中的一般技术工程问题的能力,使我建立了正确的设计思想,掌握了工艺设计的一般程序、规范和方法,并进一步巩固、深化地吸收和运用了所学的基本理论知识和基本操作技能。
还有,它提高了我设计计算、绘图、编写技术文件、编写数控程序、数控机床操作、实际加工零件和正确使用技术资料、标准、手册等工具书的独立工作能力。
本文在对零件结构、精度分析的基础上,选择适当的加工余量建立零件毛坯的模型;利用PRO/E三维软件建立零件的三维图并生成二维工程图。
另外,本文除了对零件加工进行编程,还制定了一套工艺规程,全面的展示了零件由设计分析到数控加工的全过程。
第一章零件的分析1.1柱塞泵泵体分析该零件为柱塞泵泵体,属于箱体类零件,它有容纳其他零件的内腔结构。
柱塞泵泵体是柱塞泵的基础零件,它将柱塞泵中的柱塞等相关的零件组装成一个整体,使它们之间保持正确的相互位置,并按照一定的传动关系传递运动或动力,并对内部零件起到清洁和保护的作用。
因此,泵体的加工质量将直接影响柱塞泵的精度、性能和寿命。
1.2零件的结构特点柱塞泵泵体上须加工的凸台端面较多,后面和右面各有一个圆柱形的凸台。
零件的毛坯是铸造而成,结构较复杂,加工工序较多。
概括其主要结构特点为:有加工精度要求高的安装孔;结构复杂、形状怪异,但有明显的基准面;壁厚薄相对均匀;总体精度要求高,尺寸较小而形状复杂;切削后容易产生切削应力,导致变形等。
1.3零件的技术要求(1)零件毛坯铸造完成后进行时效处理。
(2)铸件表面清砂喷防锈漆。
(3)零件表面未注圆角为R3。
(4)零件表面不允许有任何划伤、磕碰等缺陷。
(5)去清毛刺,锐边倒钝。
(6)零件加工后要求表面处理。
1.4零件加工要求该零件的加工精度要求较高,加工面主要是平面、曲面和孔,位置、形状、尺寸精度都各有要求。
工艺设计时要考虑到节约成本,提高生产率,减轻工人劳动强度,因此采用数控加工,能有效地保证尺寸加工精度。
分析本次设计给出的零件图(见图1),零件的主要加工要求如下:(1)凸台端面及其它加工平面表面粗糙度Ф20孔底面及安装板面,表面粗糙度Ra为3.2µm;上端面及凸台端面,表面粗糙度Ra为1.6µm。
(2)孔的相互位置精度2×M10孔的两孔孔距公差为±0.05mm;2×Ф14孔的两孔垂直度为0.05。
(3)平面与孔的相互位置精度基准面A与M33*1.5孔轴线的平行度为0.05;图1 零件三视图(在图中,从俯视图的尺寸30和13可知长度方向的尺寸基准是安装板的左端面;从主视图的尺寸70和47±0.1可知高度方向的尺寸基准是泵体上面;从俯视图的尺寸33和左视图的尺寸60±0.2可知宽度方向的尺寸基准是泵体的前后对称面。
进出油孔的中心高47±0.1和安装板两螺孔的中心距60±0.2的要求比较高,加工时必须保证。
分析表面粗糙度时,要注意与尺寸的关系。
还应了解零件制造、加工时的某些特殊要求。
两螺孔端面及顶面等处的表面为零件的结合面,为防止漏油,表面粗糙度要求较高)第二章毛坯的设计与材料的选择柱塞泵泵体零件属于箱体类零件,箱体零件的材料常用铸铁,这是因为铸铁容易成形,切削性能好,价格低,且吸振性和耐磨性较好。
根据需要可选用HT150~350,常用HT200。
在单件小批量生产情况下,为缩短生产周期,可采用钢板焊接结构。
某些大负荷的箱体有时采用铸钢件。
在特定条件下,可采用铝镁合金或其它铝合金材料。
铸铁毛坯在单件小批生产时,一般采用木模手工造型,毛坯精度较低,余量大;在大批量生产时,通常采用金属模机器造型,毛坯精度较高,加工余量可适当减小。
单件小批生产直径大于50mm的孔,成批生产大于30mm的孔,一般都铸出预孔,以减少加工余量。
铝合金箱体常用压铸制造,毛坯精度很高,余量很小,一些表面不必经切削加即可使用。
综合考虑,零件毛坯选用金属模机器造型,毛坯的余量就可以减的很少,在大批量的生产中大大的降低了成本。
由于该零件生产纲领为大批量生产,为了节省原料,使资源得以充分利用同时提高生产效率,降低生产成本,在零件各部位孔的铸造方面都先铸出预孔。
在满足加工条件的情况下,使零件铸造出的毛坯尺寸尽量减小。
表1 加工余量/mm表1 加工余量/mm注:未加工到要求尺寸的工步是为下一工步留足余量;另外,加工时需注意形位公差。
2.1定位基准的选择1.粗基准的选择粗基准的选择对零件主要有两个方面影响,即影响零件上加工表面与不加工表面的位置和加工表面的余量分配。
为了满足上述要求,零件的平面加工采用面与面互为基准,即以各端面互为粗基准并留一定的精加工余量。
2.精基准的选择选择精基准主要是应能保证加工精度,所以一般优先考虑基准重合原则和基准同一原则。
从俯视图的尺寸30和13可知长度方向的尺寸基准是安装板的左端面;从主视图的尺寸70和48±0.1可知高度方向的尺寸基准是泵体上面;33和左视图的尺寸60±0.2可知宽度方向的尺寸基准是泵体的前后对称面。