声振动压电振子的有限元仿真分析
- 格式:docx
- 大小:96.07 KB
- 文档页数:2
基于有限元分析法的声振耦合问题研究一、引言声振耦合是工程和科学领域中常见的一个问题。
在振动发生时,结构的振动会导致其所在的介质中的声波产生,这种现象就称为声振耦合。
声振耦合在机械、建筑、航空、汽车等领域中具有非常重要的应用和研究价值。
目前,常用的声振耦合分析方法包括实验法和数值计算法。
实验法通常采用声耦合实验室设备来测量实际结构的声学振动响应,并通过有限元分析法进行数值模拟。
而数值计算法中,有限元法是最常用的一种。
这种方法通过将结构分割成小单元,并对结构进行数值模拟,以预测结构在特定外部激励下的振动响应和声学振动响应。
本文旨在探讨基于有限元分析法的声振耦合问题,并重点关注其数值计算的基本原理、优点和局限性。
二、有限元分析法有限元分析法是一种基于数值计算的结构力学方法,被广泛应用于各种汽车、航空、建筑和机械等工程应用中。
该方法是基于数值离散化技术,将无限维度问题转化为有限的维度问题,利用已知的科学原理建立数学模型。
有限元分析法采用离散化的思想将结构分成小单元,通过计算每个小单元的特征值和特征向量,得到整个结构的振动特征。
小单元的振动特征可以以几何刚度、惯性、阻尼、刚度矩阵、质量矩阵等形式表示。
在声振耦合分析中,有限元分析法包括两个步骤。
首先,需要对待分析物进行结构动力分析和声学分析。
这种分析包括结构动力学和声学模型的建立,确定外部激励下结构和声学子系统的响应。
接着,将这些响应合并成一个总响应,然后对其进行分析。
三、声振耦合的数值模拟声振耦合的数值模拟过程通常分为以下几个步骤:1、建立有限元模型在数值模拟前,需要进行结构的建模和网格划分。
结构的建模包括对结构几何形状和材料参数的设定,网格划分可以根据结构的大小和形状进行。
2、结构动力学分析结构动力学分析是声振耦合分析中的重要步骤,其中的关键在于计算结构在外部激励下的振动响应。
这一步骤中,需要确定结构的固有频率和模态形式,并通过有限元法求出结构的振动响应。
新型压电输送振子振动模态有限元分析在最近几年,压电输送振子的应用十分普及。
它们作为一种无接触的传感器,拥有快速响应时间,可用于近距离的高精度测量。
从研究范围来看,压电输送振子的输出信号随频率变化是十分重要的,而且其特性也取决于振子的形状和结构。
为了更好的理解压电输送振子的特性,有必要对它们进行振动模态分析。
这种分析通过有限元法,通过采用正确的有限元函数与边界条件应用于压电输送振子,可以在振子的形状和尺寸未知的情况下对其响应模态进行分析。
在有限元分析过程中,主要考虑的属性包括振动的模态分析、控制参数和性能指标,这些参数有助于更好的描述振子的性能。
目前,许多研究者关注压电输送振子的振动模态有限元分析,主要考察其对外界刺激的响应特性。
例如,Wang等人[1]结合分数阶微分方程与多层压电振子参数研究了多层压电振子在不同情况下的振动模态特性;Chen等人[2]探讨了采用局部加速器作为输入激励,压电输送振子振动模态的调控特性;王等人[3]研究了压电输送振子的谐振特性和控制参数对其振动的影响。
基于上述研究,本文将研究压电输送振子的振动模态有限元分析。
为此,将基于实验测试的压电输送振子建立有限元模型,通过研究不同参数和结构的振动特性,可以更好的预测压电输送振子在不同情况下的振动性能。
首先,在建立有限元模型前,需要先根据压电输送振子的几何特性建立有限元单元。
按照常规步骤,可以将压电输送振子划分为若干个有限元,并将每个元件的相关属性,如弹性模量、半径比、位置等,录入有限元模型中。
然后,根据微分方程系统以及使用有限元函数表示的弹性力及其他载荷,对定义的有限元进行分析,考察振子在不同参数及条件下的振动响应特性。
在实验测试中,需要测量压电输送振子的振动特性,包括频率、振幅、阻尼率等,以及其他振动指标,如回程图、振动模态图等。
这些参数可以作为验证有限元模型的重要依据。
而有限元分析的结果,可以与实验结果进行对比,进而了解压电输送振子的特性及振动性能。
基于声学有限元仿真结果的声学表征方法摘要:声学有限元仿真是一种有效的声学分析方法,可以用于预测和评估不同结构或系统的声学性能。
然而,仅仅依靠仿真结果并不能直接得到对声学特性的准确描述。
因此,本文提出了一种基于声学有限元仿真结果的声学表征方法,通过对仿真结果进行分析和处理,得到更加全面和准确的声学特性描述。
1. 引言声学有限元仿真在工程领域中得到了广泛应用,可以用于预测和评估不同结构或系统的声学性能。
然而,仅仅依靠仿真结果并不能直接得到对声学特性的准确描述。
因此,需要开发一种基于声学有限元仿真结果的声学表征方法,以提高对声学特性的理解和分析能力。
2. 声学有限元仿真声学有限元仿真是一种基于数值方法的声学分析技术,通过对结构或系统进行离散化,建立数学模型并求解得到声场分布和声学特性。
通过声学有限元仿真,可以快速而准确地预测复杂结构或系统的声学性能,为声学设计和优化提供参考。
3. 声学特性描述声学特性描述是对声学性能的定量评估和描绘,可以包括声压级、声能分布、声传播特性等。
传统的声学特性描述方法主要依靠实验测试,但是实验测试存在成本高、周期长等问题。
因此,基于声学有限元仿真结果的声学特性描述方法成为一种有效的替代方案。
4. 基于声学有限元仿真结果的声学表征方法基于声学有限元仿真结果的声学表征方法是通过对仿真结果进行分析和处理,得到对声学特性的准确描述。
具体步骤如下:4.1 数据处理对声学有限元仿真结果进行数据处理,包括数据平滑、滤波、采样等。
通过数据处理,可以去除噪声和干扰,得到更加准确的声学特性数据。
4.2 特征提取然后,对处理后的声学特性数据进行特征提取,包括频谱特征、时域特征、频域特征等。
通过特征提取,可以从大量的声学数据中提取出关键信息,为声学特性的描述提供基础。
4.3 特性分析接下来,对提取的特征进行特性分析,包括频谱分析、统计分析、相关性分析等。
通过特性分析,可以进一步了解声学特性的分布规律和相关性,为声学特性的描述和解释提供支持。
基于声学有限元仿真结果的声学表征方法基于声学有限元仿真结果的声学表征方法引言声学有限元仿真是一种常用的方法,用于模拟声学现象并预测声学性能。
然而,如何对仿真结果进行准确的声学表征仍然是一个挑战。
本文将介绍几种基于声学有限元仿真结果的声学表征方法,以帮助读者更好地理解和应用这些方法。
方法一:频谱分析频谱分析是一种常用的声学表征方法,它通过将声学信号转化为频域表示来描述信号的频率特征。
在基于声学有限元仿真结果的声学表征中,可以使用频谱分析来提取信号的频谱信息。
常用的频谱分析方法包括傅里叶变换、短时傅里叶变换等。
优点:•可以清晰地描述信号的频率分布情况。
•对于周期性信号有较好的适用性。
缺点:•对于非周期性信号,可能会导致频谱信息的模糊性。
方法二:声学特征提取声学特征提取是一种将声学信号转化为一组具有实际意义的特征向量的方法。
在基于声学有限元仿真结果的声学表征中,可以使用声学特征提取来获得信号的有用特征。
常用的声学特征包括能量、频率、振幅等。
优点:•可以提取出信号中关键的特征信息。
•对于不同类型的声学信号有较好的适用性。
缺点:•特征提取的效果受到特征选择的影响,可能会导致信息损失。
方法三:神经网络模型神经网络模型是一种利用人工神经网络进行模式识别和特征提取的方法。
在基于声学有限元仿真结果的声学表征中,可以使用神经网络模型来学习并提取信号的高级特征。
常用的神经网络模型包括卷积神经网络、循环神经网络等。
优点:•可以自动地学习和提取信号的复杂特征。
•对于大规模数据集有较好的适用性。
缺点:•需要较大的训练时间和计算资源。
•对于小规模数据集可能会导致过拟合问题。
方法四:机器学习分类器机器学习分类器是一种通过对已有数据进行训练,从而对新的数据进行分类的方法。
在基于声学有限元仿真结果的声学表征中,可以使用机器学习分类器来对信号进行分类和识别。
常用的机器学习分类器包括支持向量机、随机森林等。
优点:•可以对声学信号进行自动分类和识别。
TrekStor
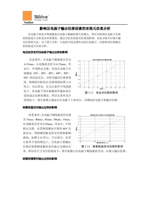
影响压电振子输出位移因素的有限元仿真分析
压电振子的发声响度随着压电振子振幅的增大而增大,所以对影响压电振子位移的因素进行分析是非常重要的,通过分析各因素对位移的影响,从而寻找可以增大输出位移的方法。
为了便于分析,只选取中间支撑形式的压电振子,对影响其位移输出的因素进行仿真分析。
电压的改变对压电振子输出位移的影响
铜基板直径对输出位移的影响
铜基板厚度对输出位移的影响
TrekStor
压电陶瓷直径对输出位移的影响
压电陶瓷厚度对输出位移的影响
TrekStor
单双晶片对输出位移的影响
仿真条件:压电振子铜基板直径为}h 35mm,压电陶瓷直径为}h 25mm,铜基板和
压电陶瓷的厚度都为0.2mm,分别采用单晶片和双晶片布置,中间固定支撑,在其两端施加不变的60V直流电压,得到单晶片的输出位移为1.59mm,双晶片的输出位移为1.90mm,可以看出,在其它条件相同的情况下,双晶片的输出位移要比单晶片的输出位移大。
通过模拟分析可以得出所有支撑方式的压电振子其双晶片布置形式比单晶片布置的输出位移大。
圆形振子半径比对输出位移的影响
矩形振子长度比对输出位移的影响
TrekStor。
新型压电输送振子振动模态有限元分析
随着当代科技的发展,压电传感器的应用越来越广泛,其中很多应用是压电输送振子。
压电输送振子是一种能够提供一定程度的提供能量的元件,可以用来提供能量,也可以用来调节和控制振子的振动模态。
因此,对压电输送振子的振动模态进行研究,有着重要的应用价值。
本文将从多种角度来研究新型压电输送振子的振动模态。
首先,本文概述了压电输送振子的工作原理和结构特点,并对新型压电输送振子的振动模态进行了综述。
然后,本文根据压电振动学理论,建立了描述新型压电输送振子振动模态的动力学模型,并由此推导了有限元方程,用来描述新型压电输送振子的振动模态。
此外,本文还提出了基于有限元方法的新型压电输送振子振动模态分析过程,并对所提出的方法进行了数值模拟试验,从而验证了所提出的方法的正确性和有效性。
最后,本文总结了本文研究的结论和可应用性。
压电输送振子是一种先进的能够实现能量调节和控制的元件,而本文提出的新型压电输送振子振动模态有限元分析方法,将有利于该元件的应用发展。
通过有限元方法可以有效地模拟和分析压电输送振子的振动性能,从而更好地控制其工作模式。
该方法也可以用于优化压电输送振子的设计,从而提高其使用效果。
综上所述,本文研究了新型压电输送振子的振动模态,提出了以有限元方法为基础的模态分析方法,并通过数值模拟试验验证了该方法的正确性和有效性。
该方法不仅可以用于新型压电输送振子的工作
模式控制,同时也可以用于优化设计。
今后,有关压电输送振子的研究将更加深入,将不断开展新的应用,从而使压电输送振子在未来有更广泛的应用前景。
基于有限元方法的振动系统动力学分析振动是物体在外部作用下发生周期性的自由运动,广泛存在于自然界和人工工程中。
对于工程领域来说,振动是一种常见而且重要的现象,需要进行充分研究和掌握。
因为工业领域中的精密机械设备、航空航天器、桥梁、建筑等都要受到振动的影响,因此了解和掌握振动分析成为了一项必要的工作。
在振动分析中,有限元方法是一种重要的数值计算技术,能够用来计算系统在特定工况下的自由振动、强迫振动和动态特性等。
有限元方法的基本思想是将物体整体离散成若干元,然后针对每个元的受力状态对其进行计算。
因为在物理学和工程领域中,大部分振动问题都可以抽象成弹性振动问题,因此有限元方法也用得较为广泛。
下面我们将从振动系统模型建立,有限元方法的原理和实现以及动力学分析等方面进行阐述,以期为工程领域的借鉴提供一定的帮助。
一、振动系统模型建立首先,我们需要理解振动系统的原理和发展规律,然后再将其抽象成一种数学模型。
在工程领域常见的振动系统有机械弹簧阻尼振动系统、电路RLC振动系统等,这里我们以机械弹簧阻尼振动系统为例。
1.1 建立振动系统模型机械弹簧阻尼振动系统的简化模型由三个主要元素组成:质点、弹簧和阻尼器。
其中,质点质量为m,其自由度为x,弹簧的刚度为k,弹簧自由度为u,阻尼器的阻尼系数为c。
将质点与弹簧、阻尼器建立作用关系如下:1. 质点的受力情况:F = m*x''(t) (1)其中,x''(t)表示自由度x对时间t的二阶微分。
2. 弹簧的变形条件:u = x1 - x2 (2)其中,x1、x2为弹簧两端对应的自由度,利用胡克定律可以得到:F = k*u (3)3. 阻尼器的作用:F = -c*x'(t) (4)其中,x'(t)表示自由度x对时间t的一阶微分。
此时,质点、弹簧、阻尼器三者之间的作用力平衡,即有F = m*x''(t) = -k*x(t) - c*x'(t) (5)使用微分方程的方法可以得到质点加速度x''(t)关于时间t的方程,即:m*x''(t) + c*x'(t) + k*x(t) = f(t) (6)其中,f(t)为外界作用力。
薄膜体声波谐振器的有限元仿真陈鹏光;王瑞;白玉慧;任家泰;陈剑鸣【摘要】随着5G通信技术的日益发展,对通信频段的要求越来越高.传统的射频滤波器受结构和性能的限制,不能满足高频通信的要求.薄膜体声波谐振器(FBAR)作为一种新型的MEMS器件,很好地适应了无线通信系统的更新换代,使FBAR技术成为通信领域的研究热点之一.本文以COMSOL Multiphysics软件为基础,对FBAR 谐振元件进行有限元仿真,分析其压电耦合特性、模态特性、谐振特性等.设计的谐振单元,谐振频率在工信部规划的5G通信频段标准(3.4 GHz-3.6 GHz)以内.同时引入完美匹配层(PML)减少寄生共振,更符合实际工艺制备的FBAR的共振特性.实验仿真结果表明,谐振频段在3.510 GHz-3.564 GHz,满足5G通信系统对频段的要求.当谐振位移形式变量满足AlN压电材料的变形范围,计算FBAR的主要性能指标,建立了一种基于COMSOL Multiphysics软件对FBAR的物理结构建模及相关特性研究的实验方法.【期刊名称】《软件》【年(卷),期】2019(040)003【总页数】4页(P94-97)【关键词】通信技术;薄膜体声波谐振器;有限元;仿真【作者】陈鹏光;王瑞;白玉慧;任家泰;陈剑鸣【作者单位】昆明理工大学理学院,云南昆明 650504;昆明理工大学理学院,云南昆明 650504;昆明理工大学理学院,云南昆明 650504;昆明理工大学理学院,云南昆明650504;昆明理工大学理学院,云南昆明 650504【正文语种】中文【中图分类】TN911当前无线通信系统正向高工作频率、大数据传输量、多信道和小信道带宽的方向发展,无线通信终端也日趋微型化、集成化和多功能化[1]。
这些发展趋势对通信系统中的射频前端器件提出了更高的要求,随着薄膜与微纳加工技术的快速发展,薄膜体声波滤波器(FBAR)在通信领域得到了广泛的商业应用。
航天器结构声振耦合问题的有限元-边界元方法数值仿真研究冯金龙;王宏宏;赵营;王一楠;杜骊刚【摘要】针对高超声速、结构轻量化带来的航天器复杂结构声振耦合动力学环境难以精准预示问题,提出一种基于有限元-边界元(FEM-BEM)方法的声振耦合问题数值仿真方法.分析国内外求解声振耦合问题的主要数值仿真方法,从影响航天器性能设计的低中频声振耦合动力学特性入手,采用有限元-边界元方法,以航天器典型结构截锥壳为研究对象,开展混响噪声作用下的声振耦合研究.建立了声振耦合模型,获得了主体结构、主要支撑结构及设备的声振耦合响应.提出的数值仿真方法和仿真分析过程,为航天器声振耦合分析提供了理论基础和仿真手段.【期刊名称】《装备环境工程》【年(卷),期】2018(015)011【总页数】7页(P37-43)【关键词】航天器;声振耦合;数值仿真;有限元-边界元方法【作者】冯金龙;王宏宏;赵营;王一楠;杜骊刚【作者单位】北京机电工程总体设计部,北京 100854;北京机电工程总体设计部,北京 100854;北京机电工程总体设计部,北京 100854;北京机电工程总体设计部,北京100854;北京机电工程总体设计部,北京 100854【正文语种】中文【中图分类】V416声振耦合环境是航天器飞行过程中遇到的主要动力学环境之一,尤其是高超声速飞行器,声振耦合环境更加恶劣,精准的动力学环境预示越发困难,但更迫切。
声振耦合环境其主要效应是激起航天器主次结构共振响应以及局部动力响应过大,造成结构破坏、局部失稳、电子元器件等敏感组件发生故障。
如何准确地预示在外声场作用下飞行器的内声场以及由此引起的其结构上的振动响应,对于航天器上的仪器设备、结构本身以及有效载荷具有十分重要的意义[1]。
结构轻量化的要求使得薄壁结构和轻质材料得到了广泛的采用。
随着结构越来越薄,声振耦合响应变得越来越剧烈。
新型材料的应用,增加了声振耦合问题研究的难度。
与此同时,航天器正在向功能多样化,结构复杂化发展。
基于有限元模拟的泵用压电振子正交优化设计近年来,因技术的进步,压电振子开始被广泛应用于各种泵工业中,作为一种可补偿电气机械损耗的高性能传动元件。
为了保证泵性能安全可靠,压电振子控制不只是它的主要动作,而且需要提供较高的传动效率,以提高泵的性能和减少能源消耗。
然而,由于压电振子技术本身存在许多复杂性、工作环境和各种安全规范要求,使得压电振子在泵中的设计中充满了挑战。
为了满足压电振子的工作要求,泵用压电振子的正交优化设计成为非常重要的一个步骤。
具有数字化能力的有限元模拟技术,为泵用压电振子的正交优化设计提供了一种新的设计思想和实现方法。
首先,借助有限元模拟分析技术,快速模拟分析压电振子不同架构参数对性能和稳定性的影响,确定最优参数组合;其次,借助有限元模拟分析技术,由正交优化手段结合实际工况,得到最优参数组合;最后,借助有限元模拟技术,深入研究压电振子表现受架构参数和控制参数影响的机理,从而达到有效的控制目的。
针对泵用压电振子的正交优化设计主要包括三个基本步骤:第一步是确定压电振子架构参数,根据压电振子在实际工况下的性能特性,确定最优参数组合;第二步是对压电振子架构参数进行正交优化,根据压电振子的整体性能特性,优化架构参数;第三步是研究压电振子的控制参数,优化压电振子的控制参数,使控制性能实现最佳。
此外,在泵用压电振子的正交优化设计中,还要考虑到由工况极端以及泵的环境变化对压电振子的影响,以及压电振子的工作状态对其表现的影响,同时要结合自然环境和用户设定参数,进行实时鲁棒性控制,以保证压电振子在设计环境下的精确性和稳定性。
综上所述,压电振子作为泵的一种可补偿电气机械损耗的高性能传动元件,其设计需要考虑到许多复杂性、工作环境和安全规范要求,有限元模拟技术也为泵用压电振子的正交优化设计提供了新的思路与实现方法,具体的正交优化设计过程包括确定架构参数、优化架构参数和优化控制参数,还要考虑到极端工况以及环境变化的影响,并结合自然环境和用户参数,以提高压电振子的性能和效率,达到安全可靠等目的。
基于声学有限元仿真结果的声学表征方法引言声学有限元仿真是一种通过计算机模拟声学系统的方法,可以帮助我们了解声学系统的性能和行为。
然而,仿真结果往往是大量数据,如何从这些数据中提取有用的信息成为一个重要的问题。
本文将介绍一种基于声学有限元仿真结果的声学表征方法,通过对仿真结果进行分析和处理,提取出系统的关键特征,从而更好地理解声学系统的性能。
1.声学有限元仿真的基本原理声学有限元仿真是一种利用数值方法对声学系统进行建模和分析的技术。
它基于有限元法的基本原理,将声学系统划分为有限数量的小单元,通过求解声学方程组来获得整个系统的响应。
通过对声学系统进行几何建模、材料参数定义和边界条件设定,可以得到仿真结果,如声场分布、声压级等。
2.声学仿真结果的数据处理声学仿真结果往往是大量的数据,如何从这些数据中提取有用的信息是一个关键问题。
常用的声学数据处理方法包括频谱分析、时域分析和统计分析等。
频谱分析可以将声学信号分解为不同频率的成分,用于分析声音的频谱特征;时域分析可以对声学信号进行时序分析,了解声音的时域特性;统计分析可以对多个声学信号进行比较和统计,得到声学系统的统计特性。
3.声学表征方法的应用基于声学有限元仿真结果的声学表征方法可以应用于各种声学系统的分析和设计。
例如,在汽车行业中,可以通过对汽车车内的声学仿真结果进行表征,提取出车内噪音水平、声学环境等关键特征,从而改善车内的声学体验。
在建筑行业中,可以通过对建筑物声学仿真结果的表征,评估建筑物的声学性能,提高室内声学环境的质量。
在航空航天领域,可以通过对飞机的声学仿真结果进行表征,评估飞机的噪声水平,优化飞机的设计。
4.声学表征方法的优势和挑战基于声学有限元仿真结果的声学表征方法具有以下优势:首先,它可以提取出声学系统的关键特征,帮助我们更好地理解系统的性能。
其次,它可以通过对仿真结果的分析,指导声学系统的优化和改进。
然而,声学表征方法也面临一些挑战。
TrekStor
声振动压电振子的有限元仿真分析
压电式骨传导耳机的发声部件是压电振子,所以压电振子的性能决定了骨传导耳机的发声特性,本章将对压电振子的特性进行分析。
研究已经表明,压电振子的发声响度随着压电振子振幅的增大而增大,所以从理论上讲应该尽量增大压电振子的振动位移。
此外,压电振子有共振频率点,当驱动信号的频率正好处于这些频率附近时,会引起共振,振子的振幅会显著增大。
由于声音在低频的再现不够充分,所以要尽量降低压电振子的谐振频率,使低频处的振动加强。
压电振子的仿真建模
有限元法是根据能量的极值原理和分割近似原理来求解数学、物理、力学以及工程问题的一种十分有效的数值计算方法。
有限元把具有无限个自由度的连续体,理想化为只有有限自由度的单元集合体,只要确定了单元的力学特性,就可以按结构分析的方法求解,使分析过程大为简化,配以计算机工具可以解决很多解析法无法解决的复杂工程问题。
作为声发生元件的压电振子具有双向机一电藕合特性,然而从机一电藕合的角度对其进行的理论分析还很有限。
由于藕合效应的影响,大多数工作还只是在特殊情况下进行,而对于一般情况,很难得到显式解,于是工作转向有限元分析。
ANSYS能很好地解决压电振子的自由度藕合问题及压电藕合问题,本章将利用有限元分析软件ANSYS,针对矩形悬臂支撑、矩形两端固定支撑、圆形周边固定支撑、圆形中间固定支撑和圆形简支支撑情况下的压电振子进行静力学和模态分析,从而更好地了解支撑方式对压电振子的振动情况和工作性能的影响,并为圆形结构和矩形结构压电式骨传导助听装置压电振子的支撑方式提供制作依据。
由于作为声发生元件的压电振子在力学变形与电学效应方面具有显著的机一电藕合特性,因此压电陶瓷的藕合问题是属于不同物理场的藕合问题。
而ANSYS单元库中的SOL工DS单元可用于磁、热、电、压电和结构场之间的三维藕合分析。
SOLIDS单元具有八个结点,每个结点有六个自由度。
当应用于压电分析时,SOLIDS具有大变形能力,此时其温度和磁场自由度不作计算。
所以选择实体单元SOLIDS对压电陶瓷进行网格划分,选择SOLID45对铜基板进行网格划分。
压电振子的建模参数如下:
(1)压电陶瓷参数:密度为7 . S x 103kg/m3、介电常数矩阵(}x 10-9F/m)、压电常数
TrekStor。